上海市建设项目集中空调通风系统卫生学评价规范(2019年版)
- 格式:pdf
- 大小:363.44 KB
- 文档页数:20
附件2:公共场所集中空调通风系统卫生学评价规范1 总则为配合《公共场所集中空调通风系统卫生管理办法》的实施,预防空气传播性疾病在公共场所的传播,规范公共场所集中空调通风系统卫生学评价工作,制定本规范。
2 范围本规范规定了新建、改建、扩建和已投入运行的公共场所集中空调通风系统(以下简称集中空调通风系统)预防空气传播性疾病的卫生学评价工作。
本规范适用于公共场所使用的集中空调通风系统,其他场所集中空调通风系统可参照执行。
3 术语与定义3.1 集中空调通风系统预防性卫生学评价依据国家法规、规章、卫生标准和卫生规范,对新建、改建和扩建集中空调通风系统的设计和竣工验收进行的预防空气传播性疾病的评价。
3.2 集中空调通风系统经常性卫生学评价依据国家法规、规章、卫生标准和卫生规范,对投入运行的集中空调通风系统卫生状况进行的预防空气传播性疾病的评价。
4 集中空调通风系统预防性卫生学评价4.1 评价目的预防和控制集中空调通风系统可能出现的健康危害因素。
4.2 评价依据(1) 国家法律、法规、规章、标准、规范,主要包括:a. 《中华人民共和国传染病防治法》;b. 《公共场所卫生管理条例》;c. 《公共场所集中空调通风系统卫生管理办法》;d. 《公共场所集中空调通风系统卫生规范》;e. 《公共场所集中空调通风系统清洗规范》;f. 公共场所卫生标准( GB 9663~9673,GB 16153)。
(2) 建设单位或公共场所经营者提供的技术资料,主要包括:a. 建设项目的审批文件;b. 建设项目概况资料;c. 集中空调通风系统设计资料及设计说明。
(3) 其他相关文件和资料。
4.3 评价内容与方法4.3.1 设计评价4.3.1.1 基本情况分析对所提供的技术资料进行基本情况分析,主要包括:(1) 建设项目地点、总投资、平面布局、建筑面积;(2) 建设项目用途、服务人数;(3) 空调类型、气流形式和系统设计参数;(4) 冷却塔的类型和位置;(5) 空气净化消毒装置种类、用途及安装部位。
公共场所集中空调通风系统卫生学评规范无需修改
一、总则
为了保障公共场所集中空调通风系统的卫生安全,科学、合理地设计、施工、试运转、使用和维护而制定本规范。
二、适用范围
本规范适用于公共场所有集中空调通风系统的设计、施工、试运转、
使用和维护过程。
三、定义
1.集中空调通风系统:是指把空调和通风设备集中起来,安装在机房内,以实现对一定的空间进行空调、采暖、送风、排风、新风补充等的一
体化控制系统。
2.空调系统:是指配备有冷冻机组和分配机构、吸湿装置、湿冷机组、热管安装等设备的空调设备系统。
3.通风系统:是指以室外新风机组、室内新风机组和排风机组为主要
设备,并配有必要的调节控制、分配机构等设备构成的通风系统。
四、设计要求
1.规划依据:设计要结合本规范及国家有关法律、法规、标准及工程
技术规范,经技术负责人审查。
2.系统类型:根据场所特点选择适当的集中空调通风系统类型,合理
安排冷冻机组及各种风机组的运行方式,保证场所空气质量。
3.冷冻机组:根据场所大小确定冷冻机组的容积和功率,使空调系统的运行状态满足场所的需求,并符合空冷设备的国家标准。
WST395-2018公共场所集中空调通风系统卫生学评价与衡量要求规范1公共场所集中空调通风系统卫生学评价规范1 范围本标准规定了新建、改建、扩建的公共场所集中空调通风系统(以下简称集中空调系统)的设计和竣工验收卫生学评价的技术要求。
本标准适用于已投入运行的公共场所集中空调系统,其他场所集中空调系统的卫生学评价参照执行。
2 规范性引用文件下列文件对于本文件的的应用是必不可少的,凡是注日期的的引用文件,仅注日期的版本适用于本文件。
凡是不注日期的的引用文件,其最新版本(包括所有的修改单)适用于本文件。
WS 394-2012 公共场所集中空调通风系统卫生规范WS/T 396-2012公共场所集中空调通风系统清洗消毒规范《公共场所卫生管理条例实施细则》卫生部3 卫生学评价机构3.1 基本要求3.1.1具有独立的法人资格。
3.1.2拥有固定的办公场所和相应的实验室。
3.1.3检测项目应当获得省级以上实验室资质认定。
3.2 人员要求3.2.1技术负责人应具有副高级以上专业技术职称并从事相关专业工作5年以上。
3.2.2专业技术人员应有不少于5名与集中空调系统卫生学评价工作相适应的公共卫生、卫生检测专业人员,并具备相应的专业技术能力,其中中级专业技术职称以上人员不少于专业人员总数的40%。
3.2.3 专业人员应经过培训,并考核合格。
3.3 质量管理体系要求应设立专门的质量管理部门,并有完善的符合集中空调系统卫生学评价质量的管理体系。
3.4 设备要求3.4.1拥有量值准确可靠、性能良好,与集中空调系统卫生学评价项目相配套的仪器设备,基本仪器设备见附录A。
3.4.2仪器设备的配置应能满足工作的需要,并能良好运行。
3.4.3仪器设备应定期进行计量检定,并贴有检定或校验标识。
定量采样机器人应编制自校规程并定期进行不确定度评定。
3.4.4仪器设备应有完整的操作规程。
4 卫生学评价4.1 评价依据4.1.1 国家标准、规范,主要包括:a)《中华人民共和国传染病防治法》;b)《公共场所卫生管理条例》;c)《公共场所卫生管理条例实施细则》;d)WS 394;e)WS/T 396;f)公共场所卫生标准。
上海:中央空调《办法》已正式启动
佚名
【期刊名称】《制冷空调与电力机械》
【年(卷),期】2011(32)6
【摘要】据了解,《上海市集中空调通风系统卫生管理办法》已于12月1日开
始正式施行。
据空调制冷大市场调查了解,《办法》要求新建、改建、扩建集中空调通风系统的建设单位,应当委托具有相应资质的设计单位,按照集中空调通风系统卫生管理标准进行设计,并使用符合产品质量规定的集中空调通风系统设备设施。
建设单位在设计文件审查阶段、竣工验收阶段提交的材料中,需要包含集中空调通风系统设计和竣工验收卫生学评价报告的内容。
【总页数】1页(P53-53)
【关键词】上海市;中央空调;空调通风系统;卫生管理办法;设计单位;通风系统设计;
建设单位;竣工验收
【正文语种】中文
【中图分类】TU831.31
【相关文献】
1.上海建材学院、上海城建学院已正式并入同济大学 [J], 无
2.传承创新精神,第十七届MDV中央空调设计应用大赛正式启动 [J],
3.中央空调清洗行业:企业资质认证工作已启动 [J],
4.中央空调清洗行业:企业资质认证工作已启动 [J],
5.民族品牌国际品质——国防暖通技术发展交流会暨海信中央空调品质行正式启动 [J],
因版权原因,仅展示原文概要,查看原文内容请购买。
集中空调通风系统及公共场所、特殊场所卫生学检测评价指南一、概述承担集中空调通风系统及公共场所、特殊场所卫生学检测评价的部门直属于上海市疾病预防控制中心(上海市预防医学研究院),是从事集中空调通风系统卫生学检测、评价及公共场所、特殊场所卫生学检测的专业部门,现场检测及实验室均通过中国实验室国家认可委员会认可,可根据需要向委托方提供相关检测或评价报告。
二、简介(一)集中空调通风系统卫生学检测1.检测场所本部门提供以下建筑场所集中空调通风系统现场检测,种类包括:(1)旅馆、餐饮建筑、商场、公共浴室、公用事业及金融机构的营业场所等商业建筑;(2)行政办公楼、商务写字楼等办公建筑;(3)博物馆、图书馆、美术馆、纪念馆、科技馆、档案馆、体育馆、音乐厅、影剧院、游艺厅、歌舞厅、网吧等文化体育娱乐建筑;(4)机场、铁路客运站、长途客运站、轨道交通站、港口客运站等交通建筑;(5)学校、医疗机构等教育卫生建筑;(6)住宅等居住建筑;(7)其他用于社会公共活动的公共建筑。
2.检测所需资料请提供所需检测的集中空调通风系统竣工图及设备清单(二)集中空调通风系统卫生学评价1.评价场所种类本部门提供下列建筑集中空调通风系统的卫生学评价:(一)旅馆、餐饮建筑、商场、公共浴室、公用事业及金融机构的营业场所等商业建筑;(二)行政办公楼、商务写字楼等办公建筑;(三)博物馆、图书馆、美术馆、纪念馆、科技馆、档案馆、体育馆、音乐厅、影剧院、游艺厅、歌舞厅、网吧等文化体育娱乐建筑;(四)机场、铁路客运站、长途客运站、轨道交通站、港口客运站等交通建筑;(五)学校、医疗机构等教育卫生建筑;(六)住宅等居住建筑;(七)其他用于社会公共活动的公共建筑。
2.所需资料(1)集中空调通风系统卫生学评价委托书:委托书应当注明委托单位、委托单位法定代表人、被委托单位、项目名称、委托事项等基本情况,并盖上委托单位的公章。
(2)建设项目相关技术资料:建设项目概况资料;集中空调通风系统设计说明、施工图/竣工图、设备清单。
国家卫生健康委办公厅关于下达2019年度卫生健康标准项目计划的通知正文:----------------------------------------------------------------------------------------------------------------------------------------------------国家卫生健康委办公厅关于下达2019年度卫生健康标准项目计划的通知国卫办法规函〔2019〕714号北京市、天津市、辽宁省、黑龙江省、上海市、江苏省、安徽省、福建省、山东省、河南省、湖北省、广东省、四川省、宁夏回族自治区卫生健康委,中国疾控中心、委统计信息中心、委医管中心,国家卫生健康标准委员会各标准专业委员会、各标准起草单位:现将2019年度卫生健康标准项目计划(可从国家卫生健康委员会网站下载)印发给你们,请认真组织落实。
请各项目负责人和牵头单位按照卫生健康标准管理制度要求完成标准研究、起草和征求意见等工作,在规定的时限前报送相关材料。
各标准协调管理机构(中国疾控中心、委统计信息中心、委医管中心)和标准专业委员会秘书处要加强对项目执行情况的监督管理。
请相关省份卫生健康委及有关单位对辖区或下属单位承担的项目给予充分支持,加强督促检查,确保项目按时、保质完成。
国家卫生健康委办公厅2019年9月4日2019年度卫生健康标准项目计划序号专业项目编号项目名称项目分类标准类别牵头单位负责人完成时限1.?卫生健康信息20190101医院信息化功能及建设标准制定WS/T国家卫生健康委统计信息中心李岳峰2020-9-102.?20190102重大疾病监测业务协同基本数据集制定WS/T中国疾病预防控制中心马家奇2020-9-103.?20190103互联网医疗健康信息安全管理规范制定WS/T国家卫生健康委统计信息中心郝惠英2021-9-104.?20190104电子健康卡技术规范制定WS/T国家卫生健康委统计信息中心汤学军2021-9-105.?20190105预防接种信息系统数据交换接口规范制定WS/T中国疾病预防控制中心曹玲生2021-9-106.?远程医疗信息共享文档规范制定WS/T郑州大学第一附属医院赵杰2021-9-107.?20190107分级诊疗信息系统基本功能规范制定WS/T江苏省人民医院(南京医科大学第一附属医院)唐金海2021-9-108.?20190108全国卫生行业医疗器械、仪器设备(商品、物资)分类与代码修订WS/T中国医学装备协会杨建龙2021-9-109.?20190109宁夏互联网医院监督管理标准培育试点研究—宁夏卫生健康委田丰年10.?20190110福建互联网医院监督管理标准培育试点研究—福建省卫生计生监督所缪伟2020-9-1011.?20190111医学人工智能应用管理规范研究项目?第1部分:基于供需侧的应用指导、标准体系与应用评估方法研究研究—国家卫生健康委统计信息中心胡建平2020-9-1012.?20190112医学人工智能应用管理规范研究项目?第2部分:医学人工智能应用管理规范指南研究—国家卫生健康委医疗管理服务指导中心高学成2020-9-1013.?医疗卫生建设20190201医院污水处理系统建设制定WS/T北京市环境保护科学研究院?孙长虹2020-9-1014.?20190202疾病预防控制中心装备配置标准制度WS/T中国疾病预防控制中心赵赤鸿2020-9-1015.?20190203乡镇卫生院医用装备配置标准制定WS/T中国医学装备协会赵自林2021-9-1016.?20190204妇幼健康服务机构医用装备配置标准制定WS/T国家卫生健康委发展研究中心2021-9-1017.?传染20190301结核病实验室检测流程制定WS/T中国疾病预防控制中心赵雁林2020-9-1018.?病20190302鼠疫诊断修订GB中国疾控中心传染病所李伟2020-9-1019.?寄生虫病20190401包虫病诊断修订WS中国疾病预防控制中心寄生虫病预防控制所伍卫平2020-9-1020.?20190402血吸虫病诊断修订WS中国疾病预防控制中心寄生虫病预防控制所周晓农2020-9-1021.?20190403疟原虫抗原检测?试纸条法制定WS/T江苏省寄生虫病防治研究所曹俊2021-9-1022.?20190404利什曼原虫检测?血涂片法制定WS/T中国疾病预防控制中心寄生虫病预防控制所汪俊云2021-9-1023.?地方病20190501克山病病区控制和消除制定WS/T中国疾病预防控制中心地方病控制中心2020-9-1024.?20190502碘缺乏病消除修订WS中国疾病预防控制中心地方病控制中心刘鹏2020-9-1025.?营养20190601牛奶蛋白过敏儿童膳食营养指南制定WS/T广州市妇女儿童医疗中心龚四堂2020-9-1026.?20190602住院患者营养风险筛查与营养状况评定制定WS/T北京协和医院于康2021-9-1027.?健康20190701环境化学物质暴露健康风险评估技术指南制定WS/T中国疾病预防控制中心环境所施小明2020-9-1028.?20190702农村户厕卫生规范修订GB/T中国疾病预防控制中心农村改水中心张荣2020-9-1029.?20190703环境健康标准名词术语制定WS/T北京大学郭新彪2020-9-1030.?20190704生活饮用水检验方法标准制定GB/T中国疾病预防控制中心环境所施小明2020-9-1031.?20190705室内空气质量标准修订GB/T中国疾病预防控制中心环境所施小明2020-9-1032.?20190706基于人体健康风险的环境化学污染物安全剂量推导技术指南研究研究—华中科技大学徐顺青2020-9-1033.?20190707温泉水卫生标准研究研究—江苏省疾病预防控制中心丁震2020-9-1034.?20190708《公共场所集中空调?通风系统卫生规范》实施评估—上海市卫生健康委员会监督所毛洁2020-9-1035.?学校卫生20190801学生健康检查规范修订GB/T安徽医科大学陶芳标2020-9-1036.?20190802学生健康监测质量控制技术规范制定WS/T北京市疾病预防控制中心郭欣2020-9-1037.?20190803中小学生屈光不正筛查规范制定WS/T上海市眼病防治中心/上海市眼科医院邹海东2020-9-1020190804上海儿童青少年近视防控管理综合标准化试点研究—上海市眼病防治中心许迅2020-9-1039.?卫生有害生物防制20190901病媒生物密度监测方法??蚤类制定WS/T中国疾病预防控制中心传染病预防控制所鲁亮2020-9-1040.?20190902病媒生物密度控制水平?蝇类修订GB/T上海市疾病预防控制中心冷培恩2020-9-1041.?医疗机构管理20191001医院医用气体系统运行管理修订四川大学华西医院黄进2020-9-1042.?20191002精神科电抽搐治疗相关设备安全使用要求制定WS/T武汉大学人民医院?王高华2020-9-1043.?医疗服务20191101严重创伤院前与院内信息链接规范制定WS/T北京大学人民医院姜保国2020-9-1044.?20191102医护人员院前急救培训规范制定WS/T中日友好医院孙??阳2020-9-1045.?手术部位标识规范制定WS/T国家卫生健康委医院管理研究所马丽平2021-9-1046.?20191104患者体验调查与评价术语制定WS/T北京大学人民医院张??俊2021-9-1047.?医院感染控制20191201医院感染诊断标准制定WS/T北京协和医院马小军2020-9-1048.?20191202碳青霉烯类耐药肠杆菌预防与控制规范制定WS/T四川大学华西医院2021-9-1049.?20191203重点部门医院感染监测与控制规范制定WS/T中国人民解放军总医院刘运喜2021-9-1050.?护理20191301医疗机构常用护理文书书写规范制定WS/T北京协和医院吴欣娟2020-9-1051.?临床检验20191401便携式血糖仪临床操作和质量管理指南制定WS/T复旦大学附属中山医院?潘柏申2020-9-1052.?20190402儿童临床生化常规检验项目参考区间制定WS/T首都医科大学附属北京儿童医院? 倪鑫2020-9-1053.?20190403儿童血细胞分析参考区间制定WS/T首都医科大学附属北京儿童医院? 倪鑫2020-9-1054.?血液20191501全血及成分血质量要求修订WS上海市血液中心邹峥嵘2020-9-1055.?20191502血液成分制备技术制定WS/T中国医学科学院输血研究所刘忠2020-9-1056.?20191503一般血站业务场所通用要求制定WS/T上海市血液中心林俊杰2020-9-1057.?基层卫生健康20191601基层医疗卫生服务机构视觉设计基本规范制定WS/T中国社区卫生协会陈博文2020-9-1058.?20191602基层医疗卫生服务机构工作单元及应用系统视觉设计规范制定WS/T中国社区卫生协会陈博文2020-9-1059.?20191603基层医疗机构医务人员急重病人判断及转诊标准制定WS/T北京协和医院?曾学军2020-9-1060.?消毒20191701内镜自动清洗消毒机卫生要求修订GB中国疾病预防控制中心环境与健康相关产品安全所张流波2020-9-1061.?20191702消毒产品检测方法制定WS/T中国疾病预防控制中心环境与健康相关产品安全所沈瑾2020-9-1062.?20191703内镜灭菌效果评价与检测方法制定WS/T江苏省疾病预防控制中心徐燕2021-9-1063.?20191704邻苯二甲醛卫生要求制定WS/T空军特色医学中心曹晋佳2021-9-1064.?老年20191801老年健康标准专业术语研究研究—北京医院杨泽2020-9-1065.?20191802中国老年健康服务标准体系研究研究—北京医院张鹏俊2020-9-1066.?妇幼20191901妊娠期糖尿病妇女体重增长推荐值制定WS/T北京协和医院马良坤2020-9-1067.?20191902托幼机构卫生保健工作评价研究研究—中国疾病预防控制中心妇幼保健中心徐轶群2020-9-1068.?职业健康20192001工作场所空气中苯接触限值修订GBZ中国疾病预防控制中心职业卫生与中毒控制所邢彩虹2020-9-1069.?20192002职业性苯中毒的诊断修订GBZ首都医科大学附属北京朝阳医院叶俏2020-9-1070.?尿中二氯甲烷的测定?气相色谱法制定GBZ/T天津市疾病预防控制中心张明2020-9-1071.?20192004职业接触三甲基氯化锡生物限值制定GBZ/T广东省职业病防治院吴邦华2020-9-1072.?20192005疑似职业病界定导则制定GBZ/T广东省职业病防治院陈嘉斌2020-9-1073.?20192006职业性慢性二硫化碳中毒诊断修订GBZ江苏省疾病预防控制中心丁邦梅74.?20192007强制性职业病诊断标准实施评估:《职业性急性化学物中毒性神经系统疾病诊断标准》实施—黑龙江省劳动卫生职业病研究所宋莉2020-9-1075.?20192008强制性职业病诊断标准实施评估:《职业性急性硫酸二甲酯中毒的诊断标准》实施—大连市第四人民医院(大连市职业病防治院)马雪松2020-9-1076.?20192009强制性职业病诊断标准实施评估:《职业性慢性铅中毒》实施—南京医科大学朱宝立2020-9-1077.?20192010强制性职业病诊断标准实施评估:《职业性中毒性肝病诊断标准》实施—上海市化工职业病防治院闫丽丽2020-9-1078.?20192011强制性职业病诊断标准实施评估:《煤矿井下工人滑囊炎诊断标准》实施—首都医科大学附属北京朝阳医院夏玉静2020-9-1079.?放射卫生20192101工业辐射探伤放射卫生防护要求修订GBZ山东省医学科学院放射医学研究所邓大平2020-9-1080.?20192102医用质子重离子加速器质量控制检测规范制定WS中国疾病预防控制中心辐射防护与核安全医学所程金生2020-9-1081.?20192103核动力发电企业职业病预防控制规范制定GBZ/T中国疾病预防控制中心辐射防护与核安全医学所侯长松2020-9-1082.?20192104核电厂操纵员的健康要求和医学监督规定修订GBZ/T苏州大学附属第二医院刘玉龙2020-9-1083.?其他20192201国家卫生城市标准制定WS北京市疾病预防控制中心曾晓芃2020-9-1084.?20192202国家卫生乡镇标准制定WS北京市疾病预防控制中心曾晓芃2020-9-1085.?20192203病原微生物核酸扩增检验实验室能力通用要求制定WS中国疾病预防控制中心赵赤鸿2020-9-1086.?20192204病原微生物菌(毒)种国家标准株评价技术要求制定WS/T中国疾病预防控制中心魏??强2021-9-1087.?20192205全国医疗服务价格项目技术规范制定WS/T卫生发展研究中心于丽华2020-9-1088.?20192206托育服务机构质量评估标准研究研究—中国儿童中心杨彩霞2020-9-1089.?20192207卫生健康领域团体标准管理体制研究研究—中国疾病预防控制中心传染病预防控制中心卢金星2020-9-1090.?20192208中国参与ISO卫生健康领域标准工作策略研究研究—中国疾病预防控制中心雷苏文2020-9-1091.?20192209中国卫生健康标准发展状况研究研究—北京市疾病预防控制中心曾晓芃2020-9-10——结束——。
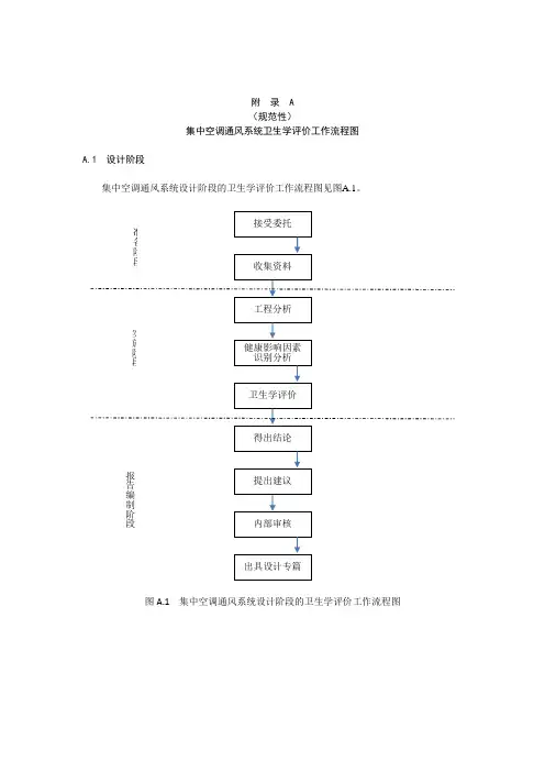
附录A(规范性)集中空调通风系统卫生学评价工作流程图A.1 设计阶段集中空调通风系统设计阶段的卫生学评价工作流程图见图A.1。
图A.1 集中空调通风系统设计阶段的卫生学评价工作流程图A.2 竣工验收阶段、运行阶段集中空调通风系统竣工验收阶段、运行阶段的卫生学评价工作流程图见图A.2。
图A.2 集中空调通风系统竣工验收阶段、运行阶段的卫生学评价工作流程图附录B(规范性)集中空调通风系统卫生学评价文本格式B.1 集中空调通风系统卫生设计专篇格式B.1.1 封面——X X集中空调通风系统卫生设计专篇(XX为建设项目的全称);——设计专篇编号;——评价机构名称(加盖公章);——日期(年月日)。
B.1.2 封二——报告书名称:XX集中空调通风系统卫生设计专篇;——评价机构名称;——法人代表姓名;——项目负责人姓名、技术职务、签名;——编写人姓名、技术职务、签名;——审核人姓名、技术职务、签名;——签发人姓名、职务、签名。
B.1.3 目录应列至二级目录。
B.1.4 正文——总论:包括项目背景、设计依据,设计范围、设计内容等内容;——健康影响因素的识别;——卫生设计分析;——结论。
B.2 集中空调通风系统竣工验收/在运期间卫生学评价报告格式B.2.1 封面——X X集中空调通风系统竣工验收/运行期间卫生学评价报告书(XX为建设项目的全称);——报告书编号;——评价机构名称(加盖公章);——日期(年月日)。
B.2.2 封二——报告书名称:XX集中空调通风系统竣工验收卫生学评价报告书;——评价机构名称;——法人代表姓名;——项目负责人姓名、技术职务、签名;——报告书编写人姓名、技术职务、签名;——报告书审核人姓名、技术职务、签名;——报告书签发人姓名、职务、签名。
B.2.3 目录应列至二级目录。
纸型规格A4纸,字体为国标仿宋体,标准5号,1.5倍行距。
B.2.4 正文纸型规格A4纸,字体为国标仿宋体,标准4号,1.5倍行距。
上海市集中空调通风系统卫生管理办法文章属性•【制定机关】上海市人民政府•【公布日期】2011.08.08•【字号】上海市人民政府令第70号•【施行日期】2011.12.01•【效力等级】地方政府规章•【时效性】现行有效•【主题分类】城市建设正文上海市人民政府令(第70号)《上海市集中空调通风系统卫生管理办法》已经2011年7月25日市政府第115次常务会议通过,现予公布,自2011年12月1日起施行。
市长韩正二○一一年八月八日上海市集中空调通风系统卫生管理办法(2011年8月8日上海市人民政府令第70号公布)第一条(目的)为了加强本市集中空调通风系统卫生管理,预防和控制空气传播性疾病的发生和流行,保障公众身体健康,制定本办法。
第二条(适用范围)本办法适用于本市行政区域内下列建筑中的集中空调通风系统的卫生管理:(一)旅馆、餐饮场所、商场、公共浴室、公用事业及金融机构的营业场所等商业建筑;(二)行政办公楼、商务写字楼等办公建筑;(三)博物馆、图书馆、美术馆、纪念馆、科技馆、档案馆、体育馆、音乐厅、影剧院、游艺厅、歌舞厅、网吧等文化体育娱乐建筑;(四)机场、铁路客运站、长途客运站、轨道交通站、港口客运站等交通建筑;(五)学校、医疗机构等教育卫生建筑;(六)住宅等居住建筑;(七)其他用于社会公共活动的建筑。
第三条(管理部门)市卫生行政部门是本市集中空调通风系统卫生监督管理工作的主管部门。
区、县卫生行政部门负责本辖区内集中空调通风系统卫生监督管理工作。
规划土地、建设交通、住房保障房屋管理、质量技监、交通港口、出入境检验检疫、铁路等行政部门按照各自职责,做好相关管理工作。
第四条(卫生行政部门职责)卫生行政部门应当履行下列职责:(一)制定集中空调通风系统卫生管理规范;(二)开展建设项目的集中空调通风系统预防性卫生审核;(三)组织开展防治空气传播性疾病的宣传教育;(四)指导建立集中空调通风系统卫生管理制度;(五)提供集中空调通风系统卫生管理信息服务;(六)对集中空调通风系统进行卫生监督管理;(七)市政府规定的其他职责。
《集中空调通风系统卫生管理规范》(送审稿)上海市地方标准编制说明一、项目背景(一)任务来源《集中空调通风系统卫生管理规范》(DB31/T 405-2012)实施以来,推进了《上海市集中空调通风系统卫生管理办法》的实施,规范了集中空调通风系统卫生管理工作,提升了本市集中空调通风系统的卫生质量。
但在使用过程中,也出现了无法满足空调发展现状、与国家标准的协调性等问题。
2018年6月,上海市质量技术监督局发文《关于下达2018年度第一批上海市地方标准制修订项目计划的通知》(沪质技监标[2018]291号),委托上海市疾病预防控制中心牵头并组织上海市地方标准《集中空调通风系统卫生管理规范》(DB31/T 405-2012)的修订工作。
(二)预期目标本标准为配套《上海市集中空调通风系统卫生管理办法》实施的卫生管理标准,适用于社会公共活动的公共建筑的集中空调通风系统,提出集中空调通风系统的设计卫生要求、日常运行管理要求、卫生指标及限值要求、卫生检测技术要求和清洗消毒技术要求,为卫生健康行政部门、卫生监督机构、疾病预防机构、集中空调设计单位、使用单位、行业协会、公共卫生技术服务机构开展集中空调通风系统相关卫生管理工作提供技术依据。
(三)主要起草单位情况为本标准修订工作的顺利推进,上海市疾病预防控制中心组织成立了标准修订起草组,邀请上海市卫生健康委员会监督所、同济大学、上海空调清洗行业协会、上海冷冻空调行业协会参与。
成员涵盖疾病预防机构、卫生监督机构、集中空调相关科研院校、行业协会及集中空调相关卫生专业人员。
二、标准编制原则(一)坚持先进性原则,技术水平领先全国、对标国际本次修订进行了详实的资料综述工作,收集了国内外集中空调通风设计的标准、规范、导则等材料,分析了国内外同类技术标准的技术水平,在预期可达到的条件下,积极地把集中空调通风系统的先进技术纳入标准。
在修订过程中,引入了美国《可接受的室内空气质量通风标准》(ANSI/ASHRAE 62.1)、美国《暖通空调系统的评估、清洗和修复》(NADCA ACR)、德国《空调通风系统卫生标准》(VDI 6022)、英国《通风系统内部清洁度》(HVCA TR/19)、日本厚生省《空调通风系统维持管理以及清扫等相关技术的要求》等国际先进标准的技术内容。
上海市质量技术监督局关于发布上海市地方标准《集中空调通风系统卫生管理规范》的通知
文章属性
•【制定机关】上海市质量技术监督管理局
•【公布日期】2012.04.18
•【字号】沪质技监标[2012]239号
•【施行日期】2012.09.01
•【效力等级】地方规范性文件
•【时效性】现行有效
•【主题分类】质量管理和监督
正文
上海市质量技术监督局关于发布上海市地方标准《集中空调
通风系统卫生管理规范》的通知
(沪质技监标〔2012〕239号)
各有关单位:
上海市地方标准《集中空调通风系统卫生管理规范》经修订,并征求意见后,已由我局审查批准,现予以发布。
标准编号及名称为:
DB31/405-2012集中空调通风系统卫生管理规范
本标准自2012年9月1日起实施。
特此通知
上海市质量技术监督局
二O一二年四月十八日。
公共场所集中空调通风系统卫生学评价规范1 范围本标准规定了新建、改建、扩建的公共场所集中空调通风系统(以下简称集中空调系统)的设计和竣工验收卫生学评价的技术要求。
本标准适用于已投入运行的公共场所集中空调系统,其他场所集中空调系统的卫生学评价参照执行。
2 规范性引用文件下列文件对于本文件的的应用是必不可少的,凡是注日期的的引用文件,仅注日期的版本适用于本文件。
凡是不注日期的的引用文件,其最新版本(包括所有的修改单)适用于本文件。
WS 394-2012公共场所集中空调通风系统卫生规范WS/T 396-2012公共场所集中空调通风系统清洗消毒规范《公共场所卫生管理条例实施细则》卫生部3 卫生学评价机构基本要求具有独立的法人资格。
拥有固定的办公场所和相应的实验室。
检测项目应当获得省级以上实验室资质认定。
人员要求技术负责人应具有副高级以上专业技术职称并从事相关专业工作5年以上。
专业技术人员应有不少于5名与集中空调系统卫生学评价工作相适应的公共卫生、卫生检测专业人员,并具备相应的专业技术能力,其中中级专业技术职称以上人员不少于专业人员总数的40%。
专业人员应经过培训,并考核合格。
质量管理体系要求应设立专门的质量管理部门,并有完善的符合集中空调系统卫生学评价质量的管理体系。
设备要求拥有量值准确可靠、性能良好,与集中空调系统卫生学评价项目相配套的仪器设备,基本仪器设备见附录A。
仪器设备的配置应能满足工作的需要,并能良好运行。
仪器设备应定期进行计量检定,并贴有检定或校验标识。
定量采样机器人应编制自校规程并定期进行不确定度评定。
仪器设备应有完整的操作规程。
4 卫生学评价评价依据国家标准、规范,主要包括:a)《中华人民共和国传染病防治法》;b)《公共场所卫生管理条例》;c)《公共场所卫生管理条例实施细则》;d)WS 394;e)WS/T 396;f)公共场所卫生标准。
公共场所经营者提供的技术资料,主要包括:a)建设项目的审批文件;b)建设项目概况资料;c)集中空调系统设计资料。
上海市安全生产监督管理局关于印发《上海市建设项目(工程)安全预评价报告评审、备案工作程序》的通知文章属性•【制定机关】上海市安全生产监督管理局•【公布日期】2003.11.21•【字号】沪安监管监一〔2003〕45号•【施行日期】2004.01.01•【效力等级】地方规范性文件•【时效性】现行有效•【主题分类】工程质量安全监管正文上海市安全生产监督管理局关于印发《上海市建设项目(工程)安全预评价报告评审、备案工作程序》的通知沪安监管监一〔2003〕45号各区、县安全生产监察局:为了进一步转变政府职能,提高行政效能,按照国家安全生产监督管理局《关于贯彻落实〈国务院关于取消行政审批项目和改变一批行政审批项目管理方式的决定〉有关工作的通知》及《安全预评价导则》的要求,制订《上海市建设项目(工程)安全预评价报告评审、备案工作程序》,以明确评审机构、评审内容和要求,规范评审和备案工作程序。
自2004年1月1日起实施,请遵照执行。
上海市安全生产监督管理局(章)二〇〇三年十一月二十一日上海市建设项目(工程)安全预评价报告评审、备案工作程序一、依据1. 国家安全生产监督管理局《关于贯彻落实〈国务院关于取消行政审批项目和改变一批行政审批项目管理方式的决定〉有关工作的通知》。
2. 国家安全生产监督管理局《安全预评价导则》。
3. 上海市安全生产监察局《上海市建设项目安全设施审批工作程序》。
二、评审(一)评审机构按照行政审批项目改变管理方式,移交行业组织或社会中介机构管理的要求,安全预评价报告评审交由上海市劳动保护科学技术学会或经认定具有相应资质条件的社会中介机构,负责组织专家对本市范围内(包括宝钢集团梅山冶金公司)建设项目(工程)安全预评价报告的评审。
(二)评审方式和专家组组成1. 评审机构应邀请与该项目相类同的工艺、设备专业管理人员或相关专业技术人员组成专家组(该项目的设计单位、安全预评价单位的人员不得担任专家组成员),对安全预评价报告进行评审。
集中空调通风系统竣工验收卫生学评价服务指南2020-06-03发布 2020-07-01实施上海市卫生健康委员会发布集中空调通风系统竣工验收卫生学评价服务指南一、适用范围本指南适用于本市集中空调通风系统竣工验收卫生学评价的委托和提供。
二、事项名称和代码事项名称:集中空调通风系统竣工验收卫生学评价三、中介服务依据(一)中介服务设定依据《上海市集中空调通风系统卫生管理办法》(上海市人民政府令第70号)第七条规定:建设单位应当按照国家和本市有关规定,在竣工验收阶段提交的材料中,包含集中空调通风系统竣工验收卫生学评价报告的内容。
卫生学评价报告应当由具有相应专业技术能力的卫生学评价机构出具。
《关于发布〈公共场所集中空调通风系统卫生规范〉等3项卫生行业标准通告》(卫通〔2012〕16号)发布卫生行业标准《公共场所集中空调通风系统卫生规范》(WS 394-2012)。
其第5章规定:应建立集中空调系统卫生档案,档案应包括卫生学检测或评价报告书内容。
《关于印发〈上海市建设项目集中空调通风系统卫生学评价规范(2019年版)〉的通知》(沪卫计监督〔2019〕2号,以下简称“《规范》”)中规定:相关公共卫生技术服务机构参照《规范》出具集中空调通风系统卫生学评价报告。
市、区卫生行政部门参照《规范》,对建设项目预防性卫生审核中相关集中空调通风系统卫生学评价报告进行审核。
(二)中介服务技术依据中介服务技术依据见附录8。
四、中介服务范围集中空调通风系统竣工验收卫生学评价的范围是新建、改建和扩建建设项目的集中空调通风系统。
五、中介服务对象集中空调通风系统竣工验收卫生学评价的对象是集中空调通风系统的卫生设计、卫生管理和卫生质量。
六、中介服务内容集中空调通风系统竣工验收卫生学评价的内容是集中空调通风系统的卫生设计、卫生管理和卫生质量的合规性评价。
具体如下:(一)卫生设计的合规性评价1.空调风系统,包括:新风、送风、回风和排风系统。
2.空调水系统,包括:冷凝水系统、冷却水系统、加湿水系统。
上海市卫生局关于下发《上海市建设项目预防性卫生审核工作若干规定》的通知文章属性•【制定机关】上海市卫生局•【公布日期】2013.01.24•【字号】沪卫监督[2013]002号•【施行日期】2013.03.01•【效力等级】地方规范性文件•【时效性】现行有效•【主题分类】卫生监督正文上海市卫生局关于下发《上海市建设项目预防性卫生审核工作若干规定》的通知(沪卫监督〔2013〕002号)各区县卫生局、市卫生局卫生监督所、市疾病预防控制中心:为进一步提高审批效率,根据《上海市建设工程行政审批管理程序改革方案》、《上海市产业项目行政审批流程优化方案》和《本市建设工程部分简易项目总体设计文件审查告知承诺实施办法》的要求,结合本市卫生管理实际,我局组织制定了《上海市建设项目预防性卫生审核工作若干规定》,现印发给你们,请遵照执行。
上海市卫生局2013年1月24日上海市建设项目预防性卫生审核工作若干规定第一条(目的和依据)为进一步转变政府职能,提高审批效率,根据《上海市建设工程行政审批管理程序改革方案》、《上海市产业项目行政审批流程优化方案》和《本市建设工程部分简易项目总体设计文件审查告知承诺实施办法》的要求,结合卫生管理实际,制定本规定。
第二条(适用范围)本规定适用于卫生行政部门开展的建设项目预防性卫生审核工作。
第三条(审批要求)卫生行政部门在建设项目预防性卫生审核过程中,应公开申请材料清单,规范审批流程,公布审批期限。
第四条(审批权限)需要规划土地管理部门审核的建设项目,其预防性卫生审核工作市、区县分工遵循以下原则:(一)市规划土地管理部门直接受理的建设项目,由市卫生局负责受理和审核。
(二)市规划土地管理部门在各受理点受理和审核的建设项目(出具的相关文书加盖市规划土地管理部门带有编号的印章或各受理点业务章),由建设项目所在地的区县卫生行政部门负责受理和审核;受理点受理的建设项目跨区县行政区域的,由市卫生局指定相应的卫生行政部门负责受理和审核。
上海市卫生健康委员会关于印发《2019年上海市公共场所卫生监测工作方案》的通知文章属性•【制定机关】上海市卫生健康委员会•【公布日期】2019.02.14•【字号】•【施行日期】2019.02.14•【效力等级】地方规范性文件•【时效性】现行有效•【主题分类】机关工作正文上海市卫生健康委员会关于印发《2019年上海市公共场所卫生监测工作方案》的通知各区卫生计生委,市疾病预防控制中心、市卫生计生委监督所:为有效开展本市公共场所健康危害因素监测工作,及时掌握公共场所的卫生状况,提高公共场所卫生水平,保护公众健康,我委组织制定了《2019年上海市公共场所卫生监测工作方案》,现印发给你们,请认真贯彻实施。
特此通知。
上海市卫生健康委员会2019年2月14日2019年上海市公共场所卫生监测方案为提高公共场所卫生水平,保护公众健康,依据《公共场所卫生管理条例》《公共场所卫生管理条例实施细则》等法律法规标准的规定,结合本市工作实际,制定本方案。
一、监测目的通过实施公共场所健康危害因素监测,了解上海市公共场所卫生现状、主要健康危害因素,为政府有关部门科学决策以及制定法律法规、卫生标准和实施监督管理提供科学依据。
同时,促进公共场所经营者提高自身卫生管理水平,降低公共场所健康危害事件发生的风险,保护公共场所的人群健康。
二、监测依据监测开展的依据为《公共场所卫生管理条例实施细则》第二十八条“县级以上人民政府卫生计生行政部门应当组织对公共场所的健康危害因素进行监测、分析,为制定法律法规、卫生标准和实施监督管理提供科学依据。
县级以上疾病预防控制机构应当承担卫生计生行政部门下达的公共场所健康危害因素监测任务。
”三、监测范围各区监测三星级以上宾馆(含三星级)、三星级以下宾馆、快捷连锁酒店、游泳场(馆)、沐浴场所、理发店、美容店7种场所的健康危害因素。
其中三星级以上宾馆(含三星级)、三星级以下宾馆、快捷连锁酒店、游泳场(馆)每种选择至少6家单位进行监测,沐浴场所、理发店、美容店每种选择8家单位进行监测;有条件的区,另外监测候车室(普通火车站和汽车站)和地铁(地下站厅、站台及车厢)。
附件上海市建设项目集中空调通风系统卫生学评价规范(2019年版)1 范围本标准规定了用于社会公共活动的建设项目的集中空调通风系统卫生学评价的技术和要求。
本标准不适用于为科研、生产、医疗或检验等过程提供有特殊要求空气环境的空调通风系统。
2 规范性引用文件下列文件对于本文件的应用是必不可少的,凡是注日期的引用文件,仅注日期的版本适用于本文件。
凡是不注日期的引用文件,其最新版本(包括所有的修改单)适用于本文件。
GB 9663~9672,16153 公共场所卫生标准GB 50736 民用建筑供暖通风与空气调节设计规范GB 5749 生活饮用水卫生标准GB/T 5750 生活饮用水标准检验方法GB/T 18204 公共场所卫生检验方法GB/T 18883 室内空气质量标准WS 394 公共场所集中空调通风系统卫生规范WS/T 395 公共场所集中空调通风系统卫生学评价规范WS/T 396 公共场所集中空调通风系统清洗消毒规范DB31/T 405 集中空调通风系统卫生管理规范3 术语和定义下列术语和定义适用于本文件。
3.1集中空调通风系统central ventilation and air conditioning systems为使房间或封闭空间空气温度、湿度、洁净度和气流速度等参数达到设定要求而对空气进行集中处理、输送、分配的所有设备、管道及附件、仪器仪表的总和。
3.2集中空调通风系统卫生学评价Hygienic evaluation for central ventilation and air conditioning systems对新建、改建、扩建和室内二次装修建设项目集中空调通风系统在设计、竣工验收阶段进行预防性卫生学评价,包括设计卫生学评价和竣工验收卫生学评价。
4 总则4.1 评价原则4.1.1 遵循科学、公正、客观的原则,贯彻执行国家的相关法律法规、标准、政策和规范等,优化项目建设,服务集中空调通风系统卫生管理。
4.1.2 保护和改善室内空气环境质量,保护空调室内人员健康。
4.1.3 根据建设项目的工程内容及其要求,对建设项目集中空调通风系统主要卫生影响予以重点分析和评价。
4.1.4 保证评价工作的独立性,排除非技术性因素的影响。
4.2 评价程序4.2.1 集中空调通风系统卫生学评价工作一般分为三个阶段,即准备阶段、实施阶段和报告编制阶段。
4.2.2 准备阶段主要工作包括:接受建设单位委托、收集有关资料等。
4.2.3 实施阶段主要工作包括:工程分析、现场调查、健康影响因素分析、卫生学检测等。
4.2.4 报告编制阶段主要工作包括:汇总分析资料、做出结论、提出对策和建议、编制报告、内部审核等。
4.2.5 评价工作流程图见附录A。
4.3 评价依据4.3.1 法律、法规、规章、标准、规范,主要包括:1)《中华人民共和国传染病防治法》2)《公共场所卫生管理条例》3)《公共场所卫生管理条例实施细则》4)《上海市集中空调通风系统卫生管理办法》5)《上海市传染病防治管理办法》6)GB 9663~9673、16153 公共场所卫生标准7)GB 50736 民用建筑供暖通风与空气调节设计规范8)GB/T 18204 公共场所卫生检验方法9)GB/T 18883 室内空气质量标准10)WS 394 公共场所集中空调通风系统卫生规范11)WS/T 395 公共场所集中空调通风系统卫生学评价规范12)WS/T 396 公共场所集中空调通风系统清洗消毒规范13)DB31/T 405 集中空调通风系统卫生管理规范14)GB 5749 生活饮用水卫生标准15)其他相关标准规范4.3.2 建设单位提供的技术资料4.3.2.1 设计卫生学评价阶段,建设单位应提供下列资料:1)建设项目的立项文件(二次装修项目除外)2)如建设项目进行过预防性卫生审核,提供前阶段的卫生审核意见3)建设项目概况资料4)集中空调通风系统资料,应至少包括集中空调通风系统设备表、空调通风平面图、暖通设计说明和空调水管平面图4.3.2.2 竣工验收卫生学评价阶段,除4.3.2.1包含的资料外,建设单位还应提供下列资料:1)设计卫生学评价报告2)集中空调通风系统竣工图3)集中空调通风系统设备运行测试(调试)报告或由建设单位/委托方盖公章的集中空调通风系统可正常运行的证明文件4.4 评价内容4.4.1 卫生设计4.4.1.1 室内环境参数,包括温度、相对湿度、风速、噪声、室内CO2浓度和新风量等。
4.4.1.2 空调风系统,包括新风、送风、回风、排风系统以及应急关闭回风和新风的装置、控制集中空调通风系统分区域运行的装置和供风管系统清洗、消毒用的可开闭检查孔。
4.4.1.3 空调水系统,包括冷凝水系统、冷却水系统、加湿水系统。
4.4.2 卫生管理主要包括:部位或部件的卫生状况、集中空调通风系统卫生管理制度及其执行情况、预防空气传播性疾病应急预案和集中空调通风系统卫生档案等内容。
4.4.3 卫生指标4.4.3.1 空调风系统卫生指标,包括送风中细菌总数、真菌总数、β-溶血性链球菌、嗜肺军团菌、可吸入颗粒物(PM10)和风管内表面细菌总数、真菌总数、积尘量、新风量。
4.4.3.2 空调水系统卫生指标,包括冷凝水、冷却水和加湿设备水中嗜肺军团菌。
4.5 评价方法4.5.1 根据集中空调通风系统的卫生学特点,卫生学评价一般采用检查表法、现场调查法、检测检验法等方法进行定性和定量评价。
必要时也可采用其他评价方法。
4.5.2 检查表法依据国家有关的法律、法规、规章、标准和规范,以及集中空调通风系统健康危害事故案例等,通过对评价项目的分析和研究,列出检查单元、检查部位、检查项目、检查内容、检查要求等编制成表,逐项检查符合情况,确定评价项目存在的问题、缺陷和潜在健康危害。
4.5.3 现场调查法采用现场卫生学调查方法,了解评价项目状况及周边环境、运行过程中可能存在的健康危害因素及影响程度、卫生管理、卫生设施配置等情况。
4.5.4 检测检验法依据国家相关标准和规范的要求,通过现场检测和实验室分析,对评价项目健康危害因素的浓度或强度以及卫生设施、净化消毒装置的效果进行评定。
4.6 报告编制4.6.1 建设项目集中空调通风系统卫生学评价报告分为评价报告表、评价报告书两种形式。
4.6.2 评价报告表适用于仅采用风机盘管加新风系统或变制冷剂流量多联式空调系统加新风系统的集中空调通风系统的设计卫生学评价。
评价报告表格式见附录B。
4.6.3 评价报告书适用于所有类型集中空调通风系统的卫生学评价。
评价报告书格式见附录C。
4.7 评价人员4.7.1 评价机构应有与集中空调通风系统卫生学评价工作相适应的专业技术人员。
专业技术人员指公共卫生、环境工程、暖通工程、卫生工程、卫生检验等专业或同等能力的人员。
4.7.2 评价技术负责人应具有副高级及以上专业技术职称,并从事相关专业工作5年以上。
4.7.3 评价质量负责人应具有中级及以上专业技术职称,并从事相关专业工作5年以上。
4.7.4 专业人员不应少于5人,包括公共卫生、卫生检验等专业或同等能力的人员,其中中级职称专业人员不应少于40%。
4.7.5 评价报告授权签字人应具有中级及以上职称。
4.8 质量管理评价机构应设立专门的质量管理部门,并有完善的质量管理体系,质量管理要求见附录D。
5 设计卫生学评价5.1 工程分析与现场调查5.1.1 对建设项目基本情况、集中空调通风系统设计情况进行工程分析,对项目周边污染状况进行现场调查。
5.1.2 工程分析与现场调查内容见附录E。
5.2 健康影响因素识别与分析在工程分析与现场调查的基础上,识别与集中空调通风系统服务人群相关的物理性、化学性、生物性健康影响因素,并分析其可能引起的健康危害。
5.3 卫生学评价根据工程分析与现场调查、健康影响因素识别与分析的结果,对照法律、法规、规章、标准、规范中集中空调通风系统的卫生设计要求,评价集中空调通风系统设计的符合性。
5.4 卫生审核意见落实情况分析如建设项目进行过预防性卫生审核,应对照集中空调通风系统相关的卫生审核意见,逐条描述建设单位采取的措施,并作出是否落实卫生审核意见的结论。
5.5 评价结论与建议5.5.1 各检查项的评价结果应分为符合、不符合和合理缺项,并说明判为不符合项和合理缺项的理由。
评价结论应列出不符合项和合理缺项,明确建设项目的集中空调通风系统在采取了设计卫生学评价报告所提的防护措施后,是否能满足国家和地方集中空调通风系统相关法律、法规、标准的要求。
5.5.2 针对不符合项提出相应的建议,建议应分为整改性建议、持续改进性建议,并提出预防性告知。
6 竣工验收卫生学评价6.1 工程分析与现场调查6.1.1 对建设项目基本情况、集中空调通风系统设置情况、日常运行管理情况进行工程分析与现场调查。
6.1.2 工程分析与现场调查内容见附录E。
6.2 健康影响因素识别与分析在工程分析与现场调查的基础上,识别与集中空调通风系统服务人群相关的物理性、化学性、生物性健康影响因素,并分析其可能引起的健康危害。
6.3 卫生学检测6.3.1 对室内环境参数指标和卫生指标进行卫生学检测。
6.3.2 由于季节原因无法进行检测的卫生指标,应在下一个满足检测要求的季节进行补测。
6.3.3 具体检测要求见附录F。
6.4 卫生学评价根据工程分析与现场调查、健康影响因素识别与分析和卫生学检测的结果,并对照法律、法规、规章、标准、规范中集中空调通风系统的卫生设计、卫生指标和卫生管理要求,评价集中空调通风系统的符合性。
6.5 卫生审核意见落实情况分析如建设项目进行过预防性卫生审核,应对照集中空调通风系统相关的卫生审核意见,逐条描述建设单位采取的措施,并作出是否落实卫生审核意见的结论。
6.6 设计卫生学评价报告建议落实情况分析对照集中空调通风系统设计卫生学评价报告建议,逐条描述建设单位采取的措施,并作出是否落实设计卫生学评价报告建议的结论。
6.7 评价结论与建议6.7.1 各检查项的评价结果应分为符合、不符合和合理缺项,并说明判为不符合项和合理缺项的理由。
评价结论应列出不符合项和合理缺项,明确建设项目的集中空调通风系统在将来正常运行过程中,采取了竣工验收卫生学评价报告所提措施和建议的情况下,是否能满足国家和地方集中空调通风系统相关法律、法规、标准的要求。
6.7.2 针对不符合项提出相应的建议,建议应分为整改性建议、持续改进性建议,并提出预防性告知。
附录 A(规范性附录)建设项目集中空调通风系统卫生学评价工作流程图A.1 建设项目集中空调通风系统设计卫生学评价工作流程图图A.1 集中空调通风系统设计卫生学评价工作流程图建设项目集中空调通风系统竣工验收卫生学评价工作流程图图A.2 集中空调通风系统竣工验收卫生学评价工作流程图附录 B(规范性附录)建设项目集中空调通风系统设计卫生学评价报告表格式B.1 封面——X X建设项目集中空调通风系统设计卫生学评价报告表(XX为建设项目的全称);——报告表编号;——评价机构名称(加盖公章);——日期(年月日)。