室内暗配电线路
- 格式:ppt
- 大小:641.50 KB
- 文档页数:25
室内低压线路的结构与敷设1.室内低压线路的结构a.依据平安需要,室内低压线路一般采纳绝缘导线。
常用的绝缘导线有橡皮绝缘导线和塑料绝缘导线。
b.室内低压线路的内容:从进户线接至计量装置的线路,以及从计量装置接至各用电设备的线路。
c.室内低压线路的安装称为内线工程,主要包括:进户线装置、计量装置、掌握和爱护装置、建筑物内部线路装置、电缆线路装置、照明装置、电力装置和防雷接地装置等的施工安装和线路敷设。
d.室内线路的配电方式:放射式、树干式、链式和环式等四种。
2.室内低压线路的敷设1)明敷:又叫明配线。
就是沿墙、天花板、桁架及柱子等敷设导线。
明配线对应于明配电箱。
2)暗敷:又叫暗配线。
就是把导线穿管埋设在墙内、地坪内以及房屋的顶棚内。
暗配线对应于暗装配电箱。
3)技术要求:a.平安牢靠、布置整齐合理、安装坚固;b.使用的绝缘导线的额定电压应大于线路的工作电压,导线的绝缘应符合线路安装方式及敷设的环境条件,导线的截面应能满意供电电流和机械强度的要求。
c.配线时应尽量避开导线有接头,若有中间接头必需采纳压接或焊接。
穿在管内的导线不允许有接头,接头应放在接线盒内或灯头盒内。
导线的连接或分支处不应受到机械力的作用。
d.明配线路要保持横平竖直,水平敷设时导线距地面2.5m以上,垂直敷设时导线距地面2m以上,否则应将导线穿在钢管内加以爱护。
e.当导线穿过楼板、墙壁时,要加装爱护套管。
f.当导线相互交叉时,应在每根导线上套以绝缘管并固定。
g.为确保用电平安,室内配电管线与其它管道、设备以及建筑物之间有肯定要求,见表4-17和表4-18。
3.管配线:有明配和暗配两种。
a.明配管要求:l 横平竖直,整齐美观。
b.暗配管要求:l 管路短而通畅,弯头要少;l 管路较长时,中间应加装拉线盒或接线盒以便穿线;l 配线用的管子通常为钢管或塑料管。
4.塑料护套线的敷设:塑料护套线是一种具有塑料爱护层的双芯或多芯的绝缘导线,它具有防潮、耐酸和耐腐蚀等性能,可以明敷或暗敷,a.明敷时:用塑料卡作为导线的支持点,直接固定在墙壁、天棚上;b.暗敷时:应穿管。
《住处建筑电气设计规范》总结版JGJ 242 - 2011术语住处建筑常用的术语有 : 住处、酒店式公寓、别墅、老年人住处、商住楼、低层住处、多层住处、中高层住处、高层住处、单元式住处、塔式住处、通廊式住处、联排式住处、跃层式住处等。
一、供配电系统1.应急电源与正常电源之间必定采用防范并列运行的措施。
2.住处建筑中主要用电负荷的分级表(未列出为级宜为三级)3.照明、航空阻挡照明、生活水泵宜设自备电源供电。
4.每套住处用电负荷和电能表的选择注:A.S≧150 高出的建筑面积可按40W/~50W/ 计算用电负荷B.每套住处用电负荷不高出12kW 用单相进户供电,高出用则三相进户5.电能表的安装地址:安装在户外A. 低层: 1~3;多层: 4~6 ; 按住处单元集中安装B. 中高层 :7 ~9;高层: 10 层及以上 ;宜按楼层集中安装;C. 电能表箱安装在公共场所时,暗装箱底距地宜为 ,明装箱底距地宜为 ; 安装在电气竖井内的电能表箱宜明装,箱的上沿距地不宜高于。
6.方案设计阶段可采用单位指标法和单位面积负荷密度法 ; 初步设计及施工图设计阶段,宜采用单位指标法与需要系数法相结合的算法。
注:当单相负荷的总计算容量小于计算范围内三相对称负荷总计算容量的15% 时,应全部按三相对称负荷计算; 当大于等于 15%时,应将单相负荷换算为等效三相负荷,再与三相负荷相加。
二、配变电所1.单栋住处建筑用电设施总容量为 250kW 以下时,宜多栋住处建筑集中设置配变电所 ; 单栋住处建筑用电设施总容量在 250kW 及以上时,宜每栋住处建筑设置配变电所。
2.当配变电所设在住处建筑内时,配变电所不应设在住户的正上方、正下方、贴邻和住处建筑分别出口的两侧,不宜设在住处建筑地下的最基层。
3.住处建筑应采用节能型变压器。
变压器的结线宜采用 D,yn11 ,变压器的负载率不宜大于 85%4.当变压器低压侧电压为时,配变电所中单台变压器容量不宜大于1250kVA ,预装式变电站中单台变压器容量不宜大于800kVA。
施工现场的配电线路施工现场的配电线路包括室内线路和室外线路。
室内线路通常有绝缘导线和电缆的明敷设和暗敷设;室外线路主要有绝缘导线架空敷设和绝缘电缆埋地敷设两种,也有电缆线架空明敷设的。
1.架空线路的要求架空线路由导线、绝缘子、横担及电杆等组成。
(1)架空线路必需采纳绝缘铜线或绝缘铝线,铝线的截面积大于16mm2,铜线的截面积大于10mm2。
(2)架空线路严禁架设在树木、脚手架及其他非专用电杆上,且严禁成束架设。
架空线路的挡距不得大于35m,线间距不得大于30mm,架空线的最大弧垂处与地面最小距离(施工现场一般为4m,机动车道为6m,铁路轨道为7.5m)。
2.室内配电线的要求安装在室内的导线,以及它们的支持物、固定用配件,总称室内配线。
室内配线分明装、暗装两种,明装导线是沿屋顶、墙壁敷设;暗装导线是敷设在地下、墙内、顶棚上面等看不到的地方。
一般应满意以下使用平安要求。
(1)导线的线路应削减弯曲;导线绝缘层应符合线路的平安方式和敷设的环境条件。
(2)导线的额定电压应符合线路的工作电压;导线截面积要满意供电容量要求和机械强度要求;导线连接应尽量削减分支、不受机械作用;线路中应尽量削减接头。
(3)线路布置尽可能避开热源,应便于检查。
(4)水平敷设的线路距地面低于2m或垂直敷设的线路距地面低于1.8m的线段,应预防机械损伤。
(5)为防止漏电,线路对地的绝缘电阻不小于1002/V。
3.电缆线路的要求(1)确定敷设电缆的方式和地点,应以便利、平安、经济、牢靠为依据。
电缆直埋方式,施工简洁、投资省、散热好,应首先考虑。
敷设地点应保证电缆不受机械损伤或其他热辐射,同时应尽量避开建筑物和交通设施。
(2)电缆直接埋地的深度不小于0.6m,并在电缆上下匀称铺设不小于50mm厚的细砂,再掩盖砖等硬质爱护层,并在地上插有标志。
(3)电缆穿过建筑物、构筑物时必需设置护管,以免机械损伤。
(4)电缆架空敷设时,应沿墙壁或电杆设置。
FE---沿地板明敷WE---沿墙明敷CC---在顶棚内暗敷WC---沿墙内暗敷CE---沿顶棚明敷AC---在吊顶内暗敷FC---在地面(板)内暗敷BE---沿屋顶弦架明敷BV 铜芯聚氯乙烯绝缘无护套电线俗称塑铜BVR 铜芯聚氯乙烯绝缘俗称软铜NHBV 耐火型铜芯聚氯乙烯绝缘电线人家问平常用的电线市面上BV,BVR,RV,RVV,不是那些大截面工程用的电缆B系列归类属于布电线,所以开头用B,电压:300/500VV就是PVC聚氯乙烯,也就是(塑料)就是铝芯的代码R就是(软)的意思,要做到软,就是增加导体根数BV铜芯聚氯乙烯绝缘电线BLV铝芯聚氯乙烯绝缘电线BVR铜芯聚氯乙烯绝缘软电线RV铜芯聚氯乙烯绝缘连接软电线它比BVR更软,铜丝RVV铜芯聚氯乙烯绝缘聚氯乙烯护套连接软电线比RV多了一层塑料护套另外:我们最常用的“护套线”BVVB铜芯聚氯乙烯绝缘聚氯乙烯护套扁型电缆就是2根BV线,在+一层白色的护套-----------------------------------------------------------------同轴射频电缆SYWV (视频线)超五类非屏蔽双绞线(网线)电话线HYA 10*2*0.5(表示10对0.5mm的双绞线电缆)-------------------------------------------------------------------收集的电气设计施工图中常用线路敷设方式:SR:沿钢线槽敷设BE:沿屋架或跨屋架敷设CLE:沿柱或跨柱敷设WE:沿墙面敷设CE:沿天棚面或顶棚面敷设ACE:在能进入人的吊顶内敷设BC:暗敷设在梁内CLC:暗敷设在柱内WC:暗敷设在墙内CC:暗敷设在顶棚内ACC:暗敷设在不能进入的顶棚内FC:暗敷设在地面内SCE:吊顶内敷设,要穿金属管一,导线穿管表示SC-焊接钢管MT-电线管PC-PVC塑料硬管FPC-阻燃塑料硬管CT-桥架MR-金属线槽M-钢索CP-金属软管PR-塑料线槽RC-镀锌钢管二,导线敷设方式的表示DB-直埋TC-电缆沟BC-暗敷在梁内CLC-暗敷在柱内WC-暗敷在墙内CE-沿天棚顶敷设CC-暗敷在天棚顶内SCE-吊顶内敷设F-地板及地坪下SR-沿钢索BE-沿屋架,梁WE-沿墙明敷三,灯具安装方式的表示CS-链吊DS-管吊W-墙壁安装C-吸顶R-嵌入S-支架CL-柱上HSM8-63C/3PDTQ30-32/2P 这两个应该是两种塑壳断路器的型号,HSM8-63C/3P 适用于照明回路中,为3极开关,额定电流为63A(3联开关)DTQ30-32/2P 也是塑壳断路器的一种,额定电流32A,2极开关TC ; MT 电线管SC 焊接钢管RC 水煤气管)FPC 聚氯乙烯半硬质电线管PC 聚氯乙烯硬质电线管KPC 聚氯乙烯波纹电线管GXC 金属线槽VXC 塑料线槽DG 电线管G 厚电线管GG 水煤气管BYG 难燃型聚氯乙烯半硬质电线管KRG 聚氯乙烯可挠管VG 聚氯乙烯硬质电线管线路敷设方式标注穿焊接钢管敷设:SC穿电线管敷设:MT穿硬塑料管敷设:PC穿阻燃半硬聚氯乙烯管敷设:FPC电缆桥架敷设:CT金属线槽敷设:MR塑料线槽敷设:PR用钢索敷设:M穿聚氯乙烯塑料波纹电线管敷设:KPC 穿金属软管敷设:CP直接埋设:DB电缆沟敷设:TC导线敷设部位的标注沿或跨梁(屋架)敷设:AB暗敷在梁内:BC沿或跨柱敷设:AC暗敷设在柱内:CLC沿墙面敷设:WS暗敷设在墙内:WC沿天棚或顶板面敷设:CE暗敷设在屋面或顶板内:CC吊顶内敷设:SCE地板或地面下敷设:FSC--焊接钢管MT--电线管(还看见用TC--标注为电线管的)RC--镀锌管(水煤管)PC--塑硬管FPC--阻燃塑硬管明敷的线路穿KBG管可以,暗敷的线路最好穿SC钢管水煤气钢管就是镀锌钢管焊接钢管就是厚壁电线管电线管通常仅指薄壁电线管水煤气钢管就是镀锌钢管(RC)焊接钢管就是厚壁电线管(SC)电线管通常仅指薄壁电线管(TC)常用金属配电管按管壁厚度可分为水煤气钢管,厚电线管,薄电线管。
《住宅建筑电气设计规范》总结版JGJ 242 - 2011术语住宅建筑常用的术语有:住宅、酒店式公寓、别墅、老年人住宅、商住楼、低层住宅、多层住宅、中高层住宅、高层住宅、单元式住宅、塔式住宅、通廊式住宅、联排式住宅、跃层式住宅等。
一、供配电系统1.应急电源与正常电源之间必须采取防止并列运行的措施。
2.住宅建筑中主要用电负荷的分级表(未列出为级宜为三级)3.照明、航空障碍照明、生活水泵宜设自备电源供电。
4.每套住宅用电负荷和电能表的选择注:A.S≧150 超出的建筑面积可按 40W/~50W/ 计算用电负荷B.每套住宅用电负荷不超过 12kW用单相进户供电,超过用则三相进户5.电能表的安装位置:安装在户外A.低层:1~3;多层:4~6 ;按住宅单元集中安装B.中高层:7~9;高层:10层及以上 ; 宜按楼层集中安装;C.电能表箱安装在公共场所时,暗装箱底距地宜为1.5m,明装箱底距地宜为1.8m; 安装在电气竖井内的电能表箱宜明装,箱的上沿距地不宜高于 2.0m。
6.方案设计阶段可采用单位指标法和单位面积负荷密度法;初步设计及施工图设计阶段,宜采用单位指标法与需要系数法相结合的算法。
注:当单相负荷的总计算容量小于计算范围内三相对称负荷总计算容量的15% 时,应全部按三相对称负荷计算;当大于等于 15%时,应将单相负荷换算为等效三相负荷,再与三相负荷相加。
二、配变电所1.单栋住宅建筑用电设备总容量为 250kW 以下时,宜多栋住宅建筑集中设置配变电所;单栋住宅建筑用电设备总容量在250kW 及以上时,宜每栋住宅建筑设置配变电所。
2.当配变电所设在住宅建筑内时,配变电所不应设在住户的正上方、正下方、贴邻和住宅建筑疏散出口的两侧,不宜设在住宅建筑地下的最底层。
3.住宅建筑应选用节能型变压器。
变压器的结线宜采用 D,yn11 ,变压器的负载率不宜大于 85%4.当变压器低压侧电压为 O.4kV 时,配变电所中单台变压器容量不宜大于 1250kVA ,预装式变电站中单台变压器容量不宜大于 800kVA。
配电线路敷设设计要求
1 电缆托盘、梯架、槽盒应通长形成良好电气通路,其首尾端与接地装置可靠连接;过沉降缝、变形缝处应作技术处理。
2 在楼板内暗敷的分支线,采用阻燃硬质塑料PC管,在天花内敷设的电导管,采用金属电线管、可弯曲金属电线管或封闭金属槽盒布线。
3 明敷于潮湿场所或埋地敷设的金属导管应采用壁厚不小于2.0mm的钢导管,其他位置采用薄壁电线管,暗敷设管径不应大于40mm。
4 水平主干线路采用金属槽盒,所有金属槽盒高度不大于150~200mm。
5 严格控制金属槽盒内配电线路的容积率,金属线槽内电线或电缆的总截面积(包括外护层)不应超过线槽内截面积的20%,载流导体不宜超过30根。
6 配电间、管井内的线路采用电缆梯架,穿楼板时应做防火封堵。
7 高大空间上空避免主线槽穿越。
8 消防配电应与普通配电的电缆分开桥架敷设,主备供电电源采用加防火隔板敷设。
9 矿物绝缘电缆采用梯架敷设。
10 屋面配电电缆在5根及以上时采用离地300mm架空金属防水槽盒敷设。
11室内配电线路室内导线敷设的方式有瓷夹板、瓷珠配线、瓷瓶配线、钢索吊线、大瓷瓶配线、管内穿线等。
应用最多的是管内穿线。
11.1室内配电线路设计11.1.1一般规定1.配电线路的敷设(1)符合场所环境的特征,如环境潮湿程度、环境宽敞通风情况等。
(2)符合建筑物和构筑物的特征,如采用预制还是现浇、框架结构、滑升模板施工等情况不同则管线的设计部位不同。
(3)人与布线之间可接近的程度,如机房、仓库、车间等人与布线之间可接近的程度显然不同。
(4)由于短路可能出现的机电应力,如总配电室和负荷末端用户显然不同。
(5)在安装期间或运行中布线可能遭受的其他应力和导线的自重。
2.配电线路的敷设,应避免下列外部环境的影响(1)应避免由外部热源产生热效应的影响。
(2)应防止在使用过程中因水的侵入或因进入固体物而带来的影响。
(3)应防止外部机械性损伤而带来的影响。
(4)在有大量灰尘的场所,应避免由于灰尘聚集在布线上所带来的影响。
(5)应避免由于强烈日光辐射而带来的损害。
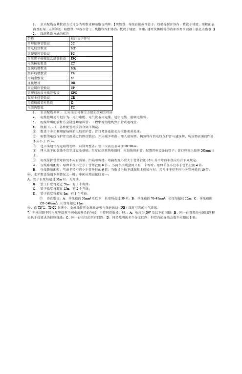
11.1.2室内配电线路材料1.常用管材(1)钢管:标称直径(mm)近似于内径,敷设符号SC。
钢管的特点是抗压强度高,若是镀锌钢管还比较耐腐蚀。
(2)电线管:敷设符号TC,标称直径近似于外径。
也称薄壁铁管,抗压强度较差。
(3)阻燃管:敷设型号PVC,近年来有取代其他管材之势。
这种管材优点如下PVC管施工截断最方便,用一种专用管刀,很容易截断。
用一种专用粘合剂(广州顺德市顾地防火塑料异型材厂生产)容易把PVC粘接起来,国产PVC胶亦很好用。
耐腐蚀,抗酸碱能力强。
耐高温,符合防火规范的要求。
重量轻,只有钢管重量的六分之一,便于运输。
加工作弯容易,在管内插入一根弹簧就可以煨弯成型。
价格与钢管相比较低。
提高工作效率,有相应的连接头配件,如三通、四通、接线盒等。
PVC管32mm2以下的管子可以用冷加工方法作弯,32mm以上的管子必须加热弯曲。
热源可以用热气喷射、电热器或热水,但应注意不能用明火直接加热。
1、室内配线按其敷设方式可分为明敷设和暗敷设两种。
【明敷设:导线直接或在管子、线槽等保护体内,敷设于墙壁、顶棚的表面及桁架、支架等处。
暗敷设:导线在管子、线槽等保护体内,敷设于墙壁、顶棚、地坪及楼板等的内部或者在混凝土板孔内敷设。
】3、室内配线原则:①安全②可靠③方便④美观⑤经济4、电缆按用途可划分为:电力电缆、电气设备用电缆、通信电缆、射频电缆等。
5、配线常用的管材有金属管和塑料管,工程中称为电线保护管或电线管。
6、根据《。
》,各种配管均应符合如下规定:①敷设于多尘和潮湿场所的电线保护管、管口及各连接处均应作密封处理。
②暗敷的电线保护管宜沿最近的路径敷设,并应减少弯曲,埋入建筑物、构筑物内的电线保护管与建筑物、构筑物表面的距离不应小于15㎜。
③进入落地式配电箱的管路,应排列整齐,管口应高出基础面50~80㎜。
④埋入地下的管路不宜穿过设备基础,在穿过建筑物基础时,应加装保护管。
配置用电设备的管子,管口应高出地坪200mm以上。
⑤电线保护管的弯曲处不应有折皱、凹陷和裂缝,弯扁程度不应大于管外径的10%.其中弯曲半径应符合下列规定:A、当线路明配时,弯曲半径不宜小于管外径的6倍:;当两个接线盒间只有一个弯时,弯曲半径不宜小于管外径的4倍。
B、当线路暗配时,弯曲半径不应小于管外径的6倍,当敷设于地下或混凝土楼板内时,其弯曲半径不应小于管外径的10倍。
⑥、水平敷设如遇下列情况之一时,中间应增设接线盒…:A、管子长度每超过30m时,无弯曲。
B、管子长度每超过20m,有1个弯曲;C、管子长度每超过15m,有2个弯曲;D、管子长度每超过8m,有3个弯曲。
⑦垂直敷设:A、导线截面50mm2及以下,长度每超过30米;B、导线截面70~95mm2,长度每超过20m;C、导线截面120~240mm2,长度每超过18m。
⑧、在TN`S、TNCS系统中,金属线管和金属盒必须与保护地线(PE)线有可靠的电气连接。
7、不同回路不同电压等级和不同电流种类的导线,不得同管敷设,但,:A、电压为50V及以下的回路;B、同一台设备的电源线路和无抗干扰要求的控制线路;C、同一台花灯的所有回路;D、同类照明的多个分支回路,但管内的导线总数不应超过8根。
配电线路的敷设集团企业公司编码:(LL3698-KKI1269-TM2483-LUI12689-ITT289-配电线路的敷设(一)一般规定1)配电线路的敷设应符合下列条件:1、符合场所环境的特征;2、符合建筑物和构筑物的特征;3、人与布线之间可接近的程度;4、由于短路可能出现的机电应力;2)配电线路的敷设,应避免下列外部环境的影响:1、应避免由外部热源产生热效应的影响;2、应防止外部的机械性损害而带来的影响;3、应避免由于强烈日光辐射而带来的损害。
(二)绝缘导线布线1)金属管、金属线槽布线宜用于屋内、屋外场所,但对金属管、金属线槽有严重腐蚀的场所不宜采用。
在建筑物的顶棚内,必须采用金属管、金属线槽布线。
2)明敷或暗敷于干燥场所的金属管布线应采用管壁厚度不小于1.5mm的电线管。
直接埋于素土内的金属管布线,应采用水煤气钢管。
3)电线管与热水管、蒸汽管同侧敷设时,应敷设在热水管、蒸汽管的下面。
当有困难时,可敷设在其上面。
其相互间的净距不宜小于下列数值:1、当电线管敷设在热水管下面时为0.2m,在上面时为0.3m。
2、当电线管敷设在蒸汽管下面时为0.5m,在上面时为1m。
当不能符合上述要求时,应采取隔热措施。
对有保温措施的蒸汽管,上下净距均可减至0.2m。
3、电线管与其它管道(不包括可燃气体及易燃、可燃液体管道)的平行净距不应小于0.1m。
当与水管同侧敷设时,宜敷设在水管的上面。
管线互相交叉时的距离,不宜小于相应上述情况的平行净距。
4)塑料管和塑料线槽布线宜用于屋内场所和有酸碱腐蚀介质的场所,但在易受机械操作的场所不宜采用明敷。
①塑料管暗敷或埋地敷设时,引出地(楼)面的一段管路,应采取防止机械损伤的措施。
②布线用塑料管(硬塑料管、半硬塑料管、可挠管)、塑料线槽,应采用难燃型材料,其氧指数应在27以上。
5)穿管的绝缘导线(两根除外)总截面面积(包括外护层)不应超过管内截面面积的40%。
(三)裸导体布线1、裸导体布线应用于工业企业厂房,不得用于低压配电室。
配电室线路编号表
1.高压线路G或WPH
2.低压线路D或WPL
3.动力线路 WP
4.照明线路WL
5.应急照明线路WLE
6.控制线路WC。
7.封闭母线槽WB。
8.线路相别L,L2,Ls
9.穿焊接钢管敷设SC
10.穿电线管敷设MT
11.穿硬塑料管敷设PC
12.穿阻燃半硬聚氯乙烯管敷设FPC。
13.电缆桥架敷设CT
14.金属线槽敷设MR
15.塑料线槽敷设PR
16.用钢索敷设M.
17.穿聚氯L烯塑料波纹电线管敷设KPC
18.穿金属软管敷设CP
19.直接埋设DB
20.电缆沟TC
21.混凝上排管敷设CE
22.沿或跨梁(屋架)敷设AB
23.暗敷在梁内BC
24.沿或跨柱敷设AC
25.暗敷设在柱内CLC
26.沿墙而敷设wS
27.暗敷设在墙内WC
28.沿天棚或顶板面敷设CE
29.暗敷设在屋面或顶板内CC
30.吊顶内敷设SCE
31.地板或地面下敷设F
32.线吊式自在器线吊式SW
33.链吊式CS
34.管吊式DS
35.壁装式W
36.吸顶式C
37.嵌入式R
38.顶棚内安装CR
39.墙壁内安装SR
40.支架上安装S
41.柱上安装CL
42.座装IM。
室内配线安全室内配线是指建筑物内部(包括与建筑物相关联的外部位)电气线路敷设。
有明配线和暗配线两种。
敷设方式有瓷(塑)、夹板配线、绝缘子(柱)配线、钢(塑料)管配线、铝片卡(或线夹)配线、钢索配线等。
其中用得最多的是钢(塑料)管配线和铝片卡(或线夹)配线。
一、室内配线的基本要求1.使用的导线其额定电压应大于线路的工作电压。
2.配线线路中应尽量避免接头,很多事故都是由于导线连接不良、接头质量不好而引起。
穿在管内敷设的导线不准有接头。
3.明配线在敷设时要保持水平和垂直(横平竖直)。
导线与地面的最小距离应符合下表中的规定,否则应穿管保护,以防机械损伤。
绝缘电线至地面的最小距离4.导线穿越楼板时,应将导线穿入钢管或硬塑料管内保护,保护管上端口距地面不应小于1. 8 m,下端口到楼板下为止。
5.导线穿墙时,也应加装保护管(瓷管、塑料管、钢管等),保护管的两端出线口伸出墙面的距离不应小于10mm。
6.导线相互交叉时,为避免相互碰线,在每根导线上应加套绝缘管保护,并将套管牢靠地固定。
7.在与建筑物相关联的室外部位配线时,绝缘导线至建筑物的间距不应小于下表中所列的数值。
绝缘电线至建筑物的最小间距8.采用绝缘子或瓷柱配线的绝缘导线最小间距离见下表。
室内外布线的绝缘电线最小间距9.室内明配线敷设时,必须与煤气管道、热水管道等各种管道保持一定的安全距离。
二、塑料护套线配线安全要求塑料护套线是一种具有塑料保护层的双芯或多芯绝缘导线,具有防潮、耐酸和耐腐蚀等性能。
可以直接敷设在空心楼板、墙壁以及建筑物表面,用铝片卡或线夹固定。
塑料护套线敷设的安全注意事项如下:1.塑料护套线不得直接埋入抹灰层内暗配敷设及不得在室外露天场所直接明配敷设。
2.塑料护套线明配敷设时,导线应平直,紧贴在建筑物的敷设面上,不应有松弛、扭绞和曲折现象;弯曲时不应损伤护套和芯线的绝缘层,弯曲半径不应小于导线护套宽度的3倍。
3.固定塑料护套线的线卡之间的距离一般为150~200 mm;线卡距接线盒、灯具、开关、插座等50~100 mm处应增加一个固定点。
配电线路施工规范要求详解一线路装置要求线路装置应有足够的绝缘强度,能满足相间和相对地的绝缘要求。
导线和电缆安装敷设应根据《民用建筑电线电缆防火设计规范》(DGJ08-93-2002)的规定。
低压线路在敷设完工以后接电之前,应进行绝缘电阻测量:用500V摇表测量线路装置的每一分路以及总熔断器和熔断器之间的线段导线间和导线对大地间绝缘电阻,对新建线路装置的绝缘电阻不应小于0.5MΩ。
对运行中的线路可适当降低绝缘电阻,但不应小于下列数值:相对零或地≥0.22MΩ;相对相≥0.38MΩ;对于36V安全低压线路,绝缘电阻也不应小于0.22MΩ。
线路装置必须按规程装设,并符合安全技术要求,布线合理、安装牢固、便于维修、还要美观整齐。
低压电气设备的绝缘性能,通常是采用测量绝缘电阻和进行耐压试验来判断。
选择导线,一般要考虑三个因素:长期工作允许电流,机械强度和线路电压降在允许范围内,还要和断路器相配合。
低压供电线路导线选择1. 对于照明及电热负荷,导线安全载流量(A)≥所有电具的额定电流之和。
2. 对于动力负荷,当使用一台电动机时,导线安全载流量(A)≥电动机的额定电流。
3. 当使用多台电动机时,导线安全载流量(A)≥容量最大的一台电动机额定电流+其余电动机的计算负荷电流。
4. 三相四线制中性线的载流量应为相线载流量的50%及以上,当用电负荷大部分为单相设备时或二相三线以及单相线路的中性线载面与相线相同。
5. 采用可控硅调光的三相四线或二相三线配电线路,其N线或PE线的截面不应小于相线截面的2倍。
6. 对于配电线路还应考虑在负荷电流通过线路时要产生的电压损耗或电压降落。
低压配电线路的电压损耗,一般不宜超过4%。
7. 在采用多相供电时,同一建筑物的导线绝缘层颜色选择应一致,即保护导线(PE)应为绿/黄双色线,中性线(N)线为淡蓝色;相线为L1-黄色、L2-绿色、L3-红色。
单相供电开关线为红色,开关后一般采用白色或黄色。
1.10 架空线路宜采用钢筋混凝土杆或木杆。
钢筋混凝土杆不得有露筋、宽度大于0.4mm的裂纹和扭曲;木杆不得腐蚀,其梢径不应小于140mm。
1.11 电杆埋设深度宜为杆长的1/10加0.6m,回填土应分层夯实。
在松软土质处宜加大埋人深度或采用卡盘等加固。
1.12 直线杆和15°以下的转角杆,可采用单横担单绝缘子,但跨越机动车道时应采用单横担双绝缘子;15°到45°的转角杆应采用双横担双绝缘子;45°以上的转角杆,应采用十字横担。
1.17 架空线路必须有短路保护。
采用熔断器做短路保护时,其熔体额定电流不应大于明敷绝缘导线长期连续负荷允许载流量的1.5倍。
采用断路器做短路保护时,其瞬动过流脱扣器脱扣电流整定值应小于线路末端单相短路电流。
1.18 架空线路必须有过载保护。
采用熔断器或断路器做过载保护时,绝缘导线长期连续负荷允许载流量不应小于熔断器熔体额定电流或断路器长延时过流脱扣器脱扣电流整定值的1.25倍。
2 电缆线路2.1 电缆中必须包含全部工作芯线和用作保护零线或保护线的芯线。
需要三相四线制配电的电缆线路必须采用五芯电缆。
五芯电缆必须包含淡蓝、绿/黄二种颜色绝缘芯线。
淡蓝色芯线必须用作N线;绿/黄双色芯线必须用作PE线,严禁混用。
2.2 电缆线路截面的选择应符合本规范第1.3条中第1款、第2款、第3款的规定,根据其长期连续负荷允许载流量和允许电压偏移确定。
2.3 电缆线路应采用埋地或架空敷设,严禁沿地面明设,并应避免机械损伤和介质腐蚀。
埋地电缆路径应设方位标识。
2.4 电缆类型应根据敷设方式、环境条件选择。
埋地敷设宜选用铠装电缆;当选用无铠装电缆时,应能防水、防腐。
架空敷设宜选用无铠装电缆。
2.5 电缆直接埋地敷设的深度不应小于0.7m,并应在电缆紧邻上、下、左、右侧均匀敷设不小于50mm厚的细砂,然后覆盖砖或混凝土板等硬质保护层。
2.6 埋地电缆在穿越建筑物、构筑物、道路、易受机械损伤、介质腐蚀场所及引出地面从2.0m高到地下0.2m处,必须加设防护套管,防护套管内径不应小于电缆外径的1.5倍。