消防供配电线路中电线电缆的选型
- 格式:doc
- 大小:86.00 KB
- 文档页数:6
前言:我国发生的火灾中,因电线电缆引起的火灾占较大比例,火灾时引燃电线电缆中可燃绝缘和护套材料致使火灾事故进一步扩大,电线电缆绝缘和护套材料燃烧散发出的有毒气体会造成人员伤亡,并阻碍消防人员的灭火,发生火灾可能导致消防设备的电源线路被烧毁,不能确保消防电气设备正常运行,延误了灭火时间,造成更大的人员和财产损失。
使电线电缆的选择做到安全可靠、技术先进、经济合理,防止电线电缆所引起的火灾,减少电线电缆在火灾中造成的人身伤亡和财产损失,保证消防设备电源线路在火灾中仍能适时维持其完整性,那么消防配电线路中常用的电线电缆有哪些?1消防电缆是采用新型隔氧、阻燃、耐火材料,具有不熔化、不溶解、不延燃和低烟低卤、低毒的性能,当电缆遇火焰时,原先虽软性的金属化合物,将转化成不溶解的金属氧化物及水,隔断了灼热的氧气对内部绝缘层的侵袭,使内部绝缘层无法燃烧,隔氧层受热将结晶水分离,吸受大量蒸发潜热,会大大降低外层可燃物的温度.着火的电缆就将自行熄灭(火焰为950-1000℃)。
消防配电线路中常用的阻燃及耐火电线电缆火灾条件下,消防用电设备必须保证一定的工作时间,以利于人员逃生和火灾的扑救,这是不容质疑的。
加拿大国家建筑法规规定高度大于18m的建筑内,应提供在满载情况下能工作2h的应急电源,报警和通信系统用电缆应能直接经受火灾袭击1h,澳大利亚AS2293标准要求应急撤离照明主馈线和分支馈线电缆应能运行2h,而最后的分支电路要达到15min。
普通电缆、阻燃电缆和耐火电缆在明敷及穿钢管并施防火涂料时,其持续供电时间均未达到30min,这对于消防控制室、消防水泵、消防电梯、防排烟设施等供电时间较长的消防设备供电是不利的。
2什么是阻燃电线电缆?阻燃电线电缆是具有阻止或延缓火焰发生或蔓延能力的电线电缆,即在规定试验条件下,电线电缆被燃烧,在撤去火源后,火焰在电线电缆上的蔓延仅在限定范围内并能自行熄灭。
阻燃电线电缆不是不燃电缆,它只是在绝缘层和护套层增加了阻燃材料,使电缆在火中不会延燃,在外部火源消失的情况下,经过一段时间会自熄。
消防供配电线路中电线电缆的选型,收藏一、电线电缆选型错误①一类高层建筑未选用低烟无卤电线电缆聚氯乙烯在高温下的燃烧过程中,会释放出氯化氢、二恶英等大量有毒气体,同时产生大量的黑色烟雾。
发生火灾时,黑色烟雾阻拦视线,加添了被困人员疏散以及消防人员灭火和施救的难度,被困人员吸入上述有毒气体后,会严重损害身体健康,甚至导致窒息死亡。
为削减火灾情况下人员伤亡和财产损失,《民用建筑电气设计规范》JGJ162023第7.4.1条第2款规定:“对一类高层建筑以及紧要的公共场所等防火要求高的建筑物,应采纳阻燃低烟无卤交联聚乙烯绝缘电力电缆、电线或无烟无卤电力电缆、电线。
”然而,审图时常常发觉有些设计人员未按上述要求选用电线电缆,违反了规范的上述规定,存在重点安全隐患。
还有些设计人员虽然对一类高层建筑以及紧要的公共场所等防火要求高的建筑物按规范要求选用了阻燃低烟无卤交联聚乙烯绝缘电缆、电线或无烟无卤电缆、电线,却采纳PVC电线管或PVC线槽作为穿线管材。
大家知道,PVC电线管或PVC线槽的重要成分为含卤的聚氯乙烯,在高温下的燃烧过程中照样会释放出氯化氢、二恶英等大量有毒气体并产生大量的黑色烟雾。
因此,若选用了阻燃低烟无卤或无烟无卤电缆、电线,再采纳PVC 管或PVC线槽敷设方式,则失去了选用了阻燃低烟无卤或无烟无卤电缆、电线的实际意义。
这种做法与《民用建筑电气设计规范》JGJ162023第7.4.1条第2款规定的本意相冲突,是特别不妥的,同样存在安全隐患。
当选用阻燃低烟无卤交联聚乙烯绝缘电力电缆、电线或无烟无卤电力电缆、电线时,不得采纳PVC材质的电线管或线槽作为穿线管材,这一点应引起电气设计人员的重视。
此外,当供配电线路依据规范要求应当选用阻燃低烟无卤交联聚乙烯绝缘电力电缆、电线或无烟无卤电力电缆、电线时,同一建筑内的综合布线、火灾自动报警、安防等全部弱电系统配线,均应采纳阻燃低烟无卤或无烟无卤线缆。
②选用不存在的电线电缆型号在建筑施工图审查过程中,常常发觉有些设计人员选用WDZBV电线、WDZVV电缆、WDZYJV电缆或WDZNBV 电线、WDZNVV电缆、WDZNYJV电缆。
电气防火技术-导线电缆的选择导线电缆的防火设计目录:1.负荷计算2.导线电缆选择3.电气线路敷设的防火要求4.电缆线路的防火和阻燃措施本章为导线电缆选择。
导线电缆用于传输电能、传递信息和实现电磁能量转换,供电网络中导线电缆线路长,分支线多,与可燃物接触机会多,火灾危险性大,着火时产生有毒气体,对灭火人员造成威胁。
导线和电缆的选择根据其使用环境、工作条件等因素确定:选择型号、选择截面。
导线的选择1.导线类型(1)按材料分:铜芯和铝芯铜线的导电性能最好,机械强度也相当高。
铝线的机械强度较差,但其导电性能较好,而且具有质轻、价廉的优点。
钢线的机械强度很高,而且价廉,但其导电性能不好因此钢导线在架空线路上一般只作避雷线使用。
L—铝导线;T—铜导线;G—钢导线;LG—钢芯铝导线;TMY—铜母线;LMY—铝母线(2)按有无绝缘和保护层分:裸导线和绝缘线1)裸导线铜绞线(TJ)铝绞线(LJ)裸导线——铝绞线(LJ)铝导体导电性能较好,重量轻,对风雨作用的抵抗力较强,但对化学腐蚀作用的抵抗力较差。
多用于6~10kV的线路。
裸导线——铜绞线(TJ)导电性能好,机械强度好,对风雨和化学腐蚀作用的抵抗力都较强,但价格较高。
裸导线——钢芯铝绞线(LGJ)在机械强度要求较高的场合和35kV及以上的架空线路上多被采用。
具有钢芯铝绞线的特点,同时防腐性好,一般用在沿海地区、咸水湖及化工工业地区等周围有腐蚀性物质的高压和超高压架空线路上。
裸导线没有任何绝缘和保护层,主要用于室外架空线。
(1)高压输电线路,一般采用钢芯铝绞线。
沿海地区及有腐蚀性介质的场所,宜采用铜绞线或防腐铝绞线。
(2)低压架空线路,也一般采用铝绞线。
2)绝缘线聚氯乙烯绝缘导线铝芯为BLV,铜芯为BV聚氯乙烯加护套绝缘导线铝芯为BLVV,铜芯为BVV玻璃纤维编织橡胶绝缘铝芯为BBLX,铜芯为BBX(1)绝缘导线按其线芯材质分,有铜芯和铝芯两种。
除重要回路和振动场所或对铝有腐蚀的场所应采用铜芯绝缘导线外,一般应优先选用铝芯绝缘导线。
电缆知识|消防常用的电线型号有什么特点消防常用的电线大多数是弱电线缆,重要用于消防线路的应急照明及报警系统的连接线,依据不同的电器、仪表系统选择电压等级相对应的电线。
1、消防常用电线1)RVV、RVVP:铜芯聚氯乙烯绝缘聚氯乙烯护套软电线/屏蔽软电线,多用于电器、仪表连接电源线、传输线使用;RVVP有屏蔽性能可以抵御外在信号干扰。
2)BV、BLV:聚氯乙烯绝缘电线。
同BX型,但耐湿性和耐气候性较好。
3)BVR:聚氯乙烯绝缘软电线。
同BV型,仅用于安装时要求松软的场所。
4)BVV、BLVV:聚氯乙烯绝缘和护套电线。
同BV型,用于潮湿和机械防护要求较高的场所,可直埋土壤中。
RVS双绞线5)BV-105、BLV-105:耐热105℃聚氖乙烯绝缘电线同B型,用于45℃及以上高温环境中。
6)BVR-105:耐热105℃聚氯乙烯绝缘软电线。
同BVR型,用于45℃及以上高温环境中。
7)RV:单芯铜芯氯乙烯绝缘绝缘软线。
供各种移动电器、仪表、电信设备、自动扮装置接线用;也作为内部安装用线,安装时环境温度不低于-15℃。
8)RVB:两芯平型铜芯聚氯乙烯绝缘软线。
供各种移动电器、仪表、电信设备、自动扮装置接线用;也作为内部安装用线,安装时环境温度不低于-15℃。
9)RVS:两芯铜芯聚氯乙烯绞型连接软线。
供各种移动电器、仪表、电信设备、自动扮装置接线用;也作为内部安装用线,安装时环境温度不低于15℃。
要求较高及常常移动、弯曲的场所。
10)AVR;镀锡铜芯聚氯乙烯绝缘平型连接软线。
11)RV-105:铜芯耐热1050C聚氯乙烯绝缘聚氯乙烯绝缘连接软线。
二、电线通用符号含义(1):B一电线(有时不表示)(2)导体:T一铜芯(一般缺省表示),L一铝芯,R一软铜(3)绝缘:V一聚氯乙烯,X一橡皮,F一氯丁橡皮(4)护套:V一聚氯乙烯(5)其他:R一软电线,P一屏蔽,B一平。
一文读懂消防供配电的电线电缆审验我国发生的火灾中,因电线电缆引起的火灾占较大比例。
电线电缆中可燃绝缘和护套材料的燃烧会致使火灾事故进一步扩大,燃烧散发出的有毒气体会造成人员伤亡,并阻碍消防人员进行灭火。
因此,电线电缆的选择做到安全可靠、技术先进、经济合理,可以有效地防止电线电缆所引起的火灾,减少电线电缆在火灾中造成的人身伤亡和财产损失,保证消防设备电源线路在火灾中仍能适时维持其完整性。
国家的各类规范对于消防供配电中的电线电缆的材质及敷设提出了具体明确的要求。
一、消防供配电线路的电线电缆涉及哪些现代建筑中应用消防设备的用电分为两大类:1.交流强电部分(380V或220V)主要涉及低压配电柜至消防控制室、消防水泵、稳压泵、消防电梯、各类防排烟消防风机、应急照明及疏散指示标志控制柜的供电线路。
2.直流弱电部分(36V或24V)主要涉及A类应急照明和疏散指示标志由现场控制柜出线到现场设备的供电线路。
包括现场消防设备和消防主机间用于传递信息和控制信号的供电线路,如火灾自动报警、消防联动控制如水泵启动、防排烟风机启动、消防电梯迫降、自动灭火设备动作、电动防火门、电动排烟窗、防火卷帘、电动挡烟垂壁、防排烟系统电动风阀等设备动作的控制线路及上述各类消防设备动作信号反馈到消防主机的反馈信号线路及消防电话、消防应急广播路的信号线路等。
二、常用消防电线电缆代号含义说明1.类别与用途代号A-安装线、B-绝缘线、C-船用电缆、K-控制电缆、N-农用电缆、R-软线、U-矿用电缆、Y-移动电缆、JK-绝缘架空电缆、M-煤矿用、ZR-阻燃型、NH-耐火型、ZA-A级阻燃、ZB-B级阻燃、ZC-C级阻燃(如未标识表示是C级阻燃)、WD-低烟无卤型。
2.导体材料L-铝、T-铜(如未标识表示是铜材)。
3.绝缘种类V-聚氯乙烯、X-橡胶、Y-聚乙烯、YJ-交联聚乙烯、Z-油浸纸。
4.内护层V-聚氯乙烯护套、Y-聚乙烯护套、L-铝护套、Q-铅护套、H-橡胶护套、F-氯丁橡胶护套。
消防设备配电线缆的选用及敷设该帖被阅读了1679次| 答复了11次消防设备配电线缆的选用及敷设研究(作者:林卫东福建省建筑设计研究院350001)摘要:本文先介绍了国内外设计规范对消防设备配电线缆的要求,再对各类线缆的燃烧特性进行了分析,着重就矿物绝缘电缆与其它有机耐火电缆的性能特征、经济价格进行了分析对比,提出不同建筑物的消防设备在火灾发生期间的最少连续供电时间可分不同等级,电线电缆也可按使用场所进行分级,以及线缆应采取正确的敷设方式。
关键词:电线电缆分级燃烧试验消防设备供电时间(1.概述电线电缆根据其本身具有的燃烧特性,分为普通电线电缆、阻燃电线电缆、耐火电线电缆及矿物绝缘电缆等。
根据有关部门统计,在我国发生的火灾中,因电线电缆的绝缘老化和过载使用等原因而引起的火灾占了很大的比例,如2000年河南焦作“天堂”影视厅火灾、2002年北京“蓝极速”网吧火灾、2005年广东汕头华南宾馆火灾等,同时又因电线电缆成为导火线从而助长火势蔓延,并将消防设备的配电线路烧毁,造成消防设备不能有效运行,影响人员疏散,耽误灭火进行,从而产生更大的伤亡和财产损失的例子也并不少见。
这些都是由于对消防配电线缆的选用原则把握不正确,对各种线缆所应采用的敷设方式未能达到相关要求造成的。
2.国内外对消防线缆的选用原则1)国内消防配电线缆的选择原则目前国家有关规范对消防配电线缆选择的规定有:a.《电力工程电缆设计规范》gb50217-1994的第条,“对电缆可能着火蔓延导致严重事故的回路、易受外部影响波及火灾的电缆密集场所,应有适当的阻火分隔,并按工程重要性、火灾几率及其特点和经济合理等因素,确定采取下列安全措施。
(1)实施阻燃防护或阻止延燃。
(2)选用具有难燃性的电缆。
(3)实施耐火防护或选用具有耐火性的电缆。
……”。
b.《民用建筑电气设计规范》jgj/t16-92的第条,“超高层建筑内的电力、照明、自控等线路应采用阻燃型电线和电缆;但重要消防设备(如消防水泵,消防电梯,防、排烟风机等)的供电回路,宜采用耐火型电缆。
消防电缆选型规范要求解析消防电缆用耐火还是阻燃?是矿物绝缘电缆还是低烟无卤电缆,消防电缆的规范要求有哪些呢?希望以下这篇文章能在消防电缆选型中给您带来帮!一、消防电缆的选型困惑:用耐火还在阻燃,矿物绝缘电缆还是低烟无卤电缆?现行国家及地方设计规范、标准对消防线路选用的约定及存在的困惑如下:GB50016-2014《建筑设计防火规范》(以下简称《建规》)第10.1.10条对消防设备线路选用及敷设有以下要求:“消防配电线路应满足火灾时连续供电需要,其敷设应符合下列规定:(1)明敷时(包括敷设在吊顶内),应穿金属导管或采用封闭式金属线槽保护,金属导管或封闭式金属线槽应采取防火保护措施;当采用阻燃或耐火电缆并敷设在电缆井、沟内时,可不穿金属导管或采用封闭式金属线槽盒保护;当采用矿物绝缘类不燃性电缆时,可直接明敷。
(2)暗敷时,应穿管并应敷设在不燃性结构内且保护层厚度不应小于30mm。
(3)消防配电线路宜与其他配电线路分开敷设在不同的电缆井、沟内;确有困难需敷设在同一电缆井、沟内时,应分布置在电缆井、沟的两侧,且消防配电线路应采用矿物绝缘类不燃性电缆。
”在目前国家所涉及的电缆标准,对电缆的阻燃、耐火、防火、不燃等名称、产品等级分类及相关的参数要求还没有明确、统一的说法的情况下,设计人员对消防线路的设计、产品的选用时常会比较茫然,但《火规》对其消防设施的线路的选型及敷设方式给出了可操作性明确的说法。
对于暗敷的消防线路,只要敷设于不燃性结构层内,同时其保护层厚度不小于30mm,《建规》、《火规》似乎均认可其满足消防线路的设置要求,也能满足不同类别的消防设备在火灾时的持续供电时间要求。
我国研究机构所作的实体火灾试验比表明,只有埋墙暗敷及防护桥架敷设的耐火电缆能在大于30mim的时间内有效。
根据GB/T19666-2005《阻燃和耐火电线电缆通则》,将阻燃电缆根据燃烧时的阻燃性能由高到低分为A、B、C、D4类;对于耐火电缆,根据其火灾时无冲击、有冲击及喷水情况下的持续供电时间分为N、NJ、NS3类;根据绝缘材质,耐火电缆又分为有机型与无机型两种,以往常用的BTTZ-、NG-A(BTLY-)、YTTW-等电缆应属于无机绝缘耐火电缆,现称矿物绝缘类不燃性电缆。
常用电线电缆的选型及敷设要求本文更多的从消防的角度结合工程经验,根据《电力工程电缆设计规范》、《住宅建筑电气设计规范》、《民用建筑电气设计规范》、《建筑设计防火规范》等国家规范的规定,按普通、消防负荷两部分,从消防供电干线、应急照明和火灾自动报警等三方面,梳理了各级别民用建筑应选用的电线电缆型式及其敷设方式。
01在目前的建筑电气设计中,常用的线缆可分为以下几类:普通线缆、阻燃线缆、耐火线缆、无卤低烟线缆和矿物绝缘电缆。
对应上述的各类线缆,不同的厂家有不同的产品,但基本的要求和定义是一致的。
①普通电缆主要指聚氯乙烯绝缘电线BV线和交联聚乙烯绝缘聚氯乙烯护套绝缘电力电缆YJV。
②阻燃线缆难以着火并具有阻止或延缓火焰蔓延能力的电线电缆。
该线缆通常指能通过GB/T18380.3(等同IEC60332-3)试验合格的电线电缆。
包括具有阻燃性的聚氯乙烯绝缘电线ZRBV线和具有阻燃性的交联聚乙烯绝缘聚氯乙烯护套绝缘电力电缆ZRYJV.③耐火线缆在规定温度和时间的火焰燃烧下,仍能保持线路完整性的电线电缆。
通常指通过GB/T12666.6(等效IEC60331)试验合格的电线电缆。
包括具有耐火性的聚氯乙烯绝缘电线NHBV线和具有耐火性的交联聚乙烯绝缘聚氯乙烯护套绝缘电力电缆NHYJV.④无卤低烟线缆无卤低烟阻燃线缆WDZ-BYJ/YJY:材料不含卤素,燃烧时产生的烟尘较少并且具有阻止或延缓火焰蔓延的电线电缆。
通常把能通过GB/T 17650.2(等同IEC60754-2)、GB/T17651.2(等同IEC61034-2)和GB/T18380.3(等同IEC60332-3)三项标准试验合格的电线电缆称为无卤低烟阻燃电线电缆。
无卤低烟阻燃耐火线缆WDZN-BYJ/YJY:材料不含卤素,燃烧时产生的烟尘较少并且具有阻止或延缓火焰蔓延、可保持线路完整性的电线电缆。
通常把能通过GB/T17650.2(等同IEC 60754-2)、CB/T 17651.2(等同IEC61034-2)、GB/T 18380.3(等同IEC 60332-3)及GB/T12666.6(等效IEC60331)四项标准试验合格的电线电缆称为无卤低烟阻燃耐火电线电缆。
消防配电电线电缆的选择及线路敷设的要求消防配电电线电缆的选择及线路敷设的要求随着消防安全意识的提升和建筑物规模的扩大,消防配电电线电缆的选择及线路敷设越发重要。
其中需要注意以下几个方面:一、电线电缆的选择1.耐火性能消防电线电缆的耐火性能是非常重要的因素,必须符合GB/T 19666-2005《建筑电线电缆的阻燃特性试验方法》标准。
耐火等级应当不低于A级,保证在火灾时不会在短时间内起火、燃烧或甚至爆炸。
2. 绝缘材料选择合适的绝缘材料,可以有效的降低电线电缆的火灾风险。
一般消防电线电缆会选择耐火、低烟、无卤或者无毒无味的绝缘材料。
3.耐高温性能消防电线电缆的环境温度较高,因此需要选择耐高温材料。
选用硅酮橡胶、亚麻布绝缘材料等高温材料,可以提高电线电缆的耐高温性能。
二、线路敷设的要求1.安全间距在消防电线电缆的安装过程中,需要注意安全间距。
消防电气线路最好不要穿过人行道、车行道等地方,并且应该遵循国家有关规定进行敷设。
2.强制配电保护在消防电线电缆的敷设过程中,尽量使用电线电缆护套材料进行增强,以及增加线缆桥架、管线、支架等防护设备,为消防电线电缆提供更好的保护,确保消防电线电缆不会被机械损坏。
3.预留接口在消防电线电缆的线路敷设过程中,必须预留合适的接口位置,以便于今后对消防电线电缆的检修、更换或者维护。
总体而言,消防配电电线电缆的选择及线路敷设的要求对于消防安全至关重要。
只有保证电线电缆的质量和线路的敷设质量,才能确保在火灾事故发生时为人们的生命财产安全保驾护航。
2 导体的绝缘类型应按敷设方式及环境条件选择,并应符合下列规定:1)在一般工程中,在室内正常条件下,可选用聚氯乙烯绝缘聚氯乙烯护套的电缆或聚氯乙烯绝缘电线;有条件时,可选用交联聚乙烯绝缘电力电缆和电线;2)消防设备供电线路的选用,应符合本规范第13.10节的规定;(13.10.4 消防设备供电及控制线路选择,应符合下列规定:1 火灾自动报警系统保护对象分级为特级的建筑物,其消防设备供电干线及分支干线,应采用矿物绝缘电缆;2 火灾自动报警保护对象分级为一级的建筑物,其消防设备供电干线及分支干线,宜采用矿物绝缘电缆;当线路的敷设保护措施符合防火要求时,可采用有机绝缘耐火类电缆;3 火灾自动报警保护对象分级为二级的建筑物,其消防设备供电干线及分支干线,应采用有机绝缘耐火类电缆;4 消防设备的分支线路和控制线路,宜选用与消防供电干线或分支干线耐火等级降一类的电线或电缆。
13.10.5 线路敷设应符合下列规定:1 当采用矿物绝缘电缆时,应采用明敷设或在吊顶内敷设;2 难燃型电缆或有机绝缘耐火电缆,在电气竖井内或电缆沟内敷设时可不穿导管保护,但应采取与非消防用电电缆隔离措施;3 当采用有机绝缘耐火电缆为消防设备供电的线路,采用明敷设、吊顶内敷设或架空地板内敷设时,应穿金属导管或封闭式金属线槽保护;所穿金属导管或封闭式金属线槽应采取涂防火涂料等防火保护措施;当线路暗敷设时,应穿金属导管或难燃型刚性塑料导管保护,并应敷设在不燃烧结构内,且保护层厚度不应小于30mm;4 火灾自动报警系统传输线路采用绝缘电线时,应采用穿金属导管、难燃型刚性塑料管或封闭式线槽保护方式布线;5 消防联动控制、自动灭火控制、通信、应急照明及应急广播等线路暗敷设时,应采用穿导管保护,并应暗敷在不燃烧体结构内,其保护层厚度不应小于30mm;当明敷时,应穿金属导管或封闭式金属线槽保护,并应在金属导管或金属线槽上采取防火保护措施;采用绝缘和护套为难燃性材料的电缆时,可不穿金属导管保护,但应敷设在电缆竖井内;6 当横向敷设的火灾自动报警系统传输线路如采用穿导管布线时,不同防火分区的线路不应穿人同一根导管内;探测器报警线路采用总线制布设时不受此限;7 火灾自动报警系统用的电缆竖井,宜与电力、照明用的电缆竖井分别设置;当受条件限制必须合用时,两类电缆宜分别布置在竖井的两侧。
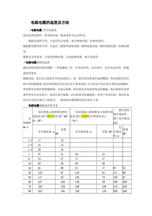
电线电缆的选型及方法⒈电线电缆型号的选择选用电线电缆时,要考虑用途,敷设条件及安全性等;根据用途的不同,可选用电力电缆、架空绝缘电缆、控制电缆等;根据敷设条件的不同,可选用一般塑料绝缘电缆、钢带铠装电缆、钢丝铠装电缆、防腐电缆等;根据安全性要求,可选用阻燃电缆、无卤阻燃电缆、耐火电缆等。
⒉电线电缆规格的选择确定电线电缆的使用规格(导体截面)时,应考虑发热,电压损失,经济电流密度,机械强度等条件。
根据经验,低压动力线因其负荷电流较大,故一般先按发热条件选择截面,然后验算其电压损失和机械强度;低压照明线因其对电压水平要求较高,可先按允许电压损失条件选择截面,再验算发热条件和机械强度;对高压线路,则先按经济电流密度选择截面,然后验算其发热条件和允许电压损失;而高压架空线路,还应验算其机械强度。
若用户没有经验,则应征询有关专业单位或人士的意见。
一般电线电缆规格的选用参见下表:3、同一规格铝芯导线载流量约为铜芯的0.7倍,选用铝芯导线可比铜芯导线大一个规格,交联聚乙烯绝缘可选用小一档规格,耐火电线电缆则应选较大规格。
4、本表计算容量是以三相380V、Cosφ=0.85为基准,若单相220V、Cosφ=0.85,容量则应× 1/3。
3、当环境温度较高或采用明敷方式等,其安全载流量都会下降,此时应选用较大规格;当用于頻繁起动电机时,应选用大2~3个规格。
5、本表聚氯乙烯绝缘电线按单根架空敷设方式计算,若为穿管或多根敷设,则应选用大2~3个规格。
6、以上数据仅供参考,最终设计和确定电缆的型号和规格应参照有关专业资料或电工手册。
7.运输中严禁从高处扔下电缆或装有电缆的电缆盘,特别是在较低温度时(一般为5℃左右及以下),扔、摔电缆将有可能导致绝缘、护套开裂。
8.尽可能避免在露天以裸露方式存放电缆,电缆盘不允许平放。
9.吊装包装件时,严禁几盘同时吊装。
在车辆、船舶等运输工具上,电缆盘要用合适方法加以固定,防止互相碰撞或翻倒,以防止机械损伤电缆。
电线电缆的选型及方法
一、电线电缆的选型
电线电缆的选型是指合理规划电线电缆规格,然后根据不同的使用情况、电缆的电子特性和要求,来选择合适规格的电线电缆。
电缆的选型是
按照电缆的电子特性来选择合适的规格,包括外径、导线直径、电缆屏蔽
类型、绝缘材料等,要求不同情况选择不同规格的电线电缆。
首先,根据电线电缆的使用场合,来确定电线电缆的电子特性和要求,然后根据要求来选择合适的电线电缆。
常见的使用场合有:室外电缆、户
内电缆和高压电缆等。
其次,要根据电缆的额定电压、最大工作电压、电压降和温度系数等,来选择阻燃的电线电缆,同时还要考虑电缆的绝缘特性,以及是否需要屏
蔽等。
例如,使用在室外环境中的电缆,要求阻燃性能高,防水性能好,
绝缘特性也要好,因此要选择高耐热、耐老化、良好绝缘性能的电缆;使
用在高压环境中的电缆,要求阻燃性能高,绝缘特性良好,同时还要考虑
电缆的压缩及应力抗性,因此要选择高耐压绝缘的电缆,这样才能保证电
缆的安全可靠使用。
第三,要根据电线电缆的安装条件,来确定适用的电缆规格。
消防工程施工方案中的消防电缆选择设计消防电缆在消防工程中具有重要的作用,它承担着传输电力和信号的任务,关系到消防设施的正常运行和灭火效果。
因此,在消防工程施工中,合理选择和设计消防电缆是非常重要的。
一、选择合适的消防电缆材料消防电缆的外部材料要具有阻燃性能,以防止在火灾中产生有毒、有害的烟雾和火焰蔓延。
目前,市场上主要有PVC、低烟无卤和阻燃聚烯烃等材料,其中低烟无卤电缆具有优异的阻燃性能和低烟烟气排放,是较为理想的选择。
二、根据消防工程要求选择导体规格消防电缆的导体规格应根据消防系统的负荷需求来进行选择。
一般来说,低压系统中,使用1.5mm²至16mm²导体规格的消防电缆比较常见;而高压系统中,需要选择更大规格的导体。
在选择导体规格时,还需考虑电缆的短路容量和电流载荷等因素。
三、选择适宜的电线电缆铺设方式消防电缆的铺设方式应根据具体的施工环境和使用要求进行选择。
常见的铺设方式有直埋式、桥架式和管道式等。
直埋式适用于敷设在地面或地下的场合,桥架式适用于在大跨度和需要频繁维护的场合,而管道式则适用于要求外部保护和固定的场合。
四、合理设计消防电缆的防火封堵在消防工程中,消防电缆需要穿越防火分区和防火墙等部位,因此,必须对其进行防火封堵措施设计。
一般情况下,可以使用防火灌浆、防火硅酮泡沫等材料进行封堵,确保消防电缆在火灾发生时能够保持一定时间的防火性能。
五、合理进行消防电缆的导线连接消防电缆的导线连接应严格按照相关标准进行,确保连接的电阻和绝缘电阻满足要求。
在连接处,需要进行绝缘皮剥线、双端焊接或者压接等操作,以确保连接可靠稳定。
六、定期检测和维护消防电缆已安装的消防电缆需要进行定期检测和维护,以确保其正常运行。
检测内容主要包括电缆的外观、绝缘电阻、接地电阻、电气参数等指标,维护主要是清洁电缆外部环境,防止外力损伤和腐蚀等。
综上所述,消防工程施工方案中的消防电缆选择设计是一项关键任务。
消防设备供电电缆电线的选用讲解消防设备供电电缆电线是消防系统中非常重要的组成部分之一,它是连接各种消防设备的基础设施。
其选用关系到消防设备的稳定性、可靠性和寿命。
因此,正确选择适当的消防设备供电电缆电线非常重要。
本文将讲解消防设备供电电缆电线的选用原则和注意事项。
选用原则1.电气参数与供电方式在选用消防设备供电电缆电线时,首先需要确认消防设备的电气参数和供电方式。
消防设备的电气参数包括额定电压、额定电流、频率等。
供电方式通常包括直流供电和交流供电。
根据消防设备的电气参数和供电方式,选用相应的电缆电线。
如果电气参数和供电方式匹配不当,不仅会影响设备正常运行,还可能会造成电线过热、短路、开路等情况,甚至导致设备损坏。
2.环境条件与使用场合消防设备供电电缆电线的选用还要考虑环境条件和使用场合。
消防设备的使用环境通常比较复杂,温度、湿度、气压和灰尘等都会对电缆电线的选用造成影响。
同时,消防设备的使用场合也需要考虑,如室内、室外、地下、高空等都需要选用不同种类的电缆电线。
3.安全性能与防火性能消防设备供电电缆电线的选用还需要考虑其安全性能和防火性能。
消防设备供电电缆电线在工作时,如果发生过热、短路等异常情况,就会对人身安全和财产造成威胁。
因此,选用具有高安全性和防火性能的电缆电线非常重要。
注意事项1.选择可靠的厂家和品牌在选用消防设备供电电缆电线时,需要认真选择可靠的厂家和品牌。
只有选择具有一定规模和声誉的厂家和品牌,才能保证电缆电线的品质和质量,降低故障率和维修成本。
2.选择符合国家标准的电缆电线在选用消防设备供电电缆电线时,需要选择符合国家标准的电缆电线,比如GB/T 5023-2008、GB/T 5023.4-2008、GB/T 9324.3-2015等标准。
符合标准的电缆电线不仅保证了电气参数和防火性能等方面的要求,而且可以提高设备的稳定性和可靠性。
3. 正确的电缆电线安装与维护在消防设备供电电缆电线的安装与使用过程中,需要严格按照相关标准和规范要求进行。
筑龙网 W W W .Z H U L O N G .C O M消防设备供电电缆电线的选用福建省建筑设计研究院陈汉民摘要简要介绍目前消防设备供电电线电缆敷设的现状,根据有关标准介绍电线电缆燃烧特性的分类,对消防设备供电电缆电线的选用规定提出建议。
关键词敷设现状特性分类选用建议一、有关规范规定和现状国家标准《建筑设计防火规范》GBJ16-87(修订本第10.1.4条规定,消防用电设备的配电线路应穿管保护。
当暗敷时应敷设在非燃烧体结构内,其保护层厚度不应小于3cm,明敷时必须穿金属管,并采取防火保护措施。
采用绝缘和护套为非延燃性材料的电缆时,可不采取穿金属管保护,但应敷设在电缆井沟内。
行业标准《民用建筑电气设计规范》第24.8.2条规定:超高层建筑内的电力、照明、自控等线路宜采用阻燃型电线和电缆;但重要消防设备(如消防水泵、消防电梯、防、排烟风机等的供电回路,宜采用耐火电缆。
一类高、低层建筑内的电力、照明、自控等线路宜采用阻燃型电线和电缆,但重要消防设备(如消防水泵、消防电梯、防、排烟风机等的供电线路,有条件时可采用耐火型电缆或采用其它防火措施以达到耐火配线。
根据消防部门的统计,我国发生的火灾中,因电气引起火灾占一半左右。
而电气火灾中由于电线电缆的老化和过载使用引起的火灾占较大比例,同时火灾时引起电线电缆中可燃绝缘和护套材料使得火灾事故进一步扩大。
电线电缆绝缘和护套材料的燃烧散发出的有毒气体造成大量的人员伤亡,阻碍消防人员的灭火。
同时,在火灾时引起消防设备的供电线路被烧毁,不能保证消防设备的正常运行,延误了灭火时间,造成更大的财产损失。
由于建筑设计防火规范是根据我国的经济发展水平而制订的,因此在九十年代初制订的规范在建筑物内对普通设备使用和供消防设备使用的电线电缆在选用上没有作出明确的规定。
对消防设备使用的电线电缆仅采取暗敷设在结构中的措施。
而明敷设时采取的防火措施要求不明确,使设计人员无法在电线电缆的防火措施上对施工单位提出明确的要求。
前言:我国发生的火灾中,因电线电缆引起的火灾占较大比例,火灾时引燃电线电缆中可燃绝缘和护套材料致使火灾事故进一步扩大,电线电缆绝缘和护套材料燃烧散发出的有毒气体会造成人员伤亡,并阻碍消防人员的灭火,发生火灾可能导致消防设备的电源线路被烧毁,不能确保消防电气设备正常运行,延误了灭火时间,造成更大的人员和财产损失。
使电线电缆的选择做到安全可靠、技术先进、经济合理,防止电线电缆所引起的火灾,减少电线电缆在火灾中造成的人身伤亡和财产损失,保证消防设备电源线路在火灾中仍能适时维持其完整性,那么消防配电线路中常用的电线电缆有哪些?1消防电缆是采用新型隔氧、阻燃、耐火材料,具有不熔化、不溶解、不延燃和低烟低卤、低毒的性能,当电缆遇火焰时,原先虽软性的金属化合物,将转化成不溶解的金属氧化物及水,隔断了灼热的氧气对内部绝缘层的侵袭,使内部绝缘层无法燃烧,隔氧层受热将结晶水分离,吸受大量蒸发潜热,会大大降低外层可燃物的温度.着火的电缆就将自行熄灭(火焰为950-1000℃)。
消防配电线路中常用的阻燃及耐火电线电缆火灾条件下,消防用电设备必须保证一定的工作时间,以利于人员逃生和火灾的扑救,这是不容质疑的。
加拿大国家建筑法规规定高度大于18m的建筑内,应提供在满载情况下能工作2h的应急电源,报警和通信系统用电缆应能直接经受火灾袭击1h,澳大利亚AS2293标准要求应急撤离照明主馈线和分支馈线电缆应能运行2h,而最后的分支电路要达到15min。
普通电缆、阻燃电缆和耐火电缆在明敷及穿钢管并施防火涂料时,其持续供电时间均未达到30min,这对于消防控制室、消防水泵、消防电梯、防排烟设施等供电时间较长的消防设备供电是不利的。
2什么是阻燃电线电缆?阻燃电线电缆是具有阻止或延缓火焰发生或蔓延能力的电线电缆,即在规定试验条件下,电线电缆被燃烧,在撤去火源后,火焰在电线电缆上的蔓延仅在限定范围内并能自行熄灭。
阻燃电线电缆不是不燃电缆,它只是在绝缘层和护套层增加了阻燃材料,使电缆在火中不会延燃,在外部火源消失的情况下,经过一段时间会自熄。
消防供配电线路中电线电缆的选型一、电线电缆选型错误①一类高层建筑未选用低烟无卤电线电缆聚氯乙烯在高温下的燃烧过程中,会释放出氯化氢、二恶英等大量有毒气体,同时产生大量的黑色烟雾。
发生火灾时,黑色烟雾阻挡视线,增加了被困人员疏散以及消防人员灭火和施救的难度,被困人员吸入上述有毒气体后,会严重损害身体健康,甚至导致窒息死亡。
为减少火灾情况下人员伤亡和财产损失,《民用建筑电气设计规范》JGJ16-2008第7.4.1条第2款规定:“对一类高层建筑以及重要的公共场所等防火要求高的建筑物,应采用阻燃低烟无卤交联聚乙烯绝缘电力电缆、电线或无烟无卤电力电缆、电线。
”然而,审图时常常发现有些设计人员未按上述要求选用电线电缆,违反了规范的上述规定,存在重大安全隐患。
还有些设计人员虽然对一类高层建筑以及重要的公共场所等防火要求高的建筑物按规范要求选用了阻燃低烟无卤交联聚乙烯绝缘电缆、电线或无烟无卤电缆、电线,却采用PVC电线管或PVC线槽作为穿线管材。
大家知道,PVC电线管或PVC线槽的主要成分为含卤的聚氯乙烯,在高温下的燃烧过程中照样会释放出氯化氢、二恶英等大量有毒气体并产生大量的黑色烟雾。
因此,若选用了阻燃低烟无卤或无烟无卤电缆、电线,再采用PVC管或PVC线槽敷设方式,则失去了选用了阻燃低烟无卤或无烟无卤电缆、电线的实际意义。
这种做法与《民用建筑电气设计规范》JGJ16-2008第7.4.1条第2款规定的本意相矛盾,是非常不妥的,同样存在安全隐患。
当选用阻燃低烟无卤交联聚乙烯绝缘电力电缆、电线或无烟无卤电力电缆、电线时,不得采用PVC材质的电线管或线槽作为穿线管材,这一点应引起电气设计人员的重视。
此外,当供配电线路根据规范要求应当选用阻燃低烟无卤交联聚乙烯绝缘电力电缆、电线或无烟无卤电力电缆、电线时,同一建筑内的综合布线、火灾自动报警、安防等所有弱电系统配线,均应采用阻燃低烟无卤或无烟无卤线缆。
②选用不存在的电线电缆型号在建筑施工图审查过程中,常常发现有些设计人员选用WDZ-BV电线、WDZ-VV电缆、WDZ-YJV电缆或WDZN-BV电线、WDZN-VV电缆、WDZN-YJV电缆。
众所周知,电线电缆型号中的“W”表示无卤,“D”表示低烟,“V”表示聚氯乙烯,如BV表示铜芯聚氯乙烯绝缘电线,VV表示铜芯聚氯乙烯绝缘聚氯乙烯护套电力电缆,YJV表示铜芯交联聚乙烯绝缘聚氯乙烯护套电力电缆。
上述电线电缆的绝缘或/和护套由聚氯乙烯构成,而聚氯乙烯所含的氯是卤族元素。
也就是说,只要电线电缆型号中有字母“V”,就一定含卤。
因此,不存在WDZ-BV电线、WDZ-VV电缆、WDZ-YJV电缆或WDZN-BV电线、WDZN-VV电缆、WDZN-YJV电缆。
③选用阻燃或耐火电线电缆未明确阻燃等级多数设计人员选用阻燃或耐火电线电缆时未标明其阻燃等级,即便标明了阻燃等级,也未考虑成束敷设的电线电缆单位长度内有机物的体积,则选用的电线电缆很可能不具备阻燃性能,无疑存在安全隐患。
电线电缆的阻燃性能从高到低分为A、B、C、D四级,电线电缆的阻燃性能不仅取决于绝缘和护套的材质,还与成束敷设的电线电缆单位长度内有机物的体积有关。
同一阻燃等级的电缆,单根敷设时阻燃,多根成束敷设时未必阻燃。
因此,选用阻燃或耐火电线电缆时,应根据建筑物的重要性以及成束敷设的电线电缆单位长度内有机物的体积的大小标明其相应的阻燃等级。
成束敷设的电线电缆单位长度内有机物的体积超过其限值时,应分开敷设或用防火隔板分隔。
二、导体截面要求导体截面太小电线电缆的导体截面除应满足配电线路电压损失和机械强度的要求外,还应满足短路条件下热稳定以及电线电缆的允许载流量不小于其保护装置的整定电流和该线路计算负荷电流的要求。
在建筑施工图审查过程中发现,有些设计人员计算电线电缆的载流量时,未按实际的环境条件和敷设方式进行校正,往往电线电缆的截面太小,致使电线电缆的载流量小于该回路保护电器过载保护的整定值,甚至小于该回路的计算电流,则违反了强制性规范条文的规定。
轻者降低电线电缆的使用寿命,严重时将因电线电缆的绝缘损坏而导致短路故障,引发火灾事故,存在严重的安全隐患。
环境温度和敷设方均影响电线电缆的载流量。
电线或电缆载流量表中,只给出了数种环境温度下特定敷设方式时的载流量。
电线或电缆敷设时的实际情况与载流量表中给定的条件不一致时,必须针对实际情况按《民用建筑电气设计规范》JGJ16-2008第7.4节的有关规定对电线电缆的载流量进行矫校正。
电线电缆在室内电缆槽盒中敷设时,一般情况下环境温度定为35℃,线芯允许长期工作温度PVC绝缘为70℃,XLPE或EPR绝缘为90℃。
备用回路、平时不工作的回路、预计实际负荷电流不大于其允许载流量30﹪的回路不计入回路总数。
对于平战两用的人防工程,应分别统计平时和战时同时运行的电线电缆回路数,并分别对载流量进行矫正。
消防配电线路在火灾情况下还需继续运行一段时间,发生火灾时由于环境温度升高,导致配电线路的允许载流量降低、线路阻抗增加致使电压损失增大。
因此,选择消防配电线路的截面时,应在按上述规范规定对载流量校正后确定的导线截面基础上,再对导线截面放大一至二级,以确保火灾时消防设备能够可靠运行。
此外,选择电线电缆的截面时,还应根据负载的性质,计入谐波电流的影响。
三、敷设方式敷设方式不合理应根据配电线路的用途、建筑物的特点以及环境条件等因素并经技术经济分析后选择敷设方式,做到安全可靠、经济合理。
在建筑施工图审查过程中常常发现,有些设计人员选择的室内配电线路的敷设方式不合理,存在安全隐患,或者增加投资,造成浪费。
①电缆桥架结构形式不明确电缆桥架是统称,按结构形式分为电缆梯架、无孔电缆托盘、有孔电缆托盘和电缆槽盒,电缆槽盒又分为普通电缆槽盒和耐火电缆槽盒。
电缆桥架结构形式不同,散热效果各异,对敷设其中的电线电缆允许载流量的影响自然不同。
因此,采用电缆桥架敷设方式时,应明确指明电缆桥架的具体结构形式。
否则,不仅无法确定电线电缆的导体截面,而且施工单位也无法备货。
②电缆桥架结构形式不合理在建筑施工图审查时常常发现有些设计人员采用电缆槽盒敷设普通配电回路电缆,这种做法是非常不妥的。
电缆槽盒为封闭结构,价格较高,散热不良。
多个配电回路在电缆槽盒内敷设时,电线电缆的允许载流量降低很多,校正系数最低只有0.38。
为满足允许载流量不小于其保护装置的长延时整定电流和该线路计算负荷电流的要求,只得加大电线电缆的导体截面,无疑会增加投资,造成浪费。
因此,普通配电线路采用电缆桥架敷设方式时,最好选用价格较低且对允许载流量影响较小的电缆梯架。
若鼠害严重,可采用铠装电缆或防鼠电缆在电缆梯架中敷设。
还有些设计人员对敷设方式有防火要求的配电线路采用外壁涂覆防火涂料的电缆托盘敷设,则无法满足火灾时连续供电的要求。
电缆托盘无盖,只有连续底盘和侧边,即使电缆托盘外壁涂覆防火涂料,发生火灾时,热量也可通过对流和辐射损伤敷设在电缆托盘中的电线电缆。
因此,不论采取何种措施,电缆托盘或电缆梯架均无防火能力。
当配电线路的敷设方式有防火要求时,只能选用防火电缆槽盒或外壁涂覆有防火保护层的金属电缆槽盒。
③普通配电线路与消防配电线路在同一电缆槽盒内敷设消防配电线路有防火要求,当消防配电干线采用有机绝缘耐火电线电缆时,其敷设方式应有防火措施。
若采用电缆桥架敷设方式,应采用防火电缆槽盒,或采用普通金属电缆槽盒并在其外壁涂覆防火保护层。
由于电缆槽盒对电线电缆允许载流量影响很大,普通配电线路与消防配电线路在同一电缆槽盒内敷设时,其导体截面积会增大很多。
此外,普通配电线路与消防配电线路以及同一负荷的2路电线电缆均须设隔板分开,电缆槽盒内至少要设2个防火隔板。
这种做法不仅会增加投资,而且不便施工,是非常不妥的。
合理的做法是普通配电线路与消防配电线路分别在各自的桥架中敷设。
普通配电线路可采用电缆梯架;消防配电干线敷设在中间设有防火隔板的防火电缆槽盒或外壁涂覆有防火保护层的普通金属电缆槽盒中,同一负荷的2路电线电缆分别敷设在隔板的两侧。
④电源进线不满足防火要求发生火灾时,消防设备的供电及控制线路应有一定的耐火能力,以便确保建筑物内的消防设备火灾时能够可靠运行。
多数设计人员都能根据建筑物的特点,对于由低压总配电箱/柜引出的消防设备配电线路及控制线路的线缆选型和敷设方式均采取了一定的防火措施。
然而,不少设计人员对10kV电源进线或由总配变电所引至同一建筑内其它分配变电所的10kV线路未采取任何防火措施,这是非常不妥的。
需要注意的是,若电源进线不可靠,则配电系统的整体可靠性就会降低。
在施工图审查中常常发现,有些防火要求较高的建筑物,其消防设备供电及控制线路的选型和敷设方式均采取了防火措施,非常可靠。
然而,两路10kV电源进线或由总配变电所引至同一建筑内其他分配变电所的10kV线路却选用阻燃电缆或普通电缆在电缆梯架或电缆托盘内沿屋顶或沿墙长距离敷设,穿越地下车库或其它场所引至变配电所。
有些部位两路10kV电源进线电缆甚至在同一路径上并列敷设。
由于10kV电缆中含有消防负荷,相当于消防干线。
试想,若电源进线电缆或开闭所10kV出线电缆路径上任何一处发生火灾,电源进线电缆或开闭所10kV出线电缆必定受到损坏,甚至两路电源电缆同时受到损坏,整座建筑就会停电,消防配电系统也将失去电源,建筑物内的全部消防设施都将瘫痪,无疑将造成重大的经济损失和人员伤亡。
因此,电源进线电缆或大型建筑中总变配电所引至本建筑其他分配电所的10kV线路电缆的选型与敷设方式等耐火要求应与本建筑内耐火要求最高的消防配电线路相同。
⑤电线电缆在电缆槽盒内接头电线电缆接头处破坏了电线电缆的原有绝缘,是线路绝缘的薄弱环节。
常常因接头不良、包扎绝缘受潮损坏而引起短路故障。
若电线电缆在电缆槽盒内接头,接头处的短路故障很可能波及其他配电线路,扩大故障范围。
因此,电线电缆在电缆槽盒内不得有接头,确需接头或需分支接头时,应将接头设在接线箱内。
此外,当普通配电线路与消防配电线路在同一电气竖井内敷设时,应分别布置在电气竖井的两侧,且消防配电线路应采用矿物绝缘电缆。
若共用电气竖井且消防配电线路采用有机耐火电缆时,消防配电线路应敷设在耐火电缆槽盒内。