钢结构计算表格
- 格式:xls
- 大小:72.51 KB
- 文档页数:6
简 支 钢 梁 计 算基本数据输入:梁跨度: l=9000mm梁间距a=2400mm钢材:Q 345f =315N/mm 2fv =185N/mm 2 上翼缘:b 1=400mm t 1=14mm 下翼缘:b 2=300mm t 2=12mm 腹 板:h w =574mm t w =8mm即: 断面截面特性计算:钢梁截面:A 0=13792mm 2 重量108.3kg/m 钢梁中和轴的位置:y 0=342mm钢梁对X轴截面惯性矩:I z =8.94E+08mm4钢梁上翼缘的弹性抵抗矩:W 1x = 3.46E+06mm 3 钢梁下翼缘的弹性抵抗矩:W 2x = 2.61E+06mm 3 钢梁对Y轴截面惯性矩:I y = 1.02E+08mm 4i y =85.9 mm y =104.8上翼缘对Y 轴的惯性矩:I 1=7.47E+07mm 4下翼缘对Y 轴的惯性矩:I 2= 2.70E+07mm 40.73 截面不对称影响系数:0.380.53 工字形截面简支梁的系数0.76 梁的整体稳定系数:0.74 修正后:0.672.截面验算:(1)弯矩及剪力的计算:=+=211I I I b α=-=)12(8.0b b αη=bβ==hb t l 111ξ=bφ='bφλ钢梁自重: 1.30KN/m恒载: 4.00KN/m2g1k=10.90KN/m活载:q c= 3.0KN/m2p k=18.10KN/m p=23.16KN/m 弯矩:M=234.49KN·m剪力:V=104.22KN(2)钢梁的强度、稳定和挠度的验算:梁的整体稳定应力:σ=101.01N/mm2钢梁上翼缘应力:σ1=67.70N/mm2钢梁下翼缘应力:σ2=89.68N/mm2钢梁剪应力:τ=22.70N/mm2挠度:w=8.4mmw/l=1/1072。
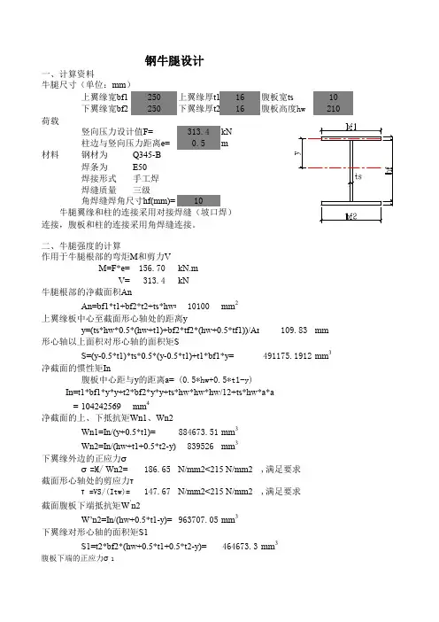
钢牛腿设计一、计算资料牛腿尺寸(单位:mm)上翼缘宽bf1250上翼缘厚t116腹板宽ts10下翼缘宽bf2250下翼缘厚t216腹板高度hw210荷载竖向压力设计值F=313.4kN柱边与竖向压力距离e=0.5m材料钢材为Q345-B焊条为E50焊接形式手工焊焊缝质量三级角焊缝焊角尺寸hf(mm)=10牛腿翼缘和柱的连接采用对接焊缝(坡口焊)连接,腹板和柱的连接采用角焊缝连接。
二、牛腿强度的计算作用于牛腿根部的弯炬M和剪力VM=F*e=156.70kN.mV=313.4kN牛腿根部的净截面积AnAn=bf1*t1+bf2*t2+ts*hw=10100mm2上翼缘板中心至截面形心轴处的距离yy=(ts*hw*0.5*(hw+t1)+bf2*tf2*(hw+0.5*tf1))/An=109.83mm形心轴以上面积对形心轴的面积矩SS=(y-0.5*t1)*ts*0.5*(y-0.5*t1)+t1*bf1*y=491175.1912mm3净截面的惯性矩In腹板中心距与y的距离a=(0.5*hw+0.5*t1-y)In=t1*bf1*y*y+t2*bf2*y*y+ts*hw*hw*hw/12+ts*hw*a*a=104242569mm4净截面的上、下抵抗矩Wn1、Wn2Wn1=In/(y+0.5*t1)=884673.51mm3Wn2=In/(hw+t1+0.5*t2-y)=839526mm3下翼缘外边的正应力σσ=M/ Wn2=186.65N/mm2<215 N/mm2 ,满足要求截面形心轴处的剪应力ττ=VS/(Itw)=147.67N/mm2<215 N/mm2 ,满足要求截面腹板下端抵抗矩W’n2W’n2=In/(hw+0.5*t1-y)=963707.05mm3下翼缘对形心轴的面积矩S1S1=t2*bf2*(hw+0.5*t1+0.5*t2-y)=464673.3mm3腹板下端的正应力σ1σ1= M/W’n2=162.60 N/mm2腹板下端的剪应力τ1τ=VS1/(It w)=139.70 N/mm2腹板下端的折算应力√(σ12+3τ12)=291.53N/mm2>1.1*215 N/mm2,不满足要求三、 牛腿与柱的连接焊缝计算:由于牛腿翼缘竖向刚度较差,一般不考虑承担剪力。
钢牛腿设计一、计算资料牛腿尺寸(单位:mm)上翼缘宽bf1350上翼缘厚t112腹板宽ts10下翼缘宽bf2350下翼缘厚t212腹板高度hw172荷载竖向压力设计值F=80kN柱边与竖向压力距离e=0.5m材料钢材为Q235-B焊条为E43焊接形式手工焊焊缝质量三级角焊缝焊角尺寸hf(mm)=10牛腿翼缘和柱的连接采用对接焊缝(坡口焊)连接,腹板和柱的连接采用角焊缝连接。
二、牛腿强度的计算作用于牛腿根部的弯炬M和剪力VM=F*e=40.00kN.mV=80kN牛腿根部的净截面积AnAn=bf1*t1+bf2*t2+ts*hw=10120mm2上翼缘板中心至截面形心轴处的距离yy=(ts*hw*0.5*(hw+t1)+bf2*tf2*(hw+0.5*tf1))/An=89.51mm形心轴以上面积对形心轴的面积矩SS=(y-0.5*t1)*ts*0.5*(y-0.5*t1)+t1*bf1*y=410811.0035mm3净截面的惯性矩In腹板中心距与y的距离a=(0.5*hw+0.5*t1-y)In=t1*bf1*y*y+t2*bf2*y*y+ts*hw*hw*hw/12+ts*hw*a*a=71551997mm4净截面的上、下抵抗矩Wn1、Wn2Wn1=In/(y+0.5*t1)=749158.06mm3Wn2=In/(hw+t1+0.5*t2-y)=712030mm3下翼缘外边的正应力σσ=M/ Wn2=56.18N/mm2<215 N/mm2 ,满足要求截面形心轴处的剪应力ττ=VS/(Itw)=45.93N/mm2<215 N/mm2 ,满足要求截面腹板下端抵抗矩W’n2W’n2=In/(hw+0.5*t1-y)=808587.42mm3下翼缘对形心轴的面积矩S1S1=t2*bf2*(hw+0.5*t1+0.5*t2-y)=396858.5mm3腹板下端的正应力σ1σ1= M/W’n2=49.47 N/mm2腹板下端的剪应力τ1τ=VS1/(It w)=44.37 N/mm2腹板下端的折算应力√(σ12+3τ12)=91.40N/mm2<1.1*215 N/mm2 ,满足要求三、 牛腿与柱的连接焊缝计算:由于牛腿翼缘竖向刚度较差,一般不考虑承担剪力。
钢与砼组合梁计算基本数据输入:组合梁跨度: l=9500mm 梁间距a=1800mm 组合梁截面总高:h=400mm砼等级:C 25f c=12.5N/mm 2f cm =13.5N/mm 2E c = 2.80E+04N/mm 2楼承板型号:YX76楼承板特性:h c1=74mm h c 2=76mm h c =150mm b 0=220mmS 0=1580mm1.截面特性计算:(1)钢梁钢材:Q 345f =315N/mm 2fv =185N/mm 2断面:BH 250x5x220x8x220x8上翼缘:b 2=220mm t 2=8mm 下翼缘:b 1=220mm t 1=8mm 腹 板:h w =234mm t w =5mm 钢梁截面:A s=4690mm 2 重量36.8kg/m 钢梁中和轴的位置:y s =125mm钢梁截面惯性矩:I s = 5.69E+07mm 4钢梁上翼缘的弹性抵抗矩:W s2= 4.55E+05mm 3钢梁下翼缘的弹性抵抗矩:W s1= 4.55E+05mm 3(2)组合梁钢与砼弹性模量比:αE =7.36钢筋砼翼缘板计算宽度:b e =l /6+l /6+b 0=3386.667mmb e =S 0/2+S 0/2+b 0=1800mmb e =6h c1+6h c1+b 0=1108mm取b e =1108mm b e,eq =150.6mm钢筋砼翼缘板的截面面积:A ce =81992mm 2换算成钢截面的组合梁截面面积:A 0=15835mm 2钢梁至组合梁截面中和轴的距离:y x =293mm>=h=250mm中和轴在混凝土板内!钢筋砼翼缘板的截面惯性矩:I ce = 3.74E+07mm 4组合梁换算成钢截面时的惯性矩:I 0= = 2.49E+08mm 4组合梁换算截面中的钢筋砼板顶边(点4)的截面抵抗矩:W 04= 2.32E+06mm 3组合梁换算截面中的钢筋砼板顶边(点3)的截面抵抗矩:W 03=7.43E+06mm 3组合梁换算截面中的钢筋砼板顶边(点2)的截面抵抗矩:W 02= 5.86E+06mm3组合梁换算截面中的钢筋砼板顶边(点1)的截面抵抗矩:W 01=8.51E+05mm 3(3)考虑砼的徐变影响时,组合梁的截面特性 换算钢截面组合梁的面积:A '0=10262mm 2钢筋砼翼板顶面至组合截面中和轴的距离:y 'x =254mm换算钢截面组合梁的惯性矩:I '0= 2.04E+08mm4 组合梁换算截面中的钢筋砼板顶边(点4)的截面抵抗矩:W '04= 1.40E+06mm 3组合梁换算截面中的钢筋砼板顶边(点3)的截面抵抗矩:W '03= 2.84E+06mm3组合梁换算截面中的钢筋砼板顶边(点2)的截面抵抗矩:W '02= 4.81E+07mm3组合梁换算截面中的钢筋砼板顶边(点1)的截面抵抗矩:W '01=8.01E+05mm 32.第一受力阶段(施工阶段)的验算:(此时全部由钢梁受力)(1)弯矩及剪力的验算:钢梁自重:0.44KN/m221)()5.0(s x s s c x Ece E cey y A I h y h A I -++--+αα楼板自重: 4.00KN/m 2g 1k =7.64KN/m施工荷载:q c = 1.5KN/m 2p 2k =10.34KN/m p 2=12.95KN/m 弯矩:M 1=146.09KN ·m剪力:V 1=61.51KN(2)钢梁的强度、稳定和挠度的验算:钢梁上翼缘应力:σ1=320.98 N/mm 2 钢梁下翼缘应力:σ2=320.98 N/mm 2 钢梁剪应力:τ=52.58 N/mm 2 挠度:w=93.6 mmw / l=1/1023.第二受力阶段(使用阶段)的验算:(1)弯矩及剪力的验算:找平层重:g 2=0.5KN/m 2活荷载:q 2k =7.0KN/m 2梁上墙自重:g w =0.0KN/mp 2k =13.5KN/m p 2=17.46KN/m 弯矩:M 2=196.97KN ·m剪力:V 2=82.94KN(2)组合梁的抗弯强度计算:1)在垂直荷载作用下的正应力:钢筋砼翼缘板顶边(点4)的应力:σc4=-11.56 N/mm 2<=fcm=13.50 N/mm 2OK!钢筋砼翼缘板底边(点3)的应力:σc3=-3.60 N/mm 2<=fcm=13.5N/mm 2OK!钢梁上翼缘(点2)应力:σs2=-193.7 N/mm 2<=0.9f=283.5N/mm 2OK!钢梁下翼缘(点1)应力:σs1=458.7 N/mm 2>0.9f=283.5N/mm 2FAIL!2)钢梁的剪应力:τ=108.1N/mm 2<=fv=185N/mm 2OK!3)组合梁的挠度:p 2k1=9.72KN/mw =97.07 mmw / l=1/984.连接件计算:截面在翼缘板与钢梁的接触面处的面积矩:S 0=7.86E+05mm 3v max =261.7N /mm选用圆柱头焊钉直径:φ19As=283.5mm 2每个栓钉的抗剪承载力设计值:N v c=0.7A s f=39694N梁上布置栓钉的列数:n =1该梁的半跨梁分为2区段1 区段:长度:2000mm 剪力 V =261.7 N /mm 每排栓钉间距 a 1=151.67 mm, 取为150 mm 2 区段:长度:2500mm 剪力 V =151.5 N /mm 每排栓钉间距 a 2=261.98 mm, 取为260 mm 3 区段:长度:250mm 剪力 V =13.8 N /mm 每排栓钉间距 a 3=2,881.74 mm, 取为2,880 mm02I S V。
热轧一般槽钢规格理论重量表大全/ 每米h- 高度; b- 腿宽; d- 腰厚; t-均匀腿厚; r- 内圆弧半径; r1- 腿端圆弧半径尺寸截面面积理论重量型号h bdt rr 1( mm)(cm2 )(kg/m) 503763408804310100 48126 5314a1405814b1406016a1606316160 6518a 180 6818180 7020a 200 7320200 7522a 220 7722220 7925a 250 7825b 250 8025c 250 8228a 280 8228b 280 8428c 280 8632a 320 8832b 320 9032c 320 9236a 360 9636b 360 9836c 360 10040a 400 10040b400 10240c400 104长度: 5-8 号长 5-12m;10-18 号长 5-19m;20-40 号长 6-19m制造钢号: A3, A3F,B3F 等焊管尺寸规格表双击自动滚屏焊管尺寸规格表外壁厚/ mm径O.52.O /钢管的理论质量/ (kg /m) mm5 O. 055O.083 O.0998O. 109 O.142 O.173 O. 20110O. 13912O. 169 O.221 O.271 O. 320 O. 366O.38813O. 183O. 343O.42514O.260 O.321 O. 379 O. 435O.462 O.48915O. 123O.345O. 470O.499 O.52916O. 228 O.300 O.370O.536 O.56817O.320 O.395 O. 468O.573 O.60818O.419 O. 497 O. 57319O. 272 O.359 0,444O.647 O.68720O.469 O. 556 O. 642O.684 O.72621O.721 O.76522O.418 O.518 O. 616 O. 7U O.758 O.805 O. 89725O.477 O.592 O. 704O.869 O.92328O.537 O.666 O. 793O.98030O.71532O.76434O.814 O. 97137O.888外径壁厚/ mm O. 51.O2.O2,5/ mm钢管的理论质量/ (kg /m)3840O.962454648502,594. Ol 5l53546065707680833. OI8995焊管理论重量表与焊管理论重量计算公式规格焊管( 6 米定尺)镀锌管 (6米定尺)外径 (mm)最小壁厚壁厚 (mm)(mm)公称内径英寸kg/m kg/m kg/m kg/m DN151/2DN203/4DN251DN32DN40DN502DN654DN8034DN10044 DN1255140DN1506DN2008(焊管)DN2008(热镀锌)角钢理论重量表型号尺寸 (mm)长度理论重量边宽边厚(m)(kg/m)22033-9 42533-9 433033-9 30433643-95344043-954534-1256345504-125634564-1258456364-128104577064-1278567574-12810688074-128106799084-19101267810100101214167811110104-19121410125124-19141014140124-19 14161016160126-19 14161218180146-19 1618141620200186-192024热轧等边角钢尺寸及重量计算公式: W(kg/m)=*边厚 * ( 2 边宽 - 边厚)不等边角钢理论重量计算钢材理论重量计算的计量单位为公斤(kg)。
端 板 厚 度 计 算(根据CECS 102:98 7.2.9条 编制)端板钢材的抗拉强度设计值f =315N/mm^2端板的宽度b =200mm 加肋板的宽度bs =0mm 螺栓中心至腹板的距离e w =50mm 螺栓中心至翼缘板表面的距离ef =50mm 螺栓的间距a =400mm1.伸臂类端板:(7.2.9-1)一个高强螺栓的拉力设计值,Nt =0KN 按公式(7.2.9-1)计算的端板厚度t 1=0.0mm2.无加劲肋类端板:(7.2.9-2)一个高强螺栓的拉力设计值,Nt =0KN 按公式(7.2.9-2)计算的端板厚度t 1=0.0mm3.两边支承类端板 (1)端板外伸(7.2.9-3a )一个高强螺栓的拉力设计值,Nt =28KN 按公式(7.2.9-3a)计算的端板厚度t 1=8.2mm(2)端板平齐(7.2.9-3b )一个高强螺栓的拉力设计值,Nt =116KN 按公式(7.2.9-3b)计算的端板厚度t 1=19.2mm4.三边支承类端板:(7.2.9-4)一个高强螺栓的拉力设计值,Nt =0KN 按公式(7.2.9-4)计算的端板厚度t 1=端板厚度t =0.0mm结 论:端板厚度t =19.2mmbfNet tf6≥fe a N e t w tw )5.0(3+≥fe e e b e N e e t wf f w tw f )](2[6++≥fe e e b e N e e t wf f w tw f )](4[12++≥fe b b e N e e tf s w tw f ]4)2([62++≥。
简 支基本数据输入:梁跨度: l=9000mm梁间距a=2400mm钢材:Q 345f =315N/mm 2fv =185N/mm 2 上翼缘:b 1=400mm t 1=14mm 下翼缘:b 2=300mm t 2=12mm 腹 板:h w =574mm t w =8mm即: 断面BH 600x8x400x 14x300x12截面特性钢梁截面:A 0=13792mm 2 重量108.3kg/m 钢梁中和轴的位置:y 0=342mm钢梁对X轴截面惯性矩:I z =8.94E+08mm 4钢梁上翼缘的弹性抵抗矩:W 1x =3.46E+06mm 3钢梁下翼缘的弹性抵抗矩:W 2x =2.61E+06mm 3 钢梁对Y轴截面惯性矩:I y =1.02E+08mm 4i y = 85.9mm y = 104.8上翼缘对Y 轴的惯性矩:I 1=7.47E+07mm 4下翼缘对Y 轴的惯性矩:I 2=2.70E+07mm 40.73截面不对称影响系数:0.380.53工字形截面简支梁的系数 0.76梁的整体稳定系数: 0.74修正后: 0.672.截面验算:(1)弯矩及剪力的计算:钢梁自重: 1.30KN/m恒载: 4.00KN/m2=10.90KN/mg1k活载:q c= 3.0KN/m2p k=18.10KN/m p=23.16KN/m 弯矩:M=234.49KN·m剪力:V=104.22KN(2)钢梁的强度、稳定和挠度的验算:梁的整体稳定应力:σ= 101.01N/mm2钢梁上翼缘应力:σ1= 67.70N/mm2钢梁下翼缘应力:σ2= 89.68N/mm2钢梁剪应力:τ= 22.70N/mm2挠度:w= 8.4mmw/l=1/1072。