第二节 地铁车站的结构设计
- 格式:ppt
- 大小:2.33 MB
- 文档页数:49
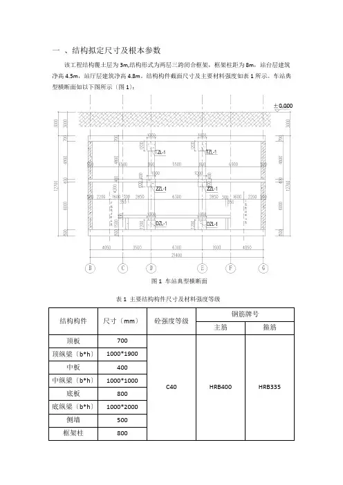
一 、结构拟定尺寸及根本参数
该工程结构覆土层为3m,结构形式为两层三跨闭合框架,框架柱距为8m ,站台层建筑净高4.5m ,站厅层建筑净高4.8m 。
结构构件截面尺寸及主要材料强度如表1所示。
车站典型横断面如以下图所示〔图1〕:
结构构件 尺寸〔mm 〕
砼强度等级
钢筋牌号 主筋
箍筋
顶板 700 C40 HRB400 HRB335
顶纵梁〔b*h 〕
1000*1900
中板 400 中纵梁〔b*h 〕
1000*1000
底板 800 底纵梁〔b*h 〕
1000*2000
侧墙 500 框架柱
800
±0.000
图1 车站典型横断面
表1 主要结构构件尺寸及材料强度等级
二、简化解析计算方法
取轴线方向1m长度闭合框架作为计算简图,柱作为只承受压力的二力杆,不考虑支护结构影响,竖向地基反力按照竖向静力平衡条件计算确定,不考虑周围土层介质的抗力,按荷载—结构法进行计算;柱截面设计时按照柱距设计和计算轴力综合确定。
工程地质
岩土分层及特性图2 主体结构计算图式
表2 岩土层分类及深度
土层物理、力学参数表
表2 各岩土层力学、物理参数
表3 各岩土层力学、物理参数
表4 荷载计算表
荷载及荷载效应组合
表5 荷载组合参数表。
地铁车站结构设计地铁车站是城市地铁系统的关键组成部分,其设计应充分考虑到安全、便利和美观等方面。
本文将从站点选址、站厅设计、站台设计和出入口设计等角度,对地铁车站的结构设计进行详细阐述。
1.站点选址地铁车站的选址应考虑以下因素:-人口密度:选址应与人口密集区接近,方便乘客出入。
此外,还要考虑未来城市发展的规划,以确保选址能够满足未来需求。
-交通便捷性:车站附近应有公交站点和停车场,方便乘客换乘和停车。
-地质条件:选址要避免地质灾害和地下水问题,以保证车站的稳定性和安全性。
2.站厅设计站厅是地铁车站的核心区域,应具备以下特点:-宽敞明亮:站厅应设计为宽敞明亮的空间,以提供足够的运营空间和方便的视觉导向。
-分区布局:站厅应划分出清票区、安检区、候车区等不同功能区域,以便乘客可以有序地进行票务和安全检查。
-通风系统:站厅应配置良好的通风系统,确保空气的流通和乘客的舒适。
3.站台设计站台是乘客上下车和换乘的区域,其设计应满足以下要求:-宽度和长度:站台宽度应足够以容纳客流高峰时的乘客,并提供充足的上下车空间。
站台长度应根据列车的长度来确定,以便保证列车的完全停靠。
-安全设施:站台应设有防护门和安全栏杆,以保证乘客的安全,并防止乘客进行危险行为。
此外,站台上还应设有紧急广播和紧急出口,以应对突发情况。
-无障碍设施:站台应设有无障碍通道、盲道和轮椅航道,以方便残障乘客的使用。
4.出入口设计出入口是地铁车站与城市道路和交通网络相连接的区域,其设计应具备以下特点:-就近性:出入口应就近于周边居民区和商业区,以提供方便快捷的出行服务。
-多元交通接驳:出入口应与公交站点、停车场和自行车停车场相连接,以满足乘客的多样化交通需求。
-安全和流畅性:出入口应设置适当的安全设施,如监控摄像头和安保人员。
此外,还应考虑到乘客的流量,并设置合理的通道和通行方式,以保证出入口的流畅。
综上所述,地铁车站的结构设计应兼顾安全、便利和美观等方面的要求。
第一章!地铁工程结构形式及设计原则第一节!地铁车站的结构形式地铁车站除提供列车通行外,还要具有集散旅客的功能。
地铁车站结构一般应具有较大的跨度以提供站台、疏散、通风和其他服务空间。
车站结构形式的选择应在满足功能要求的前提下,兼顾经济和美观,力图创造出与交通建筑相协调的气氛。
一、明(盖)挖法施工的车站结构形式明挖法和盖挖法在施工方法和顺序上有所不同,相应地在结构设计上也可以有所区别,但与之相适应的最合理的结构形式均为框架结构或拱形结构。
常见施工方法有整体现浇、全装配、内墙与围护墙组合现浇以及部分装配等。
图"#$#$!明挖框架结构车站(尺寸单位:%%)$&框架结构明挖车站中采用最多的一种形式就是框架结构。
根据功能要求,可以将框架设计成单层、双层、单跨、双跨或多层多跨(图"#$#$)等形式。
侧式车站一般采用双跨结构;岛式车站多采用三跨结构,站台宽度小于等于$’%时站台区宜采用双跨结构,有时也采用单跨结构;在道路狭窄的地段修建地铁车站,也可采用上、下行线重叠的结构。
现代城市的发展对地铁提出了新的要求,在很多情况下地铁车站不再是一个单纯的交通性建筑物,它,与其他构筑物或建筑物合建的例子越来越多。
此时的地铁车站成了这些结构物的基础或基础的一部分,或者成为集交通、餐饮娱乐、购物于一体的地下综合体。
如果做到了统一规划、统一设计、统一施工,不仅可节约建设资金,而且也可以减少施工对城市产生的负效应。
明挖地铁车站框架结构由围护结构和内部构件所组成。
围护结构包括底板、侧墙及顶板等;内部构件包括楼板、梁、柱、内墙及电梯等。
它们共同承受施工和运营期间的内、外部荷载,提供地铁必须的各种使用空间。
构件的形式和尺寸将直接影响车站内部的使用空间和管线布置等,同时也是车站建筑造型的有机组成部分。
图!"#"$%拱形结构地铁车站(尺寸单位:&&)$’拱形结构拱形地铁车站有其特有的建筑艺术效果,苏联采用较多,一般用于站台宽度较窄的单跨单层或单跨双层车站。