地铁车站结构设计
- 格式:doc
- 大小:1.23 MB
- 文档页数:45
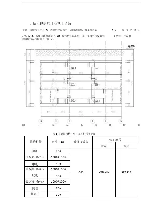
、结构拟定尺寸及基本参数
该项目结构覆土层为3m,结构形式为两层三跨闭合框架,框架柱距为8m,站台层建筑
净高4.5m,站厅层建筑净高4.8m。
结构构件截面尺寸及主要材料强度如表1所示。
车站典
型横断面如下图所示(图1):
图1车站典型横断面
、简化解析计算方法
取轴线方向1m长度闭合框架作为计算简图,柱作为只承受压力的二力杆,不考虑支护
结构影响,竖向地基反力按照竖向静力平衡条件计算确定,不考虑周围土层介质的抗力,按荷载一结构法进行计算;柱截面设计时按照柱距设计和计算轴力综合确定。
工程地质
岩土分层及特性
ur111
-- r
J
mu
ii
nim
111
|.h» L* \ [L 严Y| 1a
-
»
it
W 4 -- ■4■L 午■ !—
…丨LI
图2主体结构计算图式
表
岩土层分类及深度
土层物理、力学参数表
表3各岩土层力学、物理参数
表4荷载计算表
荷载及荷载效应组合
表5荷载组合参数表
荷戦种类纽合永久荷找可变荷St水土圧力人肪荷攪地匿荷iX
1 {基本)1135VL^0.7* 1.413500
\_2(甚本)_n12皆1.400
3 <标准) 1.0 1.0 1.000
4〔准永久) 1.0屮qX 1 -0 1.0Q0
5 <人防) 1.20 1.2 1.00
6 {地怎}L20.5x12「12013
注*甲q为准永久值系数匚YL为町变荷裁君虑投计便用年限的调整家敬。
地铁车站结构设计基本思路地铁车站结构设计的基本思路1、以设计流程为主线,对每⼀个设计环节要掌握:(1)、需搜集的基础资料及如何应⽤这些资料(2)、需要掌握的主要设计规范条⽂以及相应的理论背景(3)、需要掌握的设计计算⼿段及结构分析的⼒学模型,同时要掌握其基本的受⼒特点(4)、与之相关的已有⼯程经验和⼯程实例(5)、需要完成相关设计⽂件,包括设计说明、设计图纸、计算书2、主要依据的规范及技术标准(1)、《地铁设计规范》(GB50157-2003)(2)、《混凝⼟结构设计规范》(GB50010-2002)(3)、《建筑结构荷载规范》(GB50009-2001)2008版(4)、《钢结构设计规范》(GB50017-2003)(5)、《建筑抗震设计规范》(GB50011-2001)2008修订版(6)、《⼈民防空地下室设计规范》(GB50038-2005)(7)、《建筑基坑⽀护技术规程》(JGJ120-99)(8)、《建筑地基基础设计规范》(GB50007-2002)(9)、《地下⼯程防⽔技术规范》(GB50108-2008)(10)⾏业及地⽅的其他相关规程规范、法规标准。
如国家或⾏业的地基处理规范、岩⼟⼯程勘察规范;冶⾦部的基坑规范;可靠度统⼀标准;⼯程建设所在地的地铁规范、基坑规范、地基处理规范、勘察规范、地基基础规范等;(11)、针对所设计⼯程,由总体设计院制定的技术标准、⽂件编制规定、设计⽂件深度与内容规定。
3、地铁车站结构设计的主要内容(1)、基坑⼯程设计(2)、主体结构设计(3)、其他:结构防⽔设计、监测、施⼯场地布置、管线迁改、施⼯中的辅助措施(如围堰、建构筑物的地基加固)等4、地铁车站结构设计的基本流程⼀个地铁车站设计的基本流程可描述如下:(1)、基础资料分析:车站周边环境、建筑、地质、盾构施⼯筹划、总体设计院制定的技术要求和原则、相关专业的提资资料(2)、制定总体结构⽅案:施⼯⽅法及⼯况设定、墙体形式(3)、基坑⼯程设计:环境保护等级及安全性等级、基坑⽅案设计、基坑详细设计、编制设计⽂件(说明、图纸、计算书)(4)、主体结构设计:拟定结构尺⼨、重要性等级、耐久性要求、缝的设置、确定分析模型及结构分析、结构配筋、编制设计⽂件(说明、图纸、计算书)(5)、防⽔设计:设计原则及防⽔等级、全包或半包、标准段、诱导缝处、施⼯缝处5、基础资料分析5.1、车站周边环境及交通组织要求(1)、建筑物(2)、管线(3)、既有轨道交通设施(4)、既有地⾯标⾼(5)、交通组织要求(6)、其他:如铁路、河道(不均匀受⼒)、架空线路(如⾼压线⾛廊等)⽬的:确定基坑的环境保护等级、基坑开挖深度以及基坑的施⼯筹划组织⽅案、施⼯场地布置等。
地铁车站结构设计重点分析摘要:近些年来,伴随着我国经济的发展,交通事业取得了很大的进步,地铁车站的数量越来越多。
作为城市当中不可缺少重要交通枢纽,地铁车站对于城市的发展具有的重要意义,其具有这功能丰富、人流密集等的特点,因此必须要对地铁车站的结构设计引起高度重视。
在对地铁车站进行结构设计的过程中,需要充分考虑到安全性和稳定性等各方面的问题。
本文结合地铁车站设计过程的实际情况,针对地铁车站结构设计中需要注意的问题就行分析,希望能够对我国地铁建设事业的发展带来帮助。
关键词:地铁车站;结构设计;问题1、引言在我国经济发展的过程中,地铁工程发挥了非常重要的作用,其不但投资较大,并且还有着较长的建设周期。
在对地铁车站进行施工的过程中,涉及到了众多的复杂线路及大量的数据。
可以说,针对地铁的建设耗时耗力且关乎着国计民生的重要工程,因此必须要在规划建设的过程中做好对于地铁车站的结构设计,严格依据相关的要求来做好各方面的工作。
通过对地铁车站结构的合理设计,能够确保地铁车站的作用得到更加充分的发挥,这对于我国地铁事业的发展具有重要意义。
2、地铁车站结构设计常见问题2.1周边环境较为复杂建设地铁车站的一个主要目的就是提高城市交通的便利性,避免在城市中出现交通堵塞的问题,因此,在对地铁进行规划建设时,无论是其路线还是站位一般都会选择城市当中比较繁华且人口密集的地方,因此周边的环境非常复杂。
具体来看,其周边往往会涉及到地上电力线路装置、建筑物和地下管线等的各种事物,同时各方面的细部工程也涉及到了众多内容,如在地下管线方面,通常会涉及到污水管、天然气管等。
因此针对地铁车站的结构设计往往要面临复杂的条件,这就要求相关设计人员在进行地铁车站结构设计时,要对这些方面的条件引起高度的重视,避免受到这些方面条件的影响,确保地铁车站结构设计的合理性。
2.2水文条件复杂,地域性特征显著在对地铁车站进行建设的过程中,最为主要的就是地下项目,因此将会受到来自于水文地质环境的直接影响。
地铁车站结构设计车站是旅客上、下车的集散地, 也是列车始发和折返的场所, 是地下铁道路网中的重要建筑。
在使用方面, 车站供旅客乘降, 是旅客集中处所, 故应保证使用方便、安全、迅速进出车站。
为此, 要求车站有良好的通风、照明、卫生设备, 以提供旅客正常的清洁卫生环境。
地下铁道车站又是一种宏伟的建筑物, 它是城市建筑艺术整体的一个有机部分, 一条线路中各站在结构或建筑艺术上都应有独特的特点。
车站设计时, 首先要确定车站在现有城市路网中的确切位置, 这涉及到城市规范和现有地面建筑状况, 地下铁道车站不比地面建筑, 一但修建要改移位置则比较困难, 因此确定车站的位置时, 必须详细调查研究, 作经济技术比较。
车站位置确定后, 进行选型, 然后根据客流及其特点确定车站规模, 平面位置,断面结构形式等。
然后进行车站构造设计, 内力计算, 配筋计算等等。
一、工程概况:长沙市五一广场站设计为两层三跨岛式车站,车站全长,宽度为,上层为站厅层,下层为站台层。
车站底板埋深16m采用明挖法施工,用地下连续墙围护。
二、设计依据:地铁设计规范( GB50157-2003);地铁施工技术规范。
三、地铁车站结构设计设计选用矩形框架结构。
设计为岛式车站,采用两层三跨结构。
地铁车站采用明挖法。
车站其矩形框架由底板、侧墙、顶板和楼板、梁、柱组合而成。
顶板和楼板采用单向板,底板按受力和功能要求,采用以纵梁和侧墙为支承的梁式板结构。
采用地下连续墙和钻孔桩护壁,采用钢管和钢板桩作基坑的临时支护。
临时立柱采用钢管混凝土,柱下基础采用桩基,桩基采用灌注桩。
车站开挖围护结构r=L3.2k N/MC二0耳宁:7戸厂■鬥z3z4z5 £------r=27,0kN.mc=0u地铁车站围护结构采用0.8m厚、30m深地下连续墙,入土深度比为二,其中基坑开挖深度H为16m,入土深度D为14m。
四、侧压力计算:土分层及土的钻孔柱状图如图:图土分层及土的钻孔柱状图(单位,m )362其中 a ......................................................................................................... 主动土压力a .................................................................................. 主动土压力系数.......................................... 沙土的容重Z ....................................... 土层的深度c ........................................ 土的黏聚力各层土压力系数:计算主动土压力:2ctg 2 45 25 0.41 a tg 2 45 30 0.33 tg 2 45 32 0.31 a tg 2 45 34 2 0.26a tg 2 45 0.2236 20.26 xx2C a1= xx = kpa=kpax = kpaxx + x + x 9 + x = kpa各层土压力:kpakpaxx + x 9)= kpa0.26 x x + x 9) kpa23.42 xx + x + x + x + 27 x = kpa由于黏聚力C = 0 ,所以临界深度为0其主动土压力(水土和算)分布图如图所示:图土压力分布图(单位,m简化计算:沙土层 c 的平均直如下:= ______ ih L 13.2 6.5 19.8 2.0 26.7 9 26.5 1.2 27 11.330154.7kpckpa2p tg 45 刁 °31tg 2 45 3.25 a 1.80 也 13・2 25 19・8 30 26・7 32 26・5 34 27 36 32° h i 30五、车站结构分析计算: 车站框架设计车站站台建筑设计长度为134600mm ,车站宽度21800 mm 站台层净高4200 mm 站厅层净高5600 mm ,站台至轨道净高2000 mm 顶板厚800 mm 中板厚400 mm 车站基础厚1000 mm,车站总高 12000 mm车站框架设计图如图所示:0.55X 20 = KN/ m 2X 25 = 20 KN/ m受力分析:① 顶板荷载计算线荷载:20mm 厚水泥沙浆面层: 800mmi 钢筋混凝土板:图车站框架设计图(单位:mm20 mm 厚沙浆抹灰: X 17 = KN/ m2上部填土荷载(从地下4m开始开挖): 4 X = KN/ m2总荷载:KN/ m 线恒荷载设计值(取1m宽度): g = 1 XX :地面活荷载:q = 20 KN/ m 地面活荷载设计值(取1m宽度):q二20 X =28 m总的线荷载:g + q = + 28 = m②中板荷载计算恒载:20mm 厚水泥沙浆面层:X 20 = KN/ m400mm 钢筋混凝土板:X 25 = 10 KN/ m20 mm 厚沙浆抹灰:X17 = KN/ m总荷载:KN/ m线恒荷载设计值(取1m宽度):g = XX 1 = m楼面荷载:KN/ m2线活荷载设计值(取1m宽度):1XX 10 = 14 KN/ m 线活荷载总设计值:g + q = 27 m车站横向荷载为土压力,取1m宽度进行计算,受力分析如图所示:图车站框架受力简图(单位:m等效简化荷载:q 3s 46 221.7 33.85 m)图车站框架等效简化后受力图(单位: m六、横向框架内力计算:计算简图如图所示:q 443 69.1 2 69.1 m)等效简化荷载受力分析如图说示:ql = 110kN/n图竖向均布荷载作用下的横向框架计算简图①第一层杆件计算由于对称性,可取半结构进行计算,计算图如图所示:1 .2 241.5 / mCB _q 1l6 4AB AD 0.5 BA BE9 BC0.2BA图站厅层半结构受力简图—q1l2丄 110.248 7.262483.0KN/m12 12注:铰支座传递系数为;固定端传递系数为,滑动支座传递系数为,假定材料均匀,线刚度与杆件成反比, u为分配系数-61U55B 由力矩分配法计算结果如图:135,BS_ 合图站厅层半结构计算结果② 第二层杆件计算543,4 —4227 271-68 -1E0.7182,&同①取半结构进行分析计算如图:A BEDEHHE1 | 2'3q 211273 3.632 118.60?m/ m*12 659.30?m/mEBEDEG 4 13eh=1 13DA DF1.图站台层半结构受力计算简图—q 2l 2— 27 7.262 118.60 ?m/m12 12A B 计算结果如图所示□.7514.C 5图站台层半结构受力计算结果(单位:kN ?m )由站厅层和站台层受力图画弯矩图,竖向均布荷载作用下的横向3.757.43I-14,8513E ^L757.4360.1-o —d―4A B 框架弯矩图如图所示:图竖向均布荷载作用下的横向框架弯矩图(单位:kN?m )竖向均布荷载(土压力等效简化后)作用下的横向框架计算;同样的取半结构计算,计算简图如图所示:A BCA CEAC —— 1 2q a l1 2 70.5 ?m/m12 121 2 q41 1 69.1 6.842269.4 ?m/m12 121 2 q41538.8 ?m/m3 4AB 0.5BA 0.25 CD CA CE 1 3ECDC0.2DA0.25BD BG 0・5DBDH0.4计算结果如图所示1.1°图竖向荷载和横向荷载作用下的弯矩叠加的弯矩图(单位:kN ?m )S38.§图 横向均布荷载作用下的横向半框架计算结果 (单位:kN ?m ) 将竖向荷载和横向荷载作用下的弯矩叠加,弯矩图如图所示:543.478.8a,870,5-35,5517 Ji^269.iL21.04.6 -4,6158.01L J 6 -gO 3765mm ( 按单1483 ?m ,197.2 ?m ,七、车站配筋计算:站厅层顶板配筋计算f c 14.3 /mm 2 , 取 b=1000mm , h 0 800 35 排布筋考虑 ), 由图知:站厅层顶板的边跨跨中弯矩 中间跨支座弯 2 543.47 ?m , 中间跨跨中弯矩 3 站厅层顶板配筋计算如下表 7-1 示:表 7-1 站厅层顶板配筋计算:0迎200图站厅层顶板配筋图站台层中板配筋计算f c 14.3 /mm 2b=1000mm h 0400 35365mm , 由图知:中板的边跨跨中弯矩1 70.5 ?m,中间跨支座 2 121.0 ?m ,中间跨跨中弯矩 3 64.7 ?m ,站台层中板配筋计算表如表 7-2 所示:表7-2站台层中板配筋计算表截面位置边跨跨中中间跨支座中间跨跨中M1*25^2001厂■Sn2 '^20®2C r>©200025 @200「— i i11■2 1勺2?⑪200^22MC0sMf c bh 21s 21 J 12 sA sM656 1143 602s h 0f y实配钢筋 2 22 @ 200 4 22@200 2 22 @ 200( m m 2 ) 760 1520 760图站台层顶板配筋图^22 @200 ^2 2 ©200$2Eg2O站厅层顶板次、主梁配筋计算(1)站厅层次梁配筋计算:次梁截面尺寸b x h= 600 x 1200mr rnm2l=7260mm①荷载计算恒载由板传来:x = KN/m次梁自重:2x 25xx KN/m次梁抹灰:17xx x2= KN/m总恒荷载:g = m活荷载:q=28 x =70 KN/m 总荷载:g + q = KN/m②内力计算主梁尺寸:bx h=800mmx 1600计算跨度:边跨l01 7106mm 中间跨l02 7260 mm由跨度差7260 7160 1.37 % < 10 %7260故可按等跨连续梁计算。
地铁车站压顶梁结构设计摘要:在地铁结构设计时,若车站抗浮不满足要求,会优先考虑设置压顶梁抗浮型式。
该型式利用围护结构参与抗浮、节省工程投资,且施工简便、抗浮性能可靠,在工程中广泛使用。
本文主要探讨压顶梁受力计算及相关设计。
关键词:压顶梁;抗浮;受力分析;计算一、压顶梁设置范围及连接节点压顶梁设置在顶板上,沿车站全长布置,与顶板间200高为混凝土填充,压顶梁与顶板、填充混凝土均采用C35混凝土。
压顶梁尺寸为800mmx800mm。
车站先施工地墙,地墙内预埋钢筋接驳器,随后施工顶板,再施工压顶梁及混凝土填充。
压顶梁与地墙采用钢筋接驳器连接。
图一压顶梁布置剖面图图二压顶梁与地墙连接剖面图图三压顶梁配筋断面图二、压顶梁受力分析本次计算采用某地铁车站断面进行抗浮计算,车站信息如下:车站覆土厚度:2.85m,顶板厚0.8m,顶板梁0.9x2m,中板厚0.4m,中板梁0.9x1m,底板厚0.9m,底板梁1.1x2.2m,柱子0.8x1.2m,柱跨为9m,侧墙宽0.7m,车站总高度13.85m,总宽度20.7m,地墙长度为32.5m。
抗浮计算过程如下:K1=(2.85*20*20.7+25*19.3*(0.8+0.4+0.9)+20*19.3*0.15*2+25*(0.9*(2-0.8)+0.9*(1-0.4)+1.1*(2.2-0.9)+0.8*1.2*(13.85-0.8-0.4-0.9)/9+0.7*13.85*2+0.8*0.8*2)+15*32.5*0.8*2+0.3*0.9/2*6)/(10*20.3*(2.8 5+13.85-0.5))=1.13>1.1,满足要求。
每侧单位长度压顶梁所受剪力V=(单位长度水反力X1.1-单位长度结构自重-单位长度覆土重)/2=327.7KN。
压顶梁受地墙参与抗浮传来的剪力及由剪力引起的弯矩。
剪力设计值V1=1.1X1.25V=450.6KN弯矩设计值M1=1.1X1.25(VH)=1.1X1.25X(327.7X0.4)=180.3KN.M三、压顶梁结构设计3.1 正截面承载力验算1)构件编号:压顶梁2)设计依据《混凝土结构设计规范》 GB50010-20103)计算信息1. 几何参数截面类型: 矩形截面宽度: b=1000mm截面高度: h=800mm2. 材料信息混凝土等级:C35fc=16.7N/mm2ft=1.57N/mm2钢筋种类:HRB400fy=360N/mm2最小配筋率:ρmin=0.200%纵筋合力点至近边距离: as=50mm3. 受力信息M=180.300kN*m4. 设计参数结构重要性系数: γo=1.14)计算过程1. 计算截面有效高度ho=h-as=800-50=750mm2. 计算相对界限受压区高度ξb=β1/(1+fy/(Es*εcu))=0.80/(1+360/(2.0*105*0.0033))=0.5183. 确定计算系数αs=γo*M/(α1*fc*b*ho*ho)=1.1*180.300*106/(1.0*16.7*1000*750*750)= 0.0214. 计算相对受压区高度ξ=1-sqrt(1-2αs)=1-sqrt(1-2*0.021)=0.021≤ξb=0.518满足要求。
地铁车站结构设计与施工要点地铁车站的结构设计与施工是建造一个安全、高效的地下交通枢纽的重要环节。
下面将从设计、施工两个方面探讨地铁车站结构的要点和注意事项。
设计要点:1. 地质勘察:地质勘察是地铁车站设计的首要步骤,需要充分了解地下土层的性质、地下水位、构造裂缝等信息。
通过对地质条件的准确把握,可以选取合适的结构形式和施工方法。
2. 车站布局:地铁车站布局应考虑乘客的便利性和疏散安全性。
设计中要合理划分进出站通道、候车区、站台等功能区域,同时要预留足够的疏散通道和安全出口,确保乘客在紧急情况下的快速撤离。
3. 结构安全:地铁车站结构应具备足够的承载能力和抗震性能。
在设计中,需要考虑地下水位、施工荷载、地震等外部力的作用,合理选择结构形式和采用高强度材料。
此外,还要设置合理的防火、防爆措施,确保车站在突发事故中能够保持结构的稳定。
4. 通风与采光:地铁车站通风与采光是保障车站内空气质量和乘客舒适度的重要因素。
设计中需要合理设置通风系统和天窗,以供给新鲜空气和自然光线。
同时,要考虑排烟和排湿的能力,保证车站内的环境舒适和乘客的安全。
5. 消防设施:地铁车站的消防设施是保障乘客安全的一项重要措施。
设计中需要合理设置消防通道、灭火器、喷淋系统等设施,并进行合理布局,方便人员疏散和火灾扑灭。
施工要点:1. 地下施工:地铁车站通常是在地下进行施工的,需要合理选择施工方法和工艺。
常见的施工方法有明挖法和暗挖法。
在施工过程中,要注意与周围建筑和地下管线的相互影响,采取适当的支护措施和安全防护措施,确保施工的平稳进行。
2. 结构施工:地铁车站的结构施工涉及混凝土浇筑、钢筋绑扎、模板搭设等工序。
在施工中,要按照设计要求进行材料选择和构件制作,保证结构的质量和安全。
3. 设备安装:地铁车站的设备安装包括电梯、扶梯、通风系统、照明系统等。
在施工过程中,要严格按照施工图纸进行设备的安装和调试,确保设备的正常运行和乘客的使用安全。
地铁车站建筑设计
1) 站厅层
公共区装修后地坪面至结构顶板底面净高:4500mm
公共区装修后净高:≥3000mm
公共区地坪装修层厚度:150mm
内部管理区走道净宽:(单面布置)≥1200mm (双面布置)≥1500mm
内部管理区用房区净高:≥2400mm
2)站台层
岛式车站站台宽度:10400mm
线路中心线至站台边缘:1600mm
岛式站台侧站台宽度(有柱时):≥2500mm
线路中心线至侧墙净距:2250mm
站台层装修后净高:≥3000mm
轨面至轨行区结构底板:560—620mm
地坪装修层厚度:100mm
地坪装修面至结构中板底面净高: 4400mm
站台层装修面至轨顶面高:1080mm
有效站台总长:140400mm
屏蔽门长度:135500mm
2) 地下三层
地下三层为15号线站台层,预留与未来15号线站台接口条件。
②车站规模
1) 车站面积
本站为地下三层15m岛式站台车站,车站的总建筑面积为21899.1m2,其中:车站主体建筑面积为18390.9m2 ;车站附属建筑面积为3508.2m2 ;站厅层建筑面积为9012m 2;站台层建筑面积为9012m2 ;地下三层建筑面积为366.9 m 2.
2) 站台形式及宽度
站台为岛式站台,宽度为10.0m。
3) 车站外包尺寸
车站总长504.4m(不含围护结构),车站标准段总宽18.9m。
地铁车站及区间结构设计流程一、车站:1、提资提资包括初步设计资料、建筑施工图、专家评审意见、地质与物探报告等。
提资时应先核对资料的准确性与可用性,发现问题及时与提资单位沟通。
2、任务计划编排熟悉资料后应根据实际情况做好任务计划编排,包括参与人员、各成员任务划分以及完成的时间节点。
2.1 车站图纸主要组成内容2.1.1 围护结构1)围护结构形式的选择地下两层车站主体基坑深度一般在16米以上,一般常用800厚地下连续墙,在地质较好地区也有用钻孔咬合桩(如南京)、钻孔灌注桩(如南京、沈阳)等,桩径可取800、1000。
地下三层车站一般基坑深度在22m以上,采用地下连续墙,墙厚在1000以上。
车站附属结构标准段基坑深度一般在10m左右,围护结构形式可采用钻孔灌注桩或SMW工法桩。
部分城市施工图技术要求中提到:一般当基坑深度≥13m时宜采用地下连续墙;当基坑深度<13m时可采取钻孔灌注桩、钻孔咬合桩及SMW工法桩等型式的围护结构)2)围护结构计算根据各单位要求采取相应的计算方法。
采取的软件涉及同济启明星(或理正基坑)、sap2000等,通过计算确定围护结构型式、尺寸、支撑型式、加固方法等等。
计算是指导设计的前提,必须提前准备并适时反馈,及时验算。
3)设计图纸内容一般包含:总平图,基坑平面布置图、纵断面图、横断面图、围护结构配筋图、节点大样图、地基加固图、临时施工措施图及施工监测图等。
对于与内衬墙形成叠合结构的地下连续墙,还应该有预留主体结构钢筋接驳器布置图。
基坑平面图设计时需注意以下几点:应与支撑一并考虑,避免支撑过疏或过密,同时用给临时支撑构件预留位置。
综合考虑交通组织、附属部分及结构构造方面的要求(如诱导缝)。
以地连墙围护为例:首先确定诱导缝位置,诱导缝布置时不仅要考虑间距(24m即3跨左右),同时亦要考虑避开出入口、孔洞以及内部大型电气设施用房(如大型机电、开关柜等高压设备区域等),分幅时注意将分幅线与诱导缝对齐。
地铁车站结构设计地铁车站是城市地铁系统的关键组成部分,其设计应充分考虑到安全、便利和美观等方面。
本文将从站点选址、站厅设计、站台设计和出入口设计等角度,对地铁车站的结构设计进行详细阐述。
1.站点选址地铁车站的选址应考虑以下因素:-人口密度:选址应与人口密集区接近,方便乘客出入。
此外,还要考虑未来城市发展的规划,以确保选址能够满足未来需求。
-交通便捷性:车站附近应有公交站点和停车场,方便乘客换乘和停车。
-地质条件:选址要避免地质灾害和地下水问题,以保证车站的稳定性和安全性。
2.站厅设计站厅是地铁车站的核心区域,应具备以下特点:-宽敞明亮:站厅应设计为宽敞明亮的空间,以提供足够的运营空间和方便的视觉导向。
-分区布局:站厅应划分出清票区、安检区、候车区等不同功能区域,以便乘客可以有序地进行票务和安全检查。
-通风系统:站厅应配置良好的通风系统,确保空气的流通和乘客的舒适。
3.站台设计站台是乘客上下车和换乘的区域,其设计应满足以下要求:-宽度和长度:站台宽度应足够以容纳客流高峰时的乘客,并提供充足的上下车空间。
站台长度应根据列车的长度来确定,以便保证列车的完全停靠。
-安全设施:站台应设有防护门和安全栏杆,以保证乘客的安全,并防止乘客进行危险行为。
此外,站台上还应设有紧急广播和紧急出口,以应对突发情况。
-无障碍设施:站台应设有无障碍通道、盲道和轮椅航道,以方便残障乘客的使用。
4.出入口设计出入口是地铁车站与城市道路和交通网络相连接的区域,其设计应具备以下特点:-就近性:出入口应就近于周边居民区和商业区,以提供方便快捷的出行服务。
-多元交通接驳:出入口应与公交站点、停车场和自行车停车场相连接,以满足乘客的多样化交通需求。
-安全和流畅性:出入口应设置适当的安全设施,如监控摄像头和安保人员。
此外,还应考虑到乘客的流量,并设置合理的通道和通行方式,以保证出入口的流畅。
综上所述,地铁车站的结构设计应兼顾安全、便利和美观等方面的要求。
第一章!地铁工程结构形式及设计原则第一节!地铁车站的结构形式地铁车站除提供列车通行外,还要具有集散旅客的功能。
地铁车站结构一般应具有较大的跨度以提供站台、疏散、通风和其他服务空间。
车站结构形式的选择应在满足功能要求的前提下,兼顾经济和美观,力图创造出与交通建筑相协调的气氛。
一、明(盖)挖法施工的车站结构形式明挖法和盖挖法在施工方法和顺序上有所不同,相应地在结构设计上也可以有所区别,但与之相适应的最合理的结构形式均为框架结构或拱形结构。
常见施工方法有整体现浇、全装配、内墙与围护墙组合现浇以及部分装配等。
图"#$#$!明挖框架结构车站(尺寸单位:%%)$&框架结构明挖车站中采用最多的一种形式就是框架结构。
根据功能要求,可以将框架设计成单层、双层、单跨、双跨或多层多跨(图"#$#$)等形式。
侧式车站一般采用双跨结构;岛式车站多采用三跨结构,站台宽度小于等于$’%时站台区宜采用双跨结构,有时也采用单跨结构;在道路狭窄的地段修建地铁车站,也可采用上、下行线重叠的结构。
现代城市的发展对地铁提出了新的要求,在很多情况下地铁车站不再是一个单纯的交通性建筑物,它,与其他构筑物或建筑物合建的例子越来越多。
此时的地铁车站成了这些结构物的基础或基础的一部分,或者成为集交通、餐饮娱乐、购物于一体的地下综合体。
如果做到了统一规划、统一设计、统一施工,不仅可节约建设资金,而且也可以减少施工对城市产生的负效应。
明挖地铁车站框架结构由围护结构和内部构件所组成。
围护结构包括底板、侧墙及顶板等;内部构件包括楼板、梁、柱、内墙及电梯等。
它们共同承受施工和运营期间的内、外部荷载,提供地铁必须的各种使用空间。
构件的形式和尺寸将直接影响车站内部的使用空间和管线布置等,同时也是车站建筑造型的有机组成部分。
图!"#"$%拱形结构地铁车站(尺寸单位:&&)$’拱形结构拱形地铁车站有其特有的建筑艺术效果,苏联采用较多,一般用于站台宽度较窄的单跨单层或单跨双层车站。
车站构造一般规定1.哈尔滨市轨道交通1号线四期工程沿线车站均为地下站,车站构造设计应从各自旳建设条件出发,根据都市规划、线路埋深、建筑布置、施工环境、工程水文地质,以及冬季气候等自然条件,按照工程筹划旳规定,考虑相邻区间隧道施工工艺和站址地面交通组织旳解决方式,本着既遵循技术先进,又安全、可靠、合用、经济旳原则选择构造型式和施工措施。
2.车站构造应根据选择旳构造型式、施工措施、荷载特性、耐火等级等条件进行设计,满足强度、刚度、稳定性规定,并根据拟定旳环境类别、环境作用等级、设计使用年限等原则进行耐久性设计,满足抗裂、防水、防腐蚀、防灾等规定。
3.车站构造要满足车站建筑、设备安装、行车运营、施工工艺、环保等规定,保证车站旳正常使用,达到总体规划设计旳规定,同步,考虑都市规划引起周边环境旳变化对构造旳作用。
4.车站构造旳净空尺寸应满足地铁建筑限界以及建筑设计、相邻区间施工工艺和其他使用功能旳规定。
尚应考虑施工误差、测量误差、构造变形和后期沉降等因素旳影响,其值根据地质条件、埋设深度、荷载、构造类型、施工工序等条件并参照类似工程旳实测值加以拟定。
5.车站构造应具有足够旳纵向刚度,并满足地铁长期运营条件下对构造纵向抗裂及抗差别沉降旳规定。
换乘车站构造设计应充足考虑上述规定,以减少换乘车站续建工程对已建车站构造旳影响。
6.构造设计应以现行国家旳有关勘察规范拟定旳内容和范畴,考虑不同施工措施对地质勘探旳特殊规定,通过施工中对地层旳观测反馈进行验证。
其中暗挖构造旳围岩分级按现行《铁路隧道设计规范》(TB10003)拟定。
7.对于基坑法、浅埋暗挖法等不同型式旳车站构造计算模型应符合实际工况条件,并根据具体状况选用与其相符或相近旳现行国家有效规范、规程和原则进行设计。
8.车站抗震设计应根据本地政府主管部门批准旳抗震设防烈度,按照有关规范进行设计。
9.车站按照本地政府主管部门批准旳六级人防原则设防,保证地下车站在规定旳人防设防区段具有战时防护和平战转换功能。
地铁车站结构设计车站是旅客上、下车的集散地, 也是列车始发和折返的场所, 是地下铁道路网中的重要建筑。
在使用方面, 车站供旅客乘降, 是旅客集中处所, 故应保证使用方便、安全、迅速进出车站。
为此, 要求车站有良好的通风、照明、卫生设备, 以提供旅客正常的清洁卫生环境。
地下铁道车站又是一种宏伟的建筑物, 它是城市建筑艺术整体的一个有机部分, 一条线路中各站在结构或建筑艺术上都应有独特的特点。
车站设计时, 首先要确定车站在现有城市路网中的确切位置, 这涉及到城市规范和现有地面建筑状况, 地下铁道车站不比地面建筑, 一但修建要改移位置则比较困难, 因此确定车站的位置时,必须详细调查研究, 作经济技术比较。
车站位置确定后, 进行选型, 然后根据客流及其特点确定车站规模, 平面位置,断面结构形式等。
然后进行车站构造设计, 内力计算, 配筋计算等等。
一、工程概况:长沙市五一广场站设计为两层三跨岛式车站,车站全长134.6m,宽度为21.8m,上层为站厅层,下层为站台层。
车站底板埋深16m,采用明挖法施工,用地下连续墙围护。
二、设计依据:地铁设计规范(GB50157-2003);地铁施工技术规范。
三、地铁车站结构设计3.1 设计选用矩形框架结构。
设计为岛式车站,采用两层三跨结构。
地铁车站采用明挖法。
车站其矩形框架由底板、侧墙、顶板和楼板、梁、柱组合而成。
顶板和楼板采用单向板,底板按受力和功能要求,采用以纵梁和侧墙为支承的梁式板结构。
采用地下连续墙和钻孔桩护壁,采用钢管和钢板桩作基坑的临时支护。
临时立柱采用钢管混凝土,柱下基础采用桩基,桩基采用灌注桩。
3.2 车站开挖围护结构地铁车站围护结构采用0.8m厚、30m深地下连续墙,入土深度比为 =0.875,其中基坑开挖深度H 为16m,入土深度D为14m 。
四、侧压力计算:土分层及土的钻孔柱状图如图4.1:图4.1土分层及土的钻孔柱状图(单位,m)计算主动土压力: a a a c K -Z K =P 2γ其中 a P ………………………主动土压力a K ………………………主动土压力系数γ………………………沙土的容重Z ………………………土层的深度c ………………………土的黏聚力各层土压力系数:1Z : 41.0225452=⎪⎭⎫ ⎝⎛-=K tg a 2Z : 33.0230452=⎪⎭⎫ ⎝⎛-=K tg a 3Z :31.0232452=⎪⎭⎫ ⎝⎛-=K tg a 4Z :26.0234452=⎪⎭⎫ ⎝⎛-=K tg a5Z :22.0236452=⎪⎭⎫ ⎝⎛-=K tg a 各层土压力:a : 02=K -Z K =P a a a c γb : 1Z K =P γa b 上=0.41×13.2×6.5=35.2 kpa=Z K =P 2γa b 下0.33×13.2×6.5=28.3 kpac : =Z K =P 2γa c 上0.33×(13.2×6.5 + 19.8×2.0)=41.4 kpa=Z K =P 3γa c 下0.31×(13.2×6.5 + 19.8×2.0)=38.9 kpad :=Z K =P 3γa d 上0.31×(13.2×6.5 + 19.8×2.0 + 26.7×9)=113.4 kpa 26.04=BZ K =P γa d 下×(13.2×6.5 + 19.8×2.0 + 26.7×9)=95.1 kpae :26.04=Z K =P γ上e ×(13.2×6.5 + 19.8×2.0 + 26.7×9 + 26.5×1.2)=103.5 kpa=Z K =P 5γa e 下0.22×(13.2×6.5 + 19.8×2.0 + 26.7×9 + 26.5×1.2)=87.6 kpaf :=P f 0.22×(13.2×6.5 + 19.8×2.0 + 26.7×9.0 + 26.5×1.2 + 27×11.3)=154.7 kpa由于黏聚力C = 0 ,所以临界深度为0 。
其主动土压力(水土和算)分布图如图4.2所示:图4.2土压力分布图(单位,m )简化计算:沙土层ϕγ⋅⋅c 的平均直如下:γ =42.23303.11272.15.2697.260.28.195.62.13=⨯+⨯+⨯+⨯+⨯=∑∑i i i h h γ kpa C = 0032303627345.26327.26308.19252.13=⨯+⨯+⨯+⨯+⨯==∑∑i i i h h ϕϕ31.02452=⎪⎪⎭⎫ ⎝⎛-=K ϕtg p 55.0=K p25.32452=⎪⎪⎭⎫ ⎝⎛+=K ϕtg a 80.1=K a五、车站结构分析计算:5.1 车站框架设计车站站台建筑设计长度为134600mm , 车站宽度21800 mm ,站台层净高4200 mm , 站厅层净高5600 mm , 站台至轨道净高2000 mm ,顶板厚800 mm ,中板厚400 mm 车站基础厚1000 mm, 车站总高12000 mm 。
车站框架设计图如图5.1所示:图5.1车站框架设计图(单位:mm )5.2受力分析:①顶板荷载计算线荷载:20mm厚水泥沙浆面层: 0.02×20 = 0.4 KN/㎡800mm钢筋混凝土板: 0.8×25 = 20 KN/㎡20 mm厚沙浆抹灰: 0.02×17 = 0.34 KN/㎡上部填土荷载(从地下4m开始开挖): 4×13.2 = 52.8 KN/㎡总荷载: 73.54 KN/㎡线恒荷载设计值(取1m宽度): g = 1×1.2×73.54 =88.248 KN.m/m地面活荷载: q = 20 KN/㎡地面活荷载设计值(取1m宽度): q = 20×1.4 =28 KN.m/m总的线荷载: g + q = 110.248 + 28 =110.248 KN.m/m②中板荷载计算恒载:20mm厚水泥沙浆面层: 0.02×20 = 0.4 KN/㎡400mm钢筋混凝土板: 0.4×25 = 10 KN/㎡20 mm厚沙浆抹灰: 0.02×17 = 0.34 KN/㎡总荷载: 10.74 KN/㎡线恒荷载设计值(取1m宽度): g = 1.2× 10.74×1 = 13.0 KN.m/m楼面荷载: 10.0 KN/㎡线活荷载设计值(取1m宽度):1×1.4×10 = 14 KN/㎡线活荷载总设计值: g + q = 27 KN.m/m车站横向荷载为土压力 , 取1m 宽度进行计算 ,受力分析如图5.2所示:图5.2 车站框架受力简图(单位:m )等效简化荷载:85.3327.21463+=s q (KN.m/m)1.6921.69434=+=q (KN.m/m) 等效简化荷载受力分析如图5.3说示:图5.3车站框架等效简化后受力图(单位:m )六、横向框架内力计算:计算简图如图6.1所示:图6.1竖向均布荷载作用下的横向框架计算简图①第一层杆件计算由于对称性, 可取半结构进行计算, 计算图如图6.2所示:图6.2 站厅层半结构受力简图m KN l q AB BA /0.48326.7248.110121121221=⨯⨯==M -=M 22163.3248.1103131⨯⨯-=-=M l q BC =-483.0 m /KN m l q CB /5.2416121KN -=-=M 5.0==AD AB μμ 94==BE BA μμ 2.0=BC μ注:铰支座传递系数为1.0;固定端传递系数为0.5,滑动支座传递系数为-1.0,假定材料均匀,线刚度与杆件成反比,u 为分配系数。
由力矩分配法计算结果如图6.3:图6.3 站厅层半结构计算结果② 第二层杆件计算同①取半结构进行分析计算如图6.4:图6.4站台层半结构受力计算简图m m l q DE ED /60.11826.727121121222•KN =⨯⨯==M -=M m m l q EH /60.11863.3273131222'•KM -=⨯⨯-=-=Mm m l q HE/30.596122•KN -=-=M134===EG ED EB μμμ eh μ=131 31==DF DA μμ计算结果如图6.5所示:kN•)图6.5站台层半结构受力计算结果(单位:m由站厅层和站台层受力图画弯矩图,竖向均布荷载作用下的横向框架弯矩图如图6.6所示:kN•)图6.6竖向均布荷载作用下的横向框架弯矩图6.6 (单位:m竖向均布荷载(土压力等效简化后)作用下的横向框架计算;同样的取半结构计算, 计算简图如图6.7所示:m m l q AC CA /5.70585.33121121223•KN -=⨯⨯==M -=M m m l q CE/4.26984.61.69121121224•KN -=⨯⨯-=⨯-=M m m l q EC/8.5383124•KN -=-=M5.0==AB AC μμ 25.0=BA μ 31===CE CA CD μμμ 2.0===DA DC DB μμμ 25.0=BD μ 5.0=BG μ 4.0=DH μ计算结果如图6.8所示:图6.8 横向均布荷载作用下的横向半框架计算结果 (单位:m kN •)将竖向荷载和横向荷载作用下的弯矩叠加,弯矩图如图 6.9所示:kN•)图6.9竖向荷载和横向荷载作用下的弯矩叠加的弯矩图(单位:m七、车站配筋计算: 7.1 站厅层顶板配筋计算2/3.14mm f c N = , 取b=1000mm , mm h 765358000=-=(按单排布筋考虑), 由图6.9 知:站厅层顶板的边跨跨中弯矩m •KN =M 4831, 中间跨支座弯m •KN =M 47.5432, 中间跨跨中弯矩m •KN =M 2.1973, 站厅层顶板配筋计算如下表7-1示:表7-1站厅层顶板配筋计算:截面位置边跨跨中 中间跨支座 中间跨跨中 M482 543.47 197.2 2c s bh f M=α 0.0580.065 0.024 ()s s 21121α-+=γ 0.97 0.966 0.988 y0s s f h MA γ=21702452870实配钢筋 (2mm )255Φ@2002454 255Φ@2002454 203Φ@200942图7.1站厅层顶板配筋图7.2站台层中板配筋计算2/3.14mm f c N = b=1000mm mm h 365354000=-= , 由图6.9知:中板的边跨跨中弯矩m •KN =M 5.701 , 中间跨支座m •KN =M 0.1212, 中间跨跨中弯矩m •KN =M 7.643 , 站台层中板配筋计算表如表7-2所示:表7-2站台层中板配筋计算表截面位置边跨跨中 中间跨支座 中间跨跨中M70.5 121.0 64.7 2c s bh f M=α 0.0370.064 0.034 ()s s 21121α-+=γ 0.982 0.967 0.983 y0s s f h MA γ=6561143602实配钢筋 (2mm )222Φ@200760224Φ@2001520 222Φ@200760图7.2站台层顶板配筋图7.3站厅层顶板次、主梁配筋计算(1) 站厅层次梁配筋计算:次梁截面尺寸 b×h= 600×1200mm2mm l=7260mm①荷载计算恒载由板传来: 88.248×2.5 = 220.6 KN/m次梁自重:2×25×0.6×(1.2-0.8)=12 KN/m次梁抹灰: 17×0.02×(1.2-0.8) ×2= 0.027 KN/m 总恒荷载: g = 232.627KN/m活荷载: q=28×2.5=70 KN/m总荷载:g + q =302.7 KN/m②内力计算主梁尺寸:b×h=800mm×1600计算跨度:边跨 mm l 710601= 中间跨 mm l 726002= 由跨度差37.1726071607260=-﹪ < 10﹪故可按等跨连续梁计算。