第四章地表形态的塑造知识点总结
- 格式:doc
- 大小:56.00 KB
- 文档页数:2
第四章地表形态的塑造(重点!)【复习知识点】一、营造地表形态的力量(考试要求:A)1)地质作用:按能量来源不同,分为内力作用和外力作用内力作用:地震、火山爆发、地壳运动、变质作用外力作用:风化、侵蚀、搬运、沉积,泥石流、滑坡、山崩2)地壳运动的基本形式及其对地貌的影响地壳运动对地表形态的影响两者的关系水平运动形成褶皱山系,如裂谷和海洋,东非大裂谷,大西洋的形成以水平运动为主,垂直运动为辅垂直运动引起地表高低不平和海陆变迁3)板块构造学说的基本论点(1) 全球岩石圈共分为六大板块(课本63页图3。
11)(2)板块处于不断运动之中,板块内部比较稳定,板块交界地带地壳活跃多火山,地震等(3)板块张裂地带常形成裂谷或海洋,如东非大裂谷,大西洋,在板块相撞挤压地带,常形成山脉,当大洋与大陆板块相撞时,形成海沟、岛弧、海岸山脉,当大陆与大陆板块相撞时形成巨大的褶皱山脉4)外力作用与地貌侵蚀搬运堆积流水作用:冲刷地表,如黄土高原千沟万壑的地貌,流水使谷地加深加宽搬运侵蚀后的产物,如流沙流速降低,泥沙逐渐沉积流沙堆积形成山前冲积扇,河流中下游冲积平原、河口三角洲风力作用:风蚀沟谷、风蚀洼地形成戈壁、荒漠风沙堆积形成沙丘、沙垄、沙漠边缘黄土堆积,如黄土高原5)岩石圈物质循环岩浆岩: 分为侵入岩(如花岗岩—-长石、石英、云母组成)和喷出岩(如玄武岩)沉积岩:由外力作用形成;如石灰岩;形成岩层(其中往往有化石) 石灰岩是烧石灰和制水泥的重要原料变质岩:如大理岩(主要由方解石组成,是优良的建材和装饰材料)地壳物质的循环:从岩浆到形成各种岩石,又到新的岩浆的产生,这一过程就是地壳物质循环二、山地的形成(考试要求:A)(1)地质构造的概念:由于地壳运动引起地壳变形变位(2)常见的地质构造及构造地貌褶皱岩层形态未侵蚀的地表形态侵蚀后的地表形态与人类生产关系背斜一般是岩层向上拱起成为山岭不少背斜顶部受张力,常被侵蚀成谷地储油构造向斜一般是岩层向下弯曲成为谷地不少向斜受挤压不易被侵蚀成为山岭储存地下水断层沿断裂面两侧岩块错位东非大裂谷、华山北坡大断崖;上升岩块:华山、庐山、泰山,下降岩块:渭河平原、汾河谷地、鄱阳湖。
第四章地表形态的形成【知识体系】水平运动垂直运动风化侵蚀搬运堆积火山形成组成:火山口、火山锥断块山概念组合:相对下降的岩体—谷地或低地相对上升的岩体—山岭或高地山岳对交通运输的影响对交通运输方式选择的影响:以公路为主对线路分布的影响:主要分布在山间盆地和河谷地带对延伸方向的影响:迂回前进,弯曲程度大,呈“之”字形河流侵蚀地貌河流地貌对聚落分布的影响高原地区:聚落分布在河漫滩平原上,呈带状山区:聚落多分布在冲积扇、洪积扇和河漫滩平原上,呈条带状河流地貌的发育概念形成河流堆积地貌概念典型地貌:冲积平原外力作用作用方式地表形态的塑造岩石圈的物质循环岩浆活动变质作用营造地表形态的力量内力作用能量来源:来自地球内部,主要是放射性元素衰变产生的热能表现地壳运动山岳的形成类型褶皱山概念形态:背斜、向斜能量源一、单项选择下图是“某地地质剖面图”,读图回答下题:1.图中内外力作用发生的先后顺序依次是()A.褶皱、岩浆喷出、沉积、岩浆侵入、断裂B.断裂、褶皱、岩浆喷出、沉积、岩浆侵入C.岩浆喷出、褶皱、沉积、岩浆侵入、断裂D.褶皱、岩浆侵入、岩浆喷出、沉积、断裂下图中甲为某区域示意图,乙是甲中P地河谷及其附近的地质剖面图,P地河谷剖面的形成与地转偏向力的作用有关。
读图回答:2.河谷处的地质构造为A.向斜B.背斜C.断层D.裂隙2010年8月,“中国丹霞”被正式列入《世界遗产名录》。
甲图为广东丹霞山地貌景观,图示山体主要是由红色砂砾岩构成。
乙图为地质循环示意图。
读图回答3-4题。
3.甲图中的岩石类型及其形成的地质作用对应于乙图中的A.b ①B.a ②C.e ③D.d ④4.有关甲图中岩石类型的相关叙述正确的是①形成于比较湿热的气候环境②受高温高压变质形成③受流水的强烈侵蚀切割④经历了地壳的升降运动A.①②③B.②③④C.①②④D.①③④分析材料一、材料二,根据所学知识完成5~7题。
材料一气候是地貌形成的重要因素之一。
第四章:地表形态的塑造第一节:营造地表形态的力量一、地质作用1、定义:地球上由于自然界的原因,引起地表形态、组成物质和内部结构发生变化的作用。
2、能量来源分类:种类主要能量来源表现形式影响地表形态速度内力作用地球内部的热能(地球内部放射性元素的衰变)地壳运动、岩浆活动、变质作用高低起伏,形成高山和盆地快速:火山喷发或地震缓慢:喜马拉雅山脉的形成奠定了地表形态的基本格局,总的趋势使地表高低起伏。
外力作用太阳能风化、侵蚀、搬运、沉积、固结成岩削高填低,使地表趋于平坦定义——地球表面的风、流水、冰川、生物等引起地表形态的变化,它们统称为外力作用。
不断对地表进行破坏,使地表起伏状况趋于平缓同时存在、同时起作用(1)地壳运动的两种形式分类水平运动垂直运动岩层运动方向平行于地球表面垂直于地球表面对岩层的影响使地壳物质水平位移,岩层发生弯曲使地壳抬升或下沉对地形的影响1常常形成巨大的褶皱山系:如喜马拉雅山2水平断裂,形成断裂带:如东非大裂谷3海洋:大西洋的扩张引起地势的高低起伏和海陆变迁,形成高原、断块山及盆地:青藏高原、华山、台湾海峡相互关系①水平运动为主,垂直运动为辅,两者相伴发生②在不同区域和不同时期,以某一种运动为主③全球而言,水平运动为主,垂直运动为辅。
(2)风化作用:岩石是热的不良导体,温度变化使岩石表里受热不均,膨胀和收缩差异容易使岩石崩解破碎。
在水、温度及生物等的的影响下,地表或接近地表的岩石经常发生崩解或破碎,形成许多大小不等的岩石碎块或砂粒。
为其他外力作用创造条件。
(3)侵蚀作用:运动着的水、冰川、空气对岩石及其风化产物进行破坏的作用。
包括以下四种:流水侵蚀,使谷底、河床加宽加深,使坡面趋于破碎;风力侵蚀,形成风蚀洼地、风蚀柱、风蚀蘑菇等;冰川侵蚀,形成冰斗、角峰、U 形谷;海浪侵蚀,形成海蚀陡崖等。
(3)搬运作用:为堆积地貌的发育输送大量物质。
搬运介质:风、流水、冰川、波浪等 (4)堆积作用:在搬运的途中,由于外力减弱或遇到障碍物导致物质逐渐沉积。
第四章地表形态的塑造知识点(1)内力作用能量来源(2)内力作用的形式、意义(3)外力作用能量来源、分类(4)外力作用的形式、意义(5)地貌的类型(风力的地貌、流水地貌、海洋地貌、冰川地貌)(6)三大类岩石及岩石圈物质的循环(7)向斜、背斜的区分及其意义(8)世界大的褶皱山系(9)板块构造学说的内容(六大板块名称、运动的形式)(10)断层的定义、我国断层地貌的例子(地垒与地堑)(11)火山的构造、火山的例子(12)山地对交通运输的影响(13)河流的侵蚀地貌(14)河流的堆积地貌(15)河流地貌对聚落分布的影响第四章单元习题一、选择题(每小题4分,共60分)地质作用包括内力作用和外力作用,对地表形态会产生重大影响。
读黄土高原和狮身人面像图,完成1~2题。
1.“千沟万壑、支离破碎”是黄土高原现今地表形态的典型写照,其成因主要是()A.风力侵蚀B.风化作用C.流水侵蚀D.冰川侵蚀2.矗立在尼罗河畔的埃及狮身人面像缺损严重,其主要原因可能是() A.雨水侵蚀和溶蚀作用B.风化和风蚀作用C.喀斯特作用D.海蚀作用读峰丛、峰林和孤峰剖面图,回答3~4题。
3.图中所表示的地形景观是在()A.玄武岩分布区B.石灰岩分布区C.大理岩分布区D.花岗岩分布区4.导致下列地貌形成的地质作用与图示地貌相同的是()A.北美五大湖B.湄公河三角洲C.塔里木盆地的沙丘D.“V”型河谷读下图,回答5~7题。
5.上图中⑥处山地的成因为()A.背斜成山B.向斜成山C.褶皱隆起成山D.断层上升成山6.上图中易形成陡崖,有利于开展攀岩活动的部位是()A.②B.④C.⑥D.⑦7.造成⑦处易成谷地的原因是()A.岩石坚硬B.挤压力大C.张力影响D.内力作用蒙古读岩层地质界线和等高线示意图,回答7~8题。
7.该图从地貌形态和地质构造角度来看分别属于()A.山脊向斜B.山脊背斜C.山谷向斜D.山谷背斜8.对该地的叙述,正确的是()A.该图地貌主要是外力作用的结果B.该图地貌主要是内力作用的结果C.在该图中能够找到化石的是C岩层D.该地适合建设大型水库高原、黄土高原和华北平原因外力作用在成因上有一定的联系。
第四章 地表形态的塑造第一节营造地表形态的力量【知识梳理】 一、内力作用 1.能量来源来自地球内部,主要是放射性元素衰变产生的热能。
2.表现形式(1)变质作用:一般发生在地壳深处,不能直接塑造地表形态。
(2)岩浆活动:岩浆只有喷出地表时才可以直接影响地表形态。
(3)地壳运动:①分类⎩⎪⎨⎪⎧水平运动:形成绵长的断裂带和巨大的褶皱山脉垂直运动:引起地势的起伏变化和海陆变迁②相互关系:同时存在、相互作用、相互影响,就全球而言以水平运动为主,以垂直运动为辅。
3.对地表的影响内力作用奠定了地表形态的基本格局,总的趋势是使地表变得高低不平。
判断1.地壳的水平和垂直运动是依据地表的运动方向判定的。
( × ) 2.东非大裂谷是地壳水平运动形成的。
( √ ) 二、外力作用 1.概念地球表面的风、流水、冰川、生物等可以引起地表形态的变化。
2.能量来源地球外部,主要是太阳辐射能。
3.表现形式 (1)风化作用是指在温度、水及生物等的影响下,地表或接近地表的岩石,经常发生的崩解和破碎。
(2)侵蚀作用是指水、冰川、空气等在运动状态下对地表岩石及其风化产物的破坏作用。
(3)搬运作用是指风化或侵蚀作用的产物被风、流水、冰川等转移离开原来位置的作用。
(4)堆积作用是指岩石风化和侵蚀后的产物在外力的搬运途中,由于外力减弱或遇到障碍物,导致物质逐渐沉积的作用。
4.对地表形态的影响使地表起伏状况趋向于平缓。
思考从地理的角度“坚如磐石”是否正确?为什么?答案 不正确。
风化、侵蚀等外力作用能使岩石崩解、破碎。
三、岩石圈的物质循环 1.岩石的类型及形成(1)岩浆岩:由岩浆侵入岩石圈上部或喷出地表冷却凝固而成。
(2)沉积岩:碎屑物质被搬运后沉积下来,经固结成岩作用而成。
(3)变质岩:已经生成的岩石在一定的温度和压力下经变质作用而成。
2.物质循环过程岩石圈物质循环示意图(1)岩石圈物质循环的基础物质:岩浆岩、沉积岩和变质岩,其中岩浆岩可分为侵入型岩浆岩和喷出型岩浆岩。
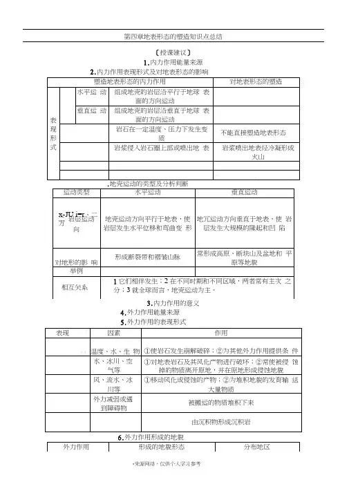
第四章地表形态的塑造知识点总结[授课建议]1.内力作用能量来源2.内力作用表现形式及对地表形态的影响.地壳运动的类型及分析判断3.内力作用的意义4.外力作用能量来源5.外力作用的表现形式6.外力作用形成的地貌1.图解外力作用之间的关系风化使地表岩石由坚硬变得松动、破碎、易被侵蚀,形成散落的碎屑,在搬运过程中不断发生堆积,结果使下层的碎屑物质被压紧、固结形成新的岩石。
新的岩石出露地表后再次发生上述过程,如右图所示:2.外力作用影响因素的分析方法分析某一地区的主要外力作用类型,往往可以综合许多因素。
(1)气候因素:主要从气温与降水两个方面进行分析。
①干旱、半干旱地区:昼夜温差大、降水少。
外力作用主要表现为风化作用和风力侵蚀、搬运、沉积作用。
②湿润地区:降水丰富、地表径流量大,主要表现为流水侵蚀、搬运、沉积作用。
(2)地质地貌因素:主要分析基岩和地势两个方面的影响。
石灰岩地区,由于岩石微溶于水,故外力作用往往表现为流水侵蚀、溶蚀作用;地势较高的地区往往表现为风化、侵蚀、搬运作用;地势较低的地区往往表现为沉积和固结成岩作用;地势差异较大的地区往往表现为流水的侵蚀作用。
(3)生物因素:主要分析植被覆盖率高低的影响。
植被覆盖率低的地区,往往以侵蚀、搬运作用为主;植被覆盖率高的地区,生物风化作用显着。
3.风化作用与风力作用的区别地表或接近地表的岩石,在温度、水以及生物等的影响下,发生崩解和破碎等破坏作用,叫做风化作用。
风化作用与风无关,而风力作用则是指风的侵蚀、搬运、堆积等作用,故风化作用与风力作用是两个完全不同的概念。
[深度探究]1 •分析流水堆积地貌、风力堆积地貌与冰川堆积地貌的差异。
提示:(1)从地表形态上看:流水堆积地貌和风力堆积地貌总体比较平坦,而冰川堆积地貌多呈波状起伏。
(2)从堆积物质上看:流水堆积和风力堆积的物质分选性较好,冰川堆积物则大小混杂在一起,无分选性。
2.如何根据风力堆积物判断盛行风向。
人教版高中地理必修一第四章“地表形态的塑造”的重要知识点和记忆点一、重要知识点1. 内力作用与地表形态-定义:内力作用指来自地球内部的力(如地壳运动、岩浆活动、变质作用等)所起的作用。
-能量来源:地球内部放射性元素衰变产生的热能。
-表现形式:地壳运动(水平运动和垂直运动)、岩浆活动(火山喷发、侵入等)、变质作用。
-对地表的影响:奠定了地表形态的基本格局,使地表变得高低起伏。
2. 外力作用与地表形态-定义:外力作用指来自地球外部的力(如风化、侵蚀、搬运、堆积等)所起的作用。
-能量来源:主要来自太阳能,包括风化、侵蚀、搬运和堆积等作用。
-对地表的影响:在内力作用的基础上,进一步塑造地表形态,使之更加丰富多彩。
3. 地表形态的类型-山地:由地壳运动产生的褶皱和断层形成,包括背斜山、向斜山、断块山等。
-盆地:地壳运动后形成的四周高中间低的地区,如渭河平原、汾河谷地等。
-谷地:由地壳运动产生的褶皱和断层形成的低洼地区,如向斜谷地。
-高原:海拔较高、地形起伏较小的地区,如青藏高原。
-平原:海拔较低、地形平坦的地区,如华北平原。
4. 地表形态的变化过程-冲积扇的形成:河流流出山口时,因地势趋于平缓、河道变开阔、水流速度减慢,河流搬运的砾石、泥沙在山麓地带堆积下来形成冲积扇。
-背斜和向斜的形成:地壳运动产生的挤压力使岩层弯曲变形,形成背斜和向斜。
背斜顶部受张力,岩石断裂破碎,易被侵蚀形成谷地;向斜槽部受挤压,岩性坚硬不易被侵蚀,反而形成山地。
-断层山与断层谷地的形成:岩体断裂并沿断裂面相对上升形成断块山,如华山、庐山、泰山等;岩层断裂下陷形成地堑,流水堆积而成断层谷地,如渭河平原、汾河谷地等。
二、记忆点1. 内力作用与外力作用是塑造地表形态的两种主要力量,它们共同作用使地表形态变得复杂多样。
2. 内力作用使地表变得高低起伏,奠定了地表形态的基本格局;外力作用则在内力作用的基础上进一步塑造地表形态。
3. 山地、盆地、谷地、高原和平原等地表形态的形成与内力作用和外力作用密切相关。
第四章塑造地表形态的力量——知识梳理4.1 营造地表形态的力量一、内力作用1.能量来源:来自地球部,主要是元素衰变产生的能。
2.表现形式:、和。
3.地壳运动(1)分类及影响:①水平运动:形成和;②垂直运动:引起地势的和。
(2)相互关系:同时存在、相互作用、相互影响,就全球而言以为主、为辅。
4.影响:奠定了地表形态的基本格局,总的趋势是使地表变得。
二、外力作用1.能量来源:来自地球部,主要是能。
2.表现形式:主要有、、、。
3.影响:“削高填低”,总的趋势是使地表起伏状况趋向于。
三、岩石圈的物质循环1.岩石圈的组成(1)岩浆岩:由岩浆侵入上部或地表,冷却凝固而成。
(2)沉积岩:碎屑物质经搬运沉积后,经作用而成。
(3)变质岩:已经生成的岩石,在一定的和压力下经作用形成。
【指点迷津】1喜马拉雅山是由于地壳的垂直运动形成的这种认识没有从本质上看问题。
水平运动和垂直运动是紧密相关的。
从形式上看,喜马拉雅山的上升属于垂直运动,但从本质上看,喜马拉雅山的上升是由于亚欧板块和印度洋板块碰撞而形成的,是地壳水平运动的结果。
外力作用2.“华北平原又名黄淮海平原,完全是由海河、黄河、淮河带来的泥沙堆积而成。
”这种说法对吗?为什么?这种说法具有片面性。
在华北平原形成的过程中,除了泥沙淤积以外,还有地壳不断下沉,是内外力共同作用的结果。
3.风化作用就是风力作用这种看法是错误的。
地表或接近地表的岩石,在温度、水以及生物等的影响下,发生崩解和破碎等破坏作用,叫做风化作用。
风化作用与风无关,而风力作用则是指风的侵蚀、搬运、堆积等作用,故风化作用与风力作用是两个完全不同的概念。
【要点解读】水平运动平行于地表岩层发生水平位移和弯曲变形形成绵长的断裂带和巨大的褶皱山脉喜马拉雅山、东非大裂谷、大西洋二者同时存在,相互作用,相互影响,在一定时间和空间有主次之分,从全球范围看,水平运动为主,垂直运动为辅垂直运动垂直于地表岩层发生大规模的隆起和凹陷引起地势的起伏变化和海陆变迁意大利那不勒斯海岸的变动、台湾海峡的形成二者同时存在,相互作用,相互影响,在一定时间和空间有主次之分,从全球范围看,水平运动为主,垂直运动为辅2外力作用外力作用对地貌的塑造实例风化作用使地表岩石受破坏,碎屑物残留在地表形成风化壳花岗岩球状地貌侵蚀作用风力侵蚀形成风蚀洼地、风蚀柱、风蚀蘑菇雅丹地貌流水侵蚀侵蚀使谷底、河床加宽加深,形成“V”型谷、峡谷、瀑布,使坡面破碎,形成沟壑纵横的地表形态黄土高原“千沟万壑”、三峡、雅鲁藏布江大峡谷溶蚀形成溶洞、峰林、地下河等喀斯特地貌桂林山水、路南石林侵蚀作用冰川侵蚀形成冰斗、角峰、“U”型谷挪威峡湾海岸海浪侵蚀形成海蚀陡崖、海蚀柱、海蚀拱桥等青岛“石老人”堆积作用冰川堆积沉积物颗粒大小不分,杂乱堆积,形成冰碛地貌“千湖之国”芬兰风力堆积形成沙漠(静止沙丘、移动沙丘)、黄土堆积颗粒大的先沉积,颗粒小的后沉积,具有分选性黄土高原流水堆积形成三角洲(入海口)、冲积扇平原(出山口)、河漫滩平原长江中下游平原、黄河三角洲海流堆积形成海岸地貌海滩3岩石圈的物质循环1.岩石按成因分为岩浆岩、变质岩、沉积岩三大类。
第四章地表形态的塑造一、内力作用:使地表变得崎岖,能量来源于地球内部1、表现形式:地壳运动〔包括地震〕、岩浆活动〔包括火山喷发〕、变质作用〔高温高压下〕2、地壳运动:包括水平运动和垂直运动⑴垂直运动:形成断层〔工程工程和水库要避开断层〕①上升运动—地垒—断块山〔泰山、庐山、华山、贺兰山、阴山〕②断裂下限—地堑—谷地:渭河谷地〔平原〕、汾河谷地、宁夏平原、河套平原—湖泊:贝加尔湖、滇池、洱海〔断裂下陷形成洼地,河流水和地下水会聚而成〕⑵水平运动:①张裂:形成裂谷:东非大裂谷是非洲板块内部张裂而形成形成海岭:大洋中板块张裂处,岩浆喷发遇水冷却而成②碰撞:海沟:大洋板块俯冲至大陆板块之下褶皱山〔背斜、向斜〕二、3、背斜:岩层向上凸起;中间老两翼新;储存油气资源背斜易成谷的原因:背斜顶部受张力,较脆弱,在外力侵蚀下成谷地4、向斜:岩层向下凸起;中间新两翼老;储水构造,适合建水库向斜易成山的原因:向斜两侧受挤压力,在外力堆积下成山5、板块示意图⑴喜马拉雅山脉:印度洋板块和亚欧板块碰撞而成⑵阿尔卑斯山:非洲板块和亚欧板块碰撞而成⑶落基山脉:美洲板块和太平洋板块碰撞而成⑷安第斯山脉:美洲板块和南极洲板块碰撞而成⑸红海:非洲板块和印度洋板块生长边界,面积不断扩大⑹冰岛:美洲板块和亚欧板块生长边界,多火山地震温泉⑺新西兰:印度洋板块和太平洋板块消亡边界⑻日本:亚欧板块和太平洋板块消亡边界⑼印度半岛、阿拉伯半岛和澳大利亚位于印度洋板块⑽太平洋大局部为消亡边界,向西北方向移动,面积不断变小⑾大西洋位于美洲板块和亚欧板块、非洲板块生长边界,面积不断扩大⑿勘察加半岛位于太平洋板块和美洲板块消亡边界⒀印度尼西亚和缅甸位于亚欧板块和印度洋板块消亡边界二、外力作用:使地表趋于平坦1、表现形式:风化、侵蚀、搬运、堆积2、外力类型:风力、海浪、冰川、流水3、风化作用:〔温度、水、大气、生物〕使岩石破碎,碎屑物残留在地表4、丹霞地貌:红漠化,江南丘陵成因:植被破坏严重,在流水侵蚀下,红壤大量裸露5、喀斯特地貌:石漠化,云贵高原〔云、贵、桂〕⑴成因:流水溶蚀石灰岩⑵特征:①因为流水侵蚀使土层较薄,土壤贫瘠②地形崎岖,交通不便③石灰岩下渗严重,地下水丰富,地表水不丰富④地壳活泼,多地质灾害,尤其是泥石流,滑坡三、河流地貌1、流水侵蚀的形式⑴溯源侵蚀:向河流源头方向侵蚀,使河谷不断向源头方向延伸⑵下蚀:使河床加深,河流向纵深方向开展⑶侧蚀:使谷地展宽,谷坡后退,河流向横向开展结论:流水侵蚀严重的原因→含沙量增大→水土流失严重的原因:降水丰富且集中,地势陡峭,流速快,侵蚀力强,植被少,土质疏松,认为植被破坏2、入海口处三角洲形成的原因⑴河流流经中上游,因地势陡峭,流速快,侵蚀力强⑵入海口处地势平坦,使流速变得更慢,河道变宽,泥沙大量堆积⑶海浪的顶托作用使流速减慢,泥沙沉积。
第四章.地表形态的塑造4.1营造地表形态的塑造一、地貌知识模式:1.地质作用:能量来源、表现形式、对地表形态的影响注:①岩浆活动---只有喷出地表时才影响地表形;②变质作用--在地壳深处,不能直接塑造地表形态;③地壳运动--塑造地表形态的主要方式.2.地壳运动-----塑造地表形态的主要形式3.外力作用与地貌(1)风化作用:a.定义:在温度、水以及生物的影响下,地表或接近地表的岩石发生崩解和破碎。
b.分类: 物理风化、化学风化、生物风化c.影响——使地表岩石形成风化壳①物理风化:又称机械风化,常见的物理风化的方式有温差风化、冰劈风化、盐类结晶与潮解作用和层裂作用。
物理风化作用是指使岩石发生机械破碎,而没有显著的化学成分变化的作用②化学风化:岩石发生化学成分的改变分解,称为化学风化。
例如,☆岩石中含铁的矿物受到水和化学风化空气作用,氧化成红褐色的氧化铁;☆空气中的二氧化碳和水气结合成碳酸,能溶蚀石灰岩;☆某些矿物吸收水分后体积膨胀;☆水和岩层中的矿物作用,改变原来矿物的分子结构,形成新矿物。
这些作用可使岩石硬度减弱、密度变小或体积膨胀,促使岩石分解其本质区别是:物理风化只改变物质的物理形态,不改变其化学成分,而化学成分是改变其化学成分的③生物风化是指受生物生长及活动影响而产生的风化作用,是生物活动对岩石的破生物风化坏作用,一方面引起岩石的机械破坏,如树根生长对于岩石的压力可达10千克每平方,这能使根深入岩石裂缝,劈开岩石;另一方面植物根分泌出的有机酸,也可以使岩石分解破坏。
此外,植物死亡分解可以形成腐殖酸,这种酸分解岩石的能力也很强。
生物风化作用的意义不仅在于引起岩石的机械和化学破坏,还在于它形成了一种既有矿物质又有有机质的物质——土壤。
④风化作用是指暴露于地表或接近地表的各种岩石在温度变化、水、大气及生物作用下在原地发生的破坏作用。
注意,侵蚀是动态的,而风化是静态(在原地发生)的。
所以,风化壳的发育程度与温度、降水、植物生长量有关,而且与这三个因素都呈正相关。
第四章地表形态的塑造知识点总结[授课建议]1.内力作用能量来源水平运动垂直运动地壳运动方向平行于地表,使岩层发生水平位移和弯曲变形地壳运动方向垂直于地表, 使岩层发生大规模的隆起和凹陷常形成高原、断块山及盆地和3.内力作用的意义4.外力作用能量来源5.外力作用的表现形式积1. 图解外力作用之间的关系风化使地表岩石由坚硬变得松动、破碎、易被侵蚀, 形成散落的碎屑, 在搬运过程中不断发生堆积, 结果使下层的碎屑物质被压紧、固结形成新的岩石。
新的岩石出露地表后再次发生上述过程, 如右图所示:2. 外力作用影响因素的分析方法分析某一地区的主要外力作用类型, 往往可以综合许多因素。
(1)气候因素: 主要从气温与降水两个方面进行分析。
①干旱、半干旱地区: 昼夜温差大、降水少。
外力作用主要表现为风化作用和风力侵蚀、搬运、沉积作用。
②湿润地区: 降水丰富、地表径流量大, 主要表现为流水侵蚀、搬运、沉积作用。
(2)地质地貌因素:主要分析基岩和地势两个方面的影响。
石灰岩地区, 由于岩石微溶于水, 故外力作用往往表现为流水侵蚀、溶蚀作用;地势较高的地区往往表现为风化、侵蚀、搬运作用;地势较低的地区往往表现为沉积和固结成岩作用;地势差异较大的地区往往表现为流水的侵蚀作用。
(3)生物因素: 主要分析植被覆盖率高低的影响。
植被覆盖率低的地区, 往往以侵蚀、搬运作用为主;植被覆盖率高的地区, 生物风化作用显著。
3. 风化作用与风力作用的区别地表或接近地表的岩石, 在温度、水以及生物等的影响下, 发生崩解和破碎等破坏作用, 叫做风化作用。
风化作用与风无关, 而风力作用则是指风的侵蚀、搬运、堆积等作用, 故风化作用与风力作用是两个完全不同的概念。
[深度探究]1. 分析流水堆积地貌、风力堆积地貌与冰川堆积地貌的差异。
提示: (1)从地表形态上看: 流水堆积地貌和风力堆积地貌总体比较平坦, 而冰川堆积地貌多呈波状起伏。
(2)从堆积物质上看:流水堆积和风力堆积的物质分选性较好, 冰川堆积物则大小混杂在一起, 无分选性。
地表形态的塑造知识点归纳高二地表形态的塑造知识点归纳地表形态是指地球表面的各种地貌特征和形态,包括山脉、河流、湖泊、平原、高原、丘陵等。
地表形态的塑造是地壳运动和外力作用的结果,涉及地理学、地质学等多个学科的知识。
本文将对地表形态的塑造进行知识点归纳,具体如下:一、地壳运动对地表形态的塑造1. 构造运动:地震、地块运动等地壳构造的变动,能够形成山脉、断裂带等地表形态特征。
2. 地热作用:地下岩浆的喷发、火山爆发等地热活动,能够形成火山口、火山岛等地貌特征。
3. 抬升和沉降:地壳的垂直运动,涉及到地壳的抬升和沉降,可以形成高原、盆地等地表形态。
二、水力作用对地表形态的塑造1. 侵蚀作用:包括河流侵蚀、冰川侵蚀等,能够形成峡谷、河谷等地貌特征。
2. 沉积作用:河流、海浪等水体的沉积作用,可以形成河口三角洲、海岸平原等地表形态。
三、风力作用对地表形态的塑造1. 风蚀作用:风力对地表的侵蚀作用,例如沙漠中的沙丘、风化造成的石漠、沙尘暴等。
2. 风积作用:风力对地表的沉积作用,例如风成沉积、黄土高原等地表形态。
四、冰雪作用对地表形态的塑造1. 冰蚀作用:冰川的侵蚀和磨蚀作用,可以形成冰碛、冰川湖等地貌特征。
2. 冰积作用:冰川的冰积作用,可以形成冰川三角洲、冰碛平原等地表形态。
五、生物作用对地表形态的塑造1. 植被侵蚀:植被根系的侵蚀作用,能够改变地表的物质组成,形成土壤侵蚀。
2. 动物活动:动物的挖掘、穿越等活动,能够改变地表的形态,例如土壤改良、土壤腐蚀等。
六、人类活动对地表形态的塑造1. 城市建设:人类的城市建设活动,包括建筑物、道路、河道的改造,能够改变地表的形态。
2. 采矿活动:矿山的开采活动,可以形成矿山、采空区等地表形态特征。
3. 农业活动:农田的耕种、水利设施的建设,能够改变地表的利用方式和形态。
综上所述,地表形态的塑造涉及到地壳运动、水力作用、风力作用、冰雪作用、生物作用和人类活动等多个方面的知识点。
第四章:地表形态的塑造
第一节:营造地表形态的力量
一、地质作用
分类主要能量来源表现形式对地表形态的影响
内力作用地球内部的热能地壳运动、岩浆活动
变质作用
高低起伏,形成高山和盆地
外力作用太阳能风化、侵蚀、搬运、
沉积、固结成岩
削高填低,使地表趋于平坦
1、内力作用
地壳运动的两种形式及分类
形式
项目
水平运动垂直运动
岩层运动方向平行于地球表面垂直于地球表面
影响对岩层的影响使地壳物质水平位移,岩
层发生弯曲
使地壳抬升或下沉
对地形的影响常常形成巨大的褶皱山系引起地势的高低起伏和海
陆变迁
举例喜马拉雅山脉的形成、大
西洋的扩张、东非大裂谷
的形成
台湾海峡的形成
相互关系①水平运动为主,垂直运动为辅,两者相伴发生②在不
同区域和不同时期,以某一种运动为主③全球而言,水
平运动为主,垂直运动为辅。
2、外力作用
外力作用的表现形式:风化、侵蚀、搬运、堆积和固结成岩
(1)风化作用:在水、温度及生物等的的影响下,地表或接近地表的岩石经常发生崩解或破碎,形成许多大小不等的岩石碎块或砂粒。
为其他外力作用创造条件。
(2)侵蚀作用
流水侵蚀:使谷底、河床加宽加深,使坡面趋于破碎。
风力侵蚀:形成风蚀洼地、风蚀柱、风蚀蘑菇等
冰川侵蚀:形成冰斗、角峰、U形谷
海浪侵蚀:形成海蚀陡崖等
(3)搬运作用:为堆积地貌的发育输送大量物质
(4)堆积作用
在流水和风力搬运的途中,由于流速或风速的降低,导致物质逐渐沉积,在沉积过程中颗粒大、比重大的物质先沉积,颗粒小、比重小的物质后沉积,所以沿着水流方向我们先看到颗粒比较大的沙子,越往后沙粒越小。
流水堆积:形成冲击扇、三角洲、河漫滩平原
风力堆积:形成新月形沙丘
冰川堆积:形成冰碛地貌、冰蚀湖等
海浪堆积:形成沙滩二、岩石圈的物质循环
1、岩石按成因分为岩浆岩、变质岩和沉积岩。
(1)岩浆岩:是岩浆活动的产物。
是在地球内部压
力作用下,岩浆沿着岩石圈的薄弱地带侵入岩石圈上
部或喷出地表,冷却凝固形成。
分为喷出岩和侵入岩,
如花岗岩、玄武岩等
(2)沉积岩:是裸露地表的岩浆岩在风吹、雨打、
日晒以及生物作用下,逐渐成为砾石、沙子和泥土。
这些碎屑物质被风、流水等搬运后沉积下来,经过固
结成岩作用形成。
如砾岩、砂岩、页岩、石灰岩等。
沉积岩的特点:具有层理构造,含有化石。
(3)变质岩:各种已经生成的岩石,在一定的温度
和压力下发生变质作用形成。
如大理岩、板岩等
2、三大类岩石的相互转化如图……
第二节山岳的形成
一、山岳的类型及形成
类型概念规模举例
褶皱山由背斜或向斜发育而
成的山岭和谷地
规模有大有小科迪勒拉山系,喜马
拉雅山系
断块山由断层发育而成的山
岭和谷地
分布广泛,规模大小
不一
华山、庐山、泰山
火山地下深处岩浆沿地壳
中央喷出口或管道喷
出,冷却凝固形成
规模大小不一日本的富士山,我国
长白山主峰
二、判断背斜和向斜
1、做快的情况下,岩层向上拱起的是背斜,岩层向下弯曲的是向斜。
(不完整的要补完整)
2、最科学的依据是根据岩层的新老关系:
中心部分岩层老,两翼岩层新的是背斜;中心部分岩层新,两翼岩层老的是向斜。
3、利用向斜找水,背斜找油。
背斜向斜
一般形态岩层向上拱起岩层向下弯曲
岩层新老关系岩层中间老,两侧新。
岩层中间新,两侧老。
常见地形山岭谷地
地形
倒置
(差别侵蚀)
成
因
背斜顶部因受到张力,物
质易被侵蚀成谷地。
向斜槽部受到挤压,物质更加坚
实,不易被侵蚀,反而形成山岭。
内外力共同作用的结果
背斜成谷向斜成山
风化作用侵蚀作用搬运作用沉积作用
岩浆岩
岩浆
沉积岩变质
岩
1、褶皱山
在地壳运动产生的强大的挤压作用下,岩层会发生塑性变形,产生一系列的波状弯曲,叫做褶皱。
褶皱的基本形态是背斜和向斜。
2、断块山
当地壳运动产生的强大压力和张力,超过了岩石的承受能力时,岩体就会破裂。
岩体发生破裂后,如果两侧的岩体沿断裂面发生明显的位移,就形成了断层。
断层在山区是经常可以看到的,常常表现为悬崖、陡壁、峡谷等。
在断层构造地带,由于岩石破碎,易受风化侵蚀,常常发育成沟谷、河流。
(褶皱与断层的区别在于断层处的岩层是不连续的,两侧岩体沿断层面发生了明显的位移)
3、火山:由火山口和火山锥两部分组成。
二、山岳对交通运输的影响
1、对交通运输方式选择的影响
在山岳地区修建交通运输干线,不仅成本高,难度也比较大。
为了降低修建成本和难度,在山岳地区,人们通常优先建造成本较低、难度较小的公路,其次才是铁路。
2、对交通运输线路分布的影响
由于山岳地区相对高度大,地表崎岖,因此线路选择时应避开陡坡和沼泽地,而是选择在地势相对和缓的山间盆地和河谷地带。
3、对交通线路延伸方向的影响
为了达到线路的技术要求,在山岳地区修建公路和铁路往往需要迂回前进。
如在陡坡上往往是“之”字形弯曲。
第三节河流地貌的发育
一、河流侵蚀地貌
河流在流动过程中,会破坏并掀起地表的物质,形成侵蚀地貌。
河流侵蚀地貌是由溯源侵蚀、下蚀和侧蚀共同作用形成的。
1、河流侵蚀的三种类型
2、河谷的形成
河谷形成阶段初期中期成熟期
主要侵蚀方式下蚀和溯源侵蚀为
主河流下切侵蚀减弱,侧
蚀增强
以侧蚀为主
河谷形态特征河谷横剖面呈“V”
字型凹岸侵蚀,凸岸堆积,
河流出现连续河湾
河谷横剖面呈槽型
二、河流堆积地貌
被河流搬运的物质,在河流搬运能力减弱的情况下,会沉积下来,形成堆积地貌。
在河流堆积地貌中,冲积平原是比较典型的地貌类型。
1、洪积—冲积平原—发育于山前
季节性的洪水或河流在山区流动时,由于山区内地势陡峭,水流速度快,携带了大量砾石和泥沙。
可是,当水流流出谷口时,由于地势突然趋于平缓、水道变得开阔,水流速度放慢,河流搬运的物质逐渐堆积下来,形成洪积扇或冲积扇。
颗粒由扇顶到扇缘越来越小。
2、河漫滩平原—发育于河流的中下游
在中下游地区,河流下蚀作用较弱,侧蚀作用较强。
河流往往在凹岸侵蚀,在凸岸堆积形成水下堆积体。
堆积体的面积逐步扩大,在枯水季节露出水面,形成河漫滩。
3、三角洲平原—形成于河流入海口
河流人海处水下坡度平缓,河水流速减慢,河流所携带的泥沙便会堆积在河口前方,形成三角洲。
三、河流地貌对聚落分布的影响
地形区河流地貌对聚落分布的影响
聚落的分布原因聚落的形状高原地区深切的河谷两岸的河
漫滩平原
河谷地势低、气候温暖,两岸泥
沙淤积而成的河漫滩平原土壤
肥沃、水资源丰富,
呈狭长的带状
山区洪积扇、冲积扇、河
漫滩平原
地势平坦,地下水或地表水资源
比较丰富,并淤积有肥沃的土
呈条带状
平原冲积平原土壤肥沃、水资源丰富,而且河
网密布,有便捷的内河航运和海
上运输,
形成沿河聚落带,
沿海岸聚落带
溯源侵蚀下蚀侧蚀
概念向河流源头方向的侵蚀垂直于地面的侵蚀垂直于两侧河岸的侵蚀
对河流的
影响不断向源头方向伸长
使河床加深,河流
向纵深方向发展
使谷底展宽、谷坡后退,
河流向横向发展。
特别强调伸长
..加深
..展宽
..。