管道支架间距一览表
- 格式:xls
- 大小:23.00 KB
- 文档页数:2
重庆美全置业有限公司美全·世纪城项目max min管径>100mm5%折皱不平度(mm)管径≤100mm4管径125—200mm5管径250—400mm7项次项目允许偏差(mm)检验方法1基础坐标位置20经纬仪、拉线和尺量2基础各不同平面的标高0,-20水准仪、拉线尺量3基础平面外形尺寸20尺量检查4凸台上平面尺寸0,-205凹穴尺寸+20,06基础上平面水平度每米5水平仪(水平尺)和楔形塞尺检查全长107坚向偏差每米5经纬仪或吊线和尺量全高108预埋地脚螺栓标高(顶端)+20,0水准仪、拉线和尺量中心距(根部)29预留地脚螺栓孔中心位置10尺量深度-20,0孔壁垂直度10吊线和尺量10预埋活动地脚螺栓锚板中心位置5拉线和尺量标高+20,0水平度(带槽锚板)5水平尺和楔形塞尺检查水平度(带螺纹孔锚板)2项次设备名称工作压力P(MPa)试验压力(MPa)1锅炉本体P<0.59 1.5P但不小于0.2 0.59≤P≤1.18P+0.3P>1.18 1.25P2可分式省煤器P 1.25P+0.5 3非承压锅炉大气压力0.2项次项目允许偏差(mm)检验方法建筑给水排水及采暖工程分部、分项工程划分建筑给水排水及采暖工程的分部、子分部分项工程可按附表A划分。
附表B 检验批质量验收检验批质量验收表由施工单位项目专业质量检查员填写,监理工程师(建设单位项目专业技术负责为)组织施工单位质量(技术)负责为等进行验收,并按附表B填写验收结论。
附录C 分项工程质量质量验收分项工程的质量验收由监理工程师(建设单位项目专业技术负责人)组织施工单位工项目专业质量(技术)负责人等进行验收,并按附表C填写。
附录D 子分部工程质量验收子分部工程质量验收由监理工程师(建设单位项目专业负责人)组织施工单位项目负责人、专业项目负责人、设计单位项目负责人进行验收,并按附录D填表。
附录E 建筑给水排水及采暖(分部)工程质量验收附表E由施工单位填写,验收结论由监理(建设)单位填写。
重庆美全置业有限公司美全·世纪城项目钢管管道支架的最大间距塑料管及复合管管道支架的最大间距铜管垂直或支架的最大间距管端插入承口的深度排水塑料管道支吊架最大间距(单位:m)室内排水和雨水管道安装的允许偏差和检验方法地下埋设雨水排水管道的最小坡度悬吊管检查口间距。
钢管管道焊口允许偏差和检验方法太阳能热水器安装的允许偏差和检验方法卫生器具的安装高度卫生器具给水配件的安装高度卫生器具安装的允许偏差和检验方法卫生器具给水配件安装标高的允许偏差和检验方法卫生器具排水管道安装的允许偏差及检验方法连接卫生器具的排水管道管径和最小坡度采暖管道安装的允许偏差应符合表8.2.18的规定。
注:D max,D min分别为管子最大外径及最小外径组对后的散热器平直度允许偏差散热器支架、托架数量散热器安装允许偏差和检验方法管道防腐层种类室外给水管道的允许偏差和检验方法铸铁管承插捻口的对口最大间隙铸铁管承插捻口的环型间隙橡胶圈接口最大允许偏转角检验方法:观察和尺量检查。
室外排水管道安装的允许偏差和检验方法室外供热管道安装的允许偏差和检验方法锅炉辅助设备基础的允许偏差检验方法水压试验压力规定锅炉安装的允许偏差检验方法组装链条炉排安装允许偏差和检验方法往复炉排安装的允许偏差检验方法锅炉辅助设备安装允许偏差和检验方法13.3.11连接锅炉及辅助设备的工艺管道安装的允许偏差工艺管道安装的允许偏差和检验方法安全阀定压规定建筑给水排水及采暖工程分部、分项工程划分建筑给水排水及采暖工程的分部、子分部分项工程可按附表A划分。
附表A建筑给水、排水采暖工程分部、分项工程划分表附表B检验批质量验收检验批质量验收表由施工单位项目专业质量检查员填写,监理工程师(建设单位项目专业技术负责为)组织施工单位质量(技术)负责为等进行验收,并按附表B填写验收结论。
附表B检验批质量验收表附录C分项工程质量质量验收分项工程的质量验收由监理工程师(建设单位项目专业技术负责人)组织施工单位工项目专业质量(技术)负责人等进行验收,并按附表C填写。
给水给排水管道支吊架规范
1、钢管管道支架的最大间距
公称直径(mm) 15 20 25 32 40 50 70 80 100 125 150 200 250 300
支架最大间距保温管 2 2.5 2.5 2.5 3 3 4 4 4.5 6 7 7 8 8.5
不保温管 2.5 3 3.5 4 4.5 5 6 6 6.5 7 8 9.5 11 12
2、塑料管及复合管管道支架的最大间距
公称直径(mm) 12 14 16 18 20 25 32 40 50 63 75 90 110
支架最大间距立管 0.5 0.6 0.7 0.8 0.9 1.0 1.1 1.3 1.6 1.8 2.0 2.2 2.4
水平管冷水管 0.4 0.4 0.5 0.5 0.6 0.7 0.8 0.9 1.0 1.1 1.2 1.35 1.55
水平管热水管 0.2 0.2 0.25 0.3 0.3 0.35 0.4 0.5 0.6 0.7 0.8 3 3
3、铜管垂直水平安装的支架间距
公称直径(mm) 15 20 25 32 40 50 65 80 100 125 150 200
支架最大间距垂直管 1.8 2.4 2.4 3.0 3.0 3.0 3.5 3.5 3.5 3.5 4 4水平管 1.2 1.8 1.8 2.4 2.4 2.4 3.0 3.0 3.0 3.0 3.5 3.5
采暖,给水及热水供应系统的金属管道立管管卡安装应符合下列规定:
1、楼层高度小于或等于5m,每层必须安装1个。
2、楼层高度大于5m,每层不得少于2个。
3、管卡安装高度,距地面应为1.5~1.8m,2个以上管卡应匀称安装,同一房间管卡应安装在同一高度上。
钢管管道支架最大间距公称管径15 20 25 32 40 50 70 80 100 125 150 200 250 300保温管 2 2.5 2.5 2.5 3 3 4 4 4.5 6 7 7 8 8.5不保温管2.5 3 3.25 4 4.5 5 6 6 6.5 7 8 9.5 11 12薄壁不锈钢管的支吊架间距(M)不得大于下表公称直径10~15 20~25 32~40 50~65水平管 1.0 1.5 2.0 2.5力管 1.5 2.0 2.5 3.0钢塑复合管采用沟槽连接时,管道支架间距不的大于下表管径65~100 125~200 250~315最大支承间距 3.5 4.2 5.0塑料管,复合管支吊架间距一般不大于下表管径12 14 16 18 20 25 32 40 50 63 75 90 110立管0.5 0.6 0.7 0.8 0.9 1.0 1.1 1.3 1.6 1.8 2.0 2.2 2.4水平管0.4 0.4 0.5 0.5 0.6 0.7 0.8 0.9 1.0 1.1 1.2 1.35 1.55硬聚氯乙烯(PVC-U)管道的支架间距按下表外径20 25 32 40 50 63 75 90 110立管 1.0 1.1 1.2 1.4 1.6 1.8 2.1 2.4 2.6横管0.6 0.65 0.7 0.9 1.0 1.2 1.3 1.45 1.6聚氯丙烯(PP-R)管道的支架间距按下表外径20 25 32 40 50 63 75 90 110立管 1.0 1.2 1.5 1.7 1.8 2.0 2.0 2.1 2.5横管0.65 0.80 0.95 1.10 1.25 1.40 1.50 1.60 1.90氯化聚氯乙烯管(PVC-C)支吊架间距公称直径20 25 32 40 50 63 75 90 110 125 140 160 立管 1.0 1.1 1.2 1.4 1.6 1.8 2.1 2.4 2.7 3.0 3.4 3.8 横管0.8 0.8 0.85 1.0 1.2 1.4 1.5 1.6 1.7 1.8 2.0 2.0交联聚乙烯管(PEX)的支吊架间距管径20 15 32 40 50 63立管0.8 0.9 1.0 1.3 1.6 1.8横管0.6 0.7 0.8 1.0 1.2 1.4铝塑复合管支吊架间距公称外径12 14 16 18 20 25 32 40 50 63 75立管0.50 0.60 0.70 0.80 0.90 1.00 1.10 1.30 1.60 1.80 2.00横管0.40 0.40 0.50 0.50 0.60 0.70 0.80 1.00 1.20 1.40 1.60铜管管道支架间距不得大于下表公称直径15 20 25 32 40 50 65 80 100 125 150 200 立管 1.8 2.4 2.4 3.0 3.0 3.0 3.5 3.5 3.5 3.5 4.0 4.0 横管 1.2 1.8 1.8 2.4 2.4 2.4 3.0 3.0 3.0 3.0 3.5 3.5。
钢管管道支架的最大间距
塑料管及复合管管道支架的最大间距
铜管管道支架的最大间距
自动喷水系统(喷淋管道)钢管支架的最大间距 (同1)
1.5~1.8m 。
3、管道支吊架安装位置不应妨碍喷头的喷水效果;管道支吊架与喷头之间的距离不宜小于300mm;与末端喷头之间的
距离不宜大于750mm 4、当管子的公称直径等于或大于50时,每段配水干管或配水管设置防晃支架不应少于1个;当管道改变方向时,应增
防晃支架。
竖直安装的配水干管应在其始端和终端高防晃支架或采用管卡固定。
其安装位置距地或楼面的距离为1、管道支架、吊架、防晃支架的型式、材质、加式尺寸及焊接质量应符合设计要求和国家现行标准的规定。
2、配水支管上每一直管段、相邻两喷头之间的管段上设置的吊架均不宜少于1个;当喷头之间距离小于1.8m 时,可隔断
设置吊架,但吊架的间距不宜大于3.6m 。
钢管管道支架最大间距 公称管径 15 20 25 32 405070 80100125150 200 250 300保温管 2 2.5 2.5 2.5 3 3 4 4 4.5 6 7 7 8 8.5不保温管 2.5 3 3.25 4 4.5 5 6 6 6.57 8 9.5 11 12薄壁不锈钢管的支吊架间距(M)不得大于下表 公称直径 10~15 20~25 32~40 50~65水平管 1.0 1.5 2.0 2.5立管 1.5 2.0 2.5 3.0钢塑复合管采用沟槽连接时,管道支架间距不得大于下表 管径 65~100 125~200 250~315 最大支承间距 3.5 4.2 5.0塑料管,复合管支吊架间距一般不大于下表 管径 12 14 16 18 202532 40 50 63 75 90 110立管 0.5 0.6 0.7 0.8 0.9 1.0 1.1 1.3 1.6 1.8 2.0 2.2 2.4水平管 0.4 0.4 0.5 0.5 0.6 0.70.80.9 1.0 1.1 1.2 1.35 1.55硬聚氯乙烯(PVC-U)管道的支架间距按下表 外径 20 25 32 40 50 63 75 90 110立管 1.0 1.1 1.2 1.4 1.6 1.8 2.1 2.4 2.6横管 0.6 0.65 0.7 0.9 1.0 1.2 1.3 1.45 1.6 排水塑料管道支架的最大间距 m按下表 GB50242外径 50 63 75 90 110立管 1.2 1.5 2.0 2.0 2.0横管 0.5 0.75 1.1 1.3 1.6聚氯丙烯(PP-R)管道的支架间距按下表 外径 20 25 32 40 50 63 75 90 110 立管 1.0 1.2 1.5 1.7 1.8 2.0 2.0 2.1 2.5 横管 0.65 0.80 0.95 1.10 1.25 1.40 1.50 1.60 1.90氯化聚氯乙烯管(PVC-C)支吊架间距 公称直径 20 25 32 40 50 63 75 90 110125 140 160 立管 1.0 1.1 1.2 1.4 1.6 1.8 2.1 2.4 2.7 3.0 3.4 3.8 横管 0.8 0.80.85 1.0 1.2 1.4 1.5 1.6 1.7 1.8 2.0 2.0交联聚乙烯管(PEX)的支吊架间距 管径 20 15 32 40 50 63 立管 0.8 0.9 1.0 1.3 1.6 1.8 横管 0.6 0.7 0.8 1.0 1.2 1.4铝塑复合管支吊架间距 公称外径 12 14 16 18 20 253240 50 63 75 立管 0.50 0.60 0.70 0.800.90 1.00 1.10 1.30 1.60 1.80 2.00横管 0.40 0.40 0.50 0.500.600.700.80 1.00 1.20 1.40 1.60铜管管道支架间距不得大于下表 公称直径 15 20 25 32 40 50 65 80 100 125 150 200立管 1.8 2.4 2.4 3.0 3.0 3.0 3.5 3.5 3.5 3.5 4.0 4.0横管 1.2 1.8 1.8 2.4 2.4 2.4 3.0 3.0 3.0 3.0 3.5 3.5检查口(清扫口)或检查井的最大距离 DN() 50 75 90 110 125 160 距离(m) 10 12 12 15 20 20伸缩节最大允许伸缩量表DN(mm) 50 75 90 110 125 160 最大允许伸缩量(mm) 12 15 20 20 20 25PVC管道最大支撑间距(M M)表摘录于施工工艺悬吊横管 DN(MM) 立管 干管 支管 40 1500 80050 1500 100075 2000 150090 2000 1800110 2000 1100 2000125 2000 1250 2200160 2000 1600 2500生活污水塑料管标准坡度GB50242直径DN(MM) 标准坡度(‰) 最小坡度(‰) 50 25 1275 15 8110 12 6125 10 5160 7 4⑥HDPE管道焊接选择档位与电流 项目 管直径 挡位 电流范围 焊机 200~400 1(小) 12~16 PE—2004X 450~600 1(小) 16~25600~1000 2(大) 20~351100~2000 —— 26~40 PE—2002。
hdpe管道支架间距
x
HDPE管道支架间距
一、HDPE管道支架间距的确定
1、HDPE管道支架间距一般不小于管道外径的2倍,最大不超过6倍。
2、如果管道长度大于30米,则应考虑采用较大的支架间距,使管道受力更均匀,以延长管道的使用寿命。
3、对于受压较大的管道,应采用较小的支架间距,以减少管道的变形及损坏。
4、对于大直径管道,由于重量较大,当支架间距较大时,应考虑采用较大的支架以支撑管道。
二、HDPE管道支架间距的计算
1、HDPE管道支架间距的计算是按照管道外径、管道材料、管道作用的压力、管道的安装方式等因素考虑的。
2、根据HDPE管道的不同规格,可以采用不同的支架间距,一般情况下可以采用以下表格中提供的支架间距。
表1 HDPE管道支架间距(m)
外径(mm) 不受压≤2.0国标压力≤2.5国标压力≤4.0国标压力
90-200 1.5-2.0 1.8-2.5 2.5-3.5
201-400 2.0-3.0 2.5-4.0 4.0-5.5
400以上 4.0 5.0 6.0
3、当HDPE管道受压时,支架间距也应该相应增加,以增加管道支撑的强度。
4、当HDPE管道在地下安装时,应考虑地面的地质特性,采用更大的支架间距以提高支撑效果。
5、在支架间距的计算过程中,应考虑管道现场安装的实际情况,以保证HDPE管道的正常使用。
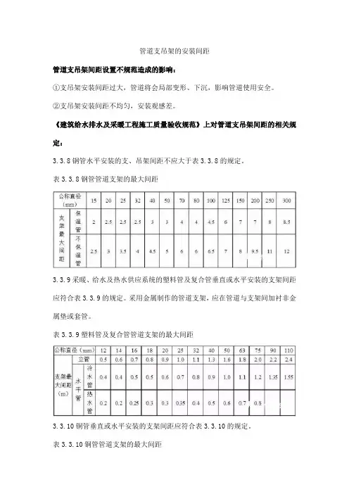
管道支吊架的安装间距管道支吊架间距设置不规范造成的影响:①支吊架安装间距过大,管道将会局部变形、下沉,影响管道使用安全。
②支吊架安装间距不均匀,安装观感差。
《建筑给水排水及采暖工程施工质量验收规范》上对管道支吊架间距的相关规定:3.3.8钢管水平安装的支、吊架间距不应大于表3.3.8的规定。
表3.3.8钢管管道支架的最大间距3.3.9采暖、给水及热水供应系统的塑料管及复合管垂直或水平安装的支架间距应符合表3.3.9的规定。
采用金属制作的管道支架,应在管道与支架间加衬非金属垫或套管。
表3.3.9塑料管及复合管管道支架的最大间距3.3.10铜管垂直或水平安装的支架间距应符合表3.3.10的规定。
表3.3.10铜管管道支架的最大间距3.3.11采暖、给水及热水供应系统的金属管道立管管卡安装应符合下列规定:①楼层高度小于或等于5m,每层必须安装1个。
②楼层高度大于5m,每层不得少于2个。
③管卡安装高度,距地面应为1.5~1.8m,2个以上管卡应匀称安装,同一房间管卡应安装在同一高度上。
5.2.8金属排水管道上的吊钩或卡箍应固定在承重结构上。
固定件间距:横管不大于2m;立管不大于3m。
楼层高度小于或等于4m,立管可安装1个固定件。
立管底部的弯管处应设支墩或采取固定措施。
5.2.9排水塑料管道支、吊架间距应符合表5.2.9的规定。
表5.2.9排水塑料管道支吊架最大间距(单位:m)管道支吊架间距设置不规范的原因:(1)片面追求省工省料,没有按管道材质、规格大小对照规范要求设置支吊架的间距。
(2)施工随意,没有整体考虑支(吊)架安装观感。
管道支吊架间距设置不规范的防治:支架安装前应根据管道设计坡度和起点标高,算出中间各点和终点标高,弹好线,按满足规范间距要求和均匀布置原则,定出各支架安装点及标高进行安装。
.
'.
不同材质的管道,需要不同的支架支撑,钢管需要型钢支架,塑料管需要塑料管夹,工程量计算也不同。
塑料管管夹
塑料管支架间距表
型钢支架
管道支架按安装形式一般有:立管支架、水平管支架、吊架。
立管支架数量的确定,分不同管径计算。
楼层层高≤4m 时,每层设一个;
楼层层高>4m 时,每层不得少于两个。
水平管支架数量的确定,分不同管径计算;单管吊架数量,同水平管支架数量的计算公式。
支架数量 =
某规格管子的长度该管子的最大支架间距
水平钢管支架、吊架最大间距表(m )。
美全置业有限公司美全·世纪城项目钢管管道支架的最大间距塑料管及复合管管道支架的最大间距铜管垂直或支架的最大间距管端插入承口的深度排水塑料管道支吊架最大间距(单位:m)室排水和雨水管道安装的允许偏差和检验方法地下埋设雨水排水管道的最小坡度悬吊管检查口间距。
钢管管道焊口允许偏差和检验方法太阳能热水器安装的允许偏差和检验方法卫生器具的安装高度卫生器具给水配件的安装高度卫生器具安装的允许偏差和检验方法卫生器具给水配件安装标高的允许偏差和检验方法卫生器具排水管道安装的允许偏差及检验方法连接卫生器具的排水管道管径和最小坡度采暖管道安装的允许偏差应符合表8.2.18的规定。
注:D max,D min分别为管子最大外径及最小外径组对后的散热器平直度允许偏差散热器支架、托架数量散热器安装允许偏差和检验方法管道防腐层种类室外给水管道的允许偏差和检验方法铸铁管承插捻口的对口最大间隙铸铁管承插捻口的环型间隙橡胶圈接口最大允许偏转角检验方法:观察和尺量检查。
室外排水管道安装的允许偏差和检验方法室外供热管道安装的允许偏差和检验方法锅炉辅助设备基础的允许偏差检验方法水压试验压力规定锅炉安装的允许偏差检验方法组装链条炉排安装允许偏差和检验方法往复炉排安装的允许偏差检验方法锅炉辅助设备安装允许偏差和检验方法13.3.11连接锅炉及辅助设备的工艺管道安装的允许偏差工艺管道安装的允许偏差和检验方法安全阀定压规定建筑给水排水及采暖工程分部、分项工程划分建筑给水排水及采暖工程的分部、子分部分项工程可按附表A划分。
附表A建筑给水、排水采暖工程分部、分项工程划分表附表B检验批质量验收检验批质量验收表由施工单位项目专业质量检查员填写,监理工程师(建设单位项目专业技术负责为)组织施工单位质量(技术)负责为等进行验收,并按附表B填写验收结论。
附表B检验批质量验收表附录C分项工程质量质量验收分项工程的质量验收由监理工程师(建设单位项目专业技术负责人)组织施工单位工项目专业质量(技术)负责人等进行验收,并按附表C填写。