外墙干挂饰面板施工工艺
- 格式:doc
- 大小:160.00 KB
- 文档页数:6
大理石饰面板干挂法施工工艺流程一、前期准备工作1. 勘察测量在进行大理石饰面板干挂法施工工艺流程之前,必须要进行勘察测量工作,确定施工地点的具体情况和要进行施工的大理石板规格尺寸等相关信息。
2. 材料准备在施工前需要将所需要的大理石板、安装金具、安全防护设备等材料齐备,确保施工过程中材料的充足性。
3. 安全防护施工现场必须进行安全防护工作,包括设置安全警示标识、配备必要的安全防护装备和设施,确保施工过程中的安全。
二、干挂法施工工艺流程1. 定位布置根据勘察测量的结果,确定大理石饰面板的具体安装位置,布置好安装的基准线和定位桩,确保安装的准确性和稳固性。
2. 钢龙骨架安装在进行大理石饰面板的干挂法施工时,首先需要进行钢龙骨架的安装工作,根据设计图纸和布置好的位置进行钢龙骨的安装,确保其水平、垂直和平整。
3. 安装大理石板在钢龙骨架安装完成后,将预先加工好的大理石板按照设计要求进行安装,采用专用的安装金具将大理石板固定在钢龙骨架上,确保其牢固性和稳定性。
4. 调整修整在大理石板安装完成后,进行调整修整工作,对板材的接缝、厚度和平整度进行检查,保证大理石饰面板的整体效果和质量。
5. 清理保护施工完成后,对大理石饰面板进行清理和保护工作,保持其清洁和美观,以及进行必要的防护措施,确保饰面板的长期使用效果。
三、验收和交付1. 自检互检施工人员进行自检和互检工作,对施工的质量和效果进行全面检查,确保施工符合设计要求和相关标准。
2. 验收由相关部门或专业人员进行验收工作,对大理石饰面板的干挂法施工进行检验,确认施工质量和效果符合相关标准和规定。
3. 完工交付经过验收合格后,将大理石饰面板的干挂法施工交付给建设单位或业主,确保交付工作的规范性和顺利进行。
以上即是大理石饰面板干挂法施工工艺流程的简要概述,该工艺流程的实施需要严格按照相关标准和规范进行,并且需要结合具体情况进行灵活处理,以确保最终施工效果的优质和美观。
外墙干挂铝塑板专项施工方案一、资料及构配件要求1 、铝塑板的品种、质量、颜色、花型、线条应切合设计要求。
2、与骨架固定的各样设计和安装所需的连结件的质量,一定切合要求。
二、主要机具无齿锯片切割机、手电钻、冲击电钻、射钉枪、各样规格的钻花、扳手、螺丝刀、手锤、墨线、线垂、尼龙线、钢卷尺、电焊机、氧切设施、手动吸盘、电动吊蓝、注胶枪、拉铆枪、安全带等。
三、作业条件1. 检查铝塑板的质量、规格等各项指标。
2. 水电及设施、墙上预留预埋件已安装完成。
各隐蔽工程已进行完毕。
四、工艺流程:放线→ 固定骨架的连结件→ 固定骨架→安装铝板→收口结构办理→查验五、施工工艺:1. 结构尺寸查验:进行吊直、套方、找规矩,弹出垂直水平线,并依据设计图纸和实质需要弹出安装铝塑板的地点线和分块线。
2. 放线:放线工作依据土建实质的中心线及标高点进行;饰面的设计以建造物的轴线为依照铝塑板骨架由横竖件构成,先弹好竖向杆件的地点线,而后再将竖向杆件的锚固点确立。
3. 固定骨架的连结件:安装固定连结件在放线的基础上,用电焊固定连结件。
连结件与主体结构上的预埋件焊接固定,当主体结构上没有埋设预埋铁件时,可在主体结构上打孔安设膨胀螺栓与连结铁件固定。
4. 固定骨架:安装骨架用焊接方法安装骨架,安装随时检查标高,中心线地点,并同时将截面连结焊缝做防锈漆办理,固定连结件做隐蔽检查记录包含连结件焊缝长度、厚度、地点埋置标高、数目、嵌入深度。
5. 安装铝塑板:安装铝塑板在型材内架上,先攻铣螺丝孔位,用铆钉(或者螺丝)将铝塑板饰面逐块固定在型钢骨架上;板与板之间的空隙为10 ~15 ㎜再注入硅酮耐候密封胶;铝板安装前禁止拆包装纸,直至完工前面扯开包装保护膜;五、质量标准1、保证项目(1)、饰面板的品种、颜色、规格、形状、平整度、几何尺寸、光洁度、颜色和图案一定切合设计要求,并有产品合格证。
(2)、面层与基层应安装坚固,粘贴料、干挂配件一定切合设计要乞降国家现行相关标准的规定,钢配件需作好防锈办理。
石材饰面板干挂法的施工工艺
石材饰面板干挂法是一种常用的施工工艺,它的施工步骤如下:
1. 石材基层处理:首先对建筑物的墙体进行平整处理,确保墙面平整、无明显凹凸。
然后涂刷钢筋保护涂料,保护墙体免受水泥浆的腐蚀。
2. 安装石材支架:在墙体上预埋并固定石材支架,确保支架与墙体接触均匀牢固。
3. 安装石材背夹板:使用专用的背夹板将石材安装在支架上,背夹板宽度一般为30-35mm,材质可选用不锈钢或铝合金。
安装时要保持背板整齐,避免出现明显的缝隙或变形。
4. 固定石材:将石材放置在背夹板上,并使用压板或螺钉将石材固定在背板上。
注意要均匀施加力量,避免石材产生变形或破损。
5. 排水处理:根据需要,在石材上开孔或预留通水槽,以排除雨水的积聚,防止墙面受潮。
6. 石材处理:完成石材安装后,对石材进行清洁处理,清除尘土和污垢,并用专用的石材保护剂进行喷涂,增强石材的耐磨性和抗污性。
7. 检测与验收:对干挂石材进行检测,确保石材安装牢固、平整,同时进行验收,确认施工质量达到设计要求。
需要注意的是,在进行干挂石材施工时,必须根据具体的墙体结构和材质选择相应的支架和背夹板,并按照施工图纸和相关规范进行施工。
施工过程中要注意安全,确保操作人员的人身安全,并保证石材施工质量。
玻化砖干挂施工工艺三篇篇一:玻化砖干挂施工工艺1、适用范围适用于工业与民用建筑室内、外墙干挂(玻化砖)饰面板的施工。
2、施工准备(1)材料、半成品要求(1)按设计要求的品种、颜色、花纹和尺寸规格选用玻化砖,并严格控制、检查其抗折、抗拉及抗压强度,吸水率等性能。
块材的表面应光洁、方正、平整、质地坚固,不得有缺楞、掉角、暗痕和裂纹等缺陷。
(2)膨胀螺栓、连接角码、不锈钢挂件等配套的连接件的质量,必须符合国家现行有关标准的规定。
(3)合成树脂胶粘剂:用于粘贴石材背面的柔性背衬材料,要求具有防水和良好的耐老化性能。
(2)主要工机具主要工机具一览表(1)隐蔽工程施工完毕,并经过验收。
(2)临时用电及机具设备、照明设备等,并经安全部门批准使用。
(3)对施工人员进行技术交底时,应强调技术措施、质量要求和成品保护,大面积施工前应先做样板,经质检部门鉴定合格后,方可组织班组施工。
4、作业人员(1)架子工、机运工、电工、焊工必须持证上岗。
(2)主要作业人员必须有过三项以上(或3000m2)同类型分项工程施工经历。
(3)所有施工人员均已接受工地技术、安全培训和教育。
5、施工工艺(1)工艺流程:(2)操作工艺1)玻化砖验收:收货要设专人负责管理,要认真检查材料的规格、型号是否正确,与料单是否相符,发现玻化砖颜色明显不一致的,要单独码放,以便退还给厂家,如有裂纹、缺棱掉角的,要修理后再用,严重的不得使用。
还要注意石材堆放地要夯实,垫10cm×10cm通长方木,让其高出地面8cm以上,方木上最好钉上橡胶条,玻化砖按75°立放斜靠在专用的钢架上,每玻化砖之间要用塑料薄膜隔开靠紧码放。
2)基层准备:清理基层表面,同时进行吊直、套方、找规矩,弹出垂直线、水平线。
并根据施工图纸和实际需要弹出板材安装位置线。
玻化砖安装前要事先用经纬仪打出大角两个面的竖向控制线,最好弹在离大角20cm的位置上,以便随时检查垂直挂线的准确性,保证顺利安装。
GRC干挂施工方案1. 概述GRC(Glassfiber Reinforced Cement)干挂饰面板是由水泥、玻璃纤维、细骨料等组成的一种复合材料。
GRC干挂施工是一种常见的建筑外墙装饰方式,其具有轻质、高强度、耐久性好等特点。
本文档将详细介绍GRC干挂施工方案,包括施工准备、施工工艺、材料及设备要求等。
2. 施工准备在进行GRC干挂施工前,需要进行一系列的准备工作:•材料准备:根据设计要求,准备所需的GRC饰面板、GRC支撑杆、GRC固定剂、胶黏剂等材料。
•设备准备:准备好吊篮、搅拌机、吊装设备等施工所需要的设备。
•工具准备:准备好切割机、打孔机、电动螺丝刀等常用工具。
•施工现场准备:确认施工现场的环境是否符合要求,清理施工区域,确保施工区域安全。
3. 施工工艺以下是GRC干挂施工的基本工艺步骤:3.1 钢结构安装•根据设计图纸要求,进行钢结构的安装,包括构架、梁、柱等。
•确保钢结构的平整度、垂直度和水平度符合要求。
3.2 GRC支撑杆安装•在钢结构上安装GRC支撑杆,确保其稳固和平整。
•根据设计要求,设置支撑杆的间距和位置。
3.3 GRC饰面板制作•将GRC干粉与水泥、细骨料、玻璃纤维等按比例混合,搅拌均匀,制成GRC饰面板。
•将混合好的材料倒入模具中,进行压制和养护,待其硬化成型后,取出模具得到GRC饰面板。
3.4 GRC饰面板安装•使用搭接方式或接触式固定方式将GRC饰面板安装在支撑杆上。
•安装时应注意每块饰面板之间的间距和平整度,确保整体效果美观。
3.5 补充固定•使用GRC固定剂或胶黏剂补充固定GRC饰面板的位置。
•确保每块饰面板牢固固定,防止其受到风力或其他外力的影响。
3.6 检查与清洁•完成施工后,对GRC干挂饰面进行检查,确保每块饰面板安装正确、平整。
•清洁施工区域,清除杂物和垃圾,保持施工现场的干净整洁。
4. 材料及设备要求介绍GRC干挂施工中所需的主要材料和设备:4.1 材料要求•GRC饰面板:符合国家标准,具有一定的强度和耐候性。
纤维板干挂墙面施工方案一、工艺流程纤维板采用金属挂件在背面作不可见的固定,纤维板固定在钢龙骨系统上。
在安装的过程中,根据纤维板的构造和排版图,采用科学严密的施工组织,确保纤维板加工合理、固定可靠、装饰效果完美。
工艺流程如下:施工准备→清理墙面→现场测量墙面的具体的尺寸→与排版图对应→核对尺寸及检查误差→调节板材的尺寸→寻找开线点弹线→根据排版图已经调整的尺寸放全部纵向线一弹至少三根横向水平通线→弹每块板的具体位置线→弹出每个Ⅱ型龙骨固定码位置点→打眼安装固定主龙骨→固定通长次龙骨→安装板材上可调及普通的挂片→安装板材纤维板在公司工厂定型加工,现场安装,只有钢结构部分和部分板材需要现场进行修整处理,故现场安装非常方便。
操作台要求平整,现场制作即可。
二、施工准备1.材料准备(1)按设计要求的纤维板已经到位;(2)按进场计划备足龙骨(30*15*2镀锌方钢基层)、挂件(分可调挂件、普通挂件两种)、切口螺丝、自攻螺丝。
龙骨的规格大小和间距根据纤维板的分格大小和重量,通过计算确定。
2. 作业条件(1)专项施工方案已编制完成,并经审核后已完成了交底工作。
(2)纤维板工程所需的施工图及其他设计文件已具备。
(3)施工安全及技术交底工作已按要求完成。
(4)材料的合格证书、性能检测报告、进场验收记录和复检报告已符合要求。
(5)墙上的电器、消防设施已经完成,并已经做好隐蔽工程预检查验收。
(6)各相关专业工种之间已完成了交接检验,并形成了记录。
(7)可能对纤维板施工环境造成严重污染的分项工程已安排在纤维板施工前进行。
(8)有验收过的控制线和基准线。
(9)脚手架等操作平台已搭设就位。
(10)纤维板尺寸及数量与排板图所示规定一致,运输到工地后与下料单标注尺寸数量一致,每块板的背后标注具体的应用部位及编号。
下料单标注的板材的尺寸为成品可视板面(不含缝隙)的实际尺寸。
三、操作工艺1. 墙面处理对结构面层进行清理,同时进行吊直、找规矩、弹出垂直线及水平线。
外墙干挂砖的施工工艺
外墙干挂砖是一种常见的外墙饰面材料,其施工工艺主要包括以下几个步骤:
1. 确定安装基准线:首先要根据设计要求确定干挂砖的安装基准线,一般为地面或墙体的水平线。
2. 安装基层支撑构件:根据设计要求和当地建筑规范,使用金属或混凝土材料搭建基层支撑构件,如角钢、槽钢等,以确保干挂砖的安全固定。
3. 安装砖墙防潮层:在基层支撑构件上,通过焊接、螺钉等方式固定砖墙防潮层,以防止墙体渗水。
4. 安装排线板和立体网格架:根据设计要求,在砖墙防潮层上固定排线板,再通过铆钉、焊接等方式安装立体网格架,以达到砖砌体之间的固定作用。
5. 砂浆粘贴:使用特制的粘结砂浆,在立体网格架上均匀涂抹一层砂浆,然后将干挂砖逐个固定到砂浆上,注意保持砖缝的整齐与水平。
6. 粘贴模板:在安装完成一段砖后,需要使用粘贴模板暂时固定住,以确保砖与砖之间保持一致的间距和水平度。
7. 检查和调整:在全部安装完成后,进行整体的检查和调整,确保砖墙的外观
平整、整齐。
8. 封缝和清洁:待砂浆干燥后,使用专用的密封胶对砖缝进行封缝处理,以防止水渗透。
最后,对墙面进行清洁,保持整体的美观。
需要注意的是,在施工过程中要严格按照设计要求和相关建筑规范进行操作,确保施工质量和安全性。
此外,外墙干挂砖施工需要专业的施工团队进行,以确保施工效果和工期。
外墙干挂饰面板工程施工工艺1、工艺流程施工准备→基层处理→放控制线→石材排板放线→挑选石材→预排石材→打膨胀螺栓→安装钢骨架→安装挂件→石材开槽→石材固定→打胶→调整→板面清理→验收2、操作工艺:2.1施工准备①偏差实测采取经纬仪投测与垂直、水平挂线相结合的方法,挂线采用细钢丝;测量结果及时记录并绘制实测成果,提交技术负责人和翻样人员进行二次设计。
②块材应预拼、配花、编号等,以备正式拼装时按号取用;非整块石材应放在次要部位或调整尺寸2.2基层处理:将墙面基层表面清理干净,对局部影响骨架安装的凸出部分应剔凿干净。
检查饰面基层及构造层的强度、密实度,应符合设计及石材干挂要求。
2.3放控制线:①测定窗口立线,以各层设计标高+50cm线和每层石材标高线。
定出窗口上下水平线及窗口两侧垂直线。
根据二次设计图纸弹出型钢龙骨位置线。
每个大角下吊垂线,给出大角垂直控制线。
②根据石材分格图弹线,确定金属胀锚螺栓的安装位置。
2.4挑选石材:石材到现场后须对材质、加工质量、花纹和尺寸等进行检查,将色差较大、缺棱掉角、崩边等有缺陷的石材挑出并加以更换。
2.5预排石材:将选出的石材按使用部位和安装顺序进行编号,选择在较为平整的场地做预排,检查拼接出的板块是否存在色差、是否满足现场尺寸要求,完成此项工作后将板材按编号存放备用。
2.6打膨胀螺栓孔:按设计的石材排板和骨架设计要求,确定膨胀螺栓间距,划出打孔点,用冲击钻在结构上打出孔洞以便安装膨胀螺栓,孔洞大小按照膨胀螺栓的规格确定,间距一般控制在500mm左右。
2.7安装骨架:①干挂石材时采用镀锌槽钢和镀锌角钢做骨架,采用镀锌槽钢做主龙骨,镀锌角钢做次龙骨形成骨架网,通过挂件与后砌墙体上的混凝土柱、条带及混凝土结构墙体进行锚栓连接。
②骨架安装前按设计和排板要求的尺寸下料,用台钻钻出骨架的安装孔并刷防锈漆处理。
③按墙面上的控制线用ф8~ф14的膨胀螺栓将后置钢板固定在墙面上(或采用预埋钢板);型钢龙骨通过角钢连接件与预埋钢板或后置钢板焊接;焊接完成,按规定除去药皮并进行焊缝隐检,合格后刷防锈漆三遍。
干挂法施工工艺一、概述干挂法施工工艺是一种常用的建筑外墙装饰材料安装方法。
通过该工艺,外墙装饰材料可以直接固定在建筑物外墙上,不需要使用其它的粘接剂或胶水。
这种施工方法具有施工简便、施工速度快、装饰效果好等优点。
在干挂法施工工艺中,外墙装饰材料通常为石材、陶瓷等材质,通过特殊的构件和连接方式与建筑物外墙相连接。
二、施工准备在进行干挂法施工之前,需要进行一系列的施工准备工作。
主要包括以下内容:1. 设计方案确认确认施工前的设计方案,包括外墙装饰材料的种类、尺寸、颜色等。
2. 外墙准备工作对建筑物外墙进行检查,确保墙体平整、无明显凹凸不平或裂缝等问题。
如有问题,需要进行修复处理。
3. 施工材料准备准备好所需的施工材料,包括外墙装饰材料、连接构件、固定螺栓等。
4. 设备工具准备准备好所需的施工设备和工具,包括吊篮、脚手架、电动工具、测量工具等。
三、施工步骤干挂法施工工艺的施工步骤通常包括以下几个环节:1. 定位测量在建筑物外墙上进行定位测量,确定外墙装饰材料的安装位置和尺寸。
2. 安装水平导轨根据设计方案,安装水平导轨,用于确定干挂构件的水平位置。
3. 安装立柱或构件根据设计方案,安装立柱或构件,用于固定外墙装饰材料。
4. 安装干挂构件将干挂构件连接到立柱或构件上,形成一个支架结构。
5. 安装外墙装饰材料将外墙装饰材料固定在支架结构上,通过特殊的连接方式进行固定。
6. 调整和修整根据需要,对已安装的外墙装饰材料进行调整和修整,以保证装饰效果和质量。
7. 清理和保养清理施工现场,保养已安装的外墙装饰材料,确保外墙装饰的完整性和美观度。
四、注意事项在进行干挂法施工时,需要注意以下事项:1. 材料质量选择优质的外墙装饰材料,确保其质量符合要求。
2. 构件连接采用合适的连接方式,确保干挂构件的稳固性和耐久性。
3. 施工安全严格遵守施工安全规范,采取有效的安全措施,确保施工场地的安全。
4. 质量监控严格进行施工质量监控,确保施工的质量达到设计要求。
外墙干挂石材施工工艺1工艺流程基层处理与安装钢骨架→装饰面位置放线,石材钻孔或开槽→安装挂件膨胀螺栓→安装挂件→锚固件及石材连接孔、槽涂胶→安装饰面石材→复核并调校饰面石材位置→用橡胶条或泡沫条填塞拼接缝并打封缝硅胶→饰面清理。
2施工要点2.1基层处理:先在墙上布置钢骨架,水平方向的角钢必须焊在竖向角钢上。
2.2聚苯板保温层安装:在角钢龙骨与墙面之间的空隙内用聚合物砂浆满粘30mm 厚聚苯板。
2.3放线:按设计要求在墙面上弹出控制网,由中心向两边弹放,应弹出每块板的位置线和每个挂件的具体位置。
2.4石材钻孔或切槽:采用销钉式挂件和挂钩式挂件时,可用冲击钻在石材上钻孔。
采用插片式挂件时可用角磨机在石材上切槽。
为保证所开孔、槽的准确度和减少石材破损,应使用专门的机架,以固定板材和钻机等。
2.5膨胀螺栓安装:按照放线的位置在墙面上打出膨胀螺栓的孔位,孔深以略大于膨胀螺栓套管的长度为宜。
埋设膨胀螺栓并予以紧固,最后用测力扳手检测连接螺母的旋紧力度。
2.6挂件和石材安装:在安装膨胀螺栓的同时将直角连接板固定,然后安装锚固件连接板,在上层石材底面的切槽和下层石材上端的切槽内涂胶,石材就位,使插片进入上、下层石材的槽内,调整位置后拧紧连接板螺栓。
2.7拼接缝的填塞与封闭:石材安装完毕后,经检查无误,清扫拼接缝后即可嵌入橡胶条或泡沫条。
然后打勾缝胶封闭。
注胶要均匀,胶缝应平整饱满,亦可稍凹于板面。
为保证拼缝两侧石材不被污染,应在拼缝两侧的石板上贴胶带纸保护,打完胶后再撕掉。
2.8擦缝及饰面清理:石材安装完毕后,清除所有的石膏和余浆痕迹,用麻布擦洗干净。
并按石材的出厂颜色调成色浆嵌缝,边嵌边擦干净,以更缝隙密实均匀、干净颜色一致。
3注意要点:3.1饰面石板材的品种、防腐、规格、形状、平整度、几何尺寸、光洁度、颜色和图案必须符合设计要求,要有产品合格证。
3.2面层与基底应安装牢固,干挂配件为不锈钢,必须符合设计要求和国家标准。
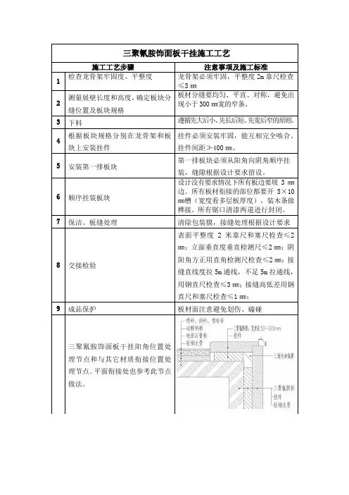
三聚氰胺饰面板干挂施工工艺
施工工艺步骤注意事项及施工标准
1 检查龙骨架牢固度、平整度龙骨架必须牢固,平整度2m靠尺检查
≤3㎜
2
测量展壁长度和高度,确定板块分
缝位置及板块规格板材分缝要均匀、平直、对称,避免出现小于300㎜宽的窄条。
3 下料遵循先大后小、先长后短、先宽后窄的原则。
4
根据板块规格分别在龙骨架和板
块上安装挂件挂件必须安装牢固,能互相完全啮合。
挂件间距≯400㎜。
5 安装第一排板块
第一排板块必须从阳角向阴角顺序挂
装,缝隙根据设计要求留设。
6 顺序挂装板块设计没有要求情况下所有板边要坡3㎜边。
所有板材衔接的部位都要开5×10㎜槽(宽度看多层板厚度),装木条做榫接。
所有锯口清漆两道进行封闭。
7 保洁、板缝处理清除包装膜,接缝处理根据设计要求
8 交接检验表面平整度2米靠尺和塞尺检查≤2㎜;立面垂直度垂直检测尺≤2㎜;阴阳角方正用直角检测尺检查≤2㎜;接缝直线度拉5m通线,不足5m拉通线,用钢直尺检查≤3㎜;接缝高低差用钢直尺和塞尺检查≤1㎜;
9 成品保护板材面注意避免划伤、磕碰
三聚氰胺饰面板干挂阳角位置处
理节点和与其它材质衔接位置处
理节点。
平面衔接处也参考此节点
做法。
饰面板工程干挂法施工工艺干挂法施工是指利用高强度螺栓和耐腐蚀、强度高的金属挂件(扣件、连接件)或利用金属龙骨,将饰面板材固定于建筑物的外表面的做法,石材饰面与结构之间留有40~50mm的空腔。
此法免除了灌浆湿作业,可缩短施工周期,减轻建筑物自重,提高抗震性能,增强了石材饰面安装的灵活性和装饰质量。
适用于大规格的大理石、花岗石板材安装。
干挂法施工工艺根据其挂件的固定、连接方法不同有多种构造做法,较常采用的主要有两种:板材干挂销针式做法、板材干挂板销式做法。
板材干挂销针式做法是在板材上下端面打孔,插入Φ5mm或Φ6mm(长度宜为20~30mm)不锈钢销,同时连接不锈钢舌板连接件,并与建筑结构基体固定,如图8-14所示。
板材干挂板销式做法是将上述销针式勾挂石板的不锈钢销改为≥3mm厚(由设计经计算确定)的不锈钢板条式挂件,施工时插入石板的预开槽内,用不锈钢连接件(或本身即呈L形的成品不锈钢挂件)与建筑结构体固定,如图8-15所示。
石板材干挂销针式做法示意图图8-14石板材干挂销针式做法示意图1-饰面石板材;2-不锈钢钢销及石板销孔;3-耐候密封结构胶;4-舌板;5-钢筋混凝土结构基体;6-不锈钢连接件(L50×40×4);7-膨胀螺栓;8-连接调节螺栓(M8);9-玻璃纤维网格布增强层石板材干挂板销式做法示意图图8-15石板材干挂板销式做法示意图1-玻璃纤维网格布增强层;2-不锈钢板条插件及石板插孔;3-耐候密封结构胶;4-不锈钢挂件;5-饰面石板材;6-钢筋混凝土结构基体现以板材干挂销针式做法为例说明干挂法施工工艺如下。
(一)材料1.石板材根据设计要求,确定石板材的品种、颜色、花纹和尺寸规格,并严格控制、检查其抗折、抗拉及抗压强度、吸水率、耐冻融循环等性能。
花岗岩板材的弯曲强度应经法定检测机构检测确定。
2.合成树脂胶粘剂合成树脂胶粘剂用于粘贴石板材背面的柔性背衬材料,要求具有防水和耐老化性能。
干挂饰面板施工工艺干挂饰面板,是指建筑立面建筑物的一种新型外立面装饰材料。
干挂饰面板具有装修效果美观、使用寿命长、施工方便等优点,因此得到了广泛的应用和推广。
干挂饰面板施工工艺是干挂饰面板应用的重要环节,在施工过程中的质量关系到其使用效果和使用寿命。
工具准备在进行干挂饰面板施工之前,需要准备一些必要的工具。
以下是干挂饰面板施工所需的工具和材料:•手电钻、扳手等基本电动工具•面板嵌入式下挂件•面板专用角码•水平仪•打击钢锤、木锤•各类分材料螺丝、防松螺柱等施工工艺1.前期准备在施工前,需要对建筑立面进行清洗,保持干燥清洁,并根据需要加固保温层。
确定固定点位置、安装方式等,按照设计要求放置嵌入式下挂件,确保下挂件固定牢固。
2.面板安装将干挂饰面板按照设计要求倒置于工作台,用专用角码将其放置于水平仪上,调整其位置,确保面板水平不倾斜。
然后使用钻孔器将钻头穿过面板上的预制孔,在下挂件处打孔,用全不锈钢螺丝将板件与下挂件木钉锁紧。
3.确定局部固定点在中心性集中荷载大的部位,需要确定局部固定点,防止设计荷载下面板变形。
局部固定点的设置应遵循以下原则:•固定点数量应足够,以保证安全性能。
•固定点位置应足够靠后,尽量避免固定点的设置对面板造成影响。
•固定点应设置在钢结构上,确保固定点牢固。
4.局部拼接处理干挂饰面板的施工过程中,需要对局部进行拼接处理,确保拼接处的防水性能。
拼接处的处理应遵循以下原则:•拼接时应格外小心,防止拼接处出现缝隙,影响美观度。
•拼接处的护墙板应有重负荷功能,以增强其承重能力。
•拼接处的密封材料应具有很好的抗水渗透性能,防止雨水渗透进入墙体内部。
5.末终处理对干挂饰面板进行施工最后的末终处理,具体工艺如下:•整面板的检视:用水平仪检查立面是否垂直,用测温仪测量墙体面积的热学性质,以确定保温的质量。
•绿色环保:用环保油漆对面板进行喷涂,使其符合环保要求。
干挂饰面板施工工艺较为复杂,需要根据实际情况调整方法与步骤,确保施工质量和安全。
简述石材饰面板干挂法施工工艺石材饰面板干挂法是一种常用的建筑外立面装饰材料安装方式,其施工工艺具有简便、美观、耐久等优点。
下面将以简述的方式介绍石材饰面板干挂法施工工艺。
一、工艺准备1. 材料准备:选择合适的石材饰面板,根据设计要求确定规格、颜色等,并对石材进行加工,如切割、打孔等。
2. 设计方案:依据建筑设计图纸和施工要求,制定石材饰面板的安装方案和施工工艺。
3. 工具设备准备:准备好所需的施工工具和设备,如起重机械、吊装工具、电动工具等。
二、基层处理1. 清洁基层:清除基层表面的尘土、油污等杂物,保持基层干燥洁净。
2. 基层检查:检查基层是否平整、牢固,如有不平整或松动部分,应进行修补加固。
三、安装辅助材料1. 安装固定件:根据设计要求和施工方案,在基层上安装固定件,一般采用的是不锈钢或铝合金材质,固定件的数量和位置要符合要求。
2. 安装防水层:在固定件上铺设防水层,防止水分渗透到基层材料中。
四、安装石材饰面板1. 石材饰面板安装:根据设计要求和施工方案,采用干挂法将石材饰面板逐块安装在固定件上。
首先将石材饰面板的固定槽与固定件的搭接部位对齐,然后将石材饰面板从上往下插入固定槽中,确保固定稳固。
2. 调整石材饰面板:安装完一块石材饰面板后,用水平仪进行调整,保证石材饰面板水平且垂直,同时注意石材之间的缝隙均匀。
3. 固定石材饰面板:将安装好的石材饰面板用专用的固定件进行固定,确保石材饰面板稳固牢固。
五、施工验收1. 外观质量检查:对已安装的石材饰面板进行外观质量检查,检查其与设计要求是否一致,检查是否有色差、破损等问题。
2. 结构安全检查:检查石材饰面板的固定是否稳固,是否存在松动现象,确保施工质量符合要求。
3. 环境保护:施工过程中要注意环境保护,及时清理施工垃圾,确保施工现场整洁。
总结:石材饰面板干挂法施工工艺是一种常用的建筑外立面装饰材料安装方式。
通过工艺准备、基层处理、安装辅助材料、安装石材饰面板和施工验收等步骤,可以实现石材饰面板的美观、耐久和稳固。
木饰面板干挂施工方案木饰面板干挂施工是一种将木饰面板固定在建筑物外墙或内墙上的一种施工方法。
它有以下几个特点:一是在施工过程中不会对原有的墙体有太大的影响;二是施工便利,可以在短时间内完成;三是由于使用木饰面板,具有较好的美观效果。
下面就详细介绍一下木饰面板干挂施工方案。
一、材料准备首先,需要准备好所需的材料。
木饰面板是干挂施工中的核心材料,可以根据建筑物的设计风格选择不同的木材。
同时,还需要准备木槽、木龙骨、螺丝和钉子等工具和辅材。
二、墙体处理在进行木饰面板干挂施工之前,需要先对墙体进行处理。
首先要清理墙体表面的灰尘和异物,保持墙体表面的干净。
如果墙体有裂缝或凹凸不平的情况,需要进行修补和打磨,以确保木饰面板安装平整。
三、木槽固定木槽是木饰面板固定的关键部位,需要对其进行固定。
首先,根据设计要求,在墙体上标出木槽的位置,并用螺丝或钉子将木槽固定在墙体上。
固定时要注意木槽的位置是否水平垂直,要做好调整和修正。
四、木龙骨安装木龙骨是用来支撑木饰面板的,需要在木槽上安装。
首先,根据木槽的位置和设计要求,在木槽上标出木龙骨的位置,并用螺丝或钉子将木龙骨固定在木槽上。
固定时要注意木龙骨的位置是否水平和垂直,并保持适当的间距。
五、木饰面板安装在木龙骨安装完毕后,可以开始安装木饰面板。
首先将木饰面板放置在木龙骨上,用钉子或螺丝将其固定在木龙骨上。
固定时要注意木饰面板的对齐和平整,要保证木饰面板与木槽的连接紧密,不会出现松动或裂缝的情况。
六、验收和清理木饰面板安装完毕后,需要进行验收和清理工作。
首先要检查木饰面板的固定情况,确保其牢固可靠。
其次,要对木饰面板进行清理,将表面的灰尘和污垢清理干净,保持木饰面板的美观。
以上就是木饰面板干挂施工的基本方案。
在实际施工过程中,还需要根据具体情况进行调整和改进。
希望以上内容对您有所帮助。
墙面饰面工程一、聚氨酯纤维板饰面板工程:1、聚氨酯纤维饰面板干挂法安装工艺流程:现场与图纸对照→现场测量放线→龙骨定位、放线→角码定位钻孔→龙骨安装→龙骨矫正与验收→节点部位处理→填充保温材料并加固→饰面板安装→洁面后收口→外面做漆。
2、施工要求:(1)基层处理:基层表面清洁干净,局部有影响骨架安装的凸出部分要剔凿干净,结构层的强度、密度符合设计规范要求。
据装饰墙面的位置检查墙体是否有局部剔凿,保证保温层厚度。
(2)放线控制线:聚氨酯纤维饰面板、铝板干挂施工必须现场放线,按照设计标高要求在墙上弹出龙骨竖向的分割线,并在墙上做上控制线、拉线,控制墙体水平位置,控制和找墙面的规矩和方正。
(3)根据墙上弹好的饰面板分格图确定龙骨的位置,根据龙骨螺栓布局确定膨胀螺栓安装位置。
(4)打膨胀螺栓:按照设计的饰面板排版和挂件安装位置,确定膨胀螺栓的打孔点,用冲击钻在结构上打出孔洞以便于安装膨胀螺栓,孔洞的大小要和膨胀螺栓的规格相符。
(5)龙骨安装:膨胀螺栓、角码安装完毕后开始安装龙骨,龙骨采用角码膨胀螺栓焊接固定在墙上,分仓龙骨安装完毕后,在分仓龙骨上按照面板尺寸焊接主龙骨、调平并加固以便饰面板铝板安装。
(6)保温岩棉饰面板、铝板安装:聚氨酯纤维饰面板安装时从底层开始,为确保保温性能岩棉板紧贴墙体、并用加固锚栓加固、用罩面砂浆挂网格布。
饰面板、铝板安装可采用防腐螺丝直接与主龙骨连接这样确保面板的牢固质量,饰面板安装从底层开始,吊好垂直线,挂上平行线,依次向上安装,必须对饰面板、铝板的材质、颜色、加工尺寸进行检查,饰面板安装时注意饰面板的交接口,保证饰面安装交圈,对于窗、门侧口可直接采用自攻螺丝挂接在主龙骨上,可根据现场情况确定。
饰面板安装过程遇到墙面需要填充墙结构及转角部位,除将饰面板固定在龙骨上以外,还应使用岩棉用螺栓加强与墙的附着力,面板用高强度自钻钉固定在龙骨上。
(7)、质量保证措施:1)为确保干挂保温饰面板的装饰性和安全性,必须从设计、制作和安装施工的全过程进行质量控制。
石材墙面干挂施工工艺1、施工预备(1)技术预备:编制室内、外墙面干挂石材饰面板装饰工程施工方案,并对工人进行书面技术及平安交底。
(2)材料预备1)石材:依照设计要求,确信石材的品种、颜色、花纹和尺寸规格,并严格操纵、检查其抗折、抗拉及抗压强度,吸水率、耐冻融循环等性能。
花岗岩板材的弯曲强度应经法定检测机构检测确信。
2)合成树脂胶粘剂:用于粘贴石材反面的柔性背衬材料,要求具有防水和耐老化性能。
3)用于干挂石材挂件与石材间粘结固定,用双组份环氧型胶粘剂,按固化速度分为快固型(K)和一般型(P)4)中性硅酮耐候密封胶,应进行粘合力的实验和相容性实验。
5)玻璃纤维网格布:石材的背衬材料。
6)防水胶泥:用于密封连接件。
7)防污胶条:用于石材边缘避免污染。
8)嵌缝膏:用于嵌填石材接缝。
9)罩面涂料:用于大理石表面防风化、防污染。
10)不锈钢紧固件、连接铁件应按同一种类构件的5%进行抽样检查,且每种构件很多于5件。
11)膨胀螺栓、连接铁件、连接不锈钢针等配套的铁垫板、垫圈、螺帽及与骨架固定的各类设计和安装所需要的连接件的质量,必需符合要求。
(3)要紧机具要紧机具:台钻、无齿切割锯、冲击钻、手枪钻、力矩扳手、开口扳手、嵌缝枪、专用手推车、长卷尺、盒尺、锤子、各类形状钢凿子、靠尺、水平尺、方尺、多用刀、剪子、铅丝、弹线用的粉线包、墨斗、小白线、笤帚、铁揪、开刀、灰槽、灰桶、工具袋、手套、红铅笔等。
(4)作业条件1)石材的质量、规格、品种、数量、力学性能和物理性能是不是符合设计要求,并进行表面处置工作。
同时应符合现行行业标准《天然石材产品放射性防护分类操纵标准》。
2)搭设双排架子处置。
3)水电及设备、墙上预留预埋件已安装完。
垂直运输机具均事前预备好。
4)外门窗已安装完毕,安装质量符合要求。
5)对施工人员进行技术交底时,应强调技术方式、质量要求和成品珍惜,大面积施工前应先做样板,经质检部门鉴定合格后,方可组织班组施工。
外墙干挂饰面板施工工艺
胶缝厚度不小于3mm
外墙饰面板施工
1、工艺流程
施工准备→基层处理→放控制线→石材排板放线→挑选石材→预排石材→打膨胀螺栓→安装钢骨架→安装挂件→石材开槽→石材固定→打胶→调整→板面清理→验收
2、操作工艺:
2.1施工准备
①偏差实测采取经纬仪投测与垂直、水平挂线相结合的方法,挂线采用细钢丝;测量结果及时记录并绘制实测成果,提交技术负责人和翻样人员进行二次设计。
②块材应预拼、配花、编号等,以备正式拼装时按号取用;非整块石材应放在次要部位或调整尺寸
2.2基层处理:将墙面基层表面清理干净,对局部影响骨架安装的凸出部分应剔凿干净。
检查饰面基层及构造层的强度、密实度,应符合设计及石材干挂要求。
2.3放控制线:
①测定窗口立线,以各层设计标高+50cm线和每层石材标高线。
定出窗口上下水平线及窗口两侧垂直线。
根据二次设计图纸弹出型钢龙骨位置线。
每个大角下吊垂线,给出大角垂直控制线。
②根据石材分格图弹线,确定金属胀锚螺栓的安装位置。
2.4挑选石材:石材到现场后须对材质、加工质量、花纹和尺寸等进行检查,将色差较大、缺棱掉角、崩边等有缺陷的石材挑出并加以更换。
2.5预排石材:将选出的石材按使用部位和安装顺序进行编号,选择在较为平整的场地做预排,检查拼接出的板块是否存在色差、是否满足现场尺寸要求,完成此项工作后将板材按编号存放备用。
2.6打膨胀螺栓孔:按设计的石材排板和骨架设计要求,确定膨胀螺栓间距,划出打孔点,用冲击钻在结构上打出孔洞以便安装膨胀螺栓,孔洞大小按照膨胀螺栓的规格确定,间距一般控制在500mm左右。
2.7安装骨架:
①干挂石材时采用镀锌槽钢和镀锌角钢做骨架,采用镀锌槽钢做主龙骨,镀锌角钢做次龙骨形成骨架网,通过挂件与后砌墙体上的混凝土柱、条带及混凝土结构墙体进行锚栓连接。
②骨架安装前按设计和排板要求的尺寸下料,用台钻钻出骨架的安装孔并刷防锈漆处理。
③按墙面上的控制线用ф8~ф14的膨胀螺栓将后置钢板固定在墙面上(或采用预埋钢板);型钢龙骨通过角钢连接件与预埋钢板或后置钢板焊接;焊接完成,按规定除去药皮并进行焊缝隐检,合格后刷防锈漆三遍。
④槽钢骨架根据设计要求确定,安装骨架时应注意保证垂直度和平整度,并拉线控制,使墙面或房间方正。
槽钢、角钢均为热镀锌钢材。
⑤次龙骨与挂件的连接采用不锈钢螺栓,次龙骨根据螺栓位置开长孔,与舌板相互配合实现位置的调整。
钢龙骨的安装位置必须符合挂板要求。
2.8安装挂件:挂件根据石材板块规格确定,分40×3 mm和50×5 mm两种,按设计要求加工。
利用螺丝与骨架连接,调节挂件须安装牢固。
将挂件用螺栓临时固定在横龙骨的打眼处,安装时螺栓的螺帽上,同时应将平垫、弹簧垫安放齐全并适当拧紧。
将首层石材逐块进行试挂,位置不相符时应调整挂件的左右使其相符。
2.9石材开槽:
①石材安装前用云石机在侧面开槽,开槽深度根据挂件尺寸确定,一般要求不小于10mm且在板材后侧边中心。
为保证开槽不崩边,开槽距边缘距离为1/4边长且不小于50mm。
两挂件的距离一般不应
大于600mm。
短槽距离石材端部的距离不小于石材厚度的3倍且不小于85mm,也不应大于180mm。
②石板开槽后不得有损坏或崩边现象,槽口应打磨成45°倒角,槽内应光滑、洁净,开槽后应将槽内的石屑吹干净或冲洗干净。
2.10石材安装:
①从底层开始,吊垂直线依次向上安装。
对石材的材质、颜色、纹路和加工尺寸应进行检查。
②根据石材编号将石材轻放在T形挂件上,按线就位后调整准确位置,并立即清孔,槽内注入调制好的结构胶,保证足够的凝固时间,以避免过早凝固而脆裂,过慢凝固而松动。
③板材垂直度、平整度拉线校正后拧紧螺栓。
安装时应注意各种石村的交接和接口,保证石材安装交圈。
2.11石材安装干挂完成且侧面的其他外墙饰面工程施工完成后,涂料与石材的交界面处缝隙采用黄色耐候胶密封,面砖与石材的交界面处缝隙用黑色耐候胶密封,使缝隙密实、均匀、干净、颜色一致、接头处光滑。
2.12擦缝、打蜡:
①密拼式石材安装完毕后,用抹布擦干净石板表面,并按石板颜色调制色浆嵌缝,边嵌缝边擦干净,使缝隙密实、均匀、干净、颜色一致。
②打蜡一般应按蜡的使用操作方法进行,原则上烫硬蜡、擦软蜡,要求均匀不露底色,色泽一致,表面整洁。
3、质量要求:
3.1干挂石材墙面所用的材料的品种、规格、性能、等级。
应符合设计要求及国家产品标准和工程技术规范的规定。
石材的弯曲强度不应小于8.0MPa,吸水率应小于0.8%。
干挂石材墙面的不锈钢挂件厚度不应小于3.0mm。
3.2干挂石材墙面的造型、立面分格、颜色、光泽应符合设计要求。
3.3石材槽的数量、位置、深度、尺寸应符合设计要求。
3.4干挂石材墙面主体结构上的后置埋件的位置、数量及拉拔力必须符合设计要求。
后置埋件必须做现场拉拔强度试验,符合要求后才能铺贴装饰面板。
3.5干挂石材墙面金属框架立柱与主体结构埋件的连接、立柱与横梁的连接、连接件与金属框架的连接、连接件与石材面板的连接符合设计要求,安装牢固。
3.6金属框架和连接件的防腐处理应符合设计要求。
3.7干挂石材墙面的防雷装置必须与主体结构防雷装置可靠连接。
3.8干挂石材墙面的防火、保温、防潮材料的设置应符合设计要求,填充应密实、均匀、厚度一致。
3.9干挂石材墙面与涂料、面砖墙面交界面缝隙注胶处理应饱满、密实、连续、均匀、无气泡。
3.10干挂石材墙面的表面应平整、洁净,无污染、缺损和裂痕。
颜色和花纹协调一致,无明显色差,无明显修痕。
3.11石材板缝应横平竖直。
宽窄均匀,阴阳角石板压向正确,板边合缝应顺直,凹凸线出墙厚度应一致,上下口应平直,石材面板上的洞口。
槽边应套割吻合,边缘应整齐。
3.12干挂石材墙面立面垂直度、表面平整度、阴阳角方正、接缝平直度、勒脚上口直线度允许偏差均为2㎜,相邻板面接缝高低差≤0.5㎜。