安全技术标准规范强制性条文汇编2018年度0130.docx
- 格式:docx
- 大小:390.59 KB
- 文档页数:14
2018年最新服装执行标准与安全技术要求为了确保人们穿戴的服装能够符合相关的安全要求,减少可能发生的安全风险,各国都制定了一系列的服装执行标准与安全技术要求。
2018年,针对服装行业的标准与要求也进行了更新和全面规范,以适应市场需求和人们对服装品质和安全的不断提升的需求。
一、服装材料的安全要求1. 材料安全性测试为了确保服装材料的安全性,各国制定了一系列的测试标准来评估材料的基本安全性能。
其中包括对有害物质的检测,如重金属、有害染料等;对燃烧性能的测试,如阻燃、耐火、燃烧速率等;对化学品的检测,如甲醛、阻燃剂等。
2. 标识与警示要求服装材料的标识与警示信息对于消费者来说至关重要。
标识应该清晰且易于辨认,包括生产厂商信息、材料成分、特殊使用说明等。
对于某些可能对健康有影响的材料,还需要在标签上进行警示,并提醒消费者注意使用方法。
二、服装制作工艺的安全要求1. 型号设计要求服装的型号设计直接关系到穿着的舒适度和安全性。
对于不同类型的服装,有不同的设计要求,比如对于马甲、安全带等,要求能够紧密包裹身体并保持稳定性,避免在运动中滑落或松动。
2. 缝制与工艺要求服装的缝制与工艺直接决定了其结构安全性。
各国都制定了一系列的规范和标准来要求服装制造商遵循严格的缝制工艺,确保衣物的耐穿、耐撕、耐洗等性能。
同时还要求缝线的牢度、拉伸性能、阻燃性等指标符合相应的标准。
三、服装的功能要求1. 防紫外线性能要求随着紫外线对人体健康的不断关注,服装防紫外线功能逐渐成为消费者选择服装的重要指标之一。
服装的防紫外线性能要求包括能够有效防护紫外线的穿透、透气性、舒适性等指标。
2. 抗静电性能要求静电对于人体的影响不容忽视,尤其是在干燥环境下。
服装的抗静电性能要求包括阻止静电产生、降低静电电场强度、减少静电电荷积累等,并遵循相关的国际或地区标准。
四、儿童服装的特殊要求儿童服装相比成人服装,更需要考虑儿童生长发育、活动范围和安全性。
目录●基坑工程JGJ 167-2009 湿陷性黄土地区建筑基坑工程安全技术规程-—————37 JGJ 120—1999 建筑基坑支护技术规程-————-—————————37 GB 50330—2002 建筑边坡工程技术规范—————-————————-37 JGJ 180-2009 建筑施工土石方工程安全技术规范——-——————-38 GB 50497—2009 建筑基坑工程监测技术规范———————-—————38 JGJ 94—2008 建筑桩基技术规范———--—-———-—————-39CJJ 61—2003 城市地下管线探测技术规程-————————-———39●脚手架JGJ 130-2001 建筑施工扣件式钢管脚手架安全技术规范(2002年版)—40 JGJ 166—2008 建筑施工碗扣式钢管脚手架安全技术规范-———-—-41JGJ 128-2000 建筑施工门式钢管脚手架安全技术规范———————-42 GB 19155-2003 高处作业吊篮———————--—-———————-43●高处作业JGJ 80—91 建筑施工高处作业安全技术规范———————————44●模板工程JGJ 162—2008 建筑施工模板安全技术规范—————-————-——46●临时用电JGJ 46—2005 施工现场临时用电安全技术规程————-—-——-—47●机械设备JGJ 160-2008 施工现场机械设备检查技术规范--—--—-————49JGJ 33-2001 建筑机械使用安全技术规程—-————————-——50 JGJ 88-92 龙门架及井架物料提升机安全技术规范————————54 GB 5144-2006 塔式起重机安全规程———-——————---———55JGJ 196-2010 建筑施工塔式起重机安装、使用、拆卸安全技术规程——58 GB 10055-2007 施工升降机安全规程-———————--——————59●市政工程GB 50141-2008 给水排水构筑物工程施工及验收规范——--—————60GB 50092—96 沥青路面施工及验收规范—-—————-——-———63CJJ 68-2007 城镇排水管渠与泵站维护技术规程—————-————63 CJJ 6-85 排水管道维护安全技术规程—————--—-————64GB 50446-2008 盾构法隧道施工与验收规范——-—————-—-——65●石化建设GB 50484-2008 石油化工建设工程施工安全技术规范—--——————65SH/T 3536-2002 石化化工工程起重施工规范-————-——--———69●工程拆除JGJ 147-2004 建筑拆除工程安全技术规范———————————--70 DGJ 08-70-2006 建筑物、构筑物拆除规程————-—-—-—---—71●季节施工JGJ 8091 建筑施工高处作业安全技术规范—-———-—————73 JGJ 130-2001 建筑施工扣件式钢管脚手架安全技术规范——————-73 JGJ 104-97 建筑工程冬季施工规程——--————-——————73GB 50092—96 沥青路面施工及验收规范-—-———-——-————75●环境卫生JGJ 146—2004 建筑施工现场环境与卫生标准-———-——-————75●劳动防护JGJ 184—2009 建筑施工作业劳动防护用品配备及使用标准——————76●班组管理DGJ 08-2061-2009 建设工程班组安全管理标准-——-—-———————77●基坑工程湿陷性黄土地区建筑基坑工程安全技术规程强制性条文建筑基坑支护技术规程强制性条文建筑边坡工程技术规程强制性条文建筑施工土石方工程安全技术规范强制性条文建筑基坑工程监测技术规范强制性条文强制性条文城市地下管线探测技术规程强制性条文●脚手架建筑施工扣件式钢管脚手架安全技术规范(2002年版)强制性条文建筑施工碗扣式钢管脚手架安全技术规范强制性条文建筑施工门式钢管脚手架安全技术规范强制性条文(JGJ 128—2000)高处作业吊篮强制性条文●高处作业建筑施工高处作业安全技术规范强制性条文●模板工程建筑施工模版安全技术规范强制性条文●临时用电施工现场临时用电安全技术规范强制性条文●机械设备施工现场机械设备检查技术规程强制性条文(JGJ 160-2008)建筑机械使用安全技术规程强制性条文龙门架及井架物料提升机安全技术规范强制性条文(JGJ 88-92)塔式起重机安全规程强制性条文建筑施工塔式起重机安装、使用、拆卸安全技术规程强制性条文施工升降机安全规程强制性条文(摘要)市政工程给水排水构筑物工程施工及验收规范强制性条文附表4.4。
目录目录 (1)一、电气设计主要规范 (4)1《供配电系统设计规范》GB50052-2009 (4)2《低压配电设计规范》GB50054-2011 (5)3《建筑照明设计标准》GB50034-2013 (5)4《火灾自动报警系统设计规范》GB50116-2013 (13)5《建筑物防雷设计规范》GB50057-2010 (14)6《电力工程电缆设计标准》GB50217-2018 (18)7《通用用电设备配电设计规范》GB50055-2011 (18)8《民用建筑电气设计规范》JGJ16-2008 (18)9《住宅建筑电气设计规范》JGJ242-2011 (21)10《交通建筑电气设计规范》JGJ243-2011 (22)11《金融建筑电气设计规范》JGJ284-2012 (22)12《医疗建筑电气设计规范》JGJ312-2013 (23)13《教育建筑电气设计规范》JGJ310-2013 (23)14《体育建筑电气设计规范》JGJ354-2014 (24)15《会展建筑电气设计规范》JGJ333-2014 (24)16《20K V及以下变电所设计规范》GB50053-2013 (24)17《矿物绝缘电缆敷设技术规程》JGJ232-2011 (26)18《城市配电网规划设计规范》GB50613-2010 (26)19《建筑设计防火规范》GB50016-2014(2018年版) (30)20《爆炸危险环境电力装置设计规范》GB50058-2014 (35)21《城市消防远程监控系统技术规范》GB50440-2007 (36)22《人民防空工程设计防火规范》GB50098-2009 (36)23《体育场馆照明设计及检测标准》JGJ153-2016 (37)24《城市综合管廊工程技术规范》GB50838-2015 (37)25《汽车库、修车库、停车场设计防火规范》GB50067-2014 (37)26《建筑机电工程抗震设计规范》GB50981-2014 (38)27《人民防空地下室设计规范》GB50038-2005 (38)28《3~110K V高压配电装置设计规范》GB50060-2008 (39)29《并联电容器装置设计规范》GB50227-2017 (41)30《农村民居雷电防护工程技术规范》GB50952-2013 (41)31《古建筑防雷工程技术规范》GB51017-2014 (41)32《建筑物电子信息系统防雷技术规范》GB50343-2012 (42)二、智能化专项设计主要规范 (43)33《综合布线系统工程设计规范》GB50311-2016 (43)34《安全防范工程技术规范》GB50348-2004 (43)35《视频安防监控系统工程设计规范》GB50395-2007 (49)36《入侵报警系统工程设计规范》GB50394-2007 (49)37《出人口控制系统工程设计规范》GB50396-2007 (50)38《厅堂扩声系统设计规范》GB50371-2006 (51)39《会议电视会场系统工程设计规范》GB50635-2010 (51)40《红外线同声传译系统工程技术规范》GB50524-2010 (51)41《数据中心设计规范》GB50174-2017 (52)42《通信管道与通道工程设计规范》GB50373-2006 (52)43《电子会议系统工程设计规范》GB50799-2012 (54)44《消防通信指挥系统设计规范》GB50313-2013 (54)45《住宅区和住宅建筑内光纤到户通信设施工程设计规范》GB50846-2012 (56)46《公共广播系统工程技术规范》GB50526-2010 (56)47《民用闭路监视电视系统工程技术规范》GB50198-2011 (57)48《智能建筑设计标准》GB50314-2015 (57)三、各类建筑电气设计主要规范 (58)49《住宅设计规范》GB50096-2011 (58)50《住宅建筑规范》GB50368-2005 (58)51《宿舍建筑设计规范》JGJ36-2016 (59)52《中小学校设计规范》GB50099-2011 (59)53《办公建筑设计规范》JGJ67-2006 (59)54《展览建筑设计规范》JGJ218-2010 (60)55《档案馆建筑设计规范》JGJ25-2010 (60)56《剧场建筑设计规范》JGJ57-2016 (60)57《电影院建筑设计规范》JGJ58-2008 (61)58《铁路旅客车站建筑设计规范》GB50226-2007 (61)59《医院洁净手术部建筑技术规范》GB50333-2013 (62)60《冷库设计规范》GB50072-2010 (62)61《光伏发电站设计规范》GB50797-2012 (63)62《疾病预防控制中心建筑技术规范》GB50881-2013 (63)63《博物馆建筑设计规范》JGJ66-2015 (63)64《综合医院建筑设计规范》GB51039-2014 (64)65《商店建筑设计规范》JGJ48-2014 (64)66《旅馆建筑设计规范》JGJ62-2014 (64)67《实验动物设施建筑技术规范》GB50447-2008 (65)68《生物安全实验室建筑技术规范》GB50346-2011 (65)四、电气节能设计主要规范 (66)69《公共建筑节能设计标准》GB50189-2015 (66)70《公共建筑节能改造技术规范》JGJ176-2009 (66)71《夏热冬冷地区居住建筑节能设计标准》JGJ134-2010 (66)72《严寒和寒冷地区居住建筑节能设计标准》JGJ26-2010 (66)73《夏热冬暖地区居住建筑节能设计标准》JGJ75-2012 (67)74《民用建筑太阳能光伏系统应用技术规范》JGJ203-2010 (67)75《辐射供暖供冷技术规程》JGJ142-2012 (68)76《供热计量技术规程》JGJ173-2009 (68)77《民用建筑太阳能热水系统应用技术规范》GB50364-2005 (69)78《太阳能供热采暖工程技术规范》GB50495-2009 (69)79《民用建筑太阳能空调工程技术规范》GB50787-2012 (69)80《采光顶与金属屋面工程技术规程》JGJ255-2012 (69)81《燃气冷热电三联供工程技术规程》CJJ145-2010 (70)82《消防给水及消火栓系统技术规范》GB50974-2014 (70)83《固定消防炮灭火系统设计规范》GB50338-2003 (71)84《气体灭火系统设计规范》GB50370-2005 (71)85《泡沫灭火系统设计规范》GB50151-2010 (72)86《干粉灭火系统设计规范》GB50347-2004 (73)87《民用建筑供暖通风与空气调节设计规范》GB50736-2012 (73)88《工业建筑供暖通风与空气调节设计规范》GB50019-2015 (74)89《空调通风系统运行管理规范》GB50365-2005 (75)90《城市道路照明设计标准》CJJ45-2015 (75)91《城镇排水系统电气与自动化工程技术规程》CJJ120-2008 (76)92《66K V及以下架空电力线路设计规范》GB50061—2010 (77)五、附录 (81)一、电气设计主要规范1 《供配电系统设计规范》GB 50052-2009负荷分级及供电要求3.0.1 电力负荷应根据对供电可靠性的要求及中断供电在对人身安全、经济损失上所造成的影响程度进行分级,并应符合下列规定:1 符合下列情况之一时,应视为一级负荷。
建质<2008>87号《危险性较大的分部分项工程安全管理办法》附录C 危险性较大分部分项工程认定标准
工程名称:施工单位:
附录C【条文说明】
附录C系依据建质<2008>87号《危险性较大的分部分项工程安全管理办法》制订。
房屋建筑与市政基础设施工程以外的建设工程,对危险性较大的分部分项工程有专业规定的,从其规定。
危险性较大的分布工程安全管理规范(节选)
建设施工安全技术统一规范(节选)
施工现场安全生产管理规范(节选)
建筑施工安全检查标准(节选)
建设工程施工现场消防安全技术规范(节选)
GB50720-2011
建筑边坡工程技术规范(节选)
建筑施工土石方工程安全技术规范(节选)
建筑基坑支护技术规程(节选)
建筑深基坑工程施工安全技术规范(节选)
建筑施工模板安全技术规范(节选)
建筑施工碗扣式脚手架安全技术规范(节选)
液压升降整体脚手架安全技术规程(节选)
建筑施工门式钢管脚手架安全技术规范(节选)
建筑施工工具式脚手架安全技术规范(节选)
建筑施工扣件式钢管脚手架安全技术规范(节选)
建筑施工塔式起重机安装、使用、拆卸安全技术规程(节选)
建筑施工升降机安装、使用、拆卸安全技术规程(节选)
建筑拆除工程安全技术规范(节选)
施工现场机械设备检查技术规程(节选)
建设机械使用安全技术规程(节选)
施工现场临时建筑物技术规范(节选)JGJ/T188-2009
施工现场临时用电安全技术规范(节选)
建筑施工高处作业安全技术规范(节选)
高处作业吊篮(节选)
安全带(节选)
高处作业分级(节选)。
现行工程建设标准强制性条文汇编(房屋建筑工程)中建城开环境建设有限公司工程管理部(yangmin)更新时间2019年11月目录1、《工程测量规范》GB50026-20072、《岩土锚杆与喷射混凝土支护工程技术规范》GB50086-20153、《自动化仪表工程施工及质量验收规范》GB50093-20134、《地下工程防水技术规范》GB50108-20085、《混凝土外加剂应用技术规范》GB50119-20136、《人民防空工程施工及验收规范》GB50134-20047、《给水排水构筑物工程施工及验收规范》GB50141-20088、《混凝土质量控制标准》GB50164-20119、《火灾自动报警系统施工及验收规范》GB50166-200710、《建设工程施工现场供用电安全规范》GB50194-201411、《土方与爆破工程施工及验收规范》GB50201-201212、《建筑地基基础工程施工质量验收标准》GB50202-201813、《砌体结构工程施工质量验收规范》GB50203-201114、《混凝土结构工程施工质量验收规范》GB50204-201515、《钢结构工程施工质量验收规范》GB50205-200116、《木结构工程施工质量验收规范》GB50206-201217、《屋面工程质量验收规范》GB50207-201218、《地下防水工程质量验收规范》GB50208-201119、《建筑地面工程施工质量验收规范》GB50209-201020、《建筑装饰装修工程质量验收标准》GB50210-201821、《建筑防腐蚀工程施工规范》GB50212-201422、《建筑防腐蚀工程施工质量验收规范》GB50224-201023、《建筑给水排水及采暖工程施工质量验收规范》GB50242-200224、《通风与空调工程施工质量验收规范》GB50243-201625、《自动喷水灭火系统施工及验收规范》GB50261-201726、《制冷设备、空气分离设备安装工程施工及验收规范》GB50274-201027、《建筑工程施工质量验收统一标准》GB50300-201328、《建筑电气工程施工质量验收规范》GB50303-201529、《电梯工程施工质量验收规范》GB50310-200230、《民用建筑工程室内环境污染控制规范》GB50325-2010(2013版)31、《住宅装饰装修工程施工规范》GB50327-200132、《建筑边坡工程技术规范》GB50330-201333、《智能建筑工程质量验收规范》GB50339-201334、《屋面工程技术规范》GB50345-201235、《建筑装修内部防火施工及验收规范》GB50354-200536、《建筑节能工程施工质量验收规范》GB50411-2007目录37、《大体积混凝土施工标准》GB50496-201838、《建筑基坑工程监测技术规范》GB50497-200939、《建筑物防雷工程施工与验收规范》GB50601-201040、《钢结构焊接规范》GB50661-201141、《混凝土结构工程施工规范》GB50666-201142、《坡屋面工程技术规范》GB50693-201143、《建设工程施工现场消防安全技术规范》GB50720-201144、《钢结构工程施工规范》GB50755-201245、《建筑施工安全技术统一规范》GB50870-201346、《砌体结构工程施工规范》GB50924-201447、《防静电工程施工与质量验收规范》GB50944-201348、《建筑地基基础工程施工规范》GB51004-201549、《高层建筑混凝土结构技术规程》JGJ3-201050、《高层建筑筏形与箱形基础技术规范》JGJ6-201151、《钢筋焊接及验收规程》JGJ18-201252、《建筑机械使用安全技术规程》JGJ33-201253、《施工现场临时用电安全技术规范》JGJ46-200554、《建筑施工安全检查标准》JGJ59-201155、《建筑地基处理技术规范》JGJ79-201256、《建筑施工高处作业安全技术规范》JGJ80-201657、《钢结构高强度螺栓连接技术规程》JGJ82-201158、《龙门架及井架物料提升机安全技术规范》JGJ88-201059、《建筑桩基技术规范》JGJ94-200860、《玻璃幕墙工程技术规范》JGJ 102-200361、《塑料门窗工程技术规程》JGJ103-200862、《建筑基桩检测技术规范》JGJ106-201463、《钢筋机械连接技术规程》JGJ 107-201664、《建筑基坑支护技术规范》JGJ120-201265、《外墙饰面砖工程施工及验收规程》JGJ126-201566、《建筑施工门式钢管脚手架安全技术规范》JGJ128-201067、《建筑施工扣件式钢管脚手架安全技术规范》JGJ130-201168、《金属与石材幕墙工程技术规范》JGJ133-200169、《多孔砖砌体结构技术规范》JGJ137-200170、《外墙外保温工程技术规程》JGJ144-200471、《混凝土结构后锚固技术规程》JGJ145-201372、《建设工程施工现场环境与卫生标准》JGJ146-2013目录73、《建筑拆除工程安全技术规范》JGJ147-201674、《种植屋面工程技术规程》JGJ155-201375、《建筑施工模板安全技术规范》JGJ162-200876、《滚轧直螺纹钢筋连接接头》JG163-200477、《建筑施工碗扣式钢管脚手架安全技术规范》JGJ166-201678、《湿陷性黄土地区建筑基坑工程安全技术规程》JGJ167-200979、《建筑施工土石方工程安全技术规范》JGJ180-200980、《建筑塔式起重机安装使用、拆卸安全技术规范》JGJ196-201081、《建筑施工工具式脚手架安全技术规范》JGJ202-201082、《建筑施工升降机安装、使用、拆卸安全技术规程》JGJ215-201083、《建筑施工承插型盘扣式钢管支架安全技术规程》JGJ231-201084、《住宅室内防水工程技术规范》JGJ298-201385、《建筑深基坑工程施工安全技术规范》JGJ311-201386、《建筑同层排水工程技术规程》CJJ232-20161、《工程测量规范》GB50026-20075.3.43国境界线的绘制,应符合下列规定:1 凡绘制有国界线的地形图,必须符合国务院批准的有关国境界线的绘制规定。
序号标 准 编 号标 准 名 称备注1GB 10793-2000医用电气设备 第2部分:心电图机安全专用要求2GB 11243-2008医用电气设备 第2部分:婴儿培养箱安全专用要求3GB 12352-2007客运架空索道安全规范4GB 12476.1-2013可燃性粉尘环境用电气设备 第1部分:通用要求5GB 12476.2-2010可燃性粉尘环境用电气设备 第2部分:选型和安装6GB 12476.3-2007可燃性粉尘环境用电气设备 第3部分:存在或可能存在可燃性粉尘的场所分类7GB 12476.4-2010可燃性粉尘环境用电气设备 第4部分:本质安全型“iD”8GB 12476.5-2013可燃性粉尘环境用电气设备 第5部分:外壳保护型“tD”9GB 12476.6-2010可燃性粉尘环境用电气设备 第6部分:浇封保护型“mD”10GB 12476.7-2010可燃性粉尘环境用电气设备 第7部分:正压保护型“pD”11GB 14050-2008系统接地的型式及安全技术要求12GB 16844-2008普通照明用自镇流灯的安全要求13GB 16899-2011自动扶梯和自动人行道的制造与安装安全规范14GB 19402-2012客运地面缆车安全要求15GB 19436.3-2008机械电气安全 电敏防护装置 第3部分:使用有源光电漫反射防护器件(AOPDDR)设备的特殊要求16GB 19517-2009国家电气设备安全技术规范17GB 20237-2006起重冶金和屏蔽电机安全要求18GB 20294-2006隔爆型起重冶金和屏蔽电机安全要求19GB 20936.1-2007可燃性气体探测用电气设备 第1部分:通用要求和试验方法20GB 20936.2-2009可燃性气体探测用电气设备 第2部分:显示空气中甲烷体积含量至5%的I类探测器的性能要求21GB 20936.4-2008可燃性气体探测用电气设备 第4部分:显示气体体积含量至100%的II类探测器的性能要求111项电气设备安全强制性标准目录(2018版)序号标 准 编 号标 准 名 称备注22GB 21240-2007液压电梯制造与安装安全规范23GB 21554-2008普通照明用自镇流无极荧光灯 安全要求24GB 21966-2008锂原电池和蓄电池在运输中的安全要求25GB 22380.1-2008燃油加油站防爆安全技术 第1部分:燃油加油机防爆安全技术要求26GB 22380.2-2010燃油加油站防爆安全技术 第2部分:加油机用安全拉断阀结构和性能的安全要求27GB 22380.3-2010燃油加油站防爆安全技术 第3部分:剪切阀结构和性能的安全要求28GB 23313-2009工业机械电气设备 电磁兼容 发射限值29GB 23712-2009工业机械电气设备 电磁兼容 机床发射限值30GB 24462-2009民用原电池安全通用要求31GB 24819-2009普通照明用LED模块 安全要求32GB 24906-2010普通照明用50V以上自镇流LED灯 安全要求33GB 25194-2010杂物电梯制造与安装安全规范34GB 25286.1-2010爆炸性环境用非电气设备 第1部分:基本方法和要求35GB 25286.2-2010爆炸性环境用非电气设备 第2部分:限流外壳型“fr ”36GB 25286.3-2010爆炸性环境用非电气设备 第3部分:隔爆外壳型“d ”37GB 25286.5-2010爆炸性环境用非电气设备 第5部分:结构安全型“c ”38GB 25286.6-2010爆炸性环境用非电气设备 第6部分:控制点燃源型“b”39GB 26859-2011电力安全工作规程 电力线路部分40GB 26860-2011电力安全工作规程 发电厂和变电站电气部分41GB 26861-2011电力安全工作规程 高压试验室部分42GB 27881-2011水下高电压设备作业安全要求43GB 28235-2011紫外线空气消毒器安全与卫生标准序号标 准 编 号标 准 名 称备注44GB 28526-2012机械电气安全 安全相关电气、电子和可编程电子控制系统的功能安全45GB 4793.1-2007测量、控制和实验室用电气设备的安全要求 第1部分:通用要求46GB 4793.2-2008测量、控制和实验室用电气设备的安全要求 第2部分:电工测量和试验用手持和手操电流传感器的特殊要求47GB 4793.3-2008测量、控制和实验室用电气设备的安全要求 第3部分:实验室用混合和搅拌设备的特殊要求48GB 4793.4-2001测量、控制及实验室用电气设备的安全 实验室用处理医用材料的蒸压器的特殊要求49GB 4793.5-2008测量、控制和实验室用电气设备的安全要求 第5部分:电工测量和试验用手持探头组件的安全要求50GB 4793.6-2008测量、控制和实验室用电气设备的安全要求 第6部分:实验室用材料加热设备的特殊要求51GB 4793.7-2008测量、控制和实验室用电气设备的安全要求 第7部分:实验室用离心机的特殊要求52GB 4793.9-2013测量、控制和实验室用电气设备的安全要求 第9部分:实验室用分析和其他53GB 5226.1-2008机械电气安全 机械电气设备 第1部分:通用技术条件54GB 5226.2-2002机械安全 机械电气设备 第32部分:起重机械技术条件55GB 5226.3-2005机械安全 机械电气设备 第11部分:电压高于1000Va.c.或1500Vd.c.但不超过36kV的高压设备的技术条件56GB 5226.4-2005机械安全 机械电气设备 第31部分:缝纫机、缝制单元和缝制系统的特殊安全和EMC要求57GB 5226.6-2014机械电气安全 机械电气设备 第6部分:建设机械技术条件58GB 7588-2003电梯制造与安装安全规范59GB 7958-2014煤矿用电容式发爆器60GB 9706.10-1997医用电气设备 第二部分:治疗X射线发生装置安全专用要求61GB 9706.11-1997医用电气设备 第二部分:医用诊断X射线源组件和X射线管组件安全专用要求62GB 9706.1-2007医用电气设备 第1部分:安全通用要求63GB 9706.12-1997医用电气设备 第一部分:安全通用要求 三、并列标准 诊断X射线设备辐射防护通用要求64GB 9706.13-2008医用电气设备 第2部分:自动控制式近距离治疗后装设备安全专用要求序号标 准 编 号标 准 名 称备注65GB 9706.14-1997医用电气设备 第二部分:X射线设备附属设备安全专用要求66GB 9706.15-2008医用电气设备 第1-1部分:通用安全要求 并列标准:医用电气系统安全要求67GB 9706.16-2015医用电气设备 第2部分:放射治疗模拟机安全专用要求68GB 9706.17-2009医用电气设备 第2部分:γ射束治疗设备安全专用要求69GB 9706.18-2006医用电气设备 第2部分:X射线计算机体层摄影设备安全专用要求70GB 9706.19-2000医用电气设备 第2部分:内窥镜设备安全专用要求71GB 9706.20-2000医用电气设备 第2部分:诊断和治疗激光设备安全专用要求72GB 9706.21-2003医用电气设备 第2部分:用于放射治疗与患者接触且具有电气连接辐射探测器的剂量计的安全专用要求73GB 9706.2-2003医用电气设备 第2-16部分:血液透析、血液透析滤过和血液滤过设备的安全专用要求74GB 9706.22-2003医用电气设备 第2部分: 体外引发碎石设备安全专用要求75GB 9706.23-2005医用电气设备 第2-43部分:介入操作 X射线设备安全专用要求76GB 9706.24-2005医用电气设备 第2-45部分:乳腺X射线摄影设备及乳腺摄影立体定位装置 安全专用要求77GB 9706.25-2005医用电气设备 第二部分:心电监护设备安全专用要求78GB 9706.26-2005医用电气设备 第2部分:脑电图机安全专用要求79GB 9706.27-2005医用电气设备 第2部分:输液泵和输液控制器安全专用要求80GB 9706.28-2006医用电气设备 第2部分: 呼吸机安全专用要求 治疗呼吸机81GB 9706.29-2006医用电气设备 第2部分:麻醉系统的安全和基本性能专用要求82GB 9706.3-2000医用电气设备 第2部分:诊断X射线发生装置的高压发生器安全专用要求83GB 9706.39-2008医用电气设备 第2-39部分:腹膜透析设备的安全专用要求84GB 9706.4-2009医用电气设备 第2-2部分:高频手术设备安全专用要求85GB 9706.5-2008医用电气设备 第2部分:能量为1MeV至50 MeV电子加速器安全专用要求86GB 9706.6-2007医用电气设备 第二部分:微波治疗设备安全专用要求序号标 准 编 号标 准 名 称备注87GB 9706.7-2008医用电气设备 第2-5部分:超声理疗设备安全专用要求88GB 9706.8-2009医用电气设备 第2-4部分:心脏除颤器安全专用要求89GB 9706.9-2008医用电气设备 第2-37部分:超声诊断和监护设备安全专用要求90GB 5959.41-2004电热设备的安全 第41部分:对电阻加热装置----玻璃加热和熔化装置的特殊要求91GB 5959.13-2008电热装置的安全 第13部分: 对具有爆炸性气氛的电热装置的特殊要求92GB 5959.1-2005电热装置的安全 第1部分:通用要求93GB 5959.2-2008电热装置的安全 第2部分:对电弧炉装置的特殊要求94GB 5959.3-2008电热装置的安全 第3部分:对感应和导电加热装置以及感应熔炼装置的特殊要求95GB 5959.4-2008电热装置的安全 第4部分:对电阻加热装置的特殊要求96GB 5959.5-2014电热装置的安全 第5部分:对等离子体装置的特殊要求97GB 5959.6-2008电热装置的安全 第6部分: 工业微波加热设备的安全规范98GB 5959.7-2008电热装置的安全 第7部分:对具有电子枪的装置的特殊要求99GB 5959.8-2007电热装置的安全 第8部分:对电渣重熔炉的特殊要求100GB 5959.9-2008电热装置的安全 第9部分:对高频介质加热装置的特殊要求101GB 30439.10-2014工业自动化产品安全要求 第10部分: 记录仪表的安全要求102GB 30439.1-2013工业自动化产品安全要求 第1部分: 总则103GB 30439.2-2013工业自动化产品安全要求 第2部分: 压力/差压变送器的安全要求104GB 30439.3-2013工业自动化产品安全要求 第3部分: 温度变送器的安全要求105GB 30439.4-2013工业自动化产品安全要求 第4部分: 控制阀的安全要求106GB 30439.5-2013工业自动化产品安全要求 第5部分: 流量计的安全要求107GB 30439.6-2014工业自动化产品安全要求 第6部分: 电磁阀的安全要求108GB 30439.7-2014工业自动化产品安全要求 第7部分:回路调节器的安全要求序号标 准 编 号标 准 名 称备注109GB 30439.8-2014工业自动化产品安全要求 第8部分:电动执行机构的安全要求110GB 30439.9-2014工业自动化产品安全要求 第9部分: 数字显示仪表的安全要求111GB 15578-2008电阻焊机的安全要求。
第一章基本制度1-1识别和获取适用的安全生产法律法规、标准及其他要求制度1、目的为了及时识别、获取、更新与安全生产相关的法律、法规和其他要求,确保公司的生产活动符合国家法律法规和其他要求,特制定本制度。
2、适用范围本制度适用于公司对安全生产法律、法规、标准及其它要求的获取、更新、适用性识别和管理。
3、职责(1)安全环保部负责通过各种渠道获取与公司安全生产活动相关的法律、法规和其它要求,并负责对相关的法律、法规和其它要求确认其适用性,建立“企业适用的安全生产法律法规、标准及其它要求清单”,并发放到相关部门。
(2)各部门负责将“企业适用的安全生产法律法规、标准及其它要求清单”传达给本部门员工并监督其遵照执行。
(3)安全环保部应每年至少一次对适用的安全生产法律、法规、标准及其他要求进行符合性评价,消除违规现象和行为。
4、控制程序4.1与公司活动相关的国家及地方法律、法规和其它要求包括:国家、行业、地方的安全生产法律、法规、规章、标准及其它必须实行的要求。
4.2获取方法安全环保部应经常与政府主管部门、行业协会、社会组织等部门保持联系,主动获取相关的法律、法规及其它要求,也可通过出版机构、图书馆、书店、报刊、杂志、互联网进行补充,以确保公司在体系运行中能获取最新的有效版本。
4.3确认、分发和更新1)安全环保部根据以下条件确认获得的法律、法规及其它要求的适用性:(1)是否与公司安全生产有关;(2)是否为最新的版本。
2)由安全环保部制定公司相关“企业适用的安全生产法律法规、标准及其它要求清单”,并发放到相关部门。
3)各部门负责保存与本部门有关的法律、法规及其它要求。
4)当上述法律、法规及其它要求更新时,应及时修正清单,将新的内容补发到相关部门,并对旧的文件做相应的处理。
4.4执行各部门负责将相关法律、法规和其它要求传达给员工并遵照执行。
5、相关的文件《适用的安全生产法律法规及其他要求清单》《安全生产法律法规及其他要求定期更新记录》《文件发放登记表》《法律法规及其它要求符合性评价记录》《隐患整改记录》《法律法规及其它要求符合性评价报告》《安全培训记录表》1-2安全生产会议管理制度1、目的为规范公司安全会议管理,提高会议质量,降低会议成本,特制定本制度。
强制性条文汇编目录第一篇施工质量 (5)《建筑工程施工质量验收统一标准》——GB50300-2013 (5)1 地基基础 (5)《地下工程防水技术规范》——GB50108-2008 (5)《土方与爆破工程施工及验收规范》——GB50201-2012 (6)《建筑地基基础工程施工质量验收规范》——GB50202-2002 (6)《地下防水工程质量验收规范》——GB50208-2011 (8)《建筑地基处理技术规范》——JGJ79-2012 (9)《建筑桩基技术规范》——JGJ94-2008 (10)《建筑基桩检测技术规范》——JGJ106-2014 (13)《建筑基坑支护技术规程》——JGJ120-2012 (13)2 主体结构 (13)《烟囱工程施工及验收规范》——GB50078-2008 (13)《滑动模板工程技术规范》——GB50113-2005 (14)《混凝土质量控制标准》——GB50164-2011 (15)《砌体结构工程施工质量验收规范》——GB50203-2011 (15)《混凝土结构工程施工质量验收规范》——GB20204-2002(2011版) (16)《钢结构工程施工质量验收规范》——GB50205-2001 (18)《大体积混凝土施工规范》——GB50496-2009 (21)《墙体材料应用统一技术规范》——GB50574-2010 (21)《房屋建筑和市政基础设施工程检测技术管理规范》——GB50618-2011 (22)《钢管混凝土工程施工质量验收规范》——GB50628-2010 (23)《钢结构工程施工规范》——GB50755-2012 (23)《砌体结构工程施工规范》——GB50924-2014 (24)《建筑变形测量规范》——JGJ8-2007 (24)《轻骨料混凝土结构技术规程》——JGJ12-2006 (25)《钢筋焊接及验收规程》——JGJ18-2012 (27)《轻骨料混凝土技术规程》——JGJ51-2002 (28)《普通混凝土用砂、石质量及检验方法标准》——JGJ52-2006 (28)《普通混凝土配合比设计规程》——JGJ55-2011 (28)《混凝土用水标准》——JGJ63-2006 (28)《建筑工程大模板技术规程》——JGJ74-2003 (29)《钢筋机械连接技术规程》——JGJ107-2010 (29)《清水混凝土应用技术规程》——JGJ169-2009 (30)3 屋面工程 (30)《屋面工程质量验收规范》——GB50207-2012 (30)《屋面工程技术规范》——GB50345-2012 (30)《坡屋面工程技术规范》——GB50693-2011 (32)4 装饰装修 (33)《建筑地面工程施工质量验收规范》——GB50209-2010 (33)《建筑装饰装修工程质量验收规范》——GB50210-2001 (34)《民用建筑工程室内环境污染控制规范》——GB50325-2010 (35)《住宅装饰装修工程施工规范》——GB50327-2001 (37)《铝合金结构工程施工质量验收规范》——GB50576-2010 (37)《建筑工程饰面砖粘结强度检验标准》——JGJ110-2008 (38)《铝合金门窗工程技术规范》——JGJ214-2010 (38)5 建筑安装 (38)《通风与空调工程施工质量验收规范》——GB50243-2002 (38)《给水排水管道工程施工及验收规范》——GB50268-2008 (40)《建筑电气工程施工质量验收规范》——GB50303-2002 (41)《电梯工程施工质量验收规范》——GB50310-2002 (42)《建筑物防雷工程施工与质量验收规范》——GB50601-2010 (43)《建筑电气照明装置施工与验收规范》——GB50617-2010 (43)6 智能建筑与建筑节能 (44)《智能建筑工程质量验收规范》——GB50339-2003 (44)《建筑节能工程施工质量验收规范》——GB50411-2007 (45)《民用建筑太阳能空调工程技术规范》——GB50787-2012 (48)《外墙外保温工程技术规程》——JGJ144-2004 (49)第二篇施工安全 (49)《安全帽》——GB2811-2007 (49)《建设工程施工现场供用电安全规范》——GB50194-2014 (51)《安全防范工程技术规范》——GB50348-2004 (52)《建筑施工企业安全生产管理规范》——GB50656-2011 (62)《建设工程施工现场消防安全技术规范》——GB50720-2011 (63)《建筑施工安全技术统一规范》——GB50870-2013 (64)《建筑机械使用安全技术规程》——JGJ33-2012 (65)《施工现场临时用电安全技术规范》——JGJ46-2005 (66)《建筑施工安全检查标准》——JGJ59-2011 (68)《建筑施工门式钢管脚手架安全技术规范》——JGJ128-2010 (68)《建筑施工扣件式钢管脚手架安全技术规范》——JGJ130-2011 (69)《建筑施工现场环境与卫生标准》——JGJ146-2013 (71)《施工现场机械设备检查技术规程》——JGJ160-2008 (71)《建筑施工模板安全技术规范》——JGJ162-2008 (73)《建筑施工土石方工程安全技术规范》——JGJ180-2009 (76)《建筑施工作业劳动保护用品配备及使用标准》——JGJ184-2009 (76)《建筑施工起重吊装工程安全技术规范》——JGJ276-2012 (77)《安全色》——GB2893-2008 (78)《安全标志及其使用导则》——GB2894-2008 (78)第三篇设计规范 (78)《建筑给水排水设计规范》——GB50015-2003(2009版) (78)《住宅设计规范》——GB50096-2011 (80)《公共建筑节能设计标准》——GB50189-2005 (85)《民用建筑设计通则》——GB50352-2005 (90)《民用建筑节水设计标准》——GB50555-2010 (91)《民用建筑电气设计规范》——JGJ16-2008 (91)《宿舍建筑设计规范》——JGJ36-2005 (94)《办公建筑设计规范》——JGJ67-2006 (94)《住宅建筑电气设计规范》——JGJ242-2011 (95)《住宅建筑规范》——GB50368-2005 (95)第四篇建筑设备 (95)《空调通风系统运行管理规范》——GB50365-2005 (95)《通风与空调工程施工规范》——GB50738-2011 (95)第一篇施工质量《建筑工程施工质量验收统一标准》——GB50300-20135.0.8 经返修或加固处理仍不能满足安全或重要使用要求的分部工程及单位工程,严禁验收。
强制性条文(安全)目录一、施工现场临时用电安全技术规范JGJ46-2005二、建筑机械使用安全技术规程JGJ33-2012三、建筑施工扣件式钢管脚手架安全技术JGJ130-2011四、建筑施工门式钢管脚手架安全技术JGJ128-2010五、建筑施工碗扣式钢管脚手架安全技术JGJ166-2008六、龙门架及井架物料提升机安全技术规程JGJ88-2010七、建筑拆除工程安全技术规范JGJ147-2004八、施工企业安全生产管理规范GB50656-2011九、建筑施工模板安全技术规范JGJ162-2008一、施工现场临时用电安全技术规范JGJ46-20051、总则l.0.3 建筑施工现场临时用电工程专用的电源中性点直接接地的220/380V三相四线制低压电力系统,必须符合下列规定:1 采用三级配电系统;2 采用TN-S接零保护系统;3 采用二级漏电保护系统。
2、临时用电管理3.1.4 临时用电组织设计及变更时,必须履行“编制、审核、批准”程序,由电气工程技术人员组织编制,经相关部门审核及具有法人资格企业的技术负责人批准后实施。
变更用电组织设计时应补充有关图纸资料。
3.1.5 临时用电工程必须经编制、审核、批准部门和使用单位共同验收,合格后方可投入使用。
3.3.4 临时用电工程定期检查应按分部、分项工程进行,对安全隐患必须及时处理,并应履行复查验收手续。
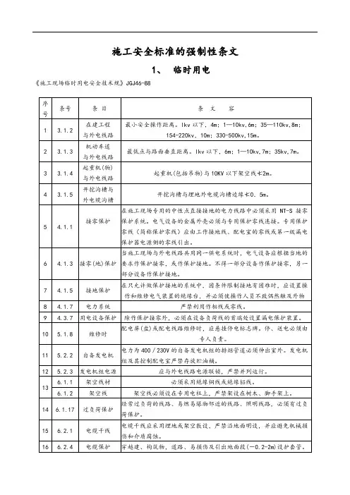
3、接地与防雷5.1.1 在施工现场专用变压器的供电的TN-S接零保护系统中,电气设备的金属外壳必须与保护零线连接。
保护零线应由工作接地线、配电室(总配电箱)电源侧零线或总漏电保护器电源侧零线处引出(图5.1.l)。
图5.1.1 专用变压器供电时TN-S接零保护系统示意1-工作接地;2-PE线重复接地;3-电气设备金属外壳(正常不带电的外露可导电部分); L1、L2、L3-相线;N-工作零西安;P E -保护零线;D K-总电源隔离开关; RC D-总漏电保护器(兼有短路、过载、漏电保护功能的漏电断路器);T-变压器5.1.2 施工现场与外电线路共用同一供电系统时,电气设备的接地、接零保护应与原系统保持一致。
常用安全技术规范强制性条文内容汇总1.《建筑施工扣件式钢管脚手架安全技术规范》JGJ130-20112.《建筑施工模板安全技术规范》JGJ162-20083.《建筑机械使用安全技术规程》JGJ33-20124.《建筑施工安全检查标准》JGJ59-20115.《建筑施工塔式起重机安装、使用、拆卸安全技术规程》JGJ196-20106.《建筑施工升降机安装、使用拆卸安全技术规程》JGJ215-20107.《建筑施工起重吊装工程安全技术规程》JGJ276-20128.《起重设备安装工程施工及验收规范》GB50278-20109.《建筑施工升降设备设施检验标准》JGJ305-201310.《建筑工程施工现场消防安全技术规范》GB50720-201111.《建筑施工工具式脚手架安全技术规范》JGJ202-201012.《建筑深基坑工程施工安全技术规范》JGJ311-201313.《建筑基坑支护技术规程》JGJ120-201214.《建筑塔式起重机安全监控系统应用技术规程》JGJ332-201415.《建设工程施工现场供用电安全规范》GB50194-201416.《施工现场临时用电安全技术规范》JGJ46-200517.《建筑施工现场环境与卫生标准》JGJ146-2013常用安全技术规范强制性条文内容汇总表序号强条编号强条具体内容一《建筑施工扣件式钢管脚手架安全技术规范》JGJ130-20111 3.4.3可搞托撑受压承载力设计值不应小于40KN支托板厚不应小于5mm。
2 6.2.3主节点处必须设置一根横向水平杆,用直角扣件扣接且严禁拆除。
3 6.3.3脚手架立杆基础不在同一高度上时必须将高处的纵向扫地杆向低处延长两跨与与立杆固定,高低差不应大于1m。
靠边坡上方的立杆轴线到边坡的距离不应小于500mm(图6.3.3)。
图6.3.3 纵、横向扫地杆构造1-横向扫地杆;2-纵向扫地杆4 6.3.5单排、双排与满堂脚手架立杆接长除顶层顶步外,其余各层各步接头必须采用对接扣件连接。
2018年安全生产及应急管理现行有效法律、法规、
标准及其他要求清单
法律法规清单
获取部门
安全监察部
安全监察部
安全监察部
安全监察部
安全监察部
安全监察部
安全监察部
27857 6CD1 泑3*132322 7E42 繂
安全监察部
安全监察部安全监察部安全监察部
营销计划部
综合管理部
工程建设部
33661 837D 荽20713 50E9 僩34639 874F 蝏25262 62AE 抮P2
经济运营部
财务产权部
财务产权部
财务产权部
人力资源部
人力资源部
经济运营部
经济运营部
`932237 7DED 緭839019 986B 顫32684 7FAC 羬31513 7B19 笙
党群工作部
综合管理部
综合管理部
综合管理部
营销计划部营销计划部。
附件:工程施工强制性条文执行计划xxxxxxxxxxx年月日批准:年月日审核:年月日年月日年月日编写:年月日年月日目录2编制目的 (1)3编制依据 (2)4强条实施组织机构 (3)5强制性条文实施措施 (3)6强制性条文执行记录检查表 (4)输电线路工程建设标准强制性条文执行检查表 (7)1工程概况新建线路起于220kV变电站,止于110kV变电站,长度10.80km,全线采用架空方式架设,其中:新建双回线路2×0.54km(xx—xx110kV线路7#~9#段)、新建单回线路9.08km,利用xx—xx110kV线路1#~7#双回路铁塔单侧挂线1.18km。
建设单位:国网山西省电力公司项目管理单位:国网山西省电力公司吕梁供电公司设计单位:山西国源盛世电力设计咨询有限公司监理单位:xxxxxxxxxxxx施工单位:xxxxxxxxxxx工期要求:2017.122编制目的为贯彻国家电网公司企业标准《输变电工程建设标准强制性条文实施管理规程》(第7部分:输电线路工程施工)的要求,在工程建设中严格执行工程建设性标准强制性条文,将其作为法律和行为的准则。
为确保工程质量、杜绝安全事故的发生,规范xxxxxxxxxxx建设安全健康与环境管理工作,规范工程建设期间技术管理行为,解决建设工程中可能出现的各种安全和质量问题,确保xxxxxxxxxxx建设成达标投产工程和优质工程,特编写了本工程施工强制性条文实施计划。
3编制依据《输变电工程建设标准条文管理实施规程(第7部分:输电线路工程施工)》(Q/GDW10248.7-2016)《110~750kV架空输电线路施工及验收规范》(GB50233—2014)《湿陷性黄土地区建筑规范》GB50025-2004《混凝土外加剂应用技术规范》GB50119-2013《混凝土质量控制标准》GB50164-2011《混凝土结构工程施工质量验收规范》GB50204-2015《混凝土结构工程施工规范》GB50666-2011《钢筋焊接及验收规范》JGJ18-2012《普通混凝土用砂、石质量标准及检验方法标准》JGJ52-2006《混凝土用水标准》JGJ63-2006《电气装置安装工程接地装置施工及验收规范》(GB50169—2016)《110~750kV架空输电线路施工质量检验及评定规程》(DL/T5168—2016)《国家电网公司电力安全工作规程(电网建设部分)》《电力建设安全工作规程第2部分(电力线路)》(DL5009.2-2013)4强条实施组织机构我项目部在开工后设立了xxxxxxxxxxx强制条文实施领导小组。
/'常用安全技术规范强制性条文内容汇总1.《建筑施工扣件式钢管脚手架安全技术规范》 JGJ130-20112.《建筑施工模板安全技术规范》 JGJ162-20083.《建筑机械使用安全技术规程》 JGJ33-20124.《建筑施工安全检查标准》 JGJ59-20115.《建筑施工塔式起重机安装、使用、拆卸安全技术规程》JGJ196-20106.《建筑施工升降机安装、使用拆卸安全技术规程》JGJ215-20107.《建筑施工起重吊装工程安全技术规程》JGJ276-20128.《起重设备安装工程施工及验收规范》GB50278-20109.《建筑施工升降设备设施检验标准》JGJ305-201310.《建筑工程施工现场消防安全技术规范》GB50720-201111.《建筑施工工具式脚手架安全技术规范》JGJ202-201012.《建筑深基坑工程施工安全技术规范》JGJ311-201313.《建筑基坑支护技术规程》 JGJ120-201214.《建筑塔式起重机安全监控系统应用技术规程》JGJ332-201415.《建设工程施工现场供用电安全规范》 GB50194-201416.《施工现场临时用电安全技术规范》 JGJ46-200517.《建筑施工现场环境与卫生标准》 JGJ146-2013序强条号编号强条具体内容一《建筑施工扣件式钢管脚手架安全技术规范》JGJ130-20111 3.4.3可搞托撑受压承载力设计值不应小于40KN支托板厚不应小于 5mm。
2 6.2.3主节点处必须设置一根横向水平杆,用直角扣件扣接且严禁拆除。
脚手架立杆基础不在同一高度上时必须将高处的纵向扫地杆向低处延长两跨与与立杆固定,高低差不应大于 1m。
靠边坡上方的立杆轴线到边坡的距离不应小于500mm(图 6.3.3 )。
3 6.3.3图6.3.3 纵、横向扫地杆构造1- 横向扫地杆; 2- 纵向扫地杆4 6.3.5单排、双排与满堂脚手架立杆接长除顶层顶步外,其余各层各步接头必须采用对接扣件连接。
5 6.4.4开口型脚手架的两端必须设置连墙件,连墙件的垂直间距不应大于建筑物的层高,并且不应大于 4m。
高度在 24m 及以上的双排脚手架应在外侧全立面连续设置剪刀撑;高度在 24m以下的单、双排6 6.6.3脚手架,均必须在外侧两端、转角及中间间隔不超过 15m的立面上,各设置一道剪刀撑,并应由底至顶连续设置(图 6. 6.3 )图 6.6.3高度 24m以下剪刀撑布置7 6.6.5开口型双排脚手架的两端均必须设置横向斜撑。
单、双排脚手架拆除作业必须由上而下逐层进行,严禁上下同时作业;连墙件87.4.2必须随脚手架逐层拆除,严禁先将连墙件整层或数层拆除后再拆脚手架;分段拆除高差大于两步时,应增设连墙件加固。
97.4.5卸料时各构配件严禁抛掷至地面。
扣件进入施工现场应检查产品合格证,并应进行抽样复试,技术性能应符合现108.1.4行国家标准《钢管脚手架扣件》GB 15831的规定。
扣件在使用前应逐个挑选,有裂缝、变形、螺栓出现滑丝的严禁使用。
119.0.1扣件式钢管脚手架安装与拆除人员必须是经考核合格的专业架子工。
架子工应持证上岗。
序强条强条具体内容号编号一《建筑施工扣件式钢管脚手架安全技术规范》JGJ130-2011129.0.4钢管上严禁打孔。
作业层上的施工荷载应符合设计要求,不得超载。
不得将模板支架、缆风绳、139.0.5泵送混凝土和砂浆的输送管等固定在架体上;严禁悬挂起重设备,严禁拆除或移动架体上安全防护设施。
149.0.7满堂支撑架顶部的实际荷载不得超过设计规定。
在脚手架使用期间,严禁拆除下列杆件:159.0.131 主节点处的纵、横向水平杆,纵、横向扫地杆; 2 连墙件。
16当在脚手架使用过程中开挖脚手架基础下的设备基础或管沟时,必须对脚手架采9.0.14取加固措施。
二《建筑施工模板安全技术规范》JGJ162-2008模板结构构件的长细比应符合下列规定:11受压构件长细比:支架立柱及桁架,不应大于150;拉条、缀条、斜撑等连系构5.1.6件,不应大于200;2受拉构件长细比:钢杆件,不应大于350:木杆件,不应大于250。
支撑梁、板的支架立柱安装构造应符合下列规定:1.梁和板的立柱,其纵横向间距应相等或成倍数。
2.木立柱底部应设垫木,顶部应设支撑头。
钢管立柱底部应设垫木和底座,顶部应设可调支托, U 型支托与楞梁两侧间如有间隙,必须楔紧,其螺杆伸出钢管顶部不得大于 200mm,螺杆外径与立柱钢管内径的间隙不得大于 3mm,安装时应保证上下同心。
3.在立柱底距地面 200mm高处,沿纵横水平方向应按纵下横上的程序设扫地杆。
可调支托底部的立柱顶端应沿纵横向设置一道水平拉杆。
扫地杆与顶部水平拉杆之间的间距,在满足模板设计所确定的水平拉杆步距要求条件下,进行平均分配确2 6.1.9定步距后,在每一步距处纵横向应各设一道水平拉杆。
当层高在 8~ 20m 时,在最顶步距两水平拉杆中间应加设一道水平拉杆;当层高大于20m时,在最顶两步距水平拉杆中间应分别增加一道水平拉杆。
所有水平拉杆的端部均应与四周建筑物顶紧顶牢。
无处可顶时,应在水平拉杆端部和中部沿竖向设置连续式剪刀撑。
4. 木立柱的扫地杆、水平拉杆、剪刀撑应采用40mm×50mm木条或 25mm× 80mm的木板条与木立柱钉牢。
钢管立柱的扫地杆、水平拉杆、剪刀撑应采用Φ 48mm× 3.5mm钢管,用扣件与钢管立柱扣牢。
木扫地杆、水平拉杆、剪刀撑应采用搭接,并应采用铁钉钉牢。
钢管扫地杆、水平拉杆应采用对接,剪刀撑应采用搭接,搭接长度不得小于 500mm,并应采用 2 个旋转扣件分别在离杆端不小于 100mm处进行固定。
序强条强条具体内容号编号二《建筑施工模板安全技术规范》JGJ162-2008当采用扣件式钢管作立柱支撑时,其构造与安装应符合下列规定:1.钢管规格、间距、扣件应符合设计要求。
每根立柱底部应设置底座及垫板,垫板厚度不得小于 50mm。
2.钢管支架立柱间距、扫地杆、水平拉杆、剪刀撑的设置应符合本规范第 6.1.9 条的规定。
当立柱底部不在同一高度时,高处的纵向扫地杆应向低处延长不少于2跨,高低差不得大于1m,立柱距边坡上方边缘不得小于0.5m。
3.立柱接长严禁搭接,必须采用对接扣件连接,相邻两立柱的对接接头不得在同步内,且对接接头沿竖向错开的距离不宜小于 500mm,各接头中心距主节点不宜大于步距的 1/3 。
4.严禁将上段的钢管立柱与下段钢管立柱错开固定在水平拉杆上。
5.满堂模板和共享空间模板支架立柱,在外侧周圈应设由下至上的竖向连续式剪刀撑;中间在纵横向应每隔 10m左右设由下至上的竖向连续式的剪刀撑,其宽度宜为 4~ 6m,并在剪刀撑部位的顶部、扫地杆处设置水平剪刀撑(见图 6.2.4-1 )。
剪刀撑杆件的底端应与地面顶紧,夹角宜为45°~ 60°。
当建筑层高在8~ 20m时,除应满足上述规定外,还应在纵横向相邻的两竖向连续式剪刀撑之间增加之字斜撑,在有水平剪刀撑的部位,应在每个剪刀撑中间处增加一道水平剪刀撑(见图6.2.4-2 )。
当建筑层高超过 20m时,在满足以上规定的基础上,应将所有之字斜撑全部改为连续式剪刀撑(见图 6.2.4-3 )。
3 6.2.4图 6.2.4-1剪刀撑布置图(一)序强条强条具体内容号编号二《建筑施工模板安全技术规范》JGJ162-2008图 6.2.4-2剪刀撑布置图(二)3 6.2.4图 6.2.4-3剪刀撑布置图(三)6.当支架立柱高度超过 5m 时,应在立柱周圈外侧和中间有结构柱的部位,按水平间距 6~9m,竖向间距 2~ 3m与建筑结构设置一个固结点。
序强条强条具体内容号编号三《建筑机械使用安全技术规程》JGJ33-20121 2.0.1特种设备操作人员应经过专业培训、考核合格取得建设行政主管部门颁发的操作证,并应经过安全技术交底后持证上岗。
2 2.0.2机械必须按出厂使用说明书规定的技术性能、承载能力和使用条件,正确操作,合理使用,严禁超载、超速作业或任意扩大使用范围。
3 2.0.3机械上的各种安全防护和保险装置及各种安全信息装置必须齐全有效。
4 2.0.21清洁、保养、维护机械或电气装置前,必须先切断电源,等机械停稳后再进行操作。
严禁带电或采用预约送电时间的方式进行检修。
建筑起重机械的变幅限位器、力矩限制器、起重量限制吕、防坠安全器、钢丝5 4.1.11绳防脱装置、防脱钩装置以及各种行程限位开关等安全保护装置,必须齐全有效,严禁随意调整或拆除。
严禁利用限制器和限位装置代替操纵机构。
6 4.1.14在网速达到 9.0m/s 及以上或大雨、大雪、大雾等恶劣天气时,严禁进行建筑起重机械的安装拆卸作业。
桅杆式起重机专项方案必须按规定程序审批,并应经专家论证后实施。
施工单7 4.5.2位必须指定安全技术人员对桅杆式起重机的安装、使用和拆卸进行现场监督和监测。
(土石方机械)作业前,必须查明施工场地内明、暗铺设的各类管线等设施,8 5.1.4并应采用明显记号标识。
严禁在离地下管线、承压管道 1m距离以内进行大型机械作业。
9 5.1.10(土石方机械)机械回转作业时,配合人员必须在机械回转半径以外工作。
当需要回转半径以内工作时,必须将机械停止回转并制动。
10 5.5.6(拖式铲运机)作业中,严禁人员上下机械,传递物件,以及在铲斗风、拖把或机架上坐立。
11 5.10.20装载机转向未锁闭时,严禁站在前后车架之间进行检修保养。
12 5.13.7(强夯机械)夯锤下落后,在吊钩尚未降至夯锤吊环附近前,操作人员严禁提前下坑挂钩。
从坑中提锤时,严禁挂钩人员站在锤上随锤提升。
137.1.23桩孔成型后,当暂不浇筑混凝土时,孔口必须及时封盖。
148.2.7(混凝土搅拌机)料斗提升时,人员严禁在料斗下停留或通过;当需在料斗下方进行清理或检修时,应将料斗提升至上止点,并必须用保险销锁牢。
1510.3.1木工圆锯上的旋转锯片必须设置防护罩。
1612.1.4焊割现场及高空焊割作业下方,严禁堆放油类、木材、氧气瓶、乙炔瓶、保温材料等易燃、易爆物品。
1712.1.9对承压状态的压力容器和装有剧毒、易燃、易爆物品的容器,严禁进行焊接或切割作业。
四《建筑施工安全检查标准》JGJ59-20111 4.0.1建筑施工安全检查评定中,保证项目应全数检查。
2 5.0.3当建筑施工安全检查评定的等级为不合格时,必须限期整改达到合格。
序强条强条具体内容号编号五《建筑施工塔式起重机安装、使用、拆卸安全技术规程》JGJ196-2010塔式起重机安装、拆卸作业应配备下列人员:11持有安全生产考核合格证书的项目负责人和安全负责人、机械管理人员;2.0.3具有建筑施工特种作业操作资格证书的建筑起重机械安装拆卸工、起重司2机、起重信号工、司索工等特种作业操作人员。