第三卷-天线技术规范书(电调)
- 格式:doc
- 大小:974.00 KB
- 文档页数:41
常见天线以及调整方法及规范1、板状天线调整方式板状天线就是定向天线,板状天线是移动通信系统天线的一种,主要用于室外信号覆盖。
无论是GSM还是CDM A LTE,板状天线是用得最为普遍的一类极为重要的基站天线。
这种天线的优点是:增益高、扇形区方向图好、后瓣小、垂直面方向图俯角控制方便、密封性能可靠以及使用寿命长。
1.1天线方位角调整使用扳手等工具对锯齿夹码处的螺丝进行松动(上图中红圈位置),然后将天线以安装抱杆为中心转动调节,达到期望方位角后再次将螺丝拧紧固定好。
板状天线方位角调整范围比较大,可以根据实际需求调整•1.2下倾角的调节1.2.1机械下倾角的调节使用扳手等工具对连接臂处的螺丝进行松动(图片中红圈位置),然后对天线的机械角度进行调节,达到期望角度后将螺丝拧紧固定好。
电子下倾的调整1.2.2 电子倾角的调节板状天线电调有两种,一种是旋转调节,一种是插拔调节上图为旋钮式调节电调。
旋转旋钮(图中蓝色部分),电调滑标会移动,红色指针(图中箭头指示的地方)到达某一刻度电调即为多少度。
上图为插拔式调节电调。
在调节电子下倾的时候直接通过插拔电调滑标(图中红圈标示部分)即可对其进行调节,滑标漏出的刻度即为当前电子下倾值。
电子下倾的可调范围一般在天线标签上都有标示,如下图:ODV3-065R18K-G\ 电调天线171O-2170MHz 产^>^8^710003-001V4-0000 规恪代码 B 宙下喻角070应—俪|]|删卿I执豐c囂:詈CA1430053775 2U斗2、美化天线的调节随着移动通信网络的迅速发展,传统基站天线与周边环境的冲突越来越大,很难融入周边的环境,因此直接影响到城市的美好环境。
另外,随着人们环保意识的提高,大多数市民因为对移动通信基站的不了解而对基站进入其周边大楼具有一种盲目的排斥心理。
这些都极大地加大了移动通信运营商基站物业协调、工程实施和基站维护等工作的难度。
天线美化工程作为一种手段,满足了人们对城市环境要求越来越高的需求,越来越受到有关各方的广泛关注。
天线安装维护技术规范1、目的保证天线系统运行质量。
2、适用范围浙江移动GSM基站的所有天线。
3、天线安装维护技术规范:3.1天线安装俯角在天线网络规划指定的角度内,精度为±0.5度;ALLGON天线按要求自然调整到3度。
3.2 天线的最小隔离度:与该天线垂直方向最近的天线的距离,测量时,用卷尺或测绳。
特殊情况可以用目测,精确到米,但必须注明是“目测”。
3.3.线间的最小垂直距离为1.1米。
3.4.天线水平隔离度:与该天线水平方向最近的天线的距离。
测量时,用卷尺或测绳。
特殊情况,可以用目测,精确到米,但必须注明是“目测”。
3.5.分集接收天线水平间距取决于天线高度,近似公式为:d ≈0.11* he。
(注:he是指天线的有效高度)3.6.天线安装相对高度为楼高与铁塔或平台高度总和,若有相同小区的天线处于不同高度要在报告中注明。
3.7.天线安装在天线网络规划指定高度内,准确度为±2米。
3.8.天线组装必须按其说明书严格执行。
3.9.天线安装牢固:可用手摇晃测试其安装强度。
对附件用扳手逐一校准,完成后再用手摇晃无松动方可。
3.10.检测天线平面是否有变形,督导时注意天线调整俯角时,必须先将上、下两组紧固螺钉旋松,尤其应当注意ALLGON天线。
用水平仪取天线上、中、下三站测量确认。
3.11.天线接地:Deltec天线特有,用于天线调整控制线的接地。
3.12.天线的避雷:应严格按天馈系统的避雷标准执行。
3.13.天线极性与馈线标号的对应关系:将一个扇区1、3号馈线接于垂直极化或+45极化端口。
将2、4号馈线接于水平极化或-45极化端口。
3.14.天线的挂牌标志对应关系如下:a—b—c其中:a指扇区;b指天线顺序;c指天线的极化方向。
这些都与相应的馈线对应。
3.15.电调天线的特殊工艺要求:控制线必须安装避雷器,每个避雷器必须有独立的接地,用绿色(线径2mm)的接地线。
避雷器的安装尽量靠近窗口,接地引线尽可能短。
第三卷-天线技术规范书(电调)天线设备检验检测明细⽬录⼀、总则 (1)⼆、规范性引⽤⽂件 (6)三、质量管理与保障体系 (6)四、天线主要技术指标及要求 (7)五、供货及验收 (35)六、产品质量抽检 (36)七、售后服务 (37)⼋、技术资料和技术培训 (38)本技术规范书是中国联合⽹络通信有限公司就向其提供基站⽤电调天线设备的投标⼈提出的技术要求,作为投标⼈制定技术应答书的依据。
⼀、总则1.对于本规范书提出的有关要求,投标⼈应在技术应答书中逐项答复,应答要求为“满⾜并优于”、“满⾜”、“不满⾜”。
对于相关技术参数指标等内容,投标⼈应在性能要求表格中每⼀项指标下⽅的空格内做逐项应答,说明能否满⾜要求,并填写具体数值,要求以产品标称值应答,应答⽤蓝⾊粗体字,并填写附表⼀、点对点应答偏离表,同时应在投标⽂件中提供相应的测试报告或其他证明⽂件资料。
2.对于本规范书中未能提出的系统性能指标和不合理的功能配臵,投标⼈应在建议书中加以补充说明,并提供有关详细资料。
3.投标⼈应根据招标项⽬的要求提出完整的设备配备,如有缺漏,由投标⼈免费补⾜。
4.天线使⽤经验为本项⽬提供的天线类型必须是经过⼯程实际使⽤、同时必须是为两个以上电信运营商提供⼀年以上满意服务的天线类型。
5.投标⽅应如实、准确填写下表(表1和表2),招标⽅保留核实的权⼒。
表1:2008-2009年(对中国联通)电调天线供货记录表2:2008-2009年(对其它电信运营商)电调天线供货记录6.本技术规范书根据投标⼈的应答,经完善后将作为商务合同的附件之⼀。
7.采购清单表3:电调天线采购清单均以标称值应答,投标⽅应答某⼀型号的天线时,可以⽤⽐要求增益⼤0.5dBi的天线应标(个别型号可以⽤⽐要求增益⼤1dBi的天线应标),具体要求可见表5性能指标表中的“增益”列的数值。
8.对于本技术规范书中加★的条款为关键条款,卖⽅如不满⾜,将不能中标。
9.所有应答指标应根据产品性能进⾏实事求是的填写,应答指标将做为最终产品抽测的基础指标以进⾏评判。
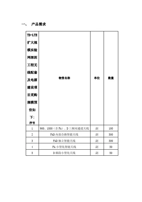
一、产品需求二、产品技术规范参选方必须对以下每一条款作出逐点应答, 只能使用“满足”、“不满足”、“满足并且优于”三种词语作答, 并附带具体的解释说明及相关文献;其它用词(涉及“部分批准”、“部分接受”、“部分满足”、“明白”、“理解”、“注意到”等, 以及补充说明的文字在内)均视为“不满足”;点对点应答中的漏项, 均视为“不满足”。
1、定义本技术规范采用如下定义。
1.1 增益(dBi)指天线最大辐射方向的增益值, 取同一频段内高中低三个频率点增益的分贝平均值。
1.2 半功率波瓣宽度HPBW在功率方向图主瓣中, 相对最大辐射方向功率下降到一半或小于最大值3dB的两点之间的波束宽度。
1.3 交叉极化比 Cross polar ratio给定方向上主极化分量与交叉极化分量的功率之比。
1.4 电下倾角 Electrical downtilt运用电性能使天线垂直波束向下偏移, 最大辐射方向与天线法线之间的夹角。
1.5 隔离度 Isolation多端口天线上一个端口的入射功率与该入射功率在其他端口上可得到的入射功率之比。
1.6 前后比 Front-to-back ratio定向天线的前后比是指主瓣的最大辐射方向(规定为0°)的功率通量密度与相反方向附近(规定为180°土30°范围内)的最大功率通量密度之比值。
1.7 交调 Intermodulation天线交调产物是指当两个或多个频率信号通过天线时, 由于天线的非线性而引起的与原信号频率有和差关系的射频信号。
1.8 驻波比 Voltage Standing Wave Ratio把天线作为无耗传输线的负载时, 沿传输线上电压波最大值和最小值的比值。
2.天线的性能规定2.1电性能规定2.1.1天线电性能规定天线电性能规定见表1-1.表1-2.表1-3.表1-4。
填写说明:1)应答时, 在应答栏第一列空格中相应每一个指标应答“满足并优于”、“满足”或“不满足”并在应答栏第二列空格中填写具体数值, 均以所生产天线的标称值应答。
技术规范书附件-附件⼆:远程电调天线接⼝要求-中国电信基站天线(2018年)集中采购项⽬标包2中国电信基站天线(2018年)集中采购项⽬标包2技术规范书附件4附件⼆:远程电调天线接⼝要求⽬录1 概述 (1)1.1 基站与电调天线驱动器(RCU)接⼝ (1)1.1.1 RS485⽅式 (1)1.1.2 调制解调⽅式 (1)1.1.3 ⽀持远程电调的功能要求 (3)2 电调天线接⼝物理层 (5)3 电调天线接⼝数据链路层 (5)4 电调天线接⼝应⽤层 (5)4.1 单天线基本操作命令 (5)4.1.1 校准 (5)4.1.2 设置⾓度 (6)4.1.3 告警上报 (7)4.1.4 设置设备数据 (7)4.2 多单元天线基本操作命令 (8)4.2.1 天线校准 (8)4.2.2 天线设置⾓度 (9)4.2.3 天线告警上报 (10)4.2.4 天线设置设备数据 (10)4.3 相对⽔平⽅位⾓调整操作命令(可选) (11)4.3.1 基于RAS协议的操作命令 (11)4.3.2 基于RET协议⽅式 (13)5 机械性能要求 (13)6 稳定性要求 (13)7 电调天线电机驱动模块环境条件要求 (13)8 附录 (14)8.1 附录1 (14)8.2 附录2 (15)8.2.1 附录2.1 (15)8.2.2 附录2.2 (16)1概述图 1基站与电调天线之间逻辑连接图基站与电调天线之间逻辑连接图如图1所⽰,电调天线接⼝定义了物理层、数据链路层和应⽤层协议来⽀持远程电调控制信息的发送和接收。
1.1基站与电调天线驱动器(RCU)接⼝1.1.1RS485⽅式基站控制信号以及DC信号经AISG多芯电缆传输给RCU,主设备可以远程控制⼀个RCU,也可以控制管理多个级联的RCU,要求能够满⾜⾄少3级级联,6级级联可选。
图2 RS485连接⽅式1.1.2调制解调⽅式基站通过外置或内置BT将控制信号调制为频率2.176MHz的OOK信号,与DC信号⼀起通过RF同轴电缆传输到SBT,由SBT完成OOK信号与RS485信号的互相转换。
天线技术规范北斗二号零电气相位中心天线技术规范北斗二号零电气相位中心天线能够接收北斗二号B1、B3频点的信号和GPS L1频点的信号,用于北斗差分基准站、测地型北斗差分用户机、车载型北斗定位定向仪和阵地型北斗定位定向仪进行高精度定位定向。
1.技术指标z频率与带宽:B1:1561.098±2.046MHzB3:1268.52±10.23MHzL1:1575.42±1.023MHzz电压驻波比:≤2(50Ω)z极化方式:右旋圆极化z相位中心误差(仰角≥20°):≤±1mmz天线波束:方位角0°~360°(不圆度:≤±1.5dB,仰角20°)俯仰角5°~90°z增益:≥3dB(仰角90°)≥-6dB(仰角≥20°)z前后比:≥20dBz轴比:≤6dB(仰角20°~ 90°)z LNA参数:增益:40dB±2dB噪声系数:≤1.5dB带内平坦度:≤±1dB供电电压: 5V输入电压驻波比:≤2(50Ω)输出电压驻波比:≤2(50Ω)带外抑制:≥30dB(B3及B1/L1频带上限+100MHz,频带下限-100MHz)z环境适应性:工作温度:-40 ~ +55℃贮存温度:-55 ~ +70℃湿度:98%(温度+45℃)振动、冲击、跌落、淋雨、砂尘、盐雾等符合GJB150有关规定。
2.外形尺寸≤Φ200mm×150mm3.接口方式各频率卫星信号一路输出,接口方式为TNC-K。
4.安装要素4.1.安装要求天线底座下方几何中心位置带有5/8〞×11螺纹孔(孔位偏差±0.1mm,深度大于18mm),用于安装。
4.2.电缆连接4.3.电源要求射频电缆芯线供电:直流5V4.4.环境要求设备周围不应有酸、碱、盐和其它损害设备的有毒气体。
中国电信基站天线(2018年)集中采购项目标包2技术规范书附件4附件一:测试部分目录1判定标准 (2)2测试方法 (3)2.1电性能测试方法 (3)2.2一般结构要求试验方法 (3)2.3环境试验方法 (3)3出厂检验说明 (4)4出厂检验单 (4)1判定标准本章节规定了各种类型天线指标检测的判定标准。
对于环境和可靠性试验,每个样机在完成相关试验项后,在进行电气性能复测时的评判标准也按照下述标准执行。
表 1-1各类型天线电性能指标判定标准2测试方法2.1电性能测试方法电性能测试项目、要求和方法应符合YD/T 2868-2015《移动通信系统无源天线测量方法》。
2.2一般结构要求试验方法可以用验算、目测和机械的方法对天线结构进行检查,以验证材料、外形尺寸和结构设计、加工是否符合要求。
2.3环境试验方法环境试验的项目、要求和试验方法应符合YD/T 2868-2015《移动通信系统无源天线测量方法》。
3出厂检验说明投标方应在日常生产过程中对生产产品进行型式检验(例行检验)和出厂检验(交收检验),出厂检验内容分100%检验和抽样检验,抽样检验应在完成100%检验项目合格后的产品上进行。
基站用天线产品的出厂检验应符合GB/T 2828.1-2003规定,采用正常检验、一次抽样、一般检验水平II、接受质量限(AQL)2.5的抽样方案。
➢检验批的合格判定:按照本技术规范书对基站用天线性能的规定,若交验批符合指标要求则判定为检验合格;若交验批不符合指标要求则判定为检验不合格。
➢检验不合格的处理:若出厂检验不合格,应将整批产品按不合格项目进行100%检验,剔除不合格品后,可再次提交重验,重验应采用加严检验,加严检验方案为:加严检验、一次抽样、一般检验水平II、接受质量限(AQL)1.5。
若重验仍不合格,则判定该批次不合格。
4出厂检验单投标方应向招标方提供相关的出厂检验单。
基站用天线出厂检验单分为两部分:(以800MHz单频双极化天线电调天线为例)➢100%检验项目出厂检验单对于基站用天线产品的100%检验项目,投标方可以自行定义该部分检验项目的出厂检验单格式,但投标方检验过程应按附件规定的100%检验项目和对应的检测方式进行,检验结果作为投标方的出厂必备资料,在每件产品的包装中单独提供。
低频排气管型一体化美化天线
技
术
规
范
书
目录
一、产品指标 (1)
1.电气指标 (1)
2.机械性能指标 (2)
3.配件说明 (2)
二、产品图片 (3)
三、结构说明 (4)
四、安装说明 (5)
五、维护说明 (6)
六、产品包装 (7)
一、产品指标
1.电气指标
水平面方向图Horizontal pattern 垂直面方向图Vertical pattern
2.机械性能指标
3.配件说明
二、产品图片
三、结构说明
三、结构说明
增高架组件
(可选高度)
增高架组件高度(H)整天线高度(L)
增高架组件型号H40H60H90H140H190H210H240
400mm 600mm 900mm 1400mm1900mm 2100mm2400mm
2000mm2200mm2500mm3000mm3500mm3700mm4000mm
四、安装说明
五、维护说明
旋出活动管上的M5*15十字沉头自攻螺丝,将活动管提起, 用挡片托住活动管,用手动或电调驱动旋钮调整下倾角
六、产品包装
我公司完全按照运营商规定的要求进行包装(本产品选用气泡膜保护天线表面无划痕,保丽龙垫块做缓冲,内外卡通箱之间增加护角加强卡通箱强度,保证运输过程中的安全性)。
包装箱(盒)内包含有:天线(合适的数目)、产品合格证、产品技术规范书(含安装图及安装步骤,天线型号、频段、驻波、增益等)、装箱清单及其他相关的技术资料。
美化天线
保丽龙垫块
卡通箱
打包带
外卡通箱。
精品中国电信基站天线(2018年)集中采购项目标包2技术规范书附件4附件二:远程电调天线接口要求目录1 概述 (1)1.1 基站与电调天线驱动器(RCU)接口 (1)1.1.1 RS485方式 (1)1.1.2 调制解调方式 (1)1.1.3 支持远程电调的功能要求 (3)2 电调天线接口物理层 (5)3 电调天线接口数据链路层 (5)4 电调天线接口应用层 (5)4.1 单天线基本操作命令 (6)4.1.1 校准 (6)4.1.2 设置角度 (7)4.1.3 告警上报 (8)4.1.4 设置设备数据 (9)4.2 多单元天线基本操作命令 (10)4.2.1 天线校准 (10)4.2.2 天线设置角度 (11)4.2.3 天线告警上报 (12)4.2.4 天线设置设备数据 (13)4.3 相对水平方位角调整操作命令(可选) (14)4.3.1 基于RAS协议的操作命令 (14)4.3.2 基于RET协议方式 (16)5 机械性能要求 (17)6 稳定性要求 (17)7 电调天线电机驱动模块环境条件要求 (17)8 附录 (18)8.1 附录1 (18)8.2 附录2 (20)8.2.1 附录2.1 (20)8.2.2 附录2.2 (20)1概述图1基站与电调天线之间逻辑连接图基站与电调天线之间逻辑连接图如图1所示,电调天线接口定义了物理层、数据链路层和应用层协议来支持远程电调控制信息的发送和接收。
1.1基站与电调天线驱动器(RCU)接口1.1.1RS485方式基站控制信号以及DC信号经AISG多芯电缆传输给RCU,主设备可以远程控制一个RCU,也可以控制管理多个级联的RCU,要求能够满足至少3级级联,6级级联可选。
图2 RS485连接方式1.1.2调制解调方式基站通过外置或内置BT将控制信号调制为频率2.176MHz的OOK信号,与DC信号一起通过RF 同轴电缆传输到SBT ,由SBT 完成OOK 信号与RS485信号的互相转换。
电调天线接口技术要求-中国通信标准化协会行业标准项目建议书建议项目名 Technical Requirement of R建议项目名称电调天线接口技术要求称 emote Electric-downtilt Ant(中文) (英文) enna Interface 被修订标准制定或修订 ? 制定 ? 修订号采用程度 ? IDT ? MOD ? NEQ 采标号国际标准名国际标准名称称 (中文) (英文)快速程序代采用快速程序 ? FTP ? B ? C 码中国标准分ICS分类号 33.120.40 M51 类号工业和信息化部电信研究院京计划起止时牵头单位 2013-9至2014-12 信通信系统(中国)有限公司间中国联合网络通信集团有限公司中国移动通信集团公司中国电信集团公参加单位司华为技术有限公司电调天线国内运营商使用超过15年,国内天线供应商供货超过10年。
电调天线技术的发展经历了发展初期、标准化协议产生、标准协议优化的过程,目前正在酝酿标准的再次优化。
电调天线发展初期能实现站上及本地操作,但无法组网,各项指标差异较大,难于推广和普及。
2001年底AISG标准产生,满足协议标准的电调天线控制系统包括RET(Remote Electrical Tilt unit)、CCU(Center Control Unit)、以及带有电调天线控制功能的基站设备等,它们基于统一的接口及通信协议标准,便于安装、组网、维护和推广。
AISG v 2.0协议修正了原有协议的多项规则,使电调天线控制系统更利于互通、使用及推广。
3GPP R7采纳了AISG的多数观点,在基站中纳入了RET控制功能。
AISG v 2.0协议的通信稳定性及效率有明显的优势,电调天线的应用规模进一目的、意义或必要步扩大和普及,但AISG v 2.0协议在应用的诸多细节没有涉及、有些应用规则性不够细致(不同厂家的理解和实现的差异较大,互通性不够强,运营商在引入RET系统时仍十分慎重,需花费一定的工作进行IOT测试),制约了RET系统的普及和发展。
中国移动通信有限公司2011年电调天线集中采购技术规范书7中国移动通信有限公司2011年电调天线集中采购技术规范书中国移动通信有限公司2011年10月目录一总则二技术投标书的内容、顺序及基本要求三采购清单四规范性引用文件五天线主要技术指标及要求5.1术语和定义5.2电调天线的种类5.3天线的性能要求5.3.1电性能要求5.3.2RCU的可靠性要求5.3.3RCU的防水和防尘要求5.3.4RCU需支持AISG规范5.3.5机械性能指标及环境条件要求5.3.5.1一般结构要求5.3.5.2天线面板要求5.3.5.3天线安装组件要求5.3.5.4天线防雷要求5.3.5.5天线支架调整范围5.3.5.6重量5.3.5.7风速要求5.3.5.8温度5.3.5.9摄冰5.3.5.10其他5.3.5.11接头型式5.4天线材料和制作工艺要求5.4.1外罩5.4.2反射板5.4.3辐射单元5.4.3.1压铸振子5.4.3.2钣金冲压振子5.4.3.3贴片振子5.4.3.4PCB振子5.4.4馈电网络5.4.4.1同轴馈电网络5.4.4.2空气微带线和带状线馈电网络5.4.5同轴连接器5.4.5.1外观5.4.5.2尺寸5.4.5.3互换性5.4.5.4接触电阻5.4.5.5绝缘电阻5.4.5.6电压驻波比5.4.5.7三阶交调5.4.5.8耐压5.4.5.9拔出力5.4.5.10机械耐久性5.4.5.11加紧装置抗电缆拉伸的能力5.4.5.12外导体材料5.4.5.13内导体材料5.4.6安装件5.4.7焊接要求5.4.8塑料支撑件5.4.9外标签5.4.10设计要求5.5可靠性要求5.6天线的检验规则5.6.1型式检验5.6.2出厂检验5.7标志、包装、运输和贮存5.7.1标志5.7.1.1产品标志5.7.1.2外包装标志5.7.2包装5.7.3运输5.7.4贮存六供货及验收6.1供货能力6.2合同设备验收七售后服务7.1保修7.2技术服务八技术资料和技术培训8.1技术资料8.2技术培训九质量管理与保障体系一零附件一、测试方法10.1概述10.2增益测量10.3方向图圆度(全向天线)、半功率波束宽度、前后比、交叉极化比的测量10.4天线电下倾角测量10.5驻波比测量10.6隔离度测量10.7交调测量10.8功率容限测量10.9一般结构要求试验方法10.10环境试验方法一一附件二、产品检测判定标准11.1电气指标检测要求11.2环境试验及其他检测要求1 总则本技术规范书是中国移动通信有限公司(以下简称买方)对基站用电调天线产品供应商(以下简称卖方)提出的技术要求,作为卖方制定技术投标书的依据。
800M 项目多端口普通天线技术规范书1 天线类型及要求本规范书包含以下几种典型天线类型:1) 800MHz 单频双极化定向天线(2 端口),电调天线2) 800MHz 单频双极化定向天线(4 端口),电调天线3) 800MHZ/2GHZ 宽频双极化定向天线(4+4 端口),电调天线1.1 电性能要求3.1.1 800MHz 单频双极化定向天线(2 端口)端口数量:共2 端口支持频段:820〜880MHz表3-1 800MHz 单频土45。
双极化定向天线(2 端口)(电调)电性能要求除对此表应答是否满足外,..另请补充应答此两种型号天线的RCU 安装方式,即“RCU 外置”.或.“RCU 内置可插拔”。
表3-2 800MHz 单频土45°双极化定向天线(2 端口)长度和宽度要求65 度/17dBi < 20003.1.2 800MHz 单频双极化定向天线(4 端口)端口数量:共4 端口支持频段:820〜880MHz要求两列天线独立电调。
表3-3 800MHz 单频土45°双极化定向天线(4 端口)(电调)电性能要求除对此表应答是否满足外,另请补充应答此两种型号天线的RCU 安装方式,即“CU 外置”或“RCU 内置可插拔”。
表3-4 800MHz 单频土45°双极化定向天线(4 端口)长度和宽度要求3.1.3 800MHz/2GHz 宽频双极化定向天线4+4 端口)端口数量:共8 端口,其中,800MHz 4 端口,2GHz 宽频4 端口支持频段800MHz 820〜880MHz 2GHz 宽频:1710〜2170MHz 要求四列天线独立电调表3-5 800MHz/2GHz 宽频土45°双极化定向天线(4+4 端口)(电调)电性能要求除对此表应答是否满足外,另请补充应答此两种型号天线的RCU 安装方式,即“RCU 外置”或“RCU 内置可插拔”。
表3-6 800MHz/2GHz 宽频土45°双极化定向天线(4+4 端口)长度和宽度要求对于内置RCU 的天线长度允许加长100mm。
中国移动通信有限公司2011年电调天线集中采购技术规范书中国移动通信有限公司2011年10月目录一总则 (1)二技术投标书的内容、顺序及基本要求 (1)三采购清单 (3)四规范性引用文件 (4)五天线主要技术指标及要求 (5)5.1术语和定义 (5)5.2电调天线的种类 (7)5.3天线的性能要求 (7)5.3.1电性能要求 (7)5.3.2RCU的可靠性要求 (10)5.3.3RCU的防水和防尘要求 (10)5.3.4RCU需支持AISG规范 (10)5.3.5机械性能指标及环境条件要求 (10)5.3.5.1一般结构要求 (10)5.3.5.2天线面板要求 (10)5.3.5.3天线安装组件要求 (10)5.3.5.4天线防雷要求 (10)5.3.5.5天线支架调整范围 (10)5.3.5.6重量 (10)5.3.5.7风速要求 (11)5.3.5.8温度 (11)5.3.5.9摄冰 (11)5.3.5.10其他 (11)5.3.5.11接头型式 (11)5.4天线材料和制作工艺要求 (11)5.4.1外罩 (11)5.4.2反射板 (12)5.4.3辐射单元 (12)5.4.3.1压铸振子 (12)5.4.3.2钣金冲压振子 (12)5.4.3.3贴片振子 (13)5.4.3.4PCB振子 (13)5.4.4馈电网络 (13)5.4.4.1同轴馈电网络 (13)5.4.4.2空气微带线和带状线馈电网络 (13)5.4.5同轴连接器 (14)5.4.5.1外观 (14)5.4.5.2尺寸 (14)5.4.5.3互换性 (14)5.4.5.4接触电阻 (14)5.4.5.5绝缘电阻 (14)5.4.5.6电压驻波比 (14)5.4.5.7三阶交调 (15)5.4.5.8耐压 (15)5.4.5.9拔出力 (15)5.4.5.10机械耐久性 (15)5.4.5.11加紧装置抗电缆拉伸的能力 (15)5.4.5.12外导体材料 (15)5.4.5.13内导体材料 (16)5.4.6安装件 (16)5.4.7焊接要求 (17)5.4.8塑料支撑件 (17)5.4.9外标签 (17)5.4.10设计要求 (17)5.5可靠性要求 (18)5.6天线的检验规则 (18)5.6.1型式检验 (18)5.6.2出厂检验 (18)5.7标志、包装、运输和贮存 (19)5.7.1标志 (19)5.7.1.1产品标志 (19)5.7.1.2外包装标志 (19)5.7.2包装 (20)5.7.3运输 (20)5.7.4贮存 (20)六供货及验收 (20)6.1供货能力 (20)6.2合同设备验收 (20)七售后服务 (20)7.1保修 (21)7.2技术服务 (21)八技术资料和技术培训 (21)8.1技术资料 (21)8.2技术培训 (21)九质量管理与保障体系 (21)一零附件一、测试方法 (22)10.1概述 (22)10.2增益测量 (22)10.3方向图圆度(全向天线)、半功率波束宽度、前后比、交叉极化比的测量 (23)10.4天线电下倾角测量 (24)10.5驻波比测量 (25)10.6隔离度测量 (26)10.7交调测量 (26)10.8功率容限测量 (27)10.9一般结构要求试验方法 (28)10.10环境试验方法 (28)一一附件二、产品检测判定标准 (31)11.1电气指标检测要求 (31)11.2环境试验及其他检测要求 (32)一总则本技术规范书是中国移动通信有限公司(以下简称买方)对基站用电调天线产品供应商(以下简称卖方)提出的技术要求,作为卖方制定技术投标书的依据。
电调基站天线技术参数电调基站天线的技术参数主要包括以下几个方面:1.电气指标:•频率范围:例如1880~1920MHz,2010~2025MHz,2500~2690MHz等。
•极化方式:例如±45°。
•电下倾角:通常在0°到12°之间,也有可以达到2°到12°的产品。
•各单元端口以及校准端口驻波比:一般要求≤1.5。
•校准端口至各单元端口耦合度:一般在-26±2dB。
•增益:例如,水平面半功率波瓣宽度在65°±15°时,增益应≥16.5dBi;在业务波束0°波束时,增益应≥20dBi等。
•前后比:例如,水平面半功率波瓣宽度在65°±15°时,前后比应≥23dB。
2.机械指标:•水平波瓣宽度:例如65°±6°。
•垂直波瓣宽度:例如≥9°,也有产品可以达到≥6°。
•天线尺寸和重量:例如,尺寸为1785×500×158mm,重量为32.2kg。
•天线罩材质和颜色:例如,材质为UPVC,颜色为灰色。
3.其他参数:•上副瓣抑制:对于小区制蜂窝系统,为了提高频率复用能力,减少对邻区的同频干扰,基站天线波束赋形时应尽可能降低那些瞄准干扰区的副瓣,上第一副瓣电平应小于-18dB。
•波束下倾:由于覆盖或网络优化的需要,基站天线的俯仰面波束指向需要调整。
此外,根据具体的应用场景和需求,电调基站天线还可以定制一些特殊的参数,例如直径规格、电压范围、功率范围、输出转速、速比范围、输出力矩以及齿轮材质等。
请注意,以上参数只是部分电调基站天线的参数示例,并非所有电调基站天线都具有相同的参数。
具体的参数应根据产品规格和应用场景进行选择。
同时,由于技术的不断发展,新的参数和指标也可能会出现。
一体化天线技术规范书一、一体化天线概述为减少城市环境移动天线不断增多产生的负面影响,需要在有需求的基站安装一体化天线,要求施工后的天线达到美观、隐蔽且与周边环境协调的整体效果。
传统加罩美化天线是在普通天线外增加一层外罩的方式进行美化,相当于在天线阵子外包围了两层外罩;而一体化美化天线则采用一层外罩的方式,即天线自身外罩已经过美化,可减少两层外罩带来的电气损耗。
二、必须满足的技术标准/规范下列标准包含的条文,通过在本文件中引用而成为本文件的条文。
所有标准都会被修改,使用本文件的各方应探讨使用下列标准最新版本的可能性。
1.YD/T 1059-2004 《移动通信系统基站天线技术条件》2.GB/T 9410-2008 《移动通信天线通用技术规范》3.YD/T 828.22-1996 《数字微波传输系统中所用设备的测量方法第2部分:地面无线接力系统的测量第2节:天线》4.GB/T 2423.1-2008 《电工电子产品环境试验第2部分:试验方法试验A:低温》5.GB/T 2423.2-2008 《电工电子产品环境试验第2部分:试验方法试验B:高温》6.GB/T 2423.3-2006 《电工电子产品环境试验第2部分:试验方法试验Cab:恒定湿热试验》7.GB/T 2423.5-1995 《电工电子产品环境试验第2部分:试验方法试验Ea和导则:冲击》8.GB/T 2423.6-1995 《电工电子产品环境试验第2部分:试验方法试验Eb和导则:碰撞》9.GB/T 2423.10-2008 《电工电子产品环境试验第2部分:试验方法试验Fc:振动(正弦)》10.GB/T 2423.38-2008 《电工电子产品环境试验第2部分:试验方法试验R:水试验方法和导则》11.GB 191-2008 《包装储运图示标志》12.GB/T 2828.1-2003 《计数抽样检验程序第1部分:按接收质量限(AQL) 检索的逐批检验抽样计划》13.GB/T 2829-2002 《周期检验计数抽样程序及表(适用于对过程稳定性的检验)》14.GB/T 3873-1983 《通信设备产品包装通用技术条件》15.GB 15842-1995 《移动通信设备安全要求和试验方法》16.Q/CT 2294-2010《中国电信CDMA无线网络配套设备总体技术规范-天线分册》17.2013 SX-080 《LTE(混合组网)系统设备技术要求-天线(试行)》18.YD/T 2010-2342《移动通信基站用一体化美化天线技术条件》1.1.1卖方提供的无线设备和系统应优先采用已有行业标准(中国电信的企业标准与中国行业标准不一致的地方,以中国电信的企业标准为准;本文件提出的具体技术要求高于上述文件和规范要求的,以本文件为准);无行业标准的,应符合技术标准的要求如下:1.符合有关标准(如GB、ISO、ITU-T、3GPP2、ETSI等),卖方应在建议书中具体说明。
天线设备检验检测明细目录一、总则 (1)二、规范性引用文件 (6)三、质量管理与保障体系 (6)四、天线主要技术指标及要求 (7)五、供货及验收 (35)六、产品质量抽检 (36)七、售后服务 (37)八、技术资料和技术培训 (38)本技术规范书是中国联合网络通信有限公司就向其提供基站用电调天线设备的投标人提出的技术要求,作为投标人制定技术应答书的依据。
一、总则1.对于本规范书提出的有关要求,投标人应在技术应答书中逐项答复,应答要求为“满足并优于”、“满足”、“不满足”。
对于相关技术参数指标等内容,投标人应在性能要求表格中每一项指标下方的空格内做逐项应答,说明能否满足要求,并填写具体数值,要求以产品标称值应答,应答用蓝色粗体字,并填写附表一、点对点应答偏离表,同时应在投标文件中提供相应的测试报告或其他证明文件资料。
2.对于本规范书中未能提出的系统性能指标和不合理的功能配臵,投标人应在建议书中加以补充说明,并提供有关详细资料。
3.投标人应根据招标项目的要求提出完整的设备配备,如有缺漏,由投标人免费补足。
4.天线使用经验为本项目提供的天线类型必须是经过工程实际使用、同时必须是为两个以上电信运营商提供一年以上满意服务的天线类型。
5.投标方应如实、准确填写下表(表1和表2),招标方保留核实的权力。
表1:2008-2009年(对中国联通)电调天线供货记录表2:2008-2009年(对其它电信运营商)电调天线供货记录6.本技术规范书根据投标人的应答,经完善后将作为商务合同的附件之一。
7.采购清单表3:电调天线采购清单均以标称值应答,投标方应答某一型号的天线时,可以用比要求增益大0.5dBi的天线应标(个别型号可以用比要求增益大1dBi的天线应标),具体要求可见表5性能指标表中的“增益”列的数值。
8.对于本技术规范书中加★的条款为关键条款,卖方如不满足,将不能中标。
9.所有应答指标应根据产品性能进行实事求是的填写,应答指标将做为最终产品抽测的基础指标以进行评判。
10.投标方必须对涉及专利、知识产权、商标等法律条款承担责任,保证在这些方面不会存在任何纠纷或潜在问题(包括第三方产品)。
如果投标方所提供的产品(包括第三方产品)在任何时候出现涉及专利、知识产权、商标等法律纠纷和问题,投标方必须担负全部责任,招标方对此不承担任何责任。
11.招标方有权在签定最终合同前,根据需要修改本规范书。
规范书的最终解释权在招标方。
二、规范性引用文件1.中华人民共和国通信行业标准YD/T1059-2004 移动通信系统基站天线技术条件三、质量管理与保障体系1.投标人应提供有效期内的ISO9000、ISO14000或其他质量保证体系认证文件。
2.投标人应提供其投标设备在防水、防潮、抗老化等系统设计、安全性方面的可靠性文件。
3.投标人应编制并提供本次投标设备在生产、服务等方面的质量保证计划和实施方案。
4.招标人必要时可对投标人的生产现场进行检查,内容包括设计、生产、装配、测试记录和质量保证体系文件等。
5.招标人在招标和工程实施过程中有权对投标人提供的任何批次产品进行随机抽检。
6.要求投标方提供至少以下技术服务。
----技术文件----保修期及保修期外的服务四、天线主要技术指标及要求1. 定义本技术规范采用如下定义。
1.1交叉极化比 Cross polar ratio给定方向上主极化分量与交叉极化分量的功率之比。
1.2电下倾角 Electrical downtilt利用电性能使天线垂直波束向下偏移,最大辐射方向与天线法线之间的夹角。
1.3隔离度 Isolation多端口天线上一个端口的入射功率与该入射功率在其他端口上可得到的入射功率之比。
1.4前后比 front-to-back ratio定向天线的前后比是指主瓣的最大辐射方向(规定为0°)的功率通量密度与相反方向附近(规定为180°土30°范围内)的最大功率通量密度之比值。
1.5互调 intermodulantion天线互调产物指当两个或多个频率信号经过天线时,由于天线的非线性引入的与原信号频率有和差关系的射频信号。
2. 电调天线的种类本次招标采购的电调天线为遥控电调天线(也可用于手动调节电调)。
对于遥控电调,可以以内臵驱动电机或外臵驱动电机(RCU)的方式实现。
3. 电调天线的性能要求3.1电性能要求3.1.1调节方式请说明天线的调节方式(手工调节、通过网管遥控调节)。
手动电调天线应支持现场直接硬件升级为外臵电调天线。
3.1.2 电调幅度多振子电调天线:≥8°;其他电调天线:≥10°。
3.1.3 电调精度电调天线的电调精度应≤1°。
3.1.4 ★天线控制要求电调天线应能对每副天线振子单独进行控制。
3.1.5 ★ RCU的可靠性要求内臵、外臵电机驱动模块应保证其MTBF(平均故障间隔时间)不低于50000小时。
3.1.6 RCU的防水、防尘和温度要求满足IEC 60 529规定的IP 65防尘和防水密封性要求。
满足-40度温度的室外环境正常使用。
(可选)3.1.7 电调天线解决方案请详细说明电调天线的控制方式、调节方式、组网方案、网管解决方案等。
3.1.8 天线方向图以附件的形式附上各种型号天线的水平和垂直方向图,如果是多频段天线,应附上每个频段的(GSM900、GSM1800、WCDMA)水平和垂直方向图。
3.1.9 电调天线调整控制的相关技术要求本次电调天线的选型中,要求电调天线内臵符合AISG v2.0规范的RCU (具备一进一出两个RS485接口支持菊花链串接),或能外接符合AISG v2.0规范的RCU作为必选功能;a)外臵RCU:●支持AISG v2.0规范,具备一进一出两个RS485接口支持菊花链串接。
●能提供对应天线的参数文件(Antenna Configuration File),以支持AISG SendConfigurationData指令。
●能存储AISG指定的设备数据:antenna model number、antenna serialnumber、antenna operating band、beamwidth、 gain、installation date、installer ID、base station ID、sector ID、antenna bearing、mechanical tilt。
●支持AISG要求的远程软件更新功能;b)AISG控制线:必须为RS485数据线;c)SBT:Smart-Biast ,用于将RS485控制信号调制到射频信号经馈线传送。
d)CCU:●支持AISG v2.0版本,支持AISG v2.0指令集,包括Calibrate、Set/GetTilt、Send Configuration Data、Get Information、Set/Get Device Data、Get Alarm Status、Reset、Download等。
●可将AISG规定的设备数据(如:antenna model number、antenna serialnumber、antenna operating band、beamwidth、gain、installation date、installer ID、base station ID、sector ID、antenna bearing、mechanical tilt等)写入RCU内存。
●能兼容并控制不同厂家的RCU。
●提供WEB页面操作功能,方便使用人员通过浏览器从远程操作。
●可支持AISG控制线长度至少50米。
●可支持2G/3G共站设备,可控制至少15个RCU。
●提供RJ-45以太网络接口,供CCU通过移动网网管通道与集中监控平台联机。
●提供本地控制接口(Console Port)操作。
●提供USB 接口可外接其它设备,例如GPRS modem供2G站台电调天线使用。
●提供硬件操作,以供必要时恢复系统出厂的默认数据。
●提供软件控制,当RCU设备异常时可切断AISG电源,再重新启动RCU。
●提供电源省电模式,当RCU不使用时可断电。
●本设备须方便安臵于19吋机架或机柜内。
e)手持控制器●支持AISG v2.0版本,支持AISG v2.0指令集,包括Calibrate、Set/GetTilt、Send Configuration Data、Get Information、Set/Get Device Data、Get Alarm Status、Reset、Download等。
●可将AISG规定的设备数据(如:antenna model number、antenna serialnumber、antenna operating band、beamwidth、gain、installation date、installer ID、base station ID、sector ID、antenna bearing、mechanical tilt等)写入RCU内存。
●能兼容并控制不同厂家的RCU。
●可支持AISG控制线长度至少50米。
f)集中监控平台(RET Server)●系统为服务器(Server)/客户端(Client)结构,支持不同客户端的多种接入能力。
●提供信息同步功能,CCU、RET Server与Client显示信息须自动、实时保持一致。
●Client端提供中文操作界面。
●提供CCU 软件远程更新、时间校准及IP变更设定等功能。
●单一服务器可存放20,000台CCU信息,可同时接受100个Client端使用者操作。
●远程天线下倾角调校功能,提供单一实时、批次实时与定时下发等操作模式。
●远程RCU天线信息读取、写入、RCU校准、RCU软件更新功能。
●现状与历史信息查询,信息包括电调天线下倾角、RCU设备状态与RCU设备信息等。
可同时显示多个基站的查询结果,并以报表或文件形式输出。
●电调天线调校记录,含天线下倾角调校、RCU天线信息写入、RCU软件更新等,记录内容包含操作前后与设定之设备值、操作结果、操作时间、操作人员等,并以报表或文件形式输出。
●RET服务器可主动检测RCU、CCU、Node B与服务器之间联机状态。
●RET服务器可接收CCU发送的RCU异常告警,并在Client端实时显示。
●告警管理功能须包含实时告警监控、告警基站群组监控、告警筛选监控、告警分级、告警追踪、告警确认、告警清除、历史记录查询等功能。
●使用者账号、密码认证机制,并设定密码输入错误次数。
●使用者操作记录,可追踪系统登入、注销、所有远程电调天线调校功能。
●使用者权限设定功能,依据使用者所属身份给予不同的功能操作权限。