防雷工程(子分部)工程验收记录
- 格式:xls
- 大小:23.00 KB
- 文档页数:1
001至专业监理工程师(建设单位项目专业负责人):长沙市建筑安装工程公司专业工长专业质检员施工班组长综合评价结论/备注检测调试负责人签名监理(建设)单位施工单位524.2.4防雷引下线、接闪线、接闪网和接闪带的焊接连接搭接长《建筑电气工程施工质量验收规范》 GB50303-2015建筑电气施工方案424.2.2设计要求接地的幕墙金属框架和建筑物金属门窗的防雷引下线连接及《建筑电气工程施工质量验收规范》 GB50303-2015建筑电气施工方案324.2.1暗敷在建筑物抹灰层内的引下线卡钉分段固定《建筑电气工程施工质量验收规范》 GB50303-2015建筑电气施工方案224.1.3防雷引下线与接地装置连接《建筑电气工程施工质量验收规范》 GB50303-2015建筑电气施工方案检查测试情况记录备注124.1.1防雷引下线的布置、安装数量和连接方式\结构或抹灰层内《建筑电气工程施工质量验收规范》 GB50303-2015建筑电气施工方案序号验收依据名称/编号/条文号检查测 试项目检查测试部位验收规定施工依据规定检查测试日期年 月 日年 月 日最小/实际抽样数量测试计量器具(仪表、仪器)及其附属设备(器具)的名称/型号、规格/量程/分辨精度/出厂编号/制造厂商/其他要素:施工单位长沙市建筑安装工程公司分部/子分部/分项 (系统/子系统)建筑电气/防雷及接地装置安装工程/防雷引下线及接闪器安装检验批编号GD-C5-71252001防雷引下线及接闪器安装检验批现场验收检查测试原始记录GD-C4-614单位(子单位)工程名称华浩海悦湾二期(南地块)专业监理工程师(建设单位项目专业负责人):长沙市建筑安装工程公司。
避雷及接地装置接地隐蔽工程验收记录GB50303—2002 技06-04-工程名称雅美新居6#住宅楼子分部工程名称防雷及接地施工单位新乡市获嘉建筑安装工程总公司验收日期2005.设计单位及图纸编号河南省机电设计院电施-1、4类别部位名称材质规格数量连接方法长度(m)埋深(m)排列形式顶端与地表距离(m)利用基础的接地装置条基钢筋12107焊接0.15地圈梁钢筋12焊接筏板立柱(引上线)钢筋147焊接0.15人工接地装置接地体镀锌扁铁-40*4 2 焊接-0.8 接地母线引上线示意图及说明:1、利用基础周边钢筋通焊,搭接12D单面焊。
2、作为引下线的GZ四根通焊与基础钢筋搭接12D单面焊。
3、各类金属管道按规范要求与地网导通。
4、从建筑物北立面东西两角室外地坪-0.8处从引下线焊接引出-40*4镀锌扁铁引至室外散水外0.5以备人工重复接地.施工单位监理(建设)单位验收意见:符合设计及规范要求验收意见:项目专业工长(施工员):项目专业质量检查员:项目专业监理工程师:2005年月日(公章)年月日(公章)郑州市工程质量监督站监制电线、电缆导管隐蔽工程验收记录电线、电缆导管隐蔽工程验收记录GB50303—2002 技电线、电缆导管隐蔽工程验收记录验收意见:符合设计及规范要求。
验收意见:项目专业工长(施工员):项目专业质量检查员:项目专业监理工程师:2005年月日(公章)年月日(公章)避雷及接地引线(侧击雷)隐蔽工程验收记录GB50303—2002 技06-05-工程名称雅美新居6#住宅楼子分部工程名称防雷及接地施工单位新乡市获嘉建筑安装工程总公司验收日期2005.设计单位及图纸编号河南省机电设计院电施-1、4类别部位层段或标高(m)材质规格数量连接方法引线GZ 一层○A/○2、○12钢筋14 7 电渣压力焊○D/○1、○13○E/○3、○6、○11侧击雷外窗均压环接闪器示意图及说明:1、施工详见电施-1、4。
基础防雷接地隐蔽工程验收记录
基础防雷接地
隐蔽工程验收记录
防雷接地隐蔽工程验收记录
防雷接地隐蔽工程验收记录
防雷接地隐蔽工程验收记录
防雷接地隐蔽工程验收记录
防雷接地隐蔽工程验收记录
防雷接地隐蔽工程验收记录
防雷接地隐蔽工程验收记录
防雷接地隐蔽工程验收记录
防雷接地隐蔽工程验收记录
防雷接地隐蔽工程验收记录
防雷接地隐蔽工程验收记录
防雷接地隐蔽工程验收记录
防雷接地隐蔽工程验收记录
防雷接地隐蔽工程验收记录
防雷接地隐蔽工程验收记录
防雷接地隐蔽工程验收记录
防雷接地隐蔽工程验收记录
防雷接地隐蔽工程验收记录
防雷接地隐蔽工程验收记录
安装单位检查评定
结果专业工长(施
工员)
测试人员
符合设计规范规定要求。
(公章)
项目专业质量检查员:年月日
监理(建设)单位
验收结论
(公章)
专业监理工程师(建设单位项目专业技术负责人):年月日。
避雷及接地引线(侧击雷)隐蔽工程验收记录GB50303—2002技06—05—工程名称河南省华裕置业有限公司5号住宅楼子分部工程名称防雷及接地装置安装施工单位郑州市二七建筑工程公司验收日期2004年2月19日设计单位及图纸编号河南五象建筑设计有限公司电施5-06类别部位层段或标高(m)材质规格数量连接方法引线GZ柱防雷焊接六层钢筋12 2根焊接侧击雷外窗均压环接闪器示意图及说明:利用构造柱内两根统长钢筋与基础接地极连接起来作为避雷引下线,焊接GZ柱的位置为:轴与轴、轴与轴、轴与轴、轴与轴轴与轴相交处柱子,共5点,焊接时搭接长度大于圆钢直径6倍,双面施焊,并全部埋于砼中。
施工单位监理(建设)单位验收意见:项目专业工长(施工员):项目专业质量检查员:年月日(公章) 验收意见:项目专业监理工程师:年月日(公章)避雷及接地引线(侧击雷)隐蔽工程验收记录GB50303—2002技06—05—工程名称河南省华裕置业有限公司4号住宅楼子分部工程名称防雷及接地装置安装施工单位郑州市二七建筑工程公司验收日期2004年月日设计单位及图纸编号河南五象建筑设计有限公司电施4—07 类别部位层段或标高(m)材质规格数量连接方法引线GZ柱防雷焊接六层钢筋12 2根焊接侧击雷外窗均压环接闪器示意图及说明:利用构造柱内两根统长钢筋与基础接地极连接起来作为避雷引下线,焊接GZ柱的位置为:①轴与E轴、A轴与轴、轴与轴、⑧轴与轴南侧1.2m处柱、17轴与F轴、18轴与A轴南侧1。
2m柱、E轴与21轴、A轴与21轴相交处柱子,共8点,焊接时搭接长度大于圆钢直径6倍,双面施焊,并全部埋于砼中。
施工单位监理(建设)单位验收意见:项目专业工长(施工员): 项目专业质量检查员: 验收意见:项目专业监理工程师:年月日(公章) 年月日(公章)避雷及接地引线(侧击雷)隐蔽工程验收记录GB50303—2002技06-05- 工程名称河南省华裕置业有限公司3号住宅楼子分部工程名称防雷及接地装置安装施工单位郑州市二七建筑工程公司验收日期2004年月日设计单位及图纸编号河南五象建筑设计有限公司电施3—07 类别部位层段或标高(m)材质规格数量连接方法引线GZ柱防雷焊接六层钢筋12 2根焊接侧击雷外窗均压环接闪器示意图及说明:利用构造柱内两根统长钢筋与基础接地极连接起来作为避雷引下线,焊接GZ柱的位置为:轴与轴、轴与轴、⑥轴与轴、⑥轴与轴南侧1。
修改说明:本表格与13版比较表头部分将项目负责人改为项目经理,因为项目经理是施工企业在工程项目上的合法代表。
增加了验收记事一栏,方便记录验收当时情况。
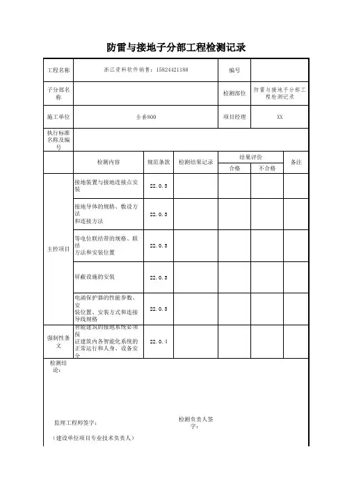
一、验收依据1、《建筑工程施工质量验收统一标准》GB50300-20132、《建筑电气工程施工质量验收规范》GB50303-2002二、规范摘要1、检验批划分原则避雷引下线安装6层以下的建筑为一个检验批,高层建筑依均压环设置间隔的层数为一个检验批;接闪器安装同一屋面为1个检验批。
2、验收要求(抽查数量)检验批的容量2~15最小抽样数量2;检验批的容量16~25 最小抽样数量3;检验批的容量26~90最小抽样数量5;检验批的容量91~150 最小抽样数量8;检验批的容量151~280最小抽样数量13。
3.主控项目25.1.1 暗敷在建筑物抹灰层内的引下线应有卡钉分段固定;明敷的引下线应平直、无急弯,与支架焊接处油漆防腐且无遗漏。
25.1.3 当利用金属构件、金属管道做接地线时,应在构件或管道与接地干线间焊接金属跨接线。
26.1.1 建筑物顶部的避雷针、避雷带等必须与顶部外露的其他金属物体连成一个整体的电气通路,且与避雷引下线连接可靠。
4.一般项目25.2.1 钢制接地线的焊接连接应符合本规范第24.2.1条的规定,材料采用及最小允许规格、尺寸应符合本规范第24.2.2的规定。
25.2.2 明敷接地引下线及室内接地干线的支持件间距应均匀,水平直线部分0.5~1.5m;垂直直线部分1.5~3m;弯曲部分0.3~0.5m。
25.2.3 接地线在穿越墙壁、楼板和地坪处应加套钢管或其他坚固的保护套管,钢套管应与接地线做电气连通。
25.2.7 设计要求接地的幕墙金属框架和建筑物的金属门窗,应就近与接地干线连接可靠,连接连接处不同金属间应有防电化腐蚀措施。
26.2.1 避雷针、避雷带应位置正确,焊接固定的焊缝饱满无遗漏,螺栓固定的应备帽等防松件齐全,焊接部分补刷的防腐油漆完整。
防雷及接地安装隐蔽工程检查验收记录编号:(01-18/03-02/04-02/05-16)/06-17 /(08-20/09-01)□□□1 / 30防雷及接地安装隐蔽工程检查验收记录编号:(01-18/03-02/04-02/05-16)/06-17 /(08-20/09-01)□□□2 / 303 / 30防雷及接地安装隐蔽工程检查验收记录编号: (01-18/03-02/04-02/05-16)/06-17 /(08-20/09-01)□□□4 / 30防雷及接地安装隐蔽工程检查验收记录编号:(01-18/03-02/04-02/05-16)/06-17 /(08-20/09-01)□□□5 / 30防雷及接地安装隐蔽工程检查验收记录编号:(01-18/03-02/04-02/05-16)/06-17 /(08-20/09-01)□□□6 / 30防雷及接地安装隐蔽工程检查验收记录编号: (01-18/03-02/04-02/05-16)/06-17 /(08-20/09-01)□□□7 / 30防雷及接地安装隐蔽工程检查验收记录编号: (01-18/03-02/04-02/05-16)/06-17 /(08-20/09-01)□□□防雷及接地安装隐蔽工程检查验收记录编号:(01-18/03-02/04-02/05-16)/06-17 /(08-20/09-01)□□□8 / 30防雷及接地安装隐蔽工程检查验收记录9 / 30编号:(01-18/03-02/04-02/05-16)/06-17 /(08-20/09-01)□□□10 / 30防雷及接地安装隐蔽工程检查验收记录编号:(01-18/03-02/04-02/05-16)/06-17 /(08-20/09-01)□□□11 / 30防雷及接地安装隐蔽工程检查验收记录编号:(01-18/03-02/04-02/05-16)/06-17 /(08-20/09-01)□□□12 / 30电线导管敷设隐蔽工程检查验收记录编号:(01-18/03-02/04-02/05-16)/06-17 /(08-20/09-01)□□□13 / 30防雷及接地安装隐蔽工程检查验收记录编号:(01-18/03-02/04-02/05-16)/06-17 /(08-20/09-01)□□□14 / 3015 / 30防雷及接地安装隐蔽工程检查验收记录编号:(01-18/03-02/04-02/05-16)/06-17 /(08-20/09-01)□□□16 / 30防雷及接地安装隐蔽工程检查验收记录编号:(01-18/03-02/04-02/05-16)/06-17 /(08-20/09-01)□□□17 / 30防雷及接地安装隐蔽工程检查验收记录编号:(01-18/03-02/04-02/05-16)/06-17 /(08-20/09-01)□□□电线导管敷设隐蔽工程检查验收记录18 / 30编号:(01-18/03-02/04-02/05-16)/06-17 /(08-20/09-01)□□□19 / 30防雷及接地安装隐蔽工程检查验收记录编号:(01-18/03-02/04-02/05-16)/06-17 /(08-20/09-01)□□□20 / 30防雷及接地安装隐蔽工程检查验收记录编号:(01-18/03-02/04-02/05-16)/06-17 /(08-20/09-01)□□□21 / 30防雷及接地安装隐蔽工程检查验收记录编号:(01-18/03-02/04-02/05-16)/06-17 /(08-20/09-01)□□□防雷及接地安装隐蔽工程检查验收记录编号:(01-18/03-02/04-02/05-16)/06-17 /(08-20/09-01)□□□23 / 30防雷及接地安装隐蔽工程检查验收记录编号:(01-18/03-02/04-02/05-16)/06-17 /(08-20/09-01)□□□25 / 30防雷及接地安装隐蔽工程检查验收记录编号:(01-18/03-02/04-02/05-16)/06-17 /(08-20/09-01)□□□26 / 30防雷及接地安装隐蔽工程检查验收记录编号:(01-18/03-02/04-02/05-16)/06-17 /(08-20/09-01)□□□27 / 30防雷及接地安装隐蔽工程检查验收记录编号:(01-18/03-02/04-02/05-16)/06-17 /(08-20/09-01)□□□28 / 30防雷及接地安装隐蔽工程检查验收记录编号:(01-18/03-02/04-02/05-16)/06-17 /(08-20/09-01)□□□防雷及接地安装隐蔽工程检查验收记录编号:(01-18/03-02/04-02/05-16)/06-17 /(08-20/09-01)□□□29 / 3030 / 30。