强夯试验段总结
- 格式:docx
- 大小:66.10 KB
- 文档页数:13
1、试验目的道池池阎良中中心心线线路基中心线K168+640K168+650强夯试验段施工方案K168+656通过在试区内试夯,测定现场夯击次数与夯沉量关系曲线及夯前原位土样物理性参数与夯后土样物理性参数对比曲线,确定强夯施工的技术参数,指导基底大面积强夯施工,确保工程质量。
2、设计要求2.1地质情况强夯施工范围内为自重湿陷性黄土,主要由粉质粘土组成,孔隙发育,结构疏松,具有高压缩性。
其湿陷性等级及湿陷系数见下表,钻探结果在地表以下未见地下水。
2.2基底处理在施工路段K169+000~K169+250和K171+413.72~K171+700范围内基底采用160(t.m)能级强夯,强夯区影响深度5米;在高填方路段K171+700~K172+500施工范围内基底采用240(t.m)-1 -强夯试验段施工方案能级强夯,强夯区影响深度6米。
每个夯点夯击五遍,夯点间距宜为锤底直径的1.5~2.0倍,方格网状布置夯点。
3、试验地点160(t.m)能级和240(t.m)能级试验段设在K171+413.73~K172+500范围内具有代表性地段,选取80m×10m 做为试验段,在试验段内分两段40m用于二种能级方案的试验。
4、试验段检测项目4.1强夯前地基试验、检测内容4.1.1室内试验常规试验:颗粒分析、液塑限、含水量、天然容重、标准击实;湿陷试验:密度、比重(空隙比)、饱和度、压缩(系数、模量)、湿陷性试验(湿陷系数、起始压力、自重湿陷系数)、直接剪切实验(粘聚力和内摩擦角)4.1.2现场试验夯前原地面标高4.2强夯过程中及强夯后地基试验、检测内容4.2.1室内试验密度、比重(空隙比)、饱和度、压缩(系数、模量)、湿陷性试验(湿陷系数、起始压力、自重湿陷系数)、直接剪切试验(粘聚力和内摩擦角)。
4.2.2现场试验1)参数夯击能量、夯锤重、夯锤落距、夯击点布设、夯击遍数、夯- 2 -强夯试验段施工方案击数;2)夯沉量在每一击后测量每锤夯击前测定初始锤顶部一定点的标高,直到最后两击的平均夯沉量不大相应锤顶标高,并计算夯沉量,5cm时为止。
强夯试验段总结范文报告范文路基强夯试验段施工总结报告一、总结目的我标段地处属Ⅵla区河套副区,地面较为平坦、广阔。
全线在河沟中表层发育砂层、且水位较浅,存在地震液化的可能性,线路区部分段落在地震作用下,会发生砂土液化,液化等级由轻微~严重;路基段内当液化土层厚度在1.0-4.0m时,采用强夯+砂砾垫层进行处理。
为保证路基填筑质量,提高路基的整体强度与均匀性,减小工后沉降。
遵照设计图纸要求,对砂土液化厚度在1.0-4.0m的路基采用强夯,进行补强。
通过K18+660~K19+300段落内选取一段进行试验段的强夯施工来确定强夯施工工艺、施工方法,收集施工中的各项技术指标参数,为下一步路基强夯施工提供现场控制依据。
二、强夯试验段工程概况及施工组织1、试验段工程概况试验段选定在K18+660~K18+710段进行,满足试验段长度要求(长度不小于50m且强夯段无涵洞或其它构造物),长度为50m。
2、路基强夯试验段的施工组织K18+660~K18+710段路基处理范围内强夯增强试验,收集强夯相关数据。
试验施工的时间安排及工作内容为:2022年3月15日~2022年3月20日施工准备:落实安排施工作业人员、机械,场地平整;测量组放线确定边线及标高。
2022年3月21日~2022年3月29日按设计图纸要求对试验段路基进行强夯处理,强夯完成以后进行压实度检测及沉降观测数据整理。
2.1试验段人员分工试验段施工前成立了试验段领导小组,由总工程师主持,参加试验路段工作的人员分工见表1强夯试验段人员分工表。
表1强夯试验段人员分工表序号姓名职务职称责任1赵根根总工程师高级工程师全面负责技术工作2石建华副经理高级工程师负责施工管理工作3赵栋副总工程师工程师负责技术指导工作4吴利军力工程部长高级工程师负责技术方案编制5王巧玲质检部长高级工程师负责施工中的质检6牛杰路基工程师工程师负责方案的实施及参数整理收集、7李顺福测量队队长工程师负责试验段测量工作8张晓刚试验室主任工程师负责试验段试验工作9弓钰光领工员工程师负责机械调动及组织施工10马泽灵安全部长工程师负责试验段的安全施工2.2强夯试验段施工机械设备情况2.2.1机械设备准备1、夯锤:用钢板制作外壳,内部焊接骨架后灌注混凝土制成。
山西中南部铁路通道ZNTJ-11标段DK526+687.95~DK527+200路基地基处理强夯试验段总结编制:复核:审核:中铁一局集团山西中南部铁路通道ZNTJ-11标段项目经理部20**年9月目录一、实验目的1二、编制依据1三、适用范围1四、路基工程概况及主要技术标准14.1路基工程概况14.2路基工程主要技术标准24.3地基加固处理措施2五、强夯原理2六、施工方案36.1强夯试验性施工参数确定36.2施工流程图66.3人员、机械配置66.4施工工艺76.5施工控制及检测96.6注意事项11七、试验结论12八、附件13根据合同文件及《铁路路基工程施工质量验收标注》的要求,我合同段自20**年8月20日至20**年9月20日DK526+687.95~DK527+200段进行强夯试验段施工,试验段全长512.05m。
通过试验段施工为下一步强夯地基处理大面积的施工,提供技术参数,现将我合同段的强夯试验总结如下:一、实验目的1、明确地基处理强夯的工艺流程、操作要点;2、检验设计参数和地基处理效果;3、确定施工参数、施工设备及施工工艺,为大面积施工和今后施工提供科学依据二、编制依据1、设计院提供的施工图2、铁路路基工程施工质量验收标准铁TB10414-20**、J285-20**3、客货共线铁路路基工程施工技术指南TZ202-20**三、适用范围本路基基底处理施工技术方案适用于中铁一局集团山西中南部铁路通道ZNTJ-11标段DK501+600~DK530+000范围内的路基基底处理。
四、路基工程概况及主要技术标准4.1路基工程概况试验段里程为DK526+687.95~DK527+200段,全长512.05m。
位于壶关县山前平原区,地势平坦、开阔,地质构造简单,无大的断裂构造。
无地表水,地下水埋深较深。
表层黄土湿陷性系数在0.018~0.044之间,属Ⅲ级自重湿陷性黄土。
4.2路基工程主要技术标准(1)路基面形状路基面形状为梯形,线路中线以外向两侧设4%的横向排水坡。
陆域强夯试夯总结一、试夯概况1.1试验简介根据设计图纸要求,对已回填开山石形成的陆域Ⅰ区直接采用强夯加固,强夯面积37673.1㎡,强夯法加固施工前应进行典型施工试验,根据典型施工结果调整设计参数。
典型施工面积不小于50m×50m。
1.2试验依据施工图纸;《水运工程质量检验标准》(JTS257-2008)《水运工程测量规范》(JTS 131-2012)二、试夯目的根据设计提供的初步参数,进行现场试夯。
试夯后进行检测并与夯前测试数据进行对比,检测强夯效果,以确定最佳夯击能、夯击间距、单夯夯击次数等施工参数。
三、试夯参数3.1 典型试验区选取我部选定试夯区域于3#堆场临近横三路处,对该场地进行试夯。
试夯区域大小为50×50=2500平方米,地面标高约9m。
试夯区场地坐标如下:3.2 夯点布置点夯夯点布置为正方形,夯点间距3.5m,普夯要求夯印搭接1/4锤底直径。
如图:图3.2-1强夯夯点布置图图3.2-2普夯夯点布置注:图中①为第一遍强夯夯点,②为第二遍强夯夯点四、设计要求(1)强夯每夯点夯击次数及收锤标准强夯夯能为3000KJ,采用两遍点夯,一遍普夯。
夯锤底面积不小于4.0㎡,夯点间距3.5m。
每遍点夯夯击次数不少于10击并且最后两击平均夯沉量不大于50mm,普夯采用搭接夯,普夯能量1000KJ,每点夯击6击,搭接部分不小于夯锤锤经1/4,强夯始夯标高为地基处理交地标号+夯沉量(3000KJ强夯区沉降量暂考虑为80cm,在施工过程可根据实际施工情况再调整夯面标高)。
(2)强夯施工前,将测量基准点设在受施工影响范围以外的地方,根据设计要求对夯点进行测放定位,夯点定位允许偏差不大于±50mm,夯点应有明显的标记和编号。
(3)强夯完成平整场地后,应采用自重不小于18t的振动压路机进行碾压至设计标高。
碾压遍数6~8遍(来回为一遍),碾压行与行之间应重叠40~50mm,前后相邻区段应重叠100~150mm,应达到无漏压、无死角,确保碾压均匀。
日照机场场地平整方案飞行区土石方工程D标段强夯施工试验段总结编制人:审批人:北京中航空港建设工程有限公司日照民用机场项目部2013年12月31日强夯试验段施工总结一、施工时间填筑时间为2014年1月14日~2014年1月16日,强夯时间为2014年1月17日~2014年1月20日,试验日期为2014年1月21日。
二、施工范围具体位置详见下图:试验段位置示意图~15%,~2%)(2)进料及虚铺厚度控制:采用后退堆填法分压层进行试验用料的进料摊铺,每亚层堆填厚度不超过1.0m,推土机找平。
强夯单层虚铺厚度为5m,压实厚度约为4~4.5m。
(3)夯锤锤底静压力:25~40kPa。
(4)点夯时,单点击数一次完成,推平后进行满夯。
(5)点夯停夯标准:满足击数要求,且最后一击夯沉量不大于5cm。
强夯填筑工艺参数见下表,可在试验段施工作业结束后进行优化。
夯型单击夯能(kN·m)夯点布置夯点间距(m)夯击遍数单点击数点夯3000正方形 3.5110~13满夯1000搭接型1/4锤径13填挖交接补压的技术要求如下:在填挖交接处,应结合台阶开挖,沿竖向每填筑约5m厚,在台阶交接面附近采用强夯法进行补压处理,补压范围为整个搭接长度范围,强夯参数详见下表。
夯型单击夯能(kN·m)夯点布置夯点间距(m)夯击遍数单点击数点夯2000正方形 3.518~10满夯1000搭接型1/4锤径13要求锤底静压力25~40kPa,最后一击夯沉量≤3cm。
四、施工准备(一)设备准备1、夯锤:用钢板制作外壳,内部焊接骨架后灌注混凝土制成。
夯锤底采用圆形,夯锤锤底静压力为25~40kPa,并设2个排气孔,孔径为250mm。
2、起重机械:选用50t的履带式起重机,以满足夯锤起吊重量和提升高度,并设安全装置,防止夯击时臂杆后仰。
3、自动脱钩装置:要求有足够强度,起吊时不产生滑钩,脱钩灵活,能保持夯锤平稳下落,挂钩方便迅速。
4、铲车:用作回填、整平夯坑和作地锚用。
目录一、试验段施工情况简介 (1)二、现场投入人员 (1)三、现场投入机械设备 (2)四、强夯总体施工方案 (2)五、强夯施工工艺 (3)六、强夯施工方法 (4)七、夯击数据分析 (5)九、结论 (8)十、附件 (8)路基强夯处理试验成果总结一、试验段施工情况简介试验段里程为DK900+720-DK900+810段,全长90 m。
位于****,地形较陡,地势左高右低,地表为旱地,地层上部第四系上更新统风积砂质黄土;下部上第三系泥岩;底部为华力西期花岗岩。
2013年10月26日~10月30日,根据设计要求对该段路堑基底进行强夯处理施工,经现场监理全程旁站,强夯施工完成后**环通工程试验检测通过现场检测,满足设计要求及规要求。
二、现场投入人员施工现场主要人员统计表三、现场投入机械设备施工现场主要工程机械、设备统计表四、强夯总体施工方案检测路基基底含水量,含水量在最佳含水量的±2%以时,平地机平整施工场地,压路机碾压平整后,放设边桩和控制点,并用白灰标示出需进行强夯的围,并测量控制点高程,确定强夯围。
根据强夯围,布置4m×4m 的方格,方格根据夯锤直径定出点夯夯点位置。
夯前,在该段选择一个有代表性的场地上进行试夯,试夯点选择4-6个点。
通过强夯前后测试数据的对比,确定点夯的夯击次数及控制标准。
根据试夯确定的标准进行大面积点夯,现场强夯满足最后两击的夯沉量不大于50mm、夯坑周围地面无过大隆起以及不因夯坑过深而起起锤困难,停止夯击并记录该点实际夯击遍数及累计沉降量。
三遍点夯过后,以低能量满夯,将场地表层松土夯实,并测量场地标高。
满夯时,夯迹彼此重迭搭接1/4夯锤直径。
夯击过程中由质检员负责对各种数据记录和原始资料的整理。
五、强夯施工工艺施工工艺流程见下框图所示:六、强夯施工方法1、施工准备(1)组织机械、测量及检测设备和人员进场。
(2)清除地基处理围的浮土,人工配合机械整平试验场地。
路基填前强夯试验段总结报告一、试验段目的本合同段AK0+000-AK0+300段路基底部为I级非自重湿陷性黄土,湿陷深度为0-2米,对此路段进行强夯处理。
通过试验段总结夯锤质量、夯击次数、夯锤落距、夯点间距、夯击遍数、沉降量、间歇时间关系,选取合理的机械配备和质量控制方案。
二、试夯的检测方法:检测方法:对粘性土地基以静力触探、荷载试验为主;对地基以动力触探、标准贯入试验、荷载试验为主。
三、试验段桩号AK0+077—AK0+117长度40m,平均宽度14.5m。
面积40Χ14.5=580m²四、地质分析此段落为湿陷性黄土,厚度1-2米。
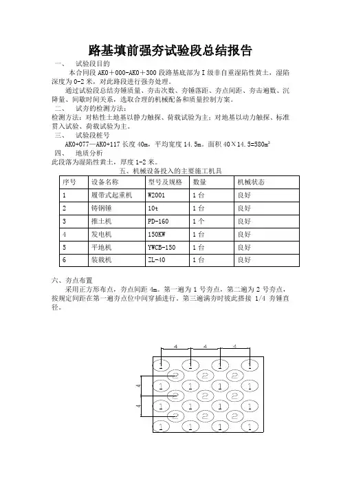
六、夯点布置采用正方形布点,夯点间距4m。
第一遍为1号夯点,第二遍为2号夯点,按规定间距在第一遍夯点位中间穿插进行。
第三遍满夯时彼此搭接1/4夯锤直径。
七、夯击能量要求1)设计夯击能要求:夯击能100T.m。
2)实际夯锤参数及落距夯锤质量m0:13.6T,夯锤面积S:4.2 m²,落距h1=7.35m八、单点夯击次数与夯沉量的控制单点夯击次数控制标准:①第一遍,要求最后两击夯沉量之和小于15cm,之差小于5cm,且后一击夯沉量小于前一击夯沉量。
第二遍,要求最后两击夯沉量之和小于10cm,之差小于5cm,且后一击夯沉量小于前一击夯沉量。
②夯坑周围地面不应发生过大的隆起。
③不因夯坑过深而发生起锤困难。
夯击遍数以不出现“翻浆”或“橡皮土”为宜。
第一遍:夯击次数与夯沉量关系曲线如下。
(该数据为平均值)单位mm第二遍:夯击次数与夯沉量关系曲线如下。
(该数据为副夯点平均值)单位mm九、整平后的地面标高变化十、试验段总结1、施工后,综合分析测量记录,然后做出初步的评价,并进行总结。
2、确定夯击能100T.m,夯锤质量:13.6T,落距:7.35m。
强夯夯点间距4米×4米布置第一遍夯点,每点夯击8击,夯沉量35.3cm;第二遍夯点按4米×4米在第一遍点位中间穿插布置,每点夯击6击,夯沉量25.3cm;第三遍搭接1/4夯印满夯夯沉量11cm的施工工艺能够满足设计要求。
日照机场场地平整方案飞行区土石方工程D标段强夯施工试验段总结编制人:审批人:北京中航空港建设工程有限公司日照民用机场项目部2013年12月31日强夯试验段施工总结一、施工时间填筑时间为2014年1月14日~2014年1月16日,强夯时间为2014年1月17日~2014年1月20日,试验日期为2014年1月21日。
二、施工范围具体位置详见下图:试验段位置示意图~15%,~2%)(2)进料及虚铺厚度控制:采用后退堆填法分压层进行试验用料的进料摊铺,每亚层堆填厚度不超过1.0m,推土机找平。
强夯单层虚铺厚度为5m,压实厚度约为4~4.5m。
(3)夯锤锤底静压力:25~40kPa。
(4)点夯时,单点击数一次完成,推平后进行满夯。
(5)点夯停夯标准:满足击数要求,且最后一击夯沉量不大于5cm。
强夯填筑工艺参数见下表,可在试验段施工作业结束后进行优化。
夯型单击夯能(kN·m)夯点布置夯点间距(m)夯击遍数单点击数点夯3000正方形 3.5110~13满夯1000搭接型1/4锤径13填挖交接补压的技术要求如下:在填挖交接处,应结合台阶开挖,沿竖向每填筑约5m厚,在台阶交接面附近采用强夯法进行补压处理,补压范围为整个搭接长度范围,强夯参数详见下表。
夯型单击夯能(kN·m)夯点布置夯点间距(m)夯击遍数单点击数点夯2000正方形 3.518~10满夯1000搭接型1/4锤径13要求锤底静压力25~40kPa,最后一击夯沉量≤3cm。
四、施工准备(一)设备准备1、夯锤:用钢板制作外壳,内部焊接骨架后灌注混凝土制成。
夯锤底采用圆形,夯锤锤底静压力为25~40kPa,并设2个排气孔,孔径为250mm。
2、起重机械:选用50t的履带式起重机,以满足夯锤起吊重量和提升高度,并设安全装置,防止夯击时臂杆后仰。
3、自动脱钩装置:要求有足够强度,起吊时不产生滑钩,脱钩灵活,能保持夯锤平稳下落,挂钩方便迅速。
4、铲车:用作回填、整平夯坑和作地锚用。
强夯试验段施工总结一、试验路段概述:我项目部在K29+350~K29+500段作强夯试验段,该处属于湿陷性黄土地基,填土高度大于4米,采用D型强夯地基处理方案,强夯能级1200kN.m,段落宽50m,原地面强夯面积为8273㎡。
二、机械配备及人员组织机械配置一览表机械名称型号数量(台)备注强夯机QUY40 2 在施工前同现场监理工程师共同对夯锤及脱钩位置进行了标定。
平地机PQ190 1压路机18t 1震动压路机20t 1装载机 ZL50 2洒水车 6000L 1一个特殊路基作业队劳动力配置表序号作业班组数量管理人员技术人员技术工人普通工人1 强夯作业班组112 1 4 42 灰土作业班组33 1 2 20 10合计44 3 3 24 14三、试验段施工方案及施工步骤总结:1、基面处理:平整施工场地并清除所有障碍物,夯点按梅花形网格排列,间距4米,订木桩且洒白灰线标注出夯点位臵。
设臵临时水准点,以便测量场地夯击前后的高程。
2、强夯施工:a、试验段强夯施工机械采用带有自动脱钩装臵的履带式起重机,强夯设备采用锤重100kN,落距12m,夯击能量为1200kN,夯锤底面积为4.9平方米,并设4个30cm通气孔。
b、恢复路基中线并用灰线撒出强夯范围,然后标出夯点的准确位臵,并测量地面高程,强夯处理宽度:填方为路基两侧边坡坡脚外1m范围内、挖方为路面宽度。
c在处理大致平整的地表处,按土质分段取样作标准重型击实、土的液塑限、颗粒分析、天然含水量试验。
d、起重机就位,使夯锤对准夯点位臵。
e、将夯锤起吊到预定高度,待夯锤脱钩自由下落后,放下吊钩,测量锤顶定点位臵的高程,如锤顶倾斜,应及时将坑底整平。
f、重复步骤e,开始第一遍夯实处理,每点6击,最后两击夯沉量最大为4.1cm,满足设计不大于5cm的要求,夯坑深度小于15cm,且夯坑周围地面没有发生过大的隆起,完成一个夯点夯实。
重复d~f完成一遍全部夯点的夯击。
h、主夯完成后,用推土机将夯坑整平,测量夯后的地面高程。
路基强夯试验段施工总结一、工程概况九景衢铁路JQJXZQ-5标途径景德镇市浮梁县、上饶市婺源县,全长43.75km,其中路基10.95km,线路多穿过沟谷地带,路基多置于水田上方,地基较软,承载力不能满足要求,需要进行地基处理。
2014年12月15日~2014年12月20日,我部为全面展开路基施工,满足设计规范和图纸要求,保证路基强度及稳定性,在DK140+710~DK140+810段路基进行强夯试验段施工,地基承载力不小于150Kpa,加固深度内的压缩模量不小于15Mpa,湿陷性黄土地基湿陷系数小于0.015的综合指标,确定强夯机具最佳夯击遍数及夯击方法,以确定最佳组合方案,指导路基大面积强夯施工。
二、施工机械及人员配置⑴机械设备⑵人员配置三、检验标准强夯质量检验标准如下表四、施工方法1、施工工艺施工艺流程见:强夯施工工艺流程图。
2、施工准备①场地平整,清除表层土,进行表面松散土层碾压,表面基本密实,大面形成人字坡或单面坡,以确保场地排水通畅防止积水。
②查明强夯场地范围内所有管线,调查场地上空、地下构造物、管线的位置及标高,采取改迁或防护措施,防止因强夯施工造成损坏。
③测量放线,定出控制轴线、强夯场地边线,标出夯点位置,并在不受强夯影响地点,设置水准基点。
④测量原地表高程、承载力、压缩模量。
3、强夯施工3.1强夯参数的选定根据《路基工程设计与施工参考图》选定试夯参数如下:①锤落距选定选定单击夯击能为4000 kN·m,夯锤直径为2米,夯锤质量为30T②夯击遍数的选定夯击遍数为5遍,第一遍、第二遍、第三遍为点夯,第四、第五遍为满夯。
③夯击次数选定点夯:每一遍内各个夯点的夯击次数按照8-15击进行试夯,并同时满足:最后两夯的夯沉量不大于50mm,每个夯击点安排专人测量和记录击数,保证强夯质量。
④夯击点的布置夯击点布置形状按照《路基工程设计与施工参考图》要求采用正三角形布置,夯击点间距4.5米。
中交一公局第三工程有限公司强夯、冲击碾压试验段总结审核:复核:编制:编制单位:沈铁改扩建工程路基七标项目经理部编制日期:二〇一四年十一月月二日目录一、工程概况 (2)二、试验目的 (3)三、人员、机械配置 (3)四、施工工艺总结 (4)五、试验段结论 (16)六、下步控制重点 (18)路基强夯冲击碾压试验段总结一、工程概况本合同段为沈阳(王家沟)至铁岭(杏山)公路改扩建工程路基七标,里程桩号为K811+900~K821+500,本合同段有短链一处,K820+940=K820+942.221,路线缩短2.221m,路线全长9597.779m。
ZK818+075.557~ZK820+939.601为左线分离式改线新建段,对应主线段K818+075.557~K820+940利用原高速公路整幅作为改扩建后的右半幅使用;其余段落主线为正常双侧加宽,利用原高速公路路基和路面。
项目地域位于昌图县境内,设计带地貌类型为冲洪积平原区、山前坡洪积区、微丘区三个地貌单元,地势总体北高南低。
线路通过区地层主要有上太古界混合岩、混合花岗岩,中生界白垩系砾岩、砂岩、泥岩、安山岩,海西期花岗岩、辉绿岩等,冲积平原及山间河谷主要以第四系冲洪积和坡洪积地层为主。
线路自南向北穿越蒲河、万泉河、凡河、柴河、梅林河、沙河、清河、马仲河、牤牛河及二道河,大气降水入渗为主要补给方式,其次为河流入渗补给,排泄方式以地下水径流、河水排泄及人工开采排泄为主。
按岩土体赋水条件和含水介质的不同,可划分为基岩裂隙孔隙水和第四系孔隙潜水及上层滞水三种类型。
工作区属半干旱,半湿润大陆性季风气候,冬冷夏热,春秋两季多风。
近年来,沙尘暴频发。
最高气温36.6~37.6℃,最低气温-34.3~-36.7℃,年平均降水量600~700mm,年平均蒸发量1600~1800mm。
从11月中旬至翌年4月为冰冻期,多年平均冻土深度在K693+000-K813+000段位1.2-1.4米,K813+000-终点为1.4-1.6米,因此取K693+000-K813+000段标准冻深为1.4米,K813+000-终点段标准冻深为1.5米。
试验段总结青岛新机场项目飞行区场道工程施工原地面强夯试验段试验总结中铁十二局集团股份有限公司青岛新机场场道工程第1标段项目经理部二○一六年四月原地面强夯试验段施工总结1 试验段施工概况我项目部于xx年4月7日至xx年4月25日在道槽区Pxx年4月7日对本试验段采用第一种施工方案进行强夯施工,施工方案如下:在清除平均的耕植土的原地面按照图纸要求直接布置强夯点,按照布置的强夯点进行强夯施工。
第二方案第一种方案施工过程中,、和夯坑周围出现了轻微的隆起并且强夯的最后两击平均夯沉量大于5cm,不满足设计及规范要求,因此根据设计要求“遇地下水位比较高、强夯受到影响的区域,强夯前,可铺设厚50cm山皮石垫层”采用第二种方案:在清表后的原地面加铺50cm垫层后再进行强夯,现场施工记录参见附表,具体现场施工过程见下图:第三方案因第二种方案垫层采用的是建筑垃圾,采用建筑垃圾存在的缺点是在建筑垃圾中存在木材、钢筋、生活垃圾等杂物,筛分十分困难,并且根据设计要求最大粒径不大于20cm,破碎程序十分繁琐,因此采用第三种方案,第三种方案采用在清表后的原地面上铺筑山皮石垫层布点然后进行强夯施工。
第三种强夯施工记录表见附表。
4 施工方案总结第一种方案总结1.第一种方案施工最后两击平均夯沉量未能达到规范要求,并且现场强夯后地面隆起较大,单点夯坑沉降量为0.?-?。
2.通过现场记录表分析得知在7-9击范围内夯沉量最小,在cm ---cm ,大于10击后沉降量逐渐增大,沉降量在 cm cm。
3.通过记录表分析人工堆积层厚度在1m左右,强夯打穿人工堆积层后,沉降量开始变大。
第二种方案总结1.通过现场试验,加铺垫层后强夯能达到10-12击最后两击夯沉量小于5cm符合设计图纸及规范的要求。
2.加铺垫层强夯后表面未发生隆起现象。
第三种方案总结1.相较第二种方案的建筑垃圾垫层,采用山皮石省去了分类的复杂程序,施工现场进度会有提高。
2.通过现场试验,采用山皮石垫层后强夯能达到设计及规范要求。
强夯置换试验段总结强夯置换试验段总结根据局项目部和设计院达成的意见,我们在现场组织了强夯置换碎石墩的施工试验。
现把施工情况和有关资料汇总如下:一、工程概况机械设备:采用上海起重机,锤重25吨,锤直径2.5m,落距12m,单击夯击能3000KN.m实验场地:新株洲站DK1613+510~DK1613+600共90米长的强夯实验区选DK1613+555~DK1613+570段共15米的范围内做强夯置换碎石墩的施工。
该实验段宽14米,长15米,为加快施工进度,从中按有关规范和施工经验梅花型布点5个(见布置图),加固范围为10.8m×10.8m=117㎡,符合要求。
设计要求:强夯置换后碎石墩体的承载力标准为N63.5重型动力触探>20击/10㎝。
整平碾压的检测标准为EV2>45MPa。
二.“正方形布点、内插1点、点夯3000KN.m夯击能、每点9击、100cm碎石墩、满铺30cm、1000KN.m满夯一遍、25吨压路机碾压2遍”施工程序采用3000KN.m夯击能点夯置换碎石工艺。
施工前在场地满铺50㎝厚碎石并整平。
按布点图放好点位,强夯机就位,施工顺序为第一遍正方形布点,先加固四周点(点①~点④),第二遍梅花形插点施工点⑤。
第一遍点锤中心间距2.3d(d为锥径),即5.8米,锤边缘净距3.3米,第二遍采用内插,与第一遍点之中心间距4.1米,锤边缘净距1.6米每个点均分两遍进行点夯。
第一遍均夯击5击,每击进行沉降观测。
在第①点和②点每击均进行N63.5重型触探实验,从实验结果分析,在第5击后的动力触探满足>20击/10㎝标准,以后的第3~5点只进行了最后1击的动力触探实验,均满足>20击/10㎝标准。
夯击沉降量为42㎝~53㎝,为确保置换碎石墩的深度,在第一遍点击夯后,用推土机推平场地上的碎石回填夯坑。
再用3000KN.m夯击能夯击墩体,每个点击4击,每击进行夯沉降观测,最后一击进行动力触探试验,均符合>20击/10㎝标准,且有②④⑤点大于30击的碎石层。
强夯路基施工总结根据《公路路基施工技术规范》要求,结合路基填筑强夯试验段施工工艺及现场实际情况,现就该强夯试验段总结如下:一、工程概况1、由于标段内路基填方处于山地冲沟与V字型沟渠中,地形狭窄,便道征拆问题困难,施工队伍无法进入现场,现只有K16+015-K16+060段能进入施工机械,故选此段作为本合同段填土路基强夯施工首件地段。
2、首件试验段路基长45m,属于高填方路基段,最大填土高度为18.15米。
3、试验段的施工时间为:从2017年5月10日开始到2017年5月18日结束,共8天时间。
二、试验目的及指导思想通过路基强夯试验段施工,摸索并总结出一套合理的强夯施工组织方案。
指导路基强夯施工达到技术质量标准,并将结果提交给监理工程师批准后,作为今后控制施工的依据,以适应今后的大范围施工。
三、试验段施工方案1、施工原理强夯法是应用功能转换的原理达到加固地基的目的。
具体的说,它是利用起重设备将重锤(一般8—40 T),提到一定高度使其自由落下(一般10—40m),给土以强烈的冲击和振动能量。
地基土在强大的冲击能的作用下,土体强制压缩或振密;经时效压实,使土体重新固结,从而提高了土的承载力,降低其压缩性、达到加固土体的目的。
2、施工流程强夯施工工艺流程图1)、施工机械配置本合同段强夯施工设备采用W1001型带有自动脱钩装置的履带式强夯机。
夯锤锤重为20.4t,夯锤底面采用圆形,直径2.3m,臂长17米,最大起重高度18米,最大额定起重重量30吨,夯锤中对称设置4个上下贯通的气孔。
自动脱钩采用开钩法或用付卷筒开钩。
2)、夯点布置强夯施工顺序必须按照自路基两侧向中间逐次推进的方式进行控制。
主副夯击点按照设计图纸要求成正三角形布置,间距1.5米,采用逐点夯与满夯相结合的方法,主、副点夯各夯击一次,满夯夯击一次,在各夯点中间穿插进行。
第三遍为满夯,实际施工中可根据试夯资料进行修正。
满夯锤印彼此搭接1/4,连续夯击。
利用红泥岩强夯填筑路基试验段施工总结一、编制依据1.现行的公路工程设计及施工规范、标准、规程;2.济邵高速公路两阶段设计施工图;3.济邵高速公路业主及监理的函件、指令、纪要等;4.国内已有的红砂岩填筑路基科研成果及施工经验;5.利用红泥岩强夯填筑路基试验段施工情况及数据采集成果;6.我单位拥有的技术能力和相关资源。
二、概况济邵高速JSTJ-07合同段起止桩号为K30+500—K34+700, 全长4.21公里, 全线总挖方量约88.3万方, 总填方量约47.6万方。
本合同段所经地区主要为剥蚀丘陵地貌, 相对高差大, 地质复杂, 表层覆盖层为强风化红色粉砂质泥岩及黄河台阶地少量低液限粘土, 下部是强度较高的黄色砂岩(分布较少)和红色砂质泥岩(分布较多)为互层状(与线路成135°- 175°斜向、坡度10°- 22°)分布, 节理比较发育。
三、试验段的作用由于红砂岩(刚爆破出的红砂岩强度较高)具有极强的风化崩解、遇水软化、强度降低等特性, 不宜作为路堤填筑材料, 否则将不可避免会出现路基沉陷、边坡滑坍等严重的工程质量病害。
济邵高速线路及周围此类岩石分布范围较广(除我标段外, 其他标段也存在此类情况)。
若将沿线施工开挖的红色粉砂质泥岩全部弃置不用, 而远借其它材料填筑路基, 则会大大增加工程造价, 同时弃方及借方还会破坏植被及占用大量耕地, 不利于环境保护。
为了确保工程质量, 有效处理利用红砂岩, 从而降低工程造价, 我项目经理部在中国公路工程咨询总公司红砂岩路基课题研究组的指导下, 设立了专业施工队伍, 组织专门实施试验段的人员和机械设备。
对红泥岩填筑路基进行了强夯处理试验段施工。
四、试验段施工方案及段落布置1.施工方案强夯处理红砂岩填筑路基试验段施工松铺厚度按照1m和1.5m 填筑进行强夯的施工。
2.段落布置(1)K34+510~K34+530松铺厚度按1.5m控制。
中国葛洲坝集团股份有限公司桥头路基处理(强夯)试验段总结报告批准:审核:编制:山东枣菏高速公路总承包项目部一分部二○一七年十月目录一、施工说明 (1)二、设计要求及施工参数 (1)三、投入的人员、机械 (1)四、施工过程 (2)五、质量控制要点 (5)六、出现问题及处理措施 (5)七、成果 (5)桥头路基处理(强夯)试验段总结报告一、试验段工程简介强夯施工首件工程选在滕州北互通K0+367~K0+407段,本段为K0+427.03分离式立交0#台侧的桥头路基处理,处理宽度为61米,长度为40米,面积为2440m2。
二、设计要求及施工参数1、平面处理范围:强夯台后处理长度为40米;处理宽度为两侧护坡道边缘3米处,共61米。
2、夯击标准:根据本首件工程施工确定试夯参数按下表3、停夯标准:(1)最后2击平均夯沉量不大于5cm。
(2)夯坑周围地面不发生过大的隆起。
三、投入的人员、机械1、投入人员四、施工过程1、现场准备:强夯前查明场地范围内地下构筑物、管线和其他设施的位置和标高等参数,并采取必要的措施加以妥善处理,以免强夯时造成损害。
2、开工前检测地下水位1.2米不满足强夯条件,采用设计的井点降水方式降水,将水位降到3.5米以下。
井点管布置在桥头强夯处理范围内,两侧边界为边沟外缘,外围管间距为2米,内点管间距为8米。
井长10.7米,直径150mm;井点管长10.2米,埋深10米,外露0.2米,外围管直径38mm,内点管直径42mm,外围管、内点管均为带有长1.5m滤头的钢管,滤头上开设直径15mm的圆孔,孔距为25mm,滤头上包裹双层尼龙网。
井管连接采用PVC管,直径120mm。
井点管应放置在井空的中间,四周滤料采用粗砂。
井点填砂后,井口以下1.5m用土填实封堵。
强夯期间,拆除内点管,保留外围管,全过程抽水,使加固范围内的地下水位始终保持在3.5m以下。
施工完毕终止抽水后,拔出井点管,所留孔洞应立即用砂填实。
路基强夯试验段施工总结报告一、总结目的我标段地处属Ⅵla区河套副区,地面较为平坦、广阔。
全线在河沟中表层发育砂层、且水位较浅,存在地震液化的可能性,线路区部分段落在地震作用下,会发生砂土液化,液化等级由轻微~严重;路基段内当液化土层厚度在1.0-4.0m时,采用强夯+砂砾垫层进行处理。
为保证路基填筑质量,提高路基的整体强度与均匀性,减小工后沉降。
遵照设计图纸要求,对砂土液化厚度在1.0-4.0m的路基采用强夯,进行补强。
通过K18+660~K19+300段落内选取一段进行试验段的强夯施工来确定强夯施工工艺、施工方法,收集施工中的各项技术指标参数,为下一步路基强夯施工提供现场控制依据。
二、强夯试验段工程概况及施工组织1、试验段工程概况试验段选定在K18+660~K18+710段进行,满足试验段长度要求(长度不小于50m且强夯段无涵洞或其它构造物),长度为50m。
2、路基强夯试验段的施工组织K18+660~K18+710段路基处理范围内强夯增强试验,收集强夯相关数据。
试验施工的时间安排及工作内容为:2015年3月15日~2015年3月20日施工准备:落实安排施工作业人员、机械,场地平整;测量组放线确定边线及标高。
2015年3月21日~2015年3月29日按设计图纸要求对试验段路基进行强夯处理,强夯完成以后进行压实度检测及沉降观测数据整理。
2.1试验段人员分工试验段施工前成立了试验段领导小组,由总工程师主持,参加试验路段工作的人员分工见表1强夯试验段人员分工表。
表1强夯试验段人员分工表序号姓名职务职称责任1 赵根根总工程师高级工程全面负责技术工作2 石建华副经理高级工程负责施工管理工作3 赵栋副总工程师工程师负责技术指导工作4 吴利军工程部长高级工程负责技术方案编制5 王巧玲质检部长高级工程负责施工中的质检6 牛杰路基工程工程师负责方案的实施及参数整理7 李顺福测量队队长工程师负责试验段测量工作8 张晓刚试验室主任工程师负责试验段试验工作9 弓钰光领工员工程师负责机械调动及组织施工10 马泽灵安全部长工程师负责试验段的安全施工2.2强夯试验段施工机械设备情况2.2.1机械设备准备1、夯锤:用钢板制作外壳,内部焊接骨架后灌注混凝土制成。
山西中南部铁路通道ZNTJ-11标段DK526+687.95~DK527+200路基地基处理强夯试验段总结编制:复核:审核:中铁一局集团山西中南部铁路通道ZNTJ-11标段项目经理部2010年9月目录一、实验目的 (1)二、编制依据 (1)三、适用范围 (1)四、路基工程概况及主要技术标准 (1)4.1路基工程概况 (1)4.2路基工程主要技术标准 (2)4.3地基加固处理措施 (2)五、强夯原理 (2)六、施工方案 (3)6.1强夯试验性施工参数确定 (3)6.2施工流程图 (5)6.3人员、机械配置 (5)6.4施工工艺 (6)6.5施工控制及检测 (8)6.6注意事项 (10)七、试验结论 (11)八、附件 (12)根据合同文件及《铁路路基工程施工质量验收标注》的要求,我合同段自2010年8月20日至2010年9月20日DK526+687.95~DK527+200段进行强夯试验段施工,试验段全长512.05m。
通过试验段施工为下一步强夯地基处理大面积的施工,提供技术参数,现将我合同段的强夯试验总结如下:一、实验目的1、明确地基处理强夯的工艺流程、操作要点;2、检验设计参数和地基处理效果;3、确定施工参数、施工设备及施工工艺,为大面积施工和今后施工提供科学依据二、编制依据1、设计院提供的施工图2、铁路路基工程施工质量验收标准铁TB10414-2003、J285-20043、客货共线铁路路基工程施工技术指南TZ202-2008三、适用范围本路基基底处理施工技术方案适用于中铁一局集团山西中南部铁路通道ZNTJ-11标段DK501+600~DK530+000范围内的路基基底处理。
四、路基工程概况及主要技术标准4.1路基工程概况试验段里程为DK526+687.95~DK527+200段,全长512.05m。
位于壶关县山前平原区,地势平坦、开阔,地质构造简单,无大的断裂构造。
无地表水,地下水埋深较深。
表层黄土湿陷性系数在0.018~0.044之间,属Ⅲ级自重湿陷性黄土。
4.2路基工程主要技术标准(1)路基面形状路基面形状为梯形,线路中线以外向两侧设4%的横向排水坡。
曲线段考虑加宽。
(2)路基面宽度路基面宽度按有砟轨道进行设计,直线地段路基面宽度见下表:本段路基面宽度表项目有砟轨道双线路基面宽度(m) 13.1线间距(m) 5.04.3地基加固处理措施采用强夯的方法进行地基处理,地基处理后进行三七灰土加筋(单向拉伸塑料土工格栅TGDG110KN/m)垫层处理,灰土垫层厚0.5m。
五、强夯原理湿陷性黄土的垂直大孔性、松散多孔结构和遇水即降低或消失的土颗粒间的加固凝聚力,是它发生湿陷的两个内部因素,而压力和水是外部条件。
地基处理的目的是改善土的性质和结构,减小土的渗水性、压缩性,控制其湿陷性的发生。
强夯法就是针对湿陷性黄土的特性,采用起重机将大吨位的夯锤提升到一定高度,使其自由下落,通过对地基施加很大的冲击能,使地基强度提高,土的压缩性降低,消除黄土的湿陷性,以达到地基加固的目的。
重锤冲击致使土颗粒破碎或产生水间的相对移动,使微结构破坏,从而使孔隙中气体迅速排出或压缩,孔隙体积减小,从而形成较密实的土体结构。
六、施工方案6.1强夯试验性施工参数确定1、有效加固深度根据《晋中南路基工程设计与施工参考图集》晋中南大样图施(路)-01-04-02设计要求,本段为湿陷性,地基处理深度小于8m。
2、单击夯击能单击夯击能为4000KN.m,满击夯击能为1000KN.m。
3、锤重和落距点夯(4000KN.m)满夯(1000KN.m)锤重(t)落距(m) 锤重(t)落距(m)25 16 25 44、夯击遍数、夯点布置及间距夯击遍数为四遍,夯击点间距取7.5m,第Ⅰ遍隔1点跳夯,第Ⅱ遍补第Ⅰ遍空隙,第Ⅲ、Ⅳ遍,补Ⅰ、Ⅱ遍空隙,夯完后达到锤印彼此搭接。
最后再以低能量进行满夯2遍,锤印彼此搭接1/4夯锤直径,即满夯夯点间距为2m,以加固前几遍夯点之间被振松的表土层。
夯点布置见下图:图 3 第三遍夯击点2 第二遍夯击点 4 第四遍夯击点3 第三遍夯击点2 第二遍夯击点11 第一遍夯击点点夯3遍平面布置示意图122331231312312212D31231D23121212点夯4遍平面布置示意图1 第一遍夯击点21123412344321432112D34D21D D43432143夯击点布置图5、夯点夯击次数根据现场试验得到的夯击次数每点击数7击,满足下列条件: a.最后两击的平均夯沉量不大于100mm ; b.夯坑周围地面不发生过大隆起; c.不因夯坑过深而起起锤困难。
6、相邻两遍的间歇时间黄土夯击间隔时间试验确定为7天。
施工时首先保证夯击遍数间隔时间,并做详细记录,其次可根据实际情况调整施工流水顺序,安排合理的流水节拍,力争使各区段间达到连续夯击。
杜绝间隔时间未到就强行施工现象,确保强夯质量。
7夯坑周边隆起量测夯坑周边隆起量量测主要是测量在一定夯击能作用下,夯点周边影响范围,通过绘制夯点击数与夯坑周边土隆起变形关系曲线,可得出在此夯击能作用下,夯点周边影响范围,从而为合理布置夯点间距提供依据。
夯坑周边量测范围从夯坑边缘外1m 、2m 、3m 、3.5m 、4m 、4.5m 、5m 、5.5m 、6m 分别进行量测。
通过水准仪进行量测。
夯坑周边隆起量测点布置图6.2施工流程图1、强夯施工工艺流程 6.3人员、机械配置主要人员配置表岗位 人数(人)岗位 人数(人)施工负责1强夯3清表、整平布出第一遍(二、三、四)点夯夯位 强夯机就位,使夯锤对准夯点测量场地标高技术负责 1 安全 2质量负责 1 测量 2试验 2合计12主要机械设备配置表机械设备名称规格型号数量单位备注履带吊1206(40T)2 台锤重25T直径2.5m,最大起吊高度22m推土机SD220 1 台平地机PY180 1 台压路机YZ22 1 台自卸车东风21M3 4 台全站仪徕卡TS06 1 台自动安平水准仪DSZ2 1 台6.4施工工艺1、施工准备(1)组织机械、测量及检测设备和人员进场。
(2)环境调查地基处理前,应查明强夯范围内地下的构造物和各种地下管线的位置及标高等,以免因施工而造成损坏。
同时对路基范围内的洞穴、水井、墓穴及平整土地中填埋的沟壕的调查,采取切实可行的措施消除可能产生的路基质量隐患。
当强夯施工所产生的振动对邻近建筑物及建筑物内人员或设备可能产生有害的影响时,应设置监测点(当无测振条件时,可通过试验确定安全距离),采取挖减振沟等隔振或防振措施。
(3)清理表土按照设计要求清理表层30cm~60cm的草皮和腐殖土层,并挖除局部的淤泥、翻浆土层,有积水路段应排除积水并将土翻松晾干。
(4)修临时排水设施施工前组织工程技术人员排查和完善排水设施,强夯施工前在强夯区四周设置临时排水沟,以便及时排除雨水,若地形起伏不平应进行必要的平整,排水沟采用矩形沟,沟深0.6m,宽1.0m。
(5)水准点控制网布设强夯施工前在距强夯区50m以外的地方埋设水准测量基准点3个,3点组网,用于测量强夯施工时每次夯击的夯沉量。
2、强夯施工(1)夯点放线定位按夯点布置图进行测量放线,定出第一遍强夯各夯击点的位置后用白灰或小木桩标示,并测量场地高程。
(2)点夯起重机就位,夯锤对准夯点位置,测量夯前锤顶高程。
将夯锤提升到预定高度(16m),夯锤脱钩自由下落后,放下吊钩,测量锤顶高程。
若发现错位或坑底倾斜过大,用砂土将坑底整平再夯。
按照规定的夯击次数重复吊、落夯锤,直到完成第一遍全部夯点的夯击。
用推土机将场地推平,并测量场地高程。
在规定的间隔时间后,按第一遍夯击要求逐步完成全部点夯遍数。
(3)满夯点夯完成后,达到预定的间歇时间,以低能量满夯,将场地表层松土夯实,并测量场地标高。
满夯时,夯迹彼此重迭搭接1/4夯锤直径。
每一遍夯击前,应对夯点放线进行复核,夯完后检查夯坑位置。
施工时,对每一点的夯击能量、夯击次数和每次夯沉量等做详细的现场记录。
6.5施工控制及检测1、夯前控制及检测夯锤的重量及锤底面积、场地平整情况,对需夯处理范围内的地基原状土取样,分别进行物理力学性能的分析,包括以下两方面内容:①.清表后对原地面做静力触探和K30动力触探;②.在试验区线路中线位置处挖直径0.6m深7m探孔,取原状土进行下列土工试验:a.土的湿陷性系数;b.天然含水率;c.干密度;d.压缩系数。
e.液限及塑限试验,确定塑性指数、液性指数。
f.土的击实试验,确定最佳含水量。
2、夯中控制及检测夯锤的落距不得小于既定落距;夯锤的落点误差不得大于25cm(0.1倍夯锤直径);控制单位时间内的夯击处理面积;控制夯击遍数间的间隔时间;夯击全过程要记录每一夯点的起止时间、单位夯击能、单击次数、夯击过程中的异常现象。
最后两击夯沉量之和不大于15cm,低能满夯搭接不得小于1/4夯锤直径。
3、夯后控制及检测每一遍夯击完成后,检测夯坑深度、夯点间距及处理宽度,合格后方可填平;满夯后,对场地进行平整和压实,达到规范要求的原地面的各项指标要求,并测量高程,填写地面标高变化;填写夯击各项记录表并绘制夯击次数与夯沉量关系曲线。
夯后对整个处理地基择点做已加固地基的承载力及有效加固检验。
①.地面做静力触探和K30动力触探,测定强夯影响有效深度;②.在试验区挖直径0.6m深6m探孔,进行下列试验:a. 土的湿陷性系数,检测土的湿陷性系数是否小于0.015;b. 含水率;c. 干密度,大于天然干密度;d. 压缩系数。
e.载荷试验,每个试夯区在夯点间做一个载荷试验,以确定加固后地基承载力。
4、检验方法与频率⑴、强夯处理夯击点布置应满足设计要求。
检验数量:全部检验。
检验方法:观察、尺量。
⑵、低能量满夯的搭接不得小于四分之一夯锤直径。
检验数量:全部检验。
检验方法:观察、尺量。
⑶、强夯加固地基的承载力和有效加固深度应满足设计要求。
检验数量:施工结束7天后,对地基加固质量进行检验。
⑷、强夯夯坑中心偏移的允许偏差应不大于0.1D(D为夯锤直径)。
检验数量:检验总夯击点的10%。
检验方法:测量检查。
⑸、强夯地基处理范围、横坡的允许偏差、检验数量及检验方法应符合下表的规定。
强夯地基处理范围、横坡的允许偏差、检验数量及检验方法序号检验项目允许偏差施工单位检验数量检验方法1 范围不小于设计值沿线路纵向每100m抽样检验5处尺量2 横坡±0.5%沿线路纵向每100m抽样检验5个断面坡度尺量6.6注意事项1.施工前应先清除原地面的杂草、淤泥和耕植土,并不得回填入路基。
路基填土不得使用腐植土、生活垃圾土、淤泥、冻土块和盐渍土。
填土不得含草、树根等杂物。
2.路基填土的最佳含水率及最大干密度应由现场击实试验确定。