混凝土结构外观尺寸偏差
- 格式:doc
- 大小:298.00 KB
- 文档页数:9
混凝土现浇结构外观及尺寸偏差检查标准天元集团技术质量管理标准混凝土现浇结构外观及尺寸偏差检查标准起草人:批准人:混凝土现浇结构外观及尺寸偏差检查标准1 总则为贯彻集团的质量方针和质量目标,提高混凝土工程的施工质量,按照国家有关标准,结合集团的施工及管理水平制定本标准。
2 适用范围集团施工的所有建筑物和构筑物的混凝土结构工程。
3 外观质量检查:3.1 标准要求:表面平整,棱角顺直,阴阳角方正,预埋件(孔)位置准确;不应有露筋、蜂窝、孔洞、夹渣、疏松、裂缝、缺角掉楞等缺陷;构件表面色泽均匀、不宜有气泡、麻面、掉皮、起砂、沾污;楼梯踏步齿角整齐,无吃模、掉角、脚印等;施工缝位置正确、处理方法正确;剪力墙根部无烂根现象,接缝平顺、严密、无位移错台、无漏浆;三小间止水梁位置正确,高度、宽度满足要求,有地面填充层的三小间门口按要求设置止水梁并留有管道套管;阳台栏板、飘窗、造型等结构尺寸正确、横竖通线;混凝土振捣密实,缺陷根据规范要求进行处理,养护措施到位;后浇带有独立的支撑体系、留设位置和尺寸准确、留槎边角整齐、防水防潮措施有效,两侧模板不漏浆,钢筋有防护措施、保护层厚度满足要求、位置正确、绑扎牢固、无污染。
3.2 检查方法:全数观察,尺量。
3.3评分办法3.3.1评分标准序号项目分值评分标准大面、棱角、阴阳角有明显不平整、不顺直、不方表面平整,棱角顺1 10 正,影响整体观感的扣3~5分,影响不大的扣1~2分。
直,阴阳角方正纵向受力钢筋露筋,每处扣5分,其他钢筋有少2 10 露筋量露筋每处扣1分。
构件主要受力部位有蜂窝每处扣5分,其他部位3 10 蜂窝有少量蜂窝每处扣1~2分。
构件主要受力部位有孔洞每处扣5~7分,其他部4 10 孔洞位有少量孔洞每处扣2~4分。
1构件主要受力部位有夹渣每处扣5分,其他部位5 10 夹渣有少量夹渣每处扣1分。
构件主要受力部位有疏松每处扣5分,其他部位6 10 疏松有少量疏松每处扣1分。
混凝土尺寸公差标准一、前言混凝土是建筑工程中常用的一种材料,其强度、耐久性和耐久性依赖于混凝土的配合比和施工质量。
而混凝土尺寸公差标准则是保证混凝土施工质量的重要依据。
本文将从混凝土尺寸公差标准的定义、分类、计算方法、实施原则等方面进行详细的介绍。
二、混凝土尺寸公差标准的定义混凝土尺寸公差标准是指混凝土施工过程中,混凝土结构构件尺寸与设计尺寸之间所允许的最大偏差范围。
其目的是为了保证混凝土结构构件的尺寸精度,提高混凝土结构构件的工程质量。
三、混凝土尺寸公差标准的分类根据混凝土结构构件的不同,混凝土尺寸公差标准可以分为以下几类:1. 基础及地下结构尺寸公差2. 地面结构尺寸公差3. 垂直结构尺寸公差4. 水平结构尺寸公差5. 立面结构尺寸公差四、混凝土尺寸公差标准的计算方法混凝土尺寸公差标准的计算方法根据混凝土结构构件的不同而有所差异。
下面就各类混凝土结构构件的尺寸公差计算方法进行详细介绍。
1. 基础及地下结构尺寸公差基础及地下结构的尺寸公差计算方法如下:a. 基础及地下结构的长度和宽度公差一般都按照设计尺寸的±20mm 进行计算。
b. 基础及地下结构的高度公差一般都按照设计尺寸的±30mm进行计算。
2. 地面结构尺寸公差地面结构的尺寸公差计算方法如下:a. 地面结构的长度和宽度公差一般都按照设计尺寸的±20mm进行计算。
b. 地面结构的高度公差一般都按照设计尺寸的±15mm进行计算。
3. 垂直结构尺寸公差垂直结构的尺寸公差计算方法如下:a. 垂直结构的长度和宽度公差一般都按照设计尺寸的±10mm进行计算。
b. 垂直结构的高度公差一般都按照设计尺寸的±20mm进行计算。
4. 水平结构尺寸公差水平结构的尺寸公差计算方法如下:a. 水平结构的长度和宽度公差一般都按照设计尺寸的±10mm进行计算。
b. 水平结构的高度公差一般都按照设计尺寸的±15mm进行计算。
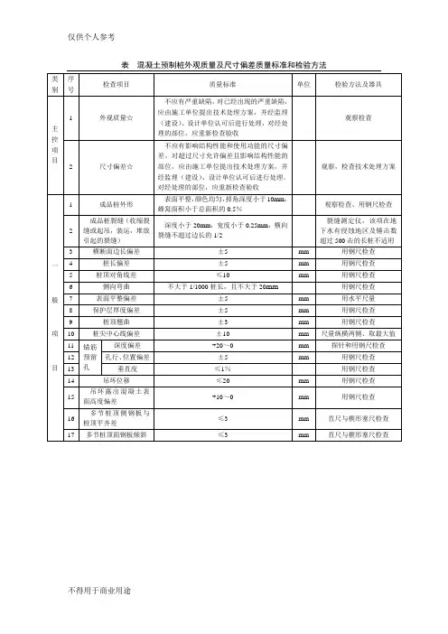
填写说明一、填写依据1 《混凝土结构工程施工质量验收规范》GB50204-2015。
2 《建筑工程施工质量验收统一标准》GB50300-2013。
二、检验批划分现浇结构外观及尺寸偏差,可根据与施工方式相一致且便于控制施工质量的原则,按工作班、楼层结构、施工缝或施工段划分为若干检验批。
三、GB50204-2015规范摘要主控项目8.2.1 现浇结构的外观质量不应有严重缺陷。
对已经出现的严重缺陷,应由施工单位提出技术处理方案,并经监理单位认可后进行处理;对裂缝、连接部位出现的严重缺陷及其他影响结构安全的严重缺陷,技术处理方案尚应经设计单位认可。
对经处理的部位应重新验收。
检查数量:全数检查。
检验方法:观察,检查处理记录。
8.3.1 现浇结构不应有影响结构性能或使用功能的尺寸偏差;混凝土设备基础不应有影响结构性能和设备安装的尺寸偏差。
对超过尺寸允许偏差且影响结构性能和安装、使用功能的部位,应由施工单位提出技术处理方案,经监理、设计单位认可后进行处理。
对经处理的部位应重新验收。
检查数量:全数检查。
检验方法:量测,检查处理记录。
一般项目8.2.2 现浇结构的外观质量不应有一般缺陷。
对已经出现的一般缺陷,应由施工单位按技术处理方案进行处理。
对经处理的部位应重新验收。
检查数量:全数检查。
检验方法:观察,检查处理记录。
8.3.2 现浇结构的位置、尺寸偏差及检验方法应符合表8.3.2的规定。
检查数量:按楼层、结构缝或施工段划分检验批。
在同一检验批内,对梁、柱和独立基础,应抽查构件数量的10%,且不应少于3件;对墙和板,应按有代表性的自然间抽查10%,且不应少于3间;对大空间结构,墙可按相邻轴线间高度5m左右划分检查面,板可按纵、横轴线划分检查面,抽查10%,且均不应少于3面;对电梯井,应全数检查。
2 H为全高,单位为mm。
清水混凝土结构外观及尺寸偏差检验批质量验收记录清水混凝土结构是一种常见的建筑结构形式,它在建筑工程中具有广泛的应用。
为了确保该结构的质量,需要进行外观及尺寸偏差的检验。
下面是一份清水混凝土结构外观及尺寸偏差检验批质量验收记录,详述了验收的过程和结果。
一、项目概况:项目名称:XX清水混凝土结构工程项目地址:XX市XX区XX路XX号建设单位:XX建设集团监理单位:XX监理有限公司施工单位:XX建筑工程有限公司验收日期:20XX年X月X日二、检验内容:1.清水混凝土结构外观检验2.清水混凝土结构尺寸偏差检验三、检验方法:四、检验仪器设备:1.外观检验:测量尺、直尺、放大镜等2.尺寸偏差检验:测量尺、钢卷尺、直角尺等五、检验过程及结果:1.外观检验1.1检验清单序号构件名称检验内容验收标准检验结果1 墙体墙面平整度平整度≤5mm□合格□不合格2 梁、柱表面缺陷表面无大裂缝、起砂、起皮、蜂窝状等缺陷□合格□不合格3 楼板平整度平整度≤10mm□合格□不合格1.2检验过程1.2.1墙体平整度检验:测量墙面凸出和凹陷的最大偏差,与验收标准比对判断合格与否。
1.2.2梁、柱表面缺陷检验:观察混凝土表面是否有裂缝、起砂、起皮、蜂窝状等缺陷。
1.2.3楼板平整度检验:在不同位置测量楼板的凸出和凹陷程度,并与验收标准对比判断合格与否。
2.尺寸偏差检验2.1检验清单序号构件名称检验内容验收标准检验结果1 墙厚墙体实际厚度与设计厚度的偏差±10mm□合格□不合格2 柱、梁截面尺寸截面尺寸与设计尺寸的偏差±20mm□合格□不合格3 楼板厚度楼板实际厚度与设计厚度的偏差±10mm□合格□不合格2.2检验过程2.2.1墙厚检验:使用测量尺测量墙体实际厚度,并计算与设计厚度的偏差。
2.2.2柱、梁截面尺寸检验:使用测量尺等工具测量柱、梁的截面尺寸,并与设计尺寸进行比对。
2.2.3楼板厚度检验:使用测量尺测量楼板实际厚度,并计算与设计厚度的偏差。
混凝土尺寸允许偏差
混凝土结构在施工中,在尺寸方面的允许偏差是非常重要的。
因为如果尺寸偏差超出了规定的范围,就会影响到混凝土结构的稳定性和整体质量。
那么混凝土尺寸允许偏差是多少呢?
根据国家标准《建筑工程施工质量验收规范》(GB50203),混凝土结构在尺寸方面的允许偏差主要包括以下几个方面:
1、混凝土构件尺寸偏差
混凝土构件的长、宽、高尺寸偏差应符合以下要求:
(1)长度在1000mm以内的构件允许偏差为±5mm,长度在1000mm 以上的构件允许偏差为±10mm。
(2)宽度和高度的允许偏差均为±5mm。
2、混凝土构件平面偏差
混凝土构件的平面偏差应符合以下要求:
(1)长度在1000mm以内的构件允许偏差为±3mm,长度在1000mm 以上的构件允许偏差为±5mm。
(2)构件边缘处的平面偏差允许在±5mm以内。
3、混凝土构件曲率偏差
混凝土构件曲率偏差应符合以下要求:
(1)长度在1000mm以内的构件允许偏差为1.5mm,长度在1000mm 以上的构件允许偏差为2.5mm。
(2)构件边缘处的曲率偏差允许在2mm以内。
除了上述几点,混凝土结构的允许偏差还涉及到其它方面,如水
平度、垂直度等。
因此,在混凝土施工过程中,必须严格按照规范进行施工,以确保混凝土结构的质量和稳定性。
滑模混凝土结构外观及尺寸偏差检验批质量验收记录滑模混凝土结构是一种常用的结构形式,常用于水池、隧道、桥梁等大型工程中。
为了确保滑模混凝土结构的质量,需要进行外观及尺寸偏差检验批质量验收。
以下是滑模混凝土结构外观及尺寸偏差检验批质量验收记录的示例,供参考。
一、工程名称:XXX工程二、验收单位:XXXX有限公司三、施工单位:XXXX建设工程有限公司四、验收日期:XX年XX月XX日外观检验:1.结构表面平整度检验:使用平板仪在结构表面取点进行检测,测得的高程差应符合设计要求,检测结果如下:测点编号设计高程(mm)实测高程(mm)高程差(mm)检测结果110001002+2合格2990993+3合格3995992-3合格2.结构表面光滑度检验:使用光滑度仪对结构表面进行检测,检测结果如下:测点编号光滑度标准值(mm)实测光滑度(mm)光滑度偏差(mm)检测结果154.8-0.2合格255.2+0.2合格354.7-0.3合格尺寸偏差检验:1.结构尺寸检验:对滑模混凝土结构的尺寸进行检测,检测结果如下:部位设计尺寸(mm)实测尺寸(mm)尺寸偏差(mm)检测结果基底50004998-2合格侧板30003003+3合格顶板20001999-1合格2.端口尺寸检验:对滑模混凝土结构的端口尺寸进行检测,检测结果如下:端口编号设计尺寸(mm)实测尺寸(mm)尺寸偏差(mm)检测结果11000999-1合格215001501+1合格3200020000合格以上是滑模混凝土结构外观及尺寸偏差检验批质量验收记录的示例。
通过对结构的外观和尺寸进行检测,可以确保滑模混凝土结构的质量符合设计要求,保证工程的安全性和耐久性。
DL/T 5434-2009表A.14 验收申请表工程名称:沈阳吉隆生化4x90t/h锅炉供热工程转运楼编号:02-019-00-01-05-04-03 致:山东恒信建设监理有限公司项目监理机构我方已完成承台、连系梁混凝土结构外观及尺寸偏差工程(检验批/分项工程/分部工程/单位工程),经三级自检合格,具备验收条件,现报上该工程验收申请表,请予以审查验收。
附件:自检报告。
承包单位(章):项目经理:日期: 2011年09月10日项目监理机构审查意见:项目监理机构(章):总监理工程师:专业监理工程师:日期:填报说明:本表一式份,由承包单位填报,建设单位、项目监理机构、承包单位各一份。
表5.10.9 编号:02-019-00-01-05-04-03单位(子单位) 工程名称沈阳吉隆生化4x90t/h锅炉供热工程转运楼分部(子分部)工程名称地基与基础工程分项工程名称混凝土验收部位承台、连系梁施工单位江苏建兴建工集团有限公司项目经理邹立新施工执行标准名称及编号电力建设施工质量验收及评定规程- 第1部分-土建工程-DL/T5210.1-2005专业工长(施工员)陈建华分包单位/ 分包项目经理/ 施工班组长周小红类别序号检查项目质量标准单位施工单位自检记录监理(建设)单位验收记录主控项目1 外观质量☆不应有严重缺陷。
对已经出现的严重缺陷,应由施工单位提出技术处理方案,并经监理(建设)、设计单位认可后进行处理,对经处理的部位,应重新检查验收没有严重缺陷2 尺寸偏差☆不应有影响结构性能和使用功能的尺寸偏差。
对超过尺寸允许偏差且影响结构性能和安装、使用功能的部位,应由施工单位提出技术处理方案,并经监理(建设)、设计单位认可后进行处理。
对经处理的部位,应重新检查验收没有影响结构性能和使用功能的尺寸偏差一般项目1 外观质量不宜有一般缺陷。
对已经出现的一般缺陷,应由施工单位按技术处理方案进行处理,并重新检查验收没有一般缺陷2轴线位移独立基础≤10mm/ / / / / / / / / / 其他基础≤15 15 12 11 9 7 14 10 9 6 墙、柱、梁≤8 5 5 8 7 4 6 3 6 4 剪力墙≤5 / / / / / / / / / / 3垂直度层高≤5 ≤8mm/ / / / / / / / / / >5 ≤10 / / / / / / / / / / 全高(H4)不大于H4/1000,且不大于30mm /4标高偏差杯形基础杯底0~-10mm/ / / / / / / / / / 其他基础顶面±10 7 8 -5 6 9 5 -3 9 8 层高±10 5 -7 8 -3 8 4 -7 6 9全高±30 / / / / / / / / / /表5.10.9(续表)编号:02-019-00-01-05-04-03类别序号检查项目质量标准单位施工单位自检记录监理(建设)单位验收记录一般项目5 截面尺寸偏差+8~-5 mm 3 -3 4 5 -46 -2 5 76 表面平整度≤8 mm 1 5 6 4 5 678 67电梯井井筒长,宽对定位中心线偏差+25~0 mm / / / / / / / / / /8 预留洞中心位移≤15 mm / / / / / / / / / /9 预留孔中心位移≤5 mm / / / / / / / / /10 截面尺寸偏差+10~-5 mm / / / / / / / / /11混凝土预埋件拆模后质量应符合本部分附录B的规定/施工单位检查结果合格项目专业质量检查员:项目专业技术负责人:2011年09月10日监理(建设)单位验收结论专业监理工程师:(建设单位项目专业技术负责人) 年月日DL/T 5434-2009表A.14 验收申请表工程名称:沈阳吉隆生化4x90t/h锅炉供热工程转运楼编号:02-019-00-02-01-03-03 致:山东恒信建设监理有限公司项目监理机构我方已完成5.570m层柱梁板梯混凝土结构外观及尺寸偏差工程(检验批/分项工程/分部工程/单位工程),经三级自检合格,具备验收条件,现报上该工程验收申请表,请予以审查验收。
附件:自检报告。
承包单位(章):项目经理:日期: 2011年10月05日项目监理机构审查意见:项目监理机构(章):总监理工程师:专业监理工程师:日期:填报说明:本表一式份,由承包单位填报,建设单位、项目监理机构、承包单位各一份。
表5.10.9 编号:02-019-00-02-01-03-03单位(子单位) 工程名称沈阳吉隆生化4x90t/h锅炉供热工程转运楼分部(子分部)工程名称主体工程分项工程名称混凝土验收部位 5.570m层柱梁板梯施工单位江苏建兴建工集团有限公司项目经理邹立新施工执行标准名称及编号电力建设施工质量验收及评定规程- 第1部分-土建工程-DL/T5210.1-2005专业工长(施工员)陈建华分包单位/ 分包项目经理/ 施工班组长周小红类别序号检查项目质量标准单位施工单位自检记录监理(建设)单位验收记录主控项目1 外观质量☆不应有严重缺陷。
对已经出现的严重缺陷,应由施工单位提出技术处理方案,并经监理(建设)、设计单位认可后进行处理,对经处理的部位,应重新检查验收没有严重缺陷2 尺寸偏差☆不应有影响结构性能和使用功能的尺寸偏差。
对超过尺寸允许偏差且影响结构性能和安装、使用功能的部位,应由施工单位提出技术处理方案,并经监理(建设)、设计单位认可后进行处理。
对经处理的部位,应重新检查验收没有影响结构性能和使用功能的尺寸偏差一般项目1 外观质量不宜有一般缺陷。
对已经出现的一般缺陷,应由施工单位按技术处理方案进行处理,并重新检查验收没有一般缺陷2轴线位移独立基础≤10mm/ / / / / / / / / / 其他基础≤15 / / / / / / / / / / 墙、柱、梁≤8 5 7 8 7 4 8 3 4 6剪力墙≤5 / / / / / / / / / / 3垂直度层高≤5 ≤8mm4 5 5 7 6 3 6 2 3>5 ≤10 / / / / / / / / / / 全高(H4)不大于H4/1000,且不大于30mm /4标高偏差杯形基础杯底0~-10mm/ / / / / / / / / / 其他基础顶面±10 / / / / / / / / / / 层高±10 10 -7 8 -3 8 9 -7 6 9全高±30 / / / / / / / / / /表5.10.9(续表)编号:02-019-00-02-01-03-03类别序号检查项目质量标准单位施工单位自检记录监理(建设)单位验收记录一般项目5 截面尺寸偏差+8~-5 mm6 -3 6 5 6 5 -5 5 36 表面平整度≤8 mm 8 5 8 4 5 678 57电梯井井筒长,宽对定位中心线偏差+25~0 mm / / / / / / / / / /8 预留洞中心位移≤15 mm 12 15 13 8 15 12 11 12 159 预留孔中心位移≤5 mm 2 -3 5 1 2 5 4 3 410 截面尺寸偏差+10~-5 mm 8 10 3 -2 6 5 -5 2 311混凝土预埋件拆模后质量应符合本部分附录B的规定/施工单位检查结果合格项目专业质量检查员:项目专业技术负责人:2011年10月05日监理(建设)单位验收结论专业监理工程师:(建设单位项目专业技术负责人) 年月日DL/T 5434-2009表A.14 验收申请表工程名称:沈阳吉隆生化4x90t/h锅炉供热工程转运楼编号:02-019-00-02-01-03-03-02 致:山东恒信建设监理有限公司项目监理机构我方已完成9.850m层柱梁板梯混凝土结构外观及尺寸偏差工程(检验批/分项工程/分部工程/单位工程),经三级自检合格,具备验收条件,现报上该工程验收申请表,请予以审查验收。
附件:自检报告。
承包单位(章):项目经理:日期: 2011年10月15日项目监理机构审查意见:项目监理机构(章):总监理工程师:专业监理工程师:日期:填报说明:本表一式份,由承包单位填报,建设单位、项目监理机构、承包单位各一份。
表5.10.9 编号:02-019-00-02-01-03-03-02单位(子单位) 工程名称沈阳吉隆生化4x90t/h锅炉供热工程转运楼分部(子分部)工程名称主体工程分项工程名称混凝土验收部位9.850m层柱梁板施工单位江苏建兴建工集团有限公司项目经理邹立新施工执行标准名称及编号电力建设施工质量验收及评定规程- 第1部分-土建工程-DL/T5210.1-2005专业工长(施工员)陈建华分包单位/ 分包项目经理/ 施工班组长周小红类别序号检查项目质量标准单位施工单位自检记录监理(建设)单位验收记录主控项目1 外观质量☆不应有严重缺陷。
对已经出现的严重缺陷,应由施工单位提出技术处理方案,并经监理(建设)、设计单位认可后进行处理,对经处理的部位,应重新检查验收没有严重缺陷2 尺寸偏差☆不应有影响结构性能和使用功能的尺寸偏差。
对超过尺寸允许偏差且影响结构性能和安装、使用功能的部位,应由施工单位提出技术处理方案,并经监理(建设)、设计单位认可后进行处理。
对经处理的部位,应重新检查验收没有影响结构性能和使用功能的尺寸偏差一般项目1 外观质量不宜有一般缺陷。
对已经出现的一般缺陷,应由施工单位按技术处理方案进行处理,并重新检查验收没有一般缺陷2轴线位移独立基础≤10mm/ / / / / / / / / / 其他基础≤15 / / / / / / / / / / 墙、柱、梁≤8 8 5 6 7 8 3 4 5 3剪力墙≤5 / / / / / / / / / / 3垂直度层高≤5 ≤8mm6 4 5 5 8 6 3 2 8>5 ≤10 / / / / / / / / / / 全高(H4)不大于H4/1000,且不大于30mm /4标高偏差杯形基础杯底0~-10mm/ / / / / / / / / / 其他基础顶面±10 / / / / / / / / / / 层高±10 -9 -7 10 -2 7 6 9 6 10全高±30 / / / / / / / / / /表5.10.9(续表)编号:02-019-00-02-01-03-03-02类别序号检查项目质量标准单位施工单位自检记录监理(建设)单位验收记录一般项目5 截面尺寸偏差+8~-5 mm 2 -36 5 8 6 8 -5 86 表面平整度≤8 mm 5 8 8 5 5 27 2 57电梯井井筒长,宽对定位中心线偏差+25~0 mm / / / / / / / / / /8 预留洞中心位移≤15 mm 14 12 10 15 1112 11 14 159 预留孔中心位移≤5 mm 5 -3 5 5 2 5 2 3 210 截面尺寸偏差+10~-5 mm 5 9 5 -2 -5 6 7 10 1011混凝土预埋件拆模后质量应符合本部分附录B的规定/施工单位检查结果合格项目专业质量检查员:项目专业技术负责人:2011年10月15日监理(建设)单位验收结论专业监理工程师:(建设单位项目专业技术负责人) 年月日。