关于环氧树脂层
- 格式:wps
- 大小:13.50 KB
- 文档页数:4
环氧板分层的原因一、材料本身的问题环氧板是由环氧树脂和增强材料等组成的。
如果环氧树脂的质量不好,比如说它的纯度不够,里面夹杂着一些杂质,这就像在一锅好汤里混进了沙子一样,那在使用过程中就容易出现分层的情况。
还有啊,增强材料如果和环氧树脂的兼容性不好,就好比两个人性格不合,那它们也没办法好好地结合在一起,时间一长就分层啦。
而且呢,要是在生产环氧板的时候,材料的配比出现错误,比例失调,就像做饭时盐放多了或者少了,都会影响成品的质量,导致分层的可能性大大增加。
二、生产工艺的影响在生产环氧板的过程中,有好多环节都很重要呢。
比如说固化环节,如果固化的温度、时间控制得不好,就像烤蛋糕的时候火候和时间没掌握好,蛋糕就烤失败了一样。
固化不完全的话,环氧板内部的结构就不稳定,容易分层。
还有在压制的时候,如果压力不均匀,就像给东西上螺丝,有的螺丝拧紧了,有的还松着,那环氧板的不同部位结合的紧密程度就不一样,分层就很容易发生啦。
而且生产过程中的脱模环节,如果操作不当,也可能会对环氧板的结构造成破坏,导致分层现象。
三、使用环境的因素环氧板在使用的时候,如果环境太恶劣,也会分层哦。
要是处在一个温度变化特别大的环境里,热胀冷缩的作用下,环氧板就像被不断拉扯的橡皮糖一样,内部结构可能就被破坏了,然后就分层了。
还有湿度的问题,如果湿度很大,环氧板长时间处在潮湿的环境里,就像木头泡在水里一样,时间长了也会出现问题,导致分层。
另外,如果环氧板受到了外力的冲击或者长时间的震动,就像一个人老是被撞或者在很颠簸的车上,身体也会受不了,环氧板就会出现分层的现象啦。
四、储存条件的影响储存环氧板也有讲究呢。
如果储存的地方温度过高或者过低,都会对环氧板产生不好的影响。
就像我们人,住在太冷或者太热的房子里都不舒服。
而且如果储存的环境很潮湿,环氧板就会吸收水分,这就像海绵吸水一样,吸多了水就会影响它的性能,导致分层。
还有啊,如果在储存的时候,环氧板受到挤压,它内部的结构就可能被破坏,就像被压扁的盒子一样,时间一长就分层了。
一、地坪漆施工对基面的要求1、基层表面必须密实,无疏松、起砂、脱层现象;2、地坪混凝土强度最终达到C25以上,表面承受压力达60Mpa以上;3、基层表面平整度达到2米直尺检验不大于3mm;4、首层环氧地面施工,应先进行地面防潮处理;5、基面含水率要求小于4%;二、地坪漆施工对空间环境的要求1、施工场地地面堆放物、工程垃圾及施工设备清场;2、其他施工班组撤离作业区,在地坪漆施工区域非施工人员及车辆均不得进入;3、墙面、顶壁不得有漏水、渗水;4、施工区域保证足够照明,确保施工人员有良好的视线;5、施工区域有良好的通风设施,保证施工时或施工后空气的流动有助于油漆层干燥,缩短固化时间。
三、地坪漆施工技术方案(一)施工工艺流程:1、基面处理:基面整体细致打磨、完全除尘;2、环氧树脂底涂施工:涂刷渗透性环氧底油,使其充分渗入地面,达到表面均匀成膜,无遗漏,并有一定亮度;3、对进行环氧底涂施工后的基面局部打磨、吸尘、涂刷环氧底油;4、环氧树脂中涂施工:按工艺要求对整个基面均匀刮涂石英砂或腻子;5、环氧树脂面涂施工:细磨、除尘,按工艺要求对整个基面均匀涂刷环氧涂;6、养护、施工结束。
(二)施工工艺要点:1、基面打磨、吸尘处理:对基面进行整体打磨、吸尘。
一定要把基面上的油污及浮尘等脏物去除干净,并彻底做好吸尘工作,以便环氧树脂层与基面完全结合。
2、环氧底涂施工:底层处理的好坏直接影响无机水泥基础同环氧树脂层的粘合性能,底涂的做法是环氧树脂中加入有机稀释剂降低粘度,并适当延长固化时间,以便环氧树脂能充分渗入水泥基础较深层,形成一层强度很高的复合结构层。
3、环氧中涂施工:环氧底涂施工完毕且完全固化后,用手砂轮机将其表面稍稍打毛,并吸尘清理干净。
然后用环氧底油调配适量石英砂或石英粉,用平刮刀抹括,带齿滚筒消泡。
4、环氧面涂施工:中涂施工完毕且完全固化后,稍稍打毛其表面并吸净灰尘。
之后即可用滚筒滚环氧面涂材料。
要求平整、光洁、颜色匀均一致,不允许存在空鼓、分层现象。
环氧树脂地面涂层材料标准规范一、引言二、材料要求1.环氧树脂:应使用符合国家标准的环氧树脂材料,具有较高的硬度、耐磨性和耐化学侵蚀性。
2.填料:应选用优质填料,使环氧树脂地面具有一定的防滑性和耐磨性。
3.固化剂:应选用兼容性良好的固化剂,确保环氧树脂地面涂层能够完全固化,提高其强度和耐久性。
4.溶剂:应使用无毒、无害环境的溶剂,确保施工过程中无异味和污染。
5.颜料:应选用耐光、耐候性好的颜料,以确保地面颜色能够长期保持不变。
三、施工要求1.地面处理:施工前应对地面进行充分的处理,确保地面平整、干燥、无杂质和脱层现象。
2.底漆施工:先刷一遍环氧地坪底漆,确保地面与涂料的附着力。
3.中涂层施工:根据施工要求,做好中涂层施工,填平地面凹凸不平的部分。
4.骨料施工:铺设骨料,使地面具有一定的防滑性和耐磨性。
5.面漆施工:最后一遍涂刷环氧地坪面漆,使地面光滑、亮丽,并提高地面的耐磨性和耐化学性。
四、质量要求1. 厚度:环氧地坪涂层的厚度应符合设计要求,一般不应小于2mm。
2.强度:环氧地坪涂层的抗压强度应符合设计要求,可以根据实际使用环境要求来测试。
3.耐久性:环氧地坪涂层应具有较好的耐久性,经久耐用,不易开裂、脱层和变色。
4.平整度:环氧地坪涂层施工后应平整,无凹凸不平的现象,确保地面的美观和使用功能。
五、检测方法1.厚度检测:使用专用测厚仪进行地坪涂层厚度的测量,取多点测量并计算平均值。
2.抗压强度测试:使用万能材料试验机进行抗压测试,取多个试样测试并计算平均值。
3.耐久性测试:可根据环境要求进行耐久性测试,如耐磨性测试、耐化学侵蚀性测试等。
六、施工注意事项1.施工人员应熟悉环氧地坪涂层施工工艺,并遵守相关的施工要求。
2.施工前应对施工区域进行充分保护,防止灰尘、水汽等外界因素对地面施工造成影响。
3.施工过程中应注意通风,避免使用有毒、有害的溶剂。
4.施工后应进行质量检测和验收,确保环氧地坪涂层符合设计和规范要求。
环氧树脂玻璃钢防腐层厚度
环氧树脂玻璃钢防腐防水衬层(及其他树脂玻璃钢衬层)在工程设计中一般只注明几布几涂,也称几布几油、几布几胶等,但具体厚度是多少一般都不详。
各防腐施工单位、厂家也众说纷纭,莫衷一是。
而且相关的国家标准、规范也没有加以规定,比如GB 50212-2002《建筑防腐蚀工程施工及验收规范》、98J333《建筑防腐蚀构造》及新版08J333《建筑防腐蚀构造》都没有玻璃钢防腐层做法与厚度的对应关系。
98J333《建筑防腐蚀构造》只规定了层数,新版08J333《建筑防腐蚀构造》只规定了厚度。
那么防腐衬层做法中的几布几涂所对应的厚度到底是多少呢?我们通过借鉴相关行业和地方标准规范并根据理论计算和实际测量进行分析如下:
1、石油天然气行业标准SYT-0326-2002《钢质储罐内衬环氧玻璃钢技术标准》,该标准规定
标准截。
注:该结论为使用0.18-0.2mm玻纤布情况下的对应关系。
当工程有厚度要求时,实际操作中可以通过使用较厚的玻纤布、玻纤毡或增加一至多道树脂胶泥来增加防腐层厚度。
1、编制依据1.1施工图纸(1)建筑施工平图;(2)结构设计图1.2主要规范、规程JC/T2217-2014环氧树脂防水涂料JT/T712-2008路面防滑涂料GB/T1630—1989环氧树脂命名GB/T13657—1992双酚A型环氧树脂GB/T4612—1984环氧化合物环氧当量的测定GB/T4613—1984环氧树脂和缩水甘油醚无机氯的测定GB/T4618—1984环氧树脂和有关材料易皂化氯的测定GB/T1732—1993涂料黏度测定法GB/T2567—1995树脂浇铸体力学性能试验方法总则GB/T2568—1995树脂浇铸体拉伸试验方法GB/T2569—1995树脂浇铸体压缩试验方法GB/T2571—1995树脂浇铸体冲击试验方法2、工法特点2.1常温施工薄层抗滑层路面材料为生产包装好的成品,到达施工现场后无须对材料进行加热,直接人工按比例混合并搅拌均匀。
环境温度要求5°C〜40°C。
2.2人工摊铺薄层抗滑层路面铺筑的厚度在3mm-10mm,因此材料通过搅拌后,只需要操作人员采取人工涂布的方法进行铺装,机械设备需求量少,操作简便。
2.3自动流平,无须机械设备碾压由于薄层抗滑层材料是一种流体砂浆,其自流性可以保证铺装表面的平整度达到要求,无须机械设备碾压。
3、适用范围适用于采用薄层环氧防滑铺装施工的各等级城镇道路、公路的新建、改扩建及维修养护路面工程。
适用于国家重点工程和一般防水工程,如屋面,彩钢瓦,地下室,人防工程,厨卫间,涵洞,隧道,桥梁,天桥,水池等工程,也可用于金属管道,车间地坪,水池等工程的防腐蚀及木地板,水泥板,石棉制品,玻璃钢制品,陶瓷制品,地砖等的粘接,也可用于建筑结构的嵌缝材料。
4、工艺原理4.1抗滑磨耗层的抗滑机理路面抗滑性能是指车辆轮胎受到制动时沿表面滑移所产生的力。
通常,抗滑性能被看作路面的表面特性,包括路面表面细构造和粗构造,影响抗滑性能的因素有路面表面特性、路面潮湿程度和行车速度。
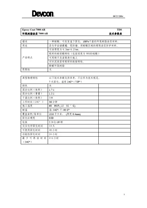
06/25/2004Epoxy Coat 7000 AR TDS环氧树脂涂层7000 AR 技术参数表描述 一种耐酸,可在室温下固化,100%干基的环氧树脂涂层材料。
用途 是化学品储藏罐,堤防墙,须耐酸区域的理想涂层防护材料。
可涂厚度为0.2mm-0.25mm。
极好的耐浓酸特性(包括浓度为98%的硫酸)产品特点可用刷子及滚筒进行施工对水泥表面有极好的粘接特性。
酚醛环氧树脂局限性 无典型物理特性 以下技术参数仅供参考,不应作为技术规范。
7天固化,温度24C°(75F°)颜色 灰混合比例(体积) 1.7:1混合比例(重量) 1.5:1 干基比例(体积) 100工作时间(24C°) 36分钟施工温度 60 – 90 F ( 15 – 32 °C)耐温 湿:54C°;干:93 C°覆盖面积/每单位 18.6平方米,(厚度0.4mm)固化后硬度 85D 包装 2加仑/19磅完全化学固化时间 10天可使用固化时间 48小时功能性固化时间 24小时最少可再涂时间4-6小时(24C°)06/25/2004表面处理 对于金属表面,用钢丝刷或沙纸进行打磨,以除去锈蚀和脱皮。
如用喷沙或钢丝轮打磨的方法,效果会更好。
所有的赃物,油脂以及旧的油漆都必须被清除干净。
干净、干燥的表面是非常重要的。
彻底干净,干燥,粗糙和无油的表面,是成功进行涂层的第一步。
混合少量的树脂和固化剂(无硅填充物)对表面进行现场测试;应用少量混合物在一小块区域。
旧的油漆涂层会起皱或翘起。
如果没有的话,过五天时间,用较锋利的工具刮剥试其粘接强度。
另外,也可用压力敏感胶带进行测试。
在表面切出一个“X”型的切口,然后贴上压力敏感胶带。
然后用力,快速地撕下胶带。
如果,涂层在任何上述的测试中失败,按下面对已经进行表面保护的水泥操作指南进行。
对于新浇铸的水泥:让其在进行施工之前完全固化(28天,21°C)。
环氧树脂地面涂层材料标准规范环氧树脂地面涂层材料是一种常用的地面装饰材料,具有耐磨、耐压、易清洁等特点,广泛应用于工业厂房、商业场所、医疗卫生、学校、办公楼等各类建筑的地面装饰。
为了保证环氧树脂地面涂层材料的质量和施工效果,制定了一系列的标准规范,以便指导生产和施工过程中的操作。
首先,环氧树脂地面涂层材料的标准规范包括材料的选用和性能要求。
在选择环氧树脂地面涂层材料时,应根据使用环境和要求选择合适的产品,如耐磨性、耐化学腐蚀性、抗压强度等性能要求。
同时,还应注意材料的施工性能和环保性能,以确保施工质量和使用安全。
其次,环氧树脂地面涂层材料的标准规范还包括施工工艺和要求。
在施工过程中,应按照标准规范的要求进行操作,包括地面的处理、底涂、中涂、面涂等工艺步骤。
施工人员应具备相应的技术资格和经验,严格按照标准规范进行操作,确保施工质量和使用效果。
另外,标准规范还对环氧树脂地面涂层材料的验收和检测进行了详细的规定。
在施工完成后,应进行验收和检测,以确保施工质量和使用效果符合标准规范的要求。
验收和检测应由具备相应资质的机构进行,并出具相应的检测报告和验收意见。
此外,标准规范还对环氧树脂地面涂层材料的使用和维护提出了一些要求。
在使用过程中,应按照标准规范的要求进行维护和保养,定期进行清洁和保养,以延长使用寿命和保持良好的使用效果。
总的来说,环氧树脂地面涂层材料的标准规范是保证产品质量和施工效果的重要依据,对于生产和施工单位来说,应严格按照标准规范的要求进行操作,确保产品质量和使用效果符合要求。
对于使用单位来说,应按照标准规范的要求进行维护和保养,以延长使用寿命和保持良好的使用效果。
只有这样,才能更好地发挥环氧树脂地面涂层材料的优势,为建筑环境提供更好的地面装饰效果和使用体验。
环氧树脂地面涂层材料标准规范1 范围本标准规定了环氧树脂地面涂层材料的术语和定义、分类与标记、要求、试验方法、检验规则、标志、包装、运输与贮存。
2本标准适用于以环氧树脂为主要原材料的底层涂料、自流平地面涂层材料、薄涂型环氧树脂地面涂层材料。
3 术语和定义下列术语和定义适用于本标准。
3.1 环氧树脂底层涂料由环氧树脂、固化剂、稀释剂及其他助剂等组成,在环氧树脂地面涂层材料涂装时,直接涂到地面基体上,起到封闭和粘结作用的涂料。
3.2自流平环氧树脂地面涂层材料由环氧树脂、稀释剂、固化剂及其他添加剂等组成,搅拌后具有流动性或稍加辅助性铺摊就能流动找平的地面用材料。
3.3薄涂型环氧树脂地面涂层材料由环氧树脂、稀释剂、固化剂及其他添加剂等组成,采用喷涂、滚涂或刷涂等施工方法,通常一遍施工干膜厚度在100μm 以下的地面涂层材料。
4 分类与标记4.1分类环氧树脂地面涂层材料分为:——环氧树脂底层涂料(EP);——自流平环氧树脂地面涂层材料(ESL);——薄涂型环氧树脂地面涂层材料(ET)。
4.2标记产品按下列顺序标记:产品名称、类别、本标准号。
示例:自流平环氧树脂地面涂层材料标记为:自流平环氧树脂地面涂层材料ESL JC/T ×××—20065 要求5.1环氧树脂底层涂料环氧树脂底层涂料产品的要求应符合表1的规定。
表1环氧树脂底层涂料的要求将6.4.1的试样注入尺寸为(30×30×30)mm的模具内,在浇注过程中要尽量避免产生气泡。
每组为6个,浇注后,放置于标准试验条件下,24h后脱模并养护7d,按GB/T 17671-1999中的9.3条测定抗压强度,按GB/T 17671-1999中的10.2.2进行数据处理,试验结果精确至1MPa。
6.127d拉伸粘结强度用的试件按JC/T907-2003中的5.4进行试验及数据处理。
6.13抗冲击性将的试件紧贴于厚度为20mm的细砂上面,涂膜面向上,然后把钢球,从高度1m 处自由落下,在试件上冲击3处,每处冲击点应相距不少于50mm,且距试件边缘不小于50mm,观察试件表面涂层有无裂纹、剥落。
环氧地坪施工方案一、地坪漆施工对基面的要求1、基层表面必须密实,无疏松、起砂、脱层现象;2、地坪混凝土强度最终达到C25以上,表面承受压力达60Mpa以上;3、基层表面平整度达到2米直尺检验不大于3mm;4、首层环氧地面施工,应先进行地面防潮处理;5、基面含水率要求小于4%;二、地坪漆施工对空间环境的要求1、施工场地地面堆放物、工程垃圾及施工设备清场;2、其他施工班组撤离作业区,在地坪漆施工区域非施工人员及车辆均不得进入;3、墙面、顶壁不得有漏水、渗水;4、施工区域保证足够照明,确保施工人员有良好的视线;5、施工区域有良好的通风设施,保证施工时或施工后空气的流动有助于油漆层干燥,缩短固化时间。
三、地坪漆施工技术方案(一)施工工艺流程:1、基面处理:基面整体细致打磨、完全除尘;2、环氧树脂底涂施工:涂刷渗透性环氧底油,使其充分渗入地面,达到表面均匀成膜,无遗漏,并有一定亮度;3、对进行环氧底涂施工后的基面局部打磨、吸尘、涂刷环氧底油;4、环氧树脂中涂施工:按工艺要求对整个基面均匀刮涂石英砂或腻子;5、环氧树脂面涂施工:细磨、除尘,按工艺要求对整个基面均匀涂刷环氧涂;6、养护、施工结束。
(二)施工工艺要点:1、基面打磨、吸尘处理:对基面进行整体打磨、吸尘。
一定要把基面上的油污及浮尘等脏物去除干净,并彻底做好吸尘工作,以便环氧树脂层与基面完全结合。
2、环氧底涂施工:底层处理的好坏直接影响无机水泥基础同环氧树脂层的粘合性能,底涂的做法是环氧树脂中加入有机稀释剂降低粘度,并适当延长固化时间,以便环氧树脂能充分渗入水泥基础较深层,形成一层强度很高的复合结构层。
3、环氧中涂施工:环氧底涂施工完毕且完全固化后,用手砂轮机将其表面稍稍打毛,并吸尘清理干净。
然后用环氧底油调配适量石英砂或石英粉,用平刮刀抹括,带齿滚筒消泡。
4、环氧面涂施工:中涂施工完毕且完全固化后,稍稍打毛其表面并吸净灰尘。
之后即可用滚筒滚环氧面涂材料。
环氧树脂涂层铜排表面处理【摘要】环氧树脂涂层铜排表面处理是电子行业中常见的工艺之一,对提高电路板的性能和稳定性起着至关重要的作用。
本文对环氧树脂涂层铜排的特点进行了介绍,包括其耐腐蚀性和绝缘性。
接着,详细探讨了环氧树脂涂层铜排的表面处理方法,包括化学、物理和机械方法。
在强调了环氧树脂涂层铜排表面处理的重要性,指出了未来研究的方向,如提高处理效率和降低成本。
通过本文的研究,可以更好地了解环氧树脂涂层铜排表面处理技术的应用和发展趋势,为相关领域的技术改进和创新提供参考。
【关键词】环氧树脂涂层铜排、表面处理、化学方法、物理方法、机械方法、重要性、未来研究方向1. 引言1.1 背景介绍环氧树脂是一种广泛应用于电子设备和电路板制造中的材料,其具有优异的绝缘性能、耐化学腐蚀性和抗湿热性,因此被广泛应用于铜排的涂层处理中。
铜排作为电子设备中重要的导电材料,经常需要涂覆一层环氧树脂来保护其表面免受环境侵蚀和导致电路短路的可能。
随着电子设备的不断发展和更新,对环氧树脂涂层铜排的要求也越来越高。
对环氧树脂涂层铜排表面处理方法进行研究,以提高其耐腐蚀性、耐磨性和耐高温性能,已成为当前研究的热点之一。
本文旨在介绍环氧树脂涂层铜排的特点,并对目前常见的环氧树脂涂层铜排表面处理方法进行探讨,包括化学方法处理、物理方法处理和机械方法处理,从而为提高环氧树脂涂层铜排的性能提供参考。
本文还将分析环氧树脂涂层铜排表面处理的重要性,并展望未来的研究方向,以期为相关领域的学术研究提供一定的参考价值。
1.2 研究目的研究目的目的是探究环氧树脂涂层铜排表面处理的方法及其在电子领域中的应用,以提高铜排的耐腐蚀性、耐磨性和导电性能。
通过分析不同的表面处理方法,研究其对环氧树脂涂层铜排表面性能的影响,为提高电路板的可靠性和稳定性提供技术支持。
本研究旨在总结当前环氧树脂涂层铜排表面处理方法的优缺点,为今后的研究提供参考和指导,推动环氧树脂涂层铜排技术的发展和应用。
环氧地坪施工方案一、地坪漆施工对基面的要求1、基层表面必须密实,无疏松、起砂、脱层现象;2、地坪混凝土强度最终达到C25以上,表面承受压力达60Mpa以上;3、基层表面平整度达到2米直尺检验不大于3mm;4、首层环氧地面施工,应先进行地面防潮处理;5、基面含水率要求小于4%;二、地坪漆施工对空间环境的要求1、施工场地地面堆放物、工程垃圾及施工设备清场;2、其他施工班组撤离作业区,在地坪漆施工区域非施工人员及车辆均不得进入;3、墙面、顶壁不得有漏水、渗水;4、施工区域保证足够照明,确保施工人员有良好的视线;5、施工区域有良好的通风设施,保证施工时或施工后空气的流动有助于油漆层干燥,缩短固化时间。
三、地坪漆施工技术方案(一)施工工艺流程:1、基面处理:基面整体细致打磨、完全除尘;2、环氧树脂底涂施工:涂刷渗透性环氧底油,使其充分渗入地面,达到表面均匀成膜,无遗漏,并有一定亮度;3、对进行环氧底涂施工后的基面局部打磨、吸尘、涂刷环氧底油;4、环氧树脂中涂施工:按工艺要求对整个基面均匀刮涂石英砂或腻子;5、环氧树脂面涂施工:细磨、除尘,按工艺要求对整个基面均匀涂刷环氧涂;6、养护、施工结束。
(二)施工工艺要点:1、基面打磨、吸尘处理:对基面进行整体打磨、吸尘。
一定要把基面上的油污及浮尘等脏物去除干净,并彻底做好吸尘工作,以便环氧树脂层与基面完全结合。
环氧地坪施工方案2、环氧底涂施工:底层处理的好坏直接影响无机水泥基础同环氧树脂层的粘合性能,底涂的做法是环氧树脂中加入有机稀释剂降低粘度,并适当延长固化时间,以便环氧树脂能充分渗入水泥基础较深层,形成一层强度很高的复合结构层。
3、环氧中涂施工:环氧底涂施工完毕且完全固化后,用手砂轮机将其表面稍稍打毛,并吸尘清理干净。
然后用环氧底油调配适量石英砂或石英粉,用平刮刀抹括,带齿滚筒消泡。
4、环氧面涂施工:中涂施工完毕且完全固化后,稍稍打毛其表面并吸净灰尘。
之后即可用滚筒滚环氧面涂材料。
环氧树脂涂层表面
在工业和建筑领域,环氧树脂涂层作为一种常见的材料,被广泛应用于各种表
面的保护和装饰。
环氧树脂涂层具有优异的耐磨性、耐腐蚀性和耐高温性能,能够有效地延长材料的使用寿命并提升外观质量。
首先,环氧树脂涂层表面的光滑度是其重要特征之一。
通过涂覆环氧树脂涂层,可以使被涂层表面变得平整光滑,提高表面的触感和美观度。
光滑的表面还有利于清洁和维护,使得环氧树脂涂层在实际应用中更加方便。
其次,环氧树脂涂层表面的硬度和耐磨性是其受欢迎的原因之一。
环氧树脂涂
层能够形成坚固的保护膜,抵抗外界磨损和划伤,保持表面长期新颖和美观。
在高流量区域或者需要经常清洁的地方,环氧树脂涂层的耐磨性能尤为重要。
另外,环氧树脂涂层表面的耐腐蚀性能也是其重要特点之一。
由于环氧树脂涂
层本身具有较好的化学稳定性,可以有效地抵抗酸碱等化学腐蚀,保护基材免受腐蚀侵害。
这使得环氧树脂涂层在工业设备和建筑结构的防护中得到广泛应用。
此外,环氧树脂涂层表面的耐高温性能也值得注意。
环氧树脂涂层在高温环境
下仍能保持稳定的化学和物理性能,不易熔化变形,保护基材免受高温侵害。
这使得环氧树脂涂层在热工业领域得到广泛应用,同时也适用于需要抵抗高温侵蚀的场合。
综上所述,环氧树脂涂层表面具有光滑度高、硬度大、耐磨性好、耐腐蚀性强、耐高温性能优良等特点,适用于各种工业和建筑领域的表面保护和装饰。
在选择环氧树脂涂层时,需根据实际使用环境和要求来选择不同种类的环氧树脂涂层,以获得最佳的表面保护效果。
环氧树脂粘结层环氧树脂粘结层呀,这可是个很有趣的东西呢。
咱们先来说说它是啥吧。
环氧树脂粘结层就像是一个超级胶水一样的存在。
它是由环氧树脂和固化剂等一些成分组成的。
你可以把它想象成一个小魔法师,能把好多东西紧紧地粘在一起。
比如说,在一些建筑工程里,如果有两块瓷砖想要亲密无间地待在一起,环氧树脂粘结层就会大显身手啦。
它会在这两块瓷砖之间施展魔法,让它们牢牢地固定住,就像两个好朋友手拉手再也不分开。
再讲讲它的特性吧。
它的粘结力那可是相当厉害的。
不管是金属呀,还是陶瓷呀,甚至是一些塑料,它都能粘上。
就好像它有很多双手,能紧紧抓住不同类型的小伙伴。
而且呀,它还很耐用呢。
一旦粘上了,可不是那种轻易就会松开的。
就像两个人结下了深厚的友谊,不管风吹雨打都不会散伙。
它还具有很好的化学稳定性,不会轻易被一些化学物质腐蚀,就像一个坚强的小战士,在各种环境下都能坚守岗位。
那它在生活中的应用可多了去了。
在家具制作方面,要是有个椅子腿不小心断了,工匠们就可以用环氧树脂粘结层把它粘上。
这可比重新做一个椅子腿要方便得多呢。
还有在汽车维修的时候,有些小零件如果掉了或者裂了,也可以用这个粘结层来修复。
它就像是一个万能的修补匠,哪里需要就出现在哪里。
不过呢,使用环氧树脂粘结层也有一些小窍门哦。
在涂抹的时候,一定要均匀。
如果涂得太厚了,可能就干得慢,而且粘结效果也不一定好。
要是涂得太薄了,又可能粘不牢。
这就像我们涂面霜一样,要恰到好处才行。
还有啊,要注意环境温度和湿度。
如果温度太低或者湿度太大,它可能就会耍小脾气,不好好工作了。
在工业上,环氧树脂粘结层也是个大功臣呢。
在电子设备的制造中,很多微小的零件需要精确地粘结在一起。
环氧树脂粘结层就可以做到这一点,它能够把那些小得像蚂蚁一样的零件稳稳地固定在它们该在的地方。
而且,它还能起到绝缘的作用,就像给那些电子零件穿上了一层保护衣,让它们不会互相干扰。
咱再聊聊它的颜色吧。
其实它的颜色还挺丰富的呢。
薄层环氧抗滑层1. 简介薄层环氧抗滑层是一种应用于地面或其他平面表面的涂料,具有防滑、耐磨、防腐等功能。
它由环氧树脂和颗粒填料组成,可以有效提高地面的摩擦系数,降低滑倒事故的发生率。
2. 技术原理薄层环氧抗滑层的技术原理主要包括以下几个方面:2.1 环氧树脂基质薄层环氧抗滑层使用环氧树脂作为基质材料,具有优异的粘附性能和耐化学性能。
环氧树脂可以与地面或其他平面表面牢固结合,形成坚固的涂层。
2.2 颗粒填料在环氧树脂基质中添加适量的颗粒填料,可以增加涂层的摩擦系数,提高防滑性能。
常用的颗粒填料有砾石、矿物粉末等。
2.3 表面处理在施工薄层环氧抗滑层之前,需要对地面或其他平面表面进行预处理,以确保涂层的粘附性能。
常见的表面处理方法包括打磨、清洁、除尘等。
2.4 施工工艺薄层环氧抗滑层的施工工艺一般包括以下几个步骤:•准备工作:清洁地面或其他平面表面,除去杂物和油污。
•底涂施工:将环氧树脂基质涂刷在地面或其他平面表面上,形成底涂层。
•颗粒填充:在底涂层上均匀撒布颗粒填料,使其与底涂层充分结合。
•封闭施工:使用环氧树脂封闭颗粒填料,增加涂层的耐磨性和防滑性能。
•上光施工:最后一道工序是将透明的环氧树脂液体均匀地覆盖在整个涂层表面上,形成光亮、平整的表面。
3. 应用领域薄层环氧抗滑层广泛应用于以下领域:3.1 公共场所薄层环氧抗滑层可以应用于公共场所的地面,如商场、办公楼、学校等。
它可以提供良好的防滑性能,保护行人的安全。
3.2 工业场所在工业场所,地面容易受到化学物品、油污等的侵蚀,容易造成滑倒事故。
薄层环氧抗滑层可以在工业场所的地面上形成一层坚固耐磨的涂层,提高地面的防滑性能和耐久性。
3.3 运输设施薄层环氧抗滑层也适用于运输设施,如机场跑道、火车站台等。
它可以提供良好的防滑性能,在雨天或寒冷天气中降低事故发生率。
3.4 家庭装修薄层环氧抗滑层还可以应用于家庭装修中,如厨房、浴室等湿滑区域。
它可以有效避免家庭成员因为湿滑而摔倒受伤。
环氧树脂涂层钢筋是一种在普通钢筋的表面制作了一层环氧树脂薄膜保护层的钢筋,涂层厚度一般在0.15mm-0.30mm。
涂层一般脸用环氧树脂粉末以静电喷涂方法制作:将普通钢筋表面进行除锈、打毛等处理后加热到230多摄氏度的高温,再将带电的环氧树脂粉末喷射到钢筋表面,由于粉末颗粒带有电荷,便吸附在钢筋表面,并与其熔融结合,经过一定养护固化后便形成一层完整、连续、包裹住整个钢筋表面的环氧树脂薄膜保护层。
环氧树脂涂层以其不与酸、碱等反应,具有极高的化学稳定性和延性大、干缩小,与金属表面具有极佳的粘着性的特点,在钢筋表面形成了阻隔其与水分、氧、氯化物或侵蚀性介质接触的物理屏障,同时,还因其具有阻隔钢筋与外界电流接触的功能而被认为是化学电离子防腐屏障。
环氧树脂层合复合材料层间剪切强度的三点弯曲试验方法环氧树脂层合复合材料是一种广泛应用于航空、航天、汽车、建筑等领域的高性能材料。
在实际应用中,复合材料的层间剪切强度是一个重要的性能指标,因为它直接影响着复合材料的力学性能和使用寿命。
本文将介绍环氧树脂层合复合材料层间剪切强度的三点弯曲试验方法。
试验原理三点弯曲试验是一种常用的力学试验方法,它可以用来测定材料的弯曲性能。
在三点弯曲试验中,试样被放置在两个支撑点之间,然后在中间施加一个力,使试样发生弯曲变形。
根据试样的变形情况,可以计算出试样的弯曲刚度和弯曲应力等参数,从而得到试样的力学性能指标。
在环氧树脂层合复合材料层间剪切强度的三点弯曲试验中,试样通常采用矩形形状,其长度和宽度分别为L和W,厚度为t。
试样被放置在两个支撑点之间,支撑点之间的距离为L0。
然后在试样的中心位置施加一个力F,使试样发生弯曲变形。
试验过程中,试样的弯曲变形应该保持在弹性范围内,以确保试验结果的准确性。
试验步骤1. 制备试样:根据试验要求,制备符合要求的环氧树脂层合复合材料试样。
2. 安装试样:将试样放置在两个支撑点之间,支撑点之间的距离应该与试样长度相等。
3. 施加力:在试样中心位置施加一个力F,使试样发生弯曲变形。
施加力的速度应该控制在一定范围内,以确保试验结果的准确性。
4. 记录数据:在试验过程中,记录试样的变形情况和施加力的大小。
根据试样的变形情况,计算出试样的弯曲刚度和弯曲应力等参数。
5. 分析结果:根据试验结果,计算出试样的层间剪切强度。
根据试验要求,可以进行多次试验,以得到更加准确的试验结果。
试验注意事项1. 试样的制备应该符合试验要求,以确保试验结果的准确性。
2. 施加力的速度应该控制在一定范围内,以确保试验结果的准确性。
3. 试样的弯曲变形应该保持在弹性范围内,以确保试验结果的准确性。
4. 在试验过程中,应该注意安全,避免发生意外事故。
总结环氧树脂层合复合材料层间剪切强度的三点弯曲试验是一种常用的力学试验方法,可以用来测定复合材料的层间剪切强度。
关于环氧树脂层
环氧树脂及环氧树脂胶粘剂的基本知识
(一)、环氧树脂的概念:
环氧树脂是指高分子链结构中含有两个或两个以上环氧基团的高分子化合物的总称,属于热固性树脂,代表性树脂是双酚A型环氧树脂。
(二).环氧树脂的特点(通常指双酚A型环氧树脂)
1.单独的环氧树脂应用价值很低,它需要与固化剂配合使用才有实用价值。
2.高粘接强度:在合成胶粘剂中环氧树脂胶的胶接强度居前列。
3.固化收缩率小,在胶粘剂中环氧树脂胶的收缩率最小,这也是环氧树脂胶固化胶接高的原因之一。
例如:
酚醛树脂胶:8—10% ;有机硅树脂胶:6—8%
聚酯树脂胶:4—8% ;环氧树脂胶:1—3%
若经过改性加工后的环氧树脂胶收缩率可降为0.1—0.3%,热膨胀系数为6.0×10-5/℃
4.耐化学性能工好:在固化体系中的醚基、苯环和脂肪羟基不易受酸碱侵蚀。
在海水、石油、煤油、10%H2SO4、10%HCl、10%HAc、10%NH3、10%H3PO4和30%Na2CO3中可以用两年;而在50%H2SO4和10%HNO3常温浸泡半年;10%NaOH(100℃)浸泡一个月,性能保持不变。
5.电绝缘性优良:环氧树脂的击穿电压可大于35kv/mm
6.工艺性能良好、制品尺寸稳定、耐性良好和吸水率低。
双酚A型环氧树脂的优点固然好,但也有其缺点:
①.操作粘度大,这在施工方面显的有些不方便
②.固化物性脆,伸长率小。
③.剥离强度低。
④.耐机械冲击和热冲击差。
(三).环氧树脂的应用与发展
1.环氧树脂的发展史:
环氧树脂是1938年由P.Castam申请瑞士专利,由汽巴公司在1946年研制出最早的环氧粘接剂,1949年美国的S.O.Creentee研制了环氧涂料,我国于1958年开始环氧树脂的工业化生产。
2.环氧树脂的应用:
①涂料工业:环氧树脂在涂料工业中需用量最大,目前较广泛使用的有水性涂料、粉末涂料和高固分涂料。
可广泛用于管道容器、汽车、船舶、航天、电子、玩具、工艺品等行业。
②电子电器工业:环氧树脂胶可用于电气绝缘材料,例如整流器、变压器的密封灌注;电子元器件的密封保护;机电产品的绝缘处理与粘接;蓄电池的密封粘接;电容器、电阻、电感器的表面披覆。
③五金饰品,工艺品、体育用品品行业:可用于标牌、饰品、商标、
五金、球拍、钓具、运动用品、工艺品等产品上。
④光电行业:可用于发光二极管(LED)、数码管、像素管、电子显示屏、LED灯饰等产品的封装、灌注和粘接。
⑤建筑工业:在道路、桥梁、地坪、钢铁结构、建筑、墙体涂料、堤坝、工程施工、文物修补等行业也会广泛用到。
⑥胶粘剂、密封剂和复合材料领域:如风力发电机叶片、工艺品、陶瓷、玻璃等各种物质之间的粘接,碳纤维板材的复合、微电子材料的密封等等。
(四).环氧树脂胶的特性
1、环氧树脂胶是在环氧树脂的基础上对其特性进行再加工或改性,使其性能参数等符合特定的要求,通常环氧树脂胶也需要有固化剂搭配才能使用,并且需要混合均匀后才能完全固化,一般环氧树脂胶称为A胶或主剂,固化剂称为B胶或固化剂(硬化剂)。
2、反映环氧树脂胶固化前的主要特性有:颜色、粘度、比重、配比、凝胶时间、可使用时间、固化时间、触变性(止流性)、硬度、表面张力等。