(最新)配筋砌体工程检验批质量验收记录
- 格式:doc
- 大小:44.50 KB
- 文档页数:2
建筑工程施工质量验收资料(TJ:土建部分)档号档案馆代号案卷题名编制单位编制日期密级保管期限共卷第卷江苏省建设工程质量监督站编印目录工程概况TJ1.1复核人: 填表人:工程项目施工管理人员名单T J1。
2施工现场质量管理检查记录T J1.3施工组织设计、施工方案审批表T J1.4注:附施工组织设计、施工方案。
技术交底记录T J1。
5注:本记录一式两份,一份交接受交底人,一份存档。
开工报告T J1.6工程竣工报告T J1。
7图纸会审、设计变更、洽商记录汇总表T J2。
1注:图纸会审、设计变更、洽谈商记录附后.图纸会审、设计变更、洽商记录T J2。
1.1设计交底记录T J2.。
1.2工程定位测量、放线验收记录T J2..2钢材合格证和复试报告汇总表T J2。
3。
1技术负责人:质量检查员:水泥出厂合格证、复试报告汇总表T J2。
3。
2技术负责人:质量检查员:砖(砌块)检验报告汇总表T J2.。
3.3技术负责人:质量检查员:混凝土外加剂(及其它材料)产品合格证、出厂检验报告和进场复验报告汇总表T J2。
3.4技术负责人: 质量检查员:防水和保温材料合格证、复试报告汇总表T J2.。
3.5技术负责人: 质量检查员:(其它)建筑材料合格证、复试报告汇总表T J2。
.3.6技术负责人:质量检查员:混凝土试块试压报告汇总表T J2..4。
1技术负责人:质量检查员:注:1、F eu,I—-第I组混凝土抗压强度代表值。
2、不同验收批的混凝土、标准养护和与结构实体同条件养护的混凝土应分别汇总评定。
试验报告分别附本汇总表后。
混凝土强度评定T J2..4.2技术负责人: 质量检查员:年月日结构实体混凝土强度评定T J2.。
4。
3技术负责人:质量检查员: 年月日注:同条件养护试件强度按GBJ107的规定确定后,宜取1.10的折算系数。
砂浆强度汇总评定表T J2。
4.4钢筋连接试验报告、焊条(剂)合格证汇总表T J2.。
4.5技术负责人: 质量检查员:土壤试验记录汇总表T J2.。
配筋砌体工程检验批质量验收记录工程名称:配筋砌体工程
工程地点:XX市XX区XX路XX号
施工单位:XX建设有限公司
检验日期:20XX年XX月XX日
检验人员: XXX
检验内容:
1. 砌块质量:对砌块进行了外观检查,符合以下要求:
a) 块体光滑,表面无裂纹,无明显的气孔
b) 重量一致,体积均匀
c) 砖型大小一致,铺垫平整,水平垂直度达到了设计要求
2. 水泥质量:对水泥进行了外观检查,符合以下要求:
a) 水泥颜色均匀,无明显的色差
b) 混凝土强度符合设计要求
c) 水泥的掺合物成分达标,符合国家标准
3. 钢筋质量:对钢筋进行了外观检查和拉力试验,符合以下要求:
a) 钢筋光滑,无明显的麻点、锈迹和变形
b) 拉力达到设计要求,能够满足施工需要
4. 砌体质量:对砌体进行了强度试验和外观检查,符合以下要求:
a) 砌体强度达到设计要求,能够满足使用要求
b) 砌体墙面平整,无明显的掉块、脱落和开裂
检验结论:配筋砌体工程通过质量验收,符合设计要求。
检验人员签字:XXX。
1.2.单位工程质量竣工验收记录3.单位工程观感质量检查记录4.素土、灰土地基检验批质量验收记录5.砂和砂石地基检验批质量验收记录6.土工合成材料地基检验批质量验收记录7.粉煤灰地基检验批质量验收记录8.强夯地基检验批质量验收记录9.土和灰土挤密桩复合地基检验批质量验收记录10.水泥粉煤灰碎石桩复合地基检验批质量验收记录11.混凝土小型空心砌块砌体检验批质量验收记录12.石砌体检验批质量验收记录13.配筋砌体检验批质量验收记录14.模板安装检验批质量验收记录15.模板拆除检验批质量验收记录16.钢筋原材料检验批质量验收记录17.钢筋加工检验批质量验收记录18.钢筋连接检验批质量验收记录19.钢筋安装检验批质量验收记录20.混凝土设备基础外观及尺寸偏差检验批质量验收记录21.模板安装检验批质量验收记录22.模板拆除检验批质量验收记录23.钢筋原材料检验批质量验收记录24.钢筋加工检验批质量验收记录25.钢筋连接检验批质量验收记录26.钢筋安装检验批质量验收记录27.混凝土设备基础外观及尺寸偏差检验批质量验收记录28.钢结构焊接检验批质量验收记录29.焊钉(栓钉)焊接工程检验批质量验收记录30.紧固件连接检验批质量验收记录31.高强度螺栓连接检验批质量验收记录32.钢零部件加工检验批质量验收记录33.钢构件组装检验批质量验收记录34.钢管构件进场验收检验批质量验收记录35.钢管混凝土构件现场拼装检验批质量验收记录36.钢管混凝土构件现场拼装检验批质量验收记录37.钢管混凝土柱柱脚锚固检验批质量验收记录38.混凝土灌注桩(钢筋笼)检验批质量验收记录39.混凝土灌注桩检验批质量验收记录40.土方开挖工程检验批质量验收记录41.土方回填工程检验批质量验收记录42.场地平整检验批质量验收记录43.喷锚支护检验批质量验收记录44.挡土墙检验批质量验收记录45.边坡开挖检验批质量验收记录46.模板安装检验批质量验收记录47.模板拆除检验批质量验收记录48.钢筋原材料检验批质量验收记录49.钢筋加工检验批质量验收记录50.钢筋连接检验批质量验收记录51.钢筋安装检验批质量验收记录52.混凝土原材料检验批质量验收记录53.钢结构焊接检验批质量验收记录54.焊钉(栓钉)焊接工程检验批质量验收记录55.型钢混凝土结构焊接检验批质量验收记录56.型钢混凝土结构紧固件连接检验批质量验收记录57.一般抹灰检验批质量验收记录58.保温层薄抹灰检验批质量验收记录59.给水管道及配件安装检验批质量验收记录60.给水设备安装检验批质量验收记录61.室内消火栓系统安装检验批质量验收记录62.给水管道及配件安装检验批质量验收记录63.给水管道及配件安装检验批质量验收记录64.排水管道及配件安装检验批质量验收记录65.雨水管道及配件安装检验批质量验收记录66.变压器、箱式变电所安装检验批质量验收记录67.成套配电柜、控制柜(屏、台)和动力、照明配电箱(盘)及控制柜安装检验批质量验收记录68.导管敷设检验批质量验收记录69.电缆敷设检验批质量验收记录70.变压器、箱式变电所安装检验批质量验收记录71.普通灯具安装检验批质量验收记录72.电气照明专用灯具安装检验批质量验收记录73.设备安装检验批质量验收记录74.智能化集成系统接口及系统调试检验批质量验收记录75.安装场地检查检验批质量验收记录76.梯架、托盘、槽盒和导管安装检验批质量验收记录77.机柜、机架、配线架安装检验批质量验收记录78.墙体节能检验批质量验收记录79.门窗节能检验批质量验收记录80.分项工程检测记录81.智能化集成系统子分部工程检测记录82.防雷与接地子分部工程检测记录83.分部(子分部)工程质量验收记录84.工程验收资料审查记录注:单位工程验收时,验收签字人员应由相应单位法人代表书面授权。
配筋砌体工程检验批质量验收记录为了保障配筋砌体工程的施工质量,确保建筑物的安全性与稳定性,配筋砌体工程检验批质量验收记录是必不可少的一项工作。
本文将对配筋砌体工程检验批质量验收记录进行讲述,包括其目的、流程、注意事项等。
一、目的配筋砌体工程检验批质量验收记录的目的是记录施工过程中出现的各种问题,优化施工质量,及时发现并解决可能存在的安全隐患,确保配筋砌体工程的施工质量和安全。
二、流程1. 检验前准备检验前需准备相关的文件资料和检测仪器,明确检验内容、检验标准和要求等,同时要做好检验人员的安排工作,明确各人负责的具体任务。
2. 基础检查在配筋砌体工程施工前,需对基础进行检验,包括否定基础有密度不足的情况,基础平整度是否符合要求等。
3. 砖墙检验在砖墙砌筑过程中,需对砖墙进行检测,包括墙体水平度、垂直度,尺寸、厚度等的检查。
4. 梁柱检验在进行梁柱砌筑前,需要对梁柱的加固措施以及基层水平度进行检查,确保基层的水平度与平整度符合设计要求。
5. 点验钢筋在进行钢筋砌筑过程中,需要进行钢筋的点验。
包括钢筋直径、数量、弯曲程度等的检测,确保每根钢筋的规格与数量都符合设计要求。
6. 技术文件核对在完成配筋砌体工程后,需要对各项技术文件进行核对,包括工程执行计划、施工图纸、变更单等文件资料的核查和整理。
三、注意事项1. 严格按照设计要求和施工流程进行施工,并及时对出现的问题进行处理和整改。
2. 各项检验要求必须详细记录,包括每次检验的时间、人员、结果等。
3. 检验过程中要对相关资料进行完整保管,避免丢失和变更。
4. 在施工完毕后,对各项数据进行汇总对比,做出综合评价,并根据评价结果给予奖励或者处罚。
以上是对配筋砌体工程检验批质量验收记录的讲述,可以看出,配筋砌体工程检验批质量验收记录对整个工程的施工质量和安全至关重要。
只有在记录表上如实记录并跟踪整改问题,才能保证建筑物的结构安全。
因此,建筑企业在实施配筋砌体工程项目时,必须高度重视检验批质量验收记录工作。
Q/CSG表5.9.1编号:单位(子单位)工程名称分部(子分部)工程名称分项工程名称验收部位施工单位项目经理分包单位分包项目经理施工执行标准(或规范)名称及编号施工质量检验及评定标准的规定施工单位自检记录监理(建设)单位验收记录主控项目1砖强度等级、规格和外加剂☆必须符合设计要求和现行有关标准的规定2砂浆品种、强度等级a☆必须符合设计要求和现行有关标准的规定3 斜槎留置☆砖砌体的转角处和交接应同时砌筑,严禁无可靠措施的内外墙分砌施工。
对不能同时砌筑而又必须留置的临时间断处应砌成斜槎,斜槎水平投影长度不小高度的2/34直槎拉结钢筋及接槎处理应符合设计要求和现行有关标准的规定5 水平灰缝砂浆饱满度灰缝横平竖直密实饱满,实心砌体水平灰缝饱满度必须达到80%以上6 基础防潮层应符合设计要求和现行有关标准的规定7轴线位移bmm≤10(8)8垂直度mm每层≤5(4)全高≤10m ≤10(8)>10m ≤20(15)Q/CSG表5.9.1(续)编号:施工质量检验及评定标准的规定施工单位自检记录监理(建设)单位验收记录一般项目1组砌方法c清水墙组砌正确,不应出现通缝,接槎密实、平直混水墙砌体上下错缝每间(处)4皮~6皮砖的通缝小于或等于3处,且不在同一面墙体上砌体接槎每个接槎部位水平灰缝厚度小于5mm或透亮缺陷不超过3个2水平灰缝厚度和竖缝宽度宜为10mm,但不应大于12mm,也不应小于8mm3基础顶面和楼面标高偏差dmm±15(10)4表面平整度mm清水墙、柱≤5(4)混水墙、柱、基础≤8(6)5门窗洞口高度、宽度偏差mm±5(4)6外墙上下窗偏移mm≤20(15)7水平灰缝平直度mm清水墙≤7(5)混水墙≤10(8)8清水墙游丁走缝mm≤20(15)9水平灰缝厚度偏差(10皮砖累计)mm±8(6)10预留洞中心位移mm≤10(8)截面内部尺寸偏差mm+10~0施工单位检查评定结果专业工长(施工员)施工班组长项目专业质量检查员:年月日监理(建设)单位验收结论专业监理工程师:(建设单位项目专业技术负责人) 年月日a指可按单位工程的同品种、同标号砂浆试块组数统一评定各分项工程砂浆强度。
建筑工程施工质量验收资料(TJ:土建部分)档号档案馆代号案卷题名编制单位编制日期密级保管期限共卷第卷江苏省建设工程质量监督站编印目录工程概况TJ1。
1复核人:填表人:工程项目施工管理人员名单T J1.2施工现场质量管理检查记录T J1.3施工组织设计、施工方案审批表T J1。
4注:附施工组织设计、施工方案.技术交底记录T J1.5注:本记录一式两份,一份交接受交底人,一份存档。
开工报告T J1.6工程竣工报告T J1。
7图纸会审、设计变更、洽商记录汇总表T J2。
1注:图纸会审、设计变更、洽谈商记录附后.图纸会审、设计变更、洽商记录T J2..1.1设计交底记录T J2..1。
2工程定位测量、放线验收记录T J2.。
2钢材合格证和复试报告汇总表T J2.。
3。
1技术负责人:质量检查员:水泥出厂合格证、复试报告汇总表T J2..3.2技术负责人:质量检查员:砖(砌块)检验报告汇总表T J2。
.3.3技术负责人: 质量检查员:混凝土外加剂(及其它材料)产品合格证、出厂检验报告和进场复验报告汇总表T J2。
.3.4技术负责人:质量检查员:防水和保温材料合格证、复试报告汇总表T J2。
.3.5技术负责人:质量检查员:(其它)建筑材料合格证、复试报告汇总表T J2.。
3。
6技术负责人:质量检查员:混凝土试块试压报告汇总表T J2。
4。
1技术负责人:质量检查员:注:1、F eu,I—-第I组混凝土抗压强度代表值。
2、不同验收批的混凝土、标准养护和与结构实体同条件养护的混凝土应分别汇总评定。
试验报告分别附本汇总表后.混凝土强度评定T J2.。
4.2技术负责人:质量检查员: 年月日结构实体混凝土强度评定T J2..4.3技术负责人: 质量检查员:年月日注:同条件养护试件强度按GBJ107的规定确定后,宜取1.10的折算系数。
砂浆强度汇总评定表T J2。
.4。
4钢筋连接试验报告、焊条(剂)合格证汇总表T J2.。
123456789101第8.2.1条
2C20、M7.5
3第8.2.3条
4贯通截面 不削
弱
510mm
68mm
10mm
≤10m
15mm >10m 20mm
123456789101第8.3.1条
2第8.3.2条
3第8.3.3条
4第8.3.4条
5第8.3.5条验收部位项目经理年 月 日
监理(建设)单位验收记录专业工长施工班组长年 月 日规范规定
(设计要求)
规范规定
(mm)
施工单位检查评定记录施工单位检查评定记录柱垂直度水平灰缝内的钢筋每层全高
砌体工程施工质量验收规范GB50203-2002—
分包项目 经 理—钢筋品种、规格、数量混凝土或砂浆强度等级马牙槎拉结筋芯柱柱中心线位置柱层间错位员等进行验收。
钢筋防腐保护项目专业质量检查员:
施工单位检查
评定结果
监理(建设)单位
验收结论组合砌体拉结筋砌体钢筋搭接
一般项目网状配筋及位置监理工程师(建设单位项目技术负责人):配筋砌体工程检验批质量验收记录
工程名称
施工单位
施工执行标准名
称及编号
分包单位主控项目7。
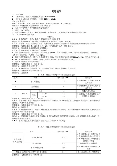
填写说明一、填写依据1 《砌体结构工程施工质量验收规范》GB50203-2011。
2 《建筑工程施工质量验收统一标准》GB50300-2013。
二、检验批划分根据《砌体结构工程施工质量验收规范》GB50203-2011中第3.0.20条规定:砌体结构工程检验批的划分应同时符合下列规定:1 所用材料类型及同类型材料的强度等级相同。
2 不超过250 砌体。
3 主体结构砌体一个楼层(基础砌体可按一个楼层计);填充墙砌体量少时可多个楼层合并。
三、GB50203-2011规范摘要主控项目8.2.1 钢筋的品种、规格、数量和设置部位应符合设计要求。
检验方法:检查钢筋的合格证书、钢筋性能复试试验报告、隐蔽工程记录。
8.2.2 构造柱、芯柱、组合砌体构件、配筋砌体剪力墙构件的混凝土及砂浆的强度等级应符合设计要求。
抽检数量:每检验批砌体,试块不应少于1组,验收批砌体试块不得少于3组。
检验方法:检查混凝土和砂浆试块试验报告。
8.2.3 构造柱与墙体的连接应符合下列规定:1 墙体应砌成马牙槎,马牙槎凹凸尺寸不宜小于60mm,高度不应超过300mm,马牙槎应先退后进,对称砌筑;马牙槎尺寸偏差每一构造柱不应超过2处。
2 预留拉结钢筋的规格、尺寸、数量及位置应正确,拉结钢筋应沿墙高每隔500mm设2Ф6,伸入墙内不宜小于600mm,钢筋的竖向移位不应超过100mm,且竖向移位每一构造柱不得超过2处。
3 施工中不得任意弯折拉结钢筋。
抽检数量:每检验批抽查不应少于5处。
检验方法:观察检查和尺量检查。
8.2.4 配筋砌体中受力钢筋的连接方式及锚固长度、搭接长度应符合设计要求。
检查数量:每检验批抽查不应少于5处。
检验方法:观察检查。
8.3.2 设置在砌体灰缝中钢筋的防腐保护应符合本规范第3.0.16条的规定,且钢筋防护层完好,不应有肉眼可见裂纹、剥落和擦痕等缺陷。
抽检数量:每检验批抽查不应少于5处。
检验方法:观察检查。
8.3.3 网状配筋砖砌体中,钢筋网规格及放置间距应符合设计规定。
配筋砌体工程检验批质量验收记录摘要:本文档记录了配筋砌体工程的检验批质量验收过程和结果。
通过详细记录每个环节的验收内容、验收标准、验收方法以及验收结果,有助于确保配筋砌体工程的质量符合相应的规范要求。
一、项目概述配筋砌体工程是建筑工程中非常重要的一环。
配筋砌体结构的质量直接关系到建筑物的安全性和使用寿命。
因此,在进行验收过程中,需要严格按照相关规范和标准进行操作,确保工程质量合格。
二、检验批验收内容本次配筋砌体工程检验批质量验收主要包括以下内容:1. 配筋材料的验收:验收包括钢筋、网片等配筋材料的规格、质量、数量等方面。
2. 配筋形状及位置的验收:验收包括配筋的形状是否符合图纸要求,配筋的位置是否准确等方面。
3. 配筋固定连接的验收:验收包括配筋与砌体的固定连接方式、连接点的数量和质量等方面。
4. 配筋砌体砌筑的验收:验收包括砌体的垂直偏差、水平偏差、砌体间缝隙、砂浆质量等方面。
5. 配筋砌体墙体的验收:验收包括墙体的垂直度、表面平整度、结构刚度等方面。
三、验收标准为了确保配筋砌体工程质量达到规范要求,我们将按照以下标准进行验收:1. 配筋材料的验收应符合国家标准或设计图纸要求。
2. 配筋形状及位置的验收应符合设计图纸要求。
3. 配筋固定连接的验收应符合国家标准或设计图纸要求。
4. 配筋砌体砌筑的验收应符合国家标准或设计图纸要求。
5. 配筋砌体墙体的验收应符合国家标准或设计图纸要求。
四、验收方法为了准确评估配筋砌体工程的质量,我们将采用以下方法进行验收:1. 视觉检查:通过目测配筋和砌体的形状、位置、垂直度、表面平整度等。
2. 测量检查:使用测量工具(如水平仪、卷尺等)测量配筋和砌体的尺寸、间隙、偏差等。
3. 抽样检测:抽取一定数量的配筋和砌体进行物理性能测试,以评估其质量。
五、验收结果根据以上的验收方法和标准,配筋砌体工程的质量验收结果如下:1. 配筋材料的验收合格,规格、质量、数量符合要求。
1 总则1.0.1 为加强建筑工程的质量管理,统一砌体工程施工质量的验收,保证工程量,制定本规范。
说明:1.0.1 制订本规范的目的,是为了统一砌体工程施工质量的验收,保证安全使用。
1.0.2 本规范适用于建筑工程的砖、石、混凝土小型空心砌块、蒸压加气混凝土砌块等砌体的施工质量控制和验收。
说明:1.0.2 本规范对砌体施工质量控制和验收的适用范围作了规定。
1.0.3 本规范与国家标准《建筑工程施工质量验收统一标准》GB50300-2001配套使用。
1.0.4 砌体工程施工中采用的工程技术文件、承包合同文件对施工质量验收的要求不得低于本规范的规定。
1.0.5 砌体工程施工质量的验收除应执行本规范外,尚应符合国家现行有关标准的规定。
说明:1.0.5 为了保证砌体工程的施工质量,必须全面执行国家现行有关标准,如以下标准:1 《砌体结构设计规范》GB50003;2《建筑结构荷载规范》GB50009;3《建筑抗震设计规范》GB50011;4《建筑地基基础工程施工质量验收规范》GB50201;5《混凝土结构工程施工质量验收规范》GB50204;6《设置钢筋混凝土构造柱多层砖房抗震技术规范》JGJ/T13;7《混凝土小型空心砌体建筑技术规程》JGJ/T14;8《建筑工程冬期施工规程》JGJ/T104;9《砌筑砂浆配合比设计规程》JGJ/T98;10《砌体工程现场检测技术标准》GB/T50315;11《建筑砂浆基本性能试验方法》JGJ70;12《粉煤灰在混凝土及砂浆中应用技术规程》JGJ28;13《混凝土外加剂应用技术规范》GBJ119;14《烧结普通砖》GB5101;15《烧结多孔钻》GB13544;16《蒸压灰砂砖》GB11945;17《粉煤灰砖》JC239;18《烧结空心砖和空心砌块》GB13545;19《普通混凝土小型空心砌块》GB8239;20《轻集料混凝土小型空心砌块》GB15229;21《蒸压加气混凝土砌块》GB11968;22《建筑生石灰》JC/T479;23《建筑生石灰粉》JC/T480;24《混凝土拌合用水》JGJ63;25《混凝土小型空心砌块砌筑砂浆》JC860;26《混凝土小型空心砌块灌孔混凝土》JC861。
配筋砌体工程检验批质量验收记录
为了确保配筋砌体工程的质量,我们在工程施工过程中进行了多次的检验和验收。
以下是本次配筋砌体工程检验批的质量验收记录。
1. 检验批名称:配筋砌体工程
2. 检验批编号:20191001
3. 检验日期:2019年10月1日
4. 检验人员:张三、李四、王五
5. 检验内容:
(1)砖块的质量:检查了砖块的尺寸、表面平整度、砖体强度等指标,符合设计要求。
(2)砂浆的质量:检查了砂浆的配合比、拌合时间、拌合均匀度等指标,符合设计要求。
(3)钢筋的质量:检查了钢筋的直径、长度、弯曲度、表面质量等指标,符合设计要求。
(4)砌体的质量:检查了砌体的垂直度、水平度、墙体厚度、砌缝宽度等指标,符合设计要求。
6. 验收结果:
本次配筋砌体工程检验批的质量验收结果为合格。
经过检验和验收,我们认为该工程的质量符合设计要求,可以进入下一步施工。
7. 处理措施:
在检验和验收过程中,我们发现了一些小问题,如砌缝宽度不够均匀、砂浆拌合不够均匀等。
我们及时采取了相应的处理措施,如重新调整砂浆的配合比、重新砌缝等,确保了工程的质量。
8. 总结:
本次配筋砌体工程检验批的质量验收工作,充分体现了我们对工程质量的重视和严谨的态度。
通过检验和验收,我们发现了一些问题,并及时采取了相应的处理措施,确保了工程的质量。
我们将继续保持高度的工作热情和严谨的工作态度,为工程的顺利进行提供有力的保障。
填写说明一、填写依据1 《砌体结构工程施工质量验收规范》GB50203-2011。
2 《建筑工程施工质量验收统一标准》GB50300-2013。
二、检验批划分根据《砌体结构工程施工质量验收规范》GB50203-2011中第3.0.20条规定:砌体结构工程检验批的划分应同时符合下列规定:1 所用材料类型及同类型材料的强度等级相同。
2 不超过250 砌体。
3 主体结构砌体一个楼层(基础砌体可按一个楼层计);填充墙砌体量少时可多个楼层合并。
三、GB50203-2011规范摘要主控项目8.2.1 钢筋的品种、规格、数量和设置部位应符合设计要求。
检验方法:检查钢筋的合格证书、钢筋性能复试试验报告、隐蔽工程记录。
8.2.2 构造柱、芯柱、组合砌体构件、配筋砌体剪力墙构件的混凝土及砂浆的强度等级应符合设计要求。
抽检数量:每检验批砌体,试块不应少于1组,验收批砌体试块不得少于3组。
检验方法:检查混凝土和砂浆试块试验报告。
8.2.3 构造柱与墙体的连接应符合下列规定:1 墙体应砌成马牙槎,马牙槎凹凸尺寸不宜小于60mm,高度不应超过300mm,马牙槎应先退后进,对称砌筑;马牙槎尺寸偏差每一构造柱不应超过2处。
2 预留拉结钢筋的规格、尺寸、数量及位置应正确,拉结钢筋应沿墙高每隔500mm设2Ф6,伸入墙内不宜小于600mm,钢筋的竖向移位不应超过100mm,且竖向移位每一构造柱不得超过2处。
3 施工中不得任意弯折拉结钢筋。
抽检数量:每检验批抽查不应少于5处。
检验方法:观察检查和尺量检查。
8.2.4 配筋砌体中受力钢筋的连接方式及锚固长度、搭接长度应符合设计要求。
检查数量:每检验批抽查不应少于5处。
检验方法:观察检查。
8.3.2 设置在砌体灰缝中钢筋的防腐保护应符合本规范第3.0.16条的规定,且钢筋防护层完好,不应有肉眼可见裂纹、剥落和擦痕等缺陷。
抽检数量:每检验批抽查不应少于5处。
检验方法:观察检查。
8.3.3 网状配筋砖砌体中,钢筋网规格及放置间距应符合设计规定。
1.2.单位工程质量竣工验收记录3.单位工程观感质量检查记录4.素土、灰土地基检验批质量验收记录5.砂和砂石地基检验批质量验收记录6.土工合成材料地基检验批质量验收记录7.粉煤灰地基检验批质量验收记录8.强夯地基检验批质量验收记录9.土和灰土挤密桩复合地基检验批质量验收记录10.水泥粉煤灰碎石桩复合地基检验批质量验收记录11.混凝土小型空心砌块砌体检验批质量验收记录12.石砌体检验批质量验收记录13.配筋砌体检验批质量验收记录14.模板安装检验批质量验收记录15.模板拆除检验批质量验收记录16.钢筋原材料检验批质量验收记录17.钢筋加工检验批质量验收记录18.钢筋连接检验批质量验收记录19.钢筋安装检验批质量验收记录20.混凝土设备基础外观及尺寸偏差检验批质量验收记录21.模板安装检验批质量验收记录22.模板拆除检验批质量验收记录23.钢筋原材料检验批质量验收记录24.钢筋加工检验批质量验收记录25.钢筋连接检验批质量验收记录26.钢筋安装检验批质量验收记录27.混凝土设备基础外观及尺寸偏差检验批质量验收记录28.钢结构焊接检验批质量验收记录29.焊钉(栓钉)焊接工程检验批质量验收记录30.紧固件连接检验批质量验收记录31.高强度螺栓连接检验批质量验收记录32.钢零部件加工检验批质量验收记录33.钢构件组装检验批质量验收记录34.钢管构件进场验收检验批质量验收记录35.钢管混凝土构件现场拼装检验批质量验收记录36.钢管混凝土构件现场拼装检验批质量验收记录37.钢管混凝土柱柱脚锚固检验批质量验收记录38.混凝土灌注桩(钢筋笼)检验批质量验收记录39.混凝土灌注桩检验批质量验收记录40.土方开挖工程检验批质量验收记录41.土方回填工程检验批质量验收记录42.场地平整检验批质量验收记录43.喷锚支护检验批质量验收记录44.挡土墙检验批质量验收记录45.边坡开挖检验批质量验收记录46.模板安装检验批质量验收记录47.模板拆除检验批质量验收记录48.钢筋原材料检验批质量验收记录49.钢筋加工检验批质量验收记录50.钢筋连接检验批质量验收记录51.钢筋安装检验批质量验收记录52.混凝土原材料检验批质量验收记录53.钢结构焊接检验批质量验收记录54.焊钉(栓钉)焊接工程检验批质量验收记录55.型钢混凝土结构焊接检验批质量验收记录56.型钢混凝土结构紧固件连接检验批质量验收记录57.一般抹灰检验批质量验收记录58.保温层薄抹灰检验批质量验收记录59.给水管道及配件安装检验批质量验收记录60.给水设备安装检验批质量验收记录61.室内消火栓系统安装检验批质量验收记录62.给水管道及配件安装检验批质量验收记录63.给水管道及配件安装检验批质量验收记录64.排水管道及配件安装检验批质量验收记录65.雨水管道及配件安装检验批质量验收记录66.变压器、箱式变电所安装检验批质量验收记录67.成套配电柜、控制柜(屏、台)和动力、照明配电箱(盘)及控制柜安装检验批质量验收记录68.导管敷设检验批质量验收记录69.电缆敷设检验批质量验收记录70.变压器、箱式变电所安装检验批质量验收记录71.普通灯具安装检验批质量验收记录72.电气照明专用灯具安装检验批质量验收记录73.设备安装检验批质量验收记录74.智能化集成系统接口及系统调试检验批质量验收记录75.安装场地检查检验批质量验收记录76.梯架、托盘、槽盒和导管安装检验批质量验收记录77.机柜、机架、配线架安装检验批质量验收记录78.墙体节能检验批质量验收记录79.门窗节能检验批质量验收记录80.分项工程检测记录81.智能化集成系统子分部工程检测记录82.防雷与接地子分部工程检测记录83.分部(子分部)工程质量验收记录84.工程验收资料审查记录表H.0.1-1 单位工程质量竣工验收记录注:单位工程验收时,验收签字人员应由相应单位法人代表书面授权。
主体结构一、混凝土结构(一)、模板(1)模板安装检验批质量验收记录GD-C5-71157(2)模板拆除检验批质量验收记录GD-C5-71158(二)、钢筋(1)钢筋原材料检验批质量验收记录GD-C5-71159(2)钢筋加工检验批质量验收记录GD-C5-71160(3)钢筋连接检验批质量验收记录GD-C5-71161(4)钢筋安装检验批质量验收记录GD-C5-71162(三)、混凝土(1)混凝土原材料检验批质量验收记录GD-C5-71163(2)混凝土拌合物检验批质量验收记录GD-C5-71164(3)混凝土施工检验批质量验收记录GD-C5-71165(四)、预应力(1)预应力原材料检验批质量验收记录GD-C5-71166(2)预应力制作与安装检验批质量验收记录GD-C5-71167 (3)预应力张拉与放张检验批质量验收记录GD-C5-71168 (4)预应力灌浆与封锚检验批质量验收记录GD-C5-71169 (五)、现浇结构(1)现浇结构外观及尺寸偏差检验批质量验收记录GD-C5-71170(2)混凝土设备基础外观及尺寸偏差检验批质量验收记录GD-C5-71171(六)、装配式结构(1)装配式接收预制构件检验批质量验收记录GD-C5-71172 (2)装配式结构施工检验批质量验收记录GD-C5-71173二、砌体结构(1)砌砖体检验批质量验收记录GD-C5-71174(2)混凝土小型空心砌块砌体检验批质量验收记录GD-C5-71175(3)石砌体检验批质量验收记录GD-C5-71176(4)配筋砌体检验批质量验收记录GD-C5-71177(5)填充墙砌体检验批质量验收记录GD-C5-71178三、钢结构(一)钢结构焊接(1)钢结构焊接检验批质量验收记录GD-C5-71179(2)焊钉(栓钉)焊接工程检验批质量验收记录GD-C5-71180 (二)紧固件连接(1)紧固件连接检验批质量验收记录GD-C5-71181(2)高强度螺栓连接检验批质量验收记录GD-C5-71182(三)钢零部件加工(1)钢零部件加工检验批质量验收记录GD-C5-71183(2)钢板剪力墙加工检验批质量验收记录(四)钢构件组装及预拼装(1)钢构件组装检验批质量验收记录GD-C5-71184(2)钢构件预拼装检验批质量验收记录GD-C5-71185(3)钢板剪力墙组装检验批质量验收记录单层钢结构安装检验批质量验收记录GD-C5-71186(五)多层及高层钢结构安装(1)多层及高层钢结构安装检验批质量验收记录GD-C5-71187 (六)钢结构安装(1)钢网架制作检验批质量验收记录GD-C5-71188(2)钢网架安装检验批质量验收记录GD-C5-71189(1)压型金属板检验批质量验收记录GD-C5-71190(2)防腐涂料涂装检验批质量验收记录GD-C5-71191(3)防火涂料涂装检验批质量验收记录GD-C5-71192四、钢管混凝土结构(一)构件现场拼装(1)钢管构件进场验收检验批质量验收记录GD-C5-71193 (2)钢管混凝土构件现场拼装检验批质量验收记录GD-C5-71194(二)构件安装(1)钢管混凝土柱柱脚锚固检验批质量验收记录GD-C5-71195 (2)钢管混凝土构件安装检验批质量验收记录GD-C5-71196 (1)钢管混凝土柱钢筋混凝土梁连接检验批质量验收记录GD-C5-71197(2)钢管内钢筋骨架检验批质量验收记录GD-C5-71198(3)钢管内混凝土浇筑检验批质量验收记录GD-C5-71199 (三)铝合金结构铝合金焊接(1)焊接材料检验批质量验收记录GD-C5-711101(2)铝合金构件焊接检验批质量验收记录GD-C5-711106紧固件连接(1)标准紧固件检验批质量验收记录GD-C5-711102(2)普通紧固件连接检验批质量验收记录GD-C5-711107(3)高强度螺栓连接检验批质量验收记录GD-C5-711108铝合金零部件加工(1)铝合金材料验收检验批质量验收记录GD-C5-711100(2)铝合金零部件切割加工检验批质量验收记录GD-C5-711109 (3)铝合金零部件边缘加工检验批质量验收记录GD-C5-711110 (4)球、毂加工检验批质量验收记录GD-C5-711111(5)铝合金零部件制孔检验批质量验收记录GD-C5-711112 (6)铝合金零部件槽、豁、隼加工检验批质量验收记录GD-C5-711113铝合金构件组装(1)螺栓球检验批质量验收记录GD-C5-711103(2)铝合金构件组装检验批质量验收记录GD-C5-71114(3)铝合金构件端部铣平及安装焊接检验批质量验收记录GD-C5-71115(4)铝合金构件预拼装检验批质量验收记录GD-C5-711116铝合金框架结构安装(1)铝合金框架结构基础和支撑面检验批质量验收记录GD-C5-711117(2)铝合金框架结构总拼和安装检验批质量验收记录GD-C5-711118铝合金空间网络结构安装(1)铝合金空间网络结构支撑面检验批质量验收记录GD-C5-711119(2)铝合金空间网络结构总拼和安装检验批质量验收记录GD-C5-711120铝合金面板(1)铝合金面板检验批质量验收记录GD-C5-711104(2)铝合金面板制作检验批质量验收记录GD-C5-711121(3)铝合金面板安装检验批质量验收记录GD-C5-711122铝合金幕墙结构安装(1)铝合金幕墙结构支撑面检验批质量验收记录GD-C5-711123 (2)铝合金幕墙结构总拼和安装检验批质量验收记录GD-C5-711124防腐处理(1)阳极氧化检验批质量验收记录GD-C5-711125(2)涂装检验批质量验收记录GD-C5-711126(3)隔离检验批质量验收记录GD-C5-711127(4)其他材料检验批质量验收记录GD-C5-711105 (四)木结构(1)方木和原木结构检验批质量验收记录GD-C5-711128 (2)胶合木结构检验批质量验收记录GD-C5-711129 (3)轻型木结构检验批质量验收记录GD-C5-711130 (4)木结构防护检验批质量验收记录gD-C5-711131。
建筑工程施工质量验收资料(TJ:土建部分)档号档案馆代号案卷题名编制单位编制日期密级保管期限共卷第卷江苏省建设工程质量监督站编印目录工程概况TJ1。
1复核人: 填表人:工程项目施工管理人员名单T J1.2施工现场质量管理检查记录T J1.3施工组织设计、施工方案审批表T J1。
4注:附施工组织设计、施工方案。
技术交底记录T J1.5注:本记录一式两份,一份交接受交底人,一份存档。
开工报告T J1.6工程竣工报告T J1。
7图纸会审、设计变更、洽商记录汇总表T J2.1注:图纸会审、设计变更、洽谈商记录附后。
图纸会审、设计变更、洽商记录T J2.。
1.1设计交底记录T J2。
.1.2工程定位测量、放线验收记录T J2。
.2钢材合格证和复试报告汇总表T J2。
.3.1技术负责人:质量检查员:水泥出厂合格证、复试报告汇总表T J2。
.3。
2技术负责人:质量检查员:砖(砌块)检验报告汇总表T J2。
3.3技术负责人:质量检查员:混凝土外加剂(及其它材料)产品合格证、出厂检验报告和进场复验报告汇总表T J2..3.4技术负责人:质量检查员:防水和保温材料合格证、复试报告汇总表T J2。
3.5技术负责人:质量检查员:(其它)建筑材料合格证、复试报告汇总表T J2。
3。
6技术负责人:质量检查员:混凝土试块试压报告汇总表T J2..4.1技术负责人:质量检查员:注:1、F eu,I——第I组混凝土抗压强度代表值。
2、不同验收批的混凝土、标准养护和与结构实体同条件养护的混凝土应分别汇总评定。
试验报告分别附本汇总表后。
混凝土强度评定T J2。
4.2技术负责人: 质量检查员:年月日结构实体混凝土强度评定T J2。
.4。
3技术负责人: 质量检查员:年月日注:同条件养护试件强度按GBJ107的规定确定后,宜取1。
10的折算系数。
砂浆强度汇总评定表T J2。
.4。
4钢筋连接试验报告、焊条(剂)合格证汇总表T J2.。
4.5技术负责人:质量检查员:土壤试验记录汇总表T J2..4.6隐蔽工程验收记录统表第页共页注:如需绘制图纸的附本记录后。