配筋砌体检验批质量验收记录(实用-)
- 格式:xlsx
- 大小:16.58 KB
- 文档页数:1
配筋砌体工程检验批质量验收记录工程名称:配筋砌体工程
工程地点:XX市XX区XX路XX号
施工单位:XX建设有限公司
检验日期:20XX年XX月XX日
检验人员: XXX
检验内容:
1. 砌块质量:对砌块进行了外观检查,符合以下要求:
a) 块体光滑,表面无裂纹,无明显的气孔
b) 重量一致,体积均匀
c) 砖型大小一致,铺垫平整,水平垂直度达到了设计要求
2. 水泥质量:对水泥进行了外观检查,符合以下要求:
a) 水泥颜色均匀,无明显的色差
b) 混凝土强度符合设计要求
c) 水泥的掺合物成分达标,符合国家标准
3. 钢筋质量:对钢筋进行了外观检查和拉力试验,符合以下要求:
a) 钢筋光滑,无明显的麻点、锈迹和变形
b) 拉力达到设计要求,能够满足施工需要
4. 砌体质量:对砌体进行了强度试验和外观检查,符合以下要求:
a) 砌体强度达到设计要求,能够满足使用要求
b) 砌体墙面平整,无明显的掉块、脱落和开裂
检验结论:配筋砌体工程通过质量验收,符合设计要求。
检验人员签字:XXX。
配筋砌体工程检验批质量验收记录为了保障配筋砌体工程的施工质量,确保建筑物的安全性与稳定性,配筋砌体工程检验批质量验收记录是必不可少的一项工作。
本文将对配筋砌体工程检验批质量验收记录进行讲述,包括其目的、流程、注意事项等。
一、目的配筋砌体工程检验批质量验收记录的目的是记录施工过程中出现的各种问题,优化施工质量,及时发现并解决可能存在的安全隐患,确保配筋砌体工程的施工质量和安全。
二、流程1. 检验前准备检验前需准备相关的文件资料和检测仪器,明确检验内容、检验标准和要求等,同时要做好检验人员的安排工作,明确各人负责的具体任务。
2. 基础检查在配筋砌体工程施工前,需对基础进行检验,包括否定基础有密度不足的情况,基础平整度是否符合要求等。
3. 砖墙检验在砖墙砌筑过程中,需对砖墙进行检测,包括墙体水平度、垂直度,尺寸、厚度等的检查。
4. 梁柱检验在进行梁柱砌筑前,需要对梁柱的加固措施以及基层水平度进行检查,确保基层的水平度与平整度符合设计要求。
5. 点验钢筋在进行钢筋砌筑过程中,需要进行钢筋的点验。
包括钢筋直径、数量、弯曲程度等的检测,确保每根钢筋的规格与数量都符合设计要求。
6. 技术文件核对在完成配筋砌体工程后,需要对各项技术文件进行核对,包括工程执行计划、施工图纸、变更单等文件资料的核查和整理。
三、注意事项1. 严格按照设计要求和施工流程进行施工,并及时对出现的问题进行处理和整改。
2. 各项检验要求必须详细记录,包括每次检验的时间、人员、结果等。
3. 检验过程中要对相关资料进行完整保管,避免丢失和变更。
4. 在施工完毕后,对各项数据进行汇总对比,做出综合评价,并根据评价结果给予奖励或者处罚。
以上是对配筋砌体工程检验批质量验收记录的讲述,可以看出,配筋砌体工程检验批质量验收记录对整个工程的施工质量和安全至关重要。
只有在记录表上如实记录并跟踪整改问题,才能保证建筑物的结构安全。
因此,建筑企业在实施配筋砌体工程项目时,必须高度重视检验批质量验收记录工作。
砌体检验批质量验收记录项目名称:XXXX项目地点:XXXX施工单位:XXXX监理单位:XXXX施工日期:XXXX一、验收目的本次质量验收的目的是确认砌体施工质量是否符合相关规范和要求,保证工程质量达到设计要求。
二、验收内容1.按照设计要求,逐层检查墙体的垂直度、表面平整度和墙体尺寸等是否符合要求。
2.检查砌体砂浆的配比是否合理,并检验其黏结强度。
3.检查墙体的砌筑工艺是否正确,包括墙头墙底处理、砌筑缝宽、垂直度、水平度、砌筑批次等。
4.检查墙体的纵、横向接缝是否牢固且完整。
5.检查墙体阴阳角、转角处理是否规范。
三、验收人员1.施工负责人2.监理工程师3.总包项目经理4.设计单位代表5.产权代表四、验收程序1.监理工程师提供砌体施工图纸、规范等相关文件。
2.施工负责人介绍施工工艺和砌筑情况。
3.按照设计要求,逐层检查墙体垂直度、表面平整度和墙体尺寸等,并记录在验收记录表中。
4.对砌体砂浆进行抽样检验,测试其黏结强度。
5.检查墙体砌筑工艺是否正确,并记录在验收记录表中。
6.检查墙体纵、横向接缝是否牢固且完整,并记录在验收记录表中。
7.检查墙体阴阳角、转角处理是否规范,并记录在验收记录表中。
8.验收人员对验收结果进行讨论,达成一致意见。
9.总包项目经理和监理工程师签署验收意见,并提出合理建议。
五、验收结果经过详细的检查和讨论,本次砌体检验批质量验收结果如下:1.墙体垂直度、表面平整度和墙体尺寸均符合设计要求。
2.砌体砂浆配比合理,黏结强度符合要求。
3.墙体砌筑工艺正确,墙头墙底处理、砌筑缝宽、垂直度、水平度、砌筑批次等达到要求。
4.墙体纵、横向接缝牢固且完整。
5.墙体阴阳角、转角处理规范。
六、建议事项根据本次验收情况,提出以下建议事项:1.后续施工过程中,继续严格按照设计要求和规范进行砌体施工,保证墙体质量。
2.墙体砌筑工艺中,注意砌筑批次的控制,确保墙体的整体性。
七、验收结论经过全面的砌体质量验收,本次验收结果为合格。
配筋砌体工程检验批质量验收记录摘要:本文档记录了配筋砌体工程的检验批质量验收过程和结果。
通过详细记录每个环节的验收内容、验收标准、验收方法以及验收结果,有助于确保配筋砌体工程的质量符合相应的规范要求。
一、项目概述配筋砌体工程是建筑工程中非常重要的一环。
配筋砌体结构的质量直接关系到建筑物的安全性和使用寿命。
因此,在进行验收过程中,需要严格按照相关规范和标准进行操作,确保工程质量合格。
二、检验批验收内容本次配筋砌体工程检验批质量验收主要包括以下内容:1. 配筋材料的验收:验收包括钢筋、网片等配筋材料的规格、质量、数量等方面。
2. 配筋形状及位置的验收:验收包括配筋的形状是否符合图纸要求,配筋的位置是否准确等方面。
3. 配筋固定连接的验收:验收包括配筋与砌体的固定连接方式、连接点的数量和质量等方面。
4. 配筋砌体砌筑的验收:验收包括砌体的垂直偏差、水平偏差、砌体间缝隙、砂浆质量等方面。
5. 配筋砌体墙体的验收:验收包括墙体的垂直度、表面平整度、结构刚度等方面。
三、验收标准为了确保配筋砌体工程质量达到规范要求,我们将按照以下标准进行验收:1. 配筋材料的验收应符合国家标准或设计图纸要求。
2. 配筋形状及位置的验收应符合设计图纸要求。
3. 配筋固定连接的验收应符合国家标准或设计图纸要求。
4. 配筋砌体砌筑的验收应符合国家标准或设计图纸要求。
5. 配筋砌体墙体的验收应符合国家标准或设计图纸要求。
四、验收方法为了准确评估配筋砌体工程的质量,我们将采用以下方法进行验收:1. 视觉检查:通过目测配筋和砌体的形状、位置、垂直度、表面平整度等。
2. 测量检查:使用测量工具(如水平仪、卷尺等)测量配筋和砌体的尺寸、间隙、偏差等。
3. 抽样检测:抽取一定数量的配筋和砌体进行物理性能测试,以评估其质量。
五、验收结果根据以上的验收方法和标准,配筋砌体工程的质量验收结果如下:1. 配筋材料的验收合格,规格、质量、数量符合要求。
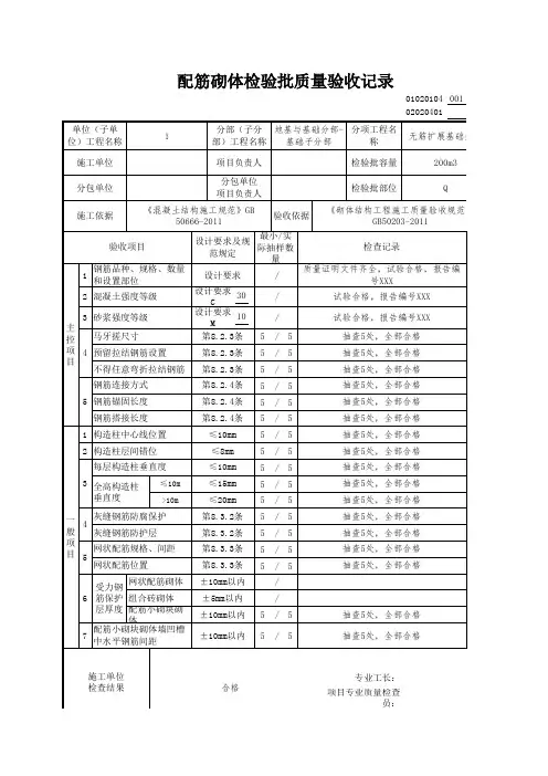
配筋砌体工程检验批质量验收记录(GB50203-2002)表8.0编号:010703/020305□□□010703/020305□□□说明强制性条文4.0.1 水泥进场使用前,应分批对其强度、安定性进行复验。
检验批应以同一生产厂家、同一编号为一批。
当在使用中对水泥质量有怀疑或水泥出厂超过三个月(快硬硅酸盐水泥超过一个月)时,应复查试验,并按其结果使用。
不同品种的水泥,不得混合使用。
4.0.8 凡在砂浆中掺入有机塑化剂、早强剂、缓凝剂、防冻剂等,应经检验和试配符合要求后,方可使用。
有机塑化剂应有砌体强度的型式检验报告。
主控项目8.2.1 钢筋的品种、规格和数量应符合设计要求。
检验方法:检查钢筋的合格证书、钢筋性能试验报告、隐蔽工程记录。
8.2.2 构造柱、芯柱、组合砌体构件、配筋砌体剪力墙构件的混凝土或砂浆的强度等级应符合设计要求。
抽检数量:各类构件每一检验批砌体至少应做一组试块。
检验方法:检查混凝土或砂浆试块试验报告。
8.2.3 构造柱与墙体的连接处应砌成马牙槎,马牙槎应先退后进,预留的拉结钢筋应位置正确,施工中不得任意弯折。
抽检数量:每检验批抽20%构造柱,且不少于3处。
检验方法:观察检查。
合格标准:钢筋竖向移位不应超过100mm,每一马牙槎沿高度方向尺寸不应超过300mm。
钢筋竖向位移和马牙槎尺寸偏差每一构造柱不应超过2处。
8.2.4构造柱位置及垂直度的允许偏差应符合表8.2.4的规定。
抽检数量:每检验批抽10%,且不应少于5处。
8.2.5对配筋混凝土小型空心砌块砌体,芯柱混凝土应在装配式楼盖处贯通,不得削弱芯柱截面尺寸。
抽检数量:每检验批抽10%,且不应少于5处。
检验方法:观察检查。
一般项目8.3.1设置在砌体水平灰缝内的钢筋,应居中置于灰缝中。
水平灰缝厚度应大于钢筋直径4mm以上。
砌体外露面砂浆保护层的厚度不应小于15mm。
抽检数量:每检验批抽检3个构件,每个构件检查3处。
检验方法:观察检查,辅以钢尺检测。
配筋砌体工程检验批质量验收记录
为了确保配筋砌体工程的质量,我们在工程施工过程中进行了多次的检验和验收。
以下是本次配筋砌体工程检验批的质量验收记录。
1. 检验批名称:配筋砌体工程
2. 检验批编号:20191001
3. 检验日期:2019年10月1日
4. 检验人员:张三、李四、王五
5. 检验内容:
(1)砖块的质量:检查了砖块的尺寸、表面平整度、砖体强度等指标,符合设计要求。
(2)砂浆的质量:检查了砂浆的配合比、拌合时间、拌合均匀度等指标,符合设计要求。
(3)钢筋的质量:检查了钢筋的直径、长度、弯曲度、表面质量等指标,符合设计要求。
(4)砌体的质量:检查了砌体的垂直度、水平度、墙体厚度、砌缝宽度等指标,符合设计要求。
6. 验收结果:
本次配筋砌体工程检验批的质量验收结果为合格。
经过检验和验收,我们认为该工程的质量符合设计要求,可以进入下一步施工。
7. 处理措施:
在检验和验收过程中,我们发现了一些小问题,如砌缝宽度不够均匀、砂浆拌合不够均匀等。
我们及时采取了相应的处理措施,如重新调整砂浆的配合比、重新砌缝等,确保了工程的质量。
8. 总结:
本次配筋砌体工程检验批的质量验收工作,充分体现了我们对工程质量的重视和严谨的态度。
通过检验和验收,我们发现了一些问题,并及时采取了相应的处理措施,确保了工程的质量。
我们将继续保持高度的工作热情和严谨的工作态度,为工程的顺利进行提供有力的保障。
砌体工程检验批质量验收记录日期:XXXX年XX月XX日项目名称:XXX工程总承包单位:XXX公司监理单位:XXX公司施工单位:XXX公司一、项目基本情况1.1项目名称:XXX工程1.2施工地点:XXX1.3检验批次号:XXX1.4施工单位:XXX公司1.5监理单位:XXX公司1.6总承包单位:XXX公司二、验收依据2.1相关合同及技术规范标准;2.2砌体工程施工方案;2.3工程施工图纸;2.4监理单位及施工单位共同确认的验收标准。
三、现场施工情况3.1砌体材料:XXX3.2砌筑部位:XXX3.3施工工艺:XXX3.4施工质量要求:XXX四、质量验收项目及结果4.1砌体墙面平整度:根据相关规范及图纸要求,对砌体墙面进行测量。
经测量,砌体墙面平整度符合要求。
4.2砌体墙面垂直度:根据相关规范及图纸要求,对砌体墙面进行测量。
经测量,砌体墙面垂直度符合要求。
4.3砌体墙面水平度:根据相关规范及图纸要求,对砌体墙面进行测量。
经测量,砌体墙面水平度符合要求。
4.4砌体墙体强度:采用非破坏性检测方法对砌体墙体进行强度测试。
测试结果显示砌体墙体强度符合设计要求,达到标准值。
4.5砌体墙缝:检查砌体墙体缝隙,要求缝隙宽度均匀、不超过规范要求。
经检查,砌体墙缝符合要求。
五、质量验收结果5.1砌体工程的质量验收结果为合格。
5.2检验批次内砌体工程的施工质量符合设计要求和相关规范标准。
5.3经与监理单位确认,施工单位对砌体工程的施工质量进行了整改,缺陷得到了修复,并提交了相应的修复记录和材料。
六、质量验收结论6.1经过质量验收,砌体工程的质量达到了设计要求和相关规范标准。
6.2检验批次内砌体工程的施工质量合格。
6.3施工单位对砌体工程中的不合格问题进行了整改,施工质量得到了有效提升。
6.4该砌体工程的质量验收得到了监理单位的确认。
七、质量验收意见7.1对施工单位提出了合理的整改要求,并要求施工单位加强对施工工艺和施工质量的管理。