环网柜技术规格书-样本.docx
- 格式:docx
- 大小:34.21 KB
- 文档页数:9
10kV临时过渡工程箱式开闭所,AC10kV,SF6绝缘,电动,有自动化接口,不锈钢外壳技术规范书(专用)2019年6月批准:审核:校核:编写:会签:第1部分:通用技术规范1范围本部分规定了12kV空气绝缘、SF6绝缘环网箱(内设SF6绝缘环网箱的12kV箱式开闭所)招标的总则、技术参数和性能要求、试验、包装、运输、交货及工厂检验和监造的一般要求。
本部分适用于12kV空气绝缘、SF6绝缘环网箱(内设SF6绝缘环网箱的12kV箱式开闭所)招标。
2规范性引用文件下列文件对于本文件的应用是必不可少的。
凡是注日期的引用文件,仅注日期的版本适用于本文件。
凡是不注日期的引用文件,其最新版本适用于本文件。
GB/T 191 包装储运图示标志(ISO 780-1997,MOD )GB 1094.11 电力变压器第11部分干式变压器(IEC 726-82,EQV)GB 1207 电磁式电压互感器(IEC 60044-2: 2003, MOD )GB 1208 电流互感器(IEC 60044-1.2001. MOD)GB 1984 高压交流断路器(IEC 62271-100: 2001, MOD)GB 1985 高压交流隔离开关和接地开关(IEC 62271-102: 2002, MOD)GB/T 11022 高压开关设备和控制设备标准的共用技术要求GB 3804 3.6kV~40.5kV 高压交流负荷开关(IEC 60265-1-1998 ,MOD)GB 3906 3.6kV~40.5kV 交流金属封闭开关设备和控制设备(IEC 62271-200-2003,MOD )GB 4208 外壳防护等级(IP代码)(IEC 60529-2001,IDT)GB/T 5465.2 电气设备用图形符号第2部分:图形符号(IDT IEC 60417 DB:2007)GB/T 7354 局部放电测量(IEC 60270-2000,IDT)GB/T 10228 干式电力变压器技术参数和要求GB/T 11022 高压开关设备和控制设备标准的共用技术要求GB 11032 交流无间隙金属氧化物避雷器(IEC 60099-4-2006,MOD)GB/T 12022 工业六氟化硫(IEC 376,376A,376B.MOD)GB/T 12706.4 挤包绝缘电力电缆及附件试验要求(IEC 60502-4-2005,MOD)GB 15166.2 交流高压熔断器:限流式熔断器(IEC 60282-1-2005 ,MOD)GB 16926 高压交流负荷开关熔断器组合电器(IEC 6227-105-2002 ,MOD)GB 50150 电气装置安装工程电气设备交接试验标准DL/T 402 高压交流断路器订货技术条件(IEC 62271-100-2001,MOD)DL/T 403 12-40.5kV高压真空断路器订货技术条件DL/T 404 3.6kV~40.5kV交流金属封闭开关设备和控制设备(IEC 62271一200-2003,MOD)DL/T 486 高压交流隔离开关和接地开关(IEC 62271-102-2002,MOD)DL 538 高压带电显示装置(IEC 61958- 2000-11,MOD )DL/T 593 高压开关设备和控制设备标准的共用技术要求(IEC 60694-2002,MOD)DL/T 621 交流电气装置的接地DL/T 728 气体绝缘金属封闭开关设备订货技术导则(IEC 815-1986,IEC 859-1986) DL/T 791 户内交流充气式开关柜选用导则DL/T 637 阀控式密封铅酸蓄电池订货条件DL/T 459 电力系统直流电源柜订货技术条件DL/T 781 电力用高频开关模块JB/T 8144.1 额定电压26/35kV及以下电力电缆附件基本技术要求SD 318 高压开关柜闭锁装置技术条件Q/GDW 741 配电网技术改造设备选型和配置原则Q/GDW 742 配电网施工检修工艺规范国家电网公司十八项电网重大反事故措施(修订版)国家电网公司交流高压断路器技术标准、交流隔离开关和接地开关技术标准国家电网公司关于印发《预防12kV~40.5kV交流高压开关柜事故补充措施》的通知国家电网公司关于印发《预防交流高压开关柜人身伤害事故措施》的通知国家电网公司物资采购标准高海拔外绝缘配置技术规范电力设备(交流部分)监造大纲电网设备及材料质量管控重点措施3术语和定义GB/T 19519界定的以及下列术语和定义适用于本部分。
中铁城建集团第二工程有限公司物资集中采购招标文件技术规格书1.招标物资名称及技术要求高压环网柜断路器技术条件型式:一体化真空断路器、三相、单断口。
配弹簧操作机构。
1.1额定参数额定电压(即最高电压):12kV额定电流:进线及分断:630A;额定短路开断电流:进线及分断:25kA;额定短路关合电流:63kA(峰值);额定短时耐受电流:进线及分断:25kA(4S)额定峰值耐受电流:63kA;额定绝缘水平:雷电冲击耐压:75kV工频耐压(1min):42kV;卖方应提供开断小电感电流时的截流值、过电压值1.2时间参量:分闸时间:60ms;合闸时间:100ms;1.3开断与关合工况额定操作顺序:O-0.3S-CO-180S-CO;首相开断系数:1.5;失步开断电流:进线及分段:25%×25kA;失步开断恢复电压:2.5×12√3kV额定电流开断次数:20000额定容量短路开断电流次数:100连续机械操作次数:200001.4真空灭弧室中铁城建集团第二工程有限公司物资集中采购招标文件允许储存期:20年允许储存期内真空度:不低于6.6×10-2Pa出厂时真空度:不得大于1.32×10-5Pa动、静触头允许磨损厚度:2.5mm1.5操动机构断路器应采用由电动机储能的弹簧操动机构,电源采用交直流两用220。
失去电源时,可以手动储能。
应提供机械手动合分闸装置,以便在失去控制电源时操作断路器。
该手动装置应有防误动措施。
所有控制设备,包括合分闸线圈,应采用正常工作电压为220的直流系统。
其操作电压范围:合闸线圈80%~110%分闸线圈65%~110%跳闸线圈不应动作的电压≤30%断路器应安装能显示断路器操作次数的计数器。
该计数器与操作回路应无电气联系,且不影响断路器的合分闸操作。
操动机构应有防跳跃装置。
2.投标人应提供的技术资料合格证、产品质量检验证书。
3.合同交货计划合同交货期参考《物资需求一览表》,详细交货计划和具体供货时间由买方签约时提供。
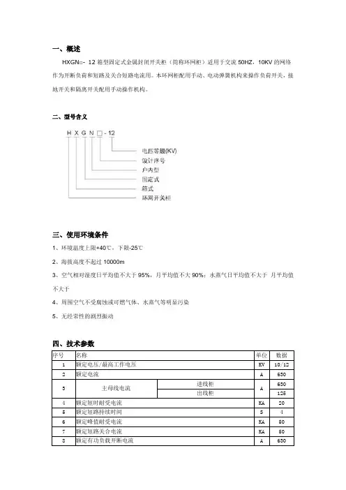
一、概述HXGN□- 12箱型固定式金属封闭开关柜(简称环网柜)适用于交流50HZ,10KV的网络作为开断负荷和短路及关合短路电流用。
本环网柜配用手动、电动弹簧机构来操作负荷开关,接地开关和隔离开关配用手动操作机构。
二、型号含义三、使用环境条件1、环境温度上限+40℃,下限-25℃2、海拔高度不起过10000m3、空气相对湿度日平均值不大于95%,月平均值不大90%;水蒸气日平均值不大于月平均值不大于4、周围空气不受腐蚀或可燃气体、水蒸气等明显污染5、无经常性的剧烈振动四、技术参数序号名称单位数据1额定电压/最高工作电压KV10/12 2额定电流A6303主母线电流进线柜A630出线柜1254额定短时耐受电流KA20 5额定短路持续时间S4 6额定峰值耐受电流KA50 7额定短路关合电流KA50 8额定有功负载开断电流A630五、技术要求装有ZFN-10/630型真空负荷开关的环网柜应能满足ZFN-10/630型真空负荷开关的所有相应的技术要求。
六、结构和工作原理本环网柜是以空气为绝缘介质的,主要配装ZFN-10/630型真空负荷开关,主要方案有进线柜和出线柜等。
1、进线柜方案柜内主回路有一台ZFN-10/630型真空负荷开关,它配装有隔离刀,酌情还配装接地刀所组成,三者共装在一个机架上,并互有联锁。
因此可实现接通母线、隔离、接地三个工位的操作,柜内还可灵活配装CT、PT等元件。
2、出线柜方案柜内主回路有一台ZFN-10/630型真空负荷开关和带撞击器的熔断器(有隔离开关的作用)及接地刀所组成,也可实现三工位操作。
柜内还可灵活配装CT/PT和ZNO避雷器等元件,因此有时可省去计量柜。
进、出线柜均配有与接地开关联锁的绝缘防护隔板,柜内各开关与隔板及柜门间采用机械联锁,并达到“五防”要求,柜体外壳防护等级为IP2X。
七、吊运、安装、调试和熔断器的更换1、吊运吊运前按规定进行开箱前的检查。
柜体吊运时按作业标记要求,小心轻放,防震等。
环网柜技术规范书二〇一二年二月十三日1 总则1.1 本设备技术规范书仅限于户外10kV户外共箱式交流高压环网柜。
它提出了该设备的功能设计、结构、性能、安装和试验等方面的技术要求。
1.2 本设备技术规范书提出的是最低限度的技术要求,并未对一切技术细节作出规定,也未充分引述有关标准和规范的条文,卖方应提供符合或优于本规范书和工业标准的优质产品。
1.3 本设备技术规范书所使用的标准如遇与卖方所执行的标准不一致时,按较高标准执行。
1.4 本设备技术规范书经买、卖双方确认后作为订货合同的技术附件,与合同正文具有同等的法律效力。
1.5 本设备技术规范书未尽事宜,由买卖双方协商确定。
1.6 买方所指定产品厂家的元器件质量由卖方负责。
2 引用标准户外环网柜各项技术指标应完全满足或更优于下列有关标准:2.1 符合国际电工委员会IEC694、298、420、265、129、56、529标准。
2.2 符合有关国家标准。
GBll022-89 《高压开关设备通用技术条件》GB1984-2003 《交流高压断路器》GB/T16927.1-1997《高电压试验技术》GB3906-1991 《3-35KV金属封闭开关设备》GB763-1990 《交流高压电器在长期工作时的发热》DL/T402-1999 《交流高压断路器订货技术条件》DL/T593-1996 《高压开关设备的共用订货技术导则》GB1208-1997 《电流互感器》GB1207-1997 《电压互感器》GB4208-1993 《外壳防护等级》GB311.1-1997 《高压输变电设备的绝缘配合》GB11033.1-89 《额定电压26/35KV及以下电力电缆附件基本技术要求》GB3804-90 《3-63kV交流高压负荷开关》DL/T403-2000 《12KV~40.5KV高压真空断路器订货技术条件》DL/T404-1997 《户内交流高压开关柜订货技术条件》柜内所配全部设备及连接方式均应满足国标或者电力工业标准。
一总则1 引言1.1 供方提供设备的技术规范和服务的内容应符合本技术规范书的要求。
1.2供方所提供的户外环网柜必须有在电力系统中至少二年的成功运行经验;应有本产品的两部鉴定证书及进网许可证。
1.3 本环网柜设备项目的业主(需方)为:路桥大会战指挥部。
1.4 设计单位为:巢湖鼎力电力工程设计有限公司2 供方职责2.1 提供合同内所有设备的设计说明书及制造方面的说明。
2.2 所提供的设备应发运到合同规定的目的地。
2.3 应按合同上的交货期交货,未经需方许可,不得更改交货时间。
3 标准供方在产品的设计、制造、调试和试验过程中应符合现行的国家标准、电力行业标准和IEC有关标准的要求。
4 技术资料及图纸4.1 在合同签字后,供方应在7天内提供设计、施工用的图纸、资料及可供拷贝的CAD光盘,否则按合同价的10%扣除货款。
供设计、施工用的图纸资料如下:1)环网柜外型图2)环网柜运输图3)环网柜基础图4)环网柜控制接线原理图、接线图4.2 供方应随供货向需方提供有关的图纸、技术资料及产品说明书4份。
4.3 供方应随供货向需方提供装置投产前试验说明和技术要求。
5 验收及服务5.1 环网柜在整体组装、出厂试验及交付使用时,供方应提前15天通知需方派员到厂监制,供方提供资料、技术、工作等环节上的方便。
5.2产品到达安装现场后,需方通知供方派员到现场共同开箱验收。
5.3供方应参加现场调试并免费培训需方技术人员。
6 本设备技术规范书提出的是最低限度的技术要求,并未对一切技术细节作出规定,也未充分引述有关标准和规范的条文,供方应提供符合本规范书和工业标准的优质产品。
7 如果供方没有以书面形式对本规范书的条文提出异议,则意味着供方提供的设备完全符合本规范书的要求。
如有异议,不管是多么微小,都应在报价书中以“对规范书的意见和规范书的差异”为标题的专门章节中加以详细描述。
8本设备技术规范书所使用的标准与供方所执行的标准不一致时,按较高标准执行。
10KV空气绝缘环网柜技术规范书2019年11月目录1 范围----------------------------------------------------------------- 32 规范性引用文件------------------------------------------------------- 33 使用环境条件--------------------------------------------------------- 44 技术参数及要求------------------------------------------------------- 45 试验标准及要求------------------------------------------------------ 106 厂家应提供的资料 ---------------------------------------------------- 117 质量保证------------------------------------------------------------ 111 范围本技术规范规定了10kV空气绝缘绝缘环网柜的使用条件、主要技术参数、功能设计、结构、性能、安装和试验等方面的技术要求。
本技术规范适用于重庆供电公司开县地区配电项目所需的10kV空气绝缘绝缘环网柜。
本技术规范提出的是最低限度的技术要求,并未对一切技术细节作出规定,也未充分引述有关标准和规范的条文,设备生产厂家应提供符合本技术规范、国家标准、电力行业标准以及国际标准的优质产品。
本技术规范所使用的标准如遇与设备生产厂家所执行的标准不一致时,按较高标准执行。
2 规范性引用文件供货方应使用最新颁布执行的国家标准、行业标准和IEC标准,在用户方同意时可以使用其他性能更高的标准。
行业标准中已对产品质量分等作出规定的条款,供货方所提供的产品性能应达到优等品的标准。
8HXG -12咼压环网柜
一、概述:
HXG M-12ZF (R)箱型固定式金属封闭开关设备(简称环网柜)适用于交流50Hz、10K V的网络中,作为开断负荷电流和短路电流及关合短路电流之用。
本环网柜配用手、电动弹簧机构来操作负荷开关,接地刀和隔离刀配用手动操作机构。
二、正常使用条件
1、环境温度上限+40C 下限-25C
2、海拔高度不超过
1000 米
3、湿度
相对湿度:日平均值不大于95%月平均值不大于90%
水蒸气压:日平均值不大于 2.2*10MPa;月平均值不大于1.8*10 MPa
4、围空气不受腐蚀或可燃气体、水蒸气等明显污染
5、经常性的剧烈振动
三、技术参数
真空开关机械特性
真空环网柜结构图。
10kV 二进四出户外环网柜技术协议书第1部分:环网柜通用技术1.通用技术:1.1环网柜的设计保证设备运维、检修试验、带电状态的确定、连接电缆的故障定位等操作能安全进行。
1.2环网柜的设计能在允许的基础误差和热胀冷缩的热效应下不致影响设备所保证的性能,并满足与其他设备连接的要求,与结构相同的可移开部件和元件在机械和电气上有互换性。
1.3环网柜配置带电显示器,满足验电、核相的要求。
高压带电显示装置的显示器接线端子对地和端子之间应能承受2000V/1min的工频耐压。
传感器电压抽取端及引线对地应能承受2000V/1min的工频耐压。
感应式带电显示装置,其传感器与带电部位保持125mm以上空气净距要求。
1.4对最小空气间隙的要求:a)单纯以空气作为绝缘介质的环网柜,相间和相对地的最小空气间隙满足:12kV相间和相对地125mm,带电体至门155mm。
b)以空气和绝缘隔板组成的复合绝缘作为绝缘介质的环网柜,绝缘隔板选用耐电弧、耐高温、阻燃、低毒、不吸潮且具有优良机械强度和电气绝缘性能的材料。
带电体与绝缘板之间的最小空气间隙满足:对12kV设备不小于30mm。
1.5环网柜设备设置有泄压通道。
1.6环网柜的柜体采用≥2mm的敷铝锌钢板或冷轧钢板弯折后拼(焊)接而成,柜门关闭时防护等级不低于GB 4208中IP4X,柜门打开时防护等级不低于IP2XC。
2.充气柜技术参数符合DL/T 728、DL/T791的规定,并满足以下条件:2.1 SF6气体应符合GB/T 12022的规定。
2.2气箱箱体采用厚度≥3.0mm的S304不锈钢板折弯后焊接而成,气箱防护等级满足GB 4208规定的IP67要求。
SF6气体作为灭弧介质的气箱能耐受正常工作和瞬态故障的压力,不破损。
3.功能隔室技术要求3.1 环网柜具有高压室和电缆室、控制仪表室与自动化单元等金属封闭的独立隔室。
3.2各隔室结构设计上满足正常使用条件和限制隔室部电弧影响的要求,并能防止因本身缺陷、异常使用条件或误操作导致的电弧伤及工作人员,能限制电弧的燃烧围,环网柜设有防止人为造成部故障的措施。
1. 技术规范1.总则1.1 技术规范文件适用于10kV SF6环网柜的设备订货招标。
1.2 本技术文件提出的是最低限度的技术要求,并未对一切技术细节作出规定,也未充分引述有关标准和规范的条文,供方应提供符合本文件和现在最新的国家标准的优质产品。
1.3 本技术文件所使用的标准及规定的条款如遇与投标方所执行的标准不一致时,按较高标准执行。
1.4 在合同签定后,我方有权因规范、标准规范等发生变化而提出补充要求。
2.应遵循的标准按本招标书供货的设备,包括供货方由其它厂家外购的设备和附件都应符合下列标准的最新版本。
2.1 GB4208-84(IEC529~76)《外壳防护等级的分类》2.2 GB3906-92 《3-35kV交流金属封闭开关设备》2.3 IEC-298 《交流金属封闭开关设备和控制设备》2.4 IEC-420(1990)《高压交流负荷开关—熔断器组合电器》2.5GB-3804-90《3-63kV交流高压负荷开关》和GB1985-89国家标准2.6GB11023-89《高压开关设备六氟化硫气体密封试验导则》2.7 GB3309-89《高压开关常温下的机械试验》2.8 GB2706-89《交流高压电器动稳定试验方法》2.9 GB311-83/683《高压试验方法》2.10 GB11033《额定电压26/35kV及以下电力电缆附件基本技术要求》2.11 IEC6052《额定电压6~35kV电缆附件试验报告》3.使用环境条件3.1 使用场所:户外3.2 环境温度:-40℃~40℃3.3最大日温差:25℃3.4 海拔高度:<1000m3.5 抗震能力:地震强度不超过8级3.6相对湿度:≤95%(日平均值)≤90%(月平均值)3.7安装地点无火灾、爆炸危险、化学腐蚀及剧烈振动4. 负荷开关主要技术参数4.1 母线额定电流:630Aﻩ4.2额定电压:12kV4.3额定频率:50Hz4.4额定电流:电源进(出)线单元:630A; 配电变压器出线单元:200A;4.5 热稳定电流(有效值):≥20kA,3S或25KA,1S;4.6 动稳定短路关合电流(峰值):≥50kA或63KA;4.7一分钟工频耐压(有效值):42kV(相间、对地);48kV(断口间)4.8 冲击耐压(峰值):95kV(相间、对地);110kV(断口间)4.9切空载变压器开断能力:≥16A4.10 切电缆充电电流能力:≥31.5A4.11额定负荷电流开断次数200次4.12 机械寿命:≥2000次4.13 额定转移开断电流:1750A4.14外绝缘污秽等级:IV4.15 20摄氏度时SF6相对压力<=0.2BAR4.16 防内燃弧耐受电流:20KA/1S5. 断路器主要技术参数5.1 母线额定电流:630Aﻩ5.2 额定电压:12kV5.3额定频率:50Hz5.4 额定电流:电源进(出)线单元:630A; 配电变压器出线单元:200A;5.5 热稳定电流(有效值):≥20kA,3S或25KA,1S;5.6 断路器短路开断电流:20kA或25KA;5.7动稳定短路关合电流(峰值):≥50kA或63KA;5.8一分钟工频耐压(有效值):42kV(相间、对地);48kV(断口间)5.9 冲击耐压(峰值):95kV(相间、对地);110kV(断口间)5.10 机械寿命:≥2000次5.11 外绝缘污秽等级:IV5.12 20摄氏度时SF6相对压力<=0.2BAR5.13 防内燃弧耐受电流:20KA/1S6. 主要技术要求6.1 负荷开关柜和断路器柜绝缘及开关灭弧介质为SF6气体。
10kV SF6环网柜标准技术标书编号:0210503052201306广东电网公司2015年目录1总则 (2)2工作范围 (2)2.1 范围和界限 (2)2.2 服务范围 (2)3 应遵循的主要标准 (3)4 ★使用条件 (4)4.1正常使用条件 (4)4.2 特殊使用条件 (4)5 ★技术要求 (5)5.1 基本参数 (5)5.2 ★设计和结构要求 (7)5.3 专业接口要求 (11)6 ★试验 (19)7 产品对环境的影响 (20)8 企业VI标识 (20)9 技术文件要求 (20)10 监造、包装、运输、安装及质量保证 (21)10.1监造 (21)10.2包装 (22)10.3运输 (22)10.4安装指导 (22)10.5★质量保证 (22)11 ★设备技术参数和性能要求响应表 (23)12 备品备件及专用工具 (25)12.1必备的备品备件、专用工具和仪器仪表 (25)12.2 推荐的备品备件、专用工具和仪器仪表 (26)13 ★主要元器件来源 (26)14 LCC数据文件 (27)15 ★技术差异表 (27)16 投标方需说明的其他问题 (28)17 附表 (28)1总则1.1 本招标技术文件适用于广东电网公司电网建设工程项目采购的10kV SF6环网柜(用于户内),它提出了该设备本体及附属设备的功能设计、结构、性能、安装和试验等方面的技术要求。
1.2 本设备招标技术文件提出的是最低限度的技术要求。
凡本招标技术文件中未规定,但在相关设备的行业标准、国家标准或IEC标准中有规定的规范条文,投标方应按相应标准的条文进行设备设计、制造、试验和安装。
对国家有关安全、环保等强制性标准,必须满足其要求。
1.3 如果投标方没有以书面形式对本招标技术文件的条文提出异议,则意味着投标方提供的设备完全符合本招标技术文件的要求。
如有异议,不管是多么微小,都应在报价书中以“对招标技术文件的意见和同招标技术文件的差异”为标题的专门章节中加以详细描述。
SM6系列开关柜产品概述:SM6是可扩展模块组合式,金属密封开关柜系列产品。
适用于工矿企业二次变电站24KV 以下额定频率50HZ 的用户和配电站。
可选用开关装置包括:负荷开关,FluarcSF1 SFset 或Evolis 断路器,Rollarc400或400D 接触器,隔离开关。
本产品安全可靠应用组合方式多样满足客户不同的系统要求便于安装和操作故广泛应用中低压变电站,工矿配电站。
产品定义:S M6功能电气码额定电流额定电压短时耐受电流S M 6系列功能电气码:1:IM, IMC, IMB, IMP:负荷开关进线,出线或连接柜 2:QM, QMC:熔断器+负荷开关柜 3:CRM:带熔断器的接触器柜4:DM1-A, DM1-D, DM1-S:隔离开关+6FS 断路器柜 5:DMV:隔离开关+真空断路器柜 6:CM, CM2:电流互感器柜7:GBC-A, GBC-B:电流电压计量柜 8:NSM-C:双电源进线柜 9:GBM:母线升高柜10:GAM2:进线电缆连接柜 11:TM 站用变柜使用环境:A 环境温度:上限+40℃,下限-5℃B 海拔高度:不高于1000m, 如高于1000m 需降容使用。
C 日光直射:不允许日光直射D 环境污染:无严重的灰尘,烟雾,腐蚀物质污染和易燃气体,蒸汽或盐雾E 湿度:在24小时内的平均相对湿度不高于95%在1个月内的平均相对湿度不高于90%在24小时内的平均蒸汽压不超过2.2KPa在1个月内的平均蒸汽压不超过1.8KPa技术参数:执行标准:中国GB标准GB3906,GB/T 11022,GB 308中国DL标准DL/T404,DL/593国际标准IEC 62271-200,62271-1,62271-105,62271-100,62271-102,60255,60265 UTE标准NFC 13.100, 13.200,64.130,64.160EDF标准HN64-S-41,64-S-43。
1. 技术规范1.总则1.1 技术规范文件适用于10 6环网柜的设备订货招标。
1.2 本技术文件提出的是最低限度的技术要求,并未对一切技术细节作出规定,也未充分引述有关标准和规范的条文,供方应提供符合本文件和现在最新的国家标准的优质产品。
1.3 本技术文件所使用的标准及规定的条款如遇与投标方所执行的标准不一致时,按较高标准执行。
1.4 在合同签定后,我方有权因规范、标准规范等发生变化而提出补充要求。
2.应遵循的标准按本招标书供货的设备,包括供货方由其它厂家外购的设备和附件都应符合下列标准的最新版本。
2.1 4208-84(529~76)《外壳防护等级的分类》2.2 3906-92 《3-35交流金属封闭开关设备》2.3 298 《交流金属封闭开关设备和控制设备》2.4 420(1990)《高压交流负荷开关—熔断器组合电器》2.5 3804-90《3-63交流高压负荷开关》和1985-89国家标准2.6 11023-89《高压开关设备六氟化硫气体密封试验导则》2.7 3309-89《高压开关常温下的机械试验》2.8 2706-89《交流高压电器动稳定试验方法》2.9 311-83/683《高压试验方法》2.10 11033《额定电压26/35及以下电力电缆附件基本技术要求》2.11 6052《额定电压6~35电缆附件试验报告》3.使用环境条件3.1 使用场所:户外3.2 环境温度:-40℃~40℃3.3 最大日温差:25℃3.4 海拔高度:<1000m3.5 抗震能力:地震强度不超过8级3.6 相对湿度:≤95%(日平均值)≤90%(月平均值)3.7 安装地点无火灾、爆炸危险、化学腐蚀及剧烈振动4. 负荷开关主要技术参数4.1 母线额定电流:630A4.2 额定电压:124.3 额定频率:504.4 额定电流:电源进(出)线单元:630A;配电变压器出线单元:200A;4.5 热稳定电流(有效值):≥20,3S或25,1S;4.6 动稳定短路关合电流(峰值):≥50或63;4.7一分钟工频耐压(有效值):42(相间、对地);48(断口间)4.8 冲击耐压(峰值):95(相间、对地);110(断口间)4.9 切空载变压器开断能力:≥16A4.10 切电缆充电电流能力:≥31.5A4.11 额定负荷电流开断次数200次4.12 机械寿命:≥2000次4.13 额定转移开断电流:1750A4.14 外绝缘污秽等级:4.15 20摄氏度时6相对压力<=0.24.16 防内燃弧耐受电流:201S5. 断路器主要技术参数5.1 母线额定电流:630A5.2 额定电压:125.3 额定频率:505.4 额定电流:电源进(出)线单元:630A;配电变压器出线单元:200A;5.5 热稳定电流(有效值):≥20,3S或25,1S;5.6 断路器短路开断电流:20或25;5.7 动稳定短路关合电流(峰值):≥50或63;5.8一分钟工频耐压(有效值):42(相间、对地);48(断口间)5.9 冲击耐压(峰值):95(相间、对地);110(断口间)5.10 机械寿命:≥2000次5.11 外绝缘污秽等级:5.12 20摄氏度时6相对压力<=0.25.13 防内燃弧耐受电流:201S6. 主要技术要求6.1 负荷开关柜和断路器柜绝缘及开关灭弧介质为6气体。
1货物需求及供应范围一览表备注1、环网柜内母线及分支线全部使用铜排,加装绝缘相色套。
2、环网柜内相间及相对地空气距离不小于12.5cm。
3、环网柜底应设封板,待电缆敷设完毕后再行封堵。
封板开孔应能满足电缆直径及转弯半径要4、环网柜应具备完善的五防功能。
5、环网柜出线带电时,不允许合地刀。
6、单相电源变压器:DC-1, 10/0.1/0.22kV, 220V绕组容量1000VA。
7、具体配置详见配电站10kV主接线配置图投标人响应备注2总则2.1本设备技术协议书适用于10kV箱型(固定)交流封闭环网开关设备,它提出了环网柜的功能设计、性能、试验等方面的技术要求。
2.2本设备技术协议书提出的是最低限度的技术要求,并未对一切技术细节作出规定,也未充分引述有关标准和规范的条文,卖方应提供符合本协议书和工业标准的优质产品。
2.3如果卖方没有以书面形式对本协议书的条文提出异议,则意味着卖方提供的设备(或系统)符合本协议书的要求。
如有异议,不管是多么微小,都应在报价书中以“对协议书的意见和同协议书的差异” 为标题的专门章节中加以详细描述。
2.4本设备协议书所使用的标准如果与卖方所执行的标准不一致时,按较高标准执行。
2.5本设备技术协议书经买、卖双方确认后作为订货合同的技术附件,与合同正文具有同等法律效力。
2.6本设备协议书未尽事宜,由买卖双方协商确定。
2.7买方所指定产品厂家的元器件质量由卖方负责。
3技术要求1.1.1的设计制造和调试过程中应附合现行的国标电力行业标准,IEC有关标准的要求IEC298 《交流金属封闭开关设备》GB3906 《3—35kV交流金属封闭开关设备》GB11022 《高压开关设备通用技术条件》GB1984 《交流高压断路器》GB311 《高压输变电设备绝缘配合》GB763 《交流高压电器在长期工作时的发热》SD/T318 《高压开关柜闭锁装置技术条件》GB2706 《交流高压电器动热稳定试验方法》DL/T593 《高压开关设备的共用订货技术条件》GB3309 《高压开关设备常温下的机械试验》1.1.2环境条件3.2.1安装地点:户内3.2.2海拔:1000m以下3.2.3相对湿度:日平均相对湿度不大于95%月平均相对湿度不大于90% 3.2.4环境温度范围:上限+45℃下限-20℃3.2.5地震烈度不超过8度1.1.3设备技术要求3.41.1.4环网柜采用独立单元组合方式连接组成,便于单元的更换和增减。
10kV高压环网柜技术参数
10kV高压环网柜技术参数
10kV环网柜工作环境:
1、环境温度:较高温度:+40℃;较低温度:-15℃
2、环境湿度:日平均相对湿度:不大于95%;月平均相对湿度:不大于90%
3、海拔高度:不超过1000m
4、地震烈度不超过8度
10kv环网柜技术参数
额定电压12kV
额定电流630A
主母线额定电压42kV
雷电冲击耐受电压(峰值)75kV
额定频率50Hz
额定热稳定电流(2S)63kV
额定动稳定电流63kV
额定转移电流2300A
外壳防护等级IP4X
10kv环网柜典型方案
尺寸:高*宽*深(mm) 出线柜1600*5000*1000,计量柜1600*750*1000,进线柜1600*500*1000
主要设备有;负荷开关FLSN36-12D/630A
电流互感器0.2级、02S级;接地开关;带电显示装置DXN-T;高压熔断器XRNT;避雷器HY5WS-15/50。
.\XXXXXX建筑设计有限公司文件号:XXXXXXXX公司项目号: XXXXX设计证书编号:XXXXX综合楼XXXXXXXX共 9页阶段:施工图环网开关柜技术规格书0送审XXX XXX XXX XXX XXX2010.07.28版次说明编制校对审核审定项目日期负责人.\目录1、前言1.1 概述⋯⋯⋯⋯⋯⋯⋯⋯⋯⋯⋯⋯⋯⋯⋯⋯⋯⋯⋯⋯⋯⋯⋯⋯.⋯⋯⋯⋯ .11.2 要求⋯⋯⋯⋯⋯⋯⋯⋯⋯⋯⋯⋯⋯⋯⋯⋯⋯⋯⋯⋯⋯⋯⋯⋯.⋯⋯⋯⋯ .11.3 范和准⋯⋯⋯⋯⋯⋯⋯⋯⋯⋯⋯⋯⋯⋯⋯⋯⋯⋯⋯⋯⋯.⋯⋯⋯⋯ .11.4 先序⋯⋯⋯⋯⋯⋯⋯⋯⋯⋯⋯⋯⋯⋯⋯⋯⋯⋯⋯⋯⋯⋯.⋯⋯⋯⋯ .12、供方、方双方任⋯⋯⋯⋯⋯⋯⋯⋯⋯⋯⋯⋯⋯⋯⋯⋯⋯..⋯⋯⋯ (2)2.1 方任⋯⋯⋯⋯⋯⋯⋯⋯⋯⋯⋯⋯⋯⋯⋯⋯⋯⋯⋯⋯⋯⋯.⋯⋯⋯ .22.2 供方任⋯⋯⋯⋯⋯⋯⋯⋯⋯⋯⋯⋯⋯⋯⋯⋯⋯⋯⋯⋯⋯⋯..⋯⋯⋯ 22.3 量保⋯⋯⋯⋯⋯⋯⋯⋯⋯⋯⋯⋯⋯⋯⋯⋯⋯⋯⋯⋯.⋯⋯⋯ ..⋯⋯ (2)3、操作的境条件⋯⋯⋯⋯⋯⋯⋯⋯⋯⋯⋯⋯⋯⋯⋯⋯⋯⋯⋯⋯..⋯⋯ (3)3.1 安装位置⋯⋯⋯⋯⋯⋯⋯⋯⋯⋯⋯⋯⋯⋯⋯⋯⋯⋯⋯⋯⋯⋯⋯⋯..⋯⋯ 33.2 境条件⋯⋯⋯⋯⋯⋯⋯⋯⋯⋯⋯⋯⋯⋯⋯⋯⋯⋯⋯⋯⋯⋯⋯⋯..⋯⋯ 34、技要求⋯⋯⋯⋯⋯⋯⋯⋯⋯⋯⋯⋯⋯⋯⋯⋯⋯⋯⋯⋯⋯⋯⋯⋯⋯⋯ ...................................................................................................................... ⋯..34.1 开关柜型式⋯⋯⋯⋯⋯⋯⋯⋯⋯⋯⋯⋯⋯⋯⋯⋯⋯⋯⋯⋯⋯ ............................................................................................ ⋯.⋯.⋯.34.2 开关柜技参数⋯⋯⋯⋯⋯⋯⋯⋯⋯⋯⋯⋯⋯⋯⋯⋯⋯⋯⋯⋯⋯..⋯ (3)4.3 荷开关及断路器技参数⋯⋯⋯⋯⋯⋯⋯⋯⋯⋯⋯⋯⋯⋯⋯⋯..⋯ (3)4.4 柜体构⋯⋯⋯⋯⋯⋯⋯⋯⋯⋯⋯⋯⋯⋯⋯⋯⋯⋯⋯⋯⋯⋯⋯⋯..⋯ (4)5、供范⋯⋯⋯⋯⋯⋯⋯⋯⋯⋯⋯⋯⋯⋯⋯⋯⋯⋯⋯⋯⋯⋯⋯⋯⋯⋯.⋯⋯ 45.1 概述⋯⋯⋯⋯⋯⋯⋯⋯⋯⋯⋯⋯⋯⋯⋯⋯⋯⋯⋯⋯⋯⋯⋯⋯⋯⋯.⋯⋯ .45.2 范⋯⋯⋯⋯⋯⋯⋯⋯⋯⋯⋯⋯⋯⋯⋯⋯⋯⋯⋯⋯⋯⋯⋯⋯⋯⋯.⋯⋯ .55.3 及材料⋯⋯⋯⋯⋯⋯⋯⋯⋯⋯⋯⋯⋯⋯⋯⋯⋯⋯⋯⋯⋯⋯⋯.⋯⋯ .55.4 保⋯⋯⋯⋯⋯⋯⋯⋯⋯⋯⋯⋯⋯⋯⋯⋯⋯⋯⋯⋯⋯⋯⋯⋯⋯⋯.⋯⋯ .56、性能保⋯⋯⋯⋯⋯⋯⋯⋯⋯⋯⋯⋯⋯⋯⋯⋯⋯⋯⋯⋯⋯⋯⋯⋯⋯⋯.⋯ (5)7、、和⋯⋯⋯⋯⋯⋯⋯⋯⋯⋯⋯⋯⋯⋯⋯⋯⋯⋯⋯⋯⋯⋯.⋯⋯ 57.1 量准⋯⋯⋯⋯⋯⋯⋯⋯⋯⋯⋯⋯⋯⋯⋯⋯⋯⋯⋯⋯⋯⋯⋯⋯⋯⋯..57.2 机构⋯⋯⋯⋯⋯⋯⋯⋯⋯⋯⋯⋯⋯⋯⋯⋯⋯⋯⋯⋯⋯⋯⋯⋯⋯⋯..67.3 目和内容⋯⋯⋯⋯⋯⋯⋯⋯⋯⋯⋯⋯⋯⋯⋯⋯⋯⋯⋯.⋯⋯ .67.4⋯⋯⋯⋯⋯⋯⋯⋯⋯⋯⋯⋯⋯⋯⋯⋯⋯⋯⋯⋯⋯⋯⋯⋯⋯⋯.⋯⋯ .68、志⋯⋯⋯⋯⋯⋯⋯⋯⋯⋯⋯⋯⋯⋯⋯⋯⋯⋯⋯⋯⋯⋯⋯⋯⋯⋯⋯⋯ (6)8.1 牌⋯⋯⋯⋯⋯⋯⋯⋯⋯⋯⋯⋯⋯⋯⋯⋯⋯⋯⋯⋯⋯⋯⋯⋯⋯⋯.⋯⋯ .68.2 志⋯⋯⋯⋯⋯⋯⋯⋯⋯⋯⋯⋯⋯⋯⋯⋯⋯⋯⋯⋯⋯⋯⋯⋯⋯⋯.⋯⋯ .78.3 色⋯⋯⋯⋯⋯⋯⋯⋯⋯⋯⋯⋯⋯⋯⋯⋯⋯⋯⋯⋯⋯⋯⋯⋯⋯⋯.⋯⋯ .79、包装运⋯⋯⋯⋯⋯⋯⋯⋯⋯⋯⋯⋯⋯⋯⋯⋯⋯⋯⋯⋯⋯⋯⋯⋯⋯⋯⋯ (7)10、文件和数据要求⋯⋯⋯⋯⋯⋯⋯⋯⋯⋯⋯⋯⋯⋯⋯⋯⋯⋯⋯⋯⋯⋯ (7)10.1 文件的确⋯⋯⋯⋯⋯⋯⋯⋯⋯⋯⋯⋯⋯⋯⋯⋯⋯⋯⋯⋯⋯⋯⋯710.2 最告和数据⋯⋯⋯⋯⋯⋯⋯⋯⋯⋯⋯⋯⋯⋯⋯.⋯⋯⋯⋯⋯ .⋯.71、前言1.1概述本项目名称为XXXXXXX公司 XXXXX综合楼。
本工程站址位于XXXXXX内。
地下室内配电室主要为新建建筑物提供电源。
设计规模:金属封闭式开关柜 2 面。
1.2要求本技术规格书适用于选择环网开关柜及其供货方,提供了对用于该项目的环网开关柜在功能设计、性能、供货、运输保护、检验安装和试验等的最低要求。
需方在本规格书中提出了环网开关柜最低限度的技术要求,并未规定所有的技术要求和适用的标准,供方应提供一套满足本规格书和所列标准要求的最高质量产品及其相应服务。
投标商提供的环网开关柜必须是标准的、完整的;技术上是成熟的,性能上是先进的,元器件、材料、设备是崭新的,软件版本是最新的。
1.3规范和标准环网开关柜的设计、制造、检验与验收应满足国家现行相关法规、规范及标准的要求。
如果满足相同条件的规范、规程及标准不止一种,应遵循按较高标准执行。
主要规范及标准如下:《 3~ 35KV 交流金属封闭开关设备》GB 3906-91《高压开关设备通用技术要求》GB 11022-89《户内交流环网开关柜订货技术条件》DL/T 404-91《额定电压 1~52 千伏交流金属封闭开关设备和控制设备》IEC298-90GB3804-90,IEC56, IEC6941.4优先顺序若本规格书与有关规范和标准出现相互矛盾时,应遵照下列优先次序执行。
(1)有关规范和标准(2)对于不能妥善解决的矛盾,供货方有责任以书面形式通知购买方。
供货方若有与以上文件不一致的地方,应在投标书中予以说明,若没有说明,则被认为完全符合上述文件所有要求。
即使供货方符合本规格书的所有条款,也并不等于解除供货方对所有提供的设备和附件应当承担的全部责任,所有的设备和附件应当具有正确的设计,并且满足特定的设计和使用条件或当地的健康、环保和安全法规。
2、供货方、购买方双方责任2.1购买方责任(1)提供设备必须的基础资料;(2)负责提供电气设计图纸及相关资料;(3)有权在产品制造过程中进行监造检查;(4)核查设备图纸设计。
2.2供货方责任(1)按照本技术规格书所提供的技术要求,提供环网开关柜,并对所提供的设备负全面责任。
(2)必须保证所提供的产品性能稳定,符合相关法规的要求。
(3)提供有关技术资料,包括设备说明书、有关标准和图纸。
(4)供货方应担保设备没有由于设计、工艺或材料产生的缺陷,而且应同意如任何部位出现缺陷从出厂之日起在合同规定的期限内由供货方支付费用返修或更换。
按双方确定的验收标准,达到要求后,移交购买方管理。
(5)对于不能妥善解决的矛盾,供货方有责任以书面形式通知买方。
(6)供货方若有与以上文件不一致的地方,应在其投标书中予以说明,若没有说明,则被认为完全符合上述文件所有要求。
(7)在产品安装过程中,供货方免费提供技术指导,并负责环网开关柜的调试。
(8)中标通知,应在 10 天内以印制或电子邮件形式提供设计图纸和文件:图纸格式为 CAD R14 及以上版本。
2.3质量保证供货方对所供设备质量保证期为通过现场投产验收合格后不低于年3、设计操作的环境条件3.1安装位置地理位置: XXXXXX公司XXXX综合楼地下室内。
安装方式:室内无振动场所,冬季无采暖。
3.2环境条件-环境温度: -10 ℃~40℃- 日温差:小于15K-相对湿度:日平均不超过 95%,月平均不超过 90%- 海拔:不超过1000m-地震烈度:不超过 8 度-周围环境无明显粉尘、烟、腐蚀性或可燃性气体及蒸汽、烟雾等污染。
-安装地点地下室配电房4、技术要求4.1开关柜型式:金属封闭式开关柜4.2开关柜技术参数:-额定电压:10KV-最高电压:12KV-额定频率:50HZ-绝缘水平:1min 工频耐压( KV):相间、相对地 42断口 48冲击耐压( KV):相间、相对地 75断口 85- 3 秒热稳定电流( KA): 25- 动稳定电流( KA):63-外形尺寸(宽 x 深 x 高):由投标厂家提供。
-外壳保护等级:IP2X4.3负荷开关及断路器技术参数:.\开关柜采用SF6 负荷开关(接通 - 断开 - 接地三位置)及SF6 断路器或真空断路器。
- 额定电流:630A-额定开断电流: 25KA(1s)-额定开合电流: 63KA-机械寿命:负荷开关:接地开关:断路器:不少于不少于不少于2000 次1000 次10000 次-操作方式:人工弹簧储能分合闸。
-SF6 负荷开关或断路器应有良好的密封性能,保证极低的漏气率或设置低气压闭锁装置。
4.4柜体结构:4.4.1柜体结构、元器件布置、配线等应满足IEC及国家有关规范标准的要求。
4.4.2开关柜必须通过国家定点产品检验中心试验站的全部形式试验。
供货厂家应根据 IEC298 标准对开关柜进行 1.1 倍额定电流的温升试验和内部短路故障试验,并提供试验报告:负责进行现场试验,包括:工频耐压试验、断路器分/ 合动作试验、断路器分 / 合速度试验、断路器分/ 合时间试验、断路器弹跳试验、断路器同期测试、回路电阻测试、开距及行程超程测试。
4.4.3开关柜铭牌标识清晰,指示及警告标志明确,回路及接线端子标记清楚。
4.4.4设备金属外露表面应有防锈保护层及面漆,外观良好,不应脱落、锈蚀:所有螺丝、螺母、铆钉等附件应做防锈处理。
4.4.5事故情况下,过压的SF6气体应有可靠安全的泄压通道。
5、供货范围5.1概述供货方应对配电室内环网开关柜的设计、材料采购、设备制造、电气元件组装、图纸资料的提供以及与各个分包商间的联络、协同、检验和在不同场所进行的实验负有全部责任。
所提供的环网开关柜应是制造厂的标准产品,并且最少有两台套以上的类似规格产品在本规格书中所提供的环境条件下或更为恶劣的环境条件下成功运行两年以上的经历,买方不接受未经使用的新试制产品。
供货方应对设备的性能、安装、调试负责。
5.2范围供货方的供货范围应包括以下内容:配电室内环网开关柜,具体数量详见设备表;安装所需的所有必要设备及配件。
5.3设备及材料本工程所有选用的环网开关柜以及配套所用材料和零件均应为未经使用过的合格产品,不存在任何影响到性能的缺陷。
所有电气元件和材料应符合国家有关规范和标准的要求。
5.4保证在购买方选用设备恰当和遵守保管及使用规程的条件下,最少需要承诺免费保修五年以上,其它配套设备及材料保修一年。
另外,因设备制造质量不良及设备材料本身质量不良而发生损坏和不能正常工作时,供货方应该免费为购买方更换或修理设备零件、部件,如因此而造成购买方人身和财产损失的,供货方应对其予以赔偿。
6、性能保证除非购买方以文字的方式另行同意,供货方对它所提供的设备应承担如下保证:在数据表中规定的工作条件下能正常可靠地运行,并达到额定地设计参数。
通过试验证实供货方对各项性能方面地保证。