自吸过滤式防毒面具(或防毒口罩)安全使用要求
- 格式:doc
- 大小:28.00 KB
- 文档页数:2
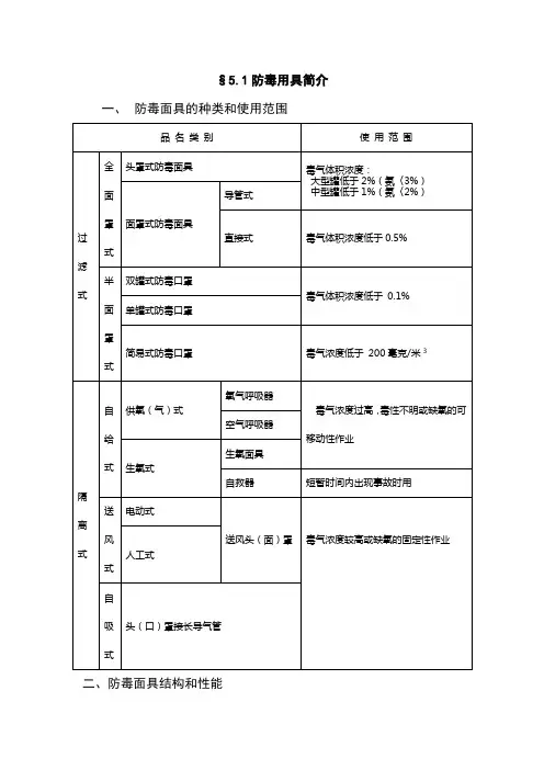
§5.1防毒用具简介一、防毒面具的种类和使用围二、防毒面具结构和性能三、防毒面具正确的使用法1 确认防毒面具的使用围1 根据毒气的种类、浓度以及使用现场空气中氧气含量和环境温度,务必要在滤毒罐限定的防护围和有效防护时间使用。
2 要正确检查面具的质量,确认此套面具气密性基本良好。
3掌握正确的佩戴法。
A 选配适当的头罩规格,根据头形选择。
B 保持气流畅通无阻。
必须先拔出胶塞,防止外来物堵塞。
C 有毒场所紧急佩戴(屏住呼吸,作简单气密性试验)。
D 故障应急处理:导管穿、呼吸阀损坏、头罩损坏、滤毒罐穿。
F 氧气呼吸器观察压力在10mpa以上,氢氧化钙吸收剂不能失效(粉红色变成淡黄色即为失效)。
G 防毒罐防止气体的颜色鉴别1防止氯气的为绿色、黄色、褐色2 防止氨气的为灰色一、防毒面具的维护与保养1 使用后的面罩要清洗、消毒、晾干,撒上滑粉以防老化,并妥善保管。
2 使用过的滤毒罐的底盖和顶盖要封紧,以防受潮和吸附有毒气体,失效的要及时报废。
3 氧气呼吸器禁沾染油脂并远离热源,不得乱动。
§5.2急救与自救一、基本原则1 个人防护,切务轻视。
2搬运伤员,解毒清洗3细心检查,抓住重点4 多人中毒,注意分类二、自救、互救法1 心脏复法(1)心前区扣击术(2)胸外心脏挤压术2 呼吸复术。
3 化学灼伤的处理。
§5.3现场直接作业环节(见前面直接作业环节的管理制度)个人防护用品一、分类1、呼吸道防毒用品,2、皮肤防毒用品呼吸道防毒用品分为过滤式和隔离式两类。
皮肤防毒品:各种防毒衣、防毒手套、面罩护肤膏等。
主要防止皮肤吸收毒物。
过滤式防毒用品:是通过滤毒药剂滤除空气中的有毒有害物质的。
隔离式防毒用品:是依靠本身的自给氧气、空气或通过导气管送风、吸取有毒区域外的洁净空气。
二、过滤式防毒面具1、使用条件:空气中氧气体积浓度大于18%,环境温度为-30度至+45度,毒气的体积浓度大型罐<2% NH<3% 小型罐<1% NH<3%2、结构和性能:结构:由头罩、导气管、过滤罐和背包四部分组成。
气体防护器材使用及管理规定一、隔离式防毒面具的使用(一)长管式防毒面具1.进入有毒区前应检查面罩呼气阀、吸气阀是否灵活好用,并进行气密性试验。
戴好面具后,方可进入毒区。
做到先戴后进。
2.自吸式长管不得长于10米,长管内无异物堵塞。
3.使用长管防毒面具,应设专人监护。
监护人应备有氧气呼吸器等相应的防护器材和救护安全绳等急救器材。
4.长管应保持平直,不得被缠结、挤压、折扁践踏、猛拉,使其处于畅通状态。
进气管端应悬置于上风头无污染的空气和清洁环境中,不得放在地上。
监护人应经常检查长管及进气管端的情况。
5.使用长管式防毒面具,只允许一人进入容器内部工作,如需要两人同时进入,必须采取可靠的安全措施,并经过安全管理部门检查。
6.使用长管式防毒面具过程中感到呼吸困难或不适,应立即离开有毒区,在有毒区严禁取下面罩。
7.长管式防毒面具应确保每三个月检查一次;每次使用后除进行外观检查外,应根据情况进行清洗,使之保持清洁、通畅、干燥完好。
(二)氧气呼吸器的使用1.氧气呼吸器是一种与外界隔离自供式呼吸器,适用于缺氧、含有毒气体或毒物成分不明的环境,但严禁在有油类、高温、明火作业中使用。
2.使用前要认真检查面罩是否损坏、漏气、老化,视镜是否完整干净,皮带和内部的主要部件是否完好。
3.检查联络哨子是否好用,并确定联络信号。
4.打开氧气阀门(氧气阀门手柄向外拉,再向逆时针方向旋开),检查压力是否在10兆帕以上。
检查呼气阀、吸气阀、自动排气阀是否灵敏好用,确认合格后,方可使用。
5.氧气呼吸器在使用前,应将悬挂皮带挂在右肩上,再用紧身皮带把呼吸器固定在左腰际。
6.戴面具应做到一开(先打开氧气阀),二看(查看确认压力在10兆帕以上),三排(用排气阀排出气囊内残余气体),四戴(确认无问题方可戴面罩)。
7.佩戴好呼吸器面罩,要做几次缓慢深呼吸,查看自动补给是否充氧、供氧,确认无问题后,方可进入毒区。
一定要做到先佩戴好面罩再进入有毒区。
变电站安全电器的使用和管理电气安全用具是指确保电气工作安全所需的工具和用具,可防止触电、弧光灼伤和高空摔跌等伤害事故。
正确使用合格的电气安全用具是保证人身的基本条件之一。
但是,由于使用者对电气安全用具认识不足,在使用和管理上存在不少错误做法。
本文就变电站常用安全电器的使用和管理作些说明。
1电气安全装置的分类电气安全装置一般分为两类:绝缘安全装置和一般防护安全装置。
属于一般防护安全用具的有:安全带、安全帽、防毒面具、护目镜、标示牌和临时遮栏等;属于绝缘安全用具的有:绝缘棒、绝缘手套、绝缘靴、验电器、携带型接地线、绝缘垫、绝缘挡板等。
绝缘安全用具又可以分为以下两类:(1)基本安全用具,其绝缘强度能够承受电气设备的工作电压,并在该电压水平下发生内部过电压时确保人身安全,如绝缘棒、验电器等;(2)辅助安全用具,其本身绝缘性能不足以保证安全,它只能用于加强基本安全装置的安全作用,如绝缘手套、绝缘靴等。
但以上的分类不仅取决于其绝缘性能,还取决于使用的场合。
如果10kV绝缘棒用于110kV的电气设备无法承受电气设备的工作电压,只能作辅助安全用具;而作为辅助安全用具的耐压8kV的绝缘手套,当使用在220V的低压场合时,就足以承受电气设备的运行电压。
因此,使用基本安全用具必须注意以下两点:(1)必须具有合格的绝缘性能和机械强度;(2)它只能用于适合其绝缘性能的电气设备上。
辅助安全装置主要用于泄漏电流、接触电压、跨步电压触电等加强防护,一般不能直接和电气设备接触。
2安全电器的使用和管理2.1绝缘棒绝缘棒包含绝缘操作杆、接地线的绝缘杆、验电器的绝缘杆,通常由三部分组成,即:工作部分、绝缘部分、握手部分。
工作部分起到完成特定操作功能的作用,并安装在绝缘部分的上端,工作时,应将其视为带电部件,不允许同时接触或接近相邻相位或接地部件。
绝缘部分和握手部分均由相同绝缘材料制成,绝缘部分起绝缘隔离作用,绝缘部分和握手部分之间用护罩环或划红线明显分开。
气体防护器材使用及管理规定一、隔离式防毒面具的使用(一)长管式防毒面具1.进入有毒区前应检查面罩呼气阀、吸气阀是否灵活好用,并进行气密性试验。
戴好面具后,方可进入毒区。
做到先戴后进。
2.自吸式长管不得长于10米,长管内无异物堵塞。
3.使用长管防毒面具,应设专人监护。
监护人应备有氧气呼吸器等相应的防护器材和救护安全绳等急救器材。
4.长管应保持平直,不得被缠结、挤压、折扁践踏、猛拉,使其处于畅通状态。
进气管端应悬置于上风头无污染的空气和清洁环境中,不得放在地上。
监护人应经常检查长管及进气管端的情况。
5.使用长管式防毒面具,只允许一人进入容器内部工作,如需要两人同时进入,必须采取可靠的安全措施,并经过安全管理部门检查。
6.使用长管式防毒面具过程中感到呼吸困难或不适,应立即离开有毒区,在有毒区严禁取下面罩。
7.长管式防毒面具应确保每三个月检查一次;每次使用后除进行外观检查外,应根据情况进行清洗,使之保持清洁、通畅、干燥完好。
(二)氧气呼吸器的使用1.氧气呼吸器是一种与外界隔离自供式呼吸器,适用于缺氧、含有毒气体或毒物成分不明的环境,但严禁在有油类、高温、明火作业中使用。
2.使用前要认真检查面罩是否损坏、漏气、老化,视镜是否完整干净,皮带和内部的主要部件是否完好。
3.检查联络哨子是否好用,并确定联络信号。
4.打开氧气阀门(氧气阀门手柄向外拉,再向逆时针方向旋开),检查压力是否在10兆帕以上。
检查呼气阀、吸气阀、自动排气阀是否灵敏好用,确认合格后,方可使用。
5.氧气呼吸器在使用前,应将悬挂皮带挂在右肩上,再用紧身皮带把呼吸器固定在左腰际。
6.戴面具应做到一开(先打开氧气阀),二看(查看确认压力在10兆帕以上),三排(用排气阀排出气囊内残余气体),四戴(确认无问题方可戴面罩)。
7.佩戴好呼吸器面罩,要做几次缓慢深呼吸,查看自动补给是否充氧、供氧,确认无问题后,方可进入毒区。
一定要做到先佩戴好面罩再进入有毒区。
劳动防护用品的规范使用第一部分防尘口罩防尘口罩——是一种保护劳动者呼吸器官,预防人体吸入有害健康的颗粒物,而制作的个人呼吸防护用品。
防尘口罩的主要防阻对象是颗粒物,包括粉尘(机械破碎产生)、雾(液态的)、烟(燃烧等产生)和微生物等。
能够进入人体肺部的颗粒非常微小,粒径通常在7μm以下,称作呼吸性粉尘,对人体健康危害极大,是导致各类尘肺病的元凶。
防尘口罩通过覆盖人的口、鼻及下巴部分,形成一个和脸部密封的空间,靠人吸气迫使污浊空气经过过滤。
一、防尘口罩的标准:《职业病防治法》规定:用人单位为劳动者个人提供的职业病防护用品必须符合防治职业病的要求。
从事和接触粉尘的作业人员使用的防尘口罩也要符合要求,按照国家质量监督检验和检疫局、国家标准化管理委员会公布的《呼吸防护用品》GB2626-2006标准,防尘口罩的阻尘率:颗粒直径小于5微米阻尘率必须大于90%,颗粒直径小于2微米的阻尘率必须大于70%。
该标准把防尘口罩分为油性防尘口罩P类和非油性防尘口罩N 类;并根据阻尘原件的性能和阻尘率的高低分为KN90、KN95、KN100、KP90、KP95、KP100六类,过滤效率分别为90%、95%、99.97%以上。
KP类型适用于防护带油性的粉尘,如石蜡、玉料油等。
KN类型适用于防护非油性的粉尘,如食盐、石矿等。
型号中的数字越大,表明阻尘率越高,防尘安全系数也越高。
购买时,要针对不同环境粉尘浓度高低选择所需口罩。
标准规定:作业人员戴上防尘口罩应当感到舒适,能轻松自如地呼气和吸气,而无呼吸不畅之感,通常情况下每分钟呼吸频率为20次。
呼气、吸气阻力的通气量恒定系数为85升/分钟。
标准规定:产品标识要清楚、明晰,应标注——①名称、商标(如名称为“防尘口罩”,商标为“劳保”等);②型号(如KN90、KN95、KP100,便于口罩类型和阻尘率);③执行标准号和年号,过滤原件类型、阻尘率类型,如2626-2006KN90。
二、防尘口罩的分类:防尘口罩是我们工业生产环境中最常见的一种个人防护用品,现在我们按照《呼吸防护用品》GB2626-2006标准,简单看一下防尘口罩的分类:GB2626-2006《呼吸防护用品自吸过滤式防颗粒物呼吸器》最新标准将防尘口罩分为随弃式面罩、可更换式半面罩、全面罩。
防毒口罩的使用方法防毒口罩是预防粉尘和有毒有害气体侵入人眼、耳、鼻、喉,造成人体中毒和窒息的一种工具的统称。
防毒口罩可以搭配丰富的产品,形成防毒面具不同的作用,搭配滤毒罐可以成为过滤式防毒面具,搭配长管可以成为长管呼吸器,同时也可以搭配氧气呼吸器和空气呼吸器使用。
防毒口罩的使用方法:(1)使用防毒口罩时,严禁随便拧开滤毒盒盖,避免滤毒盒剧烈震动,以免引起药剂松散;同时应防止水和其他液体滴溅到滤毒盒上,否则降低防毒效能。
(2)使用防毒口罩过程中,对有臭味的毒气,当嗅到轻微气味时,说明滤毒盒内的滤毒剂实效。
对于无味毒气,则要看安装在滤毒盒里的指示纸或药剂的变色情况而定。
一旦发现防毒药剂失效,应立刻离开有毒场所,并停止使用防护口罩,重新更换药剂后方可使用。
(3)佩戴防毒口罩时,系带应根据头部大小调节松紧,两条系带应自然分开套在头顶的后方。
过松和过紧都容易造成漏气或感到不舒服。
(4)防毒面具使用中应注意正确佩戴,如头罩一定要选择合适的规格,罩体边缘与头部贴紧。
另外,要保持面具内气流畅通无阻,防止导气管扭弯压住,影响通气。
(5)当在作业现场突然发生意外事故出现毒气而作业人员一时无法脱离时,应立即屏住气,迅速取出面罩戴上;当确认头罩边缘与头部密合或佩戴正确后,猛呼出面具内余气,方可投入正常使用。
(6)防毒面具某一部件损坏,以致不能发挥正常作用,而且来不及更换面具的情况下,使用者可采取下列应急处理方法,然后迅速离开有毒场所:(7)使用后的防毒面具,要清洗、消毒、洗涤后晾干,切勿火烤、曝晒,以防材料老化。
滤毒罐用后,应将顶盖、底塞分别盖上、堵紧,防止滤毒剂受潮失效。
对于失效的滤毒罐,应及时报废或更换新的滤毒剂和作再生处理。
(8)一时不用的防毒面具,应在橡胶部件上均匀撒上滑石粉,以防黏合。
现场备用的面具,放置在专用的柜内,并定期维护和注意防潮。
过滤式防毒面具GB 2890—821 种类、规格及使用条件1.1 种类过滤式防毒面具(以下称防毒面具)分两种。
1.1.1 导管式防毒面具:滤毒罐通过导气管与面罩连接。
1.1.2 直接式防毒面具:滤毒罐(盒)直接与面罩连接。
1.2 规格防毒面具的规格见表1。
表 1注:①对于大中型滤毒罐防御氢氰酸(HCN)、氯化氰(CNCl)、磷化氢(PH3)、砷化氢(AsH3)、光气(COCl2)时,毒气体积浓度应低于1%。
②对于各种型号的滤毒罐及滤毒盒防御汞(Hg)蒸气时,毒气体积浓度应低于0.001%。
1.2.1 防毒面具的面罩分为全面罩和半面罩*。
全面罩有头罩式和头带式两种,应能遮盖住眼、鼻和口;半面罩应能遮盖住鼻和口。
* 半面罩指防毒口罩的主体部分,不包括滤毒盒。
每种面罩按尺寸大小分号。
1.2.2 防毒面具的滤毒罐(盒)按表2分类,并根据其防毒对象范围编号。
表 21.3 使用条件防毒面具的使用条件是:空气中氧气体积浓度不低于18%;环境温度为-30~+45℃;毒气浓度应符合表1规定。
防毒面具一般不能用于槽、罐等密闭容器的工作环境。
2 结构和性能要求防毒面具必须安全可靠,使用方便。
2.1 面罩2.1.1 按规定进行选配的面罩,应与人体面部密合良好,无明显压痛感。
面罩的固定系统应有足够的弹性和强度。
面罩部件应易更换。
2.1.2 全面罩的眼窗须使用无色透明材料,透光度应不低于85%,视物真实,有保明措施。
2.1.3 面罩的漏气系数、实际有害空间、视野,分别按GB 2891.6—82《过滤式毒面具面罩佩戴漏气系数的试验方法》、GB 2891.5—82《过滤式防毒面具面罩实际有害空间的试验方法》、GB 2891.4—82《过滤式防毒面具视野的试验方法》进行试验,其结果应符合表3规定。
表 3注:全面罩内设口鼻罩时,其实际有害空间应小于170毫升。
2.1.4 面罩用呼气阀应有保护装置,动作气密良好,在内外压力平衡时呈闭锁状态。
编号:SM-ZD-52786自吸过滤式防毒呼吸用品使用注意事项Through the process agreement to achieve a unified action policy for different people, so as to coordinate action, reduce blindness, and make the work orderly.编制:____________________审核:____________________批准:____________________本文档下载后可任意修改自吸过滤式防毒呼吸用品使用注意事项简介:该制度资料适用于公司或组织通过程序化、标准化的流程约定,达成上下级或不同的人员之间形成统一的行动方针,从而协调行动,增强主动性,减少盲目性,使工作有条不紊地进行。
文档可直接下载或修改,使用时请详细阅读内容。
使用前必须弄清作业环境中的毒物性质、浓度和空气中氧含量,在未弄清楚作业环境条件以前,绝对禁止使用。
当毒气浓度大于规定使用范围或空气中氧含量低于18%时,不能使用自吸过滤式防毒面具(或防毒口罩)。
直接式防毒面具规定耐受毒气体积浓度大于0.5%,应改用导管式。
使用前应检查部件和结合部的气密性,若发生漏气应查明原因。
例如,面罩选择不合适或佩戴不正确;橡胶主体有破损;滤毒罐(盒)破裂;面罩的部件连接松动等等。
面具保持良好的气密状态才能使用。
检查各部件是否完好,导气管有无堵塞或破损,金属部件有无生锈、变形、橡胶有否老化。
螺纹接头有无生锈、变形、连接是否紧密。
检查滤毒罐表面有无破裂、压伤、螺纹是否完好,罐盖、罐底活塞是否齐全,罐盖内有无垫片,用力摇动时有无响声。
检查面具袋内紧固滤毒罐的带、扣是否齐全和完好。
整套防毒面具连接后的气密性检查。
在检查完各部件以后,对整体防毒面具气密性的检查很重要。
简易检查方法是:打开橡胶底塞吸气,此时如没有空气进入,则证明连接正确,如有漏气,则应检查各部位连接正确与否。
劳动防护用品(具)管理制度一、目的为了规范公司劳动防护用品和保健品配置和管理,保护职工的安全与健康,确保安全生产,特制定本制度。
二、适用范围适用于本公司劳动防护用品配备的标准和管理的要求。
三、职责(一)、安环部负责劳保用品发放标准的制定、发放管理工作,并监督检查职工的佩戴情况。
(二)、财务部仓库保管负责劳保用品的出入库及保管工作。
(三)、供应部负责劳保用品的采购。
(四)、各部门具体实施。
四、劳动防护用品选用要求1、自吸过滤式防毒面具的发放应根据作业人员可能接触毒物的种类来选择,并配备相应的滤毒罐(盒),每次使用前应仔细检查自吸过滤式防毒面具的气密性和滤毒罐(盒)的有效性,并按国家标准规定,定时更换滤毒罐(盒)。
2、应根据职工在作业中防刺、割、磨、烧、烫、冻、电击、腐蚀、有毒、等伤害的实际需要配置不同性能和材质的劳动防护手套。
3、对于可能存在物体坠落、撞击的工作场所,必须佩带安全帽,不得以其他形式的防护帽替代。
4、应根据作业场所噪声的强度情况,为从业人员配置相应的护耳器。
5、对眼部可能受铁屑等杂物飞溅伤害的工种,必须佩戴防冲击眼护具。
6、从事高处作业的人员,必须按规定配备安全带、安全网等相应的坠落防护用品。
7、纱布口罩不得作防尘口罩使用。
8、从事多种作业或在多种劳动环境中作业的人员,应按照相应作业的工种和劳动环境配备劳动防护用品。
如配备的劳动防护用品在从事其它工种作业时或在其它劳动环境中确实不能适用的,应另配或借用所需的其它劳动防护用品。
五、劳动防护用品管理要求公司应当安排用于配备劳动防护用品的专项经费,不得以货币或者其他物品替代应当按规定配备的劳动防护用品,并从劳动防护用品的采购、验收、保管、发放、使用及报废环节进行细化管理。
1、采购1)公司供应部门负责劳动防护用品的采购,所采购劳动防护用品的质量和性能必须符合国家标准或行业标准。
2)采购劳动防护用品时,应选用具备相应资质企业的产品。
其资质主要包括:《特种劳动防护用品安全标志证书》、《山东省劳动防护用品生产企业备案证书》、《山东省特种劳动防护用品经营单位备案证书》、《外省来鲁经营销售特种劳动防护用品单位备案证书》等。
§5.1防毒用具简介一、防毒面具的种类和使用范围二、防毒面具结构和性能三、防毒面具正确的使用方法1 确认防毒面具的使用范围1 根据毒气的种类、浓度以及使用现场空气中氧气含量和环境温度,务必要在滤毒罐限定的防护范围和有效防护时间内使用。
2 要正确检查面具的质量,确认此套面具气密性基本良好。
3掌握正确的佩戴方法。
A 选配适当的头罩规格,根据头形选择。
B 保持气流畅通无阻。
必须先拔出胶塞,防止外来物堵塞。
C 有毒场所紧急佩戴(屏住呼吸,作简单气密性试验)。
D 故障应急处理:导管穿孔、呼吸阀损坏、头罩损坏、滤毒罐穿孔。
F 氧气呼吸器观察压力在10mpa以上,氢氧化钙吸收剂不能失效(粉红色变成淡黄色即为失效)。
G 防毒罐防止气体的颜色鉴别1防止氯气的为绿色、黄色、褐色2 防止氨气的为灰色一、防毒面具的维护与保养1 使用后的面罩要清洗、消毒、晾干,撒上滑石粉以防老化,并妥善保管。
2 使用过的滤毒罐的底盖和顶盖要封紧,以防受潮和吸附有毒气体,失效的要及时报废。
3 氧气呼吸器严禁沾染油脂并远离热源,不得乱动。
§5.2急救与自救一、基本原则1 个人防护,切务轻视。
2搬运伤员,解毒清洗3细心检查,抓住重点4 多人中毒,注意分类二、自救、互救方法1 心脏复苏法(1)心前区扣击术(2)胸外心脏挤压术2 呼吸复苏术。
3 化学灼伤的处理。
§5.3现场直接作业环节(见前面直接作业环节的管理制度)个人防护用品一、分类1、呼吸道防毒用品,2、皮肤防毒用品呼吸道防毒用品分为过滤式和隔离式两类。
皮肤防毒品:各种防毒衣、防毒手套、面罩护肤膏等。
主要防止皮肤吸收毒物。
过滤式防毒用品:是通过滤毒药剂滤除空气中的有毒有害物质的。
隔离式防毒用品:是依靠本身的自给氧气、空气或通过导气管送风、吸取有毒区域外的洁净空气。
二、过滤式防毒面具1、使用条件:空气中氧气体积浓度大于18%,环境温度为-30度至+45度,毒气的体积浓度大型罐<2% NH<3% 小型罐<1% NH<3%2、结构和性能:结构:由头罩、导气管、过滤罐和背包四部分组成。
3M3001CN过滤式防毒口罩防护对象:有机气体及蒸气,如苯及同系物,汽油.二硫化碳等警告:使用前请仔细阅读使用说明1.如果在使用面罩时不遵守使用须知和使用极限.或在污染环境中没有始终佩戴面罩,面罩的有效性将会降低,并可能导致疾病或死亡。
2.必须正确选择适合应用的面罩,面罩应佩戴合适,并在污染环境中始终佩戴,必要时更换。
3.对人体有害的空气污染源包括小得肉眼看不到的物质。
,4.在使用前,使用都必须首先接受雇主提供的训练,以便按照有关安全和健康标准正确使用面罩。
5如果感到眩晕或其它不适,或闻到和感觉到污染物质,应立即离开污染区。
6.如果面罩受到损坏或呼吸变得困难,应立即离开污染区.并在必要时修理和更换面罩。
7.在污染物质浓度不明,直接影响生命和健康.或超过当地可允许限度的情况下,请勿使用此产品。
8.此面罩不提供氧气.在氧气含量低于18%的空气环境中,请勿使用此产品。
9.请勿滥用,误用.或更改面罩,过滤棉或过滤芯。
10,如果有胡须和面部须毛,使用部与面罩不能直接接触,请勿使用此产品。
11.用溶剂清洗会使用面罩中的一些组成部件发生降解.因而影响面罩的有效性.在每次使用之前检查所有面罩部件.确保有效的应用性能。
12.如果不按照正确方法弃置被有害物质污染的过滤芯,过滤棉,或面罩,将对环境造成危害.必须按照当地规定来管理,运输或弃置用过的过滤芯.过滤棉和面罩。
使用面罩:1 如果面罩受到损坏或呼吸变得困难.应立即离开污染区.并在必要时修理和更换面罩。
2.当感觉到气味.雾气,或气体,可呼吸变得急促时.过滤芯/过滤棉即达到其使用寿命.立即离开污染区并更换过滤芯/过滤棉。
检查.每次使用之前必须检查面罩,保证它具有良好的应用性能.使用前必须更换任何损坏或有缺陷的部件.请遵循下列建议的程序。
1.检查面罩是否有裂痕,撕裂处,和尘土.保证面罩,特别是密封部分没有变形,.材料应柔韧而不僵硬。
2.检查吸气阀是否有变形,裂痕.撕裂迹象,提起吸气阀检查阀座是否有尘土或裂痕.按照同样步骤检查吐吸气阀,必要时更换呼吸阀。
§5.1防毒用具简介
一、防毒面具的种类和使用范围
二、防毒面具结构和性能
三、防毒面具正确的使用方法
1 确认防毒面具的使用范围
1 根据毒气的种类、浓度以及使用现场空气中氧气含量和环境温度,务必要在滤毒罐限定的防护范围和有效防护时间内使用。
2 要正确检查面具的质量,确认此套面具气密性基本良好。
3掌握正确的佩戴方法。
A 选配适当的头罩规格,根据头形选择。
B 保持气流畅通无阻。
必须先拔出胶塞,防止外来物堵塞。
C 有毒场所紧急佩戴(屏住呼吸,作简单气密性试验)。
D 故障应急处理:导管穿孔、呼吸阀损坏、头罩损坏、滤毒罐穿孔。
F 氧气呼吸器观察压力在10mpa以上,氢氧化钙吸收剂不能失效(粉红色变成淡黄色即为失效)。
G 防毒罐防止气体的颜色鉴别
1防止氯气的为绿色、黄色、褐色
2 防止氨气的为灰色
一、防毒面具的维护与保养
1 使用后的面罩要清洗、消毒、晾干,撒上滑石粉以防老化,并
妥善保管。
2 使用过的滤毒罐的底盖和顶盖要封紧,以防受潮和吸附有毒气
体,失效的要及时报废。
3 氧气呼吸器严禁沾染油脂并远离热源,不得乱动。
个人安全防护用品的使用须知个人防护用品:是指劳动者在劳动中为防御物理、化学、生物等外界因素伤害人体而穿戴和配备的各种物品的总称。
1.按照用途分类(1)以防止伤亡事故为目的的安全护品.主要包括:a防坠落用品,如安全带、安全网等;b防冲击用品,如安全帽、防冲击护目镜等;c防触电用品,如绝缘服、绝缘鞋、等电位工作服等;d防机械外伤用品,如防刺、割、绞碾、磨损用的防护服、鞋、手套等;e防酸碱用品,如耐酸碱手套、防护服和靴等;f耐油用品,如耐油防护服、鞋和靴等;(2)以预防职业病为目的的劳动卫生护品。
主要包括:a防尘用品,如防尘口罩、防尘服等;b防毒用品,如防毒面具、防毒服等;c防放射性用品,如防放射性服、铅玻璃眼镜等;d防热辐射用品,如隔热防火服、防辐射隔热面罩、电焊手套、有机防护眼镜等;e防噪声用品,如耳塞、耳罩、耳帽等。
2。
以人体防护部位分类(1)头部防护类:包括用各种材料制作的安全帽、一般防护帽、防尘帽、防水帽、防寒帽、防静电帽、防高温帽、防电磁辐射帽、防昆虫帽等。
(2)呼吸器官防护类:包括过滤式防毒面具,滤毒罐(盒)简易式防尘口罩(不包括纱布口罩),复式防尘口罩,过滤式防微粒口罩,长管面具。
(3)眼、面部防护类:包括电焊面罩,焊接镜片及护目镜,炉窑面具,炉窑目镜,防冲击眼护具。
(4)听觉器官防护类:包括用各种材料制作的防噪声护具,主要有耳塞、耳罩和防噪声头盔。
(5)防护服装类:包括防静电工作服,防酸碱:工作服(除丝、毛面料外,材质必须经过特殊处理),涉水工作服,防水工作服,阻燃防护服。
(6)手足防护类:包括绝缘、耐油、耐酸三种手套;绝缘、耐油、耐酸三种靴;盐滩靴,水产靴,用各种材料制作的低电压绝缘鞋,耐油鞋,防静电、导电鞋,安全鞋(靴)和各种劳动防护专用护肤用品。
(7)防坠落类防护用品:包括安全带(含速差式自控器与缓冲器),安全网,安全绳。
安全帽的防护作用:防止物体打击伤害;防止高处坠落伤害头部;防止机械性损伤;防止污染毛发伤害.它可以在以下几种情况下保护人的头部不受伤害或降低头部伤害的程度。
半面罩自吸过滤式防毒面具
带有自吸过滤器的半面呼吸器是一种个人防护设备(PPE),旨在保护佩戴者的呼吸系统免受空气中有害颗粒的侵害。
这些口罩通常覆盖鼻子和嘴巴,并配有过滤器,可在吸入时去除空气中的污染物。
带有自吸过滤器的半脸呼吸器通常用于存在接触有害物质(如灰尘、烟雾和化学品)风险的环境中。
它们通常用于建筑、制造和农业等行业,以及某些医疗和实验室环境。
要使用带有自吸过滤器的半脸呼吸器,佩戴者应按照制造商的说明将口罩安装和密封在脸上。
口罩应戴在鼻子和嘴巴上,过滤器位于嘴巴和鼻子的前面。
应调整面罩以确保牢固贴合并防止泄漏。
重要的是定期维护和更换带有自吸过滤器的半面呼吸器上的过滤器,以确保其有效保护佩戴者的呼吸系统。
过滤器应根据制造商的建议或在过滤器损坏或不再有效时更换。
过滤式防毒面具的使用规定
使用过滤式防毒面具时,应遵循以下使用规定:
1.选择合适的面具:确保选择适合您脸部尺寸和形状的面具,以保证正常的密封和过滤效果。
2.正确佩戴面具:佩戴前,洗手并确保面具是干净无损的。
将面具放在脸上,用鼻夹紧贴鼻梁,通过松紧带紧固在头部,确保面具与面部的紧密贴合。
3.检查面部密封:佩戴完毕后,使用手掌轻轻压在面具的两侧,呼吸时感觉面具凹陷,则表示面部密封良好;若感觉气漏,则需调整面具松紧带或重新佩戴。
4.不触碰面部及面具:佩戴过程中,避免用手触碰面部以及调整面具。
如果需要接触,请先充分洗手。
5.注意面具的保养:使用后及时清洗或更换。
清洗时,先将滤芯取出,按面具制造商的指示进行清洗或更换。
6.合理使用时间:根据面具所配备的滤芯的使用寿命来合理决定更换时间。
7.注意储存方式:将干净的面具放置在干燥通风的地方,避免阳光直射和污染。
请注意,以上规定仅适用于普通的过滤式防毒面具,在特殊情况下,如疫情爆发期间,可能会有更为严格的使用规定和建议,请根据实际情况遵循当地卫生和防疫部门的指引。
第 1 页共 1 页。
一、过滤式防毒面具安全技术操作规程1.氧含量高于20%、毒气浓度低于1%的环境方可使用过滤罐式防毒面具。
禁止在容器内使用此类气防器材。
2.要根据毒气种类选用不同型号的滤毒罐。
3.判断滤毒罐失效的方法是根据说明书给出的有效期限和能否嗅到有毒气体的气味。
因此,嗅觉迟钝的人不宜使用此种防毒器材。
4.过滤式防毒面具是由面罩、导气管和装有吸收剂的药罐组成的,面罩分0、1、2、3、4共5个号码,使用时应根据头部的大小加以选择。
5.每次使用前要进行气密检查。
检查方法是戴上面罩,从面具袋取出滤毒罐,用手掌堵住罐底部的空气进口,用力吸气,如果吸不进气,证明气密性良好,反之就是漏气。
如果发现漏气,须检查各接头处是否拧紧,面罩大小是否合适,面罩本身是否漏气。
6.用过的防毒面罩要用75%的酒精消毒处理。
7.在使用中发现排除不了的事故或药罐失效时,要立即停止使用。
8.摇罐有沙沙声或漏出吸收剂,说明组装混乱,不能使用。
9.滤毒罐的保存期视环境条件而定,较好的环境可保存3—4年。
10.在有毒烟或毒物的环境中作业,宜选用带滤烟层的滤毒罐。
11.滤毒罐的使用期限,视罐的型号及使用环境中有毒有害气体的浓度不同而异,超过使用期限的滤毒罐必须报废。
二、防毒口罩安全技术操作规程1.防毒口罩只适用于空气中氧气浓度大于20%,有毒气体浓度低于0.1%,对眼部、皮肤无刺激的作业场所。
2.要根据使用时间定期更换药剂。
3.要根据毒气种类不同,选用不同型号的防毒药剂。
4.因防毒口罩的滤毒原理、结构与过滤罐式防毒面具相似,其它注意事项参照过滤罐式防毒面具使用规定。
三、自吸式长管防毒面具安全技术操作规程1.导气管使用长度不应超过20米,管内阻力一般不超过196帕(20mm水柱)。
2.工作前将面具与导气管连接好,并将导气管的进气端置于空气新鲜的上风头,将进气口架起要离开地面10厘米以上。
3.进入有毒环境之前要戴好防毒面罩,做3—5次深呼吸,检查排气阀工作是否正常,无窒息感或不适后才能进入有毒有害环境。
使用前必须弄清作业环境中的毒物性质、浓度和空气中氧含量,在未弄清楚作业环境条件以前,绝对禁止使用。
当毒气浓度大于规定使用范围或空气中氧含量低于18%时,不能使用自吸过滤式防毒面具(或防毒口罩)。
直接式防毒面具规定耐受毒气体积浓度大于0.5%,应改用导管式。
使用前应检查部件和结合部的气密性,若发生漏气应查明原因。
例如,面罩选择不合适或佩戴不正确;橡胶主体有破损;滤毒罐(盒)破裂;面罩的部件连接松动等等。
面具保持良好的气密状态才能使用。
检查各部件是否完好,导气管有无堵塞或破损,金属部件有无生锈、变形、橡胶有否老化。
螺纹接头有无生锈、变形、连接是否紧密。
检查滤毒罐表面有无破裂、压伤、螺纹是否完好,罐盖、罐底活塞是否齐全,罐盖内有无垫片,用力摇动时有无响声。
检查面具袋内紧固滤毒罐的带、扣是否齐全和完好。
整套防毒面具连接后的气密性检查。
在检查完各部件以后,对整体防毒面具气密性的检查很重要。
简易检查方法是:打开橡胶底塞吸气,此时如没有空气进入,则证明连接正确,如有漏气,则应检查各部位连接正确与否。
正确选用面罩的规格。
在使用时,应使罩体边缘与脸部紧贴,眼窗中心位置应选在眼睛正前方下1cm左右。
应根据劳动强度和作业环境空气中有害物浓度选用不同类型的防毒面具。
如低浓度的作业环境可选用小型滤毒罐的防毒面具。
应严格遵守滤毒罐的有效时间。
在使用过程必须记录滤毒罐使用过的时间、毒物性质、浓度等。
若记录卡片上累计使用时间达到滤毒罐规定的时间,应立即停止使用。
?在使用过程中严禁随意拧开滤毒罐(盒)的盖子,并防止水或其它液体进入罐(盒)中。
防毒呼吸面具的眼窗镜片,应防划痕磨擦,保持视物清晰。
防毒呼吸用品应专人使用和保管,使用后应清洗,消毒。
在清洗和消毒时,应注意温度,不可使橡胶等部件因受温度影响而发生质变受损。