投影仪固定装置设计及有限元分析
- 格式:pdf
- 大小:709.58 KB
- 文档页数:3
广州有道计算机科技有限公司有限元分析FEA有限元法(FEA,Finite Element Analysis)的基本概念是用较简单的问题代替复杂问题后再求解。
它将求解域看成是由许多称为有限元的小的互连子域组成,对每一单元假定一个合适的(较简单的)近似解,然后推导求解这个域总的满足条件(如结构的平衡条件),从而得到问题的解。
这个解不是准确解,而是近似解,因为实际问题被较简单的问题所代替。
由于大多数实际问题难以得到准确解,而有限元不仅计算精度高,而且能适应各种复杂形状,因而成为行之有效的工程分析手段。
有限元分析(FEA,Finite Element Analysis)利用数学近似的方法对真实物理系统(几何和载荷工况)进行模拟。
还利用简单而又相互作用的元素,即单元,就可以用有限数量的未知量去逼近无限未知量的真实系统。
大型通用有限元商业软件:如ANSYS可以分析多学科的问题,例如:机械、电磁、热力学等;电机有限元分析软件NASTRAN等。
还有三维结构设计方面的UG、CATIA、Proe等都是比较强大的。
国产有限元软件:FEPG、SciFEA、,JiFEX、KMAS等有限元法:把求解区域看作由许多小的在节点处相互连接的单元(子域)所构成,其模型给出基本方程的分片(子域)近似解,由于单元(子域)可以被分割成各种形状和大小不同的尺寸,所以它能很好地适应复杂的几何形状、复杂的材料特性和复杂的边界条件。
有限元方法的基础是变分原理和加权余量法,其基本求解思想是把计算域划分为有限个互不重叠的单元,在每个单元内,选择一些合适的节点作为求解函数的插值点,将微分方程中的变量改写成由各变量或其导数的节点值与所选用的插值函数组成的线性表达式,借助于变分原理或加权余量法,将微分方程离散求解。
采用不同的权函数和插值函数形式,便构成不同的有限元方法。
有限元法的收敛性是指:当网格逐渐加密时,有限元解答的序列收敛到精确解;或者当单元尺寸固定时,每个单元的自由度数越多,有限元的解答就越趋近于精确解。
(19)中华人民共和国国家知识产权局(12)实用新型专利(10)授权公告号 (45)授权公告日 (21)申请号 201920460511.X(22)申请日 2019.04.04(73)专利权人 佛山市顺德区盛德泰塑料实业有限公司地址 528311 广东省佛山市顺德区杏坛镇齐杏居委会工业区科技区十一路2号之二(72)发明人 刘晓平 (51)Int.Cl.F16M 11/04(2006.01)F16M 13/02(2006.01)F16M 11/28(2006.01)G03B 21/54(2006.01)(54)实用新型名称投影仪固定装置(57)摘要本实用新型涉及投影仪附件设备技术领域,尤其是投影仪固定装置,包括固定框壳体、空心结构、数据线管道,所述固定框壳体的内部设有空心结构,固定框壳体的一端设有与空心结构贯通的数据线管道,固定框壳体的另一端为开口状态,所述的固定框壳体的中部环壳体的上、下、左、右四个壳面上分别设有一穿入空心结构的锁紧装置,所述的固定框壳体位于数据线管道侧的底壳上设有横向穿入空心结构的压力装置,所述固定框壳体的下壳面上设有连接部。
本实用新型可以避免因外力发生偏移影响投影效果的情况,保证投影仪始终处于投影开口的最佳位置,便于拆卸操作,其结构合理,操作灵活,使投影仪得到稳定的保护,有助于提高投影仪的使用寿命。
权利要求书1页 说明书3页 附图4页CN 209856649 U 2019.12.27C N 209856649U权 利 要 求 书1/1页CN 209856649 U1.投影仪固定装置,包括固定框壳体、空心结构、数据线管道,所述固定框壳体的内部设有空心结构,固定框壳体的一端设有与空心结构贯通的数据线管道,固定框壳体的另一端为开口状态,其特征在于:所述的固定框壳体的中部环壳体的上、下、左、右四个壳面上分别设有一穿入空心结构的锁紧装置,锁紧装置包括旋转手柄、螺纹座、螺杆、固定板,所述的固定框壳体位于数据线管道侧的底壳上设有横向穿入空心结构的压力装置,压力装置包括按压手柄、弹簧座、顶杆,所述固定框壳体的下壳面上设有连接部,所述的连接部上安装有用于升降调节的活动装置。
建筑工程学院本科毕业设计(论文)学科专业机械设计制造及其自动化辅导教师目录第1章前言······················································11.1塔式起重机概述 (1)1.2塔式起重机的发展情况 (1)1.3塔式起重机的发展趋势 (3)第2章总体设计 (5)2.1 概述 (5)2.2 确定总体设计方案 (5)2.2.1 金属结构 (5)2.2.2 工作机构 (22)2.2.3 安全保护装置 (29)2.3 总体设计设计总则 (32)2.3.1 整机工作级别 (32)2.3.2 机构工作级别 (32)2.3.3主要技术性能参数 (33)2.4 平衡重的计算 (33)2.5 起重特性曲线 (35)2.6 塔机风力计算 (36)2.6.1 工作工况Ⅰ (37)2.6.2 工作工况Ⅱ (41)2.6.3 非工作工况Ⅲ (43)2.7整机的抗倾翻稳定性 (45)2.7.1工作工况Ⅰ (46)2.7.2工作工况Ⅱ (47)2.7.3非工作工况Ⅲ (49)2.7.4工作工况Ⅳ (50)2.8固定基础稳定性计算 (51)第3章塔身的有限元分析设计 (53)3.1 塔身模型简化 (53)3.2 有限元分析计算 (54)3.2.1 方案一 (54)3.2.2 方案二 (79)3.2.3 方案三 (98)第4章塔身的受力分析计算 (121)4.1 稳定性校核 (121)4.2 塔身的刚度检算 (122)4.3 塔身的强度校核 (124)4.4 链接套焊缝强度的计算 (125)4.5 塔身腹杆的计算 (126)4.6 高强度螺栓强度的计算 (127)第5章毕业设计小结 (129)致谢 (130)主要参考文献 (131)目计算与说明结果塔身的有限元分析设计塔身模型简化三种待优化方案有限元分析计算前处理塔身标准节节点建模定义单元类型和材料参数定义标准节的外框立柱杆件第3章塔身的有限元优化分析设计ANSYS解决问题的基本流程为:前处理(preprocessor)求解(solution)一般后处理(genneral postprocessor)和时间历程后处理(time domain postprocessor)结果处理。
有限元分析实验报告有限元分析实验报告一、实验基本要求根据实验指导书的要求能够独立的使用ANSYS 软件操作并在计算机上运行,学会判断结果及结构的分析,学会建立机械优化设计的数学模型,合理选用优化方法,独立的解决机械优化设计的实际问题。
二、实验目的1. 加深对机械优化设计方法的理解2. 掌握几种常用的最优化设计方法3. 能够熟练使用ANSYS 软件操作,培养学生解决案例的能力4. 培养学生灵活运用优化设计方法解决机械工程中的具体实例三、实验软件及设备计算机一台、一种应用软件如ANSYS四、实验内容实验报告例题实训1——衍架的结构静力分析图2-2所示为由9个杆件组成的衍架结构,两端分别在1,4点用铰链支承,3点受到一个方向向下的力F y , 衍架的尺寸已在图中标出,单位: m。
试计算各杆件的受力。
其他已知参数如下: 弹性模量(也称扬式模量)E=206GPa;泊松比μ=0.3;作用力F y =-1000N;杆件的2横截面积A=0.125m.一、 ANSYS8.0的启动与设置图2-2 衍架结构简图1.启动。
点击:开始>所有程序> ANSYS8.0> ANSYS ,即可进入ANSYS 图形用户主界面。
图2-4 Preference 参数设置对话框2.功能设置。
电击主菜单中的“Preference ”菜单,弹出“参数设置”对话框,选中“Structural ”复选框,点击“OK ”按钮,关闭对话框,如图2-4所示。
本步骤的目的是为了仅使用该软件的结构分析功能,以简化主菜单中各级子菜单的结构。
3.系统单位设置。
由于ANSYS 软件系统默认的单位为英制,因此,在分析之前,应将其设置成国际公制单位。
在命令输入栏中键入“/UNITS,SI ”,然后回车即可。
(注:SI 表示国际公制单位)二单元类型,几何特性及材料特性定义1.定义单元类型。
2.定义几何特性。
3.定义材料特性。
三衍架分析模型的建立1.生成节点。
教育管理用投影仪固定架在当今的教育领域,投影仪已经成为不可或缺的教学工具。
它能够将丰富的多媒体内容直观地展示给学生,增强教学效果。
然而,要确保投影仪能够稳定、安全且有效地发挥作用,一个合适的投影仪固定架至关重要。
投影仪固定架的作用不仅仅是简单地支撑投影仪,它还涉及到多个方面的考量。
首先,它要保证投影仪的位置准确,能够将画面投射到预定的区域,比如教室的白板或幕布上。
如果位置不准确,可能会导致画面变形、偏移,影响学生的观看体验和教学效果。
其次,稳定性是投影仪固定架的关键特性之一。
在教学过程中,投影仪需要长时间保持固定的位置,如果固定架不够稳定,投影仪可能会晃动甚至掉落,这不仅会损坏设备,还可能会对师生的安全造成威胁。
此外,良好的投影仪固定架还应该具备调整的功能。
因为不同的教学场景可能需要不同的投影角度和高度,比如在大型阶梯教室中,就需要能够灵活调整投影仪的位置,以确保每个座位上的学生都能清晰地看到画面。
在教育环境中,投影仪固定架的选择需要考虑多种因素。
首先是安装环境。
教室的大小、天花板的高度和结构等都会影响固定架的选择。
对于较小的教室,可能只需要一个简单的吊顶式固定架;而对于大型的多媒体教室或会议厅,可能需要更加复杂的可伸缩、旋转式固定架。
其次是投影仪的型号和重量。
不同型号的投影仪尺寸和重量可能差异很大,固定架必须能够承受投影仪的重量,并且提供合适的安装接口。
再者,使用的便捷性也是一个重要因素。
教师在使用投影仪时,应该能够轻松地进行调整和操作,而不需要复杂的工具或专业知识。
在市场上,有多种类型的教育管理用投影仪固定架可供选择。
常见的有吊顶式固定架、壁挂式固定架和桌面式固定架。
吊顶式固定架通常安装在天花板上,能够最大程度地节省空间,并且不会妨碍教室中的人员活动。
这种固定架的安装相对较为复杂,需要在天花板上进行打孔和安装支架,但一旦安装完成,能够提供非常稳定的支撑。
壁挂式固定架则安装在墙壁上,适合那些天花板不适合安装或者空间有限的教室。
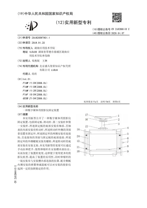
(19)中华人民共和国国家知识产权局(12)实用新型专利(10)授权公告号 (45)授权公告日 (21)申请号 201920597984.4(22)申请日 2019.04.28(73)专利权人 湖南应用技术学院地址 415100 湖南省常德市鼎城区湖南应用技术学院善卷路(72)发明人 郑燕妮 王琳 (74)专利代理机构 北京盛凡智荣知识产权代理有限公司 11616代理人 尚欣(51)Int.Cl.F16M 11/04(2006.01)F16M 11/08(2006.01)F16M 11/20(2006.01)F16F 15/04(2006.01)G03B 21/54(2006.01)(54)实用新型名称一种数字媒体用投影仪固定装置(57)摘要本实用新型公开了一种数字媒体用投影仪固定装置,包括固定板、转动杆、第二安装杆和第一安装杆,所述固定板的底部安装有轴承,且轴承的内部安装有转动杆,所述转动杆外侧的顶部套设置有固定环,所述固定环的两侧安装有连接块,且连接块的顶部与固定板的底部连接,所述固定环的外侧螺旋安装有螺栓,所述转动杆的底部安装有安装支架。
本实用新型的宽度可以通过手动拉伸把手,使得伸缩杆在安装槽内部拉出,从而加宽了装置的宽度,这样便于使用更多的投影仪机型,提高了装置的实用性,同时伸缩杆的一端安装有与安装槽内部连接的拉簧,配合侧板内侧安装的弹簧和减震板可以对安装的投影仪起到一定的加固稳定的作用。
权利要求书1页 说明书3页 附图4页CN 210266443 U 2020.04.07C N 210266443U权 利 要 求 书1/1页CN 210266443 U1.一种数字媒体用投影仪固定装置,包括固定板(1)、转动杆(3)、第二安装杆(9)和第一安装杆(14),其特征在于:所述固定板(1)的底部安装有轴承(17),且轴承(17)的内部安装有转动杆(3),所述转动杆(3)外侧的顶部套设置有固定环(2),所述固定环(2)的两侧安装有连接块(22),且连接块(22)的顶部与固定板(1)的底部连接,所述固定环(2)的外侧螺旋安装有螺栓(16),所述转动杆(3)的底部安装有安装支架(15),且安装支架(15)的边缘位置处设置有四组滑动槽(13),所述滑动槽(13)的内部插设有滑动固定杆(25),所述滑动固定杆(25)的底部安装有顶板(4),且顶板(4)底部的两端皆安装有第一安装杆(14),所述第一安装杆(14)的一端安装有背板(12),所述背板(12)的底部安装有底板(11),且底板(11)底部的两端皆安装有第二安装杆(9),所述底板(11)的顶部安装有投影仪安装板(8),所述第二安装杆(9)和第一安装杆(14)的两端皆设置有安装槽(20),所述安装槽(20)的内侧安装有拉簧(21),且拉簧(21)的另一端安装有伸缩杆(10),所述伸缩杆(10)远离拉簧(21)的一端安装有侧板(6),所述侧板(6)的内侧设置有四组限制槽(18),所述侧板(6)的内侧安装有四组弹簧(5),且弹簧(5)远离侧板(6)的一端安装有减震板(24),所述减震板(24)靠近侧板(6)的一侧安装有四组限位杆(19),所述限位杆(19)远离减震板(24)的一端穿过弹簧(5)延伸至限制槽(18)的内部。