超声波测距电路
- 格式:pdf
- 大小:232.59 KB
- 文档页数:6
超声波测距电子电路设计详解在自主行走机器人系统中,机器人要实现在未知和不确定环境下行走,必须实时采集环境信息,以实现避障和导航,这必须依靠能实现感知环境信息的传感器系统来实现。
视觉、红外、激光、超声波等传感器都在行走机器人中得到广泛应用。
由于超声波测距方法设备简单、价格便宜、体积小、设计简单、易于做到实时控制,并且在测量距离、测量精度等方面能达到工业实用的要求,因此得到了广泛的应用。
本文所介绍的机器人采用三方超声波测距系统,该系统可为机器人识别其运动的前方、左方和右方环境而提供关于运动距离的信息。
超声波测距原理超声波发生器内部由两个压电片和一个共振板组成。
当它的两极外加脉冲信号,且其频率等于压电晶片的固有振荡频率时,压电晶片将会发生共振,并带动共振板振动,便产生超声波。
反之,如果两极间未加外电压,当共振板接收到超声波时,就成为超声波接收器。
超声波测距一般有两种方法:①取输出脉冲的平均电压值,该电压与距离成正比,测量电压即可测量距离;②测量输出脉冲的宽度,即发射超声波与接收超声波的时间间隔t,根据被测距离s=vt?2来得到测量距离,由于超声波速度v与温度有关,所以如果温度变化比较大,应通过温度补偿的方法加以校正。
本测量系统采用第二种方法,由于测量精度要求不是特别高,所以可以认为温度基本不变。
本系统以PIC16F877单片机为核心,通过软件编程实现其对外围电路的实时控制,并提供给外围电路所需的信号,包括频率振动信号、数据处理信号等,从而简化了外围电路,且移植性好。
系统硬件电路方框图见图1。
图1 系统硬件电路方框图由于本系统只需要清楚机器人前方、左方、右方是否有障碍物,并不需要知道障碍物与机器人的具体距离,因此不需要显示电路,只需要设定一距离阀值,使障碍物与机器人的距离达到某一值时,单片机控制机器人电机停转,这可通过软件编程实现。
超声波发射电路超声波发射电路以PIC16F877为核心,当单片机上电时,单片机从RA0口产生40kHz的超声波信号,但是此时该信号无法通过与非门进入放大电路使超声波发射头发射超声波,只有闭合开关S1时,从RA1口发射出一门控信号,该信号的频率为4kHz,同时启动单片机内部的定时器TMR1,开始计数。
综合课程设计报告木萨.吐尔逊一、课题的任务要求:制作一个汽车倒车报警器。
模拟障碍物为一40cm X 40cm 的纸板。
当障碍物距测距仪2m 士20cm 以内时,报警器发出报警声,当距1m 士10cm 以内时,发出尖锐的报警声,且距离越近,报警声越大。
二、课题的概要设计:本系统由电源,波形发生电路,超声波发射电路,超声波接受和放大整形电路,收发控制电路,距离判断电路,压控音频发生器及喇叭构成。
框图如下:收发控制模块每隔一定时间使波形发生模块发生40KHZ 方波,经功率放大后加到超声波发射头上发射超声波,同时距离判断电路开始定时,超声波经障碍物反射后,有接收头接受,经放大整形后输出到距离判断模块,停止定时,输出相应的电平给报警模块,报警模块发出相应的声光信息。
三、课题的详细设计: 1)、收发控制、波形发生及超声波发射电路,原理图如下:T1TR ANS1T 1GND 2T2TT1ms 左右的正脉冲,由端口T 输出,周期和脉宽分别由R2*C1和R3*C1决定。
与非门U3,U4与R4,R5,C2构成40KHZ 方波发生器,当T 为高时使能,Q1与R6,变压器T1,D2,稳压管D3构成功率放大器,T2为超声波发射头。
这样,每隔50ms ,就发射一时长1ms 的超声波脉冲。
2)、超声波接受与整形电路,原理图如下:T1T1为超声波接受头,经Q1,Q2组成的两级放大,D1,C2,R5构成二极管检波电路,检波电压有R输出。
当接收到超声波时R输出高电平。
Q1的基极还可以接时间增益控制端,具体描述见下文。
3)时间增益控制电路:由于近距离的物体发射回超声波幅度大,远距离物体反射微弱的多,如果放大器增益固定,由于发射头的方向性不是理想的,则近处物体(如地面)的漫反射很容易造成误判,故每次发射后,放大器的增益应,开始较小,随时间变大。
实现电路如下:当信号发射时C2中的电压被清零,之后R1对C2充电,C2中电压渐渐升高,此电压通过R3调节接受电路三极管基极电流,就可以调节放大倍数,实测表明该方法相当有效。
超声波测距电路材料包清单及注意事项
类型型号数目类型型号数目
非线性元件
MA40B8S(T) 1 电解电容10μ 1 MA40B8R(R) 1
定值电阻
100K(棕黑黄金) 6 CD4049B 5 150K(棕绿黄金) 2 CD4011B 7 1K(棕黑红金)8 NE555 1 3.9K(橙白红金) 1 NJM4556 1 1M(棕黑绿金) 1
2903 1 10K(棕黑橙金) 3 4069UB 6 47K(黄紫橙金) 1 TC5022 1 15K(棕绿橙金) 3
TC5051P 1
可变电阻
30K 1 2SC945 3 10K 1 1S1588(4148替换) 3 三联七段数码管 1 1N60(4007替换) 2 DIP16双列之插座 1
瓷介电容
0.1μ(104) 1 电路板 1 560p(560) 1 彩色排线0.2m 0.01μ(103)7 红黑彩导线0.1m 1000p(102) 2
0.015μ(153) 1
220p(221K) 1
注意事项:
1、请组同学在进行操作之前,先检查一遍分配获得的材料包中各元件数目是否正确,如有个别元件多余,则上交给学委,如发现有缺少或在操作过程中损坏,请及时联系学委补发。
2、1S1588已用4148替换,1N60已用4007替换,其他元件均与电路图对应。
附录:
瓷介电容数值与型号:
0.1μ→104
560p→560
0.01μ→103
1000p→102
0.015μ→153
220p→221K
定值电阻识别:
黑棕红橙黄绿兰紫灰白
0 1 2 3 4 5 6 7 8 9。
超声波测距专用集成电路LM1812LM1812超声波遥控专用集成电路LM1812是一种性能优良,且即能发送又能接收超声波的通用型超声波集成器件。
芯片内部包括:脉冲调制C类振荡器、高增益接收器、脉冲调制检测器及噪音抑制器。
它除了可用于遥控器、报警器、自动门控制及通信方面外,还可用于工业上的料位或液位的测量与控制、测距及测厚等方面,应用十分广泛。
(1)外形及引脚功能LM1812超声波专用器件外形为18脚双列直插塑料土封装形式,其外形及引脚排列见图1-1,相应引脚功能为;1脚第二增益级输出/振荡器端,6脚发射器输出端,7脚发射驱动器13脚外接电源退耦电容端,14脚检出器输出端,16脚输出驱动器端,17脚噪声控制端,18脚积分器复位时间常数控制端。
图1 -2为其内部原理框图。
(2)持点及电气参数1、特点LM1812具有如下特点:a、可以使用一个发送/接收换能器工作,也可使用两个换能器分别发送和接收超声波b、器件具有互换性。
c、在电路中使用时不用外接晶体管驱动。
d、使用时不用外接散热器。
e、器件内部具有保护电路。
检测器输出可驱动1A的峰值电流。
f、在水中测距超过30m,在空气中测距超过6m。
g、发送功率可达12W(峰值)。
2、电气参数表1-1和表1-2分别给出了LM1812超声波专用电路的极限工件参数和典型电气参数值表1-1 极限工作参数(3)工作原理LM1812第1脚外接L1、C1决定了电路发送或接收的工作频率,其工作频率fo=1/(2π ),最高可达325kHz。
当8脚为高电平时,L1、C1振荡槽路被切换为振荡模式,振荡信号经驱动放大后,由13脚及6脚输出(一般6、13脚之间接变压器,以便与超声波发送器阻抗匹配)。
为保证输出级不过载,使用时应在6脚测试一下电流,一般此脚峰值电流不能超过1A。
若需更大的功率,可采用外加脉冲放大器的方法来实现,输出电流可达5A;当8脚为高电平时、LM1812处于发送模式;8脚为低电平时,LM1812处于接收模式(8脚输入电流设计在1~10mA范围内)。
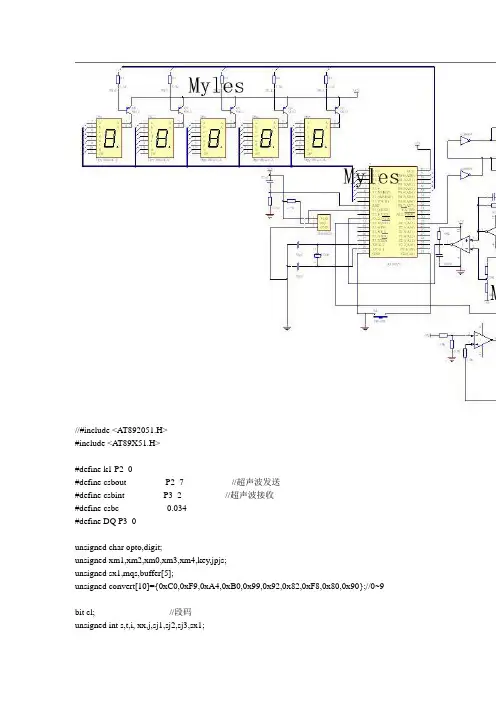
//#include <AT892051.H>#include <AT89X51.H>#define k1 P2_0#define csbout P2_7 //超声波发送#define csbint P3_2 //超声波接收#define csbc 0.034#define DQ P3_0unsigned char opto,digit;unsigned xm1,xm2,xm0,xm3,xm4,key,jpjs;unsigned sx1,mqs,buffer[5];unsigned convert[10]={0xC0,0xF9,0xA4,0xB0,0x99,0x92,0x82,0xF8,0x80,0x90};//0~9bit cl; //段码unsigned int s,t,i, xx,j,sj1,sj2,sj3,sx1;typedef unsigned char byte;typedef unsigned int word;void js();void delay(int i); //延时函数void scanLED(); //显示函数void allToBuffer(); //显示转换函数void keyscan();void offmsd();void delay1(word useconds);byte ow_reset(void);byte read_byte(void);void write_byte(char val);char Read_Temperature(void);void main() //主函数{EA=1; //中断允许TMOD=0x11; //设定时器0为计数,设定时器1定时ET0=1; //定时器0中断允许ET1=1; //定时器1中断允许TH0=0x00;TL0=0x00;TH1=0x9E; ///定时器T1置为25msTL1=0x57;csbint=1; //p3.2置位csbout=1; //p2.7置位cl=0;opto=0xff;jpjs=0;sj1=20;sj3=600;TR1=1;while(1){keyscan();if(jpjs<1){js();if(s>sj3){buffer[2]=0x00;buffer[1]=0x00;buffer[0]=0x00;}else if(s<sj1){buffer[2]=0x00;buffer[1]=0x00;buffer[0]=0x00;}else allToBuffer();}else allToBuffer(); //将值转换成LED段码offmsd();scanLED(); //显示函数}}void scanLED() //显示功能模块{digit=0x01;for( i=0; i<5; i++) //5位数显示{P0=~digit&opto; //依次显示各位数P1=buffer[i]; //显示数据送P1口delay(20); //延时处理if(!(P0&0xEF)) //判断5位是否显示完key=0;digit<<1; //循环左移1位}}void allToBuffer() //转换距离数码管功能模块{int temperature;xm0=s/100;xm1=(s-100*xm0)/10;xm2=s-100*xm0-10*xm1;buffer[2]=convert[xm2];buffer[1]=convert[xm1];buffer[0]=convert[xm0];temperature=Read_Temperature();xm3=temperature/10;xm4=temperature-10*xm3;buffer[4]=convert[xm4];buffer[3]=convert[xm3];}void delay(int i){while(--i);}void js(){int temprature;temprature=Read_Temperature();if(cl==1){TR1=0; //定时器1关闭TH0=0x00;TL0=0x00;//定时器0清零i=10;while(i--){csbout=!csbout;} //连续取反10次发射5个周期超声波TR0=1; //开启计数器t0i=mqs; //盲区while(i--){}i=0;while(csbint){i++;if(i>=2450) //上限值{csbint=0;}}TR0=0;TH1=0x9E;TL1=0x57;t=TH0;t=t*256+TL0;s=t*(csbc+0.61*temprature)/2;TR1=1;cl=0;}}void keyscan() //健盘处理函数{xx=0;if(k1!=1) // 判断开关是否按下{delay(400); //延时去抖动延时3.6msif(k1!=1) // 判断开关是否按下{while(!k1){delay(30);xx++;}if(xx>2000){jpjs++;if(jpjs>4)jpjs=0;}xx=0;mqs=65; //while循环一周期9us ,20cm需要等待65*9us }}}void offmsd(){if (buffer[0] == 0x3f)buffer[0] = 0x00;}//ds18b20的完整程序(c51)(sparkstar)//DS1820 C51 子程序//这里以11.0592M晶体为例,不同的晶体速度可能需要调整延时的时间//sbit DQ =P2^1;//根据实际情况定义端口//延时void delay1(word useconds){for(;useconds>0;useconds--);}//复位byte ow_reset(void){byte presence;DQ = 0; //pull DQ line lowdelay1(29); // leave it low for 480usDQ = 1; // allow line to return highdelay1(3); // wait for presencepresence = DQ; // get presence signaldelay1(25); // wait for end of timeslotreturn(presence); // presence signal returned} // 0=presence, 1 = no part//从1-wire 总线上读取一个字节byte read_byte(void){byte i;byte value = 0;for (i=8;i>0;i--){value>>=1;DQ = 0; // pull DQ low to start timeslotDQ = 1; // then return highdelay1(1); //for (i=0; i<3; i++);if(DQ)value|=0x80;delay1(6); // wait for rest of timeslot}return(value);}//向1-WIRE 总线上写一个字节void write_byte(char val){byte i;for (i=8; i>0; i--) // writes byte, one bit at a time {DQ = 0; // pull DQ low to start timeslotDQ = val&0x01;delay1(5); // hold value for remainder of timeslot DQ = 1;val=val/2;}delay1(5);}//读取温度char Read_Temperature(void){union{byte c[2];int x;}temp;ow_reset();write_byte(0xCC); // Skip ROMwrite_byte(0xBE); // Read Scratch Padtemp.c[1]=read_byte();temp.c[0]=read_byte();ow_reset();write_byte(0xCC); //Skip ROMwrite_byte(0x44); // Start Conversionreturn temp.x/2;}。
超声波测距电子电路设计详解在自主行走机器人系统中,机器人要实现在未知和不确定环境下行走,必须实时采集环境信息,以实现避障和导航,这必须依靠能实现感知环境信息的传感器系统来实现。
视觉、红外、激光、超声波等传感器都在行走机器人中得到广泛应用。
由于超声波测距方法设备简单、价格便宜、体积小、设计简单、易于做到实时控制,并且在测量距离、测量精度等方面能达到工业实用的要求,因此得到了广泛的应用。
本文所介绍的机器人采用三方超声波测距系统,该系统可为机器人识别其运动的前方、左方和右方环境而提供关于运动距离的信息。
超声波测距原理超声波发生器内部由两个压电片和一个共振板组成。
当它的两极外加脉冲信号,且其频率等于压电晶片的固有振荡频率时,压电晶片将会发生共振,并带动共振板振动,便产生超声波。
反之,如果两极间未加外电压,当共振板接收到超声波时,就成为超声波接收器。
超声波测距一般有两种方法:①取输出脉冲的平均电压值,该电压与距离成正比,测量电压即可测量距离;②测量输出脉冲的宽度,即发射超声波与接收超声波的时间间隔t,根据被测距离s=vt?2来得到测量距离,由于超声波速度v与温度有关,所以如果温度变化比较大,应通过温度补偿的方法加以校正。
本测量系统采用第二种方法,由于测量精度要求不是特别高,所以可以认为温度基本不变。
本系统以PIC16F877单片机为核心,通过软件编程实现其对外围电路的实时控制,并提供给外围电路所需的信号,包括频率振动信号、数据处理信号等,从而简化了外围电路,且移植性好。
系统硬件电路方框图见图1。
图1 系统硬件电路方框图由于本系统只需要清楚机器人前方、左方、右方是否有障碍物,并不需要知道障碍物与机器人的具体距离,因此不需要显示电路,只需要设定一距离阀值,使障碍物与机器人的距离达到某一值时,单片机控制机器人电机停转,这可通过软件编程实现。
超声波发射电路超声波发射电路以PIC16F877为核心,当单片机上电时,单片机从RA0口产生40kHz的超声波信号,但是此时该信号无法通过与非门进入放大电路使超声波发射头发射超声波,只有闭合开关S1时,从RA1口发射出一门控信号,该信号的频率为4kHz,同时启动单片机内部的定时器TMR1,开始计数。
自制不用单片机的超声波测距仪电路本超声波测距仪通过测量超声波发射到反射回来的时间差来测量与被测物体的距离。
可以测量0.35-10m的距离。
本款是国外不使用单片机的超声波测距仪。
实物图如下:一、电路原理原理图如下:1 超声波发射电路由两块555集成电路组成。
IC1(555)组成超声波脉冲信号发生器,工作周期计算公式如下,实际电路中由于元器件等误差,会有一些差别。
条件: RA =9.1MΩ、RB=150KΩ、C=0.01μFTL = 0.69 x RB x C= 0.69 x 150 x 103 x 0.01 x 10-6 = 1 msecTH = 0.69 x (RA + RB) x C= 0.69 x 9250 x 103 x 0.01 x 10-6 = 64 msecIC2组成超声波载波信号发生器。
由IC1输出的脉冲信号控制,输出1ms频率40kHz,占空比50%的脉冲,停止64ms。
计算公式如下:条件: RA =1.5KΩ、RB=15KΩ、C=1000pFTL = 0.69 x RB x C= 0.69 x 15 x 103 x 1000 x 10-12 = 10μsecTH = 0.69 x (RA + RB) x C= 0.69 x 16.5 x 103 x 1000 x 10-12 = 11μsecf = 1/(TL + TH)= 1/((10.35 + 11.39) x 10-6) = 46.0 KHzIC3(CD4069)组成超声波发射头驱动电路。
2 超声波接收电路超声波接收头和IC4组成超声波信号的检测和放大。
反射回来的超声波信号经IC4的2级放大1000倍(60dB),第1级放大100倍(40dB),第2级放大10倍(20dB)。
由于一般的运算放大器需要正、负对称电源,而该装置电源用的是单电源(9V)供电,为保证其可靠工作,这里用R10和R11进行分压,这时在IC4的同相端有4.5V的中点电压,这样可以保证放大的交流信号的质量,不至于产生信号失真。
目录引言 (1)1 超声波测距系统的原理及其算法设 (1)1.1 超声波及其物理性质 (1)1.2 超声波传感器 (1)1.3 超声波测距系统的算法设计 (2)2 系统硬件电路设计 (2)2.1 超声波发射电路 (3)2.2 超声波检测接收电路 (3)2.3 单片机系统及显示电路 (4)3 系统程序设计 (5)3.1 主程序设计 (6)3.2超声波发生子程序和超声波接收中断程序 (8)4 电路调试及问题解决 (12)4.1写入程序后,在P1.0端口无法检测到40KHz脉冲信号 (12)4.2混合编程调试不成功 (12)4.3LED数码管B段不亮 (12)5 系统实际测距数据分析 (13)结束语 (13)参考文献 (14)英文翻译 (14)超声波测距电路的设计与制作摘要:超声波具有易于定向发射、反射性好、传播速度远小于光速而便于测距等特点,本文充分利用超声波这些特点,设计并制作了基于单片机AT89C51的超声波测距电路,该电路可在10—208CM有效范围内测定距离并显示,经反复测试测量误差不大于2CM;电路的程序设计采用C和汇编语言混合编程,运行可靠。
超声波测距电路可以应用于智能避障、汽车交通等系统中,具有一定的实用价值。
关键词:单片机;超声波;发射;接收;测距引言人们从蝙蝠、海豚等动物活动中受启发,研究了超声波的物理特性。
超声波具有能量高、方向性好、穿透能力强等特性,且超声波的传播速度较光速要小的多,其传播时间就比较容易检测。
超声波测距的基本思想是:通过测量从超声波发射到接收到反射回波的时间间隔来计算距离。
本文利用超声波特性、数模电路、单片机设计了一种超声波测距电路,可以实现对目标距离的非接触式测量。
目前,超声波测距已广泛应用于各个领域中,如军事雷达、机械制造、电子冶金、汽车交通等,具有良好的应用前景。
1超声波测距系统的原理及其算法设计1.1超声波及其物理性质高于20kHz的机械波称为超声波。
超声波是一种弹性机械波,可以在气体、液体和固体中传播。
超声波测距超声测距该电子产品-超声测距仪是在按键的步进控制下实现在30cm~120cm的距离探测,并具有数码管实时显示探测距离值功能,设定距离值报警功能,手动调整报警范围等功能。
1.硬件电路原理设计该超声测距仪其硬件电路框图如图1所示(虚线框图电路不在机器内部PCB 电路板上)。
整个电路可分为电路板供电电路,超声波发射接收电路,控制、显示及报警电路三个大的部分。
交流220V的市电经经变压、整流滤波、稳压的处理后输出±12V和+5V的恒定直流电压供应整个电路各个部分电源使用。
脉冲产生电路产生的40KHz的脉冲信号经驱动电路驱动功率后进如超声波发射器,让其发出超声波。
超声波接收器接受到发射器发出的超声波信号后经信号方大、处理比较后进入单片机微控制器,单片机将进行计算分析后在数码管显示模块显示出当前测量距离值。
并与从按键处设定的报警上下限值进行比较,当超出其所设定值时,报警电路将启动,红色警报灯点亮。
图1 硬件电路框图下面将分别按照上面陈述的电路分三个部分进行分析,图2是其电路原理图图2 硬件电路原理图1.1 电路板供电电路设计电路板供电电路如图2所示,220V的市电经变压器变压后输出两路交流15V 电压,此电压经整流、滤波处理后输出±15V直流电压,分别经三端集成稳压芯片U1(7812),U2(7912),输出恒定的+12V电压和-12V电压,这两路电压提供运放芯片所需电源及PCB板电路部分需要电压。
+12V电压经U3(7805)后输出恒定+5V电压,供应单片机、555芯片等芯片所需电源。
图2 电路板供电电路原理图1.2超声波发射接收模块设计超声波发射接收模块电路如图4所示,单片机PD7端口控制脉冲产生电路的启动与否,脉冲产生电路由555芯片接成多谐振荡器,选取合适的元器件参数,U4(555芯片)第三脚将输出40KHz的矩形波脉冲信号,此信号经反相器U5(CD4049)接成的驱动电路后进入超声波发射器,由电压信号转换为机械信号,发射出超声波。
《超声波测距仪电路设计》超声波测距仪电路设计超声波测距仪是一种常见的测距装置,它利用超声波的传播特性来测量目标物体与测距仪之间的距离。
其基本原理是利用超声波的发射和接收来计算目标物体与设备之间的距离。
超声波测距仪的电路设计包括发射电路和接收电路两部分。
1.发射电路设计超声波测距仪的发射电路主要包括发射器、脉冲发生电路和驱动电路。
发射器是将电能转换为声能的装置,一般采用压电陶瓷材料。
脉冲发生电路是用来产生发送的超声波脉冲信号的电路,常用的是555定时器芯片,通过设置合适的频率和占空比,可以实现超声波脉冲的产生。
驱动电路主要是将脉冲信号放大,并提供足够的电流和电压来驱动发射器。
2.接收电路设计超声波测距仪的接收电路主要包括接收器、放大电路和信号处理电路。
接收器是将接收到的声波信号转换为电信号的装置,常用的是压电陶瓷材料。
放大电路主要是将接收到的微弱信号放大到合适的电平,以便后续的信号处理。
信号处理电路包括滤波器和放大器,滤波器用于滤除杂散信号,放大器用于放大清晰的接收信号。
3.其他设计考虑除了发射电路和接收电路,还需要考虑一些其他设计因素。
第一,为了减小测量误差,需要加入合适的校准电路来对测量系统进行校准。
第二,为了方便使用,可以加入显示电路,将测量结果以数字或者模拟形式显示出来。
第三,为了提高抗干扰能力,可以加入滤波器和抗干扰电路来滤除干扰信号。
总之,超声波测距仪电路设计需要考虑发射电路、接收电路以及其他设计因素,合理配置各个部分的电路参数,并利用合适的元器件和电路拓扑结构,以提高测距仪的精度和稳定性。
在实际设计中,还需要考虑功耗、成本和尺寸等因素,以满足具体应用的要求。
超声波测距仪电路发表于2017年9月27日在下面:传感器电路此处描述的电路使用超声波振荡,并基于这些振荡在空气中的传播速度进行操作。
因此,如果测量了波传播的时间,我们可以轻松确定两点的距离。
使用的距离测量方法主要分为三类:a)通过机械手段。
b)通过光学手段。
c)通过电子方式。
几乎所有方法都基于某种形式的辐射,例如无线电波,光,声音或红外辐射。
给定这些辐射的传播速率,距离测量就是确定从一个点到另一个点的波跃迁时间的问题。
红外辐射主要用于长距离(几千米的数量级),因为它相对容易形成。
如果距离超过100公里,则使用电子设备,但其效果受大气条件和能见度等因素影响。
随着空间技术的发展,激光系统已与电光系统结合使用,以确定人造卫星的地面和近海。
单击此处下载上述电路的完整尺寸。
超声波测距仪声音,超声波和其他已知的频率波动在空气中具有某个已知的传播速度。
因此,传播目标发射机之间的距离所需的时间反之亦然,可以用来确定距离。
发射的波向分子提供一个起始脉冲,该分子以与传播速度(厘米/秒)相同的频率运行。
反射接收的信号提供呼气脉冲。
这样,分子给出了波传播的距离。
当然,由于我们只需要过渡距离,因此有必要减小距离的距离。
下图显示了我们在功能图中描述的内容。
发射器,接收器,具有数字指针的分子和振荡器,被发射和接收的脉冲激发或中断。
电路原理图发送器由构成桥接电路的门N1和N2组成。
US1超声转换器连接在2端口输出之间,以确保它们之间的18V交替峰峰电压(使用9V 电源)。
N1还充当由N3激励和去激励的振荡器。
它的频率由R1决定,并取决于所用逆变器的类型。
在这种结构中,使用了40 kHz TCO,但其他TCO仍能令人满意地工作。
振荡器的频率设置为尽可能接近40kHz的R1,因为这是逆变器的最大效率频率。
由于电路的实验特性,接收器非常简单。
两个连续的公共发射机电路(T5,T6)放大US2接收到的信号。
当T7的基极电压小于电源电压(-6V)时,T7充当阈值检测器,即T7是P2转子中的交流电压从峰值到峰值大于1.2V时IC3周围还有一个振荡器(R17,R18,P3和C9)。
智能化超声波测距专用集成电路SB5227外围电路设计
SB5227输出的超声波信号很微弱,必须通过功率放大器才能驱动发送器。
一种典型的发送电路如图所示。
从SB5227第10脚输出的超声波信号,经过缓冲器F和功率放大器(VT1、VT2)驱动发送器。
VT1采用小功率晶体管,VT2可选功率场效应管。
利用变压器来驱动发送器:
接收电路:
该接收电路主要包括以下6部分:输入保护电路(C1、R1、VD1和VD2);阻抗匹配及电流放大器(VT1);两级电压放大器(VT2、IC1);带通滤波器(L1、C6);输出级放大器(VT3);电压比较器(IC2)。
C1为隔直电容,R1为限流电阻。
VD1和VD2构成双向限幅过压保护电路。
VT1需采用J型场效应管,VT2与VT3选用小功率晶体管。
IC1为TL061型单运放,IC2为四路电压比较器LM339(现仅用其中一路)。
带通滤波器中的中心频率应与接收器的中心频率相同。
调节电位器RP可改变接收灵敏度,提高抗干扰能力。
常态下IC2输出高电平,当接收到超声波脉冲串的第一个上升沿时就输出低电平,送至SB5227的第8脚,使内部定时器停止计数。
对技术条件要求较高的接收电路,还可增加自动增益控制(AGC)、窗口自动搜索等电路。
超声波测距电路的实现方法电光学院105040562 毛臻摘要:随着单片机、DSP、FPGA、CPLD技术的不断成熟,各种智能测量系统不断涌现,测距电路可以用在工业生产、医疗技术、日常生活中各个方面,典型的应用如汽车倒车告警、机器人的自动避障行走、工业上的液位、井深、管道长度等场合,本文在介绍超声波测距原理的基础上总结并讨论现有的几种电路设计方法,并提出增大测量距离及改善系统性能的实现方法。
关键词:超声波;测距;FPGA实现1超声波是一种在弹性介质中的机械振荡,它是由与介质相接触的振荡源所引起的, 其频率在20KHz以上。
超声波为直线传播方式,频率越高,绕射能力越弱,但反射能力越强。
超声波在介质中传播时在不同介面上具有反射的特性,由于它有指向性强、方向性好、传播能量大、传播距离较远等特点,常用于测量物体的距离、厚度、液位等。
超声波的传播速度与介质的密度和弹性特性有关,它在空气中的传播速度为340m/s。
发射一定频率的超声波,借助空气媒质传播,到达测量目标或障碍物后反射回来,其所经历的时间长短与超声波传播的路程的远近有关,测试传输时间可以得出距长。
利用超声波特性、单片机控制、电子计数相结合可以实现非接触式测距。
由于超声波检测迅速、方便、计算简单,且不受光线、电磁波、粉尘等的干扰,其测量精度较高。
常用于桥梁、涵洞、隧道的距离检测中。
2使用超声波和使用激光测距的比较:基于以上介绍的超声波的特点不难区分它们的各自的适用场合,激光测距主要用于远程,如测月球到地球距离,或远距离无障碍测距,而且成本要比用超声波大,因为光速为3×10^8M/S,而一般市场上的单片机最高频率在十几至几十兆,(本人接触的ARM最大30M)如果测量的距离在十米左右,那么假设单片机别的都不做只是计数,出射光将在大约0.033us后返回,要求单片机CLK为1/0.033MHz,也就是说30M时钟频率的单片机刚发出出射激光的命令,光就已经在它的下个CLK脉冲来到了,更别提计数了,即使使用频率很高的单片机或其他器件如FPGA等在精度上将不能满足需要(通常在收发间隔中得到的计数脉冲越多精度越高)。
超声波测距电路摘要:随着单片机、DSP、FPGA、CPLD技术的不断成熟,各种智能测量系统不断涌现,测距电路可以用在工业生产、医疗技术、日常生活中各个方面,典型的应用如汽车倒车告警、机器人的自动避障行走、工业上的液位、井深、管道长度等场合,本文在介绍超声波测距原理的基础上总结并讨论现有的几种电路设计方法,并提出增大测量距离及改善系统性能的实现方法。
关键词:超声波;测距;FPGA实现1超声波是一种在弹性介质中的机械振荡,它是由与介质相接触的振荡源所引起的,其频率在20KHz以上。
超声波为直线传播方式,频率越高,绕射能力越弱,但反射能力越强。
超声波在介质中传播时在不同介面上具有反射的特性,由于它有指向性强、方向性好、传播能量大、传播距离较远等特点,常用于测量物体的距离、厚度、液位等。
超声波的传播速度与介质的密度和弹性特性有关,它在空气中的传播速度为340m/s。
发射一定频率的超声波,借助空气媒质传播,到达测量目标或障碍物后反射回来,其所经历的时间长短与超声波传播的路程的远近有关,测试传输时间可以得出距长。
利用超声波特性、单片机控制、电子计数相结合可以实现非接触式测距。
由于超声波检测迅速、方便、计算简单,且不受光线、电磁波、粉尘等的干扰,其测量精度较高。
常用于桥梁、涵洞、隧道的距离检测中。
2使用超声波和使用激光测距的比较:基于以上介绍的超声波的特点不难区分它们的各自的适用场合,激光测距主要用于远程,如测月球到地球距离,或远距离无障碍测距,而且成本要比用超声波大,因为光速为3×10^8M/S,而一般市场上的单片机最高频率在十几至几十兆,(本人接触的ARM最大30M)如果测量的距离在十米左右,那么假设单片机别的都不做只是计数,出射光将在大约0.033us后返回,要求单片机CLK为1/0.033MHz,也就是说30M时钟频率的单片机刚发出出射激光的命令,光就已经在它的下个CLK脉冲来到了,更别提计数了,即使使用频率很高的单片机或其他器件如FPGA等在精度上将不能满足需要(通常在收发间隔中得到的计数脉冲越多精度越高)。
但值得注意的是,超声波在空气中传播速度会随介质温度的升高而增大,气温每上升1℃,声波速度增加0.6mPs。
所以在测量中要考虑温度变化的因素,进行温度补偿修正,减少测量误差。
另外超声波在传输距离稍大时衰减很大,精度也随之降低。
3超声波发生/接收器:为了研究和利用超声波,人们研究了多种超声波发生器,常用的超声波发生器可以分为二大类,一是用电气方式产生超声波,如压电式、磁致伸缩式超声波发生器;二是用机械方式产生超声波,有加尔统笛、液哨和气流旋笛等。
它们产生的超声波的频率、功率和声波特性各不相同。
这里采用第一类的压电式超声波发生器,是利用压电晶体的电致伸缩现象,即压电效应。
常用的压电材料有石英晶体、压电陶瓷等。
在压电材料切片上施加一定频率的交变电压,当外加信号频率等于压电晶片的固有频率时,会产生电致伸缩振动,产生共振,并带动共振板振动,产生超声波。
超声波的频率越高,方向性越好,但频率太高,衰减也大,传播的距离越短。
考虑到实际工程测量要求,可以选用超声波的频率f=40kHz,波长λ=0.85cm。
超声波的接收是利用超声波发生器的逆效应(逆压电效应)而进行工作的。
当一定频率的超声波作用到压电晶体片上时,使晶体伸缩,在晶体的两端面产生交变电荷,把电荷转换成电压,再经放大输出,它的结构与发生器类似。
发送和接收可以由一个超声换能器承担,它是一种既可以把电能转化为声能、又可以把声能转化为电能的器件或装置。
换能器在电脉冲激励下可将电能转换为机械能,向外发送超声波;反之,当换能器处在接收状态时,它可将声能(机械能)转换为电能。
超声波发生/接收器的外形和通常的驻极体话筒差不多,如果发生接收是分开的两个在安装过程中要注意它们之间的距离大概在6—8CM否则过于靠近易产生干扰。
(可采用MA40LIS和MA40LIR)4超声测距原理:最常用的超声测距方法是回声探测法。
其工作原理是:使换能器向介质发射声脉冲,声波遇到被测物体(目标)后必有反射回来的声波(回波)作用于换能器上。
若已知介质的声速为c,第一个回波到达的时刻与发射脉冲时刻的时间差为t,那么即可按式s=ct/2计算换能器与目标之间的距离。
考虑到传感器的成本与安装的方便性,也可采用收发兼用型超声波探头,即实际距离d=s。
声波的速度c与温度T有关。
如果环境温度变化显著,则必须考虑温度补偿问题。
5系统设计:其中计时及LED译码、测温A/D转换等都可以由单片机的集成外围实现(LED驱动可采用动态扫描,要加三极管放大电流),因为在这里单片机在整个系统中的作用相对简单,所以如果考虑成本的话也可以不用单片机而改用一个十四位左右的计数器实现,如CD4060等,这样LED显示要配译码电路,A/D转换也要另加,而且制作好后可调试性较差,没有单片机灵活。
另外单片机如果改为FPGA则整个系统的频率又可提升很多,不过成本要高一些。
6单元电路实现:(1)接收放大电路如上图,采用两级放大,并采用“虚地”接法使运放正负极电流同时放大,是常用接法。
(2)检波电路,采用的是包络检波。
本人用EWB5.0模拟后数据如下:输出波形满足要求。
(3)整形电路:把运放接成比较器,工作在饱和方式。
其中Rb最好选择可变电阻,保证当要调整电路可测范围时比较电平可调,参考电平计算如下。
Vrf=(Rb x Vcc)/(Ra+Rb)=(47K-ohm x9V)/(1M-ohm+47K-ohm)=0.4V(4)信号保持:采用RS触发器接法,也可用D触发器。
(5)超声波发射驱动:这里采用CD4069(反相/驱动)来提高驱动的功率以使超声波发射信号足够大提高测量距离。
另外采用推拉式驱动也可以提高发射信号质量。
(6)显示驱动电路:充分利用单片机资源用来译码,驱动用三极管,采用动态扫描一方面充分利用单片机资源,另一方面可以减少功耗,还可以节省硬件资源。
(7)超声波测距系统的软件设计,由于超声发射传感器与超声接收传感器相隔很近,当发射超声波时,接收传感器会收到很强的干扰信号。
为防止系统的误测,在软件上采用延迟接收技术,来提高系统的抗干扰能力。
一旦按下起始键,即发送发射超声波的指令,同时单片机控制系统开始执行程序,完成对温度的采样、滤波,然后获得发送、接收超声波的时间间隔,最后计算出距离值。
7误差分析(1)环境对测量的影响:声波传输速度与媒介的弹性模量和密度相关,因此,利用声速测量距离,就要考虑这些因素对声速影响。
在气体中,压强、温度、湿度等因素会引起密度变化,气体中声速主要受密度影响,液体的深度、温度等因素会引起密度变化,固体中弹性模量对声速影响较密度影响更大,一般超声波在固体中传播速度最快,液体次之,在气体中的传播速度最慢。
气体中声速受温度的影响最大。
声波扰动是机械的,声波在传播中带有机械能量,声能传播的途中逐渐转变成热,从而出现随距离而逐渐衰减的现象,称为声吸收。
声波的频率越高衰减得越厉害,传播距离也越短,在给定的频率下,衰减是湿度的函数。
(2)超声发送和接收:超声传感器等效为1个电感器、2个电容器和1个电阻器串并联电路如图所示。
图中,左右两侧呈现容性,中间呈现感性,是一种典型高Q值晶体振子特性。
在fS和f P处出现2个阻抗最低点,因此,有2个谐振峰。
发送传感器在串联谐振峰有最高灵敏度,接收传感器在并联谐振峰有最高灵敏度。
电路激励和接收频率要考虑在此谐振点工作,此外,由于通常需要大功率驱动,可考虑用谐振升压推动。
超声波发送应考虑因素有:1,量程范围;2,目标距离和目标反射情况。
超声波频率高对探测较小目标有利,有效反射目标应大于至少10个波长以上,对于非垂直于发射波束的目标,大波束角的传感器通常可以获得更强的回波信号,而波束角越窄对于减小散射波的干扰越有利。
(3)回波测量的计时准确度:在室温下,空气中的声速是345m/s,考虑反射式测量有2倍路程,采用1MHz的计数频率测时,对应最小分辨力为0.172mm。
这种分辨力可以满足大多数工业测量场合。
(4)回波信号放大与整形:接收传感器的感应信号通常是mV级,需要经过上百近千倍的增益放大,然后再整形。
采用调谐放大器比直接放大器虽然复杂,但可以获得更高的信噪比。
由于声波在传输过程中的吸收衰减和扩散损失,声强随目标距离增大而衰减,在量程范围内,最近目标和最远目标的回波幅度可能相差1个数量级。
远目标回波信号幅度小、信噪比低,可能导致整形失败或者是越过门槛的时刻前后移动,这是影响大多数测距装置重复性和测量准确度的一个原因。
以40kHz声波频率为例,采用1MHz计数频率,若越过门槛的时刻前后移动仅仅2个周期,就会产生50μs误差,相应测距误差为0.1720mm×50 =8.6mm。
可考虑放大器采用AGC自动增益控制,但仍然未能解决问题,因为AGC电路(包括放大器本身)对信号的阶跃响应有滞后,瞬时跟踪性不佳,而回波信号恰恰是爆发性的。
由此不应该对近程的强回波信号和远程的弱回波信号采用同一个门槛电压,恒定的门槛阈值相对强信号偏低,本可以被压制的噪声信号不能压制。
而对弱信号而言,相对又太高,更容易被叠加的噪声信号误触发。
可采用的方法是专门产生一个随时间减小的阈值信号。
8系统性能改善和增大测量距离讨论:硬件:(1)接收放大电路,可加入带通滤波或锁相放大(LM567)以尽可能减少干扰信号引起误触发,另外为防止发射信号直接进入接收端所以设置一定的延时。
锁相应用电路,调整在40KHZ上,但要考虑加入后对接收处理的延时,用软件调整。
另一方面可采用自动增益补偿技术,随着时间的增加,AGC的放大倍数呈指数规律变化,从而保证了超声波接收器波形的幅值不随测量距离的变化而大幅变化,使得每次在同一个波头触发计时电路,提高了系统测量准确度。
电路可以采用如下图所示或者采用单片AD603实现,在这里不具体讨论。
(2)发射驱动电路,为放大驱动脉冲可以再加入一级三极管放大电路,三极管要选用高频的如9018以减少放大后波形的失真;另一方面还可以根据超声波发生器的特点合理设计阻抗匹配,功放效率和机电转换效率;为此可采用脉冲变压器,脉冲变压器是超声换能器驱动电路中最重要的器件,它的用途是升高脉冲电压信号,并使功率放大器的输出阻抗与换能器的负载阻抗匹配。
一般脉冲变压器以变压器的功率、原副边电压信号的幅值确定变压器的尺寸和变比;而超声换能器驱动用变压器则主要以功率和原副边电感及阻抗匹配确定变压器的尺寸和变比。
缺点是制作和测量都比较麻烦。
在大量程应用场合还可以应用电容瞬间放电或电感瞬间放电产生高压激励脉冲。
(3)其它可改善的地方,可采用超声波测距专用芯片SB5027;也可以采用LM1812N单片超声波收发集成电路。