环评:贵州省地面水域水环境功能划类规定
- 格式:doc
- 大小:139.50 KB
- 文档页数:6
建设项目“三合一”环境影响报告表项目名称 : 中国石油天然气股份有限公司贵州贵阳销售公司扎佐加油站建设单位 (盖章) : 中国石油天然气股份有限公司贵州贵阳销售公司编制日期:2020年8月国家环境保护部制《建设项目环境影响评价报告表》编制说明 《建设项目环境影响评价报告表》由具有从事环境影响评价工作资质的单位编制。
1.项目名称——指项目立项批复时的名称,应不超过30个字(两个英文字段作一个汉字)。
2.建设地点——指项目所在地详细地址,公路、铁路应填写起止地点。
3.行业类别——按国标填写。
4.总投资——指项目投资总额。
5.主要环境保护目标——指项目区周围一定范围内集中居民住宅区、学校、医院、保护文物、风景名胜区、水源地和生态敏感点等,应尽可能给出保护目标、性质、规模和距厂界距离等。
6.结论与建议——给出本项目清洁生产、达标排放和总量控制的分析结论,确定污染防治措施的有效性,说明本项目对环境造成的影响,给出建设项目环境可行性的明确结论。
同时提出减少环境影响的其它建议。
7.预审意见——由行业主管部门填写答复意见,无主管部门项目,可不填。
8.审批意见——由负责审批该项目的环境保护行政主管部门批复。
建设项目基本情况图1 本项目水平衡图(m³/d)2、排水:(1)加油站排水可分为:生活污(废)水、含油污水和站区地面雨水三种。
项目区内实行雨污分流,严格按照国家与地方的有关规定进行分类收集与排放。
红线的,在规划环评结论和审查意见中应落实生态保护红线的管理要求,提出相应对策措施。
除受自然条件限制、确实无法避让的铁路、公路、航道、防洪、管道、干渠、通讯、输变电等重要基础设施项目外,在生态保护红线范围内,严控各类开发建设活动,依法不予审批新建工业项目和矿产开发项目的环评文件。
需依法在重点生态功能区、生态环境敏感区和脆弱区等区域划定的严格管控边界,是国家和区域生态安全的底线,对于维护生态安全格局、保障生态服务功能、支撑经济社会可持续发展具有重要作用。
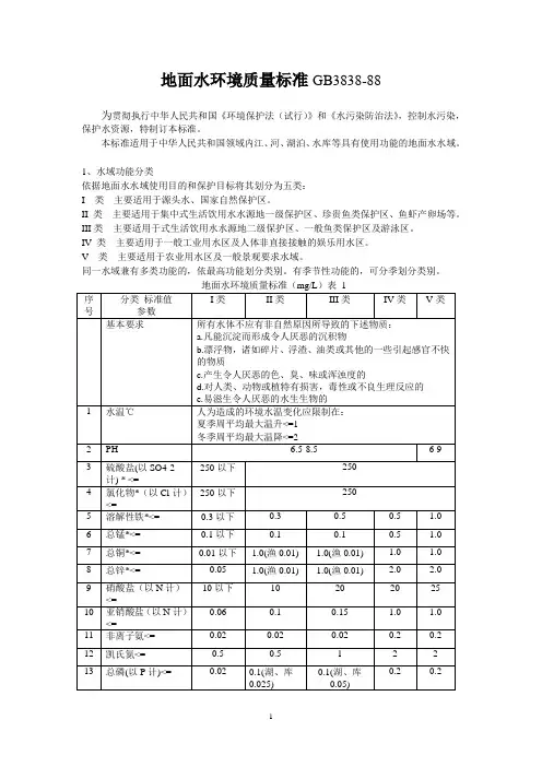
地面水环境质量标准---GB3838-88 2003年04月11日16:37 本文点击次数:3976(GB3838-88 1988-04-05实施)为贯彻执行中华人民共和国《环境保护法(试行)》和《水污染防治法》,控制水污染,保护水资源,特制订本标准。
本标准适用于中华人民共和国领域内江、河、湖泊、水库等具有适用功能的地面水水域。
代替GB3838-83(1988年4月5日国家环境保护局批准 1988年6月1日实施)为贯彻执行中华人民共和国《环境保护法(试行)》和《水污染防治法》,控制水污染,保护水资源,特制订本标准。
本标准适用于中华人民共和国领域内江、河、湖泊、水库等具有适用功能的地面水水域。
1 水域功能分类依据地面水水域使用目的和保护目标将其划分为五类:Ⅰ类主要适用于源头水、国家自然保护区。
Ⅱ类主要适用于集中式生活饮用水水源地一级保护区、珍贵鱼类保护区及游泳区。
Ⅲ类主要适用于集中式生活饮用水水源地二级保护区、一般鱼类保护区及游泳区。
Ⅳ类主要适用于一般工业用水区及人体非直接接触的娱乐用水区。
Ⅴ类主要适用于农业用水区及一般景观要求水域。
同一水域兼有多类功能的,依最高功能划分类别。
有季节性功能的,可分季节划分类别。
表1 地面水环境质量标准注:1)允许根据地方水域背景值特征做适当调整的项目>2)规定分析检测方法的最低检出限,达不到基准要求3)试行标准>2 水质要求本标准规定不同功能水域执行不同标准值,地面水五类水域的水质要求按表1执行。
2.1不得用瞬时一次监测值使用本标准。
2.2标准值单项超标,即表明使用功能不能保证。
危害程度应参考背景值及水生生物调查数据,硬度修正方程及有关基准资料综合评价。
3 标准的实施3.1本标准由各环境保护部门及水资源保护部门负责监督与实施。
3.2各地环境保护部门会同城建、水利、卫生、农业等有关部门,根据流域或水系整体规划,结合水域使用要求,将所辖水域划分功能类别、报省、自治区、直辖市人民政府批准后,按相应的标准值管理。
地面水环境质量标准地面水环境质量标准〔GB3838-02〕该标准适用于我国江、河、湖泊、水库等具有使用功能的地面水水域。
依据地面水水域使用目的和爱护目标,可将我国地面水划为五类:I类主要适用于源头水、国家自然爱护区。
II类主要适用于集中式生活饮用水水源地一级爱护区、宝贵鱼类爱护区、鱼虾产卵场等。
III类主要适用于集中式生活饮用水水源地二级爱护区、一般鱼类爱护区及游泳区。
IV类主要适用于一般工业水区及人体非直接接触的娱乐用水区。
V类主要适用于农业用水区及一般景观要求水域。
前言为贯彻执行(环境爱护法)和(水污染防治法),操纵水污染,爱护水资源,保证人体健康,维护生态平衡,制定本标准。
本标准是对GB 3838-88(地面水环境质量标准)的修订。
依据1997年通过的(水污染防治法),将本标准中“地面水〞改称为“地表水〞。
本标准将标准工程划分为根本工程和特定工程。
根本工程适用于全国江河、湖泊、运河、渠道、水库等具有使用功能的地表水水域,是满足规定使用功能和生态环境质量的根本水质要求。
特定工程适用于特定地表水域特定污染物的操纵,由县级以上人民政府环境爱护行政主管部门依据本地环境治理的需要自行选择,作为根本工程的补充指标。
与原标准相比,本标准增加了粪大肠菌群、氨氮和硫化物三项根本工程指标,删除了总大肠菌群一项指标,将苯并〔a〕芘改为特定工程,同时修订了水温、凯氏氮、总磷、高锰酸盐指数、化学需氧量五个工程的标准值。
本标准工程共计75项,其中根本工程31项,以操纵湖泊水库富营养化为目的的特定工程4项,以操纵地表水Ⅰ、Ⅱ、Ⅲ类水域有机化学物质为目的的特定工程40项。
本标准与(海水水质标准)均为水环境质量标准。
与近海水域相连的地表水河口水域,按功能执行(地表水环境质量标准)的相应类别,近海功能区执行(海水水质标准)的相应类别。
各级环境爱护行政主管部门应依据(地表水环境质量标准)对各类水域进行监督治理。
对批准划定的单一渔业爱护区、鱼虾产卵场水域按(渔业水质标准)进行治理。
三.《海⽔⽔质标准》 1.适⽤范围 适⽤于中华⼈民共和国管辖的海域。
2.海⽔⽔质分类 按照海域的不同适⽤功能和保护⽬标,海⽔⽔质分四类。
Ⅰ类-适⽤于海洋渔业⽔域,海上⾃然保护区和珍稀濒危海洋⽣物保护区。
Ⅱ类-适⽤于⽔产养殖区、海⽔浴场、⼈体直接接触海上运动或娱乐区,以及与⼈类⾷⽤直接有关的⼯业⽤⽔区。
Ⅲ类-适⽤于⼀般⼯业⽤⽔区,滨海风景旅游区。
Ⅳ类-适⽤于海洋港⼝⽔域,海洋开发作业区。
四.《污⽔综合排放标准》 1.主要内容与适⽤范围 1.1.主要内容《污⽔综合排放标准》按照污⽔排放去向,分年限规定了69种⽔污染物允许排放浓度和部分⾏业允许排放浓度。
1.2.适⽤于现有单位⽔污染物的排放管理,以及建设项⽬的环境影响评价、建设项⽬环境保护设施设计、竣⼯验收及其投产后的排放管理。
在本标准颁布后,新增加国家⾏业⽔污染物排放标准的⾏业,按其适⽤范围执⾏相应的国家⽔污染物⾏业标准,不再执⾏本标准。
2.标准分级(GB3838——《地表⽔环境质量标准》;GB3097——《海⽔⽔质标准》) 2.1.排⼊GB3838中Ⅲ类⽔域(划定的保护区和游泳区除外)和排⼊GB3097中⼆类海域的污⽔,执⾏⼀级标准。
2.2.排⼊GB3838中Ⅳ、Ⅴ类⽔域和排⼊GB3097中三类海域的污⽔,执⾏⼆级标准。
2.3.排⼊设置⼆级污⽔处理⼚的城镇排⽔系统的污⽔,执⾏三级标准。
2.4.排⼊未设置⼆级污⽔处理⼚的城镇排⽔系统的污⽔,必须根据排⽔系统出⽔受纳⽔域的功能要求,分别执⾏2.1和2.2的规定。
2.5.GB3838中的Ⅰ、Ⅱ类⽔域和Ⅲ类⽔域中划定的保护区,GB3097中⼀类海域禁⽌新建排污⼝,现有排污⼝按⽔体功能要求,实⾏污染物总量控制以保证受纳⽔体⽔质符合规定⽤途的⽔质标准。
3.污染物分类 《污⽔综合排放标准》将排放的污染物按其性质和及控制⽅式分为两类。
按年限规定了第⼀类污染物和第⼆类污染物允许排放浓度及部分⾏业允许排⽔量。
贵州省红枫湖、百花湖水资源环境保护条例文章属性•【制定机关】贵州省人大及其常委会•【公布日期】1995.11.28•【字号】•【施行日期】1996.01.01•【效力等级】省级地方性法规•【时效性】失效•【主题分类】水污染防治正文贵州省红枫湖、百花湖水资源环境保护条例(1995年11月28日贵州省第八届人民代表大会常务委员会第十八次会议通过1996年1月1日起施行)目录第一章总则第二章保护范围第三章污染防治第四章监督管理第五章法律责任第六章附则第一章总则第一条为保护红枫湖、百花湖(以下简称两湖)水资源环境,合理利用水资源,保障人民身体健康,促进经济和社会发展,根据有关法律、法规,结合实际,制定本条例。
第二条本条例适用于两湖全部汇水面积内的水库、河流等水体及其陆域。
第三条两湖水资源首先满足城乡居民生活用水,统筹兼顾工业、农业用水和旅游需要。
各级人民政府制定的两湖水资源环境保护范围内的社会经济发展规划和计划,必须服从前款规定。
第四条对保护和改善两湖水资源环境作出显著成绩的单位和个人,由人民政府或有关部门给予奖励。
第二章保护范围第五条在两湖水资源环境保护范围内划分饮用水源保护区和外围保护区。
两湖饮用水源保护区划分为一级保护区、二级保护区和准保护区。
第六条红枫湖饮用水源保护区划分如下:(一)一级保护区:以饮用水集中式取水点为中心,范围由省人民政府环境保护行政主管部门公布;(二)二级保护区:南湖水域及其沿湖陆域1000米;(三)准保护区:除一、二级保护区以外的其他水域和河流入湖口上溯5000米及沿河、湖陆域2000米。
第七条百花湖饮用水源保护区划分如下:(一)一级保护区:以饮用水源集中式取水点为中心,范围由省人民政府环境保护行政主管部门公布;(二)二级保护区:以取水点为中心,水域上游2500米,下游2000米,取水点东部500米,西部2000米,沿湖陆域1000米;(三)准保护区:除一、二级保护区以外的其他水域和河流入湖口上溯3000米,沿河、湖陆域2000米。
贵州省水功能区划贵州省水利厅贵州省环境保护厅2014年11月17、全省水资源概况 (1)(一)................................... 自然条件与经济社会状况11、自然状况 (1)2、河流水系基本情况 (2)3、经济社会基本情况 (2)(二)水资源量与水质状况31、供水量和用水量 (3)2、河湖水质现状 (3)二、水功能区划体系 (3)(一).........................................................区划依据与目的31、区划依据 (3)2、区划目的 (4)(二)........................................ 区划指导思想与原则51、指导思想 (5)2、区划原则 (5)(三)水功能区划分体系6(四)..................................... 一级区划的条件和指标71、保护区 (7)2、保留区 (8)3、开发利用区 (8)4、缓冲区 (9)(五)二级区划的条件和指标 (9)1、饮用水源区 (9)2、工业用水区 (10)3、农业用水区 (10)4、渔业用水区 (11)5、景观娱乐用水区126、过渡区 (12)7、排污控制区 (13)三、水功能区划成果 (13)(一)一级水功能区 (13)1、保护区 (15)2、保留区 (15)3、开发利用区 (15)4、缓冲区 (16)(三)二级水功能区 (16)四、水功能区保护与监督管理 (17)、全省水资源概况(一)自然条件与经济社会状况1、自然状况贵州省位于中省西南的东南部,介于东经103° 367〜109。
35,、北纬24°37,〜29° 13之间,东毗湖南省、南邻广西自治区、西连云南省、北接四川省和重庆市,全省东西长约595km,南北相距约509km,总面积为176167 kn?,占全省省土面积的1.8%。
贵州省人民政府关于贵州省水功能区划有关问题的批复
正文:
---------------------------------------------------------------------------------------------------------------------------------------------------- 省人民政府关于贵州省水功能区划有关问题的批复
黔府函〔2015〕30号
省水利厅、省环境保护厅:
你们报来《关于调整贵州省水功能区划的请示》(黔水呈〔2014〕55号)收悉。
经研究,现批复如下:
一、原则同意对《贵州省水功能区划》(2006年版)的调整意见,《贵州省水功能区划》(2015年版,以下简称《区划》)由你们印发并会同有关部门认真组织实施。
二、《区划》是我省水资源科学管理、合理开发、有效保护和水环境综合治理的重要基础和依据,各地各有关部门要密切配合,采取有效措施,切实加强水资源的保护和管理,实现水资源可持续利用,保障经济社会可持续发展。
三、在我省水资源管理、水污染防治、节能减排等工作中,要严格执行《区划》要求,衔接好《区划》
与土地利用、城市建设等相关规划的关系。
四、各级水利(水务)、环境保护部门要按照《区划》对水
质的要求,结合各类水体的自然净化能力,核定水域纳污总量。
要加强水功能区水质、水量动态监测和入河湖排污口管理,强化水功能区达标监督管理,确保各水功能区按期达到水质标准。
贵州省人民政府
2015年2月10日
——结束——。
地面水环境质量标准GB3838-88为贯彻执行中华人民共和国《环境保护法(试行)》和《水污染防治法》,控制水污染,保护水资源,特制订本标准。
本标准适用于中华人民共和国领域内江、河、湖泊、水库等具有使用功能的地面水水域。
1、水域功能分类依据地面水水域使用目的和保护目标将其划分为五类:I 类主要适用于源头水、国家自然保护区。
II 类主要适用于集中式生活饮用水水源地一级保护区、珍贵鱼类保护区、鱼虾产卵场等。
III类主要适用于式生活饮用水水源地二级保护区、一般鱼类保护区及游泳区。
IV 类主要适用于一般工业用水区及人体非直接接触的娱乐用水区。
V 类主要适用于农业用水区及一般景观要求水域。
同一水域兼有多类功能的,依最高功能划分类别。
有季节性功能的,可分季划分类别。
地面水环境质量标准(mg/L)表 1* 允许根据地方水域背景值特征做适当调整的项目** 规定分析检测方法的最低检出限,达不到基准要求*** 试行标准2、水质要求本标准规定不同功能水域执行不同标准值,地面水五类水域的水质要求按表1执行。
2.1不得用瞬时一次监测值使用本标准。
2.2标准值单项超标,即表明使用功能不能保证。
危害程度应参考背景值及水生生物调查数据,硬度修正方程及有关基准资料综合评价。
3、标准的实施3.1本标准由各环境保护部门及水资源保护部门负责监督与实施。
3.2各地环境保护部门会同城建、水利、卫生、农业等有关部门,根据流域或水系整体规划,结合水域使用要求,将报辖水域划分功能类别,报省、自治区、直辖市人民政府批准后,按相应的标准值管理。
3.3划分各水域功能,一般不得低于现状功能。
需要降低现状功能时,应做技术经济论证,并报上级主管部门批准。
3.4排污口所在水域形成的混合区,不得影响鱼类回游通道及邻近功能区水质。
3.5渔业水域,由各级渔业行政部门按TJ35-79《渔业水质标准》监督管理;生活饮用水点,由各级卫生防疫部门按GB5749-85《饮用水卫生标准》监督管理;放射性指标执行国家GB8703-88《辐射防护规定》。
地表水环境质量标准---GB3838-20021范围1.1 本标准按照地表水环境功能分类和保护目标,规定了水环境质量应控制的项目及限值,以及水质评价、水质项目的分析方法和标准的实施与监督。
1.2 本标准适用于中华人民共和国领域内江河、湖泊、运河、渠道、水库等具有使用功能的地表水水域。
具有特定功能的水域,执行相应的专业用水水质标准。
2引用标准《生活饮用水卫生规范》(卫生部,2001年)和本标准表4—表6所列分析方法标准及规范中所含条文在本标准中被引用即构成为本标准条文,与本标准同效。
当上述标准和规范被修订时,应使用其最新版本。
3水域功能和标准分类依据地表水水域环境功能和保护目标,按功能高低依次划分为五类:Ⅰ类主要适用于源头水、国家自然保护区;Ⅱ类主要适用于集中式生活饮用水地表水源地一级保护区、珍稀水生生物栖息地、鱼虾类产卵场、仔稚幼鱼的索饵汤等;Ⅲ类主要适用于集中式生活饮用水地表水源地二级保护区、鱼虾类越冬场、洄游通道、水产养殖区等渔业水域及游泳区;Ⅳ类主要适用于一般工业用水区及人体非直接接触的娱乐用水区;Ⅴ类主要适用于农业用水区及一般景观要求水域。
对应地表水上述五类水域功能,将地表水环境质量标准基本项目标准值分为五类,不同功能类别分为执行相应类别的标准值。
水域功能类别高的标准值严于水域功能类别低的标准值。
同一水域兼有多类使用功能的,执行最高功能类别对应的标准值。
实现水域功能与达功能类别标准为同一含义。
4 标准值4.1 地表水环境质量标准基本项目标准限制见表1。
4.2 集中式生活饮用水地表水源地补充项目标准限值见表2。
4.3 集中式生活饮用水地表水源地特定项目标准限值见表3。
5 水质评价5.1 地表水环境质量评价应跟据应实现的水域功能类别,选取相应类别标准,进行单因子评价,评价结果应说明水质达标情况,超标的应说明超标项目和超标倍数。
5.2 丰、平、枯水期特征明显的水域,应分水期进行水质评价。
5.3 集中式生活饮用水地表水源地水质评价的项目应包括表1中的基本项目、表2中的补充项目以及由县级以上人民政府环境保护行政主管部门从表3中选择确定的特定项目。
第一章总则1.1项目的提出及规划的必要性《中华人民共和国水污染防治法》和《中华人民共和国水污染防治法实施细则》明确规定,各地要加强饮用水水源保护,划定饮用水水源保护区,报省、自治区、直辖市人民政府批准。
目前,全省有部分饮用水水源地存在水质较差的情况,已引起了有关领导的高度重视;钱运录书记、石秀诗省长、肖永安副省长对加强饮用水水源污染整治作过多次批示或指示。
为加强饮用水水源的保护工作,保证饮用水水源安全,省环境保护目标考核办已将饮用水源保护工作纳入《环境目标责任书》考核内容。
遵义市历史文化悠久,生态环境类型多样。
然而,自然资源的长期开发、人口增长和社会经济发展导致区域生态环境不断恶化,不仅降低了区域环境质量,而且也对社会经济持续发展构成了威胁。
2004年,遵义市中心城区人口集中,现有人口60余万人,是全市政治、经济、文化的中心。
目前,遵义市中心城区部分饮用水水源水质有超标项目,饮用水的安全存在隐患;由于饮用水水源保护区内有工业污染物的排放、其周边集镇的发展和人口的增加,集镇生活污水未能得到有效治理等因素,造成了饮用水水源污染。
加之当今的污染从城市扩散到农村,从点源发展到面源,农村面源污染日趋严重,农村所产生的畜禽粪便、生活污水、农药化肥、生活垃圾、秸秆、农膜、规模化畜禽养殖等是造成农村环境污染的因子,而形成的污染来源广泛,治理难度较大,已经威胁到了中心城区的饮水安全和饮用水水源保护区内农村的生态安全、饮水安全。
遵义市是一座缺水的城市,人均水资源量不足全国平均水平的1/4。
随着城市化水平的提高,中心城区未来用水量将远远超过本地区的水资源量。
现在主要供水水源南郊水库、北郊水库因上游地区森林覆盖率低,土壤侵蚀强烈,生态环境破坏严重,农业面源污染加重等状况,水质有超标项目,存在饮水安全的问题。
为防治水污染,保护遵义市中心城区饮用水水源,保障人体健康,维护良好的生态系统,保证水资源永续利用,促进经济社会的持续发展;为加快全面建设小康社会的进程,切实改善城市环境质量,尤其是改善城市饮用水环境质量,科学合理地开发利用城市水资源,保证城市经济社会的可持续发展,保证城市人民饮水安全、卫生,依据有关法律法规,结合遵义市地表水环境的变化,根据遵义市城市发展规划和城市发展的需要,在“十一五”期间首先应重点保护遵义市中心城区饮用水水源地,治理饮用水水源保护区内环境污染状况,提高饮用水水源保护区生态环境质量,促进饮用水水源保护区农村经济社会良性发展和可持续发展,划定遵义市中心城区集中式饮用水水源保护区并编制《遵义市中心城区饮用水水源保护区规划》,是目前紧迫而至关重要的任务。
地表水环境质量标准GB 3838-2002前言为贯彻《中华人民共和国环境保护法》和《中华人民共和国水污染防治法》,防治水污染,保护第表水水质,保障人体健康,维护良好的生态系统,制定本标准。
本标准将标准项目划分为:地面水环境质量基本项目、集中式生活饮用水地表水源地补充项目和集中式生活饮用水地表水源地特定项目。
地面水环境质量标准基本项目适用于全国江河、湖泊、运河、渠道、水库等具有使用功能的地表水水域;集中式生活饮用水地表水源地补充项目和特定项目适用于集中式生活饮用水地表水源地一级保护区和二级保护区。
集中式生活饮用水地表水源地特定项目由县级以上人民政府环境保护行政主管部门根据本地区地表水水质特点和环境管理的需要进行选择,集中式生活饮用水地表水源地补充项目和选择确定的特定项目作为基本项目的补充指标。
本标准项目共计109项,其中地表水环境质量标准基本项目24项,集中式生活饮用水地表水源地补充项目5项,集中式生活饮用水地表水源地补充项目和特定项目80项。
与GHZB1-1999相比,本标准在地表水环境质量基本项目中增加总氮一项指标,删除了基本要求和亚硝酸盐、非离子氨、凯氏氮三项指标,将硫酸盐、氯化物、硝酸盐、铁、锰调整为集中式生活饮用水地表水源地补充项目,修订了pH、溶解氧、氨氮、总磷、高锰酸盐指数、铅、粪大肠菌群7个项目的标准值,增加了集中式生活饮用水地表水源地特定项目40值。
本标准删除了湖泊水库特定项目标准值。
县级以上人民政府环境保护行政主管部门根据职责分工,按本标准对地表水各类水域进行监督管理。
与近海水域相连的地表水河口水域根据水环境功能按本标准相应类别标准值进行管理,近海水功能区水域根据使用功能按《海水水质标准》相应类别标准值进行管理。
批准划定的单一渔业水域按按《渔业水质标准》进行管理;处理后的城市污水及与水质相近的工业废水用于农田灌溉用水的水质按《农田灌溉水质标准》进行管理。
《地面水环境质量标准》(GB3838-83)为首次发布,1998年为第一次修订,1999年为第二次修订,本次为第三次修订。
地面水环境质量标准地面水环境质量标准求助编辑百科名片地面水环境质量标准(GB3838-88)该标准适用于我国江、河、湖泊、水库等具有使用功能的地面水水域。
根据地面水水域使用目的和保护目标,可将我国地面水划为五类:I类主要适用于源头水、国家自然保护区。
II类主要适用于集中式生活饮用水水源地一级保护区、珍贵鱼类保护区、鱼虾产卵场等。
III类主要适用于集中式生活饮用水水源地二级保护区、一般鱼类保护区及游泳区。
IV类主要适用于一般工业水区及人体非直接接触的娱乐用水区。
V类主要适用于农业用水区及一般景观要求水域。
目录前言1 主题内容与适用范围2 引用标准3 水域功能分类4 标准值5 水质评价6.标准的实施与监督展开前言1 主题内容与适用范围2 引用标准3 水域功能分类4 标准值5 水质评价6.标准的实施与监督展开编辑本段前言为贯彻执行《中华人民共和国环境保护法》和《中华人民共和国水污染防治法》,控制水污染,保护水资源,保障人体健康,维护生态平衡,制定本标准。
本标准是对GB 3838-88《地面水环境质量标准》的修订。
根据1997年通过的《中华人民共和国水污染防治法》,将本标准中“地面水”改称为“地表水”。
本标准将标准项目划分为基本项目和特定项目。
基本项目适用于全国江河、湖泊、运河、渠道、水库等具有使用功能的地表水水域,是满足规定使用功能和生态环境质量的基本水质要求。
特定项目适用于特定地表水域特定污染物的控制,由县级以上人民政府环境保护行政主管部门根据本地环境管理的需要自行选择,作为基本项目的补充指标。
与原标准相比,本标准增加了粪大肠菌群、氨氮和硫化物三项基本项目指标,删除了总大肠菌群一项指标,将苯并(a)芘改为特定项目,同时修订了水温、凯氏氮、总磷、高锰酸盐指数、化学需氧量五个项目的标准值。
本标准项目共计75项,其中基本项目31项,以控制湖泊水库富营养化为目的的特定项目4项,以控制地表水Ⅰ、Ⅱ、Ⅲ类水域有机化学物质为目的的特定项目40项。
毕节地区地表水域环境功能区划类规定关于毕节地区地表水域环境功能区划类规定导语:为防治水污染,保护和改善地表水环境,保障人体健康,保证水资源的有效利用,促进经济、社会与环境协调发展,根据《中华人民共和国水污染防治法》、《中华人民共和国水污染防治法实施细则》、《中华人民共和国水法》、《地表水环境质量标准》(gb3838—2002)和黔府发〔1994〕22号文件规定,结合毕节地区实际,对毕节地区地表水域环境功能区进行划类管理。
下面是小编收集的相关内容,欢迎阅读。
1地表水概况毕节地区位于贵州省西北部,大部分地方属亚热带温凉湿润季风气候。
境内多山地,占93.3%,海拔457~2900米,全区土地总面积26853平方公里,具有典型的喀斯特地貌特征,区内沟壑纵横,溶洞发育遍布。
由于地下喀斯特溶蚀管道非常发育,地表水渗漏严重,虽然降水丰富,但地表仍然干旱缺水,毕节地区地处长江、珠江两大流域,属长江流域的面积占国土面积的94.8%,珠江流域的面积占国土面积的5.2%。
长江流域的二级分区有金沙江石鼓以下、宜宾至宜昌和乌江。
珠江水系的二级分区有南北盘江,境内有三岔河干流和可渡河、牛拦江、洛泽河(横江)、赤水河、六冲河、野济河、偏岩河等一级支流,以及哈喇河、二道河、白甫河等27条二级支流。
经多年的水利建设,目前有草海、洪家渡水库、杨湾桥水库、附廓水库,倒天河水库等容积在100万立方米以上的湖库46个,还有100万立方米以下10立方米以上的水库上百个。
当前毕节地区的妈姑河、倒天河毕节城区段、织金河、哈喇河、前河、野济河黔西城区段、三岔河二塘段和纳雍段、金沙县偏岩河城区段等部分水体因煤炭开采及洗选、金属冶炼、化肥、医院废水、城镇生活废水等排入,已有不同程度的污染,水质较差。
其余水体及湖库已受到一定的污染影响,但因其自净力大于影响程度,水质较好。
各县市城集中式饮用水源也受到程度不同的污染,85%的集中式饮用水源不能全部达到《饮用水卫生标准》。
贵州省地面水域水环境功能划类规定(1994年4月18日,由省人民政府颁发施行)为了控制水污染,保护水资源,维持生态平衡,保障人体健康,合理利用水资源,促进经济发展,根据《中华人民共和国水污染防治法》、《地面水环境质量标准》(GB3838—88),结合贵州省地面水域的特点和实际惰况,对我省地面水域水环境功能区划类管理作如下规定:一、水环境功能区划分的对象及范围(一)划分对象:贵州省地表水城即河流、湖泊和水库。
(二)划分范围:第一级:省级划分范围:主要划分贵州省境内的乌江干流、赤水河干流、北盘江干流、南盘江干流、红水河干流、清水江干流、都柳江干流.舞阳河干流、锦江干流及重点水域。
第二级:地市级划分范围:主要划分位于地区、市范围内水系干流,一、二级支流,湖库水环境功能的进一步划分。
第三级:县级划分范围:主要划分位于县境内的河流、湖库。
二、水域功能分类依据地面水水域使用目的和保护目标,将其划分为五类:Ⅰ类:主要适用于源头水、国家自然保护区。
Ⅱ类:主要适用于集中式生活饮用水水源地一级保护区、珍贵鱼类保护区、鱼虾产卵场等。
Ⅲ类:主要适用于集中式生活饮用水水源地二级保护区、一般鱼类保护区及游泳区。
Ⅳ类:主要适用于一般工业用水区及人体非直接接触的娱乐用水区。
Ⅴ类:主要适用于农业用水区及一般景观要求水域。
同一水域兼有多功能的、依最高功能划分类别,有季节性功能类别的,可分季划分类别。
混合区:为了合理利用水环境容量在排污口附近水域所实际形成的混合区,排污口所在水域形成的混合区,不得影响鱼类涸游通道及邻近功能区水域。
三、水域环境功能区划分原则(一)集中式饮用水源地优先保护的原则。
对于一个水体的功能区的划分,首先必须保护饮用水水源地,在保证饮用水源功能区的原则下,兼顾其他功能区的划分。
(二)划分各功能区一般不得低于现状功能,需要降低现状功能时,应做技术经济论证。
县级及县级市应报地区环境功能领导小组审批;地市级划分方案,应报省环境功能划分领导小组审批。
贵州省地面水域水环境功能划类规定
(1994年4月18日,由省人民政府颁发施行)
为了控制水污染,保护水资源,维持生态平衡,保障人体健康,合理利用水资源,促进经济发展,根据《中华人民共和国水污染防治法》、《地面水环境质量标准》(GB3838—88),结合贵州省地面水域的特点和实际惰况,对我省地面水域水环境功能区划类管理作如下规定:
一、水环境功能区划分的对象及范围
(一)划分对象:贵州省地表水城即河流、湖泊和水库。
(二)划分范围:
第一级:省级划分范围:主要划分贵州省境内的乌江干流、赤水河干流、北盘江干流、南盘江干流、红水河干流、清水江干流、都柳江干流.舞阳河干流、锦江干流及重点水域。
第二级:地市级划分范围:主要划分位于地区、市范围内水系干流,一、二级支流,湖库水环境功能的进一步划分。
第三级:县级划分范围:主要划分位于县境内的河流、湖库。
二、水域功能分类
依据地面水水域使用目的和保护目标,将其划分为五类:
Ⅰ类:主要适用于源头水、国家自然保护区。
Ⅱ类:主要适用于集中式生活饮用水水源地一级保护区、珍贵鱼类保护区、鱼虾产卵场等。
Ⅲ类:主要适用于集中式生活饮用水水源地二级保护区、一般鱼类保护区及游泳区。
Ⅳ类:主要适用于一般工业用水区及人体非直接接触的娱乐用水区。
Ⅴ类:主要适用于农业用水区及一般景观要求水域。
同一水域兼有多功能的、依最高功能划分类别,有季节性功能类别的,可分季划分类别。
混合区:为了合理利用水环境容量在排污口附近水域所实际形成的混合区,排污口所在水域形成的混合区,不得影响鱼类涸游通道及邻近功能区水域。
三、水域环境功能区划分原则
(一)集中式饮用水源地优先保护的原则。
对于一个水体的功能区的划分,首先必须保护饮用水水源地,在保证饮用水源功能区的原则下,兼顾其他功能区的划分。
(二)划分各功能区一般不得低于现状功能,需要降低现状功能时,应做技术经济论证。
县级及县级市应报地区环境功能领导小组审批;地市级划分方案,应报省环境功能划分领导小组审批。
地、市、县的环境功能区的划分类别,原则上不得低于省级整体划分类别的要求,若低于需报省领导小组审批。
(三)同一水域兼有多功能时,按最高功能区划分类别。
(四)同一河流,在划分不同类别功能时,上下游河段的功能划分应相互兼顾,进行湖库的河流应满足湖库的功能要求。
(五)我省是岩溶十分发育的地区,划分水功能区时,应考虑地面水对地下饮用水源地污染的影响。
(六)合理布局,综合规划。
做到污染源合理布局,水域功能区划与陆上工业合理布局,与城市发展规划相结合。
(七)合理利用水体的自净能力和环境容量。
在统一规划、合理布局的前提下,调整功能区。
对排污口附近水域形成的混合区,按河流长度,湖库面积比例尽可能小的原则划分,同时可利用水文条件的季节特征、自净能力和环境容量等各种措施。
(八)环境功能区的划分,应认真考虑技术经济约柬、实用可行、利于管理的原则。
四、水域环境功能区划类管理
贵州省环境保护局主管全省地面水水域环境功能区划分工作,会同省建设、水利电力、卫生、农业等有关行政主管部门对全省主要地面水水城环境功能划分类别,并报省人民政府审批。
各地、州(市)环境保护局,会同有关行政主管部门依据省主要地面水环境功能和本地区水环境现状、使用要求、整体规划等,对省未划类的所辖水域划分功能类别,对省已划类的水城位于本辖区的部分可进行局部划类调整。
凡涉及相邻地、州(市)用水水质的水域,其环境功能划类,由省环境保护局会同有关主管部门审批;不涉及相邻地、州(市)用水水质的水域,其环境功能划分,由地区行政公署、州(市)人民政府审批,报省环境保护局备案。
县级环境保护局会同有关的主管部门,依据省、地主要地面水环境功能区分类和本县范围水环境现状、使用要求,整体规划等,对地、州(市)未划类的所辖水城划分环境功能类别,对地、州(市)己划类的水域位于本县范围可进行局部划类调整。
凡涉及相邻县(市)用水水质的水域,由地、州(市)环保局会同有关主管部门审批,不涉及相邻县(市)用水水质的水城其环境功能区划分”由县(市)人民政府审批,报地、州(市)环保局备案。
各级人民政府环境保护、水利行政主管部门,负责对中华人民共和国《地面水环境质量标准》的实施进行监督管理,对不同功能类别的水城执行相应的水质标准,各级人民政府环保局所属环境监测站,负责水质监督和监测。
判别水质是否符合地面水环境质量标准,应使用各水期平均值,不得使用瞬时一次监测值。
监测值单项超标,即表明使用功能不能保证,危害程度应参考背景值及水生生物调查数据、硬度修正方程及有关基础资料等,进行综合评价。
监测取样点应当分别设在各功能区代表位置。
监测方式按《地面水环境质量标准》中选配的方法执特。
集中式生活饮用水取水点及其卫生防护区、渔业水域、排灌河渠的农灌用水等,均为专业用水区,分别由县级以上各级卫生、渔业、农业等行政主管部门按《生活饮用水工生标准》、《渔业水质标准》、《农田灌溉水质标准》监督管理。
本规定自发布之日起实施,由省环保局负贵解释。
附件一:贵州省主要河流环境功能区划类别表
附件二:贵州省主要湖泊、水库环境功能区划类别表
贵州省和要地面水域水环境功能类别表
附件二
贵州省主要湖泊水库水环境功能类别表。