1.安全作业防护用品一览表
- 格式:docx
- 大小:14.67 KB
- 文档页数:1
施工安全行为检查表一、个人防护用品1.安全帽o检查施工人员是否正确佩戴安全帽,帽带是否系紧。
o确认安全帽是否有破损、裂纹等缺陷,是否在有效期内。
2.安全带o高处作业人员是否正确佩戴安全带,并高挂低用。
o检查安全带是否有磨损、断股等情况,是否在有效期内。
3.安全鞋o施工人员是否穿着符合要求的安全鞋,鞋底是否防滑。
o确认安全鞋是否有破损、变形等问题。
4.其他防护用品o根据施工需要,检查是否佩戴了如防护手套、护目镜、耳塞等防护用品。
o确认防护用品的质量是否合格,是否适合工作环境。
二、高处作业安全1.作业平台o检查高处作业平台是否牢固可靠,承载能力是否符合要求。
o确认平台四周是否有防护栏杆,高度是否符合标准。
2.临边防护o施工现场临边处是否设置了防护栏,防护是否严密。
o检查防护栏的高度、强度是否符合要求。
3.洞口防护o各种预留洞口是否有盖板、防护栏杆等防护措施。
o确认防护措施是否牢固、有效。
4.攀登作业o检查攀登设施是否安全可靠,如梯子、脚手架等。
o确认攀登作业人员是否遵守操作规程,是否系好安全带。
三、电气安全1.临时用电o检查临时用电线路是否架空或埋地敷设,是否存在乱拉乱接现象。
o确认配电箱是否符合标准,是否有漏电保护、接地保护等装置。
o检查电气设备是否完好,有无破损、漏电等情况。
2.手持电动工具o手持电动工具是否具有合格的绝缘性能,外壳是否无破损。
o确认使用手持电动工具时是否佩戴了相应的防护用品。
o检查手持电动工具的插头、插座是否完好,是否符合安全要求。
四、起重吊装安全1.起重设备o检查起重设备是否经过检测合格,是否有定期维护保养记录。
o确认起重设备的操作人员是否持证上岗,操作是否规范。
2.吊具索具o检查吊具索具是否完好,有无磨损、断丝等情况。
o确认吊具索具的规格、型号是否符合要求,是否在额定载荷范围内使用。
3.吊装作业o吊装作业前是否进行了安全技术交底,作业人员是否清楚作业流程和安全注意事项。
o检查吊装作业现场是否设置了警戒区域,是否有专人指挥。
建设工程施工安全标准化管理资料安全防护用品(具)管理工程名称:建设单位:施工单位:监理单位:江苏省建筑安全监督总站制目录3.1 安全防护用品(具)购置使用计划3.2 安全防护用品(具)进场验收登记表3.3 安全防护用品(具)验收单3.4 安全防护用品(具)生产许可证、合格证、安全认证、评估报告、推荐证标志3.5 安全防护用品(具)送检检验报告3.6 个人劳动防护用品发放记录3.7 安全防护用具、材料领用记录说明1.安全防护用品(具)包括:个人劳动防护用品是指安全帽、安全带以及安全(绝缘)鞋、防护眼镜、防护手套、防尘(毒)口罩等;施工安全防护用品(具)是指安全网、钢丝绳、工具式防护栏、灭火器材、临时供电配电箱、空气断路器、隔离开关、交流接触器、漏电保护器、标准电缆及其他劳动保护用品。
2.在工程开工前,项目部应制定安全防护用品(具)及材料的购置和使用计划,报项目经理批准。
3.项目部对进场使用的安全防护用品(具)应查验下列证明:1)实施生产许可证制度的安全设施所需的材料、设备及防护用品,验证其生产许可证;2)产品鉴定报告、检测报告、质保书、合格证;3)实施认证制度的安全防护用品(具)认证标志;4)产品的技术性能、参数和安装使用说明;5)工具化、定型化的防护设施应有经批准的设计、制作和使用方案。
4.项目部应对进场安全防护用品(具)进行进货检验,保存相关凭证,并按照要求分批次送检复试。
5.项目部应及时将个人安全防护用品发放到职工手中,并保存发放记录。
6.企业及其项目部应对施工作业人员进行正确使用劳动防护用品的教育培训,并在安全教育培训部分如实记录。
3.1 安全防护用品(具)购置使用计划(粘贴)为认真贯彻实施《劳动法》、《安全生产法》、《职业病防治法》和《劳动防护用品监督管理规定》等法律、法规的规定,预防、控制和消除职业危害,保护员工在生产过程中安全和健康,确保安全生产,特制定本计划。
劳动防护用品,是保护员工在劳动生产过程中职业安全健康的一种预防性辅助措施,是保护员工健康安全的最后一道防线。
ICS:13.100D 09A Q 备案号:中华人民共和国安全生产行业标准AQ1051—2008煤矿职业安全卫生个体防护用品配备标准 Provision standard for personal protective equipments ofcoalmine occupational safety and health(送审稿)2008-11-19发布 2009-01-01实施 国家安全生产监督管理总局 发布目次前言 (III)1.范围 (1)2.规范性引用文件 (1)3.术语和定义 (1)4.一般规定 (3)4.1 矿灯 (3)4.2 矿灯带 (4)4.3 自救器 (4)4.4 擦拭及洗涤护肤用品 (4)4.4.1 毛巾 (4)4.4.2 肥皂 (5)4.4.3 香皂或浴液 (6)4.4.4 洗发液 (7)5.头部护具类 (8)5.1 橡胶安全帽、玻璃钢安全帽 (8)5.2 塑料安全帽 (8)5.3 工作帽、女工帽 (9)6.呼吸护具类 (9)6.1 自吸过滤式防颗粒物呼吸器(防尘口罩) (9)7.眼(面)护具类 (10)7.1 防冲击眼护具 (10)7.2 焊接眼面防护具 (11)7.3 化学护目镜 (11)7.4 紫外护目镜 (11)8.上肢防护类 (12)8.1 布手套 (12)8.2 线手套 (12)8.3 浸胶手套 (13)8.4 浸塑手套 (13)8.5 防振手套 (14)8.6 耐酸(碱)手套 (14)8.7 绝缘手套 (14)8.8 电焊手套 (14)8.9 护肘 (15)9.下肢防护类 (15)9.1 胶面防砸安全靴 (15)9.2 工矿靴 (15)9.3 防护胶鞋 (16)9.4 耐酸碱胶靴 (16)9.5 绝缘胶靴 (16)9.6 布袜 (17)9.7 护腿 (17)9.8 护膝或膝盖垫 (17)10.听力防护类 (17)10.1 耳塞、耳罩 (17)11.防护服装类 (18)11.1 矿工普通工作服 (18)11.2 反光背心(或在工作服上加装反光条) (19)11.3 劳动防护雨衣 (19)11.4 耐酸碱围裙 (20)11.5 棉上衣 (20)11.6 绒衣裤 (21)11.7 秋衣裤 (21)11.8 皮上衣 (21)11.9 皮裤 (21)11.10 护腰 (22)11.11 棉背心 (22)12.防寒用品类 (22)13.其它 (23)附录A:煤矿职业安全卫生个体防护用品配备标准一览表 (24)前言本标准与GB 11651—1989《劳动防护用品选用规则》个体防护用品选用原则与要求的规定相符合,并具体规定了煤矿职业安全卫生个体防护用品的配备范围与使用期限。
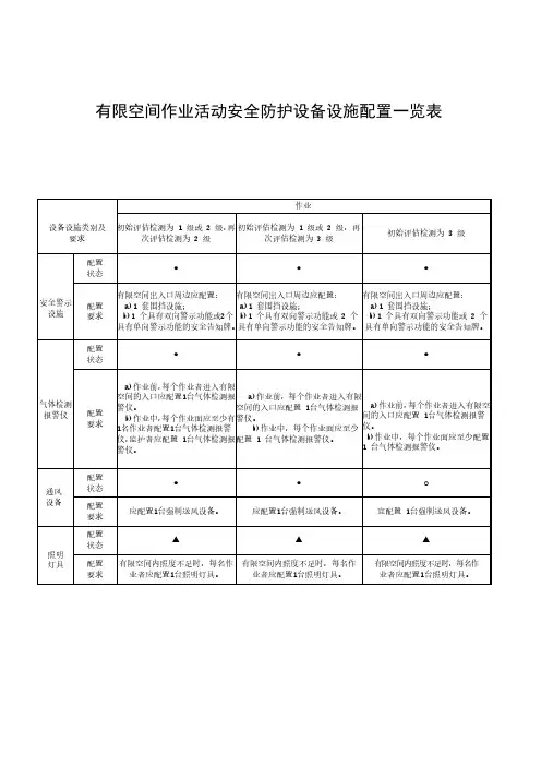
有限空间作业活动安全防护设备设施配置一览表设备设施类别及要求作业初始评估检测为1级或2级,再次评估检测为2级初始评估检测为1级或2级,再次评估检测为3级初始评估检测为3级安全警示设施配置状态●●●配置要求有限空间出入口周边应配置:a)1套围挡设施;b)1个具有双向警示功能或2个具有单向警示功能的安全告知牌。
有限空间出入口周边应配置:a)1套围挡设施;b)1个具有双向警示功能或2个具有单向警示功能的安全告知牌。
有限空间出入口周边应配置:a)1套围挡设施;b)1个具有双向警示功能或2个具有单向警示功能的安全告知牌。
气体检测报警仪配置状态●●●配置要求a)作业前,每个作业者进入有限空间的入口应配置1台气体检测报警仪。
b)作业中,每个作业面应至少有1名作业者配置1台气体检测报警仪,监护者应配置1台气体检测报警仪。
a)作业前,每个作业者进入有限空间的入口应配置1台气体检测报警仪。
b)作业中,每个作业面应至少配置1台气体检测报警仪。
a)作业前,每个作业者进入有限空间的入口应配置1台气体检测报警仪。
1)b)作业中,每个作业面应至少配置1台气体检测报警仪。
通风设备配置状态●●○配置要求应配置1台强制送风设备。
应配置1台强制送风设备。
宜配置1台强制送风设备。
照明灯具配置状态▲▲▲配置要求有限空间内照度不足时,每名作业者应配置1台照明灯具。
有限空间内照度不足时,每名作业者应配置1台照明灯具。
有限空间内照度不足时,每名作业者应配置1台照明灯具。
安全防护设备设施配置一览表(续)设备设施类别及要求作业初始评估检测为1级或2级,且再次评估检测为2级初始评估检测为1级或2级,再次评估检测为3级初始评估检测为3级通讯设备配置状态○○○配置要求每名作业者和监护者宜各配置1台对讲机。
每名作业者和监护者宜各配置1台对讲机。
每名作业者和监护者宜各配置1台对讲机。
呼吸防护用品配置状态●●○配置要求每名作业者应配置1套隔绝式或过滤式呼吸防护用品。
目录1.安全管理 (1)1.1工程基本情况 (1)1.1.1 建设工程项目安全监督登记表 (2)1.1.2 建设工程项目基本情况表 (3)1.1.3 证书清单 (4)1.1.4 危险性较大分部分项工程清单 (5)1.1.5 危险源识别与风险评价表 (7)1.1.6重大危险源动态管理控制表 (8)1.1.7 施工现场管理人员及资格证书登记表 (9)1.1.8 施工现场特种作业人员及操作资格证书登记表 (10)1.1.9 施工现场主要机械设备一览表.............................(11)1.1.10 施工现场总平面布置图 (12)1.1.11 施工现场安全标志(含消防标志)帄面布置图 (13)1.1.12 施工现场安全防护用具一览表 (14)1.1.13 施工现场安全生产文明施工措施费用预算表 (15)1.1.14 施工现场安全生产文明施工措施费用投入统计表 (16)1.2安全规章制度 (17)1.2.1 建设工程安全生产法律、法规、规章和规范性文件清单 (18)1.2.2 建设工程安全生产技术标准、规范清单 (19)1.2.3 建筑施工企业安全生产规章制度清单 (20)1.2.4 建设工程项目部安全管理机构网络 (21)1.2.5 建设工程项目部安全生产责任制 (22)1.2.6 建设工程项目部各级安全生产责任书 (23)1.2.7 建设工程项目安全生产事故应急救援预案 (24)1.2.8 工程建设安全事故快报表 (25)1.3安全教育与交底 (28)1.3.1 施工现场建筑工人三级教育登记表 (29)1.3.2 建筑工人三级安全教育登记卡 (30)1.3.3项目管理人员年度安全培训登记表 (31)1.3.4安全技术交底记录汇总表 (32)1.3.5安全技术交底记录表 (33)1.3.6 民工学位更关资料 (34)1.4安全活动 (35)1.4.1 工地安全日记 (36)1.4.2 班组安全活动记录表 (37)1.4.3 企业负责人施工现场带班检查记录 (38)1.4.4 项目负责人施工现场带班记录 (39)1.4.5 各类安全专项活动实施情况检查记录表 (40)2. 文明施工与消防管理 (41)2.1文明施工 (41)2.1.1 文明施工专项方案 (42)2.1.2 临时设施专项施工方案 (43)2.1.3 文明施工验收表 (44)2.1.4 施工临时用房验收表 (47)2.2消防管理 (48)2.2.1 消防安全管理方案及应急预案 (49)2.2.2 消防安全检查记录表 (50)2.2.3 三级动火许可证 (51)2.2.4 二级动火许可证 (52)2.2.5 —级动火许可证 (53)3. 安全检查与验收 (54)3.1安全检查 (54)3.1.1安全生产检查记录汇总表 (55)3.1.2项目安全生产检查记录表 (56)3.2高处作业 (58)3.2.1 高处作业防护设施安全验收表.............................(59)3.2.2 “三宝”质量证明文件清单 (61)3.3基坑工程 (62)3.3.1 基坑支护设计方案 (63)3.3.2 基坑安全专项施工方案及专家论证报告 (64)3.3.3 基坑监测方案和监测报告(巡查记录) (65)3.4模板支架工程 (66)3.4.1 模板支架工程安全专项施工方案及专家论证报告 (67)3.4.2 模板支架验收记录表 (68)3.4.3 模板支架工程安全技术综合验收表 (69)3.4.4 模板支架工程安全技术交底记录 (72)3.4.5 模板拆除申请表 (72)3.4.6 钢管、扣件等材料质量证明清单 (73)3.5脚手架工程 (74)3.5.1 脚手架工程安全专项施工方案及专家论证报告 (75)3.5.2 钢管扣件式脚手架安全技术综合验收表 (76)3.5.3 悬挑式脚手架安全技术综合验收表 (78)3.5.4 附着式升降脚手架安全技术综合验收表 (80)3.5.5 原材料及更关设备部件的质量证明文件 (82)3.5.6 脚手架工程安全技术交底 (83)3.5.7 脚手架拆除申请表 (84)3.5.8 高处作业吊篮安装拆卸方案 (85)3.5.9 高处作业吊篮安全技术综合验收表 (86)3.5.10 高处作业吊篮安装及使用人员安全技术交底 (88)3.5.11高处作业吊篮合格证及检测报告...........................3.6施工用电 (90)3.6.1 施工用电专项施工方案 (91)3.6.2 施工用电安全技术综合验收表 (92)3.6.3 接地电阻测验记录表 (95)3.6.4 绝缘电阻和漏电保护器检测记录表 (96)3.7安全防护设施 (97)3.7.1 安全防护设施交接验收记录 (98)3.7.2 安全防护用品发放记录表 (99)4. 施工机械 (100)4.1建筑起重机械 (100)4.1.1 建筑起重机械安装拆卸专项施工方案......................4.1.2 建筑起重机械基础工程资料 (102)4.1.3 建筑起重机械安全事故应急救援预案 (103)4.1.4 建筑起重机械产权备案表 (104)4.1.5 建筑起重机械安装(拆卸)告知表 (105)4.1.6 建筑起重机械使用登记表 (106)4.1.7 塔式起重机安装自检表 (107)4.1.8塔式起重机安装验收表 (114)4.1.9 塔式起重机安全监控系统安装验收表 (117)4.1.10 塔式起重机顶升加节验收表 (118)4.1.11 塔式起重机每日使用前检查表 (119)4.1.12 塔式起重机月度安全检查表 (120)4.1.13 建筑起重机基础验收表 (122)4.1.14 施工升降机安装自检表 (123)4.1.15 施工升降机安装验收表 (127)4.1.16 施工升降机每日使用前检查表 (129)4.1.17施工升降机月度安全检查表 (130)4.1.18施工升降机交接班记录表 (133)4.1.19物料提升机基础验收表 (134)4.1.20物料提升机安装自检表 (135)4.1.21物料提升机安装验收表 (137)4.1.22物料提升机每日使用前检查表 (139)4.1.23物料提升机月度安全检查表 (140)4.1.24其他更关资料 (142)4.2打(沉)桩机械 (143)4.2.1 桩基工程安全生产文明施工措施 (144)4.2.2 桩机工程安全技术综合验收表 (145)4.3起重吊装机械 (146)4.3.1 起重吊装工程安全专项施工方案 (147)4.3.2 起重吊装机械安全技术综合验收表 (148)4.3.3 起重吊装机械作业试吊记录表 (150)4.3.4 起重吊装作业安全技术交底记录 (151)4.3.5 起重吊装作业人员上岗证 (152)4.4施工机具 (153)4.4.1 平刨机安全技术验收表 (154)4.4.2 圆盘锯安全技术验收表 (155)4.4.3 钢筋机械安全技术验收表 (156)4.4.4 电焊机安全技术验收表 (157)4.4.5 搅拌机安全技术验收表 (158)4.4.6 挖土机械安全技术验收表 (159)4.4.7 施工机械操作人员上岗证 (160)浙江省建设工程施工现场安全管理台帐之一1.安全管理1.1 工程基本情况工程名称施工单位浙江省建筑业管理局浙江省建筑业行业协会施工安全与设备管理分会1.1.1 建设工程项目安全监督登记表建设单位(章):施工单位(章):登记日期:安监编号:建设单位:安全目标:工程名称:工程地址:项目负责人:联系电话:建设行政主管部门安全监督机构(章)年月日1.1.2 建设工程项目基本情况表建设单位(章):项目负责人(建设单位):填表人:联系电话1.1.3证书清单填表人:日期:41.1.4危险性较大分部分项工程清单工程名称:日期:施工单位项目负责人签字:监理单位项目负责人签字:建设单位项目负责人签字:1.1.5危险源识别与风险评价表工程名称:编制人:批准人:日期:71.1.6重大危险源动态管理控制表工程名称:编制人:批准人:日期:81.1.7施工现场管理人员及资格证书登记表工程名称:填表人:项目负责人:日期:1.1.8施工现场特种作业人员及操作资格证书登记表工程名称:填表人:项目负责人:日期:1.1.9施工现场主要机械设备一览表工程名称:填表人:项目负责人:日期:1.1.10施工现场总平面布置图工程名称:编制人:审核人:批准人:日期:1.1.11施工现场安全标志(含消防标志)平面布置图工程名称:编制人:审核人:批准人:日期:1.1.12施工现场安全防护用品一览表工程名称:填表人:项目负责人:日期:1.1.13施工现场安全生产文明施工措施费用预算表填表人:项目负责人:日期:1.1.13施工现场安全生产文明施工措施费用预算表填表人:项目负责人:日期:浙江省建设工程施工现场安全管理台帐之一1.安全管理1.2 安全规章制度工程名称施工单位浙江省建筑业管理局浙江省建筑业行业协会施工安全与设备管理分会1.2.1 建设工程安全生产法律、法规、规章和规范性文件清单工程名称:填写人:填写日期:1.2.2 建设工程安全生产技术标准、规范清单工程名称:填写人:填写日期:1.2.3 建设施工企业安全生产规章制度清单工程名称:填写人:填写日期:1.2.4 建设工程项目部安全管理机构网络工程名称编制人职务审核人职务批准人职务编制日期1.2.5 建设工程项目部安全生产责任制工程名称施工单位1.2.6 建设工程项目部各级安全生产责任书工程名称施工单位1.2.7 建设工程项目部安全生产事故应急救援预案工程名称编制人职务审核人职务批准人职务编制日期1.2.8 工程建设安全事故快报表浙江省建设工程施工现场安全管理台帐之一1.安全管理1.3 安全教育与交底工程名称施工单位浙江省建筑业管理局浙江省建筑业行业协会施工安全与设备管理分会1.3.1 施工现场建筑工人三级教育登记表工程名称:填表人:审核人:填表日期:1.3.2 施工现场建筑工人三级教育卡1.3.3 项目管理人员年度安全培训登记表工程名称:填表人:填写日期:1.3.4 安全技术交底记录汇总表工程名称:填表人:填写日期:1.3.5 安全技术交底记录表1.3.6 民工学校有关资料工程名称施工单位浙江省建设工程施工现场安全管理台帐之一1.安全管理1.4 安全活动工程名称施工单位浙江省建筑业管理局浙江省建筑业行业协会施工安全与设备管理分会1.4.1 工地安全日记1.4.2 班组安全活动记录表工程名称:班组:记录人:1.4.3 企业负责人施工现场带班检查记录。
电气安全防护用品使用规定
电气安全防护用品是为了保护人员在电气作业过程中的安全而设计的。
以下是常见的电气安全防护用品使用规定:
1. 绝缘手套:用于电气绝缘工作,必须符合国家标准,按照规定的使用寿命和检测周期进行使用和检测。
2. 绝缘鞋:用于电气绝缘工作,避免电流通过脚部,必须符合国家标准,按照规定的使用寿命和检测周期进行使用和检测。
3. 绝缘垫:用于电气作业时绝缘地面,避免电流通过地面传导到人体,必须符合国家标准。
4. 绝缘工具:用于电气施工和维修,必须符合国家标准,保持良好的绝缘性能,经常进行检查和维护。
5. 防护眼镜:用于防止电气作业时飞溅的火花、飞沫或其他物体进入眼睛,必须符合国家标准。
6. 防护面具:用于防止电气作业时产生的弧光、飞溅物等伤害面部,必须符合国家标准。
7. 防护耳塞或耳罩:用于防止电气作业时产生的噪音对听力造成损伤,必须符合国家标准。
8. 防静电服:用于防止电气作业时产生的静电危害,必须符合国家标准。
以上是一些常见的电气安全防护用品使用规定,具体使用规定还应根据实际情况和相关法规进行确定。
在使用过程中,必须
经过相应的培训和指导,并进行定期检查和维护,确保使用效果和安全性。
生产作业现场安全防护用品1、什么是安全防护用品?安全防护用品有什么作用?安全防护用品的概念:安全防护用品是保护劳动者在劳动过程中的安全和健康所必需的预防性装备,是使用一定的屏蔽体、带系或浮体,通过阻隔、吸收、分散、封闭等手段,保护劳动者机体的局部或全身,免受外来侵害。
使用个人防护用品是防止或减少工伤事故、预防职业病和职业中毒的重要措施。
安全防护用品的分类方法很多,可以根据用途、防护部位和所使用的原材料的性质进行分类。
按照用途可分为:防尘用品、防毒用品、防噪声用品、防电用品、防高温辐射用品、防寒用品、防冲击用品、防坠落用品、防机械外伤和脏污用品、防水用品、防酸碱用品、防油用品、防微波和防激光用品、防放射用品和救生用品。
按防护部位可分为:防头、面、眼、呼吸道、耳、手、脚、身躯等八类防护用品。
各种防护用品本身所具有的防护作用是有一定限度的,有些作业环境条件复杂多变,超过允许的防护范围,防护用品将不起作用。
因此,要正确使用防护用品,根据作业环境的危害程度合理选择防护用品,才能避免发生意外。
安全防护用品的作用:安全防护用品的作用是使用一定的屏蔽体或系带、浮体等,采用阻隔、封闭、吸收、分散、悬浮等手段,保护机体的局部或全身免受外来侵害。
一旦在工作中发生事故,劳动防护用品可以起到保护人体的目的。
一般情况下,对于大多数作业,大部分对人体的伤害可包含在劳动防护用品的安全限度以内。
各种防护用品具有消除或减轻事故的作用。
但防护用品对人的保护是有限度的,当伤害超过允许防护范围时,防护用品也将失去其作用。
为此,防护用品必须严格保证质量,安全可靠,而且穿戴要舒适方便,不影响工效,还应经济耐用。
个体防护用品有一个重大的局限性,就是不能从源头消除危害。
当个体防护用品失效,而又未被察觉时,风险就会急剧增大。
只有在其他措施无法考虑时,最后才能把个体防护用品作为唯一的解决方法。
因为没有一种个体防护用品能在100%的时间内做到100%的有效,而且使用不当及发生错误的事时有发生。
目录一、劳保用品(劳动防护)一览表 (1)1. 防护用品采购 (8)2. 防护用品验收 (8)3. 防护用品保管 (8)4. 防护用品发放 (9)5. 防护用品使用 (9)6. 防护用品更换与报废 (10)一、劳保用品(劳动防护)一览表注:1、劳动防护用品是指由公司为员工配备的,使其在劳动过程中免遭或者减轻事故伤害及职业危害的个人防装备。
2、认真贯彻落实安全生产法、国家安监总局关于《劳动防护用品监督管理规定》等有关劳动防护用品管理的法律、法规,加强劳动防护用品管理,强化员工劳动防护,保障员工生命健康安全,结合项目实际,制定劳动防护用品管理制度,项目部认真执行。
3、劳保用品是指保护劳动者在生产过程中的人身安全与健康所必备的一种防御性装备,对于减少职业危害起着相当重要的作用。
如:工作帽子、工作服、防护服、工作手套、棉纱手套、乳胶手套、电焊手套、帆布手套、白棉布手套、微波炉手套、劳保鞋、工作围裙、口罩、防护镜、护膝、头盔等。
4、劳动安全工作坚持安全第一、预防为主的方针和管生产必须管安全的原则5、建立健全劳动安全责任制,组织检查考核,并把劳动安全工作纳入日常管理6、对个人防护用品的设计应符合安全、轻便、舒适、方便的原则。
1.防护用品采购1、财务部门按要求提取安全费用,满足项目部采购劳动防护用品所用资金。
2、采购部负责劳动防护用品的采购,采购人员到有资质的的劳动防护用品生产单位或经营单位购买劳动防护用品。
3、采购人员购买的劳动防护用品必须各种证件齐全,符合国家标准或行业标准,特种劳动防护用品必须有安全标志。
2.防护用品验收1、劳动防护用品入库前经公司安全生产技术部门验收合格后,方可办理入库手续。
2、劳动防护用品验收人员根据国家标准或行业标准进行验收,各种证件必须齐全,特种劳动防护用品必须有安全标志,外观合格,不得过期。
否则,禁止入库。
3、验收人员验收合格后填写劳动防护用品验收合格单,仓库管理人员接到劳动防护用品验收合格单后,方可办理入库手续。
北京松岛菱电电力工程有限公司有限空间作业安全防护用品(用具)登记表编号:序号名称规格型号单位数量编号使用部门/人员购买日期价格备注1 四合一气体探测仪GAMIC-4 台 1 工程部(海淀)2006.12.11 15000元加拿大2 四合一气体探测仪M40 台 1 0905003241 工程部2009.7.20 6500元美国3 四合一气体检测仪M40 台 1 0906010195 工程部2009.7.20 6500元美国4 气体检测仪便携式+泵台 2 工程部2012.3.28 5000元5 泵吸式 1 工程部2012.3.28 8000元6 放电缆卷扬机8吨台 1 工程部2012.3.2818000元扬州7 钢丝绳6*37*14 米400 工程部2012.3.282720元8 六角放线车底盘直径1.2米台 1 工程部2012.6.28 1300元9 便携式焊机ZX7-200T 220V 台 1 工程部2012.6.28 800元10 下隧道用头灯ZK1681充电式个20 工程部2012.6.28 1160元11 污水泵扬程20米以上台 2 工程部2012.6.28 4000元12 马甲工作负责人个12 工程部2012.3.19 960元13 马甲专责监护人个29 工程部2012.3.19 1520元14 井口围栏片40 工程部2012.8.10 8000元15 警示牌个30 工程部2012.4.5 690元16 电源箱台 4 工程部2012.4.20 8000元17 对讲机摩托罗拉GP3688 部 3 工程部2012.4.5 5250元北京松岛菱电电力工程有限公司有限空间作业安全防护用品(用具)登记表编号:序号名称规格型号单位数量编号使用部门/人员购买日期价格备注18 全身式安全带及安全绳套50 工程部2012.8.10 7000元19 管道式送风机带10米管道台 4 工程部2012.8.10 3400元20 发电机(汽油)220V/380V 8KW 台 1 工程部2012.8.10 5100元21 防坠器(10米)FZQ-10M 台10 工程部2012.8.13 3600元22 救援三脚架CAMP 个 1 工程部2012.8.17 8800元意大利23 正压式呼吸器C900 台 1 工程部2012.8.17 7800元法国24 紧急逃生呼吸机THHZ15 台 4 工程部2012.8.17 10000元25 有限空间作业公示牌块8 工程部2012.8.10 2400元26 有限空间作业公示牌块 3 工程部2012.8.10 900元27 有限空间作业告知牌块8 工程部2012.6.28 1360元28 袖标有限空间作业现场监护”个10 工程部2012.8.10 100元29 安全员袖标个15 工程部2012.3.19 90元30。
序号分类12预防事故设施345控制事6故设施控制事7故设施89减少与10消除事故影响11设施1213项目检测、报警设施设备安全防护设施防爆设施作业场所防护设施安全警示标志泄压和止逆设施紧急处理设施防止火灾蔓延设施灭火设施紧急个体处置设施应急救援设施逃生避难设施劳动防护用品和装备安全设施分类一览表内容压力、温度、液位、流量、组分等报警设施。
可燃气体、有毒有害气体、氧气、验电器等检测和报警设施。
用于安全检查和安全数据分析等检测检验设备、仪器。
防护罩、防护屏、负荷限制器、行程限制器。
制动、限速、防潮、防晒、防冻、防腐、防渗漏等设施,传动设备安全锁闭设施,电气过载保护设施,绝缘工器具( 令克棒、绝缘凳 ) ,静电接地设施。
防雷设施。
各种电气、仪表的防爆设施,抑制助燃物品混入 ( 如氮封 ) 、易燃易爆气体和粉尘形成等设施,阻隔防爆器材,防爆工 ( 器) 具。
作业场所的防辐射、防静电、防噪声、通风( 除尘、排毒 ) 、防滑、防灼烫等设施。
作业场所的防护栏 ( 网) 。
各种指示、警示作业安全和逃生避难及风向等警示标志。
用于泄压的阀门、爆破片、放空管等设施,用于止逆的阀门等设施,真空系统的密封设施。
紧急备用电源,紧急切断、分流、吸收、中和、冷却等设施,通入或者加入惰性气体、反应抑制剂等设施,紧急停车、仪表联锁等设施。
防油 ( 火) 堤,防爆墙、防爆门等隔爆设施,防火墙、防火门、蒸汽幕、水幕等设施,防火材料涂层。
回火防止器、阻火器等。
安全水封等。
水、喷淋、惰性气体、蒸汽、泡沫释放等灭火设施,消火栓、高压水枪(炮)、消防车、消防水管网、消防站等。
洗眼器、喷淋器、逃生器、逃生索。
堵漏、工程抢险装备、应急照明灯设施。
现场受伤人员医疗抢救装备。
逃生和避难的安全通道 ( 梯)、安全避难所 ( 带空气呼吸系统 ) 、避难信号等。
包括头部,面部,视觉、呼吸、听觉器官,四肢,躯干防火、防毒、防灼烫、防腐蚀、防噪声、防光射、防高处坠落、防砸击、防刺伤等免受作业场所物理化、化学因素伤害的劳动防护用品和装备。
铁路配备劳动防护用品表
铁路作为一种重要的交通工具,每天都面临着大量的劳动人员从事运输、维修和施工等工作。
为了保障劳动人员的安全和健康,铁路必须配备一定的劳动防护用品。
下面是铁路配备劳动防护用品表的内容,以供参考。
表格一:铁路劳动防护用品分类
序号劳动防护用品分类
1 安全防护用品
2 防护服
3 手部防护用品
4 头部防护用品
5 呼吸防护用品
6 眼部防护用品
7 脚部防护用品
表格二:铁路劳动防护用品清单
序号劳动防护用品名称规格型号数量
1 安全帽聚碳酸酯根据需要配备
2 护目镜 PC材质根据需要配备
3 防护手套聚酯纤维根据需要配备
4 防护面罩导电塑料根据需要配备
5 防护服聚酯纤维根据需要配备
6 防护鞋真皮根据需要配备
7 呼吸器高分子材料根据需要配备
8 防护耳塞聚氯乙烯根据需要配备
表格三:具体使用场景
序号使用场景劳动防护用品
1 作业现场安全帽、护目镜、防护手套、防护服、防护鞋、呼吸器
2 施工现场安全帽、护目镜、防护手套、防护面罩、防护服、防护鞋
3 火车维修场安全帽、护目镜、防护手套、防护服、防护鞋、呼吸器
4 线路检修安全帽、护目镜、防护手套、防护服、防护鞋
5 过车作业安全帽、护目镜、防护手套、防护服、防护鞋
根据具体的工作场景和任务要求,铁路应配备相应的劳动防护用品,以确保劳动人员的安全和健康。
同时,铁路还需要定期检查和更新劳动防护用品,确保其正常使用和维护保养。
只有铁路充分重视劳动防护用品的配备和使用,才能最大程度地保护劳动人员的利益和工作环境的安全。
安全防护用品及安全防护设施管理制度一、概述安全防护用品及安全防护设施管理制度是指在工作现场,公司必须提供并管理各种安全防护用品和安全防护设施,以确保员工的人身安全和健康,防止事故的发生。
本制度的目的是规范安全防护用品及安全防护设施的选购、使用和管理,保障员工的安全。
二、用品和设施的分类1. 安全防护用品包括:安全帽、安全鞋、防护眼镜、耳塞、口罩、手套、安全服、安全带等。
2. 安全防护设施包括:消防设备、防护栏杆、应急疏散通道、烟雾报警器、灭火器等。
三、用品和设施的选购1. 公司将与供应商签订合同,明确供应商所提供安全防护用品和设施的具体型号和规格,供应商要按照合同要求提供相应的产品。
2. 选购的安全防护用品和设施必须符合国家相关标准,并取得相应的产品认证。
四、用品和设施的使用1. 所有员工必须在工作场所佩戴必要的安全防护用品,如安全帽、安全鞋等。
2. 使用安全防护设施时,应按照设备的使用说明书来进行正确地使用,不得随意拆卸或更改设备的结构。
五、用品和设施的保养与维修1. 安全防护用品的保养与维修由各自使用人负责,每位使用人要定期对所佩戴的安全防护用品进行检查和清洗。
2. 安全防护设施的保养与维修由专人负责,定期检查和维护设备的正常工作状态,对于发现的问题要及时维修或更换。
六、用品和设施的报废和更新1. 安全防护用品在达到使用寿命后必须及时报废,并按照相关规定进行处置。
2. 安全防护设施在达到使用寿命后,必须及时更新,确保设备的正常使用。
七、员工培训1. 公司会对员工进行安全防护用品和设施的正确使用方法进行培训,确保员工能正确佩戴和使用安全防护用品和设施。
2. 定期组织员工进行安全防护用品和设施的应急演练,提高员工应对突发事件的应变能力。
八、责任和处罚1. 对于不佩戴或随意拆卸安全防护用品的员工,将给予相应的处罚,包括警告、扣除奖金、停职、开除等。
2. 对于不按规定使用安全防护设施的员工,会给予相应的处罚,包括警告、扣除奖金、停职、开除等。
防汛常备物资清单以下是已经修正过格式和内容的文章:防汛常备物质清单1.安全帽:在防汛过程中,安全帽是必备的防护用品,能够有效地保护头部不受到外界的伤害。
2.雨衣和防护类雨靴:在防汛现场,经常会有大量的雨水,因此穿上防水的雨衣和雨靴可以保护身体不受到雨水的侵袭,同时也可以防止感冒等疾病的发生。
3.绝缘手套和防水头灯.手电:在防汛现场,电器设备经常会受到水的侵袭,因此使用绝缘手套可以有效地避免触电事故的发生。
防水头灯和手电则可以提供光源,方便夜间作业。
4.铁锹、十字镐、铁锤和对象类劈斧:这些工具可以用于挖掘、砸开障碍物以及救援被困人员。
5.钢筋钳、撬棍或撬杠、伸缩梯和排险.探路竹杆:这些工具可以用于拆除建筑物、救援被困人员以及探路排险。
6.医用急救包和医疗卫生员:在防汛现场,经常会有人员受伤或者生病,因此使用医用急救包和医疗卫生员可以及时进行救治。
7.救生圈(汽车内胎)、绳子和帐棚:这些物品可以用于水上救援和搭建临时住所。
8.潜水泵和排水带:在防汛现场,经常需要排除积水,因此使用潜水泵和排水带可以快速排水。
9.排水类防水电缆、配电箱和柴油发电机:这些设备可以用于电力供应和排水作业。
10.五金对象套装(对象箱)、铁丝、麻袋、直径20棕绳、直径12尼龙绳和捆绳:这些物品可以用于吊装、绑扎、固定等作业。
11.木材和手推车:这些物品可以用于搭建临时桥梁、运输物资等作业。
12.对讲机和通信类物料:在防汛现场,通信是必不可少的,因此使用对讲机和通信类物料可以保持联系,协调作业。
13.抢险人员、电工和巡视人员:这些人员是防汛作业中必不可少的,他们可以进行抢险、排险、巡视等作业,保障防汛工作的顺利进行。
有限空间作业安全管理特别规定有限空间作业必须严格遵守有关法律法规和制度标准要求:**公司危险作业安全管理办法、**公司有限空间作业安全许可标准和危险作业“五必须”等。
公司为杜绝有限空间事故,进一步增强有限空间作业的管理强度和相应的技术管控措施,特拟定以下九条规定:第一条有限空间作业相关人员必须具有相应的资格能力才能开展相关工作。
作业人、监护人、救援人员必须经过培训,取得资质证照,方可进行操作作业和救援。
第二条在设计阶段,应采取合理措施,充分考虑设置位置、开口尺寸、空间体积、检维修及清理方式等,避免有限空间的形成。
对可能产生硫化氢等有毒有害气体的作业部位(如:管道、阀门检修点),或开启时可能受到内部涌出气流冲击时,即便在非有限空间作业,作业人员也要穿戴长管呼吸器、隔绝式呼吸器等呼吸防护用品。
第三条涉及有毒有害和易燃易爆物质的有限空间,必须实行双人双锁管理。
锁闭管理对象不包括:法律法规标准中明令禁止锁闭的场所及锁闭后可能产生其他风险的场所;双人双锁:安全员、业务部门负责人各保管一把钥匙。
监控设施必须覆盖此类有限空间,作业时必须使用防爆型设备工具及个体防护装备;具备条件或可实施的此类有限空间应设置安全连锁装置,确保气体浓度超标时进行报警、提示,并联锁启动风机,及时将空间内的气体进行置换。
第四条涉及有毒有害、易燃易爆物质的有限空间作业,基层企业必须及时向事业部或区域公司上报作业申请,经批准及视频检查确认安全条件达标后方可进行。
第五条有限空间作业组不能少于3人。
涉及有毒有害、易燃易爆物质的有限空间作业,作业申请完成后、在作业开始前,所有参与作业人员必须观看有限空间事故警示和操作流程视频;将应急物资放置在作业地点;有限空间内仍存在未清除的积水、积泥或物料残渣时,应使有毒有害气体充分释放。
作业开始即要持续送风,并全程检测,作业人员必须佩戴安全带、隔绝式呼吸器等个体防护装备后方可进入;监护人应在外部全程持续监护,并掌握检测数据,及时与作业人员进行有效沟通。