接触网相关安全距离大全
- 格式:doc
- 大小:30.00 KB
- 文档页数:2
接触网相关安全距离1、停电作业时,作业人员(包括所持的机具、材料、零部件等)与周围带电设备的距离不得小于下列规定:220KV为3000mm;110KV为1500mm;25KV和35KV为1000mm;10KV及以下为700mm。
2、间接带电作业时,作业人员(包括其所携带的非绝缘工具、材料)与带电体之间须保持的最小距离不得小于1000mm,当受限制时不得小于600mm。
3、架空电线路跨越接触网时,与接触网的垂直距离:10KV及以上到110KV:不小于3000mm。
220KV:不小于4000mm。
330KV:不小于5000mm。
500KV:不小于6000mm。
4、接触网带电部分至固定接地物的距离,不小于300mm,距机车车辆或装载货物的距离,不小于350mm;跨越电气化铁路的各种建筑物与带电部分最小距离,不小于500mm。
5、在接触网支柱及距接触网带电部分5000mm范围内的金属结构物须接地。
天桥及跨越桥跨越接触网的地方,应按规定设置安全栅网。
6、除专业人员外,与牵引供电设备带电部分的距离,不得小于2000mm。
7、在电气化铁道区段使用架空索道或绞车时,应先做好调查研究,其钢丝绳离接触网带电部分最小距离应大于5000mm,并有接地。
8、进行V型天窗作业应具备的距离条件:①上、下行接触网带电设备间的距离大于2m,困难时不小于1.6m。
②上、下行接触网带电设备距下、上行电力机车受电弓瞬时距离大于2m,困难时不小于1.6m。
③距上、下行或由不同馈线供电的设备间的分段绝缘器其主绝缘爬电距离不小于1.2m。
④所有上、下行线间横向分段绝缘子串,爬电距离必须保证在1.2m及以上,污染严重的区段要达到1.6m。
9、隔离开头引线距接地体的距离不小于330mm;隧道内支持结构的带电体距接地体的绝缘距离正常情况下为300mm以上。
10、接触网供电线在最大弧垂时距居民区及车站站台地面最小距离7000mm。
11.支柱在行人较多的地方接地线应埋入地下100mm。
关于接触网的安全距离1.停电作业时,作业人员(包括所持的机具、材料、零部件等)与周围带电设备的距离不得小于下列规定:220KV为3000mm;110KV为1500mm;25KV和35KV为1000mm;10KV及以下为700mm。
2.间接带电作业时,作业人员(包括其所携带的非绝缘工具、材料)与带电体之间须保持的最小距离不得小于1000mm,当受限制时不得小于600mm。
3.架空电线路跨越接触网时,与接触网的垂直距离:10KV及以上到110KV:不小于3000mm220KV:不小于4000mm330KV:不小于5000mm500KV:不小于6000mm4.接触网带电部分至固定接地物的距离,不小于300mm,距机车车辆或装载货物的距离,不小于350mm;跨越电气化铁路的各种建筑物与带电部分最小距离,不小于500mm。
5.在接触网支柱及距接触网带电部分5000mm范围内的金属结构物须接地。
天桥及跨越桥跨越接触网的地方,应按规定设置安全栅网。
6.除专业人员外,与牵引供电设备带电部分的距离,不得小于2000mm。
7.在电气化铁道区段使用架空索道或绞车时,应先做好调查研究,其钢丝绳离接触网带电部分最小距离应大于5000mm,并有接地。
8.进行V型天窗作业应具备的距离条件:①上、下行接触网带电设备间的距离大于2m,困难时不小于1.6m。
②上、下行接触网带电设备距下、上行电力机车受电弓瞬时距离大于2m,困难时不小于1.6m。
③距上、下行或由不同馈线供电的设备间的分段绝缘器其主绝缘爬电距离不小于1.2m。
④所有上、下行线间横向分段绝缘子串,爬电距离必须保证在1.2m及以上,污染严重的区段要达到1.6m。
9.隔离开头引线距接地体的距离不小于330mm;隧道内支持结构的带电体距接地体的绝缘距离正常情况下为300mm以上。
10.接触网供电线在最大弧垂时距居民区及车站站台地面最小距离7000mm。
11.支柱在行人较多的地方接地线应埋入地下100mm。
接触网设计规范外及跨线建筑物范围内)正常情况不应小于5700mm;困难情况不应小于5650mm;特殊情况不应小于5330mm。
接触线最低高度值在高程1000m以上的区段,应按本规范第5.5.2条规定随空气绝缘间隙值的加大而相应增加。
5.1.5 接触线高度变化时,其坡度不宜大于3‰;确有困难时,不宜大于5‰。
接触网设计的强度安全系数应符合下列规定:1.铜或铜合金接触线的强度安全系数,当磨耗面积小于或等于15%时,不应小于2.5;当磨耗面积大于15%且小于25%时,不应小于2.2。
2.各种绞线的强度安全系数不应小于:1)软横跨横承力索中的钢绞线4.0;2)承力索、定位索及附加导线中的钢绞线5.0;硬铜绞线 2.0;铝绞线、钢芯铝绞线、铝包钢芯铝绞线2.5。
3.绝缘子的强度安全系数不应小于:1)瓷及钢化玻璃悬式绝缘子(受机电联合荷载时抗拉)2.0;2)瓷棒式绝缘子(抗弯)2.53)针式绝缘子(抗弯)2.5;4)其他材质绝缘元件,无阳光照射处(抗拉或抗弯)2.5;有阳光照射处,应视材质抗老化性能酌情增加;4.耐张的零件强度安全系数不应小于5.0。
5.1.7 各类悬挂的接触线弛度(弹性吊弦引起的支柱处高度变化不计在内)均不宜大于250mm;对行车速度不大于45km/h的低速区段,可为350mm。
运行中,接触线(被受电弓顶起)的抬升量按100mm、受电弓的左右摆动量按200mm计算。
5.1.8 隧道内接触悬挂应根据隧道净空高度,隧道内气象条件和各项空气绝缘间隙确定。
隧道内悬挂类型宜与区间一致,其零部件应加强防腐蚀措施。
5.2 气象条件5.2.1 接触网设计的气象条件,应根据最近记录年限不少于20年的沿线气象资料计算,并结合既有电气化铁路或高压架空送电线路的运行经验确定。
5.2.2 接触网的最大设计风速,应采用空旷地区、高地面10m高处的10min自动记录10年发生一次的平均最大值。
如气象台(站)的记录值不符合上述要求,则应按规定进行换算。
接触网相关安全距离1.停电作业时,作业人员(包括所持的机具、材料、零部件等)与周围带电设备的距离不得小于下列规定:220KV为3000mm;110KV为1500mm;25KV和35KV为1000mm;10KV及以下为700mm。
2.间接带电作业时,作业人员(包括其所携带的非绝缘工具、材料)与带电体之间须保持的最小距离不得小于1000mm,当受限制时不得小于600mm。
3.架空电线路跨越接触网时,与接触网的垂直距离:10KV及以上到110KV:不小于3000mm220KV:不小于4000mm330KV:不小于5000mm500KV:不小于6000mm4.接触网带电部分至固定接地物的距离,不小于300mm,距机车车辆或装载货物的距离,不小于350mm;跨越电气化铁路的各种建筑物与带电部分最小距离,不小于500mm。
5.在接触网支柱及距接触网带电部分5000mm范围内的金属结构物须接地。
天桥及跨越桥跨越接触网的地方,应按规定设置安全栅网。
6.除专业人员外,与牵引供电设备带电部分的距离,不得小于2000mm。
7.在电气化铁道区段使用架空索道或绞车时,应先做好调查研究,其钢丝绳离接触网带电部分最小距离应大于5000mm,并有接地。
8.进行V型天窗作业应具备的距离条件:①上、下行接触网带电设备间的距离大于2m,困难时不小于1.6m。
②上、下行接触网带电设备距下、上行电力机车受电弓瞬时距离大于2m,困难时不小于1.6m。
③距上、下行或由不同馈线供电的设备间的分段绝缘器其主绝缘爬电距离不小于1.2m。
④所有上、下行线间横向分段绝缘子串,爬电距离必须保证在1.2m及以上,污染严重的区段要达到1.6m。
9.隔离开头引线距接地体的距离不小于330mm;隧道内支持结构的带电体距接地体的绝缘距离正常情况下为300mm以上。
10.接触网供电线在最大弧垂时距居民区及车站站台地面最小距离7000mm。
11.支柱在行人较多的地方接地线应埋入地下100mm。
接触网高空作业安全基本知识高空作业系指离地面3m以上的支柱上、梯子上、桥墩台上、各种作业车的作业台上等作业。
1.在没有防护设施的高处作业,施工人员必须系安全带,所有参加施工的人员必须戴安全帽。
2.高空作业人员应使用专门的用具传递工具、零件和材料,不得抛掷。
同一支柱上、下部不应同时有两人作业,如由于操作需要两人在同一支柱上、下同时作业时,应有安全措施。
当列车通过时,支柱上作业人员应停止工作,并躲到安全低点。
3.使用梯子作业时,梯子高度必须比承力索高处1m以上,不得将短梯接长代用;曲线区段,梯子应立在曲线外侧;上梯作业人员应用梯绳将梯子和承力索系牢,通过梯撑用腿攀牢后方可进行作业;作业时梯子顺线路必须直立,不得二人同时在一个梯子上作业,梯子上有人作业时,不得顺线路移动梯子;拉绳人员必须精力集中,不得将梯绳绑在身上或绑在钢轨、支柱、桥栏杆等建筑物上。
4.用梯车作业时,每辆梯车不得少于4人,梯车上的作业人员不得超过2人;梯车未放稳前不得登梯作业,梯车行进时不得上、下梯车,梯车作业台上不得零散放置工具、材料;作业中推扶梯车人员应听从梯车上作业人员的指挥,推行速度不得超过5KM/h,不得发生急起、急停等冲击现象;在梯车上不得进行有倾倒危险的作业,在曲线区段作业时,作业人员应站在导线的曲线外侧,在小半径曲线区段作业时,应在曲线外侧设置拉绳人员,以防梯车倾倒。
5.在使用作业车进行作业时,工作台与司机室之间应有良好的联系装置,工台上有人负责作业台升、降和指挥作业车走、停,作业台升、降时不得有人上、下;作业车行走时,作业台上工作人员要注视运行前方,施工完毕或长距离转移时,作业台降到最低位置,作业台上不得有人逗留。
接触网高空作业安全基本知识(二)高空作业是指人员在空中进行工作时所需要进行的一系列安全措施和技巧。
在进行高空作业之前,必须具备一定的安全基本知识,以确保工人的身体健康和作业安全。
接下来,我将向你介绍一些关于高空作业安全的基本知识。
接触网常用参数标准及测量计算接触网常用参数标准及测量计算一、拉出值(跨中偏移值)1、技术标准160km/h及以下区段:标准值:直线区段200-300mm;曲线区段根据曲线半径不同在0-350mm之间选用。
安全值:之字值≤400mm;拉出值≤450mm。
限界值:之字值450mm;拉出值450mm。
160km/h以上区段:标准值:设计值。
安全值:设计值±30mm。
限界值:同安全值。
2、测量方法利用DJJ多功能激光接触网检测仪进行拉出值测量:受电弓滑板平面与两钢轨平面平行,检测仪与两钢轨平面平行,测量时无需考虑外轨超高,直接校准定位点在检测仪上的投影位置,此位置与检测仪中心点的距离就是拉出值。
二、导线高度1、技术标准标准值:区段的设计采用值。
安全值:标准值±100mm。
限界值:小于6500mm;任何情况下不低于该区段允许的最低值。
当隧道间距不大于1000m时,隧道内、外的接触线可取同一高度。
2、测量方法利用DJJ多功能激光接触网检测仪进行导高测量:将测量仪置于两钢轨之上与两轨面平行,利用测量仪上的观察窗校准定位点位置,测出定位点至两轨面的垂直距离即为导高。
三、导线坡度及坡变率1、技术标准标准值: 120km/h及以下区段≤3‰;120-160km/h区段≤2‰;200km/h区段≤2‰,坡度变化率不大于1‰;200-250km/h区段≤1‰,坡度变化率不大于1‰。
安全值:120km/h及以下区段≤5‰;120-160km/h区段≤4‰。
其他同标准值。
限界值:120km/h及以下区段≤8‰;120-200km/h区段≤5‰;200km/h及以上区段同安全值。
160km/h及以上区段,定位点两侧第一根吊弦处接触线高度应相等,相对该定位点的接触线高度允许误差±10mm,但不得出现V字型。
2、测量与计算方法定位点A与定位点B之间的坡度测量:1、测出A点的导高h a;2、测出B点的导高h b;3、测出或计算出A、B之间的距离H;4、计算出A、B两点之间的导线坡度P ab=(h b -h a)/H×1000‰;5、将P ab记入定位点B的导线坡度P b,即P ab=P b。
第一章总则第1条在接触网运行和检修工作中,为确保人身、行车和设备安全,特制定本规程。
本规程适用于既有线工频、单相、25kV交流及提速200—250km/h接触网的运行和检修。
第2条牵引供电各单位(包括牵引供电设备管理、维修单位和从事既有线电气化牵引供电施工单位,下同)在接触网作业中要贯彻“施工不行车,行车不施工”的原则;经常进行安全技术教育,组织有关人员认真学习和熟悉本规程,不断提高安全技术管理水平,切实贯彻执行本规程的规定。
第3条各级管理部门要认真建立健全各级岗位责任制,抓好各项基础工作,依靠科技进步,积极采用新技术、新工艺、新材料,不断提高和改善接触网的安全工作和装备水平,提高接触网运行与检修管理工作质量,确保人身和设备安全。
各铁路局应根据本规程规定的原则和要求,结合具体情况制定细则,报部核备。
第二章一般规定第4条所有的接触网设备,自第一次受电开始即认定为带电设备。
之后,接触网上的一切作业,均必须按本规程的规定严格执行。
侵入建筑限界的接触网作业,必须在封锁的线路上进行。
第5条从事接触网作业的有关人员,必须实行安全等级制度。
经过考试评定安全等级,取得安全合格证之后(安全合格证格式和安全等级的规定,分别见附录1、2),方准参加与所取得的安全等级相适应的接触网运行和检修工作。
每年定期按下表进行年度安全考试和签发安全合格证。
第6条各单位除按第5条规定组织从事接触网运行和检修工作的有关现职人员每年进行一次安全等级考试外,对属于下列情况的人员,还应在上岗前进行安全等级考试:1.开始参加接触网工作的人员;2.开始参加接触网间接带电工作的人员;3.接触网供电方式改变时的检修工作人员;4.接触网停电检修方式改变时的检修工作人员;5.安全等级变更,仍从事接触网运行和检修工作的人员;6.中断工作连续6个月以上仍继续担任接触网运行和检修工作的人员。
第7条参加接触网作业人员应符合下列条件:1.作业人员每两年进行一次身体检查,符合作业所要求的身体条件;2.受过接触网作业培训,考试合格并取得相应的安全等级;3.熟悉触电急救方法。
接触网相关安全距离1.停电作业时,作业人员(包括所持的机具、材料、零部件等)与周围带电设备的距离不得小于下列规定:220KV为3000mm;110KV为1500mm;25KV和35KV为1000mm;10KV及以下为700mm。
2.间接带电作业时,作业人员(包括其所携带的非绝缘工具、材料)与带电体之间须保持的最小距离不得小于1000mm,当受限制时不得小于600mm。
3.架空电线路跨越接触网时,与接触网的垂直距离:10KV及以上到110KV:不小于3000mm220KV:不小于4000mm330KV:不小于5000mm500KV:不小于6000mm4.接触网带电部分至固定接地物的距离,不小于300mm,距机车车辆或装载货物的距离,不小于350mm;跨越电气化铁路的各种建筑物与带电部分最小距离,不小于500mm。
5.在接触网支柱及距接触网带电部分5000mm范围内的金属结构物须接地。
天桥及跨越桥跨越接触网的地方,应按规定设置安全栅网。
6.除专业人员外,与牵引供电设备带电部分的距离,不得小于2000mm。
7.在电气化铁道区段使用架空索道或绞车时,应先做好调查研究,其钢丝绳离接触网带电部分最小距离应大于5000mm,并有接地。
8.进行V型天窗作业应具备的距离条件:①上、下行接触网带电设备间的距离大于2m,困难时不小于1.6m。
②上、下行接触网带电设备距下、上行电力机车受电弓瞬时距离大于2m,困难时不小于1.6m。
③距上、下行或由不同馈线供电的设备间的分段绝缘器其主绝缘爬电距离不小于1.2m。
④所有上、下行线间横向分段绝缘子串,爬电距离必须保证在1.2m及以上,污染严重的区段要达到1.6m。
9.隔离开头引线距接地体的距离不小于330mm;隧道内支持结构的带电体距接地体的绝缘距离正常情况下为300mm以上。
10.接触网供电线在最大弧垂时距居民区及车站站台地面最小距离7000mm。
11.支柱在行人较多的地方接地线应埋入地下100mm。
2024年牵引供电安全知识1.接触网工作电压的限度值接触网最高工作电压为27.5kV,瞬时最大值为29kV;最低工作电压为20kV,非正常情况下,不得低于19kV.2.接触网导线最大弛度限度接触网接触线最大弛度距钢轨顶面的高度不超过6500mm;在区间和中间站,不少于5700mm;编组站和区段站,不少于6200mm;客运专线为5300~5500mm.3.接触网带电部分与固定接地物、机车车辆及货物的距离限度接触网带电部分至固定接地物的距离不少于300mm;距机车车辆或装载货物的距离不少于350mm;跨越电气化铁路的各种建筑物与带电部分最小距离,不少于500mm.4.电气化铁路道口限界架的高度规定在电气化铁路上,道口通路两面应设限界架,其通过高度不得超过4.5m.道口两侧不应设置接触网锚柱。
5.人员与牵引供电设备带电部分的安全距离规定为保证人身安全,除专业人员执行有关规定外,其他人员(包括所携带的物件)与牵引供电设备带电部分的距离,不得少于xxmm.2024年牵引供电安全知识(二)牵引供电是指电力系统为供应高速列车、城市轨道交通等牵引系统中的电能而建设的一种特殊供电方式。
由于牵引供电系统通常处于高压状态,并且需要保障行车安全,因此对于牵引供电的安全知识和措施非常重要。
在2024年,我们应当深入了解、宣传和应用牵引供电的安全知识,以确保牵引供电系统的安全运行。
本文将从以下几个方面介绍牵引供电安全知识。
一、牵引供电系统的基本组成和工作原理牵引供电系统主要包括接触网、牵引变电所和动车组等部分。
接触网是供电系统在轨道上的设施,通过接触网将电能传输到动车组上。
牵引变电所则是将高压电源转换为适合牵引系统使用的直流或交流电。
动车组是承载乘客的车辆,通过接触网和牵引变电所获取电能进行牵引运行。
二、牵引供电安全的重要性牵引供电是现代城市轨道交通的核心设施,直接关系到乘客出行的质量和安全。
因此,牵引供电的安全问题至关重要。
关于接触网的安全距离总结1.停电作业时,作业人员(包括所持的机具、材料、零部件等)与周围带电设备的距离不得小于下列规定:220KV为3000mm;110KV为1500mm;25KV和35KV为1000mm;10KV及以下为700mm。
2.间接带电作业时,作业人员(包括其所携带的非绝缘工具、材料)与带电体之间须保持的最小距离不得小于1000mm,当受限制时不得小于600mm。
3.架空电线路跨越接触网时,与接触网的垂直距离:10KV及以上到110KV:不小于3000mm220KV:不小于4000mm330KV:不小于5000mm500KV:不小于6000mm4.接触网带电部分至固定接地物的距离,不小于300mm,距机车车辆或装载货物的距离,不小于350mm;跨越电气化铁路的各种建筑物与带电部分最小距离,不小于500mm。
5.在接触网支柱及距接触网带电部分5000mm范围内的金属结构物须接地。
天桥及跨越桥跨越接触网的地方,应按规定设置安全栅网。
6.除专业人员外,与牵引供电设备带电部分的距离,不得小于2000mm。
7.在电气化铁道区段使用架空索道或绞车时,应先做好调查研究,其钢丝绳离接触网带电部分最小距离应大于5000mm,并有接地。
8.进行V型天窗作业应具备的距离条件:①上、下行接触网带电设备间的距离大于2m,困难时不小于1.6m。
②上、下行接触网带电设备距下、上行电力机车受电弓瞬时距离大于2m,困难时不小于1.6m。
③距上、下行或由不同馈线供电的设备间的分段绝缘器其主绝缘爬电距离不小于1.2m。
④所有上、下行线间横向分段绝缘子串,爬电距离必须保证在1.2m及以上,污染严重的区段要达到1.6m。
9.隔离开头引线距接地体的距离不小于330mm;隧道内支持结构的带电体距接地体的绝缘距离正常情况下为300mm以上。
10.接触网供电线在最大弧垂时距居民区及车站站台地面最小距离7000mm。
11.支柱在行人较多的地方接地线应埋入地下100mm。
接触网相关安全距离1.停电作业时,作业人员(包括所持的机具、材料、零部件等)与周围带电设备的距离不得小于下列规定:220KV为3000mm;110KV为1500mm;25KV和35KV为1000mm;10KV及以下为700mm。
2.间接带电作业时,作业人员(包括其所携带的非绝缘工具、材料)与带电体之间须保持的最小距离不得小于1000mm,当受限制时不得小于600mm。
3.架空电线路跨越接触网时,与接触网的垂直距离:10KV及以上到110KV:不小于3000mm220KV:不小于4000mm330KV:不小于5000mm500KV:不小于6000mm4.接触网带电部分至固定接地物的距离,不小于300mm,距机车车辆或装载货物的距离,不小于350mm;跨越电气化铁路的各种建筑物与带电部分最小距离,不小于500mm。
5.在接触网支柱及距接触网带电部分5000mm范围内的金属结构物须接地。
天桥及跨越桥跨越接触网的地方,应按规定设置安全栅网。
6.除专业人员外,与牵引供电设备带电部分的距离,不得小于2000mm。
7.在电气化铁道区段使用架空索道或绞车时,应先做好调查研究,其钢丝绳离接触网带电部分最小距离应大于5000mm,并有接地。
8.进行V型天窗作业应具备的距离条件:①上、下行接触网带电设备间的距离大于2m,困难时不小于1.6m。
②上、下行接触网带电设备距下、上行电力机车受电弓瞬时距离大于2m,困难时不小于1.6m。
③距上、下行或由不同馈线供电的设备间的分段绝缘器其主绝缘爬电距离不小于1.2m。
④所有上、下行线间横向分段绝缘子串,爬电距离必须保证在1.2m及以上,污染严重的区段要达到1.6m。
9.隔离开头引线距接地体的距离不小于330mm;隧道内支持结构的带电体距接地体的绝缘距离正常情况下为300mm以上。
10.接触网供电线在最大弧垂时距居民区及车站站台地面最小距离7000mm。
11.支柱在行人较多的地方接地线应埋入地下100mm。
铁路沿线及接触网、电力线附近作业安全简介随着城市建设的不断发展,越来越多的铁路、高速公路和电力线路得到了建设和改造。
在维护和运营这些基础设施中,人们需要进行各种各样的作业,这就需要注意到铁路沿线及接触网、电力线附近作业安全。
本文将从安全作业、防范措施等多个方面进行说明。
安全作业了解作业区域在进行任何铁路沿线及接触网、电力线附近的作业之前,必须首先对作业区域进行充分的了解。
必须掌握以下内容:1.确定铁路、电力线的位置,以及其安全距离。
一般而言,在电力线靠近两侧的安全距离为2米,而接触网底部安全距离为4.5米。
2.掌握当地特殊安全规定和法律法规以及工作安全标准。
3.了解周边环境,识别潜在的安全威胁。
4.计算做好应急与事故处理可能所需的时间和资源。
防范措施在作业过程中,必须采取一系列的防范措施来确保安全。
下面是一些常见的防范措施:1.人员进行必要的安全培训,必须服从指挥,保持联络和关注。
2.向作业区域负责人汇报自身情况、工作计划、和需求等。
3.严格按照安全标准和工作规范操作,确保工具设备的正确使用。
4.在必要的情况下,采取必要的安全措施,例如标记或限制区域。
5.及时维修电力线、接触网、围栏、照明设施等设备,确保其正常运转。
6.有足够的备选计划,以及替代除去作业区域的设备和路线。
安全警惕电力线安全警惕在进行电力线附近的作业时,一定要特别注意,因为高压电线很危险。
这里提供一些常见的安全警惕:1.对接近电线的高处作业特别警惕,因为电线可能晃动或者移动,而对作业人员造成伤害。
当高处作业很接近电线附近时,最好采用非导电的作业工具。
2.如果你接触了任何一个电线,一定不可以从事任何似乎可以摸上去或调整器具的行为,应该立刻停止作业,静止不动,并告知其他作业人员。
3.在作业现场必须采取必要的安全措施,例如,安装涉电、危险提示标志;在危险区域任何人都不允许带金属物或胁迫电线等行为都应该避免。
铁路沿线安全警惕在沿铁路线作业时,注意以下事项:1.确认铁路线是开通的。
接触网相关安全距离1、停电作业时,作业人员(包括所持的机具、材料、零部件等)与周围带电设备的距离不得小于下列规定:220KV为3000mm;110KV为1500mm;25KV和35KV 为1000mm;10KV及以下为700mm。
2、间接带电作业时,作业人员(包括其所携带的非绝缘工具、材料)与带电体之间须保持的最小距离不得小于1000mm,当受限制时不得小于600mm。
3、架空电线路跨越接触网时,与接触网的垂直距离:10KV及以上到110KV:不小于3000mm。
220KV:不小于4000mm。
330KV:不小于5000mm。
500KV:不小于6000mm。
4、接触网带电部分至固定接地物的距离,不小于300mm,距机车车辆或装载货物的距离,不小于350mm;跨越电气化铁路的各种建筑物与带电部分最小距离,不小于500mm。
5、在接触网支柱及距接触网带电部分5000mm范围内的金属结构物须接地。
天桥及跨越桥跨越接触网的地方,应按规定设置安全栅网。
6、除专业人员外,与牵引供电设备带电部分的距离,不得小于2000mm。
7、在电气化铁道区段使用架空索道或绞车时,应先做好调查研究,其钢丝绳离接触网带电部分最小距离应大于5000mm,并有接地。
8、进行V型天窗作业应具备的距离条件:①上、下行接触网带电设备间的距离大于2m,困难时不小于1.6m。
②上、下行接触网带电设备距下、上行电力机车受电弓瞬时距离大于2m,困难时不小于1.6m。
③距上、下行或由不同馈线供电的设备间的分段绝缘器其主绝缘爬电距离不小于1.2m。
④所有上、下行线间横向分段绝缘子串,爬电距离必须保证在1.2m及以上,污染严重的区段要达到1.6m。
9、隔离开头引线距接地体的距离不小于330mm;隧道内支持结构的带电体距接地体的绝缘距离正常情况下为300mm以上。
10、接触网供电线在最大弧垂时距居民区及车站站台地面最小距离7000mm。
11.支柱在行人较多的地方接地线应埋入地下100mm。
典型接触网登高和高空作业安全防护在铁路领域,典型接触网登高和高空作业是一个常见但也非常危险的工作。
接触网检修、修理和维护工作需要人员上到很高的地方,需要采取一系列的安全措施来保护工作人员的生命安全。
在接下来的文章中,我将详细介绍典型接触网登高和高空作业的安全防护措施。
接触网登高和高空作业的特点接触网位于铁路线路上方,用于供给电力给行驶在轨道上的列车。
它包括了支柱、导线和其他的设备,高度一般在5米至7米之间。
接触网登高作业主要是为了检查和修理接触网及其附属设备,这种工作需要人员上到接触网的轨道和支柱上。
高空作业一般是指在高空或者悬崖边等危险场所进行的作业。
在接触网登高和高空作业中,工作人员面临着高处坠落、触电、失衡等一系列的安全风险。
因此,安全防护措施的重要性不言而喻。
安全防护措施的种类在接触网登高和高空作业中,有许多种不同的安全防护措施可供选择。
下面是一些常见的安全防护措施:1. 安全带:工作人员进行接触网登高和高空作业时,应佩戴专业的安全带和安全绳。
安全带应能够承受工作人员的重量,并确保在发生意外情况时能够起到保护作用。
2. 安全防护网:在接触网登高和高空作业现场,应设置安全防护网。
安全防护网的作用是防止工作人员因失足或者坠落而受伤或者死亡。
3. 安全教育:在进行接触网登高和高空作业前,必须给工作人员进行相应的安全教育培训。
工作人员应了解作业中可能出现的危险,并学会如何正确应对和处理。
4. 安全通道:在接触网登高和高空作业现场,应设置安全通道,方便工作人员登高和离开。
安全通道应具备结构牢固、抗风性强等特点,以确保工作人员的安全。
5. 定期维护和检查:接触网登高和高空作业的安全防护设施需要定期进行维护和检查。
任何损坏或者失效的设施都应及时修复或替换,以确保设备的可靠性和安全性。
6. 紧急救援设备:在接触网登高和高空作业现场,应配备紧急救援设备,如救生绳索、紧急呼救器材等。
这些设备可以在事故发生时提供紧急救援支持,减少伤亡和损失。
铁路沿线及接触网、电力线附近作业安1施工前应对沿途环境进行调查,在妨碍列车运行、危及人身或既有设备安全的地段、处所施工时,应制定相应的安全技术措施。
2在铁路站场、区间及其附近施工或行走时,应符合下列规定:1听从指挥,注意防护人员所发信号,及时避让列车。
2不得在双线路桥的线路中间、铁路中心或轨面上行走,且宜避开路肩。
横向跨越铁路时,在已停列车两端头通过时的距离不应小于5m。
严禁在车辆下部或车钩处通过。
3不得改变铁路设施原有状态。
4不得在铁路建筑眼界以内的地方坐、卧、休息。
5不得钻车、扒车、跳车及从车底下传递工具。
3在桥梁上、隧道内施工时,应符合下列规定:1施工负责人应在施工前明确施工人员的避让处所。
不得在侧沟上和桥梁扶手边避让。
2隧道、桥梁的两端口应设专人防护。
3桥上施工时,易滑的行走处应设防滑措施。
4桥上桥下传递工具、器材,应使用绳索或滑车递送,不得抛掷。
5在桥墩上、桥梁防护支架外或易滑处施工,必须系扎安全带。
6隧道照明不得闪烁和眩目,亮度应均匀。
7长、大隧道内施工应制定防止强气流伤害的安全技术措施。
4铁路线附近堆放的器材、工具,必须牢固,严禁侵入铁路建筑限界。
5在电力牵引区段需接触网停电施工时,应符合下列规定:1施工负责人应提前向电力调度员提出接触网停电申请;2在接到电力调度员停电施工命令,并经接触网检修人员确认停电并安设临时接地线后方可施工;3施工结束,接触网检修人员确认作业人员撤至安全地点后,方可拆除临时接地线,并通知电力调度员施工完毕。
6在电力牵引区段接触网未停电时施工,应符合下列规定:1施工人员应使用高压绝缘手套、绝缘靴、绝缘垫等耐高压的绝缘用品。
2人身和携带物件,必须与接触网设备的带电部分保持2m以上的距离,与回流线保持lm以上的距离。
3距接触网带电部分5m以内的电缆金属结构均应接地。
对全悬浮的光、电缆在距接触网带电部分5m内施工时,金属部分应临时接地,施工作业结束后,应及时拆除临时接地。
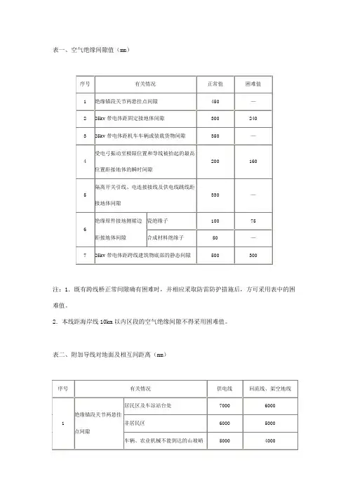
接触网位置及高度的规定技规第2021接触网带电局部至固定接地物的距离,不小于300 mm;至机车车辆或装载货物的距离,不小于350 mm。
跨越电气化铁路的各种建〔构〕筑物与带电局部最小距离,不小于500 mm。
当海拔超过1 000 m时,上述数值应按规定相应增加。
大风、严寒地区应预留风力、覆冰对绝缘距离影响的平安余量。
在接触网支柱及距接触网带电局部5 000 mm范围内的金属结构物须接地。
天桥及跨线桥跨越接触网的地方,应按规定设置平安栅网。
有大型养路机械作业的路基地段,接触网支柱内侧距线路中心距离不小于3 100 mm。
技规第2021接触线距钢轨顶面的高度不超过6 500 mm;在区间和中间站,不小于5 700 mm〔旧线改造不小于5 330 mm〕;在编组站、区段站和个别较大的中间站站场,不小于6 2021mm;站场和区间宜取一致;双层集装箱运输的线路,不小于6 330 mm。
在电气化铁路竣工时,由施工单位在接触网支柱内缘或隧道边墙标出线路的轨面标准线,开通前供电、工务单位要共同复查确认,有砟轨道每年复测一次,复测结果与原轨面标准线误差不得大于±30 mm。
特殊情况需调整轨面标准线时,由供电、工务部门共同确认,并经铁路局批准。
技规第2021为保证人身平安,除专业人员执行有关规定外,其他人员〔包括所携带的物件〕与牵引供电设备带电局部的距离,不得小于2 000 mm。
在设有接触网的线路上,严禁攀登车顶及在车辆装载的货物之上作业;如确需作业时,须在指定的线路上,将接触网停电接地并采取平安防护措施后,方准进行。
双线电气化铁路实行V形天窗作业时,为确保人身平安,应在设备、机具、照明、作业组织等方面采取相应措施。
接触网相关安全距离
1.停电作业时,作业人员(包括所持的机具、材料、零部件等)与周围带电设备的距离不得小于下列规定:220KV为3000mm;110KV为1500mm;25KV和35KV为1000mm;10KV及以下为700mm。
2.间接带电作业时,作业人员(包括其所携带的非绝缘工具、材料)与带电体之间须保持的最小距离不得小于1000mm,当受限制时不得小于600mm。
3.架空电线路跨越接触网时,与接触网的垂直距离:
10KV及以上到110KV:不小于3000mm
220KV:不小于4000mm
330KV:不小于5000mm
500KV:不小于6000mm
4.接触网带电部分至固定接地物的距离,不小于300mm,距机车车辆或装载货物的距离,不小于350mm;跨越电气化铁路的各种建筑物与带电部分最小距离,不小于500mm。
5.在接触网支柱及距接触网带电部分5000mm范围内的金属结构物须接地。
天桥及跨越桥跨越接触网的地方,应按规定设置安全栅网。
6.除专业人员外,与牵引供电设备带电部分的距离,不得小于2000mm。
7.在电气化铁道区段使用架空索道或绞车时,应先做好调查研究,其钢丝绳离接触网带电部分最小距离应大于5000mm,并有接地。
8.进行V型天窗作业应具备的距离条件:
①上、下行接触网带电设备间的距离大于2m,困难时不小于1.6m。
②上、下行接触网带电设备距下、上行电力机车受电弓瞬时距离大于2m,困难时不小于1.6m。
③距上、下行或由不同馈线供电的设备间的分段绝缘器其主绝缘爬电距离不小于1.2m。
④所有上、下行线间横向分段绝缘子串,爬电距离必须保证在1.2m及以上,污染严重的区段要达到1.6m。
9.隔离开头引线距接地体的距离不小于330mm;隧道内支持结构的带电体距接地体的绝缘距离正常情况下为300mm以上。
10.接触网供电线在最大弧垂时距居民区及车站站台地面最小距离7000mm。
11.支柱在行人较多的地方接地线应埋入地下100mm。
12.《技规》中对接触线的高度有何规定:接触线距钢轨顶面的高度不超过6500mm;在区间和中间站,不小于5700mm(旧线改造不小于5330mm);在编组站、区段站和个别较大的中间站站场,不小于6200mm;站场和区间宜取一致;双层集装箱运输的线路,不小于6330mm。
(一般导高5700-6500,客专5300-5500;受电弓静态抬升5183-6683)13.我国货物列车最大装载高度为5300mm。
14.160km/h区段,接触网腕臂、非支接触线悬式绝缘子、非支接头线夹在直线处距离受电弓中心的距离不得小于1350mm。
15.接触网供电线距峭壁、挡土墙和岩石最小空气绝缘距离1000mm;接触网供电线不同相两线水平排列时,最小空气绝缘距离2400mm。
16.轻污区绝缘子泄漏距离规定为920mm。
17.对接触网带电部分不足2m以上者,若使用沙土灭火时,可不停电;对接触网带电部分不足4m的燃着物体,用水或一般灭火器进行浇灭,接触网必须停电;对距接触网超过4m的燃着物体,用水烧灭,可以不停电。
18.横越停留列车时,严禁钻车,必须从车钩上、车门处越过或在停留车5m以外绕过,并要防止提开车钩,注意邻线来车。
19.电力机车运行时,受电弓的瞬时极限位置距接地体的正常距离不小于200mm。
20.接触网高空作业时,梯子立起后顶部伸出搭靠在承力索1m以上。
21.接触网避雷器的接地极距通信电缆应在1m以上。
22.当附加导线与接触网同杆合架时,保护线与支柱边沿的距离应不小于0.8m。
23.接触线接头距悬挂点不应小于2m。
24.接触网断线时,在装设接地线以前任何人不得进入距断线落下地点10m范围以内。
25.接触网送电前,应检查距接触网带电部分小于3m的树木是否砍伐。
26.根据测定,高度在5-15M的坠落半径是3m。
27.作业人员下道避车时,距钢轨头部外侧距离:
①Vmax≤120km/h,不小于2m
②120km/h<Vmax≤160km/h,大于2.5m
③160km/h<Vmax,不小于3m。