水电站发电机功率因数的调整
- 格式:pdf
- 大小:103.58 KB
- 文档页数:3
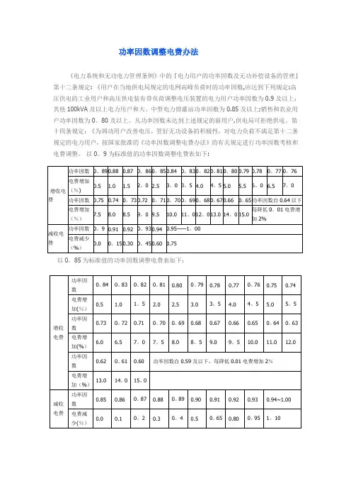
功率因数调整电费办法《电力系统和无功电力管理条例》中的『电力用户的功率因数及无功补偿设备的管理』第十二条规定: 《用户在当地供电局规定的电网高峰负荷时的功率因数,应达到下列规定:高压供电的工业用户和高压供电装有带负荷调整电压装置的电力用户功率因数为0.9及以上;其他100kVA及以上电力用户和大、中型电力排灌站功率因数为0.85及以上;销售和农业用户功率因数为0。
80及以上。
凡功率因数未达到上述规定的新用户,供电局可拒绝供电。
第十四条规定:《为调动用户改善电压,管好无功设备的积极性,对电力负荷不满足第十二条规定的电力用户,按国家批准的《功率因数调整电费办法》的有关规定进行功率因数考核和电费调整。
以0。
9为标准值的功率因数调整电费表如下:以0。
85为标准值的功率因数调整电费表如下:某用户变压器容量为S9-160kVA,采用低压计量,2004年5月份所消耗有功电量为25000kWH,无功电量为27000kVAH,试计算1、该用户当月的功率因素,及功率因互调整电费?2、如该用户有功用电不变的情况下,加装电容后,功率因素提高到0.95,计算该用户的功率因素调整电费为多少?解:(一)、当月用户无功电量与有功电量的比值为(27000+无功变损3790)÷(25000+有功变损1036)=1.1826查表可知功率因素为0.65,对照力率调整电费查对表得出调整百分数为+13%,即当月该用户的力率调整电费为电度电费总额乘以13%=25000×0。
68×15%=2550。
00元。
(二)、功率因素为0.95时,查表得出调整百分数为-0。
75,即该用户的力率调整电费为:25000×0.68×0.75%= -112。
50元(即奖励电费).1).功率因素的计算:凡实行功率因素调整电费的用户,应装设无功电度表.按每月实用有功电量和无功电量,计算月平均功率因素。
所谓功率因素就是有功功率与视在功率的比值,通俗地讲就是用电设备的实际出力与用电设备的容量的比值,又简称为力率。
功率因数调整电费办法标准化文件发布号:(9312-EUATWW-MWUB-WUNN-INNUL-DQQTY-功率因数调整电费办法《电力系统和无功电力管理条例》中的『电力用户的功率因数及无功补偿设备的管理』第十二条规定:《用户在当地供电局规定的电网高峰负荷时的功率因数,应达到下列规定:高压供电的工业用户和高压供电装有带负荷调整电压装置的电力用户功率因数为及以上;其他100kVA及以上电力用户和大、中型电力排灌站功率因数为及以上;销售和农业用户功率因数为及以上。
凡功率因数未达到上述规定的新用户,供电局可拒绝供电。
第十四条规定:《为调动用户改善电压,管好无功设备的积极性,对电力负荷不满足第十二条规定的电力用户,按国家批准的《功率因数调整电费办法》的有关规定进行功率因数考核和电费调整。
以为标准值的功率因数调整电费表如下:以为标准值的功率因数调整电费表如下:某用户变压器容量为S9-160kVA,采用低压计量,2004年5月份所消耗有功电量为25000kWH,无功电量为27000kVAH,试计算1、该用户当月的功率因素,及功率因互调整电费2、如该用户有功用电不变的情况下,加装电容后,功率因素提高到,计算该用户的功率因素调整电费为多少解:(一)、当月用户无功电量与有功电量的比值为(27000+无功变损3790)÷(25000+有功变损1036)=查表可知功率因素为,对照力率调整电费查对表得出调整百分数为+13%,即当月该用户的力率调整电费为电度电费总额乘以13%=25000××15%=元。
(二)、功率因素为时,查表得出调整百分数为-0。
75,即该用户的力率调整电费为:25000××%= —元(即奖励电费)。
1).功率因素的计算:凡实行功率因素调整电费的用户,应装设无功电度表。
按每月实用有功电量和无功电量,计算月平均功率因素。
所谓功率因素就是有功功率与视在功率的比值,通俗地讲就是用电设备的实际出力与用电设备的容量的比值,又简称为力率。
1.多数发电机的功率因数为0.8,个别的功率因数可达0.85或0.9。
一般情况下,功率因数由额定值到1.0的范围内变化时,发电机的出力可以保持不变,但为保持系统的静态稳定,要求功率因数不能超过0.95,也就是无功负荷不得小于有功负荷的1/3。
当发电机的功率因数低于额定值时,由于转子电流增大,会使转子温度升高,此时,应调整负荷,降低发电机的出力。
否则,转子温度可能超出极限值。
所以,运行时值班人员必须注意调整负荷,使转于电流不超过在该冷却空气进口温度下的允许值。
一般地,功率因数都是0.8-0.9左右吧!这个要根据这台机组所规定的功率因数参数和电网的要求。
如果机组是调峰机组,可能白天和晚夜就不一样的,我们厂现在由供电局规定的,白天多发无功,晚上少发无功。
2. 由Q=UIsinΦ和P=UIcosΦ知,若机组发出的无功越多,功率因数就是减小,在发电机输出功率不变的情况下,机端的电压会升高。
无功越多,励磁电流就会增大,机组的定、转子温度会有所升高,过高的话,两者的绝缘可能也会受到威胁呢.反之,如果功率因数过高,,机组所发的无功功率就是很少啦!机端电压也会降低,就会降低运行的稳定性很容易失步或有可能会造成机组进行运行呢?所以机组运行时,注意机端电压在规定值和保证机组不进相运行就可以了。
3.为了保证机组的稳定运行,发电机的功率因数一般不应超过迟相0.95运行,或无功负荷应不小于有功负荷的1/3。
在发电机自动调整励磁装置投入运行的情况下,必要时发电机可以在功率因数为1.0的情况下短时运行,长时间运行会引起发电机的振荡和失步。
目前大机组基本上不允许进相运行,有的大机组正在进行进相试验,运行人员应根据本机组的情况及时调整。
当功率因数低于额定值时,发电机出力应降低,因为功率因数越低,定子电流中的无功分量越大,转子电流也必然增大,这会引起转子电流超过额定值而使其绕组发生过热现象,试验证明,当功率因素等于0.7时,发电机的出力将减少8%。
发电机功率因数规定发电机功率因数是衡量发电机功率质量的重要参数之一,它反映了发电机输出功率与有用功率之间的关系。
在现代电力系统中,发电机功率因数规定对于保证电能的质量、提高电力系统运行效率具有重要意义。
本文将对发电机功率因数规定进行详细介绍。
发电机功率因数是指发电机输出功率与有用功率之间的比值。
有用功率是指发电机所供应给负载的实际功率,是电能的有用部分;而发电机输出功率则包括有用功率和无用功率,是发电机的总输出功率。
发电机功率因数范围为0到1之间,功率因数越接近1表示发电机输出的有用功率占比越大,系统运行效率越高。
为了保证电力系统的稳定运行,发电机功率因数规定是必不可少的。
根据国际标准,发电机功率因数应该在0.8到1之间,当然在实际应用中,发电机的功率因数规定还要根据国家或地区的电力标准来确定。
在中国的电力系统中,发电机功率因数规定一般为0.9到0.95之间。
确定发电机功率因数规定主要考虑以下几点。
首先,发电机功率因数过低会引起电力系统的无功损耗增加,降低系统的运行效率。
其次,功率因数过低还会引起电流的增加,导致线路过载、设备过热等问题。
另外,功率因数过低还会影响发电机的稳定运行,增加电力系统的故障风险。
因此,发电机功率因数规定应该尽可能接近1,以提高电力系统的运行效率和稳定性。
为了满足发电机功率因数规定,电力系统中常常使用功率因数校正装置。
功率因数校正装置能够根据电力系统的实际负载情况对发电机的功率因数进行调整,保持功率因数在规定的范围内。
常见的功率因数校正装置有电容器和同步电动机。
电容器可以通过串联或并联的方式与发电机连接,用来补偿无功功率,提高功率因数。
同步电动机则通过调整励磁电流的大小和相角来实现功率因数的校正。
在电力系统的运行中,发电机功率因数规定具有重要的意义。
合理的发电机功率因数规定能够保证电能的质量,提高电力系统的运行效率,降低能源的消耗。
因此,电力系统中的各级部门应该加强对发电机功率因数的监测和管理,以确保电力系统的稳定运行。
同步发电机的功率因数一、介绍同步发电机是电力系统中常见的发电设备之一。
在发电过程中,功率因数的控制对于保证系统性能和稳定运行至关重要。
本文将探讨同步发电机的功率因数及其调节方法。
二、功率因数的概念功率因数是指电力系统中有功功率和视在功率之间的关系,用来衡量电能的有效利用程度。
一般来说,功率因数越高,系统的效率越高。
三、同步发电机的功率因数特点同步发电机的功率因数是由负载以及励磁系统的控制决定的。
在不同负载条件下,同步发电机的功率因数也会有所变化。
3.1 常见的功率因数范围同步发电机的功率因数范围通常在0.8-1.0之间。
在实际运行中,要根据系统需求和运行方式来控制功率因数的值。
3.2 功率因数过低的影响当同步发电机的功率因数过低时,会导致电力系统的效率下降,并且可能产生功率损耗。
此外,功率因数过低还会引起设备过热、设备寿命降低等问题。
3.3 功率因数过高的影响功率因数过高意味着无功功率的流失,会导致电力系统不稳定。
同时,功率因数过高还会造成电力资源的浪费,从而降低电网的经济性。
四、调节同步发电机的功率因数方法为了维持同步发电机的功率因数在合理范围内,可以采取以下调节方法:4.1 励磁系统调节同步发电机的励磁系统可以通过调节励磁电流来控制功率因数。
当功率因数过低时,增加励磁电流可以提高功率因数;励磁电流过高则会导致功率因数过高。
4.2 并联无功补偿装置并联无功补偿装置可以通过在同步发电机的输出端并联连接无功补偿电容器或者电抗器,来实现功率因数的调节。
通过控制并联装置的开和关,可以实现功率因数的自动调节。
4.3 有功功率调节通过控制同步发电机的有功功率输出,也可以间接地调节功率因数。
增加有功功率输出可以提高功率因数,减少有功功率输出可以降低功率因数。
4.4 并联同步电容器在同步发电机的输出端并联连接同步电容器,可以实现额外的无功功率输出,从而调节功率因数。
五、结论同步发电机的功率因数调节对于电力系统的稳定运行和经济性具有重要意义。
1.多数发电机的功率因数为0.8,个别的功率因数可达0.85或0.9。
一般情况下,功率因数由额定值到1.0的范围内变化时,发电机的出力可以保持不变,但为保持系统的静态稳定,要求功率因数不能超过0.95,也就是无功负荷不得小于有功负荷的1/3。
当发电机的功率因数低于额定值时,由于转子电流增大,会使转子温度升高,此时,应调整负荷,降低发电机的出力。
否则,转子温度可能超出极限值。
所以,运行时值班人员必须注意调整负荷,使转于电流不超过在该冷却空气进口温度下的允许值。
一般地,功率因数都是0.8-0.9左右吧!这个要根据这台机组所规定的功率因数参数和电网的要求。
如果机组是调峰机组,可能白天和晚夜就不一样的,我们厂现在由供电局规定的,白天多发无功,晚上少发无功。
2. 由Q=UIsinΦ和P=UIcosΦ知,若机组发出的无功越多,功率因数就是减小,在发电机输出功率不变的情况下,机端的电压会升高。
无功越多,励磁电流就会增大,机组的定、转子温度会有所升高,过高的话,两者的绝缘可能也会受到威胁呢.反之,如果功率因数过高,,机组所发的无功功率就是很少啦!机端电压也会降低,就会降低运行的稳定性很容易失步或有可能会造成机组进行运行呢?所以机组运行时,注意机端电压在规定值和保证机组不进相运行就可以了。
3.为了保证机组的稳定运行,发电机的功率因数一般不应超过迟相0.95运行,或无功负荷应不小于有功负荷的1/3。
在发电机自动调整励磁装置投入运行的情况下,必要时发电机可以在功率因数为1.0的情况下短时运行,长时间运行会引起发电机的振荡和失步。
目前大机组基本上不允许进相运行,有的大机组正在进行进相试验,运行人员应根据本机组的情况及时调整。
当功率因数低于额定值时,发电机出力应降低,因为功率因数越低,定子电流中的无功分量越大,转子电流也必然增大,这会引起转子电流超过额定值而使其绕组发生过热现象,试验证明,当功率因素等于0.7时,发电机的出力将减少8%。
功率因数的标准值及其适用范围功率因数标准0.90,适用于160千伏安以上的高压供电工业用户(包括社队工业用户)、装有带负荷调整电压装置的高压供电电力用户和3200千伏安及以上的高压供电电力排灌站;功率因数标准0.85,适用于100千伏安(千瓦)及以上的其他工业用户(包括社队工业用户),100千伏安(千瓦)及以上的非工业用户和100千伏安(千瓦)及以上的电力排灌站;功率因数标准0.80,适用于100千伏安(千瓦)及以上的农业用户和趸售用户,但大工业用户未划由电业直接管理的趸售用户,功率因数标准应为0.85。
功率因数的计算凡实行功率因数调整电费的用户,应装设带有防倒装置的无功电度表,按用户每月实用有功电量和无功电量,计算月平均功率因数;凡装有无功补尝设备且有可能向电网倒送无功电量的用户,应随其负荷和电压变动及时投入或切除部分无功补尝设备,电业部门并应在计费计量点加装有防倒装置的反向无功电度表,按倒送的无功电量与实用无功电量两者的绝对值之和,计算月平均功率因数;根据电网需要,对大用户实行高峰功率因数考核,加装记录高峰时段内有功、无功电量的电度表,据以计算月平均高峰功率因数;对部分用户还可试行高峰、低谷两个时段分别计算功率因数,由试行的省、市、自治区电力局或电网管理局拟订办法,报水利电力部审批后执行。
电费的调整根据计算的功率因数,高于或低于规定标准时,在按照规定的电价计算出其当月电费后,再按照“功率因数调整电费表”(表一、二、三、)所规定的百分数增减电费。
如用户的功率因数在“功率因数调整电费表”所列两数之间,则以四舍五入计算。
根据电网的具体情况,对不需增设补尝设备,用电功率因数就能达到规定标准的用户,或离电源点较近,电压质量较好、勿需进一步提高用电功率因数的用户,可以降低功率因数标准或不实行功率因数调整电费办法,但须经省、市、自治区电力局批准备,并报电网管理局备案。
降低功率因数标准的用户的实际功率因数,高于降低后的功率因数标准时,不减收电费,但低于降低后的功率因数标准时,应增收电费。
同步发电机无功功率的调节方法同步发电机无功功率的调节方法同步发电机是电力系统中非常重要的组成部分,它的稳定运行对于电力系统的正常运行至关重要。
无功功率的调节是同步发电机运行中的一个重要问题,它直接影响到电力系统的稳定性和功率因数的控制。
本文将对同步发电机无功功率的调节方法进行全面评估,并探讨该主题的深度和广度,以帮助读者更好地理解这一概念。
一、同步发电机无功功率的定义和重要性1. 同步发电机无功功率是指同步发电机在运行过程中所提供或吸收的无功功率。
2. 无功功率的调节对于电力系统的稳定运行和功率因数的控制非常重要。
恰当地调节无功功率可以维持电力系统的电压稳定,防止电压闪烁和电压暂降,提高电力系统的抗干扰能力。
二、同步发电机无功功率调节方法的分类和原理1. 自动调节装置(AVR)- AVR是一种常用的调节同步发电机无功功率的装置。
- 它通过监测发电机端电压来调节发电机的励磁电流,从而控制无功功率的输出。
- AVR通过自动调节发电机的励磁电流来使得发电机的终端电压保持在设定的水平。
2. 功率因数调整装置(PFC)- PFC装置通过调节同步发电机的功率因数来控制无功功率的输出。
- PFC装置可以根据电压和电流的相位差来判断功率因数,然后调整励磁电流以达到所需的功率因数。
- 这种调节方法适用于大功率、高电压的同步发电机。
3. 动能储存装置(SMES)- SMES是一种新型的同步发电机无功功率调节装置。
- 它利用锂电池等储能技术将过剩的无功功率转化为电能进行储存,当系统需要时再将其释放。
- SMES装置能够快速响应和调节电力系统的无功功率需求,使得电力系统的运行更加稳定和高效。
三、同步发电机无功功率调节方法的优缺点1. AVR的优点是简单可靠,可以快速响应无功功率的需求变化。
但是它对系统的负荷变化和故障响应能力较差。
2. PFC的优点是可以精确地调节功率因数,适用于大功率的同步发电机。
然而,它对变动较快的系统负荷变化响应较慢。
功率因数电费增加(%)功率因数电费增加(%)功率因数电费减少(%)0.89 0.88 0.87 0.86 0.85 0.84 0.83 0.82 0.81 0.80 0.79 0.78 0.77 0.76 0.5 1.0 1.5 2.0 2.5 3.0 3.5 4.0 4.5 5.0 5.5 6.0 6.5 7.0增收电费0.75 0.74 0.73 0.72 0.71 0.70 0.69 0.68 0.67 0.66 0.65 功率因数自0.64 以下7.5 8.0 8.5 9.0 9.5 10.0 11.0 12.0 13.0 14.0 15.0 每降低0.01 电费增加2%减收电费以0.85 为标准值的功率因数调整电费表如下:增收电费减收电费功率因数电费增加(%)功率因数电费增加(%)功率因数电费增加(%)功率因数电费减少(%)功率因数调整电费办法《电力系统和无功电力管理条例》中的『电力用户的功率因数及无功补偿设备的管理』第十二条规定:《用户在当地供电局规定的电网高峰负荷时的功率因数,应达到下列规定:高压供电的工业用户和高压供电装有带负荷调整电压装置的电力用户功率因数为0.9 及以上;其他100kVA 及以上电力用户和大、中型电力排灌站功率因数为0.85 及以上;销售和农业用户功率因数为0.80 及以上。
凡功率因数未达到上述规定的新用户,供电局可拒绝供电。
第十四条规定:《为调动用户改善电压,管好无功设备的积极性,对电力负荷不满足第十二条规定的电力用户,按国家批准的《功率因数调整电费办法》的有关规定进行功率因数考核和电费调整。
以0.9 为标准值的功率因数调整电费表如下:0.9 0.91 0.92 0.93 0.94 0.95--1.000.0 0.15 0.30 0.45 0.60 0.750.84 0.83 0.82 0.81 0.80 0.79 0.78 0.77 0.76 0.75 0.740.5 1.0 1.5 2.0 2.5 3.0 3.5 4.0 4.5 5.0 5.50.73 0.72 0.71 0.70 0.69 0.68 0.67 0.66 0.65 0.64 0.636.0 6.57.0 7.58.0 8.59.0 9.5 10.0 11.0 12.00.62 0.61 0.60 功率因数自0.59 及以下,每降低0.01 电费增加2%13.0 14.0 15.00.85 0.86 0.87 0.88 0.89 0.90 0.91 0.92 0.93 0.94~1.000.0 0.1 0.2 0.3 0.4 0.5 0.65 0.80 0.95 1.10某用户变压器容量为S9-160kVA,采用低压计量,2004 年5月份所消耗有功电量为25000kWH ,无功电量为27000kVAH ,试计算1、该用户当月的功率因素,及功率因互调整电费? 2 、如该用户有功用电不变的情况下,加装电容后,功率因素提高到0.95,计算该用户的功率因素调整电费为多少?解:(一)、当月用户无功电量与有功电量的比值为(27000+ 无功变损3790)÷(25000+ 有功变损1036)=1.1826 查表可知功率因素为0.65,对照力率调整电费查对表得出调整百分数为+13%, 即当月该用户的力率调整电费为电度电费总额乘以13%=25000 ×0.68×15%=2550.00 元。
发电机的功率如何计算无功有功是什么意思如何调节计
算
1. 有功功率是指发电机输出的实际有效功率,用于驱动负载工作。
有功功率的计算公式为:有功功率 = 电流× 电压× 功率因数× cosθ。
其中,电流和电压是指电源线路的电流和电压值,功率因数是指实际功率与视在功率之比,cosθ是指功率因数的余弦值。
2. 无功功率是指发电机输出的非实际有效功率,是通过电容器或电感器件在电路中存储和释放能量所产生的功率。
无功功率的计算公式为:无功功率 = 电流× 电压× 功率因数× sinθ。
因此,总功率(视在功率)等于实际功率(有功功率)与无功功率的平方和的开根号。
总功率的计算公式为:总功率=√(有功功率^2+无功功率^2)。
为了调节发电机的功率,可以采取以下几种方法:
1.调整负载电流和电压:通过调整负载的电流和电压,可以控制发电机输出的有功功率。
2.调整功率因数:通过增加或减小电感器或电容器来调整发电机输出的无功功率,从而改变功率因数。
3.调整发电机的励磁电流:通过调节励磁电流的大小,可以改变发电机的输出功率。
发电机功率的调节和计算需要根据具体的电路参数和负载要求进行,因此在实际应用中需根据具体情况来选择合适的方法进行调节和计算。
功率因数调整电费办法鉴于电力生产的特点,用户用电功率因数的高低对发、供、用电设备的充分利用、节约电能和改善电压质量有着重要影响;为了提高用户的功率因数并保持其均衡,以提高供电用双方和社会的经济效益,特制定本办法;功率因数的标准值及其适用范围功率因数标准,适用于160千伏安以上的高压供电工业用户包括社队工业用户、装有带负荷调整电压装置的高压供电电力用户和3200千伏安及以上的高压供电电力排灌站;功率因数标准,适用于100千伏安千瓦及以上的其他工业用户包括社队工业用户,100千伏安千瓦及以上的非工业用户和100千伏安千瓦及以上的电力排灌站;功率因数标准,适用于100千伏安千瓦及以上的农业用户和趸售用户,但大工业用户未划由电业直接管理的趸售用户,功率因数标准应为;功率因数的计算凡实行功率因数调整电费的用户,应装设带有防倒装置的无功电度表,按用户每月实用有功电量和无功电量,计算月平均功率因数;凡装有无功补尝设备且有可能向电网倒送无功电量的用户,应随其负荷和电压变动及时投入或切除部分无功补尝设备,电业部门并应在计费计量点加装有防倒装置的反向无功电度表,按倒送的无功电量与实用无功电量两者的绝对值之和,计算月平均功率因数;根据电网需要,对大用户实行高峰功率因数考核,加装记录高峰时段内有功、无功电量的电度表,据以计算月平均高峰功率因数;对部分用户还可试行高峰、低谷两个时段分别计算功率因数,由试行的省、市、自治区电力局或电网管理局拟订办法,报水利电力部审批后执行;电费的调整根据计算的功率因数,高于或低于规定标准时,在按照规定的电价计算出其当月电费后,再按照“功率因数调整电费表”表一、二、三、所规定的百分数增减电费;如用户的功率因数在“功率因数调整电费表”所列两数之间,则以四舍五入计算;根据电网的具体情况,对不需增设补尝设备,用电功率因数就能达到规定标准的用户,或离电源点较近,电压质量较好、勿需进一步提高用电功率因数的用户,可以降低功率因数标准或不实行功率因数调整电费办法,但须经省、市、自治区电力局批准备,并报电网管理局备案;降低功率因数标准的用户的实际功率因数,高于降低后的功率因数标准时,不减收电费,但低于降低后的功率因数标准时,应增收电费;表一以为标准值的功率因数调整电费表表二以为标准值的功率因数电费调整表表三以为标准值的功率因数电费调整表什么是功率因数在交流电路中,电压与电流之间的相位差Φ的余弦叫做功率因数,用符号cosΦ表示,在数值上,功率因数是有功功率和视在功率的比值,cos=P/S提高功率因数的实际意义1.对于电力系统中的供电部分,提供电能的发电机是按要求的额定电压和额定电流设计的,发电机长期运行中,电压和电流都不能超过额定值,否则会缩短其使用寿命,甚至损坏发电机;由于发电机是通过额定电流与额定电压之积定额的,这意味着当其接入负载为电阻时,理论上发电机得到完全的利用,因为P=UIcosØ中的cosØ=1;但是当负载为干性或容性时,cosØ<1,发电机就得不到充分利用;为了最大程度利用发电机的容量,就必须提高其功率因数;2.对于电力系统中的输电部分,输电线上的损耗:Pl=RII,负载吸收的平均功率:P.=VIcosØ ,因为I=P./V/ cosØ,所以Pl=RP./V/cosØV是负载端电压的有效值;由以上式可以看出,在V和P都不变的情况下,提高功率因数cosØ会降低输电线上的功率损耗在实际中,提高功率因数意味着:1 提高用电质量,改善设备运行条件,可保证设备在正常条件下工作,这就有利于安全生产;2 可节约电能,降低生产成本,减少企业的电费开支;例如:当cosØ=时的损耗是cosØ=1时的4倍;3 能提高企业用电设备的利用率,充分发挥企业的设备潜力;4 可减少线路的功率损失,提高电网输电效率;5 因发电机的发电容量的限定,故提高cosØ也就使发电机能多出有功功率;在实际用电过程中,提高负载的功率因数是最有效地提高电力资源利用率的方式;在现今可用资源接近匮乏的情况下,除了尽快开发新能源外,更好利用现有资源是我们解决燃眉之急的唯一办法;而对于目前人类所大量使用和无比依赖的电能使用,功率因数将是重中之重;提高负载因数的几种方法可分为提高自然功率因数和采用人工补尝两种方法:提高自然因数的方法:1. 恰当选择电动机容量,减少电动机无功消耗,防止“大马拉小车”;2. 对平均负荷小于其额定容量40%左右的轻载电动机,可将线圈改为三角形接法或自动转换;3. 避免电机或设备空载运行;4. 合理配置变压器,恰当地选择其容量;5. 调整生产班次,均衡用电负荷,提高用电负荷率;6. 改善配电线路布局,避免曲折迂回等;人工补偿法:实际中可使用电路电容器或调相机,一般多采用电力电容器补尝无功,即:在感性负载上并联电容器;并联电容器的补偿方法又可分为:1.个别补偿;即在用电设备附近按其本身无功功率的需要量装设电容器组,与用电设备同时投入运行和断开,也就是在实际中将电容器直接接在用电设备附近;适合用于低压网络,优点是补偿效果好,缺点是电容器利用率低;2.分组补偿;即将电容器组分组安装在车间配电室或变电所各分路出线上,它可与工厂部分负荷的变动同时投入或切除,也就是再实际中将电容器分别安装在各车间配电盘的母线上;优点是电容器利用率较高且补偿效果也较理想比较折中;3.集中补偿;即把电容器组集中安装在变电所的一次或二次侧的母线上;在实际中会将电容器接在变电所的高压或低压母线上,电容器组的容量按配电所的总无功负荷来选择;优点:是电容器利用率高,能减少电网和用户变压器及供电线路的无功负荷;缺点:不能减少用户内部配电网络的无功负荷;实际中上述方法可同时使用;对较大容量机组进行就地无功补偿;实际效果例如某公司除尘机房的空压机站,未投入无功补偿之前的电流为86A,功率因数为,投入无功补偿后电流为62A,由此可知,其功率因数为投入无功补偿后,电流下降24A;结论电力用户安装的电容器,能减少整电力用户安装的电容器,能减少整个网络中无功功率的传递,从而能降低整个网的线路损耗,改善整个网络的电压质量;具体地说,电力用户无功功率补偿的好处有:1实行功率因数收费,可减少电费支出;2减少电能损失因为,所以△P与功率因数的平方成反比,故用户的功率因数从提高到,功率损失可减少%,效果是明显的,因此提高用户的功率因数是节约电能的重大措施;3可选用截面较小导线因为,因此功率因数提高后,电流数值下降,导线截面可相应减少;4可选用较小容量的变压器因为视在功率功率因数提高后,S值相应下降,可选用较小容量的变压哭,减少变压器的一次性投资,增容时的帖费和支付给电业部门按变压器容量收取的基本电费;另一方面说,如果设备输送容量一定,功率因数提高,输送的有功功率将增加;5减少电压降,改善电压质量因电压降,而且一般电力系统的值,Q减少后,可较大幅度地减少电压降,从而改善用户的电压质量;6增加电力系统的动行能力和用户有的有功负荷.。
发电机正常运行监视、调整、巡回检查一、正常运行中的监视规定发电机在运行期间,运行人员要对各表计进行严密监视,从表计的变化情况来分析机组当前的运行状况。
当机组参数发生变化时,应及时进行相应的调整。
机组在运行期间,主要对发电机频率、定子电压、电流、负序电流、有功、无功、励磁系统参数进行监视。
其目的在于:1、发电机频率:额定值为50H Z,允许偏差为±0.2H Z。
频率偏高,转子上的离心力增大,容易使机组转子或厂用机械某些部件损坏;频率偏低,将降低本厂厂用辅机的出力,易形成恶性循环。
2、定子电压表:额定值为20KV,允许偏差±5%(19-21KV)。
当电压不在额定范围内时,应及时增或减励磁,调整电压在额定范围内,否则将会因励磁电流过大,而增加发电机和励磁机的温升,缩短设备使用寿命,或因励磁电流过小,降低发电机的静态稳定度。
3、定子电流及负序电流:当机组过负荷运行时,定子电流将超过额定值(11887A),此时机组将发热,引起绝缘老化。
因此,应按发电机过负荷时的允许定子电流和允许运行时间做出及时调整,必要时降负荷运行。
当机组或电力系统不对称运行时,将在定子绕组中产生负序电流,定子负序电流将产生负序旋转磁场,它的旋转方向与转子的旋转方向相反,并以两倍的同步转速速扫过转子表面,引起转子表面温度升高和转子振动。
因此,有负序电流出现时,应严密监视定子三相电流相差不得超过10%Ie,且最大相电流不超过额定值,否则降负荷运行,以减少负序电流的影响。
4、有、无功功率:通过有、无功负荷接带的多少来判断功率因数是进相还是滞相运行,判断机组当前运行的稳定性。
二、正常运行方式发电机按照制造厂铭牌规定数据运行的方式,称为额定运行方式。
正常运行的发电机,其各参数应保持在额定值允许的范围内长期连续运行,即P-Q曲线的规定范围之内,当参数偏离额定值时,应及时调整,使发电机保持在合理的运行工况。
当发电机有功负荷升至175MW及以上时,并且运行稳定后将厂用电切换至本机接带。
发电机的功率因数调节原理说明书1. 介绍本说明书旨在详细介绍发电机的功率因数调节原理,为读者提供准确的技术指导,以便正确使用和调节发电机,提高其功率因数调节的效率和稳定性。
2. 功率因数及其重要性功率因数是指交流电路中有功功率与视在功率之比,其数值范围为0到1之间。
功率因数越接近1,表示电路能更有效地利用电能。
功率因数的调节对于电力系统的稳定性和能效都具有重要意义。
3. 发电机的功率因数调节原理发电机的功率因数调节是通过调节励磁电流控制发电机的无功功率来实现的。
下面将分步骤介绍功率因数调节的原理:(1) 监测功率因数发电机通过内置的功率因数监测装置实时监测输出功率因数,该装置能够精确地测量功率因数,并将测量结果反馈给调节系统。
(2) 判断调节方向调节系统根据功率因数监测结果判断调节的方向,如果功率因数低于设定值,调节系统将通过增加励磁电流来提高发电机的功率因数;如果功率因数高于设定值,调节系统将通过降低励磁电流来降低发电机的功率因数。
(3) 控制励磁电流调节系统根据调节方向信号控制励磁系统,通过调节励磁电流的大小来改变发电机的无功功率。
这一过程需要通过监测准确的励磁电流,以确保功率因数调节的精确性和稳定性。
(4) 反馈控制调节系统根据调节后的功率因数监测结果进行反馈控制,不断对励磁电流进行微调,直至发电机的功率因数达到设定值。
这一反馈控制过程是自动进行的,能够在短时间内实现功率因数的精确调节。
4. 注意事项在进行发电机的功率因数调节时,需要注意以下事项:(1) 调节过程中需保持电压稳定,避免对电网和负载产生影响。
(2) 调节系统必须可靠,并具备高精度的功率因数监测和控制能力。
(3) 励磁系统的响应速度应快,以实现快速而准确的调节。
(4) 对于不同的负载特性,可能需要预设不同的功率因数设定值,以满足不同的需求。
5. 结论通过合理的设计和精确的控制,发电机的功率因数调节能够有效提高电力系统的能效和稳定性。
如何提高功率因数功率因数是指电力系统中的负载的实际功率与额定功率的比值,对于任何实际的电力负载,其最佳的功率因数是1.0。
因此,要想提高功率因数,可以采取以下几种措施:一、改善电力负载结构。
电力负载结构将影响功率因数,如果用少量的无功负载,可以改善功率因数过低的问题。
例如在电力系统中使用无功补偿装置,可以有效改善电力负载结构,从而提高功率因数。
二、减少无功电抗器的使用。
如果电力系统中的无功电抗器的数量太多,它们将消耗大量的无功功率,从而降低功率因数。
因此,要尽可能减少无功电抗器的使用,从而提高功率因数。
三、优化发电机控制方式。
发电机控制方式对功率因数有很大影响,如果采用合理的发电机控制方式,可以有效提高功率因数。
例如,可以采用负载测试控制,以便根据负载及其变化情况,合理调整发电机输出功率,从而提高功率因数。
四、安装无功补偿装置。
无功补偿装置的安装可以帮助改善电力系统的功率因数,通过发生器无功补偿,可以有效改善电力负载结构,从而提高功率因数。
总之,要想获得高功率因数,需要改善电力负载结构,减少无功电抗器的使用,优化发电机控制方式,并安装无功补偿装置。
正确使用这些技术,可以有效提高电力系统的功率因数。
五、注意用电负荷的变化。
用电负荷的变化也会影响功率因数,如果在一段时间内负载瞬时变化很大,会降低功率因数。
因此,应使用电容器或无功补偿装置来抑制用电负荷的瞬时变化,以防止负载瞬时变化太大而影响电力系统的功率因数。
六、应用能效标准使用能效标准是提高功率因数的有效手段之一。
国家对电气产品的能效标准要求越来越高,这将有助于改善电力负载的性能和结构,从而提高功率因数。
七、检查电力线损耗电力线的损耗也会影响功率因数,如果电力线的损耗很大,功率因数会变得很低。
因此,应定期检查电力线的损耗情况,以便及时更换损耗较大的电力线,从而提高功率因数。
总之,要有效地提高功率因数,应改善电力负载结构,减少无功电抗器的使用,优化发电机控制方式,安装无功补偿装置,注意用电负荷的变化,采用能效标准,检查电力线损耗。
简述提高功率因数的意义和方法
功率因数是描述电力系统负载、发电机和电网相对恰当性的一个重要参数。
它表示了一个负载设备单位有功功率对其单位无功功率的比率,这有助于检测和分析电能的品质,以及电力系统的效率。
提高功率因数的意义是,在电力系统中,它能够使系统运行更加稳定,同时节约能源,降低电力成本。
提高功率因数可以明显降低电力系统中的电流,减少变压器和线路的损耗,降低有功功率的支付,从而提高电力系统的效率。
提高功现因数的方法有很多,其中一种是通过加装电容器或交流静止开关来改善电力系统的线性度,这可以有效提高功现因数,有效的改善电力系统的电流和电压比例关系,从而满足电力系统的稳定性要求,也是提高功现因数的有效方法之一。
另外,采用低功现因数负载调整的方法也可以提高功现因数。
尤其是采用调节电动机运行特性的控制和调节方法,往往能够极大提高电动机的功现因数,从而快速降低有功功率消耗,节约能源。
此外,要提高功现因数,还可以采用恒功率系统或调直负载系统,通过改变恒功现比例和改变调直负载电流,从而获得较高的功现因数,从而节省能源。
此外,提高电力系统的功现因数也可以通过科学的控制系统而实现,采用现代化的智能控制系统,通过自动调节电流和电压,使功现比保持在一个比较稳定的状态,从而节约能源,达到节能的目
的。
总之,提高功现因数是达到节能和节省能源的重要方法,有利于提高系统效率,改善系统质量和安全性,维护电力的安全性和稳定性,从而获得更大的经济效益。
发电机试验中的功率因数与无功功率控制技术发电机试验是评估和验证发电机性能的关键步骤,它是确保发电机在实际运行中正常工作的必要过程。
在发电机试验中,功率因数和无功功率控制技术起着重要作用。
本文将探讨发电机试验中功率因数和无功功率控制技术的原理、应用以及相关的技术挑战。
一、功率因数控制技术功率因数是指电路中有功功率与视在功率的比值,它衡量了电路中能被有效利用的功率比例。
在发电机试验中,功率因数控制技术能够实现对发电机输出功率因数的调整和优化,以确保发电机输出的电功率能够满足需求,并提高电网的稳定性和供电质量。
1.1 静态功率因数控制技术静态功率因数控制技术是通过改变发电机终端的电气参数来实现功率因数的控制。
常见的方法是通过并联电容器或电感器来改变发电机的无功功率,使功率因数达到所需的数值。
这种控制技术简单方便,但对于功率因数变化范围较大的情况,需要采用多级调整和自动控制。
1.2 动态功率因数控制技术动态功率因数控制技术是根据负载需求的变化,实时调整发电机的功率因数。
通过使用先进的控制算法和电力电子器件,可以快速准确地调整发电机的功率因数,以满足各种负载工况的要求。
这种技术具有响应速度快、精度高的优点,适用于复杂多变的电力系统。
二、无功功率控制技术无功功率是指在电路中产生的不能被直接利用的功率,它与电路的电感和电容性质有关。
在发电机试验中,无功功率控制技术能够控制和调整无功功率的输出,以满足电力系统的需求。
无功功率控制技术主要包括无功补偿和无功发生装置。
2.1 无功补偿技术无功补偿技术是通过在电路中串联或并联无功补偿元件,如电容器和电感器,来改变电路的无功功率。
这种技术能够对发电机输出的无功功率进行调整,提高功率因数和电能利用效率。
无功补偿技术常用于消除电网谐波、改善电网稳定性和降低电能损耗。
2.2 无功发生装置技术无功发生装置技术是通过控制发电机的功率因数来实现无功功率的控制。
这种技术通过改变发电机的励磁电流或励磁电压,调整发电机的无功功率输出。
水电站发电机功率因数的调整
2007-04-14 18:27
摘要: 合理调整电机功率因数,保证系统的无功需求,是电站运行的一项重要工作。
本文主要讲述发电机在各种运行工况下,如何调整功率因数,使电站既多发有功,又满足了系统的无功需求,以提高电站的经济效益问题。
关键词: 水电站 功率因数 调整
在水电站的运行工作中,发电机的功率因数是经常调整的一个参数,怎样根据水电站季节性水量变化较大、发电机负荷不均的特点,合理地调整发电机功率因数,满足系统无功负荷的需求,解决在满负荷运行时发电机端电压偏高的问题。
对水电站的安全运行及提高电站的经济效益,有着重要的意义。
博爱县丹东水电站是丹河流域梯级开发的一座引水式水电站,电站总装机容量为3130kW,其中有两台为1250kW和一台630kW水轮发电机组。
发电机额定电压为6.3kV,发电机功率因数为0.8,三台发电机均为同步发电机。
电站年发电量1400万kW·h。
1995年与大电网并网,同时电站有独立的自供区。
每年上网与自供负荷的比例为三比一。
由于电站的供电系统有两个部分组成,电站必须合理调整发电机的功率因数,以满足两个系统对无功的需求。
在电站自供区内,共安装有变压器容量3000kVA,变压器近40台,而且多为老式高耗能变压器,用电负荷变化大,无功负荷需求量也大。
10kV线路上和400V低压用户均未安装电容器。
如用安装电容器来补偿无功,提高自供区内线路的功率因数,一次性投资大,电容器运行维护费用高,经常还会出现"过补"现象。
因此通过对电站发电机功率因数进行适时调整,补充自供区线路的无功负荷,提高线路的经济运行,较为合理。
并网负荷的功率因数,电力部门的要求也十分严格,规定功率因数必须为0.8。
如少发无功处罚、多发无功奖励,奖罚以0.8为标准,低0.01奖当月上网电费的0.1%,高0.01罚当月上网电费的0.5%,即奖一罚五的规定。
电力部门的规定虽然十分严格,但我们电站在不同季节,根据水量和负荷变化的特点,合理地调整发电机的功率因数,每年不但保证自供区无功负荷的需要,而且还受电网多发无功的奖励。
合理调整发电机的功率因数,必须注意几个问题,即针对不同运行季节的特点,正确地进行调整。
对于径流式没有调节能力的小水电站,在雨季水量充足
时,电站内多台机组都能满负荷运行,这时应把发电机的功率因数调到0.85~0.9左右,让发电机多发有功,少发无功。
《发电机运行规程》中规定:功率因数以0.8为宜,不得超过0.95,必要时方可在功率因数为1的情况下运行。
说明功率因数调整稍高一点符合规程要求。
另一方面,在满足负荷运行时,功率因数不宜调得太低。
这是因为,当发电机的功率因数从额定值到零的范围内变动时,它的有功出力应根据转子电流的允许值而适当降低,因功率因数愈低,定子电流的无功分量也愈大,转子电流也愈大,这可能使转子线圈温度超过允许温升,所以在满负荷运行时必须把发电机的功率因数调高。
汛期水量充足时水电站提高功率因数运行,多发有功、少发无功,对于电网也是可行的。
因在汛期机组开的多,电网的无功负荷也相对过剩,并不会因小水电站机组在汛期功率因数适当提高了,电网内的无功负荷就会减少很多。
如一旦电网功率因数太低,可以临时投入电容器装置,进行无功补偿。
并网运行的水电站,在汛期水量充足机组满负荷运行时,经常会出现发电机端电压过高的现象,如端电压过高,功率因数也应适当提高。
但端电压过高时,为了保证机组的安全运行,必须减少机组的出力。
如我们丹东水电站,在前几年汛期三台机组满负荷运行时,端电压最高达到7.2kV,高出额定电压6.3kV的14%。
根据统计,目前很多上网运行的小水电站,都存在有上述现象,端电压过高,影响了水电站的安全运行,容易引发各类事故的发生,电器设备元、器件容易击穿烧毁。
端电压过高,对于运行年限长,绝缘老化或机组有潜在性绝缘缺陷的发电机,会引起绝缘击穿,严重时造成发电机着火或冒烟。
当端电压高于105%额定电压时,由于磁通饱和,使发电机的铁损增加,铁芯发热,发电机效率下降,加速绝缘老化。
由于端电压过高,不得不减少机组负荷,弃水发电,浪费宝贵的水力资源,影响了电站的经济效益。
适当提高发电机的功率因数,可使发电机的端电压降低,但不能解决端电压过高的根本问题,端电压过高是由以下几方面引起的:①电网在汛期时负荷出现供大于求现象,特别是无功负荷过剩,提高了电网电压,使发电机出口电压升高;②电站并网线路线损超过规定,造成线路压降大;③两端的变压器分接开关位置选择的不当。
根据以上情况,电站应对线路进行改造,对分接开关位置进行重新调整。
并网运行的水电站,由于在枯水期来水量减小,机组都不
能满负荷运行,这时可以把发电机功率因数调低到0.7~0.75左右。
在有功不变的情况下,尽量多发无功。
我们丹东电站在枯水期运行时,总负荷只有1400~1500kW。
这时让1台1250kW机组带900~1000kW负荷,630kW机组带400~500kW负荷,功率因数都调整到0.75以下,同时还有1台1250kW机组在停运状态。
由于在枯水期大电网系统的功率因数也相对较低,也需用投入电容器的办法来补偿无功的不足。
根据这种情况,我们积极向电网部门建议,把停运的1250kW机组做调相运行。
我们电站机组调相运行为电网送无功有以下条件:①机组为卧式机组,机组中心线高于尾水位1.9m,不需要向尾水管压气,就可达到调相运行的目的;②电站并网为10kV并网,距大电网升压站仅有3km,处在负荷的中心,向大电网补偿无功的技术条件允许,电力部门可以按无功电量计算电费,这样电站可以充分利用枯水期水少机不停,提高电站的经济效益。
当发电机在低功率因数下运行时,运行人员必须认真监视发电机的温升情况,做到随时调整,防止温升超过允许值。
当发电机在调相运行时,如果电站尾水位高于水轮机的中心线,应当注意向尾水管内压气,保证蜗壳内不充水。
如蜗壳内有水流,机组在旋转时,受到较大阻力,要消耗一定有功。
电站还应计算1kW·h有功能发几kW·h无功,做到调相的经济运行。
同时要加强与电网调度的联系,按照电网功率因数的变化增减无功负荷。