机器设备安装调试费率资料
- 格式:doc
- 大小:119.50 KB
- 文档页数:4
常见机器设备运杂费率参考指标(占设备基价的%)
生产地费率
当地生产 1.0%—2.5%
运输距离100—1000公里 1.5%—3.5%
运输距离1000—2000公里 2.0%—5.5%
运输距离2000—2800公里 2.5%—6.5%
运输距离大于2800公里 3.0%—7.5%
常见机器设备安装调试费率参考指标(占设备基价的%)
序号设备类型费率(%)序号设备类型费率(%)
1、轻型通用设备 0.5-1
2、一般机加工设备 0.5-2
3、大型机加工设备 5-8
4、数控机床和精密加工机床 2-4
5、铸造设备 3-6
6、锻造、冲压设备 4-8
7、起重设备 4-10
8、焊接、切割设备 0.5-2
9、泵站设备 5-10
10、制冷、通风设备 8-12
11、集中空调设备 8-12
12、冷却塔 8-12
13、工业炉窑及冶炼设备 10-20
14、电梯 10-16 15、变电、配电设备 8-15
16、电气设备 5-10
17、气体压缩机 5-12
18、电话总机 10-15
19、检测、试验设备 1-4
20、快装锅炉(以锅炉主机价计算) 15-20
21、蒸汽锅炉(10吨/时及以下)(以锅炉主机价计算) 25-35 22、蒸汽锅炉(20吨/时及以下)(以锅炉主机价计算) 20-30
23、热水锅炉 10-15
24、电镀、镀装设备 5-10
25、热处理设备 2-5
26、化工业专用设备 6-15
注:1、专用生产线或成套设备试生产过程费用未包括在内;
2、设备基础费用另行加;
3、锅炉安装包括砌炉、炉体保温等工程。
机器设备安装调试费标准
机器设备安装调试费的标准通常取决于多种因素,包括设备的复杂性、规模和所需的专业技能水平。
以下是一些可能影响此类费用的因素:
1. 设备类型与规模:大型或复杂的机械设备需要更多的时间和专业知识来安装和调试,因此费用相对较高。
2. 安装环境:如果安装地点的访问受限或工作环境恶劣(如高温、高湿或有爆炸危险等),可能会增加安装调试的难度和风险,从而导致更高的费用。
3. 供应商与制造商:不同的供应商或制造商可能会提供不同的服务标准和费用。
选择知名品牌的设备可能需要支付更高的安装调试费用,但通常会获得更可靠的服务和保障。
4. 额外服务:除了基本的安装和调试服务外,客户可能还会要求额外的服务,如操作培训、维护指导或保修服务,这些都可能导致费用的增加。
5. 地区差异:不同地区的劳动力成本和市场行情也会影响安装调试的费用。
为了确定具体的费用标准,通常需要与设备供应商或专业的安装服务提供商进行详细咨询,并根据实际需求和条件获取报价。
在签订合同之前,务必明确所有费用和服务内容,以避免日后产生不必要的纠纷。
常见机器设备运杂费、安装调试费率参考指标预览说明:预览图片所展示的格式为文档的源格式展示,下载源文件没有水印,内容可编辑和复制常见机器设备运杂费率参考指标(占设备基价的%)生产地费率当地生产 1.0%—2.5%运输距离100—1000公里 1.5%—3.5%运输距离1000—2000公里 2.0%—5.5%运输距离2000—2800公里 2.5%—6.5%运输距离大于2800公里 3.0%—7.5%常见机器设备安装调试费率参考指标(占设备基价的%)序号设备类型费率(%)序号设备类型费率(%)1、轻型通用设备 0.5-12、一般机加工设备 0.5-23、大型机加工设备 5-84、数控机床和精密加工机床 2-45、铸造设备 3-66、锻造、冲压设备 4-87、起重设备 4-108、焊接、切割设备 0.5-29、泵站设备 5-1010、制冷、通风设备 8-1211、集中空调设备 8-1212、冷却塔 8-1213、工业炉窑及冶炼设备 10-2014、电梯 10-16 15、变电、配电设备 8-1516、电气设备 5-1017、气体压缩机 5-1218、电话总机 10-1519、检测、试验设备 1-420、快装锅炉(以锅炉主机价计算) 15-2021、蒸汽锅炉(10吨/时及以下)(以锅炉主机价计算)25-3522、蒸汽锅炉(20吨/时及以下)(以锅炉主机价计算) 20-3023、热水锅炉 10-1524、电镀、镀装设备 5-1025、热处理设备 2-526、化工业专用设备 6-15注:1、专用生产线或成套设备试生产过程费用未包括在内;2、设备基础费用另行加;3、锅炉安装包括砌炉、炉体保温等工程。
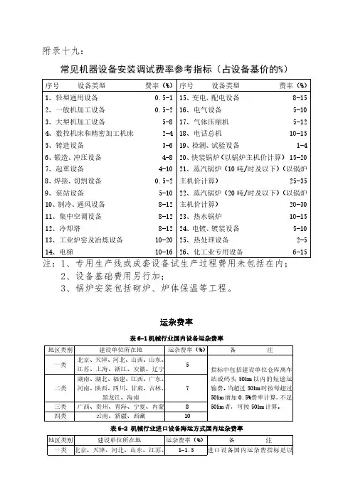
附录十九:常见机器设备安装调试费率参考指标(占设备基价的%)序号设备类型费率(%)序号设备类型费率(%)1、轻型通用设备0.5-12、一般机加工设备0.5-23、大型机加工设备5-84、数控机床和精密加工机床2-45、铸造设备3-66、锻造、冲压设备4-87、起重设备4-108、焊接、切割设备0.5-29、泵站设备5-1010、制冷、通风设备8-1211、集中空调设备8-1212、冷却塔8-1213、工业炉窑及冶炼设备10-2014、电梯10-1615、变电、配电设备8-1516、电气设备5-1017、气体压缩机5-1218、电话总机10-1519、检测、试验设备1-420、快装锅炉(以锅炉主机价计算)15-2021、蒸汽锅炉(10吨/时及以下)(以锅炉主机价计算)25-35 22、蒸汽锅炉(20吨/时及以下)(以锅炉主机价计算)20-3023、热水锅炉10-1524、电镀、镀装设备5-1025、热处理设备2-526、化工业专用设备6-15注:1、专用生产线或成套设备试生产过程费用未包括在内;2、设备基础费用另行加;3、锅炉安装包括砌炉、炉体保温等工程。
运杂费率表6-1机械行业国内设备运杂费率地区类别建设单位所在地运杂费率(%)备注一类北京、天津、河北、山西、山东、江苏、上海、浙江、安徽、辽宁5指标中包括建设单位仓库离车站或码头50km以内的短途运输费。
当超过50km时按每超过50km增加0.5%费率计算,不足50km者,可按50km计算。
二类湖南、湖北、福建、江西、广东、河南、陕西、四川、甘肃、吉林、黑龙江、海南7三类广西、贵州、青海、宁夏、内蒙8四类云南、新疆、西藏10表6-2机械行业进口设备海运方式国内运杂费率地区类别建设单位所在地运杂费率(%)备注一类北京、天津、河北、山东、江苏、1-1.5进口设备国内运杂费指标是以上海、浙江、广东、辽宁、福建、安徽、广西、海南离港口距离划分指标上、下限;20km 以内为靠近港口取下限;20km 以上,50km 以内为邻近港口取中间值,50km 以上为远离港口取上限。
第1篇一、引言随着我国经济的快速发展,工程建设行业在国民经济中的地位日益重要。
工程款安装调试费作为工程建设过程中不可或缺的一部分,其税率的高低直接影响到工程项目的成本和企业的经济效益。
本文将针对工程款安装调试费的税率进行探讨,并提出相应的建议。
二、工程款安装调试费的定义及税率现状1. 工程款安装调试费的定义工程款安装调试费是指在工程建设过程中,为使工程项目达到设计要求,对设备、材料进行安装、调试、试运行等所产生的费用。
它包括设备安装费、调试费、试运行费等。
2. 税率现状目前,我国对工程款安装调试费的税率实行差异化政策。
根据《中华人民共和国增值税暂行条例》和《中华人民共和国营业税暂行条例》的规定,工程款安装调试费的税率如下:(1)增值税税率:一般纳税人适用13%的增值税税率,小规模纳税人适用3%的简易计税方法。
(2)营业税税率:按工程款安装调试费总额的3%征收营业税。
三、工程款安装调试费税率存在的问题1. 税率偏高,增加企业负担当前,工程款安装调试费的税率较高,尤其是增值税税率,使得企业在工程建设过程中承担了较大的税负。
这对于本就利润微薄的工程企业来说,无疑增加了成本压力。
2. 税收政策不统一,影响市场公平竞争目前,我国对工程款安装调试费的税率实行差异化政策,不同地区、不同企业之间的税率存在较大差异。
这种不统一的政策导致市场不公平竞争,不利于行业健康发展。
3. 税收优惠政策不足,不利于产业升级在当前的经济形势下,我国政府鼓励企业加大研发投入,提高产业技术水平。
然而,对于工程款安装调试费的税收优惠政策相对较少,不利于产业升级和结构调整。
四、建议与对策1. 优化税率结构,降低企业税负建议适当降低工程款安装调试费的增值税税率,特别是对小型工程企业,可实行更加优惠的税率政策。
同时,对营业税税率进行适当调整,以减轻企业负担。
2. 统一税收政策,消除市场不公平竞争建议取消对工程款安装调试费税率的地域差异,实行全国统一的税率政策。
第1篇在建筑工程项目中,机械设备安装是不可或缺的一环。
机械设备安装费作为项目成本的重要组成部分,直接影响到项目的整体经济效益。
本文将从工程机械设备安装费的定义、组成、影响因素及计算方法等方面进行详细阐述。
一、工程机械设备安装费的定义工程机械设备安装费是指为完成工程项目建设,对工程机械设备进行组装、调试、试运行、验收等一系列工作所发生的费用。
主要包括设备采购费、运输费、安装调试费、试运行费、验收费等。
二、工程机械设备安装费的组成1. 设备采购费:包括设备原价、运输费、关税、增值税等。
2. 运输费:指设备从生产厂家运输到施工现场的费用。
3. 安装调试费:包括安装人员工资、安装材料费、设备调试费等。
4. 试运行费:指设备安装调试完成后,进行试运行期间产生的费用。
5. 验收费:指设备安装调试完成后,进行验收所产生的费用。
6. 保险费:指为保障设备在运输、安装过程中安全,购买保险所产生的费用。
7. 其他费用:如设备租赁费、维修费、备品备件费等。
三、工程机械设备安装费的影响因素1. 设备类型:不同类型的设备,其安装难度、安装周期、安装成本等方面存在较大差异。
2. 施工环境:施工现场的地理环境、气候条件、交通运输等因素会影响设备的运输、安装和调试。
3. 施工技术:施工技术水平的高低直接影响安装质量和安装效率,进而影响安装成本。
4. 设备质量:设备质量的好坏直接关系到安装难度和安装成本。
5. 安装人员:安装人员的技能水平、责任心等因素对安装质量和安装成本有较大影响。
6. 材料价格:安装材料价格波动会影响安装成本。
四、工程机械设备安装费的计算方法1. 按设备原价计算:安装费=设备原价×安装费率。
2. 按工程量计算:安装费=工程量×单位安装费。
3. 按人工费计算:安装费=人工费×安装费率。
4. 按综合费率计算:安装费=设备原价×(1+综合费率)。
在实际操作中,可以根据工程项目的具体情况,选择合适的计算方法。
费率 1.0%— 2.5%1.5%— 3.5%2.0%— 5.5%常见机器设备运杂费率参考指标(占设备基价的沟生产地 当地生产运输距离100—1000公里 运输距离1000— 2000公里 运输距离2000— 2800公里 运输距离大于2800公里常见机器设备安装调试费率参考指标(占设备基价的沁序号设备类型费率(%骨口 序号」 设备类型费率(%1、轻型通用设备 0.5-1 15、 变电、配电设备8-152、一般机加工设备 0.5-2 16、电气设备 5-103、大型机加工设备 5-817、 气体压缩机 5-124、数控机床和精密加工机床 2-418 电话总机 10-155、铸造设备 3-6 19、 检测、试验设备1-4&锻造、冲压设备 4-8 20、快装锅炉(以锅炉主机价计算) 15-20 7、起重设备 4-10 21、 蒸汽锅炉(10吨/时及以下)(以锅炉8、焊接、切割设备 0.5-2 主机价计算) 25-359、泵站设备 5-1022、 蒸汽锅炉(20吨/时及以下)(以锅炉10、制冷、通风设备 8-12 主机价计算) 20-30 11、集中空调设备 8-12 23、热水锅炉 10-1512、冷却塔8-1224、电镀、镀装设备 5-1013、工业炉窑及冶炼设备 10-2025、热处理设备 2-514、电梯 10-16 26、 化工业专用设备 6-15注:1、专用生产线或成套设备试生产过程费用未包括在内;2、 设备基础费用另行加;3、 锅炉安装包括砌炉、炉体保温等工程。
机器设备安装调试费率参考指标
序号设备类型费率%
序
号
设备类型费率%
1 机械加工车间1-
2 17 材料库2-2.5
2 装配车间2-4 18 汽车库4-5
3 焊接.冷作车间(金属结构) 1.3-1.8 19 木工车间 1.5-3
4 铸铁车间4-6 20 中间试验室.计量室0.5-1
5 铸钢车间
3-5 21
变配电所30-35
6 精密铸造车间
2.5-5 22 锅炉房
7 有色铸造车间
1.5-4
1)75T/H燃油锅炉房,计算基数为
锅炉用辅机.热控设备原价。
锅炉及辅助设备原价
70-80
8 锻造车间75-85
(1)大件模锻7-9
(2)小件模锻4-6 锅炉房本体及辅助设备,基数为锅炉
及辅助设备原价,炉砌筑占设备原价
15% 45-50
(3)锻锤≤1t 2.5-3.5 (4)锻锤≥1t 1.5-2.5
9 热处理车间 1.5-2.5 动力管道,基数为锅炉及辅助设备原
价25-30
10 冲压车间 2.2-3.2
11 电度车间7-9 热工控制,计算基数为热控设备原价80-90
12 油漆车间8-10 (2)35T/H热水锅炉房,计算基数
为锅炉房全部设备原价60-65
13 ΤΝΤ生产车间
1)硝化工房34-36 锅炉房本体及辅助设备,计算基数为
锅炉及辅助设备原价90-10 0
2)硝烟吸收工房52-54
3)安全放料池.酸性废水池及地下槽棚64-67 动力管道,基数为锅炉及辅助设备原
价,炉砌筑占设备原价18%
50-55
4)精制工房及红水池沉淀槽50-52 15-20 5)制片包装工房32-34 输煤,计算基数为输煤设备原价18-20 6)酸综合工房及废酸贮槽24-26 除灰,计算基数为除灰设备原价80-90 7)甲苯转手库.甲苯泵房43-45 水处理,计算基数为水处理设备原价65-70 14 硝铵炸药生产车间热工控制,基数为热工控制设备原价74-80
1)硝铵粉碎干燥工房25-27 3)20T/H热水锅炉房,计算基数为
锅炉房全部设备原价
锅炉及辅助设备原价48-58
2)ΤΝΤ粉碎工房8-9
3)混药工房13-14 65-70
4)装药包装工房13-14 锅炉房本体及辅助设备,基数为锅炉
及辅助设备原价,炉砌筑占设备原价
18% 44-48
5)油相配制工房11-13
6)卷纸管工房16-18
7)卷纸管输送带17-19 动力管道:基数为锅炉辅助设备原价13-18
15 工具车间 2 输煤,计算基数为输煤设备原价25-30
16 机修车间 2 热工控制,基数为热工控制设备原价72-78
序号
机器(安装调试费率)设备类型费率%
序
号
机器(基础费率)车间或项目名称费率% 4)6.5T/H蒸汽锅炉房,基数为
锅炉房全部设备原价
锅炉及辅助设备原价
45-55 1 机械加工(重.大型取上限) 1.4-3.4
2 装配车间
60-64 1)固定式装配0.8-1.4 锅炉房本体及辅助设备,基数
为锅炉及辅助设备原价
炉砌筑占设备原价19%
40-45 2)流水线装配
地沟<1米 3.0-5.0
地沟>1米 5.0-7.0 动力管道,基数为锅炉及辅助
设备原价
12-14 3 焊接.冷作车间(重.大型取上限) 1.5-2.8
4 冲压车间
小型设备为主
0.8-1.3 输煤,计算基数为输煤设备原
价
35-40
大型设备为主(带型基础取上限) 1.3-3.0 水处理,计算基数为水处理设
备原价
50-56 5 油漆车间(等级高.有喷抛丸取上限)
大型车间
8.0-12
热工控制,基数为热工控制设
备原价
70-75 小型车间 2.0-4.0
6 热处理车间(等级高.规模大取上限)0.7-1.1 5)4T/H快装锅炉房, 基数为锅
炉房全部设备原价
30-32 7 电镀车间0.8-1.2
8 锻造车间(大批量.流水线取下限)
以热模锻为主
4.0-6.0 6)2T/H快装锅炉房, 基数为锅
炉房全部设备原价
32-34
以锻锤为主(空气锤为主取上限)12-17 7)1T/H快装锅炉房, 基数为锅
炉房全部设备原价
28-30 9 铸钢车间(机械化程度低取上限) 2.8-4.3
10 铸铁车间(机械化程度低取上限) 2.0-3.5
23 空压站12-15 11 精密铸造车间(规模大取上限) 2.5-3.5
24 乙炔站26-30 12 有色铸造车间(压铸车间取下限) 1.5-2.5
25 热煤气站31-35 13 机修车间 1.5-2.0
26 氧气站7-8 14 工模具车间(模具车间取上限)0.8-1.4
15 中央试验室0.4-0.6
氧气汇流排间25-27 16 中央计量室0.1-0.3 机械行业国产设备运杂费率机械行业进口设备陆运方式国内运杂费率
地区建设单位所在地(50Km
内,>50Km超50Km增加
0.5%)
运杂费
率%
地区建设单位所在地(100Km内下限,
100-300Km中间,300Km以上取上限)
运杂费
率%
一
类
京津冀晋鲁苏沪浙皖辽 5 一类内蒙新黑1-2 二湘鄂闽赣粤豫陕川甘吉黑海7 二类青甘宁陕川晋冀豫鄂吉辽津京鲁2-3
类
三
类
桂黔青宁内蒙8 三类沪苏浙粤皖湘闽赣桂滇黔藏3-4
四
类
滇新藏10
机器设备安装调试费率参考指标(占设备基价%)
序号设备类型费率% 现实状况机器设备新旧程度判断标住参考表成新率%
1 轻型通用设备0.5-1 全新未启封.启封未安装.安装未使用95-100
2 一般机加工设备0.5-2 尚新运转正常.不必换件.无需修理85-94
3 大型机加工设备1-
4 良好稍作修理.更换简单零件达“尚新”65-84
4 数控机床和精密机床2-4 一般明显陈旧.更换多些零件达“良好”40-64
5 铸造设备3-
6 能用能够使用.需要更换许多零配件20-39
6 锻造.冲压设备4-8 很差不能使用.许大修更新零件可使用10-19
7 起重设备4-10 废品难修复.经济效益不佳.按残值计9以下
8 焊接.切割设备0.5-2
9 泵站设备8-15 房屋.构筑屋完损等级和成新率参考
10 制冷.通风设备8-12 完好新建完整.无变形装修粉刷有新感觉100
11 集中空调设备5-8 新建完整.无变形微见稍有损失90
12 冷却塔8-12 新建完整.无变形油漆粉刷色泽稍旧80
13 工业窑炉及冶炼设备基本完
好结构整齐.色不鲜.外粉刷少量剥落70 结构基本完好.少量损坏装修剥落60
14 电梯10-16 一般损
坏结构有损.装修使用不灵.粉刷风化50 结构较多损坏.漏水装修损坏.变形40
15 变配电设备8-15 严重损
坏结构构件.装修.设备有明显损坏和变形,
并且不齐全,需大修或翻建
30
16 电气设备6-12 危险房屋的结构件已处于危险状态30以下
17 气体压缩机8-10 房屋.构筑屋经济寿命参考年限表
18 电话总机10-15 房屋分类年房屋分类年
19 检测.试验设备1-4 1.钢结构
生产用房
受腐蚀生产用房受强腐蚀生产用房非生产用房
2.钢筋混凝土结构生产用房
受腐蚀生产用房受强腐蚀生产用房70
50
20
80
50
35
15
非生产用房
4.砖木结构
生产用房
非生产用房
5.简易结构
50
30
40
10
20 快装锅炉(以锅炉主机价计算)15-20
21 蒸汽锅炉(10t/时以下主机计)35-45
22 蒸汽锅炉(20t/时以下主机计)30-40
23 热水锅炉25-30
24 电镀.镀装设备5-12
25 热处理设备2-5
26 化工业专用设备6-15
注:1.专用生产线或成套设备试生产过程费用未包括在内。
2.设备基础费用另行加。
3.锅炉安装包括砌炉.炉体保温等工程。
非生产用房
3.钢筋混凝土砖混结构
生产用房
受腐蚀生产用房
受强腐蚀生产用房
60
40
30
15。