多用户计量仪表
- 格式:pdf
- 大小:617.79 KB
- 文档页数:3
252ADF300L系列多用户计量箱安装使用说明书V1.4申明版权所有,未经本公司之书面许可,此手册中任何段落,章节内容均不得被摘抄、拷贝或以任何形式复制、传播,否则一切后果由违者自负。
本公司保留一切法律权利。
本公司保留对手册所描述之产品规格进行修改的权利,恕不另行通知。
订目录1概述 (1)2产品规格 (1)3技术参数 (1)3.1电气特性 (1)3.2机械特性 (2)4主要功能 (2)5外形及安装尺寸(单位:mm) (2)5.1使用注意事项 (2)5.2产品尺寸 (3)6接线与安装 (4)7功能说明 (5)7.1有功电能计量 (5)7.2继电器控制(仅限预付费型) (5)8显示说明 (5)8.1显示举例 (5)9通信说明 (7)9.1通信协议 (7)9.2MODBUS通信地址说明 (8)9.3MODBUS通信地址表 (8)10常见故障排查 (14)1概述ADF300L 系列多用户计量箱最大可以计量12路三相或者36路单相,又可以支持多路单三混合安装。
该系列计量箱因准确度高、集中安装、集中管理、互不干扰等优势深受小区、学校、企业等的青睐。
计量箱符合国标GB/T 17215.321-2008。
2产品规格选配功能:无;4G:4G 通讯IC:刷卡功能控制类型:无:计量型;Y:预付费型单相回路:1-36三相回路:1-12系列型号:I:单相12回路;II:单相24回路;III:单相36回路3技术参数3.1电气特性表1电气特性3.2机械特性表2机械特性(单位:mm)4主要功能表3主要功能型号类型最多用户反窃电远程抄表远程控制定时控制强控控制过载保护用电量查询剩余电量查询ADF300L-I计量型4S或12D√√√预付费型4SY或12DY√√√√√√√√ADF300L-II计量型8S或24D√√√预付费型8S或24DY√√√√√√√√ADF300L-III计量型12S或36D√√√预付费型12SY或36DY√√√√√√√√5外形及安装尺寸(单位:mm)5.1使用注意事项ADF300L系列多用户计量箱使用进线需与配套塑壳断路器配合使用,出线与配套微型断路器配合使用;出线端子采用双螺丝拧紧,严禁仅使用一只螺丝拧紧固定。
多用户电表更多关注公....众....号民熔电气集团回复电气获取更多电气行业资料关于商场、写字楼类多用户电能表应用的探讨摘要:随着我国经济的发展,能源瓶颈问题将更加突出。
其中电力能源存在着极大的浪费与安全控制问题。
针对目前情况,多用户电能表应运而生,它在传统电表的计量基础上,又增加了一系列功能,使得多用户电表在人们的生活中起着越来越重要的节能监测作用。
同时,多用户电表的使用,也为经济的可持续发展做出了一定的贡献。
关键字:多用户电表;节能;体积小;防窃电;安全1、(1)每户电能计量单元:主要由电压、电流采样和专用电能表芯片(如BL0932B、 ADE7755等)构成。
它的任务是完成每个用户的用电量累积、存储,并同时将电量转换成相应的脉冲分别输出或送入单片机处理。
户电能计量单元,集中安装在一个印刷电路板上,其面积比一个纸烟盒还小,每户一块,每户单独计量,互不影响。
多用户电能表的概念多用户电能表即多用户全电子式电能表,也叫集群电表符合我国国情我国居民住宅或公寓多以楼房为主。
一座楼一般含几个单元,而每个单元少者一般近十户、十几户,多者几十户。
针对上述情况,为了便于抄表和用电管理,目前一些物业管理部门将多个单块表集中安装在楼梯间。
这样简单的组合造成体积庞大、不美观又不经济。
设计一种体积小、功能全又经济的集中式多用户全电子式电能表十分必要。
(2)单片机系统:它是一个智能数据采集处理和控制单元。
整个系统安装在一个见方约200*80mm2的印刷电路板上。
它的任务是接收并存储各用户电量,经处理后控制公用显示器,定时、轮流显示各户用(或剩余)电量,控制对外通信,完成抄表或远控等工作。
(3)输出部分:主要包括公用显示器和对外通信、控制接口等。
2、我国普通电能表占用空间大普通电能表,由于是一块表控制一户,所以每一户都必须单独配置一块电能表。
可想而知,在一栋大楼里,会有若干房间,那就意味着需要若干块电能表,若把这些电能表放在一起计算,需要占去很大的空间。
8011型多用户电能表说明书
产品参数:
产品名称:8011型多用户电能表
类型:电子式电能仪表
基本电流:20(A)
准确度等级:1
参比电压:380(V)
显示方式:CLD
频率:50/60(Hz)
最大电流:100(A)
规格:三相1.5-6A,三相5-20A,三相1
产品概述:
8011型多用户电能表采用高频射频卡(MI卡)作为数据传输的纽带,并可随时通过电脑自动抄收各户的用电信息.便于管理部门及时统计各月的用电量.是企事业单位、城镇居民小区、学生公寓、旧楼电表改造、高层建筑等用电计量及控制的理想产品。
功能特点:
1.循环显示各户剩余电量,提醒用户及时购电。
2.采用大功率高品质磁保持继电器.过流能力强,控制灵敏。
3.采用高频MI射频卡,数据传输稳定性高,无触点接触,防攻击性
强。
4.预付费功能,分户计量.分户控制。
精度高、性能稳定、使用寿命长。
5.可同时计量和控制39户单相或13户三相用户用电、同一块电表可同时提供三相用电输出和单相用电输出。
6.具有断电报警功能:可根据每户用电量大小设定不同的断电报警值,当剩余电量到达断电报警值时,该户断电,当循环显示到断电户时数码管闪烁显示.提醒用户及时购电,用户刷卡后可恢复供电;直到剩余电量为零时,电表再次断电。
7.具有限电拉闸报警功能:可为每户设定不同的限电功率,当用户超过此设定功率后,电表自动断电.该户用电负荷降低后,电表自动恢复供电。
目录1.概述 (3)2.产品种类 (3)2.1 KD-BASA1(预付费智能安全用电控制型)多用户电表 (3)2.11主要技术特点 (3)2.12型号说明 (4)2.13主要技术指标 (4)2.14 管理方式 (4)2.2KD-BASB1(大电流预付费智能安全用电控制型)多用户电表 (5)2.21 主要技术特点 (5)2.22 主要技术指标 (5)2.23管理方式: (6)2.3 KD-BASC1(恶性负载识别预付费智能安全用电控制型)多用户电表 (6)2.31主要技术特点 (6)2.32主要技术指标: (7)2.33管理方式: (7)2.41主要技术特点 (7)2.42主要技术指标: (8)2.43管理方式: (8)2.5KD-BASE1(1.5-6A)(大电流后付费智能安全用电型)多用户电表 (8)2.51主要技术特点 (8)2.52主要技术指标: (9)2.53管理方式: (9)2.6KD-BASF系列多费率智能多用户电表 (10)2.61主要技术特点 (10)2.62产品类型: (10)2.63管理方式: (11)2.7KD-BASG1(后付费智能安全用电控制型)多用户电表 (11)2.71主要技术特点: (11)2.72主要技术指标: (12)2.73管理方式: (12)3.KD型多用电表对电表市场的影响 (12)4.KD型多用户电表的通信技术 (13)4.1 灵活性和多模 (13)4.11灵活性 (13)4.12多模 (14)4.2超低功耗 (14)4.3超低成本 (14)4.4:“智能化”并连接其他仪表 (15)5.总结 (15)KD型多用户电表1.概述KD型多用户电表是广发伟业最新研究开发的新型产品,与其他产品相比,具有双向计量功能:可实现用电量和分布式能源发电余量上网计量,用户在手机或电脑上能实时掌控自己家的用电量和发电量情况;先进的通信接口和事件记录功能:可让用户实时了解家里的用电情况,快速发现故障和异常,保证用户用电质量;远程复电功能:可实现快速缴费复电。
YTZWP型多用户智能电能表使用说明书北京卓川电子科技有限公司一、用途及使用范围YTZWP型多用户集中式电能表采用微电子处理技术和S M T 表面封装焊接及在线测试技术,能将多达3 9 户的用电量集中检测,逐户循环显示。
采用单片机处理系统实现检测,分户计量与显示,体积小、抗电磁干扰、功耗低、使用寿命长、智能抄表等优点。
主要用于新建楼房、旧楼改造、学生公寓等用电计量。
二、功能特点1、多用户集中式电能表准确计量正负两个方向的有功电能,防止窃电。
2、通过数码管清晰显示每户用电信息,每隔四秒钟显示一户。
3、具有红外抄表功能,在现场两秒钟就可将一个单元用电信息抄出、节省时间,准确无误。
4 、宽量程10(5 0)A ,适应负载变化大的用户。
5、根据用户需求可单相、三相入户,使用方便。
6 、整机功耗低(小于6VA )节能效果明显。
三、技术参数1 、计量户数:单相39户或三相13户2、工作电动:AC 150~250V3、标定电流:10(50)A4、启动电流:0.5%IB5、工作温度:-20℃~60℃6 、精度等级:2 0 . 级四、型号说明例如型号为YTZWP -6S+8D表示是8 户单相6 户三相集中式电能表五、外形尺寸(单位: mm)七、接线图八、抄表方法1、直读抄表本电能表显示窗口有两排L E D 数码管,上排显示用户号:如0 0 01 表示第一户;0002表示第二户...上排的用户号0001对应下排第一户的用电量,依此类推,最高显示999999Kw.h,每四秒钟切换一户。
2、红外抄表器抄表用本公司生产的红外抄表器在现场距离被抄多用户表小于4 米范围内,对准电表按通讯键2 秒左右,如红外抄表器显示通讯成功,抄表完毕,最多可抄288只多用户表,并将数据传入计算机。
详见红外抄表器使用手册。
3、计算机机联网远程自动抄表。
用户选用。
九、检验与校表YTZWP电能表前面有一个五芯插孔,称为检定口,用于电能表的校验,如图检验方法:1、通过校表设备装电流线从被检定用户的进线端输入,从该户输出端输出,电压线加在此相进线和零线之间。
多用户电表-多用户电能表的通信技术多用户电表和其他“智能能源”设备和仪器的通信和连接需求对设计人员和开发人员提出了严峻的挑战。
广发伟业依托高效技术和人才优势专业从事能源安全使用领域、能源计量领域及节能领域的产品研究、开发与制造。
让我们来了解一下多用户电表的通信难题,并了解当前设备是如何解决这些难题的。
然后,我们将考虑应如何解决这些难题来提供具有成本效益且能满足未来需求的实用智能电网解决方案。
新一代智能多用户电表的关键部署属性解决方案基于各种各样的技术,因地理位置、当地网络基础设施标准和质量而异。
HAN(家域网)或BAN(楼域网)使用短距离无线标准(如ZigBee、Thread、WiFi和蓝牙)将家电设备连接到智能电表。
它还可以使用PLC(电力线载波)有线技术。
NAN(邻域网)使用星形网络拓扑结构,如蜂窝M2M(GPRS、3G、LTE MTC、NB-IoT、LPWAN)将每个电表直接连到基站,并使用云或网状网拓扑结构,如PLC 或802.15.4g 将所有智能电表节点聚集到DAP(数据聚集点),而该DAP 将使用蜂窝M2M(GPRS、3G、LTE MTC)直接连接到基站或通过以太网直接连接到云。
多用户电表的通信技术应具有灵活性多用户电表的通信技术解决方案必须要有足够的灵活性才能支持上面列出的所有标准,其中的部分标准仍在开发中,可能需要现场更新和远程升级。
例如PLC 技术已经被多家标准组织进行过标准化,如IEEE P1901.2、PRIME(基于电力线的智能多用户电表演进标准)和G3,并且这些技术标准均提供多种不同的数据速率和频率带宽。
各个国家也都派生了不同的PLC技术分支版本来针对自己的电网具体情况进行优化。
迄今为止,仍然没有一个通用的互操作性标准来管理智能电网的通信,也可能永远都不会有!多用户电表的通信技术应考虑多模设置多模也是必备的设置,因为大多数使用情况下都要求多个功能同时运行。
欧洲和亚洲城市部署的NAN网状拓扑结构需要并发支持PLC 和802.15.4g,因为一个节点可能通过PLC 连接到一个节点,同时通过802.15.4g 连接到另一个节点。
DDSH858系列多用户电能表是一种全电子式智能化多用户电能表。
本产品采用模块化的结构型式,以单片机为核心,每户配备独立的计量单元,实现分户计量、集中显示的功能,可进行单相/三相/单户双回路的混合计量。
本产品为国网标准1级电能表,精度高、体积小、安装方便,广泛应用于工矿企业、城乡居民小区、农田灌溉、学会公寓、农网、会展中心、商城店铺的用电计量。
产品符合标准:GB/T 17215.321-2008《静止式有功电能表(1级和2级)》和JB/T 10451-2004《多用户静止式交流有功电能表》。
产品概述
型号意义
功能特点
□
偷电漏电现象。
□ 采用数码管和LED循环显示各用户的户号、累计用电量和剩余用电量(预付费型)。
□ 每15分钟记录一次用户电量,断电保存。
□ 具有清表功能,并备份数据以供查询。
具有双向计量功能,精度计量正负两个方向的电能,且以同一方向累计,有效杜绝DDSH-PH 普通型后付费
DDSH-PHT 普通型后付费+RS485通信(远程抄表)
DDSH-KYT 控制型后付费+RS485通信(远程抄表、远程控制)
DDSH-KYS 控制型预付费+射频卡(射频卡预付费)
DDSH-KYTS 控制型预付费+RS485通信(远控预付费)+刷卡预付费
DDSH-KTYX RS485控制型预付费+短信提示
093
094
主要技术参数
定时断送电:附加时钟模块C 。
红外抄表:附加红外抄表器I 。
外形及安装尺寸。
电磁水表知识点总结图解一、电磁水表的工作原理1. 电磁水表是一种利用电磁感应原理测量水流量的仪器。
其工作原理是通过水流使得水表中的转子转动,转子上的叶片在磁场的作用下产生电动势,利用电动势的大小来测量水流量。
2. 电磁水表分为电磁式和涡街式两种,其中电磁式水表是通过磁场作用于导电体产生感应电动势的原理来测量水流量,而涡街式水表则是通过水流冲击产生涡街,并将其感应成电信号来测量水流量。
3. 电磁水表的工作原理涉及到磁场的产生、传感装置的感应和信号的输出,是一种集机械、磁场和电气技术于一体的综合性仪表。
二、电磁水表的结构组成1. 电磁水表由外壳、表头、表体、转子、传感装置、信号处理模块和显示装置等组成。
2. 外壳通常由防水、防尘和耐腐蚀的材料制成,保护水表内部结构不受外界环境的影响。
3. 表头是水表的控制中心,负责接收传感器传来的信号,并进行信号处理和显示。
同时还具有防水防尘和抗腐蚀的功能。
4. 表体是水表的主要结构,内部安装有转子和传感装置,用于测量和传输水流量信号。
5. 转子是水流作用下的转动部件,可以将水流量转化为机械能,并通过传感器传递给表头。
6. 传感装置是转子信号的感应装置,将机械能转化为电信号,并传递给表头进行处理。
7. 信号处理模块接收传感器传来的电信号,并进行信号放大、滤波、线性化和数字化处理,最终输出给显示装置显示。
8. 显示装置一般为液晶屏,用于显示水表的读数和其他相关信息。
三、电磁水表的特点和优势1. 精度高:电磁水表采用先进的电磁感应技术,可以实现高精度的水流量测量,测量误差小。
2. 耐用:电磁水表结构简单,使用寿命长,不易受到水质、水压和温度等因素的影响,具有较强的抗干扰能力。
3. 稳定性好:电磁水表不受水表粘度变化和计量刻度篡改等问题影响,测量稳定准确。
4. 输电损耗小:电磁水表采用的电磁感应原理,无需外部电源,传感器自身只消耗极小的电能,经济节能。
5. 维护简单:电磁水表结构简单,零部件少,维修更换方便,维护成本低。
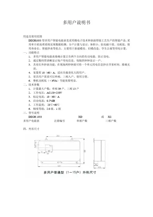
多用户说明书用途及使用范围DDSH1033型多用户智能电能表是采用微电子技术和表面焊接工艺生产的智能产品。
采用单片机处理系统实现数据检测,分户计量与显示,体积小、抗电磁干扰、功耗低、使用寿命长、智能抄表等优点。
主要用于新建楼房、旧楼改造、学生公寓等用电计量。
一、功能特点1、多用户智能电能表准确计量正负两个方向的有功电能,防止窃电。
2、通过数码管清晰显示每户用电信息,每隔四秒钟显示一户。
3、具有红外抄表功能,在现场两秒钟就可将一个单元用电信息抄出节省时间,准确无误。
4、宽量程10(60)A,适应负载变化大的用户。
5、更具用户需求可以单相,三相入户,使用方便。
6、整机功耗低(<6V A)节能效果明显。
二、技术参数1、计量最大户数:单相39户、三相13户2、工作电压:AC150~250V3、标定电流:10(60)A4、启动电流:0.5%IB5、工作温度:-20℃~60℃6、精度等级:2.0级、1级三、型号说明DDSH 1033 XD 或XS多用户电能表注册编号单相户数三相户数四、外形尺寸五、抄表方法1、直读抄表本电能表显示窗口有两排LED数码管,上排显示用户号:如0001表示第一户;0002表示第二户…上排的用户号0001对应下排第一户的用电量,依此类推,最高显示99999.9Kw.h每四秒钟切换一户。
2、红外抄表器抄表用本公司生产的红外抄表器在现场距离被抄多用户表≤4m范围内,需对每个电表进行逐一抄表,对这电表按通讯键2秒钟左右,如红外抄表器显示通讯成功,抄表完毕,并将数据传入计算机,由于多用户电表数据大,手持抄表仪每次抄表不超过10个电表。
3、支持计算机联网远程自动抄表,需安装集中抄表采集器装置及系统。
六、检验与校表DDSH1033表壳上有一个五芯插空1、清零端2、检定端3、信号地4、脉冲正5、脉冲负检验方法:1、通过校表设备将电流线从被检定用户的进线端输入,从该户输出端输出,电压线加在此相进线和零线N之间。
终端电能计量表计及系统选型手册安科瑞陈静燕江苏安科瑞电器只砸有限公司江苏江阴214405一、概述Acrel-3000系列电能管理系统是紧密把握电力系统用户的需求,遵循电力系统的标准规范而开发的一套具有专业性强、自动化程度高、易使用、高性能、高可靠等特点的适用于低压配电系统的电能管理系统。
通过遥测和遥控可以合理调配负荷,实现优化运行,有效节约电能,并有高峰与低谷用电记录,从而为用电的合理管理提供了数据依据。
--终端电能计量表计及系统选型手册二、参照标准GB50052-2009供配电系统设计规范GB50054-2011低压配电设计规范GB/T17215.321-2008交流电测量设备特殊要求第21部分:静止式有功电能表(1级和2级)GB/T17215.322-2008交流电测量设备特殊要求第22部分:静止式有功电能表(0.2S级和0.5S级)GB/T17215.301-2007多功能电能表特殊要求DL/T448-2000《电能计量装置技术管理规程》DL/T698电能信息采集与管理系统DL/T814-2002配电自动化系统功能规范DL/T5137-2001《电测量及电能计量装置设计技术规程》三、系统结构电能管理系统可对低压设备消耗的电能进行分项计量,该系统由站控管理层、网络通讯层、现场设备层三部分组成。
现场设备层采用安科瑞低压智能计量箱AZX J,内部安装预付费电能表以及卡轨式电能表。
通过低压智能计量箱配合电能管理监控系统,利用计算机、后台监控管理软件和网络通讯技术,将采集到的用电设备的能耗数据上传到统一的监测管理平台,实现对用电系统的监控管理,对高能耗用电设备的合理控制,最终使整套用电系统达到节能效果。
电能管理系统网拓扑图见下图。
--终端电能计量表计及系统选型手册四、系统设计参数五、系统功能安科瑞终端用电管理系统是指通过在商业建筑、写字楼、农贸市场、宿舍等建筑物内安装导轨式及预付费电能计量装置,采用远程传输等手段及时采集各监测点电能数据并对用电量进行预付费管理,采用先买电后用电的模式,可以用来转移经营风险,并能提前收回电费,减少了后期运营的人员的工作量;实现了网络化实时操作,实时计量监控,即时售退电、即时通断电的控制效果。
定义:电功通常用电能表,是用来测量电能的仪表,俗称电度表、火表。
分类:按用途:工业与民用表、电子标准表、最大需量表、复费率表按结构和工作原理:感应式(机械式)、静止式(电子式)、机电一体式(混合式)按接入电源性质:交流表、直流表按准确级:常用普通表:0.2S、0.5S、0.2、0.5、1.0、2.0等标准表:0.01、0.05、0.2、0.5等按安装接线方式:直接接入式、间接接入式按用电设备:单相、三相三线、三相四线电能表有功电能表无功电能表有功电能表电能可以转换成各种能量。
如:通过电炉转换成热能,通过电机转换成机械能,通过电灯转换成光能等。
在这些转换中所消耗的电能为有功电能。
而记录这种电能的电表为有功电能表。
无功电能表电工原理告诉我们,有些电器装置在作能量转换时先得建立一种转换的环境,如:电动机,变压器等要先建立一个磁场才能作能量转换,还有些电器装置是要先建立一个电场才能作能量转换。
而建立磁场和电场所需的电能都是无功电能。
而记录这种电能的电表为无功电能表。
无功电能在电器装置本身中是不消耗能量的,但会在电器线路中产生无功电流,该电流在线路中将产生一定的损耗。
无功电能表是专门记录这一损耗的,一般只有较大的电单位才安装这种电表。
铭牌名称及型号:第一部分:类别代号:D :电能表第二部分:组别代号:第一字母S:三相三线T:三相四线X:无功B:标准Z:最高需量D:单相第二字母F:复费率表S:全电子式D:多功能Y:预付费第三部分:设计序号:阿拉伯数字第四部分:改进序号:用小写的汉语拼音字母表示第五部分:派生号:T:湿热和干热两用TH:湿热带用G:高原用H:一般用F:化工防腐用;K:开关板式J:带接收器的脉冲电能表还标有①或②的标志: ①代表电能表的准确度为1%,或称1级表;②代表电能表的准确度为2%,或称2级表。
还标有产品采用的标准代号、制造厂、商标和出厂编号等。
电能计量单位:有功电能表kW • h无功电能表kvar • h字轮计度器窗口(液晶显示窗口):整数位和小数位不同颜色,中间小数点;各字轮有倍乘系数(无小数点时)多功能表液晶显示有整数位和小数位两位准确度等级:相对误差,用置于圆圈内的数字表示标定电流和额定最大电流:标定电流(额定电流):标明于表上作为计算负载的基数电流值:I b额定最大电流:电能表能长期正常工作,误差和温升完全满足要求的最大电流值:Imax额定电压:单相电能表标注:220V三相表有三种标注法:a.直接接入式三相三线:3×380Vb.直接接入式三相四线:3×380/220V电能表常数:电能表记录的电能与转盘转数或脉冲数之间关系的比例数:r/kWh;imp/kWh额定频率:50Hz主要技术指标:1、稳定准确,性能可靠2、准确度等级:1.0级,符合GB/T17215-1998、IEC1036-19963、电流规格: 2.5(10)A,5(20)A,5(30)A,10(40)A,20(80)A4、电表常数:6400imp/kwh,3200imp/kwh,1600imp/kwh5、额定电压:AC220V6、额定频率:50Hz7、起动电流:0.4%Ib8、字轮位数:6位(含1位小数)9、功耗≤0.6W10、环境工作条件:-20℃~+55℃,相对湿度不超过85%(温度+25℃)11、抗电磁干扰能力强,可在恶劣电力环境下运行12、强化工艺控制,独特工艺保证,高可靠性设计发展随着我国经济的飞速发展,各行各业对电的需求越来越大,不同时间用电量不均衡的现象也日益严重。
多功能计量电量仪表用户手册USERS MANUAL陕西福友电器设备技术发展有限公司——仪表专业设计制造商电话:86-29-网址: Email:: 贸易通:一、概述产品是根据我国对电力设备的运行和计算机智能化监控要求而设计的,该产品集电流表、电压表、功率表、电度表为一体的综合电量监测仪表,是一种具有可编程测量、显示、数字通讯和电能脉冲变送输出等功能的多功能智能电表,能够完成电量测量、电能计量、数据显示、采集及传输,可广泛应用变电站自动化、配电自动化、智能建筑、企业内部电能测量、管理、考核。
测量精度为0.5级,实现LED 现场显示和远程RS-485 数字接口通讯、采用MODBUS-RTU 通讯协议。
该系列仪表专为50/60Hz供电系统电量参数的综合采集而设计;测量并显示三相电压、三相电流、有功功率、无功功率、功率因数,有功电能(累积,正反向)、无功电能(累积,正反向)和频率,电能量数值仅作为企业内部二级计量管理考核、核算用,不作计价计量、付费使用。
二、规格和型号三、性能参数(技术指标)四.安装与接线:1.安装方法1.1、在固定的配电柜上,选择适合的地方开一个安装孔。
1.2、取出仪表,松开定位螺丝,取下固定夹。
1.3、将仪表安装插入配电柜的仪表孔中。
1.4、插入仪表的固定夹,固定定位螺丝。
3.端子接线A.辅助电源:网络电力仪表具备通用的(AC/DC)电源输入接口,若不作特殊声明,提供的是220VAC/DC 或110VAC/DC 电源接口的标准产品,仪表极限的工作电源电压为AC/DC:80V~270V,请保证所提供的电源适用于产品,以防止损坏产品。
说明:1)采用交流电源建议在火线一侧安装1A 的保险丝。
2)对于电力品质较差的地区中,建议在电源回路安装浪涌抑制器防止雷击,以及快速脉冲群抑制器B.输入信号:产品采用了每个测量通道单独采集的计算方式,保证了使用时完全一致、对称,其具有多种接线方式,适用于不同的负载形式。
多用户电能计量表
1、概述
多用户电能计量表主要用于计量单相交流有功电能,可广泛用于工矿企业、城市居民小区、学生公寓、农网、旧楼改造、高层建筑的用电计量,适合于用电收费困难的单位以及流动性较强的用户(诸如商业房等)。
该表可以方便地实现远程集抄,预付费等功能,能有效防止各种偷漏电现象及用电纠纷,为用电管理带来方便。
多用户电能表性能指标符合GB/T17215.321-2008中1级和2级电子式电能表的相关技术要求。
2、产品功能
3、技术参数
4、接线端子
4.1ADF100单相多用户预付费电能表
4.2ADM100宿舍用电管理终端电能计量仪表。