带式输送机传动装置一级圆柱直齿轮减速器设计
- 格式:doc
- 大小:981.50 KB
- 文档页数:35
机械基础课程设计说明书设计题目:一级直齿圆柱齿轮减速器班级学号学生:指导老师:完成日期:所在单位:设计任务书1、题目设计用于带式输送机的机械传动装置——一级直齿圆柱齿轮减速器。
2、参考方案(1)V带传动和一级闭式齿轮传动(2)一级闭式齿轮传动和链传动(3)两级齿轮传动3、原始数据4、其他原始条件(1)工作情况:两班制,输送机连续单向运转,载荷较平稳。
(2)使用期限:5年。
(3)动力来源:三相交流(220V/380V)电源。
(4)允许误差:允许输送带速度误差5%±。
5、设计任务(1)设计图。
一级直齿(或斜齿)圆柱齿轮减速器装配图一,要求有主、俯、侧三个视图,图幅A1,比例1:1(当齿轮副的啮合中心距110a≤时)或1:1.5(当齿轮副的啮合中心距110a>时)。
(2)设计计算说明书一份(16开论文纸,约20页,8000字)。
目录一传动装置的总体设计 (3)二传动零件的设计 (7)三齿轮传动的设计计算 (9)四轴的计算 (11)五、箱体尺寸及附件的设计 (24)六装配图 (28)设计容:一、传动装置的总体设计1、确定传动方案本次设计选用的带式输送机的机械传动装置方案为V带传动和一级闭式齿轮传动,其传动装置见下图。
2,选择电动机(1) 选择电动机的类型按工作要求及工作条件选用三相异步电动机,封闭自扇冷式结构,电压380V ,Y 系列。
(2) 选择电动机的额定功率① 带式输送机的性能参数选用表1的第 6组数据,即:表一工作机所需功率为:kW sm N Fv w 44.51000/7.132001000P =⨯==②从电动机到工作机的传动总效率为:212345ηηηηηη=其中1η、2η、3η、4η、5η分别为V 带传动、齿轮传动、滚动轴承、弹性套柱销联轴器和滚筒的效率,查取《机械基础》P 459的附录3 选取1η=0.95 、2η=0.97(8级精度)、3η=0.99(球轴承)、4η=0.995、5η=0.96 故22123450.950.970.990.9950.960.8609664143520.862ηηηηηη==⨯⨯⨯⨯=≈ ③ 电动机所需功率为kW sm N Fv d 33.6852.0*1000/7.1*32001000P ===η 又因为电动机的额定功d ed P P ≥(3) 确定电动机的转速 传动滚筒轴工作转速:min r/2.814007.1100060v 100060=⨯⨯=⨯⨯=ππD n 滚筒查《机械基础》P 459附录3, V 带常用传动比为i 1=2~4,圆柱齿轮传动一级减速器常用传动比围为i 2=3~5(8级精度)。
课程设计带式运输机传动装置设计 ---- 单级圆柱齿轮减速器设计课程设计任务书机械工程学院(系、部)机械设计与制造 ____________ 专业班级机械设计带式运输机传动装置设计一一单级圆柱齿轮减速器完成期限:起止日期工作内容课程名称: 设计题目 设计 内容及任务进度安排、设计的主要技术参数一、传动万案 单级圆柱齿轮减速器 三、设计任务1. 按照给定的设计数据和传动方案设计减速器装置;2. 完成减速器装配图1张(A0或A1);3. 零件工作图3张;4. 编写设计计算说明书1份。
2007.12.30 -传动装置总体设计2008.1.2指导教师(签字): __________ 年月日系(教研室)主任(签字): ________________ 年月日机械设计设计说明书带式运输机传动装置设计单级圆柱齿轮减速器设计任务书起止日期:学生姓名班级_______________________________ 学号_______________________________ 成绩_______________________________ 指导教师(签字) ______________________________机械工程学院机械设计课程设计带式运输机上的单级圆柱齿轮减速器的设计传动装置简图:带式运输机的传动装置如图1图1 带式运输机的传动装置原始数据如表1表1 带式输送机传动装置原始数据三、工作条件三班制,使用年限10年,每年按365天计算,连续单向,载荷平稳,小批量生产,运输链速度允许误差为链速度的_5%四、传动方案如图2五、设计任务设计计算说明书一份,零件图3张,装配图1张。
一、设计方案分析I选择电动机的类型和结构1选择电动机的类型因为装置的载荷平稳,单向连续长期工作,因此可选用丫型闭式笼型二项异步电动机,电压为380V。
该电机工作可靠,维护容易,价格低廉,、配调速装置,可提高起动性能。
2确定电动机功率(1)根据带式运输机工作类型,选取工作机效率为n w =0.96工作机所需功率P W= FV= 700 2.5=1.823kw1000% 1000996(2)查机参考文献[1]表10-2可以确定各部分效率:①联轴器效率:口联=0.98 ;②滚动轴承传动效率:n滚=0.99 ;③闭式直齿圆柱齿轮传动效率:查参考文献[2]表16-2,选取齿轮精度等级为8级,传动效率□齿不低于0.97 (包括轴承不低于0.965)故取□齿=0.97 ;④滚筒传动效率:一般选取"筒=0.99 ;⑤V带传动效率:查参考文献[2]表3确定选用普通V带传动,一般选取耳带=0.96 ;⑥由上数据可得传动装置总效率:□n 3 n n n总一联•滚•齿•筒•带=0.98 X 0.99 3X 0.97 X 0.99 X 0.96 =0.8766(3)电动机所需功率:p-P w1.823kwP d = n = =2.08kwa 0.8766(4)确定电动机的额定功率P cd :因为载荷平稳,连续运转,电动机额疋功率P cd略大于p d 耳w =0.96 P W =1.823kw11联=0.98 "滚=0.99* 齿=0.97口筒=0.99□带=0.96n总=0.8766 p d =2.08kw计算与说明主要结果查参考文献[1]表19-1,丫系列三相异步电动机的技术参数,选电动机额定功率为P ed =2.2kw。
机械设计课程设计计算说明书设计题目:用于带式运输机的一级圆柱齿轮减速器学院:机械工程与应用电子技术学院目录一、设计任务书第3页二、传动系统方案的分析与拟定第3页三、电动机的选择计算第3页四、传动比的选择第5页五、传动系统运动的动力参数的计算第5页六、V带设计第6页七、减速器外传动零件的设计计算第7页八、初步计算轴径、选择滚动轴承及联轴器第10页九、减速器高速轴的结构设计及强度校核第11页十、滚动轴承的选择第15页十一、键的选择及校核第15页十二、联轴器的选择第16页十三、减速器附件的选择及简要说明第16页十四、润滑方式、润滑剂及密封装置的选择第16页十五、箱体主要结构、尺寸的计算第18页十六、设计总结第18页十七、参考资料第18页一、设计任务书1、设计任务题目2:设计用于带式输送机的一级圆柱齿轮减速器. 2、 原始数据(1)数据编号 A3 (2)运输带工作拉力 F=1200N ·m (3)运输带工作速度 V=1.7m/s3、工作条件 连续单向运转,载荷平稳,空载起动,使用期限10年,小批量生产,两班制工作,输送机工作速度允许误差为%5±。
二、 传动系统方案的分析与拟定带式运输机传动系统方案如下图所示。
选用V 带传动和闭式圆柱齿轮传动。
该方案传动比不太大,效率较高,精度易于保证。
闭式圆柱齿轮由电动机驱动,中间由V 带相连。
电动机1将动力传到大带轮2,再传到减速器3,经联轴器将动力传至卷筒轴,带动传送带工作。
闭式齿轮传动瞬时速比稳定,传动效率高,工作可靠,寿命长,结构紧凑,外形尺寸小。
其载荷平稳,空载起动,故轮齿可以做成直齿,用于的传动。
三、 电动机的选择计算1、电动机类型的选择 按工作要求选用Y 系列全封闭自扇冷式笼型三相异步电动机 ,电压380V 。
因为此类型电动机应用广泛、结构简单、起动性能好、工作可靠、价格低廉、维护方便。
2、电动机功率的选择 工作机所需功率为: kW P d ηFv=F=1200N ·m V=1.7m/s高速轴分度圆直径为d1=50mm3)确定轴的最小直径先按式(15-2)初步估算轴的最小直径,选轴材料为45钢,调制处理,齿面淬火。
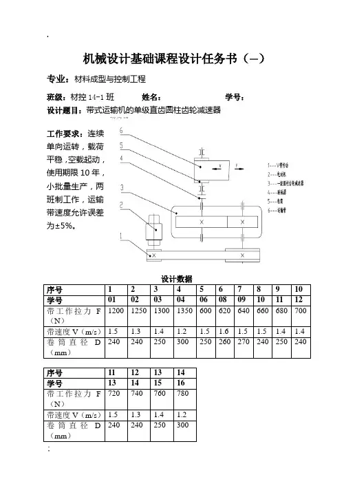
机械设计基础课程设计任务书(一)专业:材料成型与控制工程班级:材控14-1班姓名:学号:设计题目:带式运输机的单级直齿圆柱齿轮减速器工作要求:连续单向运转,载荷平稳,空载起动,使用期限10年,小批量生产,两班制工作,运输带速度允许误差为±5%。
序号 1 2 3 4 5 6 7 8 9 10 学号01 02 03 04 06 08 09 10 11 12 1200 1250 1300 1350 600 620 640 660 680 700 带工作拉力F(N)带速度V(m/s)1.5 1.3 1.4 1.2 1.5 1.6 1.5 1.5 1.4 1.4 240 240 250 300 250 260 270 240 250 240 卷筒直径D(mm)序号11 12 13 14学号13 14 15 16720 740 760 780带工作拉力F(N)带速度V(m/s)1.5 1.3 1.4 1.2240 240 250 300卷筒直径D(mm)机械设计基础课程设计任务书(二)专业:材料成型与控制工程班级:材控14-1班姓名:学号:设计题目:带式运输机的单级斜齿圆柱齿轮减速器运动简图:工作要求:两班制连续单向运转,载荷轻微变化,使用期限15年。
输送带速度允差±5%。
序号15 16 17 18 19 20 21 22 23 学号18 19 20 21 22 23 25 25 26 3000 2900 2600 2500 2400 2000 3000 2500 1600 输送带F(N)1.5 1.4 1.6 1.5 1.7 1.6 1.5 1.6 1.26 输送带V(m/s)D(mm) 400 400 450 450 380 300 320 300 250机械设计课程设计任务书(三)专业:材料成型与控制工程班级:材控14-1班姓名:学号:设计题目:螺旋输送机的单级斜齿圆柱齿轮减速器运动简图:1.电动机2.联轴器3.减速箱4.圆锥齿轮5.螺旋输送机工作条件:二班制,连续单向运转。
带式输送机传动装置中的一级圆柱齿轮减速器介绍带式输送机传动装置是一种常用的工业设备,用于将物料从一个位置输送到另一个位置。
其中关键的传动装置是一级圆柱齿轮减速器,它通过减速驱动带式输送机的运动。
本文将介绍一级圆柱齿轮减速器的结构、工作原理和应用场景。
一级圆柱齿轮减速器的结构一级圆柱齿轮减速器由输入轴、输出轴和一组圆柱齿轮组成。
输入轴连接到外部动力源,输出轴连接到带式输送机。
圆柱齿轮通过齿轮啮合实现转动传递。
一级圆柱齿轮减速器通常由多个齿轮组成,其中传动比由齿轮的齿数决定。
一般来说,输入轴上的齿轮称为主动轮,输出轴上的齿轮称为从动轮。
圆柱齿轮通常采用硬质合金材料制成,以提高耐磨和传动效率。
一级圆柱齿轮减速器的工作原理一级圆柱齿轮减速器的工作原理基于齿轮的齿数差异。
当输入轴上的主动轮转动时,它会通过齿轮的啮合将转动传递给输出轴上的从动轮。
由于从动轮的齿数较小,所以输出轴上的转速会比输入轴上的转速降低,从而实现减速效果。
一级圆柱齿轮减速器的传动比可以根据齿轮的齿数计算出来。
传动比等于主动轮的齿数除以从动轮的齿数。
传动比越大,减速效果越明显。
通过合理设计齿轮的齿数,可以实现不同的传动比,以适应不同的工作需求。
一级圆柱齿轮减速器的应用场景一级圆柱齿轮减速器广泛应用于各种场景的带式输送机中。
带式输送机可以用于输送各种物料,例如煤炭、矿石、粮食等。
一级圆柱齿轮减速器能够提供稳定的传动效果,确保带式输送机的正常运行。
在煤矿行业,一级圆柱齿轮减速器被广泛应用于煤炭输送系统中。
煤炭从采矿区域通过带式输送机运输到处理厂或储存区域。
一级圆柱齿轮减速器能够提供足够的转矩和稳定的传动比,以应对长距离输送和重负荷的工作环境。
在粮食加工行业,一级圆柱齿轮减速器可以用于输送谷物、饲料等物料。
它能够将物料从一处输送到另一处,并保持适当的速度和流量。
一级圆柱齿轮减速器的优点是传动效率高、运行平稳、噪音低,非常适合粮食加工行业的需求。
机械设计基础课程设计设计人:班级:学号:指导老师:设计要求设计一用于带式运输机上的单级圆柱齿轮减速器,如图所示。
运输机连续工作,单向运转,载荷变化不大,空载起动。
减速器小批量生产。
使用期限10年,两班制工作。
运输带容许速度误差为5%。
原始数据(所给数据的第六小组)已知条件数据输送带工作拉力Fw=2800N 输送带速度Vw=1.4m/s 卷筒轴直径D=400mm目录一.确定传动方案二.选择电动机(1)选择电动机(2)计算传动装置的总传动比并分配各级传动比(3)计算传动装置的运动参数和动力参数三.传动零件的设计计算(1)普通V带传动(2)圆柱齿轮设计四.低速轴的结构设计(1)轴的结构设计(2)确定各轴段的尺寸(3)确定联轴器的型号(4)按扭转和弯曲组合进行强度校核五.高速轴的结构设计六.键的选择及强度校核七.选择轴承及计算轴承寿命八.选择轴承润滑与密封方式九.箱体及附件的设计(1)箱体的选择(2)选择轴承端盖(3)确定检查孔与孔盖(4)通气器(5)油标装置(6)骡塞(7)定位销(8)起吊装置十.设计小结十一.参考书目设计项目计算及说明主要结果一.确定传动方案二.选择电动机(1)选择电动机设计一用于带式运输机上的单级圆柱齿轮减速器,如图所示。
运输机连续工作,单向运转,载荷变化不大,空载起动。
减速器小批量生产。
使用期限10年,两班制工作。
运输带容许速度误差为5%。
图A-11)选择电动机类型和结构形式根据工作要求和条件,选用一般用途的Y系列三相异步电动机,结构形式为卧式封闭结构2)确定电动机功率工作机所要的功率Pw(kw)按下式计算Pw=wFwVwη1000式中,Fw=2800,Vw=1.4m/s,带式输送机的效率ηw=0.94,代入上式得:Pw =Kw=4.17Kw电动机所需功率Po(Kw)按下式计算Po=ηPw Pw=4.17Kw(2)计算传动装置的总传动比并分配各级传动比(3)计算传动装置的运动参数和动式中,η为电动机到滚筒工作轴的传动装置总效率,根据传动特点,由表2-4查得:V带传动η带=0.96 ,一对齿轮传动η齿轮=0.97,一对滚动轴承η轴承=0.99,弹性联轴器η联轴器=0.98,因此总效率η=η带η齿轮η2轴承η联轴器,即η=η带η齿轮η2轴承η联轴器=0.96x0.97x0.99x0.982=0.89Po=ηPw=Kw=4.69Kw确定电动机额定功率Pm(Kw),使Pm=(1~1.3)Po=5.12(1~1.3)=5.12~6.66Kw,查表2-1取Pm=5.5 Kw3)确定电动机转速工作机卷筒轴的转速nw为nw=DVwπ100060⨯==66.87r/min根据表2-3推存的各类转动比范围,取V带转动比i带=2~4,一级齿轮减速器i齿轮=3~5,传动装置的总传动比i总=6~20,故电动机的转速可取范围为nm=i总nm=(6~20)⨯84.93=509.58~1698.6r/min符合此转速要求的同步转速有750r/min,1000r/min,1500r/min三种,考虑综合因素,查表2-1,选择同步转速为1000r/min的Y系列电动机Y132M2-6,其满载转速为nm=960r/min电动机的参数见表A-1。
课程设计说明书目录一、设计课题及主要任务 (2)二、传动方案拟定 (2)三、电动机的选择 (4)四、确定传动装置的总传动比和运动(动力)参数的计算 (5)五、V带的设计 (7)六、齿轮传动的设计 (9)七、轴的设计 (12)八、箱体结构设计及附件选择 (22)九、键联接设计 (25)十、轴承设计 (26)十一、密封和润滑的设计 (27)十二. 联轴器的设计 (27)十三、设计小结 (28)附: 参考资料 (30)四、确定传动装置的总传动比和运动(动力)参数的计算:1.传动装置总传动比为:2.分配各级传动装置传动比:3.运动参数及动力参数的计算: 由选定的电动机满载转速nm 和工作机主动轴转速n: i 总= nm/n=nm/n 滚筒=960/76.4=12.57总传动比等于各传动比的乘积 分配传动装置传动比:i= i1×i2 式中i1.i2分别为带传动和减速器的传动比 根据《机械零件课程设计》表2--5, 取io =3(普通V 带 i=2~4) 因为: io =i1×i2所以: i2=io /i1=12.57/3=4.19 根据《机械零件课程设计》公式(2-7)(2-8)计算出各轴的功率(P 电机轴、P 高速轴、P 低速轴、P 滚筒轴)、转速(n 电机轴、n 高速轴、n 低速轴、n 滚筒轴)和转矩(T 电机轴、T 高速轴、T 低速轴、T 滚筒轴) 计算各轴的转速: Ⅰ轴(高速轴): n 高速轴=nm/io=960/3.0=320r/min Ⅱ轴(低速轴): n 低速轴=n 高速轴/i1=320/4.19=76.4r/min 滚筒轴: n 滚筒轴=n 低速轴= 76.4r/mini 总=12.57io =3i2=4.19n 高速轴=320r/min n 低速轴= 76.4r/min n 滚筒轴= 76.4r/min七、轴的设计(一)输入轴的设计计算: 1、齿轮轴的设计: 轴简图:选择轴材料:由已知条件知减速器传递的功率属于中小功率, 对材料无特殊要求, 故选用45钢并经调质处理。
一级直齿圆柱齿轮减速器课程设计
以下是一级直齿圆柱齿轮减速器的课程设计,包括装配图和零件图。
设计任务是设计带式输送机传动装置中的一级圆柱齿轮减速器,工作条件为使用年限 10 年,每年按 300 天计算,两班制工作,载
荷平稳,滚筒圆周力 F=1.7KN,带速 V=1.4ms,滚筒直径 D=220mm。
一、传动方案拟定
1. 设计要求:根据已知工作要求和条件,选用 Y 系列三相异步电动机,电动机类型和结构型式的选择按已知的工作要求和条件进行。
2. 确定电动机的功率和转速:根据滚筒轴的工作转速
Nw=601000V,计算得到电动机的额定功率 Pd=3KW,额定转速
N=1420r/min。
3. 合理分配各级传动比:根据总传动比 i 总=11.68,取 i 带
=3,分配各级传动比:i 齿=11.68,i 总=3*11.68=39.36,i 带=3-1=2。
二、电动机选择及装配图
1. 电动机选择:选用 Y100L2-4 型电动机,其主要性能:额定
功率:3KW,满载转速 1420r/min,额定转矩 2.2N·m。
河北建筑工程学院《机械设计》课程设计任务书课程名称:机械设计学院:机械工程学院专业:机械电子工程班级:机电132班学号:2013322203学生姓名:李明精选资料指导教师:刘春东职称:副教授可修改编辑一、设计题目带式输送机传动装置设计(单级圆柱齿轮减速器),运动简图如下图所示:二、设计目的本课程设计为学生提供了一个既动手又动脑,自学,查资料,独立实践的机会。
将本学期课本上的理论知识和实际有机的结合起来,锻炼学生实际分析问题和解决问题的能力,提高学生综合运用所学知识的能力,装配图、零件图的设计绘图能力。
三、已知条件1、机器功用:由输送带运送物料2、工作情况:电动机连续单向运转,载荷较平稳,空载启动,室内工作,环境温度不超过40度,每年按300个工作日计算。
3、运转要求:输送带运动速度误差不超过±5%。
四、主要设计内容1、传动比的计算及带传动、齿轮传动传动的分配;2、齿轮轴结构设计、材料选取、尺寸计算;3、电机、齿轮、键、轴承、联轴器等零部件的选型,参数计算;4、轴、键、齿轮等的校核计算;5、密封、润滑方式的选择。
五、设计进度安排精选资料六、设计数据从原始数据表中选取__39__组数据为原始数据,具体参数如下表:七、设计要求1、课程设计说明书一份,要求用黑色笔撰写,字迹工整,字数不少于4000字;2、完成1号装配图图纸一张,3号零件图纸2-3张。
3、需上交电子版和纸质的说明书及图纸。
可修改编辑河北建筑工程学院《机械设计》课程设计任务书课程名称:机械设计2精选资料学院:机械工程学院专业:机械电子工程班级:机电132班学号:2013322201 学生姓名:龙瀚宏指导教师:刘春东职称:副教授可修改编辑一、设计题目带式输送机传动装置设计(单级圆柱齿轮减速器),运动简图如下图所示:二、设计目的本课程设计为学生提供了一个既动手又动脑,自学,查资料,独立实践的机会。
将本学期课本上的理论知识和实际有机的结合起来,锻炼学生实际分析问题和解决问题的能力,提高学生综合运用所学知识的能力,装配图、零件图的设计绘图能力。
带式输送机传动装置设计一级圆柱齿轮减速器设计一、引言带式输送机是目前应用较广泛的一种连续输送装置,它广泛应用于石油、化工、煤炭、冶金、建材等行业。
传动装置是带式输送机的重要组成部分,其中一级圆柱齿轮减速器是常见的一种传动装置。
本文将对一级圆柱齿轮减速器的设计进行详细阐述。
二、设计原理一级圆柱齿轮减速器是一种常见的传动装置,其主要由电机、输入轴、输出轴、圆柱齿轮、轴承和外壳等组成。
其传动原理是通过电机驱动输入轴,输入轴带动圆柱齿轮旋转,齿轮传动力量到输出轴,从而实现带式输送机的运转。
三、设计步骤1.确定设计参数:根据带式输送机的要求和工作条件,确定齿轮减速器的传动比、输出转速、输入功率等参数。
2.选取齿轮参数:根据传动比,可以通过传动计算公式计算出圆柱齿轮的模数、齿数等参数。
同时,还需要考虑齿轮材料的选择,一般选用优质合金钢制造。
3.设计轴承:根据输出轴的转矩和转速,选择合适的轴承类型和规格。
轴承的选取应考虑到齿轮减速器的使用寿命和运转平稳性。
4.安装布置:根据齿轮减速器的总体尺寸和输送机的布局,合理安排齿轮减速器的安装位置和连接方式。
同时,还需要考虑到齿轮减速器与输送机其他部件的配合和连接。
5.强度计算:对齿轮减速器的主要零部件进行强度计算,包括输入轴、输出轴、圆柱齿轮等。
计算应考虑到传动过程中的动载荷和静载荷,确保其强度满足要求。
6.结构设计:根据设计要求和计算结果,合理设计齿轮减速器的结构和尺寸。
包括各零部件的形状和连接方式,以及外壳的设计。
7.摩擦与润滑设计:对齿轮减速器的摩擦和润滑进行设计。
根据工作条件和使用要求,选择适当的润滑方式和润滑剂。
8.优化设计:根据实际情况,对齿轮减速器的设计进行优化。
包括减小尺寸、减轻重量、提高效率和降低噪音等。
四、设计注意事项1.齿轮副的选材应考虑到传动的可靠性和寿命,在选择合金钢时应注意其热处理性能和表面硬度。
2.输入轴和输出轴的设计要满足强度和刚度要求,通常采用圆柱形或棱柱形。
机械设计一级圆柱齿轮减速器设计说明书运算说明书设计题目:带式传输机的传动装置班级:姓名:学号:指导教师:二○年月日德州学院机电工程系名目第一章绪论第二章课题题目及要紧技术参数说明2.1 课题题目2.2 要紧技术参数说明2.3 传动系统工作条件2.4 传动系统方案的选择第三章减速器结构选择及相关性能参数运算3.1 减速器结构3.2 电动机选择3.3 传动比分配3.4 动力运动参数运算第四章齿轮的设计运算(包括小齿轮和大齿轮)4.1 齿轮材料和热处理的选择4.2 齿轮几何尺寸的设计运算4.2.1 按照接触强度初步设计齿轮要紧尺寸4.2.2 齿轮弯曲强度校核4.2.3 齿轮几何尺寸的确定4.3 齿轮的结构设计第五章轴的设计运算(从动轴)5.1 轴的材料和热处理的选择5.2 轴几何尺寸的设计运算5.2.1 按照扭转强度初步设计轴的最小直径5.2.2 轴的结构设计5.2.3 轴的强度校核第六章轴承、键和联轴器的选择6.1 轴承的选择及校核6.2 键的选择运算及校核6.3 联轴器的选择第七章皮带轮的设计运算7.1 确定带型中心距及基准长度7.2 验算小带轮的包角7.3 运算V带的根数第八章减速器润滑、密封及附件的选择确定以及箱体要紧结构尺寸的运算8.1 润滑的选择确定8.2 密封的选择确定8.3减速器附件的选择确定8.4箱体要紧结构尺寸运算第九章总结参考文献第一章绪论本论文要紧内容是进行一级圆柱直齿轮的设计运算,在设计运算中运用到了«机械设计基础»、«机械制图»、«工程力学»、«公差与互换性»等多门课程知识,并运用«AUTOCAD»软件进行绘图,因此是一个专门重要的综合实践环节,也是一次全面的、规范的实践训练。
通过这次训练,使我们在众多方面得到了锤炼和培养。
要紧表达在如下几个方面:〔1〕培养了我们理论联系实际的设计思想,训练了综合运用机械设计课程和其他相关课程的基础理论并结合生产实际进行分析和解决工程实际问题的能力,巩固、深化和扩展了相关机械设计方面的知识。
皮带式输送机传动装置的一级圆柱齿轮减速器设计目录一、设计任务书-------------------------------------------------------------------2二、前言----------------------------------------------------------------------------3三、运动学与动力学计算--------------------------------------------------------4四、传动零件设计计算-----------------------------------------------------------7五、轴的设计计算与校核------------------------------------------------------13六、键的选择及校核--------------------------------------------------------------22七、箱体的设计--------------------------------------------------------------------26八、轴承盖的选择-----------------------------------------------------------------27九、润滑与密封------------------------------------------------------------------29十、减速器附件及说明---------------------------------------------------------29 十一、设计小结--------------------------------------------------------------------31 十二、参考资料--------------------------------------------------------------------32机械设计基础课程设计任务书设计题目:设计皮带式输送机传动装置的一级圆柱齿轮减速器运动简图:原始数据工作条件:单向转动,轻微振动,连续工作,两班制,使用期限5年,卷筒转速允许误差为±5℅设计工作量:设计说明书1份减速器装配图1张减速器零件图2张前言传动装置的总体设计,主要是分析和拟定传动方案,选择电动机型号。
带式输送机上的一级圆柱齿轮减速器设计书带式输送机是一种非常常见的物料输送设备。
其主要由输送带、支撑架、拉绳、传动装置、张紧装置、减速器等部件组成。
在其中,减速器是带有传动功能的装置,主要起到减速、增加扭矩的作用。
减速器分为很多种类型,圆柱齿轮减速器是其一种。
一级圆柱齿轮减速器是由机壳、输入轴、输出轴、齿轮等部件组成的。
它的内部结构主要是由齿轮磨削为像圆环一样的齿边,从而具备传递扭矩的作用。
在设计圆柱齿轮减速器之前,首先需要了解一些物理学知识,例如动力学、热力学等。
其次也需要了解减速器的一些参数,如输出功率、输入功率、速比、效率和载荷能力等。
接下来,我们将介绍一些设计圆柱齿轮减速器需要考虑的相关参考内容:1. 外观设计及尺寸选择:圆柱齿轮减速器是一种精密机械装置,其外观设计和尺寸选择对其性能具有非常重要的影响。
因此,设计人员需要根据具体的使用场景和要求,合理选择减速器的外形尺寸、颜色和其他装饰设计。
2. 输入和输出轴的配合设计:减速器的输入和输出轴之间的配合性是非常重要的。
设计人员需要根据具体的要求,合理选择输入和输出轴的直径、长度、形状和表面光滑度等参数,并确保两者之间具有良好的配合性,从而有效地传递扭矩。
3. 齿轮模数和齿数的选择:齿轮的模数和齿数是决定减速器性能的重要参数,这些参数的选择应该考虑到输出功率、转速、载荷和噪音等方面的因素。
通常,较大的齿轮模数可以提高传动效率,而较小的齿数可以降低噪音。
4. 石英材料和生产工艺的选择:圆柱齿轮减速器的材料和生产工艺的质量和性能是影响减速器可靠性和工作寿命的重要因素。
设计人员应该选择高质量的材料和最先进的生产工艺,并通过严格的质量控制流程,确保减速器具有卓越的性能和优异的耐用性。
5. 润滑方案的选择:齿轮减速器在工作时会产生较大的摩擦和磨损,因此润滑是非常关键的。
设计人员应该考虑到具体的运行环境和工作条件,选择合适的润滑方法和材料,并确保润滑油膜的良好保持,以延长减速器的使用寿命。
机械设计基础课程设计设计人:班级:学号:指导老师:设计要求设计一用于带式运输机上的单级圆柱齿轮减速器,如图所示。
运输机连续工作,单向运转,载荷变化不大,空载起动。
减速器小批量生产。
使用期限10年,两班制工作。
运输带容许速度误差为5%。
原始数据(所给数据的第六小组)目录一.确定传动方案二.选择电动机(1)选择电动机(2)计算传动装置的总传动比并分配各级传动比(3)计算传动装置的运动参数和动力参数三.传动零件的设计计算(1)普通V带传动(2)圆柱齿轮设计四.低速轴的结构设计(1)轴的结构设计(2)确定各轴段的尺寸(3)确定联轴器的型号(4)按扭转和弯曲组合进行强度校核五.高速轴的结构设计六.键的选择及强度校核七.选择轴承及计算轴承寿命八.选择轴承润滑与密封方式九.箱体及附件的设计(1)箱体的选择(2)选择轴承端盖(3)确定检查孔与孔盖(4)通气器(5)油标装置(6)骡塞(7)定位销(8)起吊装置十.设计小结十一.参考书目一.确定传动方案二.选择电动机(1)选择电动机设计一用于带式运输机上的单级圆柱齿轮减速器,如图所示。
运输机连续工作,单向运转,载荷变化不大,空载起动。
减速器小批量生产。
使用期限10年,两班制工作。
运输带容许速度误差为5%。
图A-11)选择电动机类型和结构形式根据工作要求和条件,选用一般用途的Y系列三相异步电动机,结构形式为卧式封闭结构2)确定电动机功率工作机所要的功率Pw(kw)按下式计算Pw=wFwVwη1000式中,Fw=2800,Vw=1.4m/s,带式输送机的效率ηw=0.94,代入上式得:Pw =Kw=4.17Kw电动机所需功率Po(Kw)按下式计算Po=ηPw Pw=4.17Kw九、箱体及附件的设计(1)箱体的选择(2)选择轴承端盖、(3)确定检查孔与孔盖(4)通气器(5)油标装置(6)螺塞(7)定位销(8)起吊装置十、设计小结十一、参考书②假设带对轴的压力作用如图A-5所示,和r F作用在同一平面,求轴承A处支反力:水平平面:NFFFtBHAH16392327821====垂直平面:∑=0BM,)()(211321=+-+++LLFLFLLLFAVrR211321)(LLLFLLLFF rRAV++++==NN4.28641487411932311453=⨯+⨯NNFFFAVAHA4.132844.286416392222=+=+=求轴承处B处支反力:水平平面:NFFAHBH16392/3278===垂直平面:NFFFFAVRrBV4.2184.286414531193-=-+=-+=BVF还有一种计算方法:∑=0AM,)(2213=-++LFLLFLFrBVR中心高度H=220mm........忽略此处.......。
机械设计基础课程设计-带式输送机传动装置中的一级圆柱齿轮减速器【专业版】(文档可以直接使用,也可根据实际需要修订后使用,可编辑放心下载)湖南理工职业技术学院机械设计基础课程设计题目:带式输送机的一级减速器年级专业:机械设计与制造1082班学生姓名:指导教师:2009年12月28日机械零件课程设计任务书带式输送机传动装置中的一级圆柱齿轮减速器设计题目:带式输送机传动装置中的一级圆柱齿轮减速器远动简图:原始数据:题号齿形输送带拉力F(N) 输送带速度V(m/s)滚筒直径D(mm)使用年限(年)11/12 直齿/斜齿2830 1.85 420 5工作条件:输送机连续工作,单向运转,载荷变化不大,空载起动,两班制工作,输送带速度容许误差为±5%,减速器批量生产。
设计工作量1、减速器装配图1张2、零件工作图2-3张3、设计说明书约5000-7000目录第一章总体设计1.1电动机的选择1.2传动比的分配1.3传动方案的选择1.4传动传动装置的运动和动力参数的计算第二章带轮设计2.1计算相应功率2.2V带的选型2.3计算相应参数第三章齿轮设计3.1选取材料3.2查表确定参数3.3计算齿轮的分度圆直径第四章轴的设计4.1计算轴的最小直径4.2根据给出的情况确定轴的直径4.3初步确定轴的尺寸4.4参考资料第五章箱体及其附件的设计第六章润滑和密封件的设计第一章传动装置的总体设计1.1 电动机的选择电动机已经标准化、系列化。
应按照工作机的要求,根据选择的传动方案,选择电动机的类型、容量和转速,并在产品目录中查出其型号和尺寸。
电动机有交流电动机和直流电动机之分,一般工厂都采用三相交流电动机。
交流电动机有异步电动机和同步电动机两类,异步电动机又分为笼型和绕线型两种,其中以普通笼型异步电动机应用最多。
目前应用最广的是Y系列自扇冷式笼型三相异步电动机,其结构简单、起动性能好、工作可靠、价格低廉、维护方便,适用于不易燃、不易爆、无腐蚀性气体、无特殊要求的场合,如运输机、机床、风车、农机、轻工机械等。
大学机械设计课程设计计算说明书题目:带式运输机传动系统一级直齿圆柱齿轮减速器学生:泽坤学号: 200978030225学校:大学专业:汽车制造与装配技术指导教师:王成明霞响军目录第1章概述 (3)1.1 设计的目的 (3)1.2 设计的容和任务 (3)1.2.1设计的容 (4)1.2.2 设计的任务 (4)1.3 设计的步骤 (5)第2章传动装置的总体设计 (5)2.1 拟定传动方案 (5)2.2选择原动机——电动机 (6)2.2.1选择电动机类型和结构型式 (6)2.2.2确定电动机的功率 (6)2.2.3确定电动机的转速 (8)2.3传动装置总传动比的确定及各级传动比的分配 (8)2.3.1计算总传动比 (9)2.3.2合理分配各级传动比 (9)2.4算传动装置的运动和动力参数 (9)2.4.1 0轴(电机轴)输入功率转速转矩 (10)2.4.2 1轴(高速轴)输入功率转速转矩 (10)2.4.3 2轴(低速轴)输入功率转速转矩 (10)2.4.4 3轴(滚筒轴)输入功率转速转矩 (110)第3章传动零件的设计计算 (12)3.1 减速箱外传动零件——带传动设计 (132)3.1.1带传动设计要求: (132)3.1.2 V带传动设计计算 (132)3.2 减速器传动零件—--齿轮设计 (165)3.2.1选择齿轮类型、精度等级、材料及齿数 (165)3.2.2 按齿面接触强度设计 (176)3.2.3 按齿根弯曲强度计算 (18)3.2.4、齿轮几何尺寸计算 (210)3.3 轴的设计——输入轴的设计 (220)3.3.1确定轴的材料及初步确定轴的最小直径 (220)3.3.2初步设计输入轴的结构 (221)3.4轴的设计——输出轴的设计 (22)3.4.1初步确定轴的最小直径 (242)3.4.2初步设计输出轴的结构 (23)第4章部件的选择与设计 (25)4.1轴承的选择 (25)4.1.1输入轴轴承 (25)4.1.2输出轴轴承 (25)4.2输入轴输出轴键连接的选择及强度计算 (26)4.3轴承端盖的设计与选择 (27)4.3.1类型 (27)4.4 滚动轴承的润滑和密封 (28)4.5联轴器的选择 (29)4.5.1、联轴器类型的选择 (29)4.5.2、联轴器的型号选择 (29)4.6其它结构设计 (29)4.6.1通气器的设计 (29)4.6.2吊环螺钉、吊耳及吊钩 (30)4.6.3启盖螺钉 (30)4.6.4定位销 (31)4.6.5油标 (31)4.6.6放油孔及螺塞 (31)4.7箱体 (32)第5章结论 (33)参考文献 (34)第1章概述1.1 设计的目的设计目的在于培养机械设计能力。
设计是完成机械专业全部课程学习的最后一次较为全面的、重要的、必不可少的实践性教学环节,其目的为:1. 通过设计培养综合运用所学全部专业及专业基础课程的理论知识,解决工程实际问题的能力,并通过实际设计训练,使理论知识得以巩固和提高。
2. 通过设计的实践,掌握一般机械设计的基本方法和程序,培养独立设计能力。
3. 进行机械设计工作基本技能的训练,包括训练、计算、绘图能力、计算机辅助设计能力,熟悉和运用设计资料(手册、图册、标准、规等)。
1.2 设计的容和任务1.2.1设计的容本设计的题目为一级直齿圆柱齿轮减速器,设计的主要容包括以下几方面:(1)拟定、分析传动装置的运动和动力参数;(2)选择电动机,计算传动装置的运动和动力参数;(3)进行传动件的设计计算,校核轴、轴承、联轴器、键等;(4)绘制减速器装配图及典型零件图;(5)编写设计计算说明书。
1.2.2 设计的任务(1)减速器装配图1(0号图纸)(2)输入轴输出轴零件图各1(3)齿轮零件图1(4)减速器箱体零件图1(5)设计说明书1份1.3 设计的步骤遵循机械设计过程的一般规律,大体上按以下步骤进行:1. 设计准备认真研究设计任务书,明确设计要求和条件,认真阅读减速器参考图,熟悉设计对象。
2. 传动装置的总体设计根据设计要求拟定传动总体布置方案,选择原动机,计算传动装置的运动和动力参数。
3. 传动件设计计算设计装配图前,先计算各级传动件的参数确定其尺寸,并选好联轴器的类型和规格。
一般先计算外传动件、后计算传动件。
4. 装配图绘制计算和选择支承零件,绘制装配草图,完成装配工作图。
5. 零件工作图绘制零件工作图应包括制造和检验零件所需的全部容。
6. 编写设计说明书设计说明书包括所有的计算并附简图,并写出设计总结。
第2章传动装置的总体设计传动装置的总体设计,主要包括拟定传动方案、选择原动机、确定总传I动比和分配各级传动比以及计算传动装置的运动和动力参数。
2.1 拟定传动方案机器通常由原动机、传动装置和工作机三部分组成。
传动装置将原动机的动力和运动传递给工作机,合理拟定传动方案是保证传动装置设计质量的基础。
课程设计中,学生应根据设计任务书,拟定传动方案,分析传动方案的优缺点。
现考虑有以下两种传动方案如下图所示:a) b)图2-1 带式运输机传动方案比较传动方案应满足工作机的性能要求,适应工作条件,工作可靠,而且要求结构简单,尺寸紧凑,成本低,传动效率高,操作维护方便。
设计时可同时考虑几个方案,通过分析比较最后选择其中较合理的一种。
下面为图1中a 、b 两种方案的比较。
a 方案 结构简单,尺寸紧凑,成本低,操作维护方便;b 方案 相比较,宽度尺寸较大,成本高。
根据传动要求,工作条件,故选择方案a ,同时加上V 型带传动。
即采用V 带传动和一级圆柱齿轮减速器传动。
2.2选择原动机——电动机电动机为标准化、系列化产品,设计中应根据工作机的工作情况和运动、动力参数,根据选择的传动方案,合理选择电动机的类型、结构型式、容量和转速,提出具体的电动机型号。
2.2.1选择电动机类型和结构型式电动机有交、直流之分,一般工厂都采用三相交流电,因而选用交流电动机。
交流电动机分异步、同步电动机,异步电动机又分为笼型和绕线型两种,其中以普通笼型异步电动机应用最多,目前应用较300广的Y 系列自扇冷式笼型三相异步电动机, 电压为380V ,其结构简单、起动性能好,工作可靠、价格低廉、维护方便,适用于不易燃、不易爆、无腐蚀性气体、无特殊要求的场合,如运输机、机床、农机、风机、轻工机械等。
2.2.2确定电动机的功率电动机功率选择直接影响到电动机工作性能和经济性能的好坏:若所选电动机的功率小于工作要求,则不能保证工作机正常工作;若功率过大,则电动机不能满载运行,功率因素和效率较低,从而增加电能消耗,造成浪费。
1. 带式输送机所需的功率w P由[1]中公式(2-1)得:kW FV P w 2.761000/.4148001000/=⨯== 设计题目给定:输送带拉力F (N )=4800N输送带速度V(m/s)=1.4m/s2. 计算电动机的输出功率d P根据文献[1](《机械设计课程设计》唐增宝 常建娥 主编 华中科技大学出版)表2—2确定个部分效率如下:弹性联轴器:99.01=η(一个)滚动轴承(每对):99.02=η(共三对,两对减速器轴承,一对滚筒轴承) 圆柱齿轮传动:98.03=η(精度7级)传动滚筒效率:96.04=η V 带传动效率:95.0=带η得电动机至工作机间的总效率:8585.095.06.9098.099.099.099.099.0432221=⨯⨯⨯⨯⨯⨯=••••••=带总ηηηηηηηη电动机的输出功率:KW FV P d 3.878585.01000.4148001000=⨯⨯==总η 2.2.3确定电动机的转速同一类型、相同额定功率的电动机低速的级数多,外部尺寸及重量较大,价格较高,但可使传动装置的总传动比及尺寸减少;高速电动机则与其相反,设计时应综合考虑各方面因素,选取适当的电动机转速。
三相异步电动机常用的同步转速有min /3000r ,min /1500r ,min /1000r ,min /750r ,常选用min /1500r 或min /1000r 的电动机。
1. 计算滚筒的转速w n 由公式DV n w π601000⨯=计算滚筒转速w n : 工作机的转速:min /.553500.41601000601000r D V n w =⨯⨯=⨯=ππ 设计题目给定:滚筒直径D=500mm输送带速度V(m/s)=1.4m/s2. 确定电动机的转速d n由参考文献[2](机械设计)中表18—1可知一级圆柱齿轮减速器推荐传动比围为5~3=i ,由参考文献[1] V 带传动比围为4~2=i ,所以总传动比合理围为20~6=总i ,故电动机转速的可选围是:m in /1072~321m in /.553)20~6(r r n d =⨯=符合这一围的同步转速有750r/min 、1000r/min 、1500r/min由参考文献[1]中表16—1查得:表16—1中,考虑电动机和传动装置的尺寸、重量和总传动比,即选定3号方案,电动机型号为Y180L-8。
其主要参数如下:表2-1电动机相关参数表2-2带式输送机相关参数2.3传动装置总传动比的确定及各级传动比的分配由选定电动机的满载转速m n 和工作机主动轴的转速w n 可得传动装置的总传动比w m n n i /=对于多级传动()n i i i i i ⋅⋅⋅⋅⋅⋅⋅⋅=321计算出总传动比后,应合理地分配各级传动比,限制传动件的圆周速度以减少动载荷。
2.3.1计算总传动比由电动机的满载转速min /730r n m =和工作机主动轴的转速53.5r/min , 可得: 总传动比64.135.53730/===w m n n i2.3.2合理分配各级传动比由参考文献[1]中表2—3,取带传动比3=带i ,i=13.64, 则 一级减速器传动比5.5434.613===带减i i i2.4算传动装置的运动和动力参数为进行传动件的设计计算,应首先推算出各轴的转速、功率和转矩,一般按由电动机至工作机之间运动传递的路线推算各轴的运动和动力参数。
2.4.1 0轴(电机轴)输入功率、转速、转矩kW P d 3.87= m in /730r n m =m N n P T m d d •=⨯==3.41027303.879550/9550 2.4.2 1轴(高速轴)输入功率、转速、转矩 KW P P P d d I 44.795.03.8701=⨯=•=⋅=带ηηmin/3.243/1r i n n m ==带m N i T T d I •=⨯⨯=⋅⋅=93.29195.0343.102带带η 2.4.3 2轴(低速轴)输入功率、转速、转矩KW P P I II 9.2798.044.73=⨯=⋅=ηmin /47.535.54.3243/1212r i n n === m N i T T I II •=⨯⨯=⋅⋅=72.130198.055.43.9291312η2.4.4 3轴(滚筒轴)输入功率、转速、转矩KW P P II III 145.799.099.09.2721=⨯⨯=⋅⋅=ηηm in /7.45323r n n ==m N T TIII II •=⨯⨯=⋅⋅=.8127599.099.02.7130121ηη各项指标误差均介于+0.5%~-0.5%之间。