消火栓每月一次的检查记录卡
- 格式:doc
- 大小:404.50 KB
- 文档页数:2
消火栓检查记录卡引言概述:消火栓是城市建设中重要的消防设施之一,对于保障人民生命财产安全起着至关重要的作用。
为了确保消火栓的正常运行和及时维修,消防部门制定了消火栓检查记录卡。
本文将从消火栓检查记录卡的格式、填写要点、检查内容、维修记录和重要性五个方面进行详细阐述。
一、消火栓检查记录卡的格式1.1 卡片基本信息消火栓检查记录卡应包含消火栓的基本信息,如编号、位置、型号、口径等。
这些信息有助于后续的维护和管理工作。
1.2 检查日期和时间卡片上应有检查日期和时间的填写栏,记录每次检查的具体时间,方便后续的追溯和对照。
1.3 检查人员信息卡片上应有检查人员的姓名、工号等信息,以便于追责和交流。
二、填写要点2.1 填写准确详细在填写消火栓检查记录卡时,应尽量准确详细,包括检查过程中发现的问题和异常情况。
这有助于后续的维修和改进工作。
2.2 使用规范术语填写时应使用规范的消防术语,以确保信息的准确性和一致性。
2.3 签字确认填写完毕后,检查人员应在记录卡上签字确认,表示检查结果的真实性和可靠性。
三、检查内容3.1 消火栓外观检查检查消火栓的外观是否完好,是否有破损、锈蚀等情况。
同时,还需检查消火栓周围是否有杂物堆积,是否有遮挡物影响使用。
3.2 操作性能检查检查消火栓的操作性能,包括阀门开启和关闭是否灵便,连接件是否紧固可靠等。
还需检查消火栓的压力表是否正常,水流是否畅通。
3.3 水源接合件检查检查消火栓的水源接合件是否完好,如接头、软管等是否有破损、老化等情况。
确保消火栓在实际使用中能够正常连接水源。
四、维修记录4.1 记录问题和异常情况在消火栓检查记录卡上应详细记录检查过程中发现的问题和异常情况,如破损的零部件、漏水等情况。
4.2 维修过程和结果记录维修过程中所采取的措施和方法,以及维修结果是否有效。
这有助于后续的维修工作和改进措施的制定。
4.3 维修人员信息记录维修人员的姓名、工号等信息,方便后续的追责和交流。
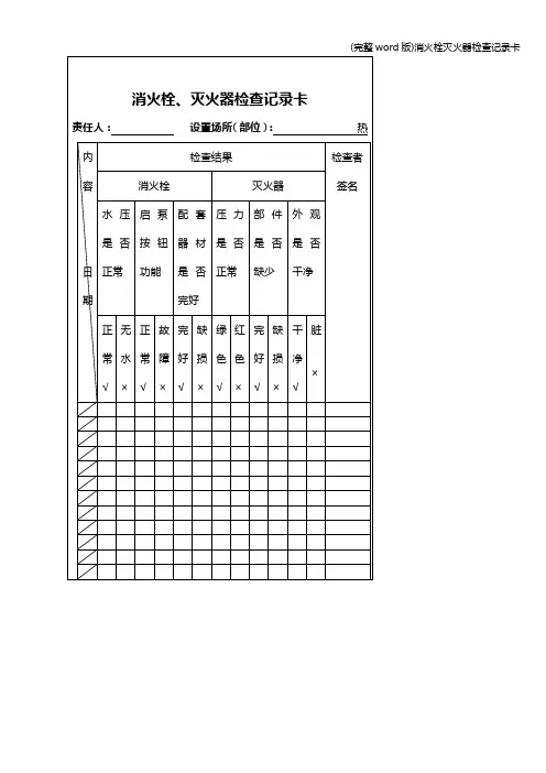
消火栓、灭火器检查记录卡
责任人:设置场所(部位):
内检查结果检查者容消火栓灭火器署名水压启泵配套压力零件外观
能否按钮器械能否是不能否
正常功能能否正常缺乏洁净
完满
月正无正故完缺绿红完缺干脏
份常水常障好损色色好损净
√×√×√×√×√×√×
1
2
3
4
5
6
7
8
9
10
11
12
反面说明
消火栓使用方法:
1、火灾时接好水带水枪、翻开阀门放水;
2、按下启泵按钮,红色指示灯会长亮;
3、红色指示灯长亮后消火栓泵被远程启动,水压变大;
4、脚呈丁字步站稳,双手紧握水枪,瞄准火焰射水。
消火栓检查方法:
1、消火栓无水或许水压不足应维修;
2、启泵按纽玻璃破坏应维修;
3、启泵按钮控制线穿管零落应从头穿管敷设;
4、消火栓阀门缺失应补齐;
5、消火栓如出水污浊应常常放水,防备管道绣蚀及水质腐败;
6、管道腐化应从头涂刷油漆保护,阀门涩滞应涂刷润滑油。
灭火器使用方法:
1、检查灭火器压力表指针能否在绿色地区,压力能否正常;
2、提住灭火器上端黑色提把;
3、跑至火源处拔下保险销;
4、左手端住灭火器下部,右手同时握住提把和压把;
5、应将灭火剂喷向火源根部,平均扫射。
灭火器检查方法:
1、压力在红色地区或许重量不正常应返回从头冲装;
2、保险销零落、丢掉应维修;
3、罐体腐化应维修;
4、检查能否超出有效使用限期,不然应返回厂房从头冲装。
消火栓检查记录卡一、任务背景消火栓是城市中重要的消防设施之一,用于灭火和紧急救援。
为了保障消防安全,定期检查消火栓的运行状态和功能是必要的。
本文将详细介绍消火栓检查记录卡的标准格式和内容要求。
二、消火栓检查记录卡的标准格式消火栓检查记录卡应包括以下几个部份:1. 标题:消火栓检查记录卡2. 检查日期:填写检查的具体日期3. 检查人员:填写进行检查的人员姓名4. 消火栓基本信息:包括消火栓编号、位置、型号等5. 检查项目:列出需要检查的项目,如消火栓外观、水压、连接管道等6. 检查结果:填写检查结果,如正常、异常或者需要维修等7. 处理措施:如发现异常,填写具体的处理措施,如更换零件、维修等8. 备注:填写其他需要说明的事项或者备注信息9. 签名:检查人员和相关负责人的签名和日期三、消火栓检查记录卡的内容要求1. 消火栓基本信息:在消火栓检查记录卡中,需要填写消火栓的基本信息,包括消火栓编号、位置、型号等。
这些信息可以通过消防设施管理系统或者实地调查获得。
2. 检查项目:列出需要检查的项目,如消火栓外观、水压、连接管道等。
这些项目应该根据消防设施的相关标准和规范进行确定,确保对消火栓的各项功能进行全面检查。
3. 检查结果:根据实际检查情况,填写检查结果,如正常、异常或者需要维修等。
对于异常情况,需要详细描述异常的具体情况,如水压过低、连接管道漏水等。
4. 处理措施:如发现异常,填写具体的处理措施,如更换零件、维修等。
对于需要维修的情况,应注明维修人员的联系方式,并将维修情况记录在维修记录卡中。
5. 备注:填写其他需要说明的事项或者备注信息,如消火栓周围的环境情况、维修历史等。
这些信息有助于后续的维护和管理工作。
6. 签名:检查人员和相关负责人在检查记录卡上签名,并注明日期。
签名是对检查结果的认可和确认,确保检查工作的可靠性和真实性。
四、示例消火栓检查记录卡以下是一个示例消火栓检查记录卡的标准格式:标题:检查日期:2022年1月1日检查人员:张三消火栓基本信息:消火栓编号:SH001位置:XX街道XX号型号:ABC123检查项目:1. 消火栓外观:正常2. 水压:正常(1.0MPa)3. 连接管道:正常,无漏水现象检查结果:消火栓运行正常,无异常情况。
消火栓检查记录卡一、任务背景消防安全是保障人民生命财产安全的重要组成部份,而消火栓作为火灾扑救的重要设施之一,需要定期进行检查和维护,以确保其正常运行和可靠性。
为了记录消火栓的检查情况,方便管理和追溯,需要制定一份消火栓检查记录卡。
二、任务目的制定消火栓检查记录卡,用于记录消火栓的检查情况,包括检查日期、检查人员、消火栓位置、消火栓功能是否正常等信息,以便于消防管理部门进行消火栓的维护和管理。
三、任务内容消火栓检查记录卡应包括以下内容:1. 检查日期:填写检查消火栓的具体日期,以年、月、日的格式记录。
2. 检查人员:填写进行消火栓检查的人员姓名,确保检查人员的身份和责任。
3. 消火栓位置:填写消火栓所在的具体位置,包括建造物名称、楼层或者区域等详细信息,以便于快速定位。
4. 消火栓编号:填写消火栓的设备编号,以便于惟一标识和管理。
5. 消火栓类型:填写消火栓的类型,如室内消火栓、室外消火栓等,以便于分类管理。
6. 消火栓功能:填写消火栓的功能是否正常,如水压是否稳定、喷头是否阻塞等,以便于判断消火栓的可用性。
7. 检查结果:填写消火栓的检查结果,包括合格、不合格等,以便于后续处理和维修。
8. 备注:填写对消火栓检查情况的补充说明,如存在的问题、维修情况等,以便于后续追溯和改进。
四、任务要求1. 消火栓检查记录卡应使用标准化的格式,包括表头和表格,以便于统一管理和查阅。
2. 表头应包括消火栓检查记录卡的名称,以及相关单位的名称和标识,以便于识别和归属。
3. 表格应包括以上提到的内容,以便于记录和查看消火栓的检查情况。
4. 每份消火栓检查记录卡应有惟一的编号,以便于管理和追溯。
5. 消火栓检查记录卡应保存在消防管理部门或者相关单位的档案中,以便于随时查阅和使用。
6. 每次进行消火栓检查时,应及时填写消火栓检查记录卡,并进行签名确认,以确保记录的真实性和可靠性。
7. 消火栓检查记录卡的信息应定期进行汇总和分析,以便于消防管理部门进行消火栓的维护和改进。
消火栓检查记录卡一、任务背景消火栓是火灾扑救的重要设施之一,对于确保火灾现场的供水能力和扑救效果具有关键性作用。
为了保障消防设备的正常运行和有效使用,每一个消火栓都需要进行定期的检查和维护。
本文将详细介绍消火栓检查记录卡的标准格式及相关内容。
二、消火栓检查记录卡的标准格式消火栓检查记录卡是一种用于记录消火栓检查情况的文档,通常包含以下几个部份:1. 检查记录卡的标题:消火栓检查记录卡在文档的顶部居中位置,使用粗体字体,明确标识该文档的名称。
2. 基本信息栏:包括消火栓位置、编号、所属单位、检查日期等基本信息。
在文档的左上角位置,挨次填写消火栓的具体位置、编号,所属单位(如小区、公司等),以及检查日期。
3. 检查项目栏:列出需要检查的项目,如消火栓外观、阀门开关、压力表、喷头等。
在文档的左侧,以项目列表的形式列出需要检查的项目,每一个项目占领一行。
4. 检查结果栏:记录每一个项目的检查结果,如正常、异常、维修等。
在文档的中间位置,根据实际情况填写每一个项目的检查结果。
5. 备注栏:用于记录检查过程中的异常情况或者其他需要说明的事项。
在文档的底部,留出足够的空间供填写备注信息。
6. 检查人员签名栏:检查人员在完成检查后需在此处签名确认。
在文档的右下角位置,留出一定的空间供检查人员签名确认。
三、消火栓检查记录卡的内容要求为了保证消火栓检查记录卡的准确性和完整性,以下是对每一个部份内容的详细要求:1. 基本信息栏:- 消火栓位置:准确填写消火栓所在的具体位置,如建造物名称、楼层等。
- 编号:填写消火栓的惟一编号,确保与实际情况一致。
- 所属单位:填写消火栓所属的单位名称,如小区、公司等。
- 检查日期:填写消火栓检查的具体日期,精确到年、月、日。
2. 检查项目栏:- 列出需要检查的项目,如消火栓外观、阀门开关、压力表、喷头等。
- 每一个项目占领一行,确保清晰明了。
3. 检查结果栏:- 根据实际检查情况,填写每一个项目的检查结果。
消火栓检查记录卡一、任务背景在城市建设和消防安全管理中,消火栓是一种重要的消防设施,用于灭火和救援工作。
为了确保消火栓的正常运行和可靠性,需要进行定期的检查和维护工作。
本文将详细介绍消火栓检查记录卡的标准格式和内容要求。
二、消火栓检查记录卡的标准格式消火栓检查记录卡应包括以下几个部份:1. 任务信息:- 任务编号:每次检查都应有惟一的任务编号,方便追溯和管理。
- 检查日期:记录检查消火栓的具体日期。
- 检查人员:填写参预检查的人员姓名。
2. 消火栓基本信息:- 消火栓编号:每一个消火栓都有惟一的编号,用于标识和管理。
- 位置:填写消火栓所在的具体位置,如街道、门牌号等。
3. 检查内容:- 消火栓外观:检查消火栓的外观是否完好,有无损坏或者渗漏等情况。
- 消火栓周围环境:检查消火栓周围是否有杂物堆积或者其他障碍物,是否清洁整齐。
- 消火栓标识:检查消火栓的标识是否清晰可见,包括编号、使用说明等。
- 消火栓接口:检查消火栓接口是否干净,无杂物阻塞。
- 消火栓阀门:检查消火栓阀门是否正常开启和关闭,有无漏水情况。
- 消火栓压力:使用压力计测量消火栓的水压情况,记录测量结果。
- 消火栓配件:检查消火栓的配件是否完好,如消防帽、水带等。
4. 检查结果:- 检查结论:根据检查情况,填写检查结果,如正常、异常或者需要维修等。
- 异常情况描述:如果检查结果为异常,详细描述异常情况,如损坏部位、漏水原因等。
- 维修措施:如果需要维修,填写具体的维修措施和计划。
5. 审核和签名:- 检查人员签名:检查人员在检查完毕后签名确认。
- 审核人员签名:由相关管理人员对检查结果进行审核并签名确认。
三、示例内容任务编号:20220101检查日期:2022年1月1日检查人员:张三、李四消火栓基本信息:消火栓编号:FH001位置:某市XX街XX号检查内容:- 消火栓外观:消火栓外观完好,无损坏或者渗漏情况。
- 消火栓周围环境:消火栓周围清洁整齐,无杂物堆积或者其他障碍物。
消火栓检查记录卡一、任务背景:消防安全是保障人民生命财产安全的重要工作之一。
消火栓作为灭火设备的重要组成部分,需要定期进行检查和维护,以确保其正常运行和可靠性。
本文旨在编写消火栓检查记录卡的标准格式,详细记录检查过程和结果,为消防安全管理提供有力的支持。
二、检查记录卡格式:消火栓检查记录卡应包含以下内容:1. 检查日期:记录检查消火栓的具体日期。
2. 检查人员:填写进行检查的人员姓名。
3. 检查地点:填写消火栓所在的具体位置,如建筑物名称、楼层等。
4. 检查项目:a) 消火栓外观:检查消火栓是否完好无损,是否有锈蚀、变形等情况。
b) 消火栓标志:检查消火栓标志是否清晰可见,是否有遮挡或损坏。
c) 消火栓接口:检查消火栓接口是否干净、无杂物,是否有渗漏现象。
d) 消火栓压力:使用专业测压仪器检测消火栓的压力是否正常。
e) 消火栓操作:检查消火栓的开启、关闭是否灵活可靠。
f) 消火栓周边环境:检查消火栓周围是否有杂物堆放、堵塞等情况。
5. 检查结果:a) 正常:表示消火栓检查符合要求,无异常情况。
b) 异常:如发现消火栓存在问题,应详细描述问题情况,并提出处理建议。
6. 备注:可填写其他需要补充说明的事项。
三、示例内容:以下为一份消火栓检查记录卡的示例内容,仅供参考:检查日期:2022年1月1日检查人员:张三检查地点:某商业大厦1楼消防安全间检查项目:a) 消火栓外观:消火栓表面无锈蚀、变形等异常情况。
b) 消火栓标志:消火栓标志清晰可见,无遮挡或损坏。
c) 消火栓接口:消火栓接口干净,无杂物,无渗漏现象。
d) 消火栓压力:消火栓压力为10兆帕,正常范围内。
e) 消火栓操作:消火栓开启、关闭灵活可靠。
f) 消火栓周边环境:消火栓周围无杂物堆放、堵塞等情况。
检查结果:正常备注:无四、总结:消火栓检查记录卡是对消火栓检查过程和结果的详细记录,有助于及时发现和解决消火栓存在的问题,确保消防安全。
标准格式的文本包括检查日期、检查人员、检查地点、检查项目、检查结果和备注等内容。
年消火栓检查记录卡
编辑整理:
尊敬的读者朋友们:
这里是精品文档编辑中心,本文档内容是由我和我的同事精心编辑整理后发布的,发布之前我们对文中内容进行仔细校对,但是难免会有疏漏的地方,但是任然希望(年消火栓检查记录卡)的内容能够给您的工作和学习带来便利。
同时也真诚的希望收到您的建议和反馈,这将是我们进步的源泉,前进的动力。
本文可编辑可修改,如果觉得对您有帮助请收藏以便随时查阅,最后祝您生活愉快业绩进步,以下为年消火栓检查记录卡的全部内容。
年消火栓检查记录卡
年消火栓检查记录卡。
消火栓检查记录卡一、任务背景:消火栓是城市消防系统中的重要设备之一,用于灭火和应对突发火灾。
为了确保消火栓的正常运行和安全性能,需要定期进行检查和维护。
本文将详细介绍消火栓检查记录卡的标准格式。
二、消火栓检查记录卡的标准格式:1. 消火栓基本信息:- 消火栓编号:[填写消火栓的唯一编号,如FH001]- 所在位置:[填写消火栓的具体位置,如某街某号]- 经度:[填写消火栓所在位置的经度坐标]- 纬度:[填写消火栓所在位置的纬度坐标]- 检查日期:[填写消火栓检查的日期,格式如YYYY年MM月DD日]- 检查人员:[填写进行消火栓检查的人员姓名]2. 消火栓外观检查:- 消火栓表面是否有明显损坏或腐蚀现象?[是/否]- 消火栓周围是否有杂物或障碍物?[是/否]- 消火栓周围是否有明显沉积物或污垢?[是/否]- 消火栓标志牌是否完好并清晰可见?[是/否]3. 消火栓操作检查:- 消火栓操作杆是否完好并易于操作?[是/否]- 消火栓操作杆是否有明显松动或卡滞现象?[是/否]- 消火栓操作杆是否能够顺利打开并关闭?[是/否]- 消火栓操作杆是否能够顺利旋转?[是/否]4. 消火栓水源检查:- 消火栓水源是否畅通?[是/否]- 消火栓水源是否有明显异味或污染?[是/否]- 消火栓水源是否有明显泄漏?[是/否]- 消火栓水源水压是否正常?[是/否]5. 消火栓附件检查:- 消火栓喷头是否完好并无明显损坏?[是/否]- 消火栓喷头是否能够正常喷射水流?[是/否]- 消火栓附件是否完备并易于使用?[是/否]- 消火栓附件是否有明显缺失或损坏?[是/否]6. 检查结果和处理意见:- 检查结果:[填写消火栓检查的结果,如正常/异常]- 异常情况描述:[如有异常情况,请详细描述]- 处理意见:[填写对异常情况的处理意见,如修复/更换等] 7. 检查人员签名:- 检查人员签名:[填写进行消火栓检查的人员签名]- 日期:[填写签名日期,格式如YYYY年MM月DD日]三、注意事项:1. 检查记录卡应妥善保存,以备日后参考和查阅。
每月消防设施检查记录表以下是XXX2017年消防设施检修、维护记录台账。
在检查消防设施时,我们发现消火栓箱完好无损,F扳手也完好无损,水带、水枪和灭火器都处于完好状态。
消防设施的卫生情况也得到了检查,没有发现异常情况。
在每个月的消防栓检查中,我们检查了F扳手、开关手轮、消火栓、水带、水枪和消防箱等项目。
我们要求F扳手无腐蚀、无变形,能正常开启消火栓阀门。
开关手轮、丝杆、胶垫也要无腐蚀、保持灵活。
消火栓和水带接口应无腐蚀、无变形、保持紧固、胶圈完整。
水带、水枪、胶垫也要完好,接口紧固,无漏水现象,无腐蚀和无裂痕。
水带卡簧不应变形、脱落、严重腐蚀,卡槽也应能正常使用。
喉管与消火栓接头不应松动,也不应出现腐蚀漏水现象。
消防栓内的消防器材应该配备完整齐全(水带、“F”扳手、水枪),水带、水枪、消火栓型号应保持一致。
消防箱的安装应与消火栓匹配,不能影响接口和消防门的开启,也不应有腐蚀或损坏现象。
露天或半露天岗位中的消火栓应加装保温。
消火栓开启后应当有水流出。
消防箱上应有责任人标识。
周围环境应无障碍物,消火栓应干净整洁。
各消防箱应有拉手,开关保持灵活。
消防箱玻璃、门锁应完整无损,能正常开启消防箱。
水带接口里槽应加装铁丝固定水带,外槽应加装水带卡子固定水带(统一为16号铁丝固定两圈)。
在每个月的灭火器检查中,我们检查了灭火器铅封、压力表指针、防腐层、零件完整性、喷嘴通畅性和责任人标签等项目。
我们要求灭火器铅封必须完好,即使灭火器已经开启,也必须按规定要求在充装。
消防专业维修部门充装后应作密封试验并牢固铅封。
压力表指针应在绿色区域,如果指针在红色区域,应查明原因,送消防专业维修部门检修后重新灌装。
我们还要求检查可见部位防腐层的完好程度,轻度脱落的应及时补好,明显腐蚀的应送消防专业维修部门进行耐压试验,合格者再进行防腐处理。
同时,我们还要求检查灭火器可见零件是否完整,有无变形、松动、锈蚀(如压杆)和损坏,装配是否合理。