3.3kv变压器检修转运行操作票
- 格式:xlsx
- 大小:12.41 KB
- 文档页数:1
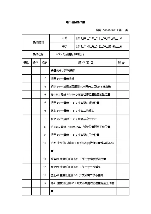
电气倒闸操作票编号2015010114第1 页开始2015_年_01月_01日_08_时_00__ 分操作时间终了2015_年01_月_01日_09__时30___分操作任务35kV母线由检修转运行模拟操作顺序操作项目时分1 接值长令,开始操作2 检查35kV母线检修3 拆除35kV站用变高压侧300开关上口处#5接地线4 将35kV母线PT319小车由检修位置推至试验位置5 检查35kV母线PT319小车确在试验位置6 装上35kV母线PT319小车二次插头7 合上35kV母线PT319所有二次小空开8 将35kV母线PT319小车由试验位置摇至工作位置9 检查35kV母线PT319小车确在工作位置10 将#1主变低压侧301开关小车由检修位置推至试验位置11 检查#1主变低压侧301开关小车确在试验位置12 装上#1主变低压侧301开关小车二次插头13 合上#1主变低压侧301开关所有二次小空开14 将#1主变低压侧301开关小车由试验位置摇至工作位置备注转至2015010114 号操作票第 2 页操作人:监护人: 值长:电气倒闸操作票编号2015010114第2 页开始2015_年_01月_01日_08_时_00__ 分操作时间终了2015_年01_月_01日_09__时30___分操作任务35kV母线由检修转热备模拟操作顺序操作项目时分15 检查#1主变低压侧301开关小车确在工作位置16 合上#1主变低压侧301开关17 检查#1主变低压侧301开关确在合位18 检查35kV母线运行正常19 回值长令,操作完毕备注转至号操作票第页操作人:监护人: 值长:编号2015010113第1 页开始2015_年_01月_01日_08_时_00__ 分操作时间终了2015_年01_月_01日_09__时30___分操作任务35kV母线由检修转热备模拟操作顺序操作项目时分1 接值长令,开始操作2 检查35kV母线检修3 拆除35kV站用变高压侧300开关上口处#5接地线4 将35kV母线PT319小车由检修位置推至试验位置5 检查35kV母线PT319小车确在试验位置6 装上35kV母线PT319小车二次插头7 合上35kV母线PT319所有二次小空开8 将35kV母线PT319小车由试验位置摇至工作位置9 检查35kV母线PT319小车确在工作位置将#1主变低压侧301开关小车由检修位置推至试验位10置11 检查#1主变低压侧301开关小车已推至试验位置12 装上#1主变低压侧301开关小车二次插头13 合上#1主变低压侧301开关所有二次小空开14 将#1主变低压侧301开关小车摇至工作位置15 检查#1主变低压侧301开关小车已摇至工作位置16 回值长令,操作完毕备注转至号操作票第页操作人:监护人: 值长:编号2015010113第1 页开始2015_年_01月_01日_08_时_00__ 分操作时间终了2015_年01_月_01日_09__时30___分操作任务35kV母线由检修转热备模拟操作顺序操作项目时分1 接值长令,开始操作2 检查35kV母线检修3 拆除35kV站用变高压侧300开关上口处#5接地线4 将35kV母线PT319小车由检修位置推至试验位置5 检查35kV母线PT319小车确在试验位置6 装上35kV母线PT319小车二次插头7 合上35kV母线PT319所有二次小空开8 将35kV母线PT319小车由试验位置摇至工作位置9 检查35kV母线PT319小车确在工作位置将#1主变低压侧301开关小车由检修位置推至试验位10置11 检查#1主变低压侧301开关小车已推至试验位置12 装上#1主变低压侧301开关小车二次插头13 合上#1主变低压侧301开关所有二次小空开14 将#1主变低压侧301开关小车摇至工作位置15 检查#1主变低压侧301开关小车已摇至工作位置16 回值长令,操作完毕备注转至号操作票第页操作人:监护人: 值长:。
35kVxx变电站典型操作票二零一四年五月目录号主变由运行转热备用 ....................................... 号主变由运行转冷备用 .......................................3. 1号主变由冷备用转检修................................... 4.1号主变由检修转冷备用. .................................. 5.1号主变由冷备用转运行. .................................. 6.1号主变501开关运行转冷备用............................. 7.1号主变501开关由冷备用转检修. .......................... 号主变501开关由检修转冷备用................................ 号主变501开关由冷备用转运行................................ 号站变由运行转冷备用 ....................................... 号站变由冷备用转检修 ....................................... 号站变由检修转冷备用 ....................................... 号主变由冷备用转运行 ....................................... 母线PT由运行转冷备用....................................... 母线PT由冷备用转检修.......................................16. 35kV母线PT由检修转冷备用.............................. 母线PT由冷备用转运行.......................................18. 35kV柏鹤线522开关由运行转冷备用 .......................19. 35kV柏鹤线522开关由冷备用转检修 ....................... 柏鹤线522开关由检修转冷备用................................21. 35kV柏鹤线522开关由冷备用转运行 .......................22. 35kV柏鹤线522线路由冷备用转检修 .......................23. 35kV柏鹤线522线路由检修转冷备用 .......................24 35kV剑柏线5111线路由运行转检修 .........................25. 35kV剑柏线5111线路由检修转运行 ........................26. 35kV母线由运行转冷备用.................................27. 35kV母线由冷备用转检修.................................28. 35kV母线由检修转冷备用.................................29. 35kV母线由冷备用转运行.................................30. 10kV母线由运行转冷备用.................................31. 10kV母线由冷备用转检修................................. 母线由检修转冷备用 ......................................... 母线由冷备用转运行 .........................................34. 10kV母线PT由运行转冷备用.............. 错误!未定义书签。
变压器运行转检修分列运行的操作票步骤
1. 变压器运行操作票步骤:
(1)检查变压器周围的环境是否符合运行要求,如有障碍物应及时清除。
(2)检查变压器的液位是否达到要求,如果不达标应及时加油或排油。
(3)检查变压器的温度、压力、通风情况是否正常。
(4)检查高压、低压侧的接线及绝缘状况是否正常。
(5)检查保护装置的动作是否正常。
(6)向主控室报告,准备投入运行。
2. 变压器转检修操作票步骤:
(1)向主控室汇报变压器停运情况。
(2)断开变压器高压、低压侧的电缆和接线。
(3)锁定开关、控制箱等设备。
(4)清理变压器周围的积尘和污物。
(5)为检修人员提供安全防护措施。
(6)开始检修,按照要求进行检修作业。
3. 变压器分列运行操作票步骤:
(1)确定变压器的配合运行方案。
(2)检查配合运行的设备是否符合要求。
(3)检查变压器的接线、保护、温度、液位、通风等情况,确保安全可靠。
(4)进行配合运行调试,检查运行状态。
(5)监控设备的运行数据,及时发现并解决问题。
(6)停止配合运行时,按照要求进行断电、锁定等操作。
变电站操作票范本一、操作票基本信息操作票编号: ________操作单位: ________操作日期: ________操作班组: ________操作人: ________监护人: ________操作任务: ________二、操作步骤1. 操作前准备- 检查工具和安全装备:确保所有操作工具和个人防护装备齐全且符合安全标准。
- 现场环境检查:确认操作区域无障碍物,环境安全,无其他人员干扰。
- 设备状态确认:检查设备状态是否符合操作要求,如设备是否在冷备用状态等。
2. 操作步骤2.1 断开电源- 断开主电源:按照操作规程,使用断路器断开主电源。
- 确认断开状态:通过指示灯或电压表确认电源已完全断开。
2.2 隔离设备- 隔离待操作设备:使用隔离开关将待操作设备与电网隔离。
- 设置安全警示:在隔离区域设置明显的安全警示标志。
2.3 接地操作- 选择接地点:根据设备位置和接地要求选择合适的接地点。
- 进行接地操作:使用接地棒或接地线进行接地操作,确保接地良好。
2.4 操作设备- 操作设备:按照操作规程对设备进行操作,如合闸、分闸等。
- 记录操作结果:记录操作过程中的设备状态变化和操作结果。
2.5 恢复设备- 检查设备状态:在操作完成后,检查设备状态是否符合恢复要求。
- 恢复设备:按照操作规程恢复设备至正常工作状态。
3. 操作后检查- 检查设备状态:确认设备已恢复至正常工作状态,无异常。
- 清理现场:清理操作现场,确保无遗留工具和杂物。
- 记录操作日志:记录操作过程和结果,填写操作日志。
三、安全措施- 个人防护:操作人员必须穿戴规定的个人防护装备,如安全帽、绝缘手套等。
- 现场监督:操作过程中必须有专人进行现场监督,确保操作安全。
- 紧急预案:制定并熟悉紧急情况下的应急处理预案。
四、操作票审核- 操作票审核:操作票必须经过班组长和安全负责人审核批准。
- 操作票存档:操作完成后,操作票应存档备查。
五、备注- 特殊情况说明:如有特殊情况或变更,应在备注栏详细说明。
目录井下生产049开关由运行转热备用 (2)井下生产049开关由热备转运行 (3)井下生产049开关由热备转冷备 (4)井下生产049开关由冷备转热备 (5)井下生产049开关由冷备转检修 (6)井下生产049开关由检修转冷备 (7)35KVⅠ段母线由运行转检修 (8)35KVⅠ段母线由运行转检修 (9)35KVⅠ段母线由检修转运行 (10)35KVⅠ段母线由检修转运行 (11)35KVⅠ段母线由检修转运行 (12)1#主变由运行转检修 (13)1#主变由运行转检修 (14)1#主变由检修转运行 (15)1#主变由检修转运行 (16)1#电容器047开关回路由运行转检修 (17)1#电容器047开关回路由检修转运行 (18)1#接地变由运行转检修................................................................................. 错误!未定义书签。
1#接地变由检修转运行................................................................................. 错误!未定义书签。
31PT由运行转检修.. (19)31PT由检修转运行 (20)01PT由运行转检修 (21)01PT由检修转运行 (22)1#接地变010开关回路由运行转检修 (23)1#接地变010开关回路由修检转运行........................................................... 错误!未定义书签。
井下生产049开关由运行转热备用倒闸操作票井下生产049开关由热备转运行倒闸操作票井下生产049开关由热备转冷备倒闸操作票井下生产049开关由冷备转热备倒闸操作票井下生产049开关由冷备转检修倒闸操作票井下生产049开关由检修转冷备倒闸操作票35KVⅠ段母线由运行转检修倒闸操作票35KVⅠ段母线由运行转检修倒闸操作票35KVⅠ段母线由检修转运行倒闸操作票35KVⅠ段母线由检修转运行倒闸操作票35KVⅠ段母线由检修转运行倒闸操作票1#主变由运行转检修倒闸操作票1#主变由运行转检修倒闸操作票1#主变由检修转运行倒闸操作票1#主变由检修转运行倒闸操作票1#电容器047开关回路由运行转检修倒闸操作票1#电容器047开关回路由检修转运行倒闸操作票31PT由运行转检修倒闸操作票31PT由检修转运行倒闸操作票01PT由运行转检修倒闸操作票01PT由检修转运行倒闸操作票400V 2#接地变主进412开关由备用转运行,1#接地变由运行转检修倒闸操作票400V 2#接地变主进412开关由运行转备用,1#接地变由检修转运行倒闸操作票。