电镀件检验规范(精品范文).doc
- 格式:doc
- 大小:176.00 KB
- 文档页数:15
电镀检验规范电镀检验规范第一节电镀层外观检验金属零件电镀层的外观检验是最基本﹐最常用的检验方。
外观不合格的镀件就无需进行其它项目的测试。
检验时用目力观察﹐按照外观可将镀件分为合格的﹑有缺陷的和废品三类。
外观不良包括有针孔﹐麻点﹐起瘤﹑起皮﹑起泡﹑脱落﹑阴阳面﹑斑点﹑烧焦﹑暗影﹑树枝状和海绵状江沉积层以及应当镀覆而没有镀覆的部位等缺陷。
第二节结合力试验镀层结合力是指镀层与基体金属的结合强度﹐即单位面积的镀层从基体金属上剥离所需要的力。
镀层结合力不好﹐多数原因是镀前外理不良所致。
另外﹐镀液成分与工艺规范不当或基体金属与镀层金属的热膨胀系数县殊﹐均对镀层结合力有明显影响。
评定镀层与基体金属结合力通常采用定性方法。
车间定性测量法﹐是以镀层金属和基体金属的物理-机械性能的不同为基础﹐即当试样经受不均匀变形﹐热应力和外力的直接作用后﹐检查镀层是否有结合不良现象。
具体方法可根据镀种和镀镀件选定﹕(一)弯曲试验﹔(二)锉刀试验﹔(三)划痕试验﹔(四)热震试验第三节电镀层厚度的测量电镀层厚度的测量方法有破坏检测法与非破坏检测法两大类。
其中破坏检测法有点滴法﹑液流法﹑溶解法﹑电量法和金相显微法等多种﹔非破坏检测法有磁性法﹑涡流法β射线反向散射法和光切显微镜法等等。
测量时除溶解法等是镀层的平均厚度外﹐其余多数是镀层的局部厚度。
因此﹐测量时至少应在有代表性部位测量三个以上厚度﹐计算其平均值作为测量厚度结果。
第四节孔隙率的测定镀层的孔隙是指镀层表面直至基体金属的细小孔道。
孔隙大小影响镀层的防护能力。
测定孔隙的方法有贴滤法﹑涂膏法﹑浸渍法等。
1.贴滤纸法﹕将浸有测试溶液的润湿纸贴于经预处理的被测试闰上﹐滤纸上的试液渗入孔隙中与中间镀层或基体金属作用﹐生成具有物征颜色的斑点在滤纸上显示。
然后以滤纸上有色斑色的多少来评定镀层孔隙率。
2.涂膏法﹕将含有相应试液的膏状物涂覆于被测试样上﹐通过泥膏中的试液渗入镀层孔隙与基体金属或中间镀层作用﹐生成具有特征颜色的斑点﹐要据此斑点来评定镀层的孔隙率。
电镀产品品质检验规范及方法在现代工业生产中,电镀产品广泛应用于各个领域,其表面的光亮和耐腐蚀性能起着至关重要的作用。
为了保证电镀产品的品质,我们需要建立一套科学合理的品质检验规范和方法。
本文将详细介绍电镀产品品质检验的规范化要求和常用的检验方法。
一、外观检验外观检验是电镀产品品质检验的重要内容之一,其主要目的是对电镀产品的表面进行细致观察和评估。
常用的外观检验方法有以下几种:1. 目视检查:通过肉眼观察电镀产品的表面,检查是否有明显的气泡、脱落、划痕、凹凸不平等问题。
2. 触摸检验:用手触摸电镀产品的表面,感受其光滑度和均匀性。
3. 显微镜检验:使用显微镜对电镀产品进行放大观察,以便更清晰地发现细微的缺陷。
4. X射线检验:通过对电镀产品进行X射线照射,观察其表面的边缘和交界处是否存在异常情况。
二、厚度检验电镀产品的厚度是其品质的重要指标之一。
过薄或过厚的镀层都会对产品的性能产生不良影响。
常用的厚度检验方法有以下几种:1. 金属膜厚度计:使用专门的金属膜厚度计对电镀产品的镀层厚度进行测量。
2. 电子显微衡器法:通过电镀产品在电子显微衡器中的重量变化来推算镀层的厚度。
3. 色差法:根据电镀产品表面的颜色变化来间接判断镀层的厚度。
三、附着力检验电镀产品表面的附着力是保证产品品质的重要指标之一。
如果镀层与基材附着力不牢固,容易出现脱落现象,影响产品的使用寿命。
常用的附着力检验方法有以下几种:1. 刮削法:使用特定刮削工具对电镀产品表面进行刮削,观察刮削后的镀层情况,判断附着力情况。
2. 弯曲试验:对电镀产品进行弯曲试验,观察镀层是否有明显的龟裂或脱落现象,以评估附着力。
3. 热剥离法:将电镀产品加热至一定温度,观察镀层是否发生剥离,以判断附着力情况。
四、耐腐蚀性检验电镀产品的耐腐蚀性能直接关系到其使用寿命和品质。
常用的耐腐蚀性检验方法有以下几种:1. 盐雾试验:将电镀产品置于盐雾试验箱中,模拟腐蚀环境,观察其表面是否发生腐蚀。
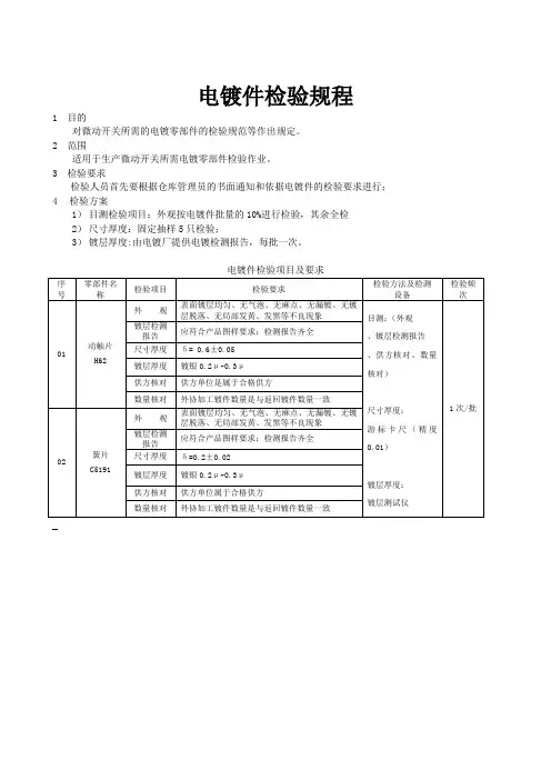
电镀件检验规范一、目的为确保供应商来料品质符合我司及客户要求,使产线顺利运转。
二、适用范围本检验规范适用于本公司所有手机外壳电镀装饰件的进料检验作业。
三、权责单位1.本检验规范由品保单位制定,品保单位经理核准后发行。
2.所制定之规格,如有修改时,须经原核准单位同意后修改之。
四、应用文件M IL-S T D-105E II 抽样计划表、产品承认书及工程样品、工程图纸五、检验工具卡尺、工具显微镜、投影仪、污点卡、小刀片、3M面性600胶纸等六、名词定义允收水准(AQ L):指抽样方可以接收的不良水准。
严重缺陷(C R I):产品功能完全失常或会导致使用者或操作者生命安全之缺陷。
主要缺陷(M AJ):产品部分功能、结构失常或严重的外观不良会导致客户拒收或抱怨的缺陷。
次要缺陷(M IN):产品明显的外观不良可能会导致客户抱怨或包装方面的缺陷。
七、检验标准1、外观检验按G B2828-87(M IL-S T D-105E)单次抽样II级,A Q L定为C R I=0、M AJ=0.4、M IN=1.0尺寸及其它特性检验抽样3~5套。
2、有关抽样标准或判定标准可视客户的要求做修订。
八、检验条件环境光源:标准光源灯光被检物表面与眼睛距离:30~40cm视线与被检物表面角度:45±15º检验时间:≤10S检验员视力:裸视或矫正视力在 1.0以上且无色盲九、检验内容1、外观检验:严格按照文控中心所发放的图纸,用卡尺、工具显微镜或投影仪测量产品的关键尺寸,并记录在检验报告中,当非关键尺寸有特殊要求时也要测量。
3 、镀层厚度测试:各镀层的厚度要符合图纸的要求(要求供应商提供测试报告).4 、附着力测试:用锋得刀片(刀锋角度为15º~30º)在测试样板表面划10X10个1m mX1m m或(5X5个2m mX2m m)小网格,每一条划线应深及镀层的底材;用毛刷将测试区域的碎片刷干净;用3M 600号胶纸牢牢粘住被测试小网格,并用橡皮擦拭胶带,以加大胶带与测试区域的接触面积及力度;用手抓住胶带的一端,将胶带呈45º角迅速扯下胶纸,粘揭3次,每次使用新的胶带.要求附着力达4B(或3B)为合格(要求供应商提供测试报告).5B-划线边缘光滑,在划线的边缘及交叉点处均无镀层脱落;4B-在划线的交叉点处有小片的镀层脱落,且脱落总面积小于5%;3B-在划线边缘及交叉点处有小片的镀层脱落,且脱落总面积在5%~15之间2B-在划线边缘及交叉点处有成片的镀层脱落,且脱落总面积在15%~35之间1B-在划线边缘及交叉点处有成片的镀层脱落,且脱落总面积在35%~65之间0B-在划线的边缘及交叉点处有成片的镀层脱落,且脱落总面积≥65% 注1:当测试面积较小时,不要求一定要划10X10个小方格,可以根据测试面积的大小确定划格的数目.注2:当镀层的厚度小于50µm时,划10X10个1m mX1m m的小方格;当镀层的厚度大于50µm时,划5X5个2m m X2m m的小方格.注3:对于表面光滑的电镀件,表面附着力达4B以上;对于表面有皮纹的电镀层,要求附着力达3B以上.5 、耐磨性测试:用专用的R C A耐磨测试仪及专用的纸带,施加175g的载荷,带动纸带在样本表面磨擦200个循环,镀层不露底材为合格.(供应商提供测试报告) 6 、耐醇测试:用纯棉布蘸满无水酒精(浓度≥99.5%),包在专用的500g砝码头上(包上棉布后测试头的面积为1平方厘米),以40次/分钟~60次/分钟的速度,20mm左右的行程,在样本表面来回擦拭200个循环,试验完成后以镀层不露底材为合格.(供应商提供测试报告)7 、硬度测试:用2H铅笔(三菱牌),将笔芯削成圆柱形并在400目砂纸上磨平后,装在专用的铅笔硬度测试仪上(施加在笔尖上的载荷为1k g,铅笔与水平面成45º角),推动铅笔向前滑动约5m m长,共划5条,再用橡皮擦将铅笔痕擦拭干净,检验产品表面有无划痕,当有1条以下有明显划痕或露底材时为合格,1条以上不合格.(供应商提供测试报告)8 、温度冲击测试:(供应商提供测试报告)按照G B/T 12610-90中第 5.2.3条进行测试. 温度循环次序如下:a)在温度为-40℃±2℃的低温箱内放置1h;b)在温度为20℃±5℃的高温箱内放置1h;c)在温度为75℃±2℃的高温箱内放置1h;d)在温度为20℃±5℃的高温箱内放置1h;要求:各温度间的切换时间小于1m i n, 共做12个循环(48H).试验完成后检查产品表面的电镀层起泡、起皮、镀层脱落等不良现象时为合格.9 、盐雾测试:在35±2℃的密闭环境中,湿度≥85%,PH值在 6.5-7.2范围内,用5%±1%的N ac l溶液中连续24H盐水喷雾后,产品表面应无锈蚀、变色及镀层脱落等不良.(供应商提供测试报告)10 、平整度测试:要求电镀后产品的表面平面度小于0.2m m(当客户有特殊要求时另定之)11 、试装配检验:与装配组合件的接口断差≤0.1m m,间隙≤0.15mm.(当客户有特殊要求时另定之)12 、包装检验:a)核实物料编码、物料名称、数量是否正确;b)外箱标签填写是否正确,标识是否清晰;c)有无混装现象、箱内物品是否摆放整齐;d)包装箱、吸塑等有无破损、受潮、脏污等.e)。
电镀检验规范
一、目的:
为确保每一制程质量稳定度及满足客户的需求,每一站均需严格制程检验,并将检验之记录值填写记录表中,使制程中每一动作均能符合标准作业程序。
二、范围:
适合对本公司电镀产品的制程检验。
三、检验环境:
光源800-1200Lux
四、检验内容:
五、流程说明:
1、电镀每一种产品,生产前操作员应填写好首件送检单交当班IPQC
确认首件;
2、首件OK,方可开机生产;首件NG,需重新调整机台参数后再重新送首件确认;
3、生产过程中IPQC要严格监督产线员工按工艺要求操作;
4、IPQC在巡检过程中,当发现问题应及时反馈生产责任人,单项不良超出5%,IPQC应及时开出品质异常联络单给责任分析改善,并追踪改善效果。
5、当生产出现重大异常时,如严重不良已导致报废不良比例在10%以上,应要求生产立即停线,并开出停线通知单。
6、IPQC要稽核现场的7S,并要求和监督现场操作人员对产品按要求作好防护措施。
六、相关文件
《不合格品控制程序》
七、相关表格
《内部品质异常联络单》
《IPQC检验报表》。
电镀件检验规范文件编号:制定/更改记录版本号制定/更改概述制定/更改会签(如有)审核批准实施日期……B A/1 A1.目的提供电镀件进料检验的质量控制方法,保证来料的品质符合我司产品质量的要求.2.范围所有来料、半成品、成品(整机)的电镀件产品皆适用。
3.作业前程序及内容3.1抽样方式:依据进料检验抽样计划MIL-STD-105E 单次抽样Level II(CR=o, Maj=1.0, Min=2.5)实施。
3.2检验前准备:3.2.1检验物料在以距物料1.5米高,2盏40W白炽灯光源垂直照射散光,或在自然散射光线充足条件下,人眼离检验物在30cm~50cm,垂直于物料±45度角进行检验。
3.2.2检验前需先确认所使用工作台有无杂物。
3.2.3检验时必须配戴手套,以免在物件表面留下指纹及汗渍。
3.3 检验区域划分:B面 B面B面B面A面物料C面A级面:物料装配到整机/部件使用后,使用者操作时视觉第一眼能直视的范围直接可见面,正面。
(要求严格)B级面::物料装配到整机/部件使用后,使用者操作时视觉不能直视角度的,范围面,侧面。
(要求一般)C级面:物料装配到整机/部件使用后,通常使用时,使用者看不到的视线范围,底面。
(要求低,无重大缺陷都可以使用)4.金属电镀件检验项目及标准4.1 外观检验1.所有的等级面应当电镀完好且满足颜色、光泽度、厚度、设计要求等方面的要求。
2.外观缺陷判定标准可根据物料实体大小可见面积做相应调整,但所有外观缺陷在离检测物料40cm,5秒以内不能发现的缺陷现像为允许标准。
3.每个面缺陷的总数不超过允许的界限,如下表所示:序号缺陷类型A级面B级面C级面1 划痕/刮痕/压痕无手感划痕:L≦10mm、W≦0.2mm;N≦2条。
有手感划痕:L≦5cm、W≦0.3mm,N≦1条,但不能见底材无手感划痕:L≦15mm、W≦0.2mm;N≦3条有手感划痕:L≦10mm、W≦0.3mm,N≦2条,但不能见底材不见底材的划痕(不考虑)允许划痕(见底材)L≦5mm、W≦0.3mm;N≦2条2 杂质/斑点/沙粒条状:L≦5mm, W≦0.3mm ,数量N≦2条块状:ø≦3mm数量≦2个条状:L≦10mm, W≦0.5mm ,数量N≦3条块状:ø≦5mm数量≦3个不考虑(不计)3 凹\凸痕条状:L≦10mm, W≦0.3mm ,数量N≦2条块状:ø≦2mm数量≦1个条状:L≦15mm, W≦0.5mm ,数量N≦3条块状:ø≦3mm数量≦2个条状:L≦20mm, W≦0.5mm ,数量N≦3条块状:ø≦5mm,数量≦3个4 色差不允许不允许不考虑(不计)5 镀痕/流痕不允许不允许不考虑(不计)6 裂痕不允收不允许不允许7 生锈/氧化不允收不允许不允许8 脏污不允许不允许不考虑(不计)9 变形不允许不允许不允许10 毛刺不允许不允许不允许注:1.原则上以上缺陷不允许存在,但针对不同的产品,具体的要求有不同的定义.2.接地孔部分做好保护,表面无镀层覆盖。
电镀件来料检验规范
SFC-QA-001-38
外协外购件进料检验规范
版本号:第二版修订人:
作业文件
电镀件检验规范
修订日期:
第1页共1页
批准审核制订日期
日期
日期
1.目的:规范本公司外购外协零部件的检验,使其满足要求。
2.范围:适用于本公司所有电镀件的检验。
3.检验依据:GB/T 2828.1-2003 GB4706.1-2005
4.职责:品保部检验和试验人员负责按标准执行检验和试验。
5.检验项目检验项目
缺陷类别
检验要求和方法
使用仪表
备注
外观 MI 无锈蚀、变形,电镀层色泽均匀、无脱落。
目视
尺寸 MA 按封样、图纸或实装进行检验。
游标卡尺实装
防锈测试
MA 用10%NaCl 盐水测试24h 不可以生锈。
10%NaCl
6.抽样检验标准------依据GB/T 2828.1-2003 一般Ⅱ级水平抽检
其AQL 值为 ------- 严重缺陷(CR ): 0/1
一般缺陷(MA ): 0.65 轻微缺陷 (MI): 2.5。
电镀件检验标准电镀件是一种常见的表面处理工艺,通过在金属表面电镀一层金属或非金属薄膜来改善其性能,增加其耐腐蚀性和装饰性。
在电镀件的生产过程中,检验是至关重要的环节,它能够确保产品质量,满足客户需求,保障生产安全。
因此,建立和执行科学合理的电镀件检验标准,对于提高产品质量,确保生产安全具有重要意义。
一、外观检验。
外观是产品质量的第一印象,也是用户接触产品时最先感知到的特性。
因此,外观检验是电镀件检验的重要环节之一。
在外观检验中,应该注意以下几个方面:1. 表面光洁度,产品表面应该光洁,无明显的气泡、杂质和划痕。
2. 镀层均匀性,镀层应该均匀,无明显的局部厚薄不均现象。
3. 色泽一致性,镀层的颜色应该一致,无色差和色斑。
4. 涂层附着力,应该对电镀件的涂层进行划格试验,确保其附着力符合标准要求。
二、尺寸检验。
尺寸是电镀件的重要特性之一,尺寸的精度和稳定性直接关系到产品的装配和使用性能。
在尺寸检验中,应该注意以下几个方面:1. 外径尺寸,对电镀件的外径进行精确测量,确保其符合设计要求。
2. 内径尺寸,对电镀件的内径进行精确测量,确保其符合设计要求。
3. 壁厚尺寸,对电镀件的壁厚进行精确测量,确保其符合设计要求。
4. 其他尺寸,根据产品特点和设计要求,对其他尺寸进行相应的检验和测量。
三、功能性能检验。
除了外观和尺寸,电镀件的功能性能也是需要进行检验的重要内容。
在功能性能检验中,应该注意以下几个方面:1. 耐腐蚀性能,通过盐雾测试等方法,对电镀件的耐腐蚀性能进行检验。
2. 导电性能,对电镀件的导电性能进行检验,确保其符合设计要求。
3. 导热性能,对电镀件的导热性能进行检验,确保其符合设计要求。
4. 其他功能性能,根据产品用途和设计要求,对其他功能性能进行相应的检验和测试。
四、包装检验。
最后,电镀件的包装也是需要进行检验的重要环节。
在包装检验中,应该注意以下几个方面:1. 包装完整性,检查包装是否完好,防止在运输过程中发生损坏。
电镀产品品质检验规范常驻的检验项目为:1.膜厚;2.装配检查3.镀层附着力;4.硬度测试;5.耐磨测试6.耐酒精测试;7.高温高湿测试8.冷热冲击测试;9.盐雾测试;10.排汗测试;11外观;12包装;一.膜厚:1.膜厚为电镀检测基本项目,使用基本工具为萤光膜厚仪X-RAY,其原理是使用X 射线照射镀层,收集镀层返回的能量光谱,膜厚一般为0.02mm,最大不超过0.03mm.2.检查周期:每批;3.测试数量:n>5pcs二.装配检查:1.确认是否符合图面标出的重要尺寸;装配後有否影响外观及功能,手感;2.检查周期:每批;3.测试数量:n>2pcs ;二.镀层附着力:1.将3M胶纸粘贴在刀切100格每小格为1MM1MM的电镀层表面,用橡皮擦在其上面来回磨擦,使其完全密贴後,以45度方向迅速撕开,镀层需无脱落现象;如目视无法观察清楚,可使用10倍显微镜观察;a不可有掉落金属粉末及补胶带粘起之现象;b不可有金属镀层剥落之现象;d不可有起泡之现象2.检查周期:每批;3.测试数量: n>2pcs ;1.用中华铅笔以45度角并且以1mm/s的速度向前推进,擦试後镀层不能有划痕;其中:UV镀测试:3H铅笔,500g力真空镀:2H铅笔,500g力水镀测试:1H铅笔,200g力2.检查周期:每批;3.测试数量:n>2pcs ;五.耐磨测试:1.头施500g力,用於被测产品来回试擦50次,往返为一次,不能变色,脱镀及露底材;2.检查周期:一次/3个月3.数量:n>2pcs ;六.耐酒精测试:1.用500g砝码外包8层棉布,再将白棉布沾湿浓度为95%的乙醇,以不下滴为宜,将砝码与镀层面垂直,在同一位置往退,移动距离1英寸为一次,共100次,镀层不能有反应;2.检查周期:一次/3个月;3.测试数量:n>5pcs ;七.高温高湿测试:1.ABS底材温度设定为60度,PC底材温度设定为90度,湿度90%-95%,测试时间6小时,看镀层有无拱起,起泡或脱落;2.检查周期:一次/3个月;3.测试数量:n>5pcs ;八.冷热冲击测试:1.零下1度30分钟,常温2分钟,70度30分钟为一个回合,看镀层有无拱起,起泡或脱落;2.检查周期:一次/3个月;3.测试数量:n>5pcs;其中:UV镀测试:5回合;真空镀:2回合;水镀测试:1回合;九.盐雾测试:1.温度35度,浓度5%的盐水,喷雾8小时,共3回;看镀层有无起反应;2.检查周期:一次/3个月;3.测试数量:n>5pcs;1.常温下5%Nacl,10%乳酸,85%蒸镏水,浸泡24小时,看镀层有无反应;2.检查周期:一次/3个月;3.测试数量:n>5pcs;4.排汗测试只限定人体与镀层经常接触之电镀零件适用;十一.外观检查:1.检验条件:在40W-60W日光灯相当照明度条件下,距离30-50cm:2.表面镀层符合规定要求,光滑、平整、均匀光亮,同批产品无色差注:色差包括颜色和光泽度;3..镀层表面不得有如下缺陷:1起泡:镀层与基体因局部剥离致表面呈气泡现象;2脱皮:镀层与基体有剥离现象;镀层成片状脱离基体材料的现象3烧焦:在过高电流下形成的颜色黑暗、粗糙、松散等质量不佳的沉积物,其中常含有氧化物或其他杂质;4麻点:在电镀或腐蚀中,与金属表面上形成的小坑或小孔5粗糙:在电镀过程中,由于种种原因造成的镀层粗糙不光滑的现象;6水印、色斑:通常用于表面被污染所引起的不均匀润湿性,使表面上的水膜变的不连续;7颜色暗淡:由于腐蚀而引起的金属或镀层表面色泽的变化如发暗、失色等;8不可粘有任何异物毛屑,灰尘,油污,结晶物9必须干燥,不可沾有水分10不可有压伤,刮伤,刮歪等各种变形现象及镀件受损之现象11不可有裸露出下层之现象,12电镀位置依照图纸规定执行,在不影响使用功能的前提下,可由QE 工程师决定适当放宽标准13对于有疑异的外观不良现象,应由QE工程师定极限样版和外观辅助标准2.检查周期:每批;3.数量:依MIL-STD-105E抽样计划水准十二.包装:1.包装要求包装方向正确,包装盘,箱干净整齐,无破损:标签填写完整,正确,内外标签数量一致;附录:1.参考标准:2.参考文件:1深圳济达实业有限公司,其专业电镀检查规格,附件如下:2工业塑胶表面处理表:见附件。
电镀件外观及性能进货检验规范1目的对电镀外观及性能标准进行量化以指导供应商和本公司生产,确保供需双方受益及生产的正常进行。
2适用范围适用于在外协厂加工检验和本公司外检组对来货的检验以及总装车间自检,其他文件与本标准相矛盾时以本标准为准。
3职责3.1质管部负责管理对电镀件外观及性能展开分类,并对电镀件外观及性能质量标准的创建与健全负责管理。
3.2外协组、实验室负责按此标准进行进货检验,外协厂、生产部负责按此标准进行生产自检和产品外协验收。
4检验规范4.1电镀件产品的分类4.1.1电镀镜壳的分类适用于车型庆铃、江铃、长丰猎豹华北长城、中兴田野、金徽霸道浙江万丰、北汽福田、河北华鑫、华兴等、140uc镀铬镜壳ii 类修理市场iii4.2主要外观瑕疵、定义及程度分割4.2.1腹满:镀层表面镀层扬起称作腹满。
4.2.2缺镀:工件表面存有部分边线未电镀。
4.2.3粒点:在镀层表面上的颗粒点。
4.2.4划伤:镀层表面存有割伤.外伤、碰痕(凹痕)等伤痕。
4.2.5缺陷程度由轻至重依次为无缺陷、不明显、轻微、严重,如下表:1234无缺陷不明显轻微严重观察识别不到缺陷可观察到,但不引起注意力集中能轻易观察到,引起注意力集中迅速引起注意力高度集中,使观察者产生不适的感觉分类等级iii备注1维修市场按质量等级下调一级:2镜壳内有烧脚的定为维修市场;3、镜壳合模缝臂锋棘手件其质量接收等级下调一级。
4.3电镀表面区域划分4.3.1电镀镜壳表面区域的分割(例如图1)4.3.1.1a区:在装车状态下观察者水平检查可直接观察到的镜壳的正面(电动外镜在镜片调节范围内可以视镜壳内区域亦为a区)。
4.3.1.2b区:在装车状态下观察者水平检查不易观察到的镜壳的两个侧面。
4.3.1.34.3.24.3.2.14.3.2.2c区:在装车状态下观察者水平检查难以观察到的镜壳的另两个侧面。
三角窗电镀件表面区域划分a区:在装车状态下观察者水平检查可以轻易观测至的电镀件的翘起负面。
1 目的明确产品的检验要求,保证满足客户产品质量要求。
2 适用范围适用于本公司加工的所有产品的检验。
3 定义内控标准:当客户的检验要求不明确或低于我司检验标准时,使用我司的内控标准。
入库检验:由入库检对生产班组已全检的产品进行抽检,合格后方可入库。
出货检验:由出货检验员负责对所有客户入库后的产品进行出货前抽检。
4 管理与控制要求4.1外观抽样方案及检查水平:抽样方案采用GB2828-2003正常检查一次抽样方案,一般检查水平Ⅱ。
严重不合格/AQL=0.65:造成产品后续无法使用、产品内有异物混入等情况。
如:色水不符、褪色、功能性缺陷、产品内有昆虫、毛发等。
一般不合格/AQL=1.5:严重影响视觉感受,但不感影响产品功能的。
如:色差、阴阳面、产品表面有粘附性污染、涂装效果严重桔皮、发黑、划伤露底等。
轻微不合格/AQL=4.0:4.2尺寸和功能抽样方案及检查水平:采用GB2828正常检查一次抽样方案特殊检查水平S-2,AQL=0.65。
4.3规则转移4.3.1从正常检查到加严检查:当进行正常检查时,若同一产品在连续不超过五批中有两批经初次检查(不包括再次提交检查批)不合格,则从下一批检查转到加严检查。
4.3.2从加严检查到正常检查:当进行加严检查时,若同一产品连续五批经初次检查(不包括再次提交检查批)合格,则从下一批检查转到正常检查。
4.3.3若客户有特殊的质量要求,参照客户的特殊要求。
若客户标准高于公司标准,其产品要求则须达到客户标准;若客户标准低于公司标准,其产品要求则按公司标准,此时客户标准只作为让步放行的依据。
4.3通用标准检测方法及标准:精选范本4.4 主要工艺类型产品控制重点4.4.1塑材底色对工艺有影响:(UV上光、UV珠光等工艺)。
工艺不能遮盖或不能完全遮盖白坯底色,加工后产品颜色与底色相关,进检时,需要对比白坯底色与色水板上的底色核对。
若有标准,按标准判定,若没有标准按《白坯检验程序》执行。
电镀件外观检验指导书--范文
1.检验條件:
在40W -60W 日光灯相当照明度条件下,距离30-50cm :
2.表面镀层符合规定要求,光滑、平整、均匀光亮,同批产品无色差(注:色差包括颜色和光泽度);
3. .镀层表面不得有如下缺陷:
(1)起泡:镀层与基体因局部剥离致表面呈气泡现象;
(2)脱皮:镀层与基体有剥离现象;镀层成片状脱离基体材料的现象
(3)烧焦:在过高电流下形成的颜色黑暗、粗糙、松散等质量不佳的沉积物,其中常含有氧化物或其他杂质。
(4)麻点:在电镀或腐蚀中,与金属表面上形成的小坑或小孔(5)粗糙:在电镀过程中,由于种种原因造成的镀层粗糙不光滑的现象。
(6)水印、色斑:通常用于表面被污染所引起的不均匀润湿性,使表面上的水膜变的不连续。
(7)颜色暗淡:由于腐蚀而引起的金属或镀层表面色泽的变化(如发暗、失色等) 。
(8)不可粘有任何异物(毛屑,灰尘,油污,结晶物)
(9)必须干燥,不可沾有水分
(10)不可有压伤,刮伤,刮歪等各种变形现象及镀件受损之现象(11)不可有裸露出下层之现象,
(12)电镀位置依照图纸规定执行,在不影响使用功能的前提下,可由qc 主管决定适当放宽标准
(13)对于有疑异的外观不良现象,应由qc 主管定极限样版和外观辅助标准
4. 检查周期:每批;
5. 数量:依MIL-STD-105E 抽样计划水准。
【最新整理,下载后即可编辑】电镀检验标准1 范围本规范适用于冲压件加工之电镀品和电镀-封漆品的最终检验和出货检验。
2 引用标准GB/T 2828.1-2003 按接收质量限(AQL)检索的逐批检验抽样计划GB6461-2002 金属基体上金属和其他无机覆盖层经腐蚀试验后的试样和试件的评级GB/T 6739-2006 色漆和清漆铅笔法测定漆膜硬度GB/T 1733-93 漆膜耐水性测定法3 定义3.1 致命缺陷(critical defect)可能导致危及生命或造成非安全状态的缺陷,或可能损坏重要的最终产品的基本功能的缺陷(产品的极重要质量特性不符合规定,或质量特性极严重不符合规定)。
3.2 严重缺陷(majoy defect)不构成致命缺陷,但可能导致功能失误或降低原有使用功能的缺陷(产品的重要质量特性不符合规定,或质量特性严重不符合规定)。
3.3 轻微缺陷(minor defect)对产品的使用性能没有影响或只有轻微影响的缺陷(产品的一般质量特性不符合规定,或质量特性轻微不符合规定)。
3.4 致命不合格品(critical defective)包含一个或多个致命缺陷,可能包含严重缺陷和(或)轻微缺陷的一种不合格品。
3.5 严重不合格品(major defective)包含一个或多个严重缺陷,可能包含轻微缺陷但不包含致命缺陷的一种不合格品。
3.6 轻微不合格品(minor defective)包含一个或多个轻微缺陷,但不包含致命缺陷和严重缺陷的一种不合格品。
注:本规范将不符合有电沉积覆盖层和相关精饰单位产品规定要求的所有缺陷视为严重缺陷。
3.7 检验批(inspection lot)由同一生产单位在同一时间或大约同一时间内,按同一规范在基本一致的条件下生产的,并按同一质量要求提交作接收或拒收检验的同一类型的一组镀覆产品。
3.8 样本量(sample size)取自一个批并且提供有关该批的信息的一个或一组产品称为样本。
样本量即样本中产品的数量。
4 表面分区5 缺陷分类表6 抽样方案6.1 外观检验的抽样除非客户另有规定,否则a) 汽配件外观检验按C=0 抽样计划表、AQL=0.40执行;b) 非汽配件外观检验:正常检验按表1执行,连续批的加严检验按表4执行。
6.2 尺寸与配合检验的抽样客户有配合要求(如螺栓、螺母)的产品,应对其配合尺寸进行检测,抽样方案按表2执行。
注:可能时,尺寸与配合检验的样本应从上、中、下挂位等量抽取。
6.3 可靠性试验的抽样除非客户另有规定,否则,所有可靠性试验(如膜厚、附着力、耐蚀性等)的抽样按表3执行。
注:可能时,可靠性试验的样本应从上、中、下挂位等量抽取。
6.4 替代的抽样方案如果合同或订单或产品标准中规定了替代的抽样方案,可用其替代表1、表2和表3中的方案。
6.5 转移规则6.5.1所有产品的检验由正常检验开始,批的接收或拒收应符合表1、表2和表3相应的抽样方案。
发现某些批不符合接收准则而拒收时,应在剔除所有不合格品或修正缺陷后,作为连续批再取样和检验。
6.5.2转移规则:a)在连续系列批中,如果连续5批中有2批被拒收,则抽样方案由正常检验转入加严检验(原用表1的需转到表4)。
b)若在加严检验中,连续5批被接收,则可以重新恢复正常检验程序。
c)若连续10批停留在加严检验,未能达到符合恢复正常检验要求,则在改进产品质量以前,应停止本规范所规定的抽样检验。
7判定法则7.1 单件判定a)单件产品合格与否的判定参照色卡/色板、极限样品、产品检验指导书及其他相关标准进行,未满足要求即判为不合格;b)不合格严重程度的确定参照“缺陷分类表”。
7.2 单项判定样本中不存在致命缺陷,且严重不合格品和轻微不合格品之和(见3.6注)不大于接收数,则判该项合格;否则,判该项不合格。
7.3 批的判定单项判定中有一项不合格,即判该批产品不合格。
注:合格批应包括包装不得有严重及以上的缺陷存在,如有则判为不合格。
表1 外观正常检验的抽样表2 尺寸与配合检验的抽样表3 可靠性试验(膜厚、结合力、耐蚀性等)的抽样表4 连续批的外观加严检验的抽样8 检验方法及要求8.1 检验器具标准菲林、3M胶纸、百格刀片、铅笔、卡尺、测厚仪、盐雾试验机、恒温恒湿试验机、HACH比色管、显微镜、实配检具等。
8.2 外观检验8.2.1检验条件a) 灯光强度:2支40W日光灯管约1米距离直射制品表面。
b) 目视角度:目视角度45~90°。
c) 目视距离:目视距离一般30~40cm左右。
d) 视力要求:视力1.0以上,弱视和色肓者不宜进行外观检验。
8.2.2判定依据色卡/色板、标准菲林、标准样品/极限样品、产品检验指导书/客户标准、缺陷分类表等。
8.2.3检验方法双手戴作业手套或手指套握持产品,以A面→B面→C面的顺序逐一检查产品的每一面。
在每个面的检查中,应在45~90°角度内倾斜产品目视,以便找到最佳的发现缺陷的目视角度。
注:有色泽要求时,应首先确认产品色泽是否符合客户所签色板或色卡。
8.3 百格/TAPE测试8.3.1测试方法a) 百格测试:用百格刀在测试样品表面划10×10个(100个)1mm×1mm小网格,每一条划线应深及油漆或镀层的底层;用毛刷将测试区域的碎片刷干净;用3M 600号胶纸或等同效力的胶纸牢牢粘住被测试小网格,并用橡皮擦用力擦拭胶带,以加大胶带与被测区域的接触面积及力度;用手抓住胶带一端,在垂直方向(90°)迅速扯下胶纸,同一位置进行3次相同试验。
b) TAPE测试:操作方法同百格测试,区别在于无需划百格,而直接用胶带测试。
8.3.2判定标准a) TAPE测试:镀层或漆膜无剥落现象为合格。
b) 百格测试:4B(在切口的相交处有小片剥落,面积≤5%)及以上为合格。
8.3.3注意事项批量不小于100件的外装饰件产品均应做百格或TAPE测试,客户无百格测试要求的封漆件及面积太小、难于划百格的电镀件可做TAPE测试。
8.4 漆膜硬度测试8.4.1测试步骤:a) 按客户指定的铅笔硬度选择铅笔,用削笔刀削去大约5~6mm 的木头。
小心操作,以留下原样的、未划伤的、光滑的圆柱形铅笔笔芯。
b) 将400#砂纸放在坚硬的台面上,手握铅笔与砂纸保持90°角画圆圈,把铅笔芯尖端磨平,直到获得一个平整光滑的圆形横截面,且边缘没有碎屑和缺口。
每次使用铅笔前都要重复这个步骤。
c) 将试样放在水平的台面上,手持铅笔与测试面约成45°角,以铅笔芯不折断为度和约1cm/s的速度在漆膜面上向试验者前方推压约1cm。
平行测试两次。
8.4.2评定方法用橡皮擦净漆膜面上的铅笔芯碎屑后,以裸眼或放大镜检查漆膜表面是否有擦伤或刮破或永久性的压痕。
如果有长度超过3mm 的划痕,则认为漆膜铅笔硬度未满足要求;如果两次测试均无长度超过3mm的划痕,则认为漆膜铅笔硬度满足要求。
8.5 漆膜耐水性测试8.5.1甲法:浸水试验法a) 试样的浸泡:在玻璃容器中加入纯水或自来水(客户规定时),将3件样品放入其中,并使每件样品长度的2/3浸泡于水中,在室温下静置,直到产品标准规定的浸泡时间结束。
b) 试样的检查:将试样从水中取出,用滤纸吸干,立即或按产品标准规定的时间调节后进行目视检查,并记录是否有失光、变色、起泡、起趋、脱落、生锈等现象和恢复时间。
c) 试样的评定:3件试样中,至少有2件符合产品标准规定方为合格。
8.5.2乙法:浸沸水试验法在玻璃容器中加入纯水或自来水(客户规定时),将3件样品放入其中,并使每件样品长度的2/3浸泡于水中,保持水处于沸腾状态直到试验结束。
试样的检查和评定按甲法执行。
8.6 镀层厚度测试产品有镀层厚度要求时,由电镀线或OQC送样,技术组按XH-WI-PR-853《镀层厚度检测规范》和客户指定的测试位置进行镀层厚度的测试,测试结果应满足产品标准要求。
8.7 盐雾试验客户要求时,由电镀线或OQC送样,技术组按XH-WI-PR-018《盐雾实验及判定标准》和产品标准规定的时间和方法进行盐雾试验。
中性测试(NSS)是用5%的氯化钠中性(PH=6~7)水溶液,酸性测试(ASS)是将5%的氯化钠中性试液以冰醋酸调PH值到3.2,铜加速测试(CASS)是在氯化钠酸性试液(见酸性测试)中加入氯化铜(0.26g/L),在盐雾试验机里于恒定温度(中性与酸性35±2°,铜加速50±2°)下,对试样进行连续喷雾至规定的时间。
试验结束后取出试样,以自来水冲去试样表面多余的盐迹,然后用滤纸吸干或用电吹风吹干后进行目视检查,外观等级和保护等级均达到或超过产品标准规定时为合格。
注:表面封漆的锁类产品,一般均应做中性盐雾测试(不低于72小时),每月至少一次,并出具测试报告给客户。
质量不稳定时,应适当增加测试的频率。
8.8 冷热循环/恒温恒湿客户要求时,由电镀线或OQC送样,技术组按XH-WI-PR-021《恒温恒湿试验机操作规程》和产品标准规定的温度、湿度、周期、步骤和方法进行试验。
经冷热循环或恒温恒湿试验,试样表面不得有脱皮、起泡、破损、脱色、氧化、腐蚀等现象。
8.9 镍封微孔数客户有微孔数要求的高耐蚀性电镀件,由电镀线或OQC送样,技术组按XH-WI-PR-858《铬镀层上裂纹及孔隙数的测试规范和标准》对镍封微孔数进行测定。
除非客户另有规定,一般镍封微孔数大于8000孔/cm2即判为合格。
8.10六价铬含量客户有RoHS要求时,由电镀线或OQC送样,技术组按WL-PR-J126《美国哈希HACH六价铬检测方法》对产品是否含六价铬进行定性测定。
当试验液的颜色不深于0.2(mg/L)刻度线下的比色管颜色时,则认为不含六价铬;如试验液的颜色深于0.2(mg/L)刻度线下的比色管颜色,则判定为试样含六价铬。
8.11其他测试客户有其他测试要求时,由OQC或相关人员按照客户指定的条件和方法,以及本公司有关测试规程或参照有关国际、国家、行业测试标准进行相关测试,测试结果应满足产品标准要求。