基础垫层混凝土验收
- 格式:doc
- 大小:31.00 KB
- 文档页数:3
混凝土地面验收标准混凝土地面验收是指在混凝土施工完成后,对地面进行质量检查和评定,以确保地面质量符合设计要求和使用要求的一项工作。
混凝土地面验收标准是指对混凝土地面进行验收时所需遵循的标准和规范,其目的是保证混凝土地面质量,确保其安全、耐久、美观和经济。
一、混凝土地面验收标准的基本原则。
1.合格验收,混凝土地面验收应当按照相关国家标准和规范进行,确保混凝土地面的质量符合设计要求和使用要求。
2.公正公平,混凝土地面验收应当公正公平,不得有任何形式的舞弊和弄虚作假行为。
3.科学合理,混凝土地面验收应当科学合理,采用合理的验收方法和工具,确保验收结果准确可靠。
4.依法依规,混凝土地面验收应当依法依规进行,遵守国家相关法律法规和标准规范,不得违反法律法规进行验收。
二、混凝土地面验收标准的内容。
1.地面平整度,混凝土地面应当符合设计要求的平整度标准,不得存在凹凸不平、起伏过大的情况。
2.地面强度,混凝土地面应当符合设计要求的强度标准,不得存在裂缝、破损等影响使用和安全的情况。
3.地面平整度,混凝土地面应当符合设计要求的平整度标准,不得存在凹凸不平、起伏过大的情况。
4.地面抗渗性,混凝土地面应当具有一定的抗渗性能,不得存在渗水、渗油等现象。
5.地面外观,混凝土地面应当符合设计要求的外观标准,不得存在色差、疵点、污渍等影响美观的情况。
6.地面标志,混凝土地面应当设置符合要求的标志和标线,确保使用安全和便利。
三、混凝土地面验收标准的验收方法。
1.目测验收,通过目测方法对混凝土地面进行验收,检查地面平整度、强度、外观等情况。
2.检测验收,通过专业的检测设备对混凝土地面进行验收,如平整度仪、强度计、渗透仪等。
3.取样验收,对混凝土地面进行取样检测,送至实验室进行验收,确保验收结果准确可靠。
四、混凝土地面验收标准的验收结果处理。
1.合格验收,当混凝土地面符合验收标准时,应当及时进行验收合格处理,确保地面质量。
2.不合格验收,当混凝土地面不符合验收标准时,应当及时进行整改处理,直至符合标准为止。
建筑地面工程质量混凝土验收标准是什么?1、水泥混凝土垫层铺设在基土上,当气温长期处于0℃以下,设计无要求时,垫层应设置伸缩缝。
2、水泥混凝土垫层的厚度不应小于60mm。
3、垫层铺设前,其下一层表面应湿润。
4、室内地面的水泥混凝土垫层,应设置纵向缩缝和横向缩缝;纵向缩缝间距不得大于6m,横向缩缝不得大于12m。
建筑工程质量验收规范的制定目的是为了使工程质量验收程序的正常进行,从而保证整个建筑工程的使用质量。
建筑工程任何一个步骤、部分的质量不合格都会影响日常的使用,还会导致事故。
特别是水泥混凝土,它是大部分建筑工程都需要使用的材料。
建筑地面工程质量混凝土验收标准是什么?以下是水泥混凝土部分验收标准:一、总则1、为了加强建筑工程质量管理,统一建筑地面工程施工质量的验收,保证工程质量,制定本规范。
2、本规范适用于建筑工程中建筑地面工程(含室外散水、明沟、踏步、台阶和坡道等附属工程)施工质量的验收。
不适用于保温、隔热、超净、屏蔽、绝缘、防止放射线以及防腐蚀等特殊要求的建筑地面工程施工质量验收。
3、建筑地面工程施工中采用的承包合同文件、设计文件及其他工程技术文件对施工质量验收的要求不得低于本规范的规定。
4、本规范应与现行国家标准《建筑工程施工质量验收统一标准》GB50300配套使用。
5、建筑地面工程施工质量验收除应执行本规范外,尚应符合国家现行有关标准规范的规定。
二、水泥混凝土垫层1、水泥混凝土垫层铺设在基土上,当气温长期处于0℃以下,设计无要求时,垫层应设置伸缩缝。
2、水泥混凝土垫层的厚度不应小于60mm。
3、垫层铺设前,其下一层表面应湿润。
4、室内地面的水泥混凝土垫层,应设置纵向缩缝和横向缩缝;纵向缩缝间距不得大于6m,横向缩缝不得大于12m。
5、垫层的纵向缩缝应做平头缝或加肋板平头缝。
当垫层厚度大于150mm时,可做企口缝。
横各缩缝应做假缝。
平头缝和企口缝的缝间不得放置隔离材料,浇筑时应互相紧贴。
企口缝的尺寸应符合设计要求,假缝宽度为5~20mm,深度为垫层厚度的1/3,缝内填水泥砂浆。
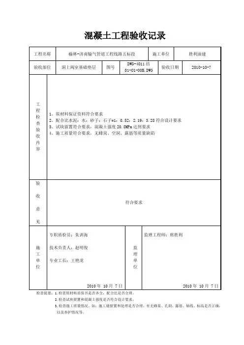
工程名称榆林-济南输气管道工程线路五标段施工单位胜利油建验收部位洞上阀室基础垫层图号DWG-4011结01-01-00B.DWG验收日期2010-10-7工程检查验收内容1、原材料保证资料符合要求2、配合比水泥:水:砂子:石子=1:0.52:2.19:3.28符合设计要求3、试块留置符合要求,混凝土强度20.8MPa达到要求4、施工质量符合要求,无蜂窝、空洞、露筋等质量缺陷验收意见符合要求施工单位专职质检员:朱训海技术负责人:赵明俊专业工长:王艳龙2010年 10月 7日监理单位监理工程师:席胜利2010年 10月 7日检查提要:1.检查原材料质保书是否齐全,配合比是否合理。
2.检查试块留置和混凝土强度是否符合设计要求。
3.检查施工质量情况。
如:施工缝留置和处理是否合理,有无蜂窝、孔洞、露筋、轴线、标高是否正确,工程名称榆林-济南输气管道工程线路五标段施工单位胜利油建验收部位洞上阀室放空立管基础垫层图号DWG-4011结01-01-00B.DWG验收日期2010-10-9工程检查验收内容1、原材料保证资料符合要求2、配合比水泥:水:砂子:石子=1:0.52:2.19:3.28符合设计要求3、试块留置符合要求,混凝土强度22.0MPa达到要求4、施工质量符合要求,无蜂窝、空洞、露筋等质量缺陷验收意见符合要求施工单位专职质检员:朱训海技术负责人:赵明俊专业工长:王艳龙2010年 10月 9日监理单位监理工程师:席胜利2010年 10月 9日检查提要:1.检查原材料质保书是否齐全,配合比是否合理。
2.检查试块留置和混凝土强度是否符合设计要求。
3.检查施工质量情况。
如:施工缝留置和处理是否合理,有无蜂窝、孔洞、露筋、轴线、标高是否正确,工程名称榆林-济南输气管道工程线路五标段施工单位胜利油建验收部位洞上阀室柱基础图号DWG-4011结01-01-00B.DWG验收日期2010-10-9工程检查验收内容1、原材料保证资料符合要求理论2、配合比水泥:水:砂子:石子=1:0.46:1.92:2.88符合设计要求3、试块留置符合要求,混凝土强度35.2MPa达到要求4、施工质量符合要求,无蜂窝、空洞、露筋等质量缺陷验收意见符合要求施工单位专职质检员:朱训海技术负责人:赵明俊专业工长:王艳龙2010年 10月 9日监理单位监理工程师:席胜利2010年 10月 9日检查提要:1.检查原材料质保书是否齐全,配合比是否合理。
混凝土工程验收规范及要求一、主控项目:1、混凝土开盘前,对使用的水泥、砂、石料等原材料必须首先进行试验,试配.原材料合格后方可使用.开盘后原材料必须要求现场抽取混凝土试样<甲方在场>.2、混凝土施工有条件情况下尽量整体浇灌,特殊情况时施工缝的位置必须按设计要求留置,继续施工时施工缝必须采用澎胀剂等有关规范做法进行处理.浇灌后的混凝土在12小时内必须设专人覆盖并养护.3、砂、石含泥量要严格控制:砂子含泥量:当混凝土强度等级≥C30时含泥量≤3%当混凝土强度等级<C30时含泥量≤5%石子含泥量:当混凝土强度等级≥C30时含泥量≤1%当混凝土强度等级C25—C15时含泥量≤2%4、严格混凝土加水量:保证混凝土和易性、坍落度,现场抽测混凝土坍落度不合格,严禁使用.使用的磅称应随时检查.5、严格避免现浇混凝土质量通病的发生:露筋、蜂窝、孔洞、夹碴、疏松、裂缝、缺棱掉角、棱角不顺直、翘曲不平、飞边凸肋、掉皮起砂、胀模变形、跑模位移.接槎不实等.二、现场验收实测项目规范:1、轴线位置:基础,基座允许偏差15mm独立基础允许偏差10mm柱梁允许偏差8mm剪力墙允许偏差5mm表面平整度允许偏差8mm2、垂直度:层高≤5米允许偏差8mm层高>5米允许偏差10mm3、标高:层高允许偏差±10mm全高允许偏差±30mm4、裁面尺寸:允许偏差+8mm;-5mm5、柱层间错位:允许偏差8mm以上施工队首先预检,合格后请建设单位组织有关部门进行抽测.土方工程及回填土质量要求1、基底不得超挖,超过基底标高,出现超挖地方,必须取得设计单位同意,施工队不得私自处理.<坟、坑、井等软土层>2、雨季施工时,基槽、坑底要预留30cm土层,在打混凝土垫层前再挖至设计标高,以防清槽时,超过标高.3、钎探完成后,应作好标记,保护好钎孔,经设计、勘测验收后,钎孔进行灌砂.灌砂时每填入30cm左右,用木棍或钢筋棍捣实一次,钎孔灌砂必须密实.4、回填土优先利用挖出的原土. 雨季施工,挖出的土最好堆集覆盖,防止下雨含水率太高.不得含有有机杂质<草根、树根等>使用前应过筛,其粒径不大于5厘米,含水要符合规定.5、回填土应分层铺摊,用蛙式打夯机夯实时,每层铺土厚度不大于25厘米<人工打夯不大于20厘米>.严禁铺填超厚或车辆直接倒土入槽.严禁采用"水夯".局部采用人工夯时,也要保证质量.6、回填土每层至少夯打三遍,打夯应一夯压半夯,夯夯相接,行行相连.7、每层填土夯实后,按规范进行环刀取样,测出干土质量密度达到要求后,再进行上一层的铺土.干密度合格率不低于90%.8、回填土太湿,出现"橡皮土"现象,必须将"橡皮土"挖出.重新换好土再夯实,回填土太干时要适当洒水润湿.9、回填夯实中,要注意保护管道,防止位移或损坏.10、回填土工程允许偏差:顶面标高:+0,-50mm,表面平整度20mm.11、灰土工程,严格控制配合比,拌合时必须均匀一致,至少翻拌两次,拌合的灰土颜色要一致.12、灰土施工时要控制好含水量<手紧握成团,两指轻捏即碎>,铺土厚度及夯实要求同上.基本要求:配料正确,拌合均匀,分层虚铺厚度合格,夯压密实,表面无松散,表面无起皮.夯实中,分层留接槎的位置,方法正确,接槎密实平整,甩槎时,层次之间不少于50厘米.室内直埋的上、下排水管安装前应除锈、涂二遍石油、沥青漆,给水钢管按规范要求进行防腐处理.<请建设单位现场复验后再埋>,排水管道要做灌水试验.<隐检项目,由甲方验收>现场混凝土模板工程质量通病一、模板工程容易出现的质量道病:1、截面尺寸不准确,混凝土保护层偏大或偏小,柱身扭曲.2、梁身不平直,梁底不平,梁侧面鼓出,梁上口尺寸偏大,板中部下挠,板底模板变形、下沉,出现板底不平.3、由于模板拼缝不严,缝子过大又未采取封缝措施至使混凝土跑浆,构件出现蜂窝,麻面.<这方面尤其注意>4、拆模时硬砸,硬撬,混凝土表面、棱角遭破坏.5、模板内杂物清理不净,混凝土浇灌后出现夹碴,烂根.纵横混凝土梁与柱顶交接点处的模板最容易出现问题,处理不好,浇灌的混凝土出现凸凹不平,跑模,胀模等.二、模板安装质量规范:1、柱、墙、梁、轴线位移允许偏差为5mm2、每层墙、柱垂直度允许偏差为3mm3、柱、墙、梁、标高允许偏差为±5mm4、柱、墙、梁、标高允许偏差为+4mm;-5mm5、相邻两板表面高低差允许偏差为2mm6、表面表整度允许偏差为5mm砌砖工程质量要求及规范1、砖的品种,强度等级必须符合设计要求,并应规格一致,有出厂证明和材料试验单.2、砌体用的砂浆,标号,强度必须符合设计要求,砂浆使用前必须按规范做试配,原材料使用前必须有区试验室试验单.砂浆使用时按配合比,车车过磅计量,并在甲方监督下现场取样,做砂浆试块,送区试验室进行试验.3、砌体砂浆必须饱满密实,竖缝,水平缝砂浆饱满度不小于80%.4、外墙转角处严禁留直槎,其它留槎处要按施工规范留置,要按设计要求保质,保量,放置墙体拉接筋.5、留置构造柱的位置必须正确,五退五入构造柱墙体要先退后进,上下顺直,残留砂浆要清理干净,柱子截面尺寸必须正确.6、室内暖气沟回填土时要加垫板支撑牢固,防止回填土时将暖气沟墙体挤歪挤裂.7、墙体砌筑时,要保证墙面垂直,平整,要符合验收规范,36墙必须双面挂线,24墙必须挂反手线,舌头灰要随砌随刮平.8、严禁水平灰缝高低不平,盘角时灰缝要掌握均匀,每层砖都要与皮数杆对平,通线要绷紧穿平,严禁留接槎处高低不平,出现错槎等.9、门窗过梁处安装,标高及两端搭墙长度必须正确,坐灰要饱满,坐灰厚度超过2厘米时必须用豆石混凝土铺垫.严禁直接用砂浆铺垫.10、砌墙时,半头砖不得集中使用,要分散使用,混水墙立缝灰要饱满.砖墙砌筑,允许偏差:轴线位置偏移允许偏差10mm垂直度每层允许偏差±15mm表面平整度每层允许偏差5mm水平缝平直度允许偏差10mm门窗洞口宽度允许偏差±5mm门窗洞口高度允许偏差+15mm,-5mm留置构造柱截面允许偏差±10mm外墙上下窗口偏移允许偏差20mm 钢筋工程质量验收规范及要求主要控制项目:1、钢筋合格证,出厂检验报告单,进场复验试验报告.钢筋焊接,接头试验报告.2、纵向受力钢筋的品种,规格,数量,位置,锚固长度,接头设置等是否符合设计.3、钢筋连接方式,接头位置,接头数量,接头面积,百分率是否符合规范要求.4、箍筋、横向钢筋的品种,规格,数量,间距,加密区等是否符合设计要求.5、钢筋,箍筋的未端弯钩,弯起筋的角度是否符合规范.6、予埋件的规格,数量,位置等是否符合设计要求.7、基座,梁,板,柱等结构构件的钢筋保护层厚度是否符合规范要求.8、凡属隐检内容项目,施工队首先按规范自检,予检后请建设单位,设计单位,质量监督等有关部门验收,未经核验,签字,严禁进行下道工序.纵向受接钢筋的最小锚固长度混凝土C25时Ⅰ级钢25dⅡ级钢35dC30时20d-30d钢筋加工施工规范1、受力钢筋顺长度方向,全长的净尺寸允许偏差±10mm2、弯起钢筋的弯折位置允许偏差±20mm3、箍筋内净尺寸<几何尺寸>允许偏差±5mm4、同一纵向受力筋不宜设置两个或两个以上接头,接头未端至钢筋弯起点的距离不小于钢筋直径的10倍.5、纵向受力筋机械连接,接头或焊接,接头长度按国家规范执行.6、同一连接区段内,纵向受力的筋的接头面积,百分率要符合以下规定:①在受拉区内不宜大于50%,同一构件内的焊接接头应相互错开.②接头不宜设置在有抗震设防要求的梁端,柱端的箍筋加密区域内.③对梁、板、墙类不宜大于25%④对柱类构件不宜大于50%7、钢筋工程验收实测项目:①绑扎钢筋骨架长度允许偏差±10mm宽、高度允许偏差±5mm受拉钢筋绑扎接头的搭接长度:混凝土C25时钢筋搭接长度为Ⅰ级30dⅡ级40d混凝土>C25时钢筋搭接长度为Ⅰ25dⅡ35d②受力钢筋间距允许偏差范围±10mm排距允许偏差范围±5mm③钢筋保护层厚度基础允许偏差±10mm 合格率必柱、梁允许偏差±5mm 须达到板、墙允许偏差±3mm 90%以上④绑扎箍筋,横向钢筋间距、允许偏差±20mm⑤钢筋弯起点位置允许偏差20mm⑥予埋件中心位置允许偏差5mm水平高差允许偏差+3mm8、绑扎钢筋的缺扣,松扣,数量不得超过绑扣数的10%,且不应集中.绑扎时要采用十字扣或套扣,搭接位不少于3个扣.9、弯钩的朝向必须正确,绑扎,焊接接头方法及长度必须符合规范.10、箍筋弯钩角度为135º,弯钩平直长度为10d11、钢筋混凝土保护层厚度:当混凝土强度等级C25及C30时:板、墙,钢筋保护层厚度为15mm梁、柱,钢筋保护层厚度为25mm有垫层的基础钢筋保护层厚度为35mm无垫层的基础钢筋保护层厚度为70mm梁、柱中的箍筋和构造筋保护层为≥15mm。
3基础垫层混凝土浇筑3基础垫层混凝土浇筑:施工工艺与质量控制引言在建筑工程中,基础垫层混凝土浇筑是一项关键的施工环节,对于建筑物的结构安全和使用寿命具有重要意义。
3基础垫层混凝土浇筑是指在三向空间中进行的基础垫层混凝土施工,其具有独特的施工技术和质量控制要求。
本文将深入探讨3基础垫层混凝土浇筑的相关问题,旨在为建筑工程提供参考和指导。
垫层混凝土设计3基础垫层混凝土浇筑的设计主要包括配比设计、坍落度控制等。
配比设计是混凝土浇筑的关键因素,应根据工程需求和现场条件进行优化。
坍落度是评估混凝土流动性和可塑性的重要指标,需根据不同的施工要求进行控制。
在设计中,应充分考虑混凝土的强度、耐久性、抗渗性等性能要求,以确保垫层混凝土的质量。
施工工艺3基础垫层混凝土浇筑的施工工艺主要包括模板安装、混凝土浇筑、振动等工序。
模板安装应确保稳定性和准确性,为后续混凝土浇筑提供支撑。
混凝土浇筑应按照规定的施工顺序进行,确保填充密实,避免出现空洞、裂缝等质量缺陷。
振动工序有利于排除混凝土中的气体和水分,提高垫层混凝土的密实度和均匀性。
在施工过程中,应严格遵守施工工艺流程,确保各项技术指标达到设计要求。
质量控制3基础垫层混凝土浇筑的质量控制主要包括验收、抽样检测、沉降观测等环节。
验收环节应严格按照相关标准和规范进行,对不符合要求的部位进行整改或返工。
抽样检测是通过随机选取试样进行试验,以评估垫层混凝土的性能指标。
沉降观测是对浇筑后的基础垫层进行变形监测,以便及时发现和处理问题。
通过全方位的质量控制措施,可确保3基础垫层混凝土浇筑的施工质量符合设计要求。
应用实例某商业建筑采用3基础垫层混凝土浇筑方案,在施工过程中,严格控制配比设计、坍落度等关键因素,确保混凝土质量。
在模板安装环节,采用加强肋板等方法提高模板的稳定性和准确性。
在混凝土浇筑过程中,采用分层浇筑、连续推进等施工方法,确保填充密实。
在振动环节,采用高频振动设备,有效排出气体和水分,提高垫层混凝土质量。
垫层浇筑验收项目的要求垫层浇筑验收项目的要求随着现代建筑技术的不断发展,垫层浇筑成为建筑工程中不可或缺的一环。
垫层是指为基础提供支撑和保护的一层混凝土结构。
垫层的质量直接关系到建筑物的稳定性和耐久性。
为确保垫层的质量,进行垫层浇筑验收是必要的。
本文将介绍垫层浇筑验收的项目要求,以帮助读者更好地了解并掌握这一方面的知识。
1. 基本验收条件1.1 施工前的准备工作。
垫层浇筑前,必须进行充分的准备工作,包括场地清理、材料准备、模板安装等。
这些工作必须符合相关的规范和标准。
1.2 施工材料的合格性。
垫层浇筑所使用的混凝土、钢筋等必须具有合格证明,并按照相关标准进行检验。
1.3 施工人员的资质。
垫层浇筑工作必须由具备相应资质的专业人员进行,他们必须熟悉施工规程和操作规范,并具备一定的经验和技术水平。
2. 垫层浇筑验收项目2.1 垫层的平整度。
在垫层浇筑完成后,必须进行平整度验收。
平整度的要求根据不同的使用要求和标准来确定。
常见的方法是使用水平仪或直线仪进行测量,并根据测量结果进行评价。
2.2 垫层的强度。
垫层的强度是评价其质量的重要指标。
可以使用冲击试验仪、压力试验仪等设备来测试垫层的强度。
根据相关标准,垫层的强度应满足相应的要求。
2.3 垫层的密实度。
垫层必须具有良好的密实性,以确保其稳定性和耐久性。
常见的测试方法包括扎实度试验和洁净度试验。
这些试验可以通过核密度仪、扎实度仪等设备进行。
2.4 垫层的厚度。
垫层的厚度是建筑工程设计的重要参数之一。
必须按照设计要求进行测量,并与设计要求进行比对。
2.5 垫层的坍落度。
坍落度是衡量混凝土的流动性和可塑性的指标之一。
垫层浇筑前,必须确定坍落度的要求,并进行相应的检测。
3. 总结和回顾垫层浇筑验收是确保垫层质量的重要环节。
通过对垫层的平整度、强度、密实度、厚度和坍落度等方面进行检测和评价,可以确保垫层符合相关的规范和标准。
在实际操作中,施工人员必须严格按照验收项目要求进行施工,以确保垫层的质量和可靠性。
基础垫层混凝土施工方案一、施工前准备工作1.完成地基处理,确保地基平整、坚实。
如有沉降或不平整现象,应进行加固和修整。
2.根据设计图纸确定基础垫层混凝土的高度、均匀度和施工范围,并标示在施工现场。
二、施工工艺流程1.基础垫层混凝土施工前应先进行同步施工,确保基础垫层与上部建筑物结构的衔接紧密。
2.按照设计要求和现场情况,确定基础垫层混凝土的配合比。
3.进行混凝土原材料的检验,确保其质量符合施工要求。
4.打桩机械等设备进场,准备施工。
5.进行模板安装,根据设计要求设置模板的高度和坡度。
6.进行基础垫层混凝土的配料和搅拌,确保混凝土的均匀性和质量。
7.进行基础垫层混凝土的浇筑,采用泵送或人工浇筑均可。
8.进行混凝土的压实,采用振动器进行压实,确保混凝土的密实性。
9.进行混凝土的表面养护,采用喷水或铺盖湿布等方式,避免混凝土表面过快脱水。
三、施工注意事项1.定期检查施工现场,确保施工质量和进度。
2.施工过程中,保持混凝土的湿润,以免影响混凝土的强度发展。
3.严格控制混凝土的混凝土流动性和坍落度,以确保混凝土的均匀性。
4.在高温天气条件下,加大养护强度,以防止混凝土过早龟裂。
5.在施工过程中,严禁使用含有腐蚀性物质的混凝土。
6.混凝土浇筑完成后,及时进行养护,保持施工现场的清洁整洁。
四、施工后处理1.对施工现场进行清理,及时清除废弃物和混凝土残渣,并对施工设备和工具进行清洁保养。
2.进行基础垫层混凝土的检查,确保施工质量符合设计要求。
3.进行验收,按照相关标准和规范进行验收,确保基础垫层混凝土的质量和施工效果。
综上所述,基础垫层混凝土施工方案需要综合考虑地基情况、设计要求和施工工艺等因素,以保证基础垫层混凝土的质量和施工效果。
在施工过程中,需要注意施工现场的管理和控制施工质量,以确保施工进度和质量。
同时,施工后的处理和验收也是保证基础垫层混凝土工程质量的重要环节。
地基与基础验收流程一、前期准备地基与基础验收是建筑工程中非常重要的一个环节,需要在施工前进行充分的准备工作。
1.确定验收标准地基与基础验收标准是由国家规定的,需要根据实际情况进行确定。
在制定验收标准时,需要考虑以下因素:(1)土壤条件(2)建筑物类型(3)建筑物高度和重量(4)地震等级和风荷载等级2.制定验收方案根据确定的验收标准,制定详细的验收方案。
验收方案包括以下内容:(1)验收时间和地点(2)验收人员及其职责分工(3)检查和测试方法及仪器设备的选择和使用方法二、地基与基础施工阶段的验收流程1.地基施工阶段的验收流程(1)开挖土方验收:检查开挖深度、坡度、排水设施是否符合设计要求。
(2)垫层土石料配合比及压实度检查:检查垫层土石料配合比是否符合设计要求,并进行压实试验。
(3)回填土石料配合比及压实度检查:检查回填土石料配合比是否符合设计要求,并进行压实试验。
(4)基础底面平整度检查:检查基础底面平整度是否符合设计要求。
2.基础施工阶段的验收流程(1)混凝土配合比和坍落度检查:检查混凝土配合比和坍落度是否符合设计要求。
(2)混凝土浇筑前的模板、钢筋及其位置、布置是否符合设计要求。
(3)混凝土浇筑过程中的振捣情况:检查混凝土浇筑过程中的振捣情况是否达到规定标准。
(4)混凝土强度试验:对浇筑完成后的混凝土进行强度试验,以确定其强度是否符合设计要求。
三、地基与基础竣工验收阶段的验收流程1.地基竣工验收流程(1)地基沉降量和变形量测试:测试地基沉降量和变形量是否在规定范围内。
(2)地下水位测试:测试地下水位是否在规定范围内。
(3)荷载试验:施加规定荷载,观察地基变形情况,判断其承载能力是否符合设计要求。
2.基础竣工验收流程(1)基础尺寸检查:检查基础尺寸是否符合设计要求。
(2)基础平整度检查:检查基础表面平整度是否符合设计要求。
(3)混凝土强度试验:对浇筑完成后的混凝土进行强度试验,以确定其强度是否符合设计要求。
水泥混凝土路面施工及验收规范GBJ97-87中华人民共和国国家标准主编部门:中华人民共和国交通部批准部门:中华人民共和国国家计划委员会施行日期:1987年10月1日关于发布《水泥混凝土路面施工及验收规范》的通知计标〔1987〕226号根据原国家建委(81)建发设字第546号文的通知,由交通部会同有关部门共同制订的《水泥混凝土路面施工及验收规范》,已经有关部门会审。
现批准《水泥混凝土路面施工及验收规范》GBJ97—87为国家标准,自一九八七年十月一日起施行。
本标准由交通部管理,其具体解释等工作,由浙江省交通厅负责。
出版发行由我委基本建设标准定额研究所负责组织。
国家计划委员会一九八七年二月九日编制说明本规范是根据原国家建委〔81〕建发设字546号文通知,由浙江省交通厅负责主编,并会同广东省交通厅等十四个单位共同编制而成的。
本规范在编制过程中,进行了比较广泛的调查研究,总结了建国以来修筑水泥混凝土路面的经验,吸取了有关科研成果,并广泛征求全国各有关单位的意见,多次召开专题讨论会,经反复讨论修改,最后会同有关部门共同审查定稿。
水利水电工程监理适用规范全文数据库本规范共分六章十一节和八个附录,主要内容有总则,施工准备,基层与垫层,水泥混凝土板施工,水泥混凝土路面质量检查和竣工验收,安全生产等。
中华人民共和国交通部1987年2月2目录第一章总则第二章施工准备第三章基层与垫层第四章水泥混凝土板施工第一节材料第二节混凝土配合比第三节混凝土拌合物的搅拌和运输第四节混凝土拌合物的浇筑第五节钢筋设置第六节接缝施工第七节混凝土板养护第八节冬季施工和夏季施工第九节旧混凝土板加厚第五章水泥混凝土路面质量检查和竣工验收第一节质量检查第二节竣工验收第六章安全生产附录一混凝土配合比算例附录二混凝土板真空吸水工艺附录三混凝土板切缝机具及施工工艺附录四混凝土板接缝填缝料附录五混凝土板塑料薄膜养护工艺附录六混凝土抗压、抗折和劈裂抗拉强度试验附录七计量单位的换算附录八本规范用词说明附加说明3水利水电工程监理适用规范全文数据库第一章总则第1.0.1条为了提高水泥混凝土路(道)面(以下简称混凝土路面)工程的施工技术水平,保证工程质量,以促进交通建设和运输的发展,特制订本规范。
基础验收施工单位今天我们进行了基础验收,对施工单位进行了检查和评估。
经过仔细观察和测量,我们发现施工单位的基础工程质量较好,符合相关标准和要求。
基础混凝土浇筑均匀,无明显裂缝和渗水现象。
地基填土均匀紧实,符合设计要求的压实度。
基础与建筑结构连接牢固,无松动现象。
在基础验收过程中,我们也发现了一些问题,比如部分基础混凝土表面存在一些细微的空鼓现象,需要进行修补和处理。
另外,部分地基填土存在稍有松动的情况,需要加固处理。
总体来说,施工单位的基础工程质量还是较为满意的,但仍需对一些问题进行修复和整改。
基础工程的验收对于整个建筑工程的质量和安全具有重要意义,希望施工单位能够重视基础工程的质量管理,严格按照相关规范和要求进行施工,确保建筑的稳固和耐久性。
接下来,我们将密切关注施工单位针对上述问题的整改情况,确保基础工程的质量达到要求,为后续施工工作打下良好的基础。
另外,在进行基础验收过程中,我们还对施工单位的施工员工进行了现场安全培训和督促,要求他们严格遵守安全操作规程,做好个人防护工作。
施工现场要保持整洁有序,材料堆放要符合要求,防止发生意外伤害。
此外,我们也注意到了施工单位在基础验收中所做的一些改进,比如已经对一些细微的空鼓进行了修补处理,加强了部分地基填土的加固工作。
这些积极的改进表明了施工单位对基础工程质量的重视和努力,值得肯定。
在未来的施工过程中,我们将继续督促并关注施工单位对上述问题的整改落实情况,确保基础工程质量得到有效控制,保障建筑的安全性和稳固性。
同时,我们也将继续对施工单位进行安全生产培训和检查,严格执行施工现场安全规定,保障施工人员的安全。
综合来看,基础验收工作虽然发现了一些问题,但施工单位已经做出了积极的改进和整改措施。
基础工程的质量得到了初步保障,我们相信在施工单位和监理单位的共同努力下,基础工程的质量会更上一个台阶,为建筑工程的推进打下坚实的基础。
希望施工单位能够继续保持对基础工程质量的重视和努力,做好后续工程的施工,确保建筑工程的安全和质量。
混凝土地面验收标准混凝土地面验收标准是指在混凝土施工完成后,对混凝土地面进行检验,以确保其质量符合相关标准和要求的程序。
混凝土地面验收标准的制定和执行,对于保障建筑工程质量、延长混凝土地面使用寿命具有重要意义。
本文将从混凝土地面验收的主要内容、验收标准的制定依据和验收过程中应注意的问题等方面进行详细介绍。
一、混凝土地面验收的主要内容。
混凝土地面验收的主要内容包括混凝土地面的平整度、强度、密实度、外观质量等方面。
其中,平整度是指混凝土地面表面的平整程度,包括平整度的绝对偏差和相对偏差;强度是指混凝土地面的抗压强度,通常通过混凝土抽 n 立方试块的试验来进行检验;密实度是指混凝土地面的密实程度,主要通过密实度试验来进行检验;外观质量是指混凝土地面的外观情况,包括裂缝、起砂、起灰、麻面等情况。
二、验收标准的制定依据。
混凝土地面验收标准的制定依据主要包括国家相关标准、工程设计要求和施工规范等。
国家相关标准是指国家对于混凝土地面验收所制定的强制性标准,包括《混凝土结构工程验收规范》(GB 50204-2015)等;工程设计要求是指在混凝土地面设计阶段所确定的地面平整度、强度、密实度和外观质量等要求;施工规范是指混凝土地面施工过程中所应遵循的规范,包括《混凝土结构工程施工质量验收规范》等。
三、验收过程中应注意的问题。
在混凝土地面验收过程中,应注意以下问题,首先,要严格按照验收标准的要求进行验收,确保混凝土地面的质量符合相关标准和要求;其次,要重视验收过程中的记录和报告工作,及时记录验收结果并形成验收报告,为后续工作提供依据;最后,要加强与施工单位的沟通,及时解决在验收过程中发现的问题,确保混凝土地面的质量。
总之,混凝土地面验收标准的制定和执行,对于保障建筑工程质量、延长混凝土地面使用寿命具有重要意义。
只有严格执行验收标准,加强验收过程中的记录和报告工作,加强与施工单位的沟通,才能确保混凝土地面的质量符合相关标准和要求,为工程质量的提升和工程的可持续发展做出贡献。
土方开挖报验申请表土方开挖工程检验批质量验收记录表隐蔽工程验收单模板安装报验申请表工程名称:延津县2011年农村环境连片综合整治项目(石婆固乡段庄村)编号:009模板安装工程检验批质量验收记录表GB50204-2002底板混凝土报验申请表工程名称:延津县2011年农村环境连片综合整治项目(石婆固乡段庄村)编号:010混凝土原材料及配合比设计检验批质量验收记录表混凝土施工检验批质量验收记录表GB50204-2002现浇结构外观及尺寸偏差检验批质量验收记录表GB50204-2002隐蔽工程验收单模板拆除报验申请表工程名称:延津县2011年农村环境连片综合整治项目(石婆固乡段庄村)编号:011模板拆除工程检验批质量验收记录表GB50204-2002底板模板安装报验申请表工程名称:延津县2011年农村环境连片综合整治项目(石婆固乡段庄村)编号:012模板安装工程检验批质量验收记录表GB50204-2002底板钢筋报验申请表工程名称:延津县2011年农村环境连片综合整治项目(石婆固乡段庄村)编号:013钢筋加工检验批质量验收记录表GB50204-2002钢筋安装工程检验批质量验收记录表隐蔽工程验收单底板混凝土报验申请表工程名称:延津县2011年农村环境连片综合整治项目(石婆固乡段庄村)编号:014混凝土原材料及配合比设计检验批质量验收记录表GB50204-2002混凝土施工检验批质量验收记录表GB50204-2002现浇结构外观及尺寸偏差检验批质量验收记录表GB50204-2002隐蔽工程验收单模板拆除报验申请表工程名称:延津县2011年农村环境连片综合整治项目(石婆固乡段庄村)编号:015南昌翠林山庄(恒大绿洲)项目二期A地块1#~6#楼地下室工程模板拆除工程检验批质量验收记录表GB50204-2002页脚内容37。
混凝土工程验收规范及要求一、主控工程:1、混凝土开盘前,对使用的水泥、砂、石料等原材料必须首先进行实验,试配。
原材料合格后方可使用。
开盘后原材料必须要求现场抽取混凝土试样(甲方在场)。
2、混凝土施工有条件情况下尽量整体浇灌,特殊情况时施工缝的位置必须按设计要求留置,继续施工时施工缝必须采用澎胀剂等有关规范做法进行处理。
浇灌后的混凝土在12小时内必须设专人覆盖并养护。
3、砂、石含泥量要严格控制:砂子含泥量:当混凝土强度等级≥C30时含泥量≤3%当混凝土强度等级<C30时含泥量≤5%石子含泥量:当混凝土强度等级≥C30时含泥量≤1% 当混凝土强度等级C25—C15时含泥量≤2%4、严格混凝土加水量:保证混凝土和易性、坍落度,现场抽测混凝土坍落度不合格,严禁使用。
使用的磅称应随时检查。
5、严格避免现浇混凝土质量通病的发生:露筋、蜂窝、孔洞、夹碴、疏松、裂缝、缺棱掉角、棱角不顺直、翘曲不平、飞边凸肋、掉皮起砂、胀模变形、跑模位移。
接槎不实等。
二、现场验收实测工程规范:1、轴线位置:基础,基座允许偏差15mm独立基础允许偏差10mm柱梁允许偏差8mm剪力墙允许偏差5mm表面平整度允许偏差8mm2、垂直度:层高≤5M允许偏差8mm层高>5M允许偏差10mm3、标高:层高允许偏差±10mm全高允许偏差±30mm4、裁面尺寸:允许偏差+8mm;-5mm5、柱层间错位:允许偏差8mm以上施工队首先预检,合格后请建设单位组织有关部门进行抽测。
土方工程及回填土质量要求1、基底不得超挖,超过基底标高,出现超挖地方,必须取得设计单位同意,施工队不得私自处理。
(坟、坑、井等软土层)2、雨季施工时,基槽、坑底要预留30cm土层,在打混凝土垫层前再挖至设计标高,以防清槽时,超过标高。
3、钎探完成后,应作好标记,保护好钎孔,经设计、勘测验收后,钎孔进行灌砂。
灌砂时每填入30cm左右,用木棍或钢筋棍捣实一次,钎孔灌砂必须密实。
建筑地面工程施工质量验收规范,gb50209—2010 篇一:建筑地面工程施工质量验收规范GB50209—2010建筑地面工程施工质量验收规范GB50209-20101、实施日期:2010-12—1即将实施,原标准2002版2、本规范适用于建筑地面工程(含室外散水、明沟、踏步、台阶和坡道)施工质量的验收.不适用于超净、屏蔽、绝缘、防止放射线以及防腐蚀等特殊要求的建筑地面工程施工质量验收。
3、主要术语面层surfacecourse直接承受各种物理和化学作用的建筑地面表面层。
结合层combinedcourse面层与下一构造层相联结的中间层.基层basecourse面层下的构造层,包括填充层、隔离层、绝热层、找平层、垫层和基土等。
填充层fillercourse建筑地面中具有隔声、找坡等作用和暗敷管线的构造层.隔离层isolatingcourse防止建筑地面上各种液体或地下1水、潮气渗透地面等作用的构造层;当仅防止地下潮气透过地面时,可称作防潮层。
绝热层insulatingcourse用于地面阻挡热量传递的构造层.找平层levelingcourse在垫层、楼板上或填充层(轻质、松散材料)上起整平、找坡或加强作用的构造层。
垫层underlayer承受并传递地面荷载于基土上的构造层。
基土foundationearthlayer底层地面的地基土层。
不发火性misfiring当所有材料与金属或石块等坚硬物体发生摩擦、冲击或冲擦等机械作用时,不产生火花(或火星),不会致使易燃物引起发火或爆炸的危险,称为具有不发火性。
地面辐射供暖系统floor radiant heating system在建筑地面中铺设的绝热层、隔离层、供热做法、填充层等的总称,以达到地面辐射供暖的效果。
4、地面:是建筑装饰分部工程的一个子分部。
但它又分三个分支(或叫子分部的子分部):他们分别是:整体地面、板块地面、木竹地面。
5、〖强条〗3.0.3建筑地面工程采用的材料或产品应符合设计要求和国家现行有关标准的规定。