内墙乳胶漆饰面施工方案
- 格式:doc
- 大小:73.50 KB
- 文档页数:10
【1】乳胶漆饰面施工方案【1.1】工艺要求a检查墙体批挡是否有凹凸不平等缺陷。
b清除墙体表面油污等施工影响因素。
c在原有墙面粉刷找平层进行饰面煽灰三次左右,每层之间必须干透,完成面用砂纸反复磨平。
d乳胶漆饰面的稠度,厚度必须严格控制,不应太浓,或太厚。
e稠度太浓,容易引起裂缝或揭底,影响质量。
f厚度太过,容易引起龟裂,脱落,粘力不够。
g表面必须做到无刷痕,无起泡,无透底。
h色泽均匀一致,光洁平整,无挡手感。
i无流挂现象。
j无咬色,串色或局部变色。
k操作工艺及施工程序必须协调一致。
【1.2】施工工艺与方法施工工艺a工艺流程清扫→填补缝隙→满刮腻子→磨平→满刮腻子→磨平→局部刮腻子→磨平→第一遍底漆→第一遍面漆→第二遍面漆。
b施工要点刮腻子遍数可由墙平整程度决定,通常不少于二遍。
腻子以福粉、熟胶粉、108胶和水按配合比拌合而成。
施工用抹灰钢光匙横向满刮,一刮板紧接着一刮板,不得留槎,每刮一刮板最后收头要干净平顺。
干燥后用磨砂纸,将浮腻子及斑迹磨平磨光。
基层为纸面石膏板或木合板时,应采用防裂缝措施,并涂上酚醛清漆。
乳胶漆基层补腻子刮平磨光的工作量巨大,且为湿作业,为保证后续木作业质量,必须提前进行,并留足干结时间。
涂刷顺序先刷顶后刷墙柱面,墙柱面是先上后下。
涂刷以一底漆二面漆共三遍为宜。
若采用喷涂时,根据气压、喷嘴直径和ICI稠度调节气门,以将乳胶漆喷成雾状为佳,喷嘴距墙面400mm~600mm,喷嘴与被涂面作平行运动,运行速度保持一致,纵横方向作S形移动,两个平面相交时,喷嘴对准墙角线。
【2】金属活动板楼面1、工艺流程检验活动地板质量——技术交底——准备机具设备——基层处理——刷防尘漆——铺福乐斯保温层——找中套方、分格弹线——安装支座、横梁组件——铺活动地板——擦光——检查验收。
2、操作工艺(1)基层处理:把沾在基层上的浮浆、落地灰等用錾子或钢丝刷清理掉,再用扫帚将浮土清扫干净。
然后抹1∶3水泥砂浆,水泥砂浆表面应平整、光洁、不起灰。
内墙乳胶漆饰面施工方案一、施工准备1本分项工程所需用的材料、成品、半成品等按照材料的质量标准要求,具备材料合格证书并进行现场抽样复试检测,合格后方可使用。
2水暖、通风、空调、设备安装等专业的预留洞已封堵安装完毕。
3混凝土顶棚上的支模丝杆铁件割除完毕,结构露筋缺陷已处理,混凝土构件胀缩模处剔除修补到位。
4墙面抹灰已完成并通过隐蔽验收,墙面抹灰层完成须经过14d后或干燥后方可进行刮腻子施工。
(并必须经交接验收合格后方可施工)5本分项工程所用工具准备就绪。
2、材料及机具准备:①、材料:白色内墙涂料、白色乳胶漆、填充料(脱胶石膏粉、装饰硅酸盐白水泥、熟胶粉、801胶水、大白粉、石膏粉、羟甲基维维素、聚醋酸乙烯乳液。
②、机具:高凳、脚手板、电动搅拌器、盛料桶、、小漆桶、胶皮刮板、天平、磅秤、刷子、排笔、开刀、钢片刮板、滚筒、腻子板、砂纸、鸡毛帚等。
3、作业条件:①、墙面应基本干燥,基层含水率不大于8%。
②、墙面的裂缝、空鼓等修补完成,过墙管道、洞口等处应提前抹灰找平。
③、门窗侧边粉刷完毕,地面施工完毕,相邻的管道设备试压合格。
④、保证施工及干燥过程中环境湿度<85%,温度>10℃,有良好的通风条件。
⑤、做好样板间并通过验收合格。
4、建筑做法(建筑做法总说明)①、根据图纸设计:住宅内墙,顶棚为普通腻子,面层白色乳胶漆,墙为普通腻子,面层为白色乳胶漆。
②、非住宅面墙,顶棚为普通腻子,地下室顶棚为耐水腻子,面层为白色内墙涂料,墙为普通腻子,面层为白色内墙涂料。
四、施工方法及工艺要求1、工艺流程:①、顶棚刮腻子工艺流程:基层验收(工序交接检)→基层清理→结构板底弹线做标点→顶棚四周阴角找平直→顶棚局部找平→满刮腻子一遍→打磨→面层腻子满刮→扫尾修头。
②、墙面刮腻子工艺流程:基层验收(工序交接检)→基层清理→预留贴脚线上口弹线→满刮腻子一遍→打磨→面层腻子满刮→贴脚线施工→扫尾修头。
③、白色内墙乳胶漆施工工艺流程:(墙面)基层验收(工序交接检)→满批柔性腻子一道→打磨→刷硅橡胶弹性底漆一道→第一遍乳涂刷→复补腻子→第二遍乳胶漆涂刷→清理修头。
工程内墙乳胶漆施工方案一、施工准备1.1 施工前的准备工作(1)根据施工现场的实际情况,进行材料和机械设备的准备。
(2)安排专业的施工人员,核实每位施工人员是否具备相应的资格和证书。
(3)对施工现场进行清理和整理,确保施工区域的整洁和安全。
(4)对施工现场的墙面进行检查和修补,保证墙面的平整和平整度。
1.2 施工材料和设备的准备(1)准备所需的乳胶漆、稀释剂、底漆等涂料,并确保其质量合格。
(2)准备滚刷、刷子、喷枪等施工工具,确保工具的清洁和完好。
(3)准备搅拌设备和容器,确保漆料能够充分搅拌均匀。
1.3 安全防护措施(1)对施工现场进行安全隐患排查,同时设置明显的安全警示标志。
(2)施工人员必须穿戴好安全帽、工作服、手套等个人防护用品。
(3)施工过程中,要特别注意涂料的刺激性,确保通风良好,避免吸入有毒气体。
二、施工工艺2.1 墙面处理(1)对施工现场的墙面进行清洁,移除墙面上的灰尘、油污等。
(2)对墙面上的裂缝和凹陷进行修补,保证墙面的平整。
(3)对墙面进行打磨,去除表面的毛刺和不平整的部分。
2.2 底漆处理(1)在施工前,先对墙面进行底漆处理,确保底漆的均匀涂布。
(2)底漆的选择要根据墙面材料的不同进行,确保底漆与墙面的粘合度。
2.3 乳胶漆施工(1)在底漆干燥后,开始进行乳胶漆的施工。
(2)选用滚刷、刷子或喷枪进行涂装,确保涂料的均匀涂布。
(3)施工过程中,注意控制涂料的厚度和涂布方式,避免造成漆膜的鱼鳞和起泡。
2.4 多次涂装(1)根据施工要求,进行多次涂装,确保漆膜的充分覆盖和涂装质量。
(2)每次涂装后,要进行必要的干燥和调整,确保下一次施工的顺利进行。
2.5 完工处理(1)在涂装完成后,对施工现场进行清理,清除涂料残留和工具设备。
(2)对施工质量进行检查,确保墙面的涂装质量符合要求。
(3)对施工现场进行整理,保持施工现场的清洁和整洁。
三、施工注意事项3.1 控制好涂料的用量和施工厚度,避免过度浪费涂料。
乳胶漆墙面施工方案施工方案本工程内墙面全部采用乳胶漆进行装饰,除卫生间和服务用房等有水房间墙面外,其余内墙面均采用乳胶漆进行涂刷。
施工前应对墙面进行清洁、打磨、填补裂缝等处理,确保墙面平整、干燥、无灰尘、无油污、无松动物质等。
在施工过程中,应注意涂刷均匀、厚度一致、无漏涂、无滴落、无刷痕等问题。
施工完成后,应及时清理现场,保持环境卫生整洁。
3、乳胶漆顶棚施工方案本工程所有房间的顶棚均采用乳胶漆进行装饰。
施工前应对顶棚进行清洁、打磨、填补裂缝等处理,确保顶棚平整、干燥、无灰尘、无油污、无松动物质等。
在施工过程中,应注意涂刷均匀、厚度一致、无漏涂、无滴落、无刷痕等问题。
施工完成后,应及时清理现场,保持环境卫生整洁。
第二章编制依据1、相关法律法规本工程的施工必须符合国家相关法律法规,包括《建筑法》、《消防法》、《安全生产法》等。
在施工过程中,应严格遵守相关规定,确保施工安全、质量合格。
2、相关标准本工程的乳胶漆施工必须符合国家相关标准,包括《建筑涂料与涂装工程质量验收标准》、《室内环境污染控制标准》等。
在施工过程中,应严格按照相关标准进行施工,确保施工质量符合标准要求。
第三章主要施工方法及工艺1、乳胶漆内墙面施工方法1.1 施工前的准备工作1)清洁墙面:清除墙面上的灰尘、油污等杂物,确保墙面干燥、平整。
2)填补裂缝:对墙面上的裂缝进行填补,保证墙面平整。
3)打磨墙面:对填补后的墙面进行打磨,使墙面光滑。
1.2 施工工艺1)底漆涂刷:先对墙面进行底漆涂刷,保证乳胶漆的附着力和涂刷效果。
2)中涂涂刷:在底漆干燥后,进行中涂涂刷,保证涂刷厚度均匀。
3)面涂涂刷:在中涂干燥后,进行面涂涂刷,保证涂刷效果和光泽度。
4)涂刷次数:根据需要,可进行多次涂刷,确保墙面涂层厚度和质量。
1.3 施工后的清理工作1)清理现场:及时清理施工现场,保持环境卫生整洁。
2)检查质量:检查施工质量,确保涂刷效果和质量符合要求。
2、乳胶漆顶棚施工方法2.1 施工前的准备工作1)清洁顶棚:清除顶棚上的灰尘、油污等杂物,确保顶棚干燥、平整。
墙面饰面工程施工方案模板一、施工工程概述本工程为墙面饰面工程,主要包括材料验收、施工准备、墙面处理、饰面施工、验收等工作内容。
施工范围为建筑内部墙面,施工面积约为XXX平方米。
二、施工前准备工作1. 材料验收:在施工前,施工方需对购买的饰面材料进行验收,确保材料质量符合要求。
2. 施工准备:确定施工计划、人员配置、安全措施等,保障施工工作的正常进行。
3. 墙面处理:清理墙面灰尘、浮尘,确保墙面平整干净,有利于饰面施工的进行。
三、墙面处理工作1. 墙面涂刷:根据设计图纸确定好色彩和涂刷方式,施工方需将墙面进行底漆处理,然后进行面漆喷涂。
2. 墙面修补:如发现墙面有损坏或龟裂现象,需及时进行修补处理,确保墙面完整性。
3. 墙面处理完毕后,需进行检查验收,验收合格后方可进行饰面施工。
四、饰面施工1. 饰面材料准备:将购买的饰面材料进行分类、编号,以便按照设计要求进行安装。
2. 饰面施工:按照设计图纸要求,对墙面进行饰面施工,施工方需严格按照工艺要求进行操作,确保施工质量。
3. 饰面施工完毕后,需进行初验收,确认无误后进行下一步工作。
五、收尾工作1. 清理工地:将施工现场进行清理,清除材料残留物,确保施工区域整洁有序。
2. 最终验收:完成施工后,需进行最终验收,确保墙面饰面施工质量符合设计要求。
3. 完工交付:完成以上工作后,交付业主验收,确认无误后完成整个工程。
六、安全措施1. 施工过程中需佩戴安全帽、手套等个人防护用具,确保施工人员安全。
2. 施工区域需设置警示标识,避免他人误入施工现场。
3. 施工前需对施工区域进行安全检查,确保施工环境安全无隐患。
七、施工注意事项1. 施工过程中需根据施工方案和设计图纸要求进行操作,不得私自更改。
2. 施工过程中需及时沟通协调,确保各个环节的衔接顺畅。
3. 如遇到施工质量问题或工艺问题,需及时向相关部门报告,确保问题得到及时解决。
以上就是墙面饰面工程的施工方案,希望能够为您提供参考。
乳胶漆饰面施工方案乳胶漆是一种常用的室内墙面饰面材料,具有环保、无毒、耐久、易清理等优点,被广泛应用于住宅、办公室、商业建筑等地方。
下面是一个关于乳胶漆饰面施工方案的详细说明。
一、施工准备1.对施工区进行清洁,清理掉墙面上的灰尘、脱落的涂层和其他杂物。
2.检查墙面是否有裂缝、潮湿或其他损坏,需要进行修复处理。
3.如果墙面有油漆或石膏粉,需要进行去除处理,以保证乳胶漆与墙面的粘结力。
二、材料和工具准备1.乳胶漆:根据需求选择适当颜色和质量的乳胶漆。
2.滚筒刷和刷子:用于涂刷乳胶漆。
3.塑料布:用于保护地板和其他物品不被沾染乳胶漆。
4.抹灰刀和砂纸:用于修复墙面的裂缝和破损部分。
5.蓝胶带:用于保护窗框、门框等不被乳胶漆沾染。
6.手套、口罩和护目镜:用于施工时的个人防护。
三、施工步骤1.保护施工区域:使用塑料布覆盖地板和其他需要保护的物品,使用蓝胶带保护窗框、门框等不需要涂刷的部分。
2.修复墙面:使用抹灰刀和砂纸修补墙面上的裂缝和破损部分,并确保墙面表面平整。
3.涂刷底漆:将适量的乳胶漆倒入滚筒盘中,均匀涂刷在墙面上,涂刷时应注意避免滴漏和漏掉不同部位。
4.刷乳胶漆:将乳胶漆均匀倒入滚筒盘中,用滚筒刷或刷子将乳胶漆均匀涂刷在墙面上。
涂刷时应注意避免有明显的滚筒痕迹,可以采用交叉涂刷的方法,即先上下涂刷,再左右涂刷,以确保涂层均匀。
5.第一遍涂刷完成后,需要让墙面干燥一段时间,通常为12小时左右。
6.第二遍涂刷:在第一遍涂刷完全干燥后,重复第四步的涂刷过程,确保墙面呈现出均匀一致的颜色和光泽。
7.完工整理:等待第二遍涂刷干燥后,撤除保护材料布,清理施工区域,并进行最后的整理。
四、注意事项1.施工过程中要注意个人防护,佩戴好手套、口罩和护目镜,避免乳胶漆对皮肤和呼吸系统的刺激。
2.避免在高温或潮湿的环境下施工,以免影响乳胶漆的质量和干燥时间。
3.涂刷乳胶漆时要注意均匀与连续性,不要有漏刷或滴漏现象,以确保墙面饰面效果一致。
第1篇一、工程概况本工程为某住宅小区内墙涂饰工程,涉及面积共计12000平方米。
工程内容包括墙面基层处理、腻子层施工、涂料层施工等。
工程预计工期为45天,具体施工方案如下:二、施工准备1. 材料准备:- 基层处理材料:铲刀、砂纸、钢丝刷、清洁剂等;- 腻子层材料:耐水腻子、防裂腻子、腻子粉、胶水等;- 涂料层材料:乳胶漆、稀释剂、滚筒、刷子等;- 其他材料:安全帽、手套、口罩等。
2. 机具准备:- 基层处理工具:砂纸机、打磨机、清洁机等;- 腻子层施工工具:腻子刮板、批刀、打磨机等;- 涂料层施工工具:滚筒、刷子、涂料桶等;- 其他工具:梯子、安全带等。
3. 人员准备:- 施工人员:项目经理、施工队长、施工员、质检员等;- 技术人员:设计师、监理人员等。
三、施工工艺1. 基层处理:- 清理墙面:清除墙面上的灰尘、油污、锈迹等;- 打磨墙面:使用打磨机或砂纸打磨墙面,使其平整、光滑;- 检查墙面:检查墙面是否有裂缝、孔洞等,如有则进行修补。
2. 腻子层施工:- 混合腻子:将腻子粉、胶水等材料按照比例混合均匀;- 刮腻子:使用腻子刮板将腻子均匀刮在墙面上,厚度控制在1-2mm;- 磨平腻子:待腻子干燥后,使用打磨机或砂纸打磨腻子,使其平整、光滑;- 检查腻子层:检查腻子层是否有空鼓、裂缝等,如有则进行修补。
3. 涂料层施工:- 混合涂料:将涂料与稀释剂按照比例混合均匀;- 涂刷涂料:使用滚筒或刷子将涂料均匀涂刷在墙面上,厚度控制在0.5-1mm;- 检查涂料层:检查涂料层是否有漏涂、流淌等,如有则进行修补。
四、施工质量标准1. 基层处理:墙面平整、无灰尘、油污、锈迹等;2. 腻子层:平整、光滑、无空鼓、裂缝等;3. 涂料层:均匀、无漏涂、流淌等,颜色一致。
五、施工注意事项1. 施工过程中注意安全,佩戴安全帽、手套、口罩等;2. 施工过程中保持施工现场整洁,及时清理施工垃圾;3. 施工过程中严格按照施工工艺进行操作,确保施工质量;4. 施工过程中注意天气变化,避免在雨天施工。
内墙乳胶漆施工方案一.作业条件墙表面应基本干燥,基层含水率不大于8%,过墙管道、洞口等处应提前抹灰找平,门窗安装完毕,环境温度保持在5。
C以上,做好样板墙并经鉴定合格。
二、操作工艺1清理墙表面:首先将墙表面起皮及松动处清理干净,将灰渣铲干净,然后将墙表面扫净。
2、修补墙表面:修补前,先涂刷一遍用三倍水稀释后的108胶水。
然后,用水石膏将墙表面的坑洞、缝隙补平,干燥后用砂纸将凸出处磨掉,将浮尘扫净。
3、刮腻子:遍数可由墙面平整程度决定,一般为两遍,腻子以纤维素溶液、福粉,加少量108胶,光油和石膏粉拌合而成。
第一遍用抹灰钢光匙横向满刮,一刮板紧接着一刮板,接头不得留槎,每刮一刮板最后收头要干净平顺。
干燥后磨砂纸,将浮腻子及斑迹磨平磨光,再将墙柱表面清扫干净。
第二遍用抹灰钢光匙竖向满刮,所用材料及方法同第一遍腻子,干燥后用砂纸磨平并扫干净。
4、刷第一遍涂料:涂刷顺序是先刷顶板后刷墙柱面,墙柱是先上后下。
涂料用排笔涂刷。
使用新排笔时,将活动的排笔毛拔掉。
涂料使用前应搅拌均匀,适当加水稀释,防止头遍涂料刷不开。
由于涂料漆膜干燥较快,因此应连续迅速操作。
涂刷时,从一头开始,逐渐向另一头推进,要上下顺刷,互相衔接,后一排毛紧接一排笔,避免出现干燥后接头。
干燥后,复补腻子,腻子干燥后用砂纸磨光,清扫干净。
5、刷第二遍涂料:第二遍涂料操作要求同第一遍。
使用前要充分搅拌,如不很稠,不宜加水或少加水,以防露底。
以上是混凝土及抹灰表面涂刷中级涂料的做法。
施涂普通级或高级涂料时,要相应减少或增加工序。
三、避免工程质量通病的施工注意事项1、透底:产生原因是涂层薄,因此刷涂料时除应注意不漏刷外,还应保持涂料的稠度,不可随意加水过多。
有时磨砂纸磨穿腻子也会出现透底。
2、接槎明显:涂刷时要上下顺刷,后一排笔紧接前一排笔,若间隔时间稍长,就容易看出接头,因此大面积涂刷时,应配足人员,互相衔接。
3、刷纹明显:涂料稠度要适中,排笔蘸漆量要适当,多理多顺防止刷纹过大。
内墙乳胶漆施工一、材料及机具准备涂料、填充料、高凳、脚手板、腻子托板、滚筒、刷子、排笔、小漆桶、砂纸、橡皮刮板、腻子槽、擦布、棉丝、半截大桶等。
二、作业条件1、面应基本干燥,基层含水率不得大于10%。
2、抹灰作业已全部完成,过墙管道、洞口、阴阳角等提前处理完毕。
3、门窗玻璃应提前安装完毕。
4、大面积施工前应做好样板,经验收合格后方可进行大面积施工。
三、质量要求水性涂料涂饰工程质量要求符合《建筑装饰装修工程施工质量验收规范》四、工艺流程基层处理→修补墙面→第一遍刮腻子,磨平→第二遍刮腻子,磨平→刷第一遍涂料→复补腻子→磨平→刷第二遍涂料→磨平(光)→刷第三遍涂料五、施工工艺1、刮腻子前在混凝土墙面上先喷、刷一道胶水(水:乳液为5:1)要喷刷均匀,不得有遗漏。
2、满刮腻子,刮腻子时应横竖刮,即第一遍腻子横向刮,第二遍腻子竖向刮。
注意按搓和收头时腻子要刮净,每道腻子干燥后应用砂纸打磨,将腻子磨平后并将浮尘擦净。
3、涂刷第一遍涂料,涂刷时应先上后下。
干燥后复补腻子,待复补腻子干燥后用砂纸磨光。
隔1天后,可涂刷第二遍。
4、在第二遍操作时不宜来回多次涂刷,以避免溶松第一遍漆膜,或出现显著的漆刷涂饰痕迹,影响质量。
5、在第三遍涂料施工时,注意涂料遮盖力情况,以便随时掌握和调整涂饰的松紧,确保涂料色泽的均匀性。
六、成品保护1、施涂时首先清理好周围环境,防止粉尘飞扬而影响涂饰质量。
2、不得污染窗台、门窗、玻璃等已完成的分项工程。
3、涂饰墙面完工后,要妥善保护,不得磕碰、污染墙面。
七、安全措施1、所有工人应严格执行并避守安全操作规程,加强职业健康安全意识,上架施工时佩藏个人防护用品。
尤其注意要系好安全带。
2、外架使用前应对整个架体进行检查和检修,验收合格后方可使用。
3、在脚手架上施工,面砖及小型工其等应放在不易掉落的地方,以免离空落物伤人。
4、施工时不得出现立体交叉作业。
下面为附送毕业论文致谢词范文!不需要的可以编辑删除!谢谢!毕业论文致谢词我的毕业论文是在韦xx老师的精心指导和大力支持下完成的,他渊博的知识开阔的视野给了我深深的启迪,论文凝聚着他的血汗,他以严谨的治学态度和敬业精神深深的感染了我对我的工作学习产生了深渊的影响,在此我向他表示衷心的谢意这三年来感谢广西工业职业技术学院汽车工程系的老师对我专业思维及专业技能的培养,他们在学业上的心细指导为我工作和继续学习打下了良好的基础,在这里我要像诸位老师深深的鞠上一躬!特别是我的班主任吴廷川老师,虽然他不是我的专业老师,但是在这三年来,在思想以及生活上给予我鼓舞与关怀让我走出了很多失落的时候,“明师之恩,诚为过于天地,重于父母”,对吴老师的感激之情我无法用语言来表达,在此向吴老师致以最崇高的敬意和最真诚的谢意!感谢这三年来我的朋友以及汽修0932班的四十多位同学对我的学习,生活和工作的支持和关心。
内墙乳胶漆施工方案一、施工准备(一)、技术准备工作1、认真审阅研究施工图纸,充分理解设计意图,将图纸的疑点、难点搞清楚,理解各部位的工艺做法、节点构造;充分熟悉各种材料性能及施工工艺要求;对图纸设计中存在的问题与建筑师进行充分交流,找出解决办法编制预算、施工组织设计和施工措施,准备图纸会审及施工工艺技术交底。
2、与建筑检测部门签订检测合同,确保工程的检测及时准确。
(二)、现场准备工作1、现场测量工作:现场勘测的结果,为深化施工图的设计提供依据,在现场尺寸与原设计图相差太大时尽早提交建筑师,找出解决办法设立施工现场控制网点、确定装饰施工基准线,会同有关单位做好现场的移交工作,包括测量控制点以及有关技术资料,并复核控制点。
根据给定控制点测设现场内的永久性标桩,并做好保护,作为工程测量的依据。
2、材料样板的报审工作:为确保工程质量和装饰效果达到设计要求,材料样板的提交必须严格按照建筑师的要求进行。
尽早完成材料样板报审,才能为生产材料争取时间,从而确保工程进度。
(三)、劳动力准备1、针对本工程装饰种类多,幅面广、面积多、工种不一的特点,公司经过周密部署,各种施工人员计划全部落实,随时可以调动进场。
2、各工种施工人员实行分组分片、分项承包责任制,由公司统一调度,工长统一安排,实行有组织、有计划、有纪律的统筹安排。
3、技术人员、班组长进行岗位技术、质量安全、消防等方面的教育与培训,建立一支质量意识高、技术力量强的施工队伍。
(四)、做好技术交底工作1、工程每一道工序开工前,均需进行技术交底,技术交底是施工企业技术管理的一个重要制度,是保证工程质量的重要因素,其目的是通过技术交底使参加施工的所有人员对工程技术要求做到心中有数,以便科学的组织施工和按合理的工序、工艺进行施工。
2、技术交底专业均采用三级制,即各专业工程技术负责人一专业工长一个班组长,技术交底有书面文字及图表,级级交底签字,工程技术负责人向专业工长进行交底要求细致、齐全、完善,并要结合具体操作部位、关键部位的质量要求,操作要点及注意事项等进行详细的讲述交底,工长接受后,应反复详细地向作业班组进行交底,班组长在接受交底后,应组织工人认真讨论,全面理解施工意图,确保工程的质量和进度。
内墙面涂饰乳胶漆施工方案1. 涂料工程概况内墙涂料主要做法为:满刮2遍内墙防水专用腻子(康冠牌防潮腻子),涂刷立邦APP2001HN底漆,涂刷立邦环保面涂两遍(立邦459)。
2 施工条件1)、内墙涂料施工应在抹灰、吊顶、细部、地面及电气等工程等已完成并验收合格后进行。
2)、内墙涂料施工前墙面含水率不得大于10%。
3)、在墙面抹灰结束25天后,才进行涂料施工。
4)、室内水暖卫管道、电气设备等预埋件均已安装完成,且完成管洞处灰活的修理。
墙面所有的隐蔽工程已全部完成及验收合格,再无任何改动后,方可施工。
5)、做好样板间且经过检验鉴定,符合要求。
6)、水泥石灰膏砂浆面层立面垂直度偏差、表面平整度偏差、阴阳角方正偏差应在3mm之内。
3 施工准备1)技术准备在施工前必须积极做好施工准备工作,其主要内容有:①、熟悉审查施工图纸和有关的设计资料和设计依据,施工验收规范和有关技术规定。
②、通过上述对施工图纸的熟悉和现场的复测,将可能存在的问题在各个施工阶段前得到更正,为施工提供一份准确、齐全的图纸。
③、施工人员在进场前,必须进行安全教育,施工前要做好技术、安全交底。
④、建立各项管理制度,如:施工质量检查和验收制度、工程技术档案管理制度、技术责任制度、职工考核制度、安全操作制度等,认真熟悉施工图纸和有关设计资料,严格执行国家行业标准。
⑤、对涂料腻子要提前报验,材料必须出具绿色环保涂料证书和ISO14001环保体系认证证书,出场合格证、技术性能检测报告、产品说明书、代理商的营业执照。
2)材料机具准备①材料准备1、涂料:立邦环保面涂(459),立邦APP2001HN底漆。
本涂料符合绿色环保涂料,已经通过ISO14001环保体系认证,有出厂合格证、技术性能检测报告、产品说明书。
涂料的种类、颜色、性能及技术指标满足设计要求及有关规范规定的质量标准。
2、腻子:本工程内墙涂料使用康冠防潮腻子,适合于水泥石灰膏砂浆抹灰基面。
康冠防潮腻子的粘结强度符合国家现行标准的有关规定。
内墙乳胶漆施工方案
1. 基层
(1)基屋必须平整,并有足够强度,无酥松、粉化、脱皮等现象,新抹灰砂浆常温下应在7 天以后进行涂饰。
(2)将灰尘、油污等清除干净,并选用与乳胶漆相适应的材料进行基层处理。
2. 施工准备
(1)根据设计要求,选择颜色、品种、性能符合要求的乳胶漆及其它配套材料。
(2)工具准备
根据乳胶漆品种、性能及施工工艺,购买合适的施工工具。
3. 施工工艺
滚涂操作应根据乳胶漆品种、要求的花饰确定辊子种类。
操作时在辊子上蘸少量乳胶漆后,在墙面上上下垂直来回滚动,应避免扭曲蛇行。
4. 质量要求
(1)面层颜色、质感、光泽均匀一致,不得有“漏刷”、“透底”、“流坠”等毛病。
(2)涂层与基层粘结牢固,无粉化、起鼓、龟裂、剥落等现象。
5. 注意事项
(1)乳胶漆稀释法、施工温度及使用方法等严格执行使用说明书规定,所需涂料应为同一批号的产品并一次备齐。
涂料在使用过程应不断搅拌。
(2)乳胶漆应密闭存放室内。
(3)乳胶漆干燥前应防止雨淋、尘土玷污和热空气的侵袭。
内墙乳胶漆施工方案内墙乳胶漆施工方案一、前期准备工作:1. 清除墙面:将墙面上的尘土、杂物、旧漆、水渍等清除干净,保证墙面干净平整。
2. 修补墙面:检查墙面是否有破损、裂缝等问题,进行修补,确保墙面的完整性。
3. 砂光处理:使用砂纸或砂光机对墙面进行打磨,去除墙面上的粗糙、凸凹不平的部分,使墙面光滑。
二、施工方案:1. 打底涂料:选用质量好的墙面底漆,均匀涂刷在墙面上,保证底漆充分渗透,提高墙面的附着力。
2. 中涂漆:选择适合的中涂漆,均匀涂刷在墙面上,注意要遮盖好墙面上的缝隙和瑕疵,使墙面颜色均匀。
3. 面漆:选用高品质的乳胶漆作为面漆,使用辊筒或喷枪进行施工,确保涂刷均匀、光滑。
4. 涂刷次数:一般情况下,乳胶漆需要涂刷两到三次,每次涂刷间隔时间要根据乳胶漆的干燥时间确定,避免涂刷次数过多或间隔时间太短。
5. 喷涂技巧:使用喷枪喷涂乳胶漆时要均匀移动喷枪,保持一定的距离和喷涂速度,避免出现涂层厚薄不均的情况。
三、注意事项:1. 通风良好:施工期间要保持室内通风良好,避免乳胶漆的刺激气味对人体造成不良影响。
2. 防止溅漆:施工时要注意保护好家具、地板等,防止溅漆造成损坏。
3. 施工温度:乳胶漆的施工温度范围一般在5℃至35℃之间,太高或太低的温度都会影响乳胶漆的干燥效果。
4. 干燥时间:每次涂刷乳胶漆后需要等待一定的干燥时间,才能进行下一次涂刷,否则会影响涂层效果。
5. 施工工期:根据墙面面积和困难程度等因素确定施工工期,尽量保证工期合理,避免造成不必要的延误。
简而言之,内墙乳胶漆施工方案包括前期准备工作、打底涂料、中涂漆、面漆以及注意事项等内容。
通过合理的施工步骤和注意事项,可以保证墙面涂装的质量和耐久性。
内墙乳胶漆施工工艺及墙面喷乳胶漆施工方案一、内墙乳胶漆施工工艺内墙乳胶漆是室内墙面、顶棚主要装饰材料之一,特点是装饰效果好,施工方便,对环境污染小,成本低,应用极为广泛。
涂饰内墙乳胶漆的操作程序是:基层处理→刮腻子补孔→磨平→满刮腻子→磨光→满刮第二遍腻子→磨光→涂刷第一遍乳胶漆→磨光→涂刷第二遍乳胶漆→清扫。
1、基层处理:对不同材料的基层应分别用不同的方法处理,处理后要达到表面平整、干燥、无油污、无浮尘。
混凝土或抹灰基层含水率不得大于10%,木材基层的含水率不得大于12%。
正常温度下,一般抹灰面龄期不得少于14d,混凝土基材龄期不得少于一个月。
;2、满刮腻子:刮墙腻子由白乳胶漆、滑石粉或大白粉、2%羧甲基纤维素溶液调配而成,调成比例为1:5:3.5(重量比)。
第一遍腻子要求横向刮满,第二遍腻子要求竖向刮抹。
要求刮抹平整、均匀、光滑、密室;线角及棱边整齐。
满刮时,不漏刮,接头不留槎,不玷污门窗框及其他部位。
干透后用砂纸打磨平整。
3、磨砂纸:每道腻子应磨砂纸一遍,每道砂纸要把墙面磨光、磨平、不留浮腻子和刮痕,并将浮尘清扫干净。
4、封底漆:若采用高档乳胶漆,则在第二遍满刮腻子后增加封底漆工序。
封底漆可采用滚涂或是喷涂方法施工,施涂时,涂层要均匀,不可漏涂,若封底漆渗入基层较多时,需重涂。
5、涂刷乳胶漆。
施工时乳胶漆的涂膜不宜过厚或是过薄。
过厚易流坠起皱,影响干燥和美观过薄则不能发挥涂料作用。
一般以充分盖底、不透虚影、表面均匀为宜。
涂刷遍数一般为两遍,必要时可适当增加涂刷遍数。
在正常气温条件下,每遍涂料的诗句间隔约为4h左右。
6、磨光:第一遍乳胶漆涂刷施工结束4h后,用细砂纸磨光,若天气潮湿,4h后未干,应延长时间,待干燥后再磨。
7、清扫:清扫飞溅的乳胶漆,并清除施工准备时,预先覆盖在踢脚板、水、电、暖、卫设备及门窗等部位的遮挡物。
内墙乳胶漆可采用刷、滚涂施工方式外,还可以采用喷枪进行喷涂。
二、.墙面喷乳胶漆施工方案1乳胶漆涂装技术的特点内墙面一般很粗糙,在乳胶漆涂装之前,需要反复多次地进行处理,首先是用灰泥找平,接着是不止一次地满批腻子,且在每遍之后进行打磨并局部找平,所用的腻子为水性。
乳胶漆面层施工方案乳胶漆作为一种常用的室内涂料,具有环保、耐久、易清洁等优点,广泛应用于家庭、办公室、商业空间等场所的墙面装饰。
以下是乳胶漆面层施工的详细方案。
一、准备工作1.确定施工范围:确定需要施工的墙面范围,排除不需要涂料的部分。
2.清理墙面:先将墙面上的灰尘、污渍等物质清除干净,可使用抹布或吸尘器进行清洁。
3.检查墙面:仔细检查墙面是否存在裂缝、起皮、掉漆等问题,若存在,应提前处理,并保证墙面平整光滑。
二、涂料选择1.根据需求选择涂料种类:乳胶漆可分为哑光漆、半哑光漆、亮光漆等不同种类,根据需求选择适合的涂料种类。
2.选择颜色:根据个人喜好或者整体装修风格,选择合适的乳胶漆颜色。
三、施工准备1.遮盖保护:使用透明塑料薄膜或者纸板等材料,将地面、家具等不需要涂料的部分进行遮盖保护,以免涂料溅到上面。
2.打磨处理:如果墙面存在起皮等问题,可使用砂纸进行打磨处理,并清除打磨后产生的粉尘。
四、施工步骤1.基层处理:首先需要上底漆,底漆的目的是增强墙面对乳胶漆的附着力,在施工前先涂一层底漆,让墙面变得更平整。
2.搅拌涂料:将涂料桶打开,用搅拌棒搅拌均匀,使涂料中的颜料、填充剂等成分充分混合。
3.填涂乳胶漆:使用刷子、滚筒或者喷枪等工具将乳胶漆均匀地涂抹在墙面上,可以根据需要进行多遍涂抹,保证涂料的均匀性。
4.干燥抛光:每一遍涂抹完后,需等待涂料干燥,时间一般为24小时,待涂料完全干燥后,可使用砂纸对表面进行打磨,使墙面更加光滑。
5.验收和修正:施工完毕后,需要进行验收,看是否出现漏涂、色差等问题,如有问题可及时修正。
五、注意事项1.注意通风:在施工过程中,保持室内通风,以免涂料中的有害气体滞留在房间内。
2.施工温度和湿度:施工时,要选择适宜的温度和湿度,过高或过低的温度湿度都会影响乳胶漆的施工效果。
3.涂料储存:施工完毕后,注意密封涂料桶,防止涂料结块或变质。
以上就是乳胶漆面层施工方案的详细步骤。
建筑内墙乳胶漆施工方案一、前期准备工作1.材料准备:乳胶漆、底漆、滚筒、刷子、喷枪等施工工具。
2.墙面处理:清理墙面上的杂质、尘土和旧漆,修补墙面上的裂缝、鼓包等破损部分,确保墙面光滑无瑕疵。
3.保护措施:对于墙面周围的门窗、地板、家具等进行有效的保护,避免漆水溅到其他处。
二、底漆施工1.将底漆搅拌均匀后,用滚筒或刷子均匀涂抹在墙面上。
底漆的目的是提高墙面的附着力,使乳胶漆更好地附着在墙面上,同时也能增强对墙面的保护。
2.涂抹底漆时要注意均匀、一致,避免出现厚薄不均或滞留的现象。
同时避免漆面上出现气泡、起皮等问题。
三、乳胶漆施工1.乳胶漆搅拌均匀后,用滚筒或喷枪进行施工。
喷枪施工速度快,但需要专业的技术操作,控制好喷枪与墙面的距离和喷漆的厚度。
2.滚筒施工时要均匀涂抹,上下左右不要死把式,以免出现明显的色差。
涂抹乳胶漆时,可以先从上到下涂抹,再进行横向的涂抹,保证漆膜均匀。
3.涂抹乳胶漆时要注意避免遗漏或重复涂抹。
对于墙角和边缘部分,需要用刷子进行处理,确保无死角。
4.每次上涂乳胶漆时要等待前一次上涂干燥后再进行,避免两次上涂之间出现相互影响。
四、检查和修整1.施工完成后,仔细检查墙面上是否存在漏涂、滴漏、色差等问题,及时修补和处理。
2.检查乳胶漆的质量,是否平整、光滑,无气泡、起皮和滴漆等现象。
3.检查墙面的色彩是否一致,是否与设计要求相符。
五、施工注意事项1.施工前要对施工区域进行充分的保护,避免污染到其他处。
2.施工时要注意安全,佩戴好防护设备,避免乳胶漆溅入眼睛、口腔和皮肤。
3.施工期间要保持空气流通,避免乳胶漆的气味过于浓郁。
4.施工过程中要注意定期清洁施工工具,避免漆膜受到污染或杂质。
六、清理工作1.施工完成后,及时清理施工区域,保持环境整洁。
2.清理工具时要用清水或清洗剂彻底清洗,避免乳胶漆残留。
七、质量控制1.施工过程中要对每一道工序进行严格的检查,保证施工质量。
2.如发现问题或质量不合格,及时采取纠正措施进行处理。
内墙及顶棚乳胶漆施工方案准备工作:1.清理工作区域,将家具、地毯等遮盖或搬离施工区域,保护好室内物品。
2.检查墙面和顶棚是否存在起皮、开裂、渗水等问题,如有需要进行修复处理。
材料准备:1.乳胶漆:选用品质好、环保无异味的乳胶漆,颜色根据需求选择。
2.墙面修补剂:用于填补墙面的裂缝和不平整处。
3.修补工具:刮刀、砂纸、废旧布等。
4.乳胶漆边界胶带:用于保护墙角、门窗边框等不需要漆的区域。
施工步骤:1.清洁墙面和顶棚:用湿布或吸尘器清除墙面和顶棚的灰尘和杂物。
2.修补墙面和顶棚:使用墙面修补剂填补墙面的裂缝和不平整处,尽量保持墙面平整。
3.打磨墙面和顶棚:使用砂纸进行打磨,确保墙面光滑平整。
打磨后用湿布擦拭墙面和顶棚,清除掉灰尘。
4.上底漆:在墙面和顶棚之前涂上一层底漆,提高漆的附着力,增强涂层的平整度。
5.涂刷乳胶漆:将乳胶漆搅拌均匀后,使用滚筒刷或刷子沾取适量的乳胶漆涂抹在墙面和顶棚上,注意涂刷的方向要一致,以免留下刷痕。
6.第一遍漆干燥后,进行第二遍漆的涂刷。
涂刷时要保证墙面和顶棚的平整度,适量匀称即可。
7.完成涂刷后,等待乳胶漆彻底干燥,根据需要决定是否进行第三遍漆的涂刷。
8.拆除边界胶带:在乳胶漆干燥后,轻轻拆除边界胶带,以免漆与胶带粘连导致漆面被撕碎。
注意事项:1.施工时注意通风,确保室内空气流通,避免乳胶漆的异味对身体造成影响。
2.施工时要遵循一定的顺序,先涂刷墙面再涂刷顶棚,避免油漆掉落污染已经完成的部分。
3.涂刷乳胶漆时要均匀涂抹,避免出现刷痕和颜色差异等不良问题。
4.施工过程中及时清理工具,刷子和滚筒要用水冲洗干净,以免影响下次使用。
5.施工完成后,及时清理工作区域,放回家具等物品,保持室内的整洁。
6.如果需要进行后续的焕新施工,应先将旧的乳胶漆清除干净,再进行下一次的涂刷。
总结:内墙和顶棚的乳胶漆施工方案需要做好准备工作,准备好所需材料,按照施工步骤进行涂刷,同时注意一些细节和注意事项。
内墙涂料乳胶漆饰面施工方案一、工程概况1、本工程为山东博兴花园新城项目,位于博兴县博城一路北,博昌一路南,新城一路西,新城二路东。
建筑用地面积为82393.39㎡(不包含C.E.G区地下车库)。
由山东省博兴县晔基置业有限公司开发建设,山东同圆设计集团有限公司设计,山东众成建设项目管理有限公司监理,宝钢工程建设有限公司承建。
二、施工安排1、进度目标:根据主体粉刷、地板砖分项工程结束后5日内完成。
2、质量目标:一次性验收合格。
3、安全目标:无伤亡事故,轻伤率控制在0。
4、环境目标:无扰民事情施工时间控制在6.00~8.00。
5、成本目标∶根据施工实际工程量制定材料用量。
6、工程施工顺序:抹灰工程从1~9、10~18层为两个施工段,涂料组织劳动力进场从上向下进行施工。
7、工程管理机构及岗位职责:①、项目经理:负责工程的全面管理,劳务合同的签订、工期总目标的要求等。
②、技术负责人:编制施工工艺、技术要求、质量标准、安全要求、工程详细进度计划,过程抽查及成品检查。
③、质量员:严格按照相关质量标准进行全程检查以及完成后质量验收。
④、安全员:按照安全技术操作规程对劳务工人员进行安全技术交底,做好班前安全教育、防护用品的利用、临边防护的检查,发现隐患立即整改,发现工人违规操作立即停工处理,杜绝安全事故的发生。
⑤、施工员:严格按照施工工艺及技术要求、质量标准进行施工,对班组进行技术质量标准交底,组织技术人员劳务班组长进行质量验收,控制材料用量及进度情况。
⑥、技术员:严格按照图纸设计建筑做法总说明进行对过程工序进行控制,配合施工员做好质量验收工作。
三、施工准备工作1、技术准备:按照质量通病防治措施和《建筑装饰装修工程施工质量验收标准》〔GB50201—2001要求进行技术交底工作的编制,劳务工人员进场后现场对工人进行交底,做到事前计划、过程控制,结果验收,进行样板领路的程序,先进行样板间的施工,经施工单位、监理单位、建设单位共同验收合格后进行大面积施工。
2、材料及机具准备:①、材料:白色内墙涂料、白色乳胶漆、填充料(脱胶石膏粉、装饰硅酸盐白水泥、熟胶粉、801胶水、大白粉、石膏粉、羟甲基维维素、聚醋酸乙烯乳液。
②、机具:高凳、脚手板、电动搅拌器、盛料桶、、小漆桶、胶皮刮板、天平、磅秤、刷子、排笔、开刀、钢片刮板、滚筒、腻子板、砂纸、鸡毛帚等。
3、作业条件:①、墙面应基本干燥,基层含水率不大于8%。
②、墙面的裂缝、空鼓等修补完成,过墙管道、洞口等处应提前抹灰找平。
③、门窗侧边粉刷完毕,地面施工完毕,相邻的管道设备试压合格。
④、保证施工及干燥过程中环境湿度<85%,温度>10℃,有良好的通风条件。
⑤、做好样板间并通过验收合格。
4、建筑做法(建筑做法总说明)①、根据图纸设计:住宅内墙,顶棚为普通腻子,面层白色乳胶漆,墙为普通腻子,面层为白色乳胶漆。
②、非住宅面墙,顶棚为普通腻子,地下室顶棚为耐水腻子,面层为白色内墙涂料,墙为普通腻子,面层为白色内墙涂料。
四、施工方法及工艺要求1、工艺流程:①、顶棚刮腻子工艺流程:基层验收(工序交接检)→基层清理→结构板底弹线做标点→顶棚四周阴角找平直→顶棚局部找平→满刮腻子一遍→打磨→面层腻子满刮→扫尾修头。
②、墙面刮腻子工艺流程:基层验收(工序交接检)→基层清理→预留贴脚线上口弹线→满刮腻子一遍→打磨→面层腻子满刮→贴脚线施工→扫尾修头。
③、白色内墙乳胶漆施工工艺流程:(墙面)基层验收(工序交接检)→满批柔性腻子一道→打磨→刷硅橡胶弹性底漆一道→第一遍乳涂刷→复补腻子→第二遍乳胶漆涂刷→清理修头。
(顶棚)基层验收(工序交接检)→基层清理→结构板底弹线做标点→顶棚四周阴角找平直→顶棚局部找平→满刮腻子一遍→打磨→面层腻子满刮→打磨→第一遍乳涂刷→复补腻子→第二遍乳胶漆涂刷→清理修头。
2、操作工艺:①、基层验收:基层验收时表面要保持平整洁净,无浮砂、油污,表面凹凸太大的部位要先剔平砂浆补齐,脚手架眼要先堵塞严密并抹平,水暖、通风管道通过墙面或顶棚的管道、开关箱、等部位必须用砂浆堵严修平整并清理干净,检查墙面抹灰层是否有空鼓、开裂、墙面的垂直、平整及阴阳角方正等缺陷,如有缺陷及时处理改正。
②、基层清理;首先在批灰前要把顶棚上的钉子、铁丝凿除,混凝土的接槎修凿打磨平整,外露的铁钉、铁件用防锈漆进行封闭处理。
墙面批灰前首先要对墙面的浮砂予以清除,对门窗与墙面交接处予以清理到位。
对于结构面误差在2CM以上的,要求主体班组凿平。
③、顶棚批灰前必须在顶棚阴角的墙面上弹好平直控制线,保证四周阴角通顺平直,每个房间必须有五个点控制标高。
眼观不得有高差和水波浪现状。
墙面上弹出贴脚线的控制线并贴好美纹纸。
④、顶棚批灰首先按照弹好的控制线对四周阴角和板面高低处用500mm大抹子找平直,如遇高差大于8mm以上的地方先用防裂砂浆分多次找平,阴角往顶棚方向找平宽度不小于500mm,所有梁柱阴阳角都用白水泥整角、地下室批灰掺30%~40%白水泥、楼层批灰掺20%~30%白水泥⑤、顶棚、墙面批灰必须用50mm以上的大板施工,顶棚第一遍批灰厚度控制在2~3mm,平行于房间的长边方向依次进行施工。
第二遍面层腻子施工必须等底层腻子完全干燥并打磨平整后进行施工,面层厚度控制在1~2mm,平行于房间的短边方向用大板进行满批,同时待腻子6~7成干时必须用橡胶刮板进行压光修面,来保证面层平整光洁,纹路顺直、颜色均匀一致。
⑥、墙面批灰与顶棚批灰施工工艺相同,即施工方向不同,墙面批灰二遍厚度控制在2~2.5mm内,第一遍水平方向进行施工,第二遍垂直方向进行施工,特别是开关、插座、空调洞周围的施工。
⑦、顶棚、墙面批灰严格按照上述施工工艺①~⑥条进行施工,同时要注意整体施工程序,必须先顶棚后墙面,顶棚与墙面第一道腻子批完成打磨后方可进行面层腻子施工,并且面层腻子施工要等到墙面抹灰、楼地面、门窗安装工程结束后方能进行面层腻子施工。
⑧、在面层施工时必须要有对其它专业的成品保护措施,对已成品的楼地面用彩条布进行覆盖保护,门窗边框贴胶带等,严禁交叉污染,所有阴阳角在面层施工时必须使用尖角的阴阳角抹子压光捋顺直,楼层门窗阴阳角都需拉通线整角,保持几何尺寸一致。
⑨、公共部位白色内墙涂料施工:基层批腻子与顶棚墙面施工程序、做法相同,面层内墙涂料施工严格按照施工工艺第③条进行施工。
面层施工必须在相关工种全部完成后方可进行施工。
⑩、外墙乳胶漆施工工艺与内墙相同,基层腻子必须采用外墙腻子进行施工。
五、质量要求与检验标准1、本分项工程所需用的材料、成品、半成品等按照材料的质量标准要求,都要具备材料合格证书并进行现场抽样复试检测,并有有复试检测报告。
2、住房部位腻子施工①、腻子面层应坚实牢固,手摸面层光滑平整、不掉粉、不起皮和开裂现象。
②、腻子面层要平整,平整度控制在2mm以内;阴阳角方正控制2mm以内;阴阳角要顺直平整,平直度控制在3mm以内,同时眼观阴阳角不得有水波浪现象;贴脚线与墙面、卫、厨顶棚与墙面的分界线要平直,平直度控制在3mm以内,同时分界线上下不同材料面层不得交叉污染,分界线上下要平整光洁口部无毛刺。
③、本分项腻子面层在同一单元楼层内的顶棚、墙面颜色要均匀一致,所有门窗边、开关面板、灯具、管道、空调洞(Φ75PVC管)等周边要清洁干净,不得有毛刺,同时不得污染楼地面和其它专业相关设施。
④、公共部位的踢脚线等地面完成再做,踢脚施工时分色明显,线口顺直。
3、内墙涂料、乳胶漆的施工①、涂料面层所用的品种、型号、性能要符合本工程的设计要求,并要具备材料合格证书并进行现场抽样复试检测,并有有复试检测报告。
②、公共部位白色内墙涂料基层检验标准与住房部位腻子工程检验标准相同。
③、乳胶漆面层涂饰要均匀、粘结牢固,不得有漏涂、透底、起皮和掉粉。
④、本分项乳胶漆面层在同一单元楼层内的顶棚、墙面颜色要均匀一致,所有门窗边、开关面板、灯具、管道等周边要清洁干净,不得有毛刺,同时不得污染楼地面和其它专业相关设施。
同时乳胶漆面层不得有泛碱、咬色,面层无流坠,无疙瘩、无砂眼,刷纹要细顺,手摸光滑洁净。
⑤、本分项工程的线条,分界线、阴阳角必须顺直,直线度控制在2mm以内,同时直观不得有缺棱掉角现象,并且必须做好相关工种的成品保护工作。
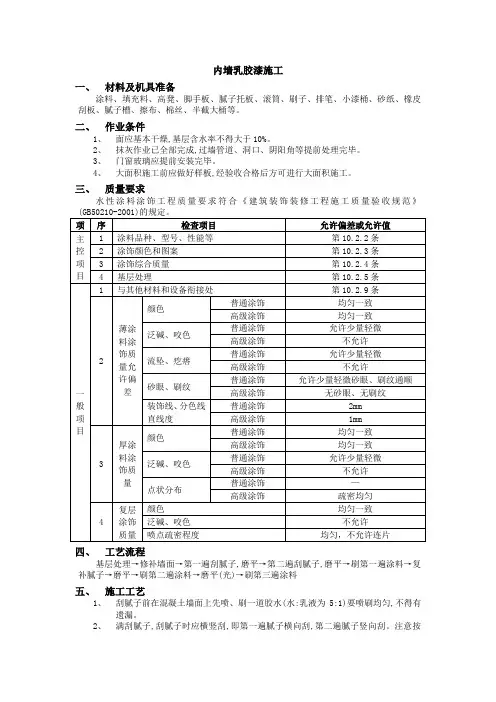
⑥、涂料涂饰工程质量应符合《建筑装饰装修工程施工质量验收规范》(GB50210-2001)的规定。
见下表:项序检查项目允许偏差或允许值主控项目1 涂料品种、型号、性能等第10.2.2条2 涂饰颜色和图案第10.2.3条3 涂饰综合质量第10.2.4条4 基层处理第10.2.5条一般项目1 与其他材料和设备衔接处第10.2.9条2薄涂料涂饰质量允许偏差颜色普通涂饰均匀一致高级涂饰均匀一致泛碱、咬色普通涂饰允许少量轻微高级涂饰不允许流坠、疙瘩普通涂饰允许少量轻微高级涂饰不允许砂眼、刷纹普通涂饰允许少量轻微砂眼、刷纹通顺高级涂饰无砂眼、无刷纹装饰线、分色线直线度普通涂饰2mm高级涂饰1mm3厚涂料涂饰质量颜色普通涂饰均匀一致高级涂饰均匀一致泛碱、咬色普通涂饰允许少量轻微高级涂饰不允许点状分布普通涂饰—4、主控项目①、涂饰工程所用涂料的品种、型号和性能应符合设计要求。
检验方法:检查产品合格证、性能检测报告和进场验收记录。
②、涂饰工程的颜色、图案应符合设计要求。
检验方法:观察检查。
③、基层处理应符合本作业指导书3.2.1条的要求。
检验方法:观察和手摸检查,检查施工记录。
室内乳胶漆工程的涂饰质量和检验方法应符合下表4.2.1的规定:表4.2.1□室内乳胶漆工程质量和验收方法表六、质量标准1、涂料、乳胶漆的稠度要根据不同的材料、性质和环境而确定,不可过稀,要使在施工过程中不透底、不流坠、不显刷纹。
施工过程中不得擅自加兑水。
2、多组份涂料或聚氨酯乳胶漆按配合比混合在规定的时间内用完,并在使用时再充分的进行搅拌。
3、下一遍涂料或聚氨酯乳胶漆在上一层施工面充分干燥后再行施工。
4、涂料或聚氨酯乳胶漆必须有总挥发性有机化合物和游离甲醛含量均由产品合格证书和必要性能检测报告,材料的品种、规格、色彩性能均应符合现行国家产品标准或设计要求,不合格的材料不得在工程中使用,并应符合设计要求和《民用建筑工程室内环境污染控制规范》GB50325规定。
七、施工注意事项1、遮盖力差、透底:涂刷多道,仍可见基底的颜色或整体颜色不均匀,主要原因及解决方法是鲜红、鲜黄材料本身遮盖力差,应适当增加面漆涂刷层数;涂料被过度稀释,漆膜太薄,应控制稀释比例,按产品说明书调整,涂刷带颜色的乳胶漆,配料要合适,保证独立面每遍用同一批涂料,并宜一次用完,保证颜色一致。
2、流坠:涂膜部分下垂状态,主要原因:涂料过度稀释,涂膜一次施工过厚,滚筒、刷子蘸料太多,涂料干燥速度太慢,解决方法:铲除流坠涂膜,提高施工技术,确保涂膜一次施工不要太厚,减少加水量,加快干燥速度。