装修公司工程验收表格
- 格式:doc
- 大小:150.50 KB
- 文档页数:13
建筑装潢工程监理验收表格
一、项目信息
- 项目名称:
- 建设单位:
- 监理单位:
- 施工单位:
- 监理日期:
二、验收内容
1. 招标文件的审查情况:
- 是否符合法律法规和相关标准要求?
- 是否明确了工程质量要求和验收标准?
2. 施工单位的资质情况:
- 施工单位是否具备合法的资质证书?
- 施工单位是否按照要求提供了相关资质证明文件?
3. 建筑装饰装修工程的施工过程:
- 施工过程是否符合设计文件要求?
- 施工质量是否达到相关标准?
4. 建筑装饰装修工程的主要质量问题:- 墙体材料的平整度和垂直度是否达标?- 地面铺装是否顺直平整?
- 木工制品的尺寸和安装是否符合要求?
5. 防水材料和施工质量:
- 防水层的材料选择是否正确?
- 防水层的施工是否符合要求?
6. 电气设备和线路安装:
- 电线电缆的敷设是否规范?
- 开关插座的安装是否牢固可靠?
三、结论及建议
- 对建筑装潢工程的整体质量进行评价。
- 如有需要,提出改进建议或补救措施。
四、监理意见
- 监理单位对工程质量是否满意?
- 如有不满意的地方,请具体说明并提出合理要求。
五、验收人员签字
- 建设单位代表:
- 监理单位代表:
- 施工单位代表:
- 验收日期:。
工程竣工验收条件检查
注:由建设单位填写。
工程开工报告
单位(子单位)工程竣工报告(竣工申请书)
木门窗制作工程检验批质量验收记录表(一)
轻质隔墙龙骨隐蔽检查记录
骨架隔墙工程检验批质量验收记录
GB50210-2001
活动隔墙工程检验批质量验收记录表
饰面板砖分项工程质量验收记录
饰面板安装工程检验批质量验收记录表(一)
GB50210-2001
饰面板安装工程检验批质量验收记录表(二)
GB50210-2001
饰面砖粘贴工程检验批质量验收记录表
GB50202-2002
涂饰分项工程质量验收记录
水性涂料涂饰工程检验批质量验收记录表
水性涂料涂饰工程检验批质量验收记录表
溶剂型涂料涂饰工程检验批质量验收记录表
分部(子分部)工程质量验收记录
给排水分项工程质量验收记录
电气配管线隐蔽检查记录
电线、电缆穿管和线槽敷线检验批质量验收记录表
GB50303-2002
电线导管、电缆导管和线槽敷线检验批质量验收记录表
GB50303-2002
(Ⅰ)室内
电线导管、电缆导管和线槽敷线检验批质量验收记录表
GB50303-2002
(Ⅰ)室内。
装饰工程验收表格一、基本信息1. 项目名称:2. 建设单位:3. 施工单位:4. 设计单位:5. 监理单位:6. 验收日期:二、验收内容1. 工程概况:简要描述工程的规模、用途和主要施工内容。
2. 主要材料:列出使用的主要装饰材料,包括墙面、地面、天花板、门窗等,并注明材料的品牌、型号和质量要求。
3. 装饰设计:对装饰设计方案进行评估,包括色彩搭配、空间布局、灯光设计等。
4. 建筑工程验收:(1) 结构验收:检查房屋结构的稳定性、承重能力和防震性能。
(2) 建筑装饰验收:检查墙面、地面、天花板、门窗等装饰是否平整、牢固,并符合相关质量标准。
(3) 给排水验收:检查给水、排水管道是否畅通,并符合相关标准。
(4) 供电验收:检查供电系统的安全性和可靠性。
5. 室内装饰验收:(1) 墙面验收:检查墙壁的平整度、涂料是否均匀、是否存在刷漏等问题。
(2) 地面验收:检查地板的平整度、铺装质量和材料的合格性。
(3) 天花板验收:检查天花板的平整度、吊顶的牢固性、吊灯的安装质量。
(4) 门窗验收:检查门窗的开启灵活性、密封性和安装质量。
(5) 灯具验收:检查灯具的安装位置、照明效果和灯具配电线路的安全性。
6. 室外装饰验收:(1) 外墙验收:检查外墙涂料的均匀性、颜色的一致性和墙体的平整度。
(2) 屋面验收:检查屋面的防水效果和施工质量。
(3) 喷泉、雕塑等装饰物验收:检查喷泉的水流、雕塑的细节和整体效果。
7. 设备验收:(1) 空调系统验收:检查空调系统的制冷、制热效果和室内温度控制。
(2) 给排水设备验收:检查给水、排水设备的工作正常性和安装质量。
(3) 照明设备验收:检查灯具的照明效果、开关的正常使用和配电线路的安全性。
(4) 音响设备验收:检查音响设备的音质、音量控制和音响线路的接口是否正常。
8. 室内装修细节验收:(1) 墙面装饰:检查壁纸、瓷砖、涂料等墙面装饰材料的质量和施工质量。
(2) 地面装饰:检查地板、地毯等地面装饰材料的质量和铺设效果。
装修验收单表格范本
一、基本信息
委托方:XXX
联系电话:XXX-XXXX-XXXX
设计方:XXX
联系电话:XXX-XXXX-XXXX
施工方:XXX
联系电话:XXX-XXXX-XXXX
装修地址:XXX
验收日期:XXXX年XX月XX日
二、验收项目及标准
1. 地面工程
验收标准:地面平整、无裂纹、无明显色差等。
2. 墙面工程
验收标准:墙面平整、无气泡、无污染、无脱落等。
3. 天花板工程
验收标准:天花板平整、无变形、无污染等。
4. 门窗工程
验收标准:门窗开启自如、无损坏、无变形等。
5. 水电工程
验收标准:开关插座工作正常、无漏电现象,水路畅通无渗漏等。
6. 卫生工程
验收标准:卫生间设施齐全、无渗漏、无异味等。
7. 细节处理
验收标准:细节处理到位,无遗漏等。
三、验收结果及处理意见
1. 合格,无需整改。
2. 不合格,需要施工方进行整改。
整改完成后,需重新验收。
3. 其他意见及建议。
四、委托方签字
本人已认真阅读以上验收标准和处理意见,对本次装修工程的质量表示认可或提出异议。
委托方签字:__________ 日期:XXXX年XX月XX日。
装修验收表格模板北辰星座20幢1-301室内装饰装修工程竣工验收单验收号:工程名称施工单位:竣工时间:工程内容:工作内容:室内装饰设计与施工,或承包内容承包方式:全包(包工包料)本装修工程验收标准根据中华人民共和国《室内装饰设计规范》《室内装饰装修工程施工规范》《建筑装饰装修工程质量验收规范》及国家相关强制性条文等有关规定制定。
本标准共分十二部分:一、电改造工程验收标准1.同一房间同一类型的开关、插座高度一致,相邻面板间的间距一致,安装牢固、盖板端正、位置合理、表面清洁。
2.所有房间灯具使用正常。
3.所有房间电源及空调插座使用正常。
4.所有房间电话、音响、电视、网络线可正常使用。
5.提供本次装修线路改造的竣工图,标明导线规格及线路走向。
6.所有安装的电器设备(如排气扇、感应设备等)使用正常。
7.检查各设备接地装置是否严格按要求进行接地。
二、水改造工程验收标准1.所有龙头使用方便、滤网清洁干净。
2.排水件安装牢固平稳、无损伤、使用方便、排水通畅。
3.水池及水管应打压测试,无泄漏现象。
三、室外墙砖(石材)工程验收标准1.表面洁净,不得有划痕,色泽均匀,图案清晰,接缝均匀,板块无裂纹、缺棱掉角等现象。
2.墙砖(石材)粘贴时,平整度用2M靠尺检查;平整度≤2㎜,相邻间缝隙宽度≤2㎜,平直度≤3㎜,接缝高低差≤1㎜。
3.墙砖(石材)粘贴时必须牢固,无歪斜。
空鼓控制在总数的5%,单片空鼓面积不超过10%。
4.墙砖(石材)粘贴阴阳角必须用角尺检查成90度,砖粘贴阳角必须45°碰角,碰角严密,缝隙贯通。
5.墙砖(石材)切开关插座位置时,位置必须准确,保证开关面板装好后缝隙严缝。
6.墙砖(石材)的管道出口位掏孔处理,掏孔处应严密。
墙砖(石材)的镶贴应该与门洞的交口平整,缝隙应该顺直均匀。
地砖验收标准:1.地砖表面应该洁净,纹路一致,无划痕、无色差、无裂纹、无污染、无缺棱掉角等现象。
2.地砖边与墙交接处缝隙应该合适,踢脚线能完全将缝隙盖住。
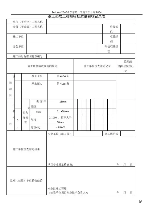
专业监理工程师:(建设单位项目专业技术负责人):年月日单位(子单位)工程名称分部(子分部)工程名称验收部位施工单位项目经理分包单位分包项目经理施工执行标准名称及编号施工质量验收规范的规定施工单位检查评定记录监理(建设)单位验收记录主控项目1 材料质量第4.9.6条2 配合比或强度等级设计要求3 有防水要求套管地漏第4.9.8条一般项目1 找平层与下层结合结合牢固无空鼓2 找平层表面质量第4.9.10条3表面平整度、标高用胶粘剂做结合层,铺设拼花木板、塑料板、复合板、竹地板面层表面平整度2mm标高±4mm 用沥青玛脂做结合层铺拼花木板,板块面层及毛地板铺木地板表面平整度3mm标高±5mm 用水泥砂浆做结合层,铺板块面层,其他种类面层表面平整度5mm标高±8mm 4 坡度2/1000且不大于30mm5厚度(H)<1/10H施工单位检查评定结果专业工长(施工员)施工班组长`项目专业质量检查员:年月日监理(建设)单位验收结论水泥钢(铁)屑面层工程检验批质量验收记录表芙蓉江浩口水电站工程一般抹灰工程检验批质量验收记录表承建单位:中国水利水电第十四工程局有限公司合同编号:YHSD/SG001-2013 №芙蓉江浩口水电站工程装饰抹灰工程检验批质量验收记录表承建单位:中国水利水电第十四工程局有限公司合同编号:YHSD/SG001-2013 №清水砌体勾缝工程检验批质量验收记录表金属门窗安装工程检验批质量验收记录表金属门窗安装工程检验批质量验收记录表金属门窗安装工程检验批质量验收记录表玻璃幕墙工程检验批质量验收记录表玻璃幕墙工程检验批质量验收记录表(一般项目)金属幕墙工程检验批质量验收记录表。
备注:此表格应在相应工作完成时及时填写,不得一次填写多张表格。
客户签字:项目经理:监理:
年月
泥水工砌粉工程验收表
备注:此表格应在相应工作完成时及时填写,不得一次填写多张表格。
客户签字:项目经理:监理:
年月日
防水工程验收表
备注:此表格应在相应工作完成时及时填写,不得一次填写多张表格。
客户签字:项目经理:监理:
年月日
抹灰工程(墙、地面)验收表
客户签字:项目经理:监理:
年月日
瓦工铺贴工程验收表
客户签字:项目经理:监理:
年月日
木工工程验收表
客户签字:项目经理:监理:
年月
油漆工工程验收表
客户签字:项目经理:监理:年月日。
工程竣工验收条件检查
注:由建设单位填写。
单位工程竣工技术文件材料目录
验收时间:2016年05月22日
工程名称:
砖砌体分项工程质量验收记录
地面分项工程质量验收记录
饰面砖粘贴工程检验批质量验收记录表
抹灰分项工程质量验收记录
GB50210-2001
门、门套、窗套分项工程质量验收记录
木门窗制作工程检验批质量验收记录表(一)
GB50210-2001
GB50210-2001
吊顶分项工程质量验收记录
GB50210-2001
隔墙分项工程质量验收记录
轻质隔墙龙骨隐蔽检查记录
骨架隔墙工程检验批质量验收记录
饰面板砖分项工程质量验收记录
饰面板安装工程检验批质量验收记录表(一)
GB50210-2001
涂饰分项工程质量验收记录
GB50210-2001
GB50210-2001
GB50210-2001
给排水分项工程质量验收记录
电气配管线隐蔽检查记录
电气配线隐蔽检查记录
GB50303-2002
GB50303-2002
GB50303-2002。
装饰装修-工程竣工验收表格大全(总204页)-CAL-FENGHAI.-(YICAI)-Company One1-CAL-本页仅作为文档封面,使用请直接删除目录目录........................................... 错误!未指定书签。
工程概况表..................................... 错误!未指定书签。
施工现场管理检查记录............................... 错误!未指定书签。
装修部分........................................ 错误!未指定书签。
砖砌体报验申请表................................... 错误!未指定书签。
砖砌体工程检验批质量验收记录表..................... 错误!未指定书签。
一般抹灰报验申请表................................. 错误!未指定书签。
一般抹灰工程检验批质量验收记录表................... 错误!未指定书签。
防锈漆喷涂报验申请表............................... 错误!未指定书签。
防锈涂料涂装工程检验批质量验收记录表............... 错误!未指定书签。
钢结构桁架制作(安装)焊接报验申请表............... 错误!未指定书签。
钢结构制作(安装)焊接工程检验批质量验收记录表 ..... 错误!未指定书签。
钢结构桁架零件、部件加工报验申请表................. 错误!未指定书签。
钢结构零、部件加工工程检验批质量验收记录表......... 错误!未指定书签。
骨架隔墙报验申请表................................ 错误!未指定书签。
隐蔽工程验收记录表................................. 错误!未指定书签。
装饰公司工程验收单项目概述本次工程验收单是为了对装饰公司的工程进行最终验收,确认工程的质量和完工情况是否符合合同要求和设计要求。
本次工程是在某某时间段内进行的装饰施工工程,包括室内装修和外立面装修。
通过本次验收,将对工程的各项指标进行检测,以确保装饰公司按照设计要求完成工程。
验收标准1.室内装修:地面平整度、墙面平整度、天花板平整度、装饰材料的选择和使用质量等。
2.外立面装修:灰饰面的平整度、材料的选择和使用质量、色彩协调性等。
3.安全性:施工过程中是否按照安全规范进行,电路的布线是否符合标准,消防安全是否达到规定要求等。
4.环保性:装修材料的环保指标是否符合国家标准,是否存在甲醛等有害物质超标情况。
5.装修工期:是否按照合同约定的时间节点完成工程。
验收过程1.装饰公司提交工程完工报告。
2.验收单位组织工程验收专家进行现场验收。
3.验收专家根据验收标准对工程进行检测和评估。
4.验收专家填写验收报告,包括工程的质量状况、合格率和存在的问题。
5.验收单位对验收报告进行审核,并将审核结果反馈给装饰公司。
验收内容1.室内装修:–地面平整度:使用水平仪对地面进行测量,确认地面平整度是否符合要求。
–墙面平整度:使用尺子对墙面进行测量,检查墙面是否平整。
–天花板平整度:使用尺子或者水平仪对天花板进行测量,确认天花板平整度是否合格。
–装饰材料的选择和使用质量:对使用的装饰材料进行检测,确认其质量是否符合标准。
2.外立面装修:–灰饰面的平整度:使用尺子对灰饰面进行测量,检查其平整度是否达到要求。
–材料的选择和使用质量:对使用的材料进行检测,确认其质量是否符合标准。
–色彩协调性:对外立面进行全面的视觉检查,确认色彩协调性是否良好。
3.安全性:–施工过程中的安全规范:检查施工过程中是否按照安全规范进行,包括施工区域的防护措施、安全通道的设置等。
–电路布线是否符合标准:检查电路布线是否符合国家标准,确认是否存在安全隐患。
表一般抹灰的允许偏差和检验方法表4.3.9 装饰抹灰的允许偏差和检验方法表5.2.17 木门窗制作的允许偏差和检验方法表5.3.11 钢门窗安装的留缝限值、允许偏差和检验方法表5.3.13 涂色镀锌钢板门窗安装的允许偏差和检验方法表5.4.13 塑料门窗安装的允许偏差和检验方法表5.5.9 推拉自动门安装的留缝限值、允许偏差和检验方法表5.5.10 推拉自动门的感应时间限值和检验方法表6.2.11 暗龙骨吊顶工程安装的允许偏差和检验方法表6.3.11 明龙骨吊顶工程安装的允许偏差和检验方法表7.2.10 轻质隔墙安装的允许偏差和检验方法表7.5.10 玻璃隔墙安装的允许偏差和检验方法表8.2.9 饰面板安装的允许偏差和检验方法表9.2.18 一个分格铝合金型材的表面质量和检验方法表9.2.24 隐框、半隐框玻璃幕墙安装的允许偏差和检验方法表9.3.17 每平方米金属板的表面质量和检验方法表9.3.18 金属幕墙安装的允许偏差和检验方法表9.4.19 每平方米石材的表面质量和检验方法表10.2.6 薄涂料的涂饰质量和检验方法表10.2.7 厚涂料的涂饰质量和检验方法表10.2.8 复层涂料的涂饰质量和检验方法表10.3.7 清漆的涂饰质量和检验方法表11.3.9 软包工程安装的允许偏差和检验方法表12.2.10 橱柜安装的允许偏差和检验方法表12.3.8 窗帘盒、窗台板和散热器罩的允许偏差和检验方法表12.4.6 门窗套安装的允许偏差和检验方法表12.5.9 护栏和扶手安装的允许偏差和检验方法表12.6.7 花饰安装的允许偏差和检验方法表13.0.6 有关安全和功能的检测项目表。
装修工程验收表格工程验收表工程名称:装饰装修工程工程编号:建筑名称:施工单位:序号分部工程名称1 XXX 施工单位自评企业技术负责人:(签章)年月日项目负责人。
2 勘察设计年月日总监理工程师。
监理单位年月日项目负责人。
3 建设单位年月日注:表格内容要求用碳素墨水填写。
(签章)(签章)(签章)建设单位评定施工单位参加验收单位经典文档下载完可编辑复制子单位)工程观感质量检查记录工程名称:交换空间装饰装修工程序号项目1 电梯2 智能建筑现场设备安装3 交换空间装饰装修工程施工单位:XXX质量评价好一般差1 √2 √3 √4 √5 √6 √7 √8 √抽查质量状况项目1 室外墙面√ √ √ √ √ √ √ √2 建筑与结构变形缝√ O √ O √ O O O √ O O /3 水落管、屋面√ O √ / / / / / / / / /4 室内墙面√ √ √ √ √ √ √ √5 室内顶棚√ √ √ / / / / / / / / /6 室内地面√ √ √ / / / / / / / / /7 楼梯、踏步、护栏√ O √ / / / / / / / / /8 门窗√ √ √ / / / / / / / / /9 给排水√ O √ √ √ O O √ O O /10 采暖√ O √ / / / / / / / / /11 建筑电气√ √ √ / / / / / / / / /12 通风与空调√ √ O O √ O O √ O O /13 管道接口、坡度、支架√ O √ √ √ O O √ O O /合格;O:不合格;/:不适用。
经典文档下载完可编辑复制工程名称:交换空间装饰装修工程施工单位:XXX分包单位:(无)序号检验批部位、区段检验批数结构类型项目经理分包单位负责人施工单位检查评定结果监理(建设)单位验收结论1 一层室内木门制作 14 合格同意验收2 无说明:该检验批为普通木门窗安装检验批,全部合格。
经监理(建设)单位验收,同意验收。
贵州巧木匠装饰
装饰工程验收表
客户姓名:联系电话:
工程地址:
项目负责人:联系电话:
贵州巧木匠装饰工程有限公司
客户授权施工责任书
甲方(客户):
乙方:贵州巧木匠装饰工程有限公司
甲方在__________________________________工程中,委托乙方
施工:
1.拆除部分:
2.开关、插座和灯位(墙、顶面开槽走线):
开关:墙面移动□墙面增加□其他:
_________________
插座:墙面移动□墙面增加□其他:
_________________
灯位:墙面移动□墙面增加□顶部移动□顶
部增加□
其他:________________________
3.水工、水料:
墙面开槽走水管:厨房□卫生间□其
他:_________________
其他:_________________________
以上项目甲方已在有关部门办理完许可证,特此授权乙方开
始施工,由此产生的相关责任有甲方承担。
甲方代表签字:乙方代表签字(盖章):
年月日年月日
进场材料检验记录单
进场材料检验记录单
进场材料检验记录单
水电工程验收单
客户姓名:工程地址:合同编号:
防水验收单客户:合同编号:
防水验收单
隐蔽工程验收单
客户姓名:工程地址:合同号:
隐蔽工程验收单
吊顶工程验收单
墙面涂饰工程验收单客户:合同编号:
饰面砖及石材验收单客户:合同编号:
竣工验收单合同编号:。