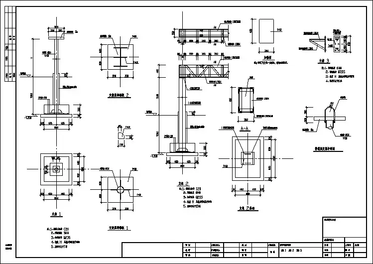
管道支吊架通用图,洛阳设计院
- 格式:pdf
- 大小:5.07 MB
- 文档页数:36
中石化洛阳设计院敷塔配管设计
一、洛阳石化敷塔配管设计概要
1.工程背景
洛阳石化公司对现有的管道系统进行加装新管线,与新建的敷塔系统相连接,为此需要进行专业的敷塔配管设计。
2.工程任务
根据洛阳石化公司的现有管道系统及敷塔系统设计概要,利用计算机辅助设计方法,设计敷塔配管,配置管道和塔腔,满足敷塔系统的工作要求。
3.工程范围
此次设计主要针对洛阳石化公司敷塔配管工程,设计范围包括:敷塔及其连接的管道系统,塔腔以及相关的支撑设计等;管道设计范围包括:管道路线,管径尺寸,管件类型及材料选择,设备拆装布置等;塔腔设计范围包括:塔腔口径,塔腔容积,塔腔材料选择,塔腔拆装,支撑架数目等。
4.工程设计方法
在设计敷塔配管系统时,首先要根据客户现场的现状、工艺要求及设备安装空间进行测绘调研;然后,根据工艺参数填写工艺流程,确定流体特性及操作参数;再根据工艺流程结果,计算出管道系统的管径、管件尺寸以及塔腔的口径、容积等;最后。
本手册作标准设计(修改本)用根据1983年5月20日水利电力部电力规划设计院(83)水电电规技字第39号文“关于发送一九八三年电力设计标准化计划项目的通知”,本手册应正名为“汽水管道支吊架标准设计”。
考虑到生产施工实践尚不充分,故定名为手册,并作“汽水管道支吊架标准设计”(修改本)使用,待在工程中总结经验并进行必要修改后再正式报此为标准设计。
水利电力部西北电力设计院一九八三年七月西安前言在电站汽水管道的设计和安装中支吊架是一项相当重要的工作。
随着机组容量和参数的提高,对支吊架的功能及型式也提出了新的要求:除承受管道自重的一般支吊架型式外,还产生了限制管道位移的限位装置,保持管道在冷热状态时支吊点的荷载恒定不变的恒力支吊架,以及防止或减缓管道振动的减振器等。
支吊架设计得好坏,及结构型式选用得恰当与否将影响管道(特别是高温高压管道)的应力状态和管道的安全运行。
支吊架工厂化专业生产是电力工业高速发展的一个重要措施。
它不仅提高了劳动生产率、加快管道的安装速度,而且保证了支吊架制造质量。
本手册系根据原电力部建设总局<80>火电技字第23号文和原电力部机械制造局<81>机计字第52号文下达的由我院负责,兰州电力修造厂配合的“火电厂汽水管道支吊架结构型式研究”项目进行编制的。
本手册的内容分两部分:第一部分:支吊架零部件及附录;第二部分:特殊用途支吊架装置(恒力支吊架、限位装置及减振器)支吊架零部件目录使用说明-------------------------------------------------------------------------------------------------1管部、连接件、根部索引----------------------------------------------------------------------------5组装示意图----------------------------------------------------------------------------------------------11管部-------------------------------------------------------------------------------------------------------16连接件----------------------------------------------------------------------------------------------------63根部-------------------------------------------------------------------------------------------------------88附录一、焊接符号表----------------------------------------------------------------------------------------131二、螺纹吊杆允许荷载-------------------------------------------------------------------------------131三、钢材基本许用应力-------------------------------------------------------------------------------131四、管道支吊架间接表-------------------------------------------------------------------------------132五、管道断面力学性质-------------------------------------------------------------------------------158六、根部材料表----------------------------------------------------------------------------------------160七、弹簧系列特性数据表----------------------------------------------------------------------------184八、常用武钢特性数据表----------------------------------------------------------------------------186吊杆长度计算有关尺寸参考表----------------------------------------------------------------192使用说明编制说明一、适用范围:1.容量:30万瓩及以下的机组。
1 适用范围1.1 本设计准则适用于管桥的规划和管桥上管道的设计。
1.2 配管设计的一般规定见《配管设计通则》2 管桥的布置2.1 一般事项装置内的管道多数采用架空布置,因此每条管道都需要支撑。
为使所有管道都能长期安全运行,方便施工和检修,这些架空管道需成组敷设,其支承构架,称作管桥。
管桥的布置对全装置的布置风格起着决定性的作用,所以需慎重布置。
2.2 装置内的管桥布置举例图2-1为管桥的一般布置实例,由于装置的种类或占地面积是变化的,所以不能一概而论。
应收集各专业的建议后再做出决定。
一般情况下管桥的布置与进出装置的原料及产品的工艺管管和装置内公用工程管道的接头位置有关。
(1)图a 一端式一端出入装置(2)图b 直通式两端出入装置(3)图c L形两端出入装置(4)图d T形三端出入装置(5)图e U形主管桥两端出入装置并有付管桥(6)图f I型与T型主管桥两端出入装置的组合式(7)图g 组合式主管桥两端出入装置第2页共19 页40sc004-19993 管桥上的管道布置及其他内容3.1 工艺管道(1)距离设备6M以上的管道以及与设备连接的管道。
(2)泵、容器、换热器等与贮罐或其他单元、装置连接的管道。
(3)进出各装置及单元的管道。
3.2 火炬线、放空管道3.3 仪表、电气槽盒注(1)3.4 公用工程管道(1)供应全装置的总管蒸汽、凝结水非净化风、净化风、氮气及各种水管道(2)供应装置内特定设备的总管燃料油、燃料气、锅炉水、化学药剂等。
3.5 走道,联接通道注(2)3.6 消防设备管道注(1)化工装置多采用布置于管桥上,炼油装置多采用沟设或埋设。
在基本设计条件中即应确定。
注(2)征询客户的意见,必要时设置。
4 管桥的结构型式4.1 一般规定管桥结构型式应根据规范、经济性、操作、检修、占地情况等各种因素来决定。
通常管桥为一~二层。
三层以上的管桥会使连接各单元的管道较复杂,应尽量避免采用。
整个结构型式的确定应充分考虑以下因素:(1)确定采用钢结构还是混凝土结构。
2019年第08期Expert forum国标图集《装配式管道支吊架(含抗震支吊架)》的选用衣健光'杨国荣'张兢2(1.华东建筑设计研究院有限公司上海200002;2.中国建筑标准设计研究院有限公司北京100048)摘要:本文介绍了国标图集《装配式管道吊挂支架(含抗震支吊架)》的编制背景、适用范围、编制内容以及主要技术参数的确定、装配式支吊架的组成、图集选用方法等,并给出了选用示例.关键词:标准图集装配式支吊架设计选用安装中图分类号:TU745文献标识码:B文章编号:1002-3607(2019)08-0010-04随着我国建筑工业化技术的快速发展,机电工程装配式支吊架在材料、构造、锚固、施工等方面都有了新的要求。
2015年颁布实施的国家标准《建筑机电工程抗震设计规范》(GB50981-2014)明确提出“组成抗震支吊架的所有构件应采用成品构件”;2016年1月颁布实施的国家标准《工业化建筑评价标准》(GBAT 51129-2015),提出了“机电设备管线集成技术”的得分点,装配式管道支吊架无疑是实现建筑机电管线集成技术的重要手段之一。
装配式管道支架吊和抗震支吊架应从系统集成角度出发,需要可靠、严谨的技术方案,并配合成熟的配套产品。
无论是设计企业、建设企业、施工企业还是生产企业,均急切希望出台相关技术标准指导装配式管道吊挂支架和抗震支吊架的系统化设计、生产和施工。
自2003年颁布实施《装配式管道吊挂支架安装图》(03SR417-2)以来,至今已有15余年未进行修编,现已无法满足国家标准要求。
住房和城乡建设部于2016年5月下达建质函[2016J89号文“关于印发《2016年国家建筑标准设计编制工作计划》的通知”,将《装配式管道吊挂支架安装图》(03SR417-2)纳入2016年编制计划,由中国建筑标准设计研究院有限公司和华东建筑设计研究院有限公司共同承担编制任务。
1编制内容确定1.1编制原则为了使装配式支吊架和抗震支吊架的设计与施工更加科学合理,保障工程项目可以选用安全可靠、性价比高的系统产品。
Standing pipe support, side movable, for pipes with heatinsulation, surrounding pipe support, slide bearing andfixed point, ferritic steeltemperature 20 °C to 300 °C; nominal diameter 25 to 200Werknorm8205-2August 20011233.13.241Replaces Standard 8205version 08.00Pipe supports are selected on the basis of Company Standard 8202-1 according to: - outside pipe diameter- temperature (inside pipe temperature)FPSL for mounting system types A, B and C, l= 200 mmNomenclature for a pipe support for a ND 50 pipe, Fixed point, standing, side movable, temperature up to 200 °C, insulation thickness s1 = 60 mm, prepared for mounting system type A1,anti-corrosion treatment as specified in CS 8110-F:Pipe support CS 8205-2-50 FPSL 200-60 A1-FTable 5. Dimension b for SBSL pipe supports and mounting system types A, B and CTable 7.Weights for SBSL pipe supports and mounting system types A, B and C, l1 = 200 or 300 mm3 Mounting the pipe support 3.1 Mounting system types A, B and CTable 11. Pos. V hole-centre distance t2 and slide plate size3.2 Mounting system types D1 and D2SBSL4 Pipeline thermal expansion Fig. 8. Thermal expansion: ferritic steelList of standards citedDIN 436Square washers for use in timber constructionsDIN 1014-1Steel bars; Hot rolled squares for general purpose; Dimensions, permissible deviations on dimension and formDIN 1017-1Steel bars; Hot rolled flat steel for general purpose; Dimensions, weights, permissible variationsDIN 1025-2Hot-rolled I-beams; Part 2: Wide flange I-beams, IPB series; Dimensions, masses, sectional propertiesDIN EN 10 056-1Structural steel equal and unequal leg angles; Part 1: Dimensions; German version EN 10056-1:1998DIN EN 10 278Dimensions and tolerances of bright steel products; German versionEN 10 278 :1999DIN EN ISO 4016Hexagon head bolts; Product grade C (ISO 4016:1999); German versionEN ISO 4016:2000DIN EN ISO 4018Hexagon head screws; Product grade C (ISO 4018:1999); German versionEN ISO 4018:2000DIN EN ISO 4034Hexagon nuts; Product grade C (ISO 4034:1999); German version EN ISO 4034:2000 DIN EN ISO 7091 Plain washers; Normal series; Product grade C (ISO 7091:2000); German versionEN ISO 7091:2000CS 8101-1Heat insulation; insulation layer thickness, definitions, termsCS 8110Pipe supports; anti-corrosion treatment; specificationsCS 8202-2Pipe supports, standing, for pipes with heat insulation, surrounding pipe support, slide bearing and fixed point; ferritic steel, temperature 20 °C to 300 °C; nominal diameter25 to 200CS 8226Pipe supports; slide plates and separator plates for piping, ND 25 toND 200CS 8227Pipe supports; hook boltsCS 8250Pipe supports; pipe clamps for nominal diameters 15 to 1000CS 8252Pipe supports; pipe clamps for nominal diameters 25 to 500CS 8399Pipe supports; lock washer for double-angle bridgesPrevious versionsCS 8205: 1970-12; 1974-05; 1976-05; 1980-11; 1982-04; 1988-09; 1998-10; 2000-08ChangesThe following changes were made to the version of August 2000:a) Company standard 8205 was revised and issued separately CS 8205-2 for ferritic steel.b) DIN standards updated.。