6.6 活动断裂
- 格式:ppt
- 大小:306.50 KB
- 文档页数:10
注:①凡在全新世时期(10000a)内有过地震活动或近期正在活动,在今后100a内可能继续活动的断裂为全新活动断裂;②全新活动断裂中,近期(近500a来)发生过地震震级M≥5级的断裂,或在今后100a内,可能发生M≥5级的断裂,称发震断裂。
注:①多年冻土,按形成和存在的自然条件不同,可分为高纬度多年冻土和高海拔多年冻土两种类型。
高纬度多年冻土,主要分布于东北北部;高海拔多年冻土,主要分布于青藏高原、喜马拉雅山、长白山、阿尔泰山、天山、祁连山、横断山等地。
注:①冻胀率(η%)。
为冻土体冻结后高度hl与冻土体冻结前高度h之差和冻结前高度比的百分比;②W P—塑限含水量(%)。
注:①融化下沉系数(A%)是和土的冻前天然含水量W与塑限含水量W P之差的有效融化下沉含水量有关,即A=(W-W P)K0 K-融化下沉常数,其平均值为0.61。
②地质环境质量评价中,评价项目强弱等级(分四级)划分时,表中Ⅳ、Ⅴ级同划分为Ⅳ级。
注:①本表流失厚度系按土壤容量1.35g/cm折算,各地可按当地土壤容量计算;②地质环境质量评价中,当评价项目强弱等级按四级划分时,表中微度与轻度合并为第Ⅰ级,极强度与剧烈合并为第Ⅳ级。
注:①δx-水平应力,δy-垂直应力;②地质环境质量评价中,评价项目强弱等级(分四级)划分时,表中“极不稳定级”划分第Ⅳ级。
注:①灾情分级,即已发生的地质灾害灾度分级,采用“死亡人数”或“直接经济损失”栏指标评价。
分级名称采用一般级、较大级、重大级和特大级;②危害程度分级,即对可能发生的地质灾害危害程度的预测分级,采用“受威胁人数”或预评估的“直接经济损失”栏指标评价。
分级名称采用轻级、中级、重级和特重级。
注:①泥石流规模等级指标中:体积,指固体物质一次冲出量;流域面积,主要在1:25万调查时采用;②泥石流和地面沉降规模等级的两个指标不在同一级次时,按从高原则确定。
A23 地质环境质量评价中,地质环境背景条件和人类工程活动强度有关评价项目(因子)强弱等级,可按表A23-1、2、3、4、5、6、7、8划分。
甘肃迭部—白龙江南支断裂中东段晚第四纪构造活动特征刘兴旺;袁道阳;邵延秀;吴赵【摘要】通过卫星影像解译、野外实地调查与地质填图,对甘肃东南部迭部—白龙江南支断裂中东段晚第四纪构造活动特征进行了研究.结果表明:迭部—白龙江南支断裂中段活动性明显强于东段;中段线性特征明显,可见清晰的断崖,不同期次的阶地之上都有断层陡坎发育,晚第四纪以来有过明显活动,最新活动的离逝时间为1 300年左右,属于全新世活动断裂;东段活动性明显减弱,没有发现断错全新世地层的证据,在地貌上多表现为线性沟谷,属于晚更新世断裂.根据对断错阶地的测量和年代测试,迭部—白龙江南支断裂中段左旋滑动速率为每年(1.3±0.1)mm,垂直滑动速率为每年(0.39±0.04)mm.【期刊名称】《地球科学与环境学报》【年(卷),期】2015(037)006【总页数】9页(P111-119)【关键词】活动断裂;晚第四纪;滑动速率;阶地;全新世;迭部—白龙江断裂;甘肃【作者】刘兴旺;袁道阳;邵延秀;吴赵【作者单位】中国地震局兰州地震研究所,甘肃兰州730000;兰州地球物理国家野外科学观测研究站甘肃兰州730000;兰州大学资源环境学院,甘肃兰州 730000;兰州大学西部环境教育部重点实验室,甘肃兰州 730000;中国地震局兰州地震研究所,甘肃兰州730000;中国地震局兰州地震研究所,甘肃兰州730000;兰州地球物理国家野外科学观测研究站甘肃兰州730000;中国地震局兰州地震研究所,甘肃兰州730000【正文语种】中文【中图分类】P5460 引言甘肃省东南部地区位于青藏活动块体东部边缘,在大地构造分区上位于SN向与EW向构造分区的交汇部位,也是中国著名的南北地震带纵穿而过的位置[1-6]。
区内发育多条晚第四纪逆冲兼走滑的活动断裂带,构造形式复杂,新活动性强,历史上曾发生过多次破坏性大地震(如公元前186年武都7级地震[7]、1654年天水8级地震[8-9]、1879年武都8级地震等[10-11]),近年来也发生过多次破坏性地震(如2003年岷县5.2级地震[12]、2004年岷县—卓尼5级地震[13]、2013年岷县—漳县6.6级地震[14-16]),未来存在发生大地震的构造条件,因此,本区一直是地震部门监测的重点区域。
甘肃岷县-漳县Ms6.6级地震震害特征及减灾建议王晓刚;焦振武;陈永明【摘要】2013年7月22日7时45分,在甘肃省东南部岷县、漳县交界处发生了6.6级地震,地震造成98人死亡,直接经济损失达175.88亿元,创本世纪国内中强地震之最.在现场调查和收集资料的基础上,论述本次地震灾害具有土坯房和土木结构房屋受破坏极为严重、房屋破坏受地形地貌条件影响较大和地震地质灾害严重等特征.并提出加强安全隐患排查,减少后续损失;提高重建和新建住房质量,减少人员及财产的损失;科学选址,加强村寨聚落防灾能力等震后应急与重建工作中的减灾建议,为防震减灾服务.【期刊名称】《甘肃科技》【年(卷),期】2016(032)006【总页数】6页(P31-36)【关键词】岷县-漳县地震;灾害特征;减灾建议【作者】王晓刚;焦振武;陈永明【作者单位】甘肃省兰州市地震局,甘肃兰州730000;甘肃省兰州市地震局,甘肃兰州730000;中国地震局兰州地震研究所,甘肃兰州730000【正文语种】中文2013年7月22日7时45分,在甘肃省东南部岷县、漳县交界处发生了6.6级地震,它是2008年汶川8.0级地震后,甘东南地区遭受的又一次强烈地震,也是继1954年2月11日山丹7.25级地震、1954年7月31日民勤7级地震以来,近60年来甘肃省发生的最大地震。
地震使甘东南定西市岷县、漳县、临洮县、渭源县、陇西县,甘南州临潭县、卓尼县、迭部县、舟曲县,陇南市宕昌县、礼县,临夏州康乐县和天水市武山县等13个县严重受灾。
地震直接经济损失达175.88亿元。
地震发生后,笔者第一时间赶赴灾区,先后抵达漳县、岷县、康县、武都区和通渭县,参与了极震区(Ⅷ度区)、Ⅶ度区、Ⅵ度区,乃至Ⅵ度区以外的地震灾害调查和地震烈度评定工作。
在现场调查和收集资料的基础上,本文讨论本次地震的震害特征,并提出相应的减灾建议。
1.1 地震基本参数发震时刻:2013年7月22日7时45分;微观震中:北纬34.5°,东经104.2°;震级:Ms6.6级;地点:甘肃定西市岷县、漳县交界;震源深度:20km;震中烈度:Ⅷ度。
一、区域地质背景青藏高原是地球表面规模最大、海拔最高、构造活动性最强的大陆高原,发育元古代、古生代、中生代、新生代不同时期的岩石地层记录和多期区域性构造热事件,经历了长期、复杂的地质演化历史和构造变形过程,逐步形成颇具特色的地壳结构构造和高原地貌格局(吴珍汉等,2003a;Wu et al., 2004)。
面积巨大的青藏高原平均海拔高度超过4500m,被誉为“地球第三极”,对新生代晚期全球气候环境产生过重大影响;现今仍发育强烈的构造运动和地震活动,是地球表面现今构造活动性最强的大陆构造单元,成为国际地球科学领域公认的大陆动力学野外实验室和地质学家关注的热点研究地区。
青藏高原早古生代、晚古生代、中生代和新生代早期的地质构造与不同时期特提斯古大洋的形成演化、俯冲消减存在密切关系,形成南昆仑缝合带、可可西里缝合带、班公—怒江缝合带、雅鲁藏布江缝合带等构造边界。
新生代早中期(始新世—中新世早期),印度大陆发生快速(5-5.5mm/a)北向俯冲,导致青藏地区强烈的挤压构造变形、碰撞造山作用、地壳缩短增厚和青藏高原快速隆升。
新生代晚期(中新世中晚期—第四纪),青藏高原构造环境发生显著变化,地壳伸展走滑运动居主导地位,全新世发育4条强烈活动断裂、28条较强烈活动断裂和大量不同方向、不同规模、不同性质的次级活动断层,产生强烈的地震活动,诱发不同类型的地质灾害(吴珍汉等,2004,2005)。
PART 1 TECTONIC SETTINGThe Tibetan Plateau is a continent region with the largest scale, the highest elevation and the most intensely tectonic as well as seismic activity. Here exist Proterozoic, Paleozoic, Mesozoic, Cenozoic stratigraphic systems, multiphase of thermo-tectonic events indicating prolonged tectonic evolution, complex structural systems and unique tectono-geomorphic framework (Wu et al., 2003, 2004). And Cenozoic collision between Eurasia and India continental plates not only caused uplift of the Tibetan Plateau over 4500m, but also gave tremendous influence on global climate change and geomorphic features of East Asia.Tectonics of the Tibetan region in Paleozoic, Mesozoic and Early Cenozoic are closely related to spreading and subduction of Palaeo-Tethys, Meso-Tethys and Neo-Tethys oceanic plates respectively marked by South Kunlun, Hohxil-Jinsha, Bangoin-Nujiang and Indus-Yaluzangbu sutures. Northward subduction of India continental plate at rate of 5-5.5cm/a caused strongly compressional deformation, crust shortening and uplift of the Tibetan Plateau in Eocene-Early Miocene, followed by strike-slip faulting, E-W crust extension and eastward extrusion in Late Miocene-Quaternary and formed 4 very strongly active faults, 28 active faults and many other minor active faults in Holocene, providing favorite tectonic setting for intensely seismic activity and variety of geological hazards along the Golmud-Lhasa Railway (Wu et al., 2004, 2005).图1 区域构造地貌图箭头表示印度大陆板块俯冲方向,5-5.5mm/a表示新生代晚期印度大陆北向运动速率,白色覆盖区为海拔超过4500m的区域。
转载危险的活动断层《北京平原区断裂略图》较清晰的版本请参见文末。
@财新传媒《新世纪》周刊制图:陈磊危险的活动断层本文来源于《新世纪》周刊2010年第17期出版日期2010年04月26日活动断裂带在中国大地上有广泛分布。
专家呼吁,活动断裂带两侧的一定范围内不能规划重要建筑,更不能将建筑物跨建在断裂带上《新世纪》周刊记者李虎军实习记者任姣洁自从几年前住进新房,赵长泉的心就没有放下过。
"真要是有地震,我们家的房子绝对会倒。
"64岁的赵长泉是北京市顺义区高丽营镇西王路村村民,家在北京城郊,北六环以内。
大约在2004年,他和家人用十几万元积蓄,盖起200多平方米的平房。
但从第二年起,厢房墙上出现裂缝,"像切开的萝卜,透风。
"不得已,赵长泉在厢房外墙的裂缝上抹上一层石灰,不然没法住人。
但裂缝越来越宽,如今已有好几毫米。
后来,赵长泉和其他村民才得知,他们的房子建在了一个横贯北京的活动断裂带上。
赵长泉家的遭遇绝非孤例。
在中国,不少城市和农村的居民都与活动断裂带相伴。
所谓活动断裂带,或者说活动断层,一般理解为在较近的历史时期活动过,现今正在活动,且未来一定时期仍有可能活动的断裂带。
活动断裂带一旦发生地震,后果不堪设想。
两年来相继发生的四川汶川地震和青海玉树地震中,一些位于活动断裂带上的建筑物就轰然倒塌。
专家呼吁尽快立法,规定在断裂带附近设立建筑设施与工程设施的避让带。
"稍微避开一点,结果就会完全不一样。
"中国科学院地质与地球物理研究所付碧宏研究员说。
地裂缝之谜赵长泉建房子的时候,并不知道自家的屋基地处活动断裂带上。
尽管当时,在他家东北方向十几米处的吴战田家,房屋已是"伤痕累累"。
吴战田的房屋建于1979年,没过两年就出现裂缝。
开裂最严重的那间北房,外墙扭曲变形,东侧的砖头向上拱起,比西侧的砖头高出十几厘米。
村里其他一些人家的房屋,同样出现裂缝。
殷翔,绽蓓蕾,姚生海,等. 2022年1月8日青海门源M S 6.9地震序列、地表破裂特征及其工程效应[J]. 地震科学进展, 2024,54(1): 57-64. doi:10.19987/j.dzkxjz.2023-126Yin X, Zhan B L, Yao S H, et al. The earthquake sequence, surface rupture characteristics and engineering effects of the M S 6.9Qinghai Menyuan earthquake on January 8, 2022[J]. Progress in Earthquake Sciences, 2024, 54(1): 57-64. doi:10.19987/j.dzkx jz.2023-126学术论文2022年1月8日青海门源M S 6.9地震序列、地表破裂特征及其工程效应殷 翔※ 绽蓓蕾 姚生海 余 娜 徐玮阳(青海省地震局,青海西宁 810001)摘要 2022年1月8日01时45分,青海省海北藏族自治州门源县发生M S 6.9地震。
为深入了解此次地震的活动特征,以地震灾害损失调查为基础,结合无人机低空摄影测量以及余震数据分析等多种手段,对硫磺沟内的地表破裂带及交通系统的震害进行了初步调查分析,此次同震地表破裂以左旋走滑变形为主,伴有一定的逆冲分量,最大左旋位移量为3.1 m 。
地震还造成兰新高铁硫磺沟大桥、大梁隧道遭受严重破坏,主要表现为主梁侧翻滑移,轨道扭曲变形,隧道内部结构出现错位变形等现象。
最后,对该地区今后桥梁的抗震设防措施提出建议。
关键词 门源地震;同震地表破裂;左旋走滑;地震灾害中图分类号:P315.9 文献标识码: A 文章编号: 2096-7780(2024)01-0057-08doi :10.19987/j.dzkxjz.2023-126The earthquake sequence, surface rupture characteristics and engineering effects of the M S 6.9 Qinghai Menyuan earthquake on January 8, 2022Yin Xiang, Zhan Beilei, Yao Shenghai, Yu Na, Xu Weiyang (Qinghai Earthquake Agency ,Qinghai Xining 810001,China)Abstract At 01:45 on January 8, 2022, an M S 6.9 earthquake occurred in Menyuan County, Haibei Tibetan Autonomous Prefecture, Qinghai Province. In order to gain a deeper understanding of the activity characteristics of this earthquake, the author conducted a preliminary investigation and analysis of the surface rupture zone and traffic system damage in the Liuhuanggou based on the investigation of earthquake disaster losses, combined with various methods such as drone low altitude photogrammetry and aftershock data analysis. The fault activity was mainly characterized by left-lateral strike-slip motion, accompanied by a certain thrust component, with a maximum left lateral displacement of 3.1 m.At the same time, the earthquake caused serious damage to the Liuhuanggou bridge and the Daliang tunnel of the Lanxin收稿日期:2023-09-10;采用日期:2023-12-18。
丹凤竹林关—陕豫界高速公路山阳—青山活动断裂勘察技术要求为了保证西(安)合(肥)西部大通道陕西境丹凤竹林关—陕豫界高速公路工程建设,尤其是特大桥、隧道等重大工程的顺利开展和建筑物的稳定安全,需要对区内的山阳—青山活动断裂进行详细的工程地质勘察工作,为设计提供可靠的基础资料。
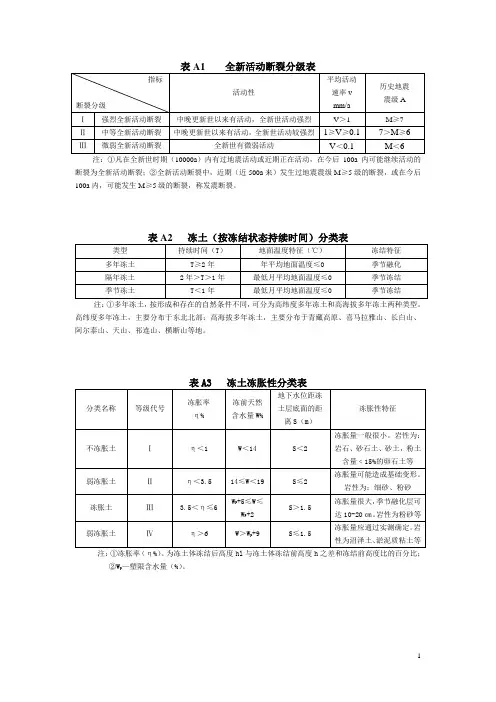
一、活动断裂的涵义及分类目前,在工程地质和地震地质界没有一个统一的“活动断裂”的涵义和时限。
中华人民共和国国家标准《岩土工程勘察规范》(GB50021-2001)要求,断裂勘察应查明断裂的位置和类型,分析其活动性和地震效应,评价断裂对工程建设可能产生的影响,并提出处理方案。
根据《岩土工程勘察规范》(GB50021-2001),活动断裂分为全新活动断裂和非全新活动断裂。
全新活动断裂可根据其活动时间、活动速率及地震强度等因素分为Ⅰ级强烈全新活动断裂、Ⅱ级中等全新活动断裂和Ⅲ级微弱全新活动断裂。
全新活动断裂分级二、断裂勘察执行的主要技术规范《公路工程地质勘察规范》(JTJ064-98)《公路工程抗震设计规范》(JTJ004-89)《公路桥涵地基与基础设计规范》(JTJ024-85)《岩土工程勘察规范》(GB50021-2001)《建筑抗震设计规范》(GBJ11-89)《工程场地地震安全性评价工作规范》(DB001-94)三、活动断裂勘察本次山阳—青山活动断裂勘察应在工程地质调绘的基础上进行。
虽然工程地质调绘工作已对断裂位置及破碎带宽度作了划分,但是,由于断裂与河流平行,断裂大多被河谷第四系河漫滩、阶地和坡积物覆盖,这部分断裂位置及破碎带宽度皆为推测,故应对被河谷第四系覆盖的断裂进行勘察,为设计提供地质依据。
1.本次勘察工作应以物、化探(根据以往断裂带勘察经验,主要选用震探、高密度电法、氡气探测)方法为主,槽探为辅。
2.勘探线一般尽量垂直断裂走向布置。
3.勘探线、点的位置、数量应以查明地层、岩性、覆盖层厚度和断裂的产状、性质以及破碎带的宽度、胶结程度、地下水埋藏深度等为前提,并尽可能结合构筑物墩台基础要求、隧道围岩类别和基底标高综合考虑。
第5卷第3期震灾防御技术Technology for Earthquake Disaster PreventionVol. 5, No. 3 Sep., 20102010 年 9 月高战武,陈棋福,黄金莉,齐诚,李乐,2010. 北京地区主要活动断裂深部速度结构特征及强震构造分析. 震灾防御技术, 5(3) :271—280.北京地区主要活动断裂深部速度 结构特征及强震构造分析1高战武 陈棋福 黄金莉 齐 诚 李 乐(中国地震局地震预测研究所,北京 100036)摘要根据分别由人工地震测深速度结构剖面数字化和天然地震层析成像建立的北京地区三维地壳速度结构模型,本文绘制了剖面图。
同时将剖面两侧 5km 的地震震中投影到剖面上,分析了北 京地区主要活动断裂的深部速度结构特征,证实两种方法得到的地壳速度结构模型具有很大的相 似性。
同时,顺义凹陷、马池口凹陷下方存在近垂直的深断裂,此深断裂可能为未来的发震断裂, 地壳浅部与此对应的活动断裂是顺义-前门-良乡断裂北段、黄庄-高丽营断裂北段以及清河断裂, 地壳内部的深断裂与地壳浅部控制盆地发育的活动断裂之间可能处于“汇而未交”的状态,具有 地震孕育的深部构造背景。
关键词:活动断裂 速度结构 北京地区引言根据多年来北京地区活动断裂研究成果(汪良谋等,1990;陈国星等,1994;向宏发等, 1995;张先康等,1996;胡平等,2000;江娃利等,2000;2001;马文涛等,2004) ,目前, 北京地区及附近发现有全新世地表或近地表活动地质证据或迹象的断裂有 5 条(段) :顺义前门-良乡断裂的顺义-孙河段(北段) ;黄庄-高丽营断裂的怀柔-北齐家段(北段) ;南口-孙 河断裂的南口-东三旗段;清河断裂;新夏垫断裂。
另外,在黄庄-高丽营断裂的芦井-晓幼营 段和南口山前断裂上发现有晚更新世活动的地质现象。
近年来,研究较多的是新夏垫断裂(徐锡伟等,2001;张先康等,2002) ,并已根据近垂直深 地震反射剖面,建立了发生在该断裂上的 1679 年 8 级地震的发震构造模型,认为发震构造是地壳 浅部铲形断裂之下近垂直的深断裂,震源破裂向上改造铲形断裂并已出露地表,即新夏垫断裂。
第43卷 第6期2021年12月地 震 地 质SEISMOLOGYANDGEOLOGYVol.43,No.6Dec.,2021doi:10.3969/j.issn.0253-4967.2021.06.012曹颖,钱佳威,黄江培,等.2021.利用时移层析成像方法分析2014年云南景谷MS6.6地震震源区的P波速度变化[J].地震地质,43(6):1563—1585.CAOYing,QIANJia wei,HUANGJiang pei,etal.2021.P-wavevelocitychangesinhypocenterregionofthe2014JingguMS6.6earthquakeusingtime lapsetomographybasedondouble differencetomography[J].SeismologyandGeology,43(6):1563—1585.利用时移层析成像方法分析2014年云南景谷MS6.6地震震源区的P波速度变化曹 颖1) 钱佳威2) 黄江培1) 张国权1) 付 虹1)1)云南省地震局,昆明 6502242)中国科学技术大学,地球和空间科学学院,合肥 230026摘 要 为了获得2014年景谷MS6 6地震发生前后10a间震源区高空间分辨率的P波速度变化,文中基于2008年1月1日—2017年12月31日由云南区域数字地震台网所记录的景谷地震震源区的地震资料,首先采用双差层析成像方法联合绝对到时和相对到时反演了景谷地震震源区高分辨率的三维P波速度结构,反演结果表明景谷地震的余震序列分布于P波高速异常区及低速异常区的交界处,与澜沧江断裂有所相交的断裂处于低速异常区,这可能与断层中的流体有关。
然后采用基于双差层析成像的时移层析成像方法得到了不同时间段之间的P波速度变化的时空分布,并结合已有的地质与地球物理研究成果,对P波速度的变化特征及其机制进行了探究,得到几点认识:1)景谷主震震中附近浅层深度的P波速度最大降幅为0 2%,在景谷主震发生2个月后出现,主要受岩石破坏影响所致。
烟台北部地区活动断裂概述张振晗(烟台地震监测中心台)摘要:烟台北部地区发育6条活动断裂,通过分析研究,确定了其活动性,研究了断裂活动与地震活动性的关系。
加强断裂研究及地震监测对该地区未来地震活动性分析、地震工程建筑震害防御具有重要意义。
关键词:烟台地区;断裂活动性;地震活动性 1、烟台地区主要活动断裂活动性质烟台地区位于华北断块区的东部(图1)。
华北断块区边界受深大断裂控制,断块区内部在构造和地貌上总体格局是北北东向的隆起区与沉降区相间。
新构造期以来,继续保持着隆起区的上升和沉降区的下沉,断块区内构造和地震活动与这一区域隆起与沉降相间分布格局具有密切关系。
烟台地区发育许多活动断裂,主要有以下几条:1.1蓬莱-威海断裂带 该断裂带呈北西走向,切过芝罘岛北缘,向西北直达长山岛与蓬莱之间海底。
磁场反映为北西向正负磁异常带,沿断裂带发育串珠状正磁异常。
在蓬莱红石山及铜井一带的第四纪玄武岩和下伏黄土中可见到北西走向断裂及断裂崖(图2)。
由图所示的红石山东北海边陡崖玄武岩断裂剖面表明了第四纪中晚期半岛北部新构造活动的强烈程度,也表明了北西向断北盘(上盘)下降。
根据在山东半岛北部近海海域进行了多条剖面的声波探测,初步查明了蓬莱-威海断裂带的基本活动特征。
该断裂带由一系列北西走向的次级断裂组成。
根据海域声波探测结果,蓬莱-威海断裂带内多数断裂以正断兼有走滑运动为主,在第四纪活动明显,对于渤海海峡的形成具有重要的构造意义。
以北东向玉林店断裂在海域的延伸段为界,蓬莱-威海断裂带可分为两段:长岛-牟平段和牟平-威海段。
西段长岛-牟平段为晚更新世活动段,明显错断了中更新世地层,部分断裂明显错断了晚更新世早期地层,有些可能达晚更新世地层中部,但根据海域声波探测资料没有发现错动全新世地层现象。
东段牟平-威海段为中更新世活动段,没有发现错断晚更新世地层现象。
综合分析表明,蓬莱-威海断裂带是一条晚更新世活动断裂。
1.2东殿后断裂断裂西起瓦山附近,向东经桃园、东殿后、辛上庄、旸里,终止于米山断裂,米山断裂以东未见断裂迹象,总体走向近EW ,全长约20公里。