客退品处理流程
- 格式:doc
- 大小:30.46 KB
- 文档页数:6
客户退货处理流程流程(一) 客户退货处理流程流程流程责任人说明和要求相关手续备注客户提出退客户因质量或非质量问题产生的退货,须退货申请单正本货申请由客户提供退货申请单及当批进货单据,经所辖区域经理和部门主管同意,报公司批准方可退货。
非质量问题的退货运费由客户自行承担,并扣除15%包装损失费退货验收物流仓管员凭退货申请单正本及退货清退货处理报告部仓管单办理货物验收核对,发现及申请单员不符的货物应及时通知各事业部查明原因。
填写退货处物流填制退货处理报告时,应在备注栏填理报告部仓管写各批次号,便于财务人员核算退货员价值。
退货产品核技术相关部门根据退货报告及申请单确查确认部生产认退货责任并在单据上签名,超出保部品管质期、半瓶或空瓶的不予计算价值部开具退货单物流应在收到退货的次日内依据手续齐退货单部仓管全的处理报告开具退货单。
物殊情况员需要进行品质检验应3天内办理完成,由仓管员负责跟催。
送交财务审财务部物流部将退货申请单正本、处理报退货申请单核告、退货单三种单据一并送交财务审正本、处理报核,并转交分管副总以上审批。
告、退货单冲减应收销售会审批手续齐全,将上述单据交销售会款计计入账,从客户应收款中予以冲减退货价值,并及时通知客户实际冲抵的退货金额。
(二)退货操作处理:1、品管部对于大批量退货产品(退货品?20件),按正常项目进行抽样检测,对于小批量退回产品(〈20件),采取多批次混合抽样,进行正常项目检测。
2、在回收之前由工艺监督对每罐实施外观检查,若存在产品明显增稠、固化现象,进行报废处理。
3、鉴于现有竞品的保质期都比我司长一倍,所以对退货产品中经检测合格的稀释剂和主漆更换新的合格证,批号由品管部登记备案,并配货包装,销往指定区域的客户。
而后处理退货时先查该记录如是跟换处理过的产品,只能在检验合格后作添加处理。
对退货产品中经检测合格的固化剂直接回收。
4经检测合格的因包装物破损退货的产品,如果其生产日期未超过保质期的一半时间,建议采取更换包装,重新发货。
客退品处理作业程序(IATF16949-2016/ISO9001-2015/QC080000)1.0目的明确客户退回可疑品的处理流程,以便客退品能及时得到处理,确保仓库管理的先进先出。
2.0范围适用于本公司客户退回品的处理。
3.0定义客退品:指由于公司所交给客户的产品发生质量问题时退回的可疑产品。
4.0权责4.1业务部:负责有关质量方面与客户进行沟通并通知处理方式和优先安排出货。
4.2品管部:负责待退品有关质量方面与客户进行沟通,客退品的检验并提出检验报告。
4.3生产部:负责客退品的重工处理。
4.4PMC:负责客退品的重工安排,并且第一优先处理。
5.0程序内容5.1业务部接到客户投诉时必须立即填写《品质投诉单》,并将其与客户的投诉单或相关投诉资料知会品管部客服组。
5.2客服组收到业务开立的《品质投诉单》1小时内与客户进行联系,确认客户投诉事项,第一时间找出对应对策,必要时针对性质严重程度召集紧急会议。
经确定出对策后速与客户取得初步的处理方式,必要时得亲自到客户处进行处理。
客户有要求其它部门参加时,任何部门必须积极配合。
5.3仓管课和生产部收到投诉信息后立即清理库存和生产线,仓管课在包装箱外贴上“暂停出货”标签,生产部在胶箱外贴“暂停生产”标签。
清理出的库存品按5.7处理。
5.3若确定需在客户处进行处理时,由客服组带相关人员前往处理,或委托客户处理,为处理客诉品所发生的一切费用客服组必须进行统计,并记入外部失败成本中,以作为品质成本的衡量。
5.4若确定需退货时,客服组将其处理方式知会业务部,业务部开立《销退单》并注明此批退货处理品的交期,知会品管部、客服组、仓管课和PMC,以作好客退品的接收处理准备。
5.5客退品入厂时一律先交给仓管课,仓管课按照《销退单》和客户的退货单核对所退货的机种名称、数量等,确认无误后贴上“暂停出货”的标签,放入“退货区”作重点管控。
在1小时内通知客服组进行处理。
5.6客服组接到客退品退回的通知时立即赶到现场确定无误后,将根据不同的投诉内容于2小时内(视实际情况可做调整)确定处理方法,若需报废时交由全检填写《报废日报》,经权责人员批准后进行报废。
顾客退款处理方案背景和目标随着电商市场的迅速发展,越来越多顾客选择在网上购物。
而随之而来的是商品退换的问题,特别是退款问题。
退款处理对于商家来说是一个重要的问题,因为这与商家的信誉相关。
因此,我们需要建立一套完善的顾客退款处理方案,旨在解决顾客退款期间可能发生的问题。
方案第一步:收到退款申请在顾客提交退款申请后,需要立即回复顾客,告知收到了申请,并预计什么时候能处理完毕。
要与顾客保持良好的沟通,尽可能保持快速的反馈和解决问题的能力。
第二步:核实退款信息在收到退款申请后,需要核实退款的相关信息,包括订单号码、商品名称、退款金额等。
如果顾客提供的信息不完整或存在问题,需要及时联系顾客确认,并在确认后再处理退款请求。
第三步:退款处理处理退款申请时,需要根据公司相关规定,验证商品的情况,例如是否有损坏,是否启用等等。
如果商品符合退款条件,则需要立即将退款转账至顾客指定账户。
第四步:反馈顾客退款处理结束后,需要及时告知顾客退款情况,以确保顾客满意。
对于因为特殊原因而导致退款无法处理的情况,也需要向顾客说明原因,并给出适当的解决方案,以确保顾客的权益。
注意事项在退款处理过程中,需要注意以下几个方面:•退货应该是顾客自己支付的,比如在商品退回给商家之前的邮寄费用等。
•退款应该遵循公司相关规定,并严格按照时间要求处理。
•在整个退款流程中,需要与顾客保持良好的沟通,以确保顾客的满意度。
•公司需要根据自身情况和业务框架,建立一套完善的退款处理流程,以确保顾客权益并提升公司声誉。
总结建立合理的顾客退款处理方案是电商平台所必须做的事情。
通过这份方案,我们可以为电商平台提供便利和增加顾客的信任度,也能够建立起平台的信任认证。
同时,更为重要的是,能够让顾客更加理解我们的产品和服务。
客诉和客退品处理控制程序一、编制目的为规范客户投诉及退货品处理的流程,查清客诉及产品退货的根本原因,以采取相应的纠正预防措施改善产品及服务的质量,提高客户满意度,特制定本程序文件。
二、适用范围适用于公司所有客户投诉及退货的管理。
三、职责分工3.1、业务部负责客户投诉及退货信息的接收、传递及退货手续的办理。
3.2、品管与工程部负责主导客户投诉及退货品的处理及相关品质异常的统计、过程跟踪。
3.3、品管与工程部负责退货品《返工/返修作业指导书》的制订。
3.4、生产部按照《返工/返修作业指导书》的要求对退货品进行物料申购、产品返工和返修入库工作。
3.5、仓储部负责退货品的接收、隔离,标识和保管及拆装后的报废品的处理申请工作。
3.6、采购部负责根据生产补购清单进行采购、拆装后的报废品的最终处理等。
四、名词解释4.1、客户投诉:指因公司提供产品的质量问题引起的客户不满意的抱怨。
4.2、客退品:指因产品质量问题客户要求退回的本公司销售出去的所有的产品。
五、流程图示详见附页。
六、作业内容6.1、客户投诉的处理6.1.1、当接到客户投诉的信息,业务部所担当的业务员第一时间与客户进行初步核实、充分沟通,正确了解了客户所反馈的投诉内容后,立即制定《客户反馈及处理跟踪表》,并附相关的投诉资料或照片传递给品管部,必要时业务员征得客户同意后向客户索取不合格样品。
6.1.2、品管部接到业务部的《客户反馈与处理跟踪表》后,部门内部立刻组织进行初步的分析,当有不合格样品时必须第一时间针对客户的投诉内容进行一一实验验证。
6.1.3、若投诉内容不属实,品管部将核实结果通知业务员并提供相关的实验证明资料或数据,业务员再与客户进行沟通、联络与再次了解、确认。
6.1.4、若投诉内容成立,品管部应立刻组织、召集相关部门人员,成立客诉处理临时工作小组。
6.1.5、采取紧急的纠正措施,根据原始的生产、检验记录对可疑的物品(包括原材料、半成品、成品机以及已发送的产品)进行追踪处理,对于已发送的产品应按与客户签订相关的服务协议确实履行。
客退产品售后处理工作流程图徐州xx电子有限公司
--xx控制器
GELI CONTROLLER 品似人格骊驰疆阔.
客退产品售后处理工作流程图
流程
控制要求
负责人
按生产计划准备待检测产品;
售后主管
所有功能均须按标准检测并记录检测数量;
检测技术员
OK 产品与NG 产品必须严格分类区分拆解;拆解人员
1、详细分析不良品故障原因;
2、按标准维修彻底;
售后工程师
根据要求分类拆解拆解人员
小心拆除脏污线束在线拆解人员
按标准区分:9管、12管、15管、18管、24管、30管,及48V 还是60V ;在线拆解人员
按标准区分:是卡条、还是普通条;
在线拆解人员
按标准区分卡条产品是:新款、还是旧款;
在线拆解人员
准确清点数量并标识区分存放待用。
在线拆解人员
备注:
客退产品必须详细分析故障原因,并保留相关故障分析记录,以便后续采取相关改善预防措施。
准备待检测产品
检测判定
NG
OK
拆除外壳
OK
NG
★原因分析维修
拆线
OK
NG
分类拆解报废
产品型号区分
卡铜条类型区分新、旧款区分
点数、标识区分存放。
不合格商品及客户退货处理流程
概述
该文档旨在设立一套规范的流程,以处理不合格商品及客户退货。
该流程将确保及时、高效地处理不合格商品并满足客户的退货需求。
流程
1. 收到客户退货请求:
- 客户应以书面形式或通过相关平台向公司提交退货请求。
- 客户应提供订单号、商品名称、退货原因和所需退款金额等必要信息。
2. 确认资格:
- 首先,确保客户购买的商品属于可退货商品范围内。
- 然后,验证退货请求的合理性和真实性。
3. 安排商品取回:
- 通知物流部门,安排取回商品。
在通知中,包括取回地点及时间等相关信息。
- 物流部门应及时与客户联系并确保取回商品的准确性和安全性。
4. 商品检查:
- 在取回商品之后,指定相关人员组织商品检查。
- 检查时需要与客户提供的退货信息进行核对,并记录商品的实际情况。
5. 退款处理:
- 根据商品检查结果,确定退款金额。
- 将退款金额返还给客户,并及时通知客户退款已完成。
6. 不合格商品处理:
- 对于不合格的退货商品,根据公司政策进行相应处理。
- 可能的处理方式包括更换、修复或报废等。
7. 结束流程:
- 在完成退货处理后,确保相关部门清理和归档相关文档。
- 审查整个流程以发现潜在问题,并提出改进意见。
注意事项
- 所有涉及客户隐私和订单信息的处理应严格遵守相关法律法规。
- 以上流程仅为参考,具体操作根据公司具体情况进行调整。
以上为不合格商品及客户退货处理流程,为确保流程顺利执行,请所有相关部门及员工严格执行。
品均能得到及时、妥善的处置。
二、适用范围:客户退回的所有成品,包括呆滞、不良、报废、方案更改的成品。
三、职责分工:1、销售部各销售点负责明确退货型号、数量、退货原因、分类标识、包装防护、数据的登记、传递、产品的交接、退货运输费用损失的统计。
2、仓储部负责将确认报废产品的型号、数量清点清楚,组织人员拆废交库。
3、工厂品保部负责客户退货的质量评审、责任认定、统计汇总。
4、制造分厂负责参加客户退货现场评审和责任认定,对留用产品由分厂领出后进展检查、返修、包装和重新入库。
5、工程部负责制定退货产品的返工、返修方案及费用明细。
6、质量管理部负责对批量性的或有争议的退货,到客户现场确认,回复整改报告,负责本流程的监视实施。
四、责任原因区分:A、分厂原因:纯手工作业造成产品外观、外形构造、尺寸、性能和混装等不合格导致的退货;B、品质原因:由检验员错检、漏检造成批量产品不合格导致的退货;C、技术原因:图纸设计分解或变更错误、变更不及时,工装模具、工艺技术不成熟,包装防护设计不合理等造成的退货;D、采购原因:原材料质量问题造成产品外观、外形构造、性能等不良导致的退货;E.、销售原因:方案下达错误、装卸及运输变形或损坏〔包括产品退货时的防护不当主机厂方案变更、下达的订单方案未履行或未完全履行、产品使用损坏、产品改型;F、特例:对于由于销售员未及时反应,造成呆滞时间过长导致无法认定责任的,一律视为销售部责任。
一〕、退货原因确认:无论是何种原因的退货,销售点业务员或由其安排人员应到主机厂现场对退货原因进展确认,对于批量性的或有争议的退货的退货,销售点有必要通知公司质量管理部质量工程师前往一同确认、商谈。
经确认需退货的产品在退货前,业务人员或跟线人员需对退货产品分类标识,写明不合格原因,填写?客户退货责任鉴定报告?明确型号、数量、退货原因。
二〕、现场返工、返修:经与客户协商可以现场返工、返修的产品,由销售点联系销售部,销售部以工作联系单的形式通知分厂,安排相关人员到销售点进展返修处理,无须退回公司。
客户退回不合格品处理流程客户退回不合格品的处理规定(一)市场部带回来的不合格品,要有(进货不合格报告单)和盖有生产合同章的原来图纸。
报告单上要注明与原来图纸上相同的合同号。
(二)品管部根据《报告单》,实物和图纸,查阅工艺和检验记录,分清责任单位,与单位负责人和检验组长落实原加工责任人和原检验员后。
提出处理意见,(三)品管部根据落实情况,能够返修的零件编制生产计划通知单,直接报废的零件填写(废品/返修品通知单)。
报副总审批后由市场部移交生产部安排返修或补料再生产。
(四)为坚决遵循客户至上的宗旨,严格公司生产管理制度和质量管理制度。
落实检验员的岗位责任制,对客户退回来的成批废品和返修品处理办法如下:1.责任人和检验员都很明确的返修品,加工者责任30%元,检验员70%的责任。
2.责任人和检验员都不明确的返修品,责任班组长50%,检验组长50%。
班组也不明确的返修品,责任单位负责人和检验组长各50%。
3.原材料缺陷可以拟补的返修品,出厂前发现责任由生产部负责。
出厂后退回来的责任,由加工者和检验员各承担50%责任。
4.图纸和工艺文件缺陷的返修品,出厂前发现责任由技术部负责。
出厂后退回来的责任,由加工者和检验员各承担50%责任。
返修品需要发生的表面处理等费用,全部按上述比例分摊。
退回来成批废品的经济损失加工者60%,检验员40%。
责任人和检验员不明确时,由单位负责人和检验组长承担。
6.5件以上的不合格品按本规定执行。
5件以下的不合格品,由品管部和生产部负责人视情况及时通知责任单位和检验员立即处理。
品管部2012-10-17。
RMA客退品处理程序(IATF16949-2016/ISO9001-2015)1.0目的确保客退品能及时、有效的得到返修处理,提供给客户满意的售后服务,减少客户抱怨。
2.0适用范围:本程序适用于公司的客退品返修处理全过程。
3.0定义:3.1客退品 (RMA) :Return Material Authorization 退料审查。
3.2保修期:是指我司向顾客卖出商品时承诺的对该商品因质量问题而出现的故障提供免费维修及保养的时间段。
对于我司产国内销售 PC 类产品指按照国家电脑三包政策规定承诺客户产品维修修的期限,我司 PC 整机与主要配件(如:CPU、主板、内存条、LCD 屏和硬盘等)保修均为一年。
辅料配件不在保修/保养范围内。
3.3二次返修:经我司维修的 RMA 品销售给顾客再次出现产品故障现象而需要我司提供维修和保养。
二次返修后的产品享受一个月的免费保修期限,若在保修期内,则顺延一个月,在保修期外,免费享受一个月的保修期限。
3.4返修周期:自 COBY HK 仓库收到 RMA 品到经维修 OK 后出货的过程时间段,我司返修周期规定为 30 天。
4.0组织与权责:4.1市场部:4.2品质部:4.3ME4.4、PMC4.5仓库4.6采购部:4.7生产部:4.8研发部:4.9行政报关组:负责对 RMA的进关和返修后的 RMA的出关事宜。
5.0程序:5.1RMA /DOA 返修处理作业流程(如图一所示)5.2RMA NO 的编码要求,公司产品分三大类,NBPC(笔记本),MID(移动互联网设备)及MP3/MP4,编码为八位码 AABBCCDD,具体如下:AA为产品类别,如 NBPC 代码:NB;MID 代码:MD;MP3/MP4 代码:MPBB为年份后两码的代码,如 2011 年用 11 为代码,2015 年为 15 为代码。
CC为月份代码,如 1 月用 01 为代码,11 月份直接用 11 为代码。
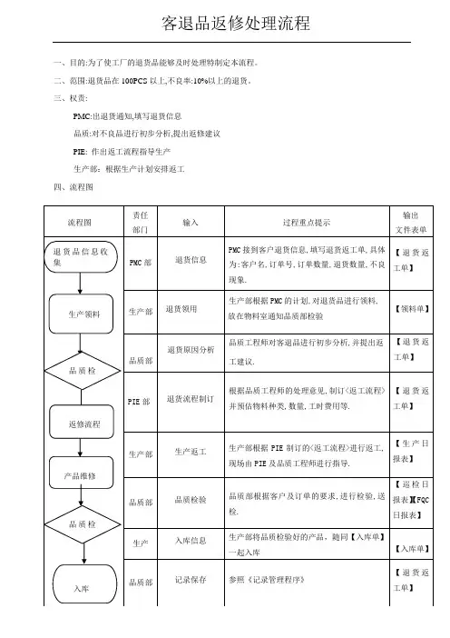
客退品处理控制程序1.目的:为了建立规范有序的客退返修流程,对返修品及时有效的修复发货,最大限度地弥补产品问题给客户造成的影响,杜绝类似产品质量问题的再次发生。
2.范围:本程序适用于因质量原因退货产品的处理流程。
3.职责:3.1仓管员负责客退品数量的点收、标识、隔离、分区存放,并将清单报验品质部。
3.2品质部负责确认客退品的检验、处理方式。
负责客退品原因分析、责任处理和纠正预防措施的提出、跟进与效果确认。
3.3生产计划课负责将退货检验报告单信息反馈给相关部门,并组织相关部门制定返修方案,并督促抓好落实。
3.4生产部负责按时对客退品的加工与返修。
3.5技术部负责客退品技术问题的诊断与图纸工艺的更改及现场指导。
3.6营销部负责客退品的接收,《销售退货单》的填制,负责客退品返修合格后的发货。
3.7管理部负责客退品返修延期原因的调查和追责处理,并提出处罚建议。
4、内容:4.1.客退品的接收4.1.1营销部接到客户要求退货信息,应先与客户确认退货数量、退货原因及时间,将客退品运回公司仓库退货区,在4个工作时内填写《销售退货单》,并将一式六联的《销售退货单》按程序送给各有关部门。
4.1.2仓库按照退货清单对客户退货进行清点,并标贴红色《客退品标识单》后放置于客退品区域,并在2小时内通知品质部对退货原因做确认。
4.2客退品的检验与分析处理4.2.1品质部在接到仓管员通知后4小时内出具退货产品《退货检验报告单》,《退货检验报告单》上应详细记录质量状况、退货原因及责任界定,注明检验员姓名和出具意见的时间。
同时将退货质量检验报告单交给生产计划课。
4.2.3生产计划课在收到退货质量检验报告单后,根据工艺要求制定返工流程和进度,并将返修完工计划反馈给营销部。
如果进度超出客户需求,营销部与计划再另行确定。
4.3客退品的返修4.3.1生产部在接到生产计划课的通知后,根据返修时间安排,进行返修处理。
4.4客退品的入库4.4.1生产部将返修好的退货应立即通知质检员检验,质检员必须在2小时内到达返工现场进行质检。