(建筑工程施工管理)工程量变更签证单(例)
- 格式:doc
- 大小:1.21 MB
- 文档页数:31
工程设计变更工程量签证单1. 引言工程设计变更工程量签证单是用于记录工程设计变更引起的工程量变化的文件。
它包含了工程变更的原因、影响范围、变更内容等详细信息,并由相关方进行签证确认。
本文档旨在规范工程设计变更工程量签证单的撰写内容和格式,以便于工程管理和资料归档。
2. 工程设计变更的原因在实际工程施工过程中,由于各种原因,可能会发生设计变更。
一些常见的原因包括但不限于:•设计需求变更:项目需求发生改变,需要调整设计方案;•安全要求变更:为保证施工和使用过程的安全,需要对设计方案进行改进;•材料、设备变更:原设计方案中使用的材料或设备不可获得,需要替换为其他可用材料或设备;•环保要求变更:由于宏观政策的调整,原设计方案不符合新的环保要求,需要进行调整;•建筑设计规范变更:相关建筑设计规范发生变化,需要对设计方案进行调整。
3. 工程变更的影响范围工程变更可能会对以下方面产生影响:•工程量变化:变更设计方案可能引起相关工程量的增加或减少;•日程进度变化:变更设计方案可能导致工程进度的调整;•资金预算变化:变更设计方案需要重新评估工程造价,可能导致项目资金预算的变化;•人力资源需求变化:变更设计方案可能导致项目所需人力资源的调整。
4. 工程设计变更内容说明详细描述工程设计变更的具体内容,包括但不限于以下方面:•图纸变更:描述变更设计方案在图纸上的修改内容;•技术指标变更:说明变更设计方案对工程技术指标的影响;•施工方法变更:解释变更设计方案对施工方法的调整;•设备材料替换:说明变更设计方案中的材料或设备替换情况;•预算调整:描述变更设计方案对工程造价的影响;•安全保障措施:阐述变更设计方案对施工和使用过程中的安全保障措施。
5. 工程设计变更工程量签证流程工程设计变更工程量签证的流程如下:1.工程设计变更发起:由相关方(如建设单位、设计单位、施工单位等)发起工程设计变更请求;2.工程设计变更评估:根据变更请求,相关方进行工程设计变更的评估,包括工程量变化、日程进度变化、资金预算变化、人力资源需求变化等方面;3.工程设计变更审批:工程设计变更经过评估后,由相关方进行审批确认,需要签字确认;4.工程设计变更通知:工程设计变更经过审批确认后,相关方将变更信息通知到相关人员(如项目经理、工程师等),并要求其按照新的设计方案进行施工;5.工程设计变更工程量签证单填写:相关人员根据变更设计方案的内容,填写工程量签证单;6.工程设计变更工程量签证确认:工程量签证单由建设单位、设计单位、施工单位等相关方进行签证确认;7.工程量签证单归档:签证确认完成后,工程量签证单按照规定进行归档,以备后续审计和查询。
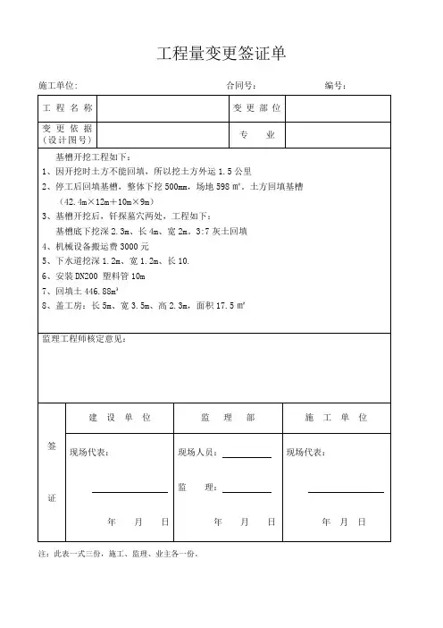
工程量变更签证单注:此表用于隐蔽工程部位、图纸无法计量部位或合同外的工程项目变更签证,一式三份,施工、监理、业主各一份。
表A-13工程量变更签证单施工单位:惠州市水电建筑工程有限公司合同号:KPDSHGQ-SG-01编号:注:此表用于隐蔽工程部位、图纸无法计量部位或合同外的工程项目变更签证,一式三份,施工、监理、业主各一份。
表A-13工程量变更签证单施工单位:惠州市水电建筑工程有限公司合同号:KPDSHGQ-SG-01编号:注:此表用于隐蔽工程部位、图纸无法计量部位或合同外的工程项目变更签证,一式三份,施工、监理、业主各一份。
表A-13工程量变更签证单施工单位:惠州市水电建筑工程有限公司合同号:KPDSHGQ-SG-01编号:注:此表用于隐蔽工程部位、图纸无法计量部位或合同外的工程项目变更签证,一式三份,施工、监理、业主各一份。
表A-13工程量变更签证单施工单位:惠州市水电建筑工程有限公司合同号:KPDSHGQ-SG-01编号:注:此表用于隐蔽工程部位、图纸无法计量部位或合同外的工程项目变更签证,一式三份,施工、监理、业主各一份。
表A-13工程量变更签证单施工单位:惠州市水电建筑工程有限公司合同号:KPDSHGQ-SG-01编号:注:此表用于隐蔽工程部位、图纸无法计量部位或合同外的工程项目变更签证,一式三份,施工、监理、业主各一份。
表A-13工程量变更签证单施工单位:惠州市水电建筑工程有限公司合同号:KPDSHGQ-SG-01编号:注:此表用于隐蔽工程部位、图纸无法计量部位或合同外的工程项目变更签证,一式三份,施工、监理、业主各一份。
表A-13工程量变更签证单施工单位:惠州市水电建筑工程有限公司合同号:KPDSHGQ-SG-01编号:注:此表用于隐蔽工程部位、图纸无法计量部位或合同外的工程项目变更签证,一式三份,施工、监理、业主各一份。
表A-13工程量变更签证单施工单位:惠州市水电建筑工程有限公司合同号:KPDSHGQ-SG-01编号:注:此表用于隐蔽工程部位、图纸无法计量部位或合同外的工程项目变更签证,一式三份,施工、监理、业主各一份。
工程变更签证单(详细)编号:TN-QZ001工程名称:XXX科研楼、仓库施工单位:XXXXXX日期:签证原因、变更依据:应甲方要求,现在科研楼及仓库与老厂房相接的砌体墙上开凿门洞,洞口尺寸为2米*2米共3处,3米*3米共1处,凿除体积共14.7立方米。
因为墙面凿除洞口前已抹灰完毕,新凿洞口侧壁需重新抹灰,零星抹灰面积共18.9平方米。
甲方签字。
监理签字。
乙方签字。
会签栏:编号:TN-QZ002工程名称:XXX老厂房施工单位:XXXXXX日期:签证原因、变更依据:应甲方要求,现在将与新建科研楼及仓库相接的老厂房屋面做两边防水及面层保护层,详见附图。
工程量(尺寸与甲方现场实量,工程量已与甲方核对):1.水泥砂浆找平层1286.5平方米2.4米SBS卷材防水2573平方米(两遍工程量)3.细石混凝土保护层1286.5平方米4.保护层钢筋网1.69吨5.苯板胶抹面1286.5平方米甲方签字。
监理签字。
乙方签字。
会签栏:编号:TN-QZ003工程名称:XXX科研楼、仓库施工单位:XXXXXX日期:签证原因、变更依据:应甲方要求,在科研楼及仓库的C1821窗户处新增理石窗台板,厚度为15毫米,共25个。
甲方签字。
监理签字。
乙方签字。
会签栏:编号:TN-QZ004工程名称:XXX仓库施工单位:XXXXXX日期:签证原因、变更依据:应甲方要求,在仓库内增加两个沉水井,详见附图(确定增加前,仓库内地面垫层已施工完毕)。
工程量(工程造价软件XXX出量):1.C15混凝土垫层1.72立方米2.零星砌筑12.06立方米3.零星抹灰43.84平方米4.直径700毫米铸铁井盖两个5.恢复地面混凝土垫层5.52立方米,碎石灌浆垫层13.78立方米6.地埋管线(直径180毫米)60米甲方签字。
监理签字。
乙方签字。
会签栏:工程名称:XXX办公楼外墙保温及防水工程施工单施工单位:XXXXXX日期:未注明事由:甲方要求对办公楼进行外墙保温和防水工程,工程量已与甲方确认。
工程签证模板样本在工程项目的实施过程中,由于各种不可预见的因素,工程签证成为了不可或缺的一部分。
工程签证是指在施工过程中,由于发生了合同以外的工作内容或非施工单位原因造成的工程费用变化,施工单位向建设单位提出的费用和工期补偿要求的证明文件。
为了规范工程签证的管理,提高工作效率,保证工程的顺利进行,下面为大家提供一份工程签证模板样本。
一、工程签证单表头1、工程名称:填写具体的工程项目名称。
2、签证编号:按照一定的编号规则进行编排,以便于管理和查找。
3、施工单位:填写负责施工的单位名称。
4、建设单位:填写工程项目的业主单位名称。
5、监理单位:填写负责工程监理的单位名称。
6、签证日期:填写提交签证的具体日期。
二、工程签证内容1、签证原因:详细说明导致签证发生的原因,如设计变更、工程量增减、施工条件变化、材料价格调整等。
例如:“由于设计单位对原建筑结构进行了修改,增加了部分梁和柱的工程量,导致施工费用增加。
”或者:“施工现场发现地下水位过高,需要采取降水措施,增加了工程费用和工期。
”2、签证内容:具体描述签证所涉及的工作内容和范围,包括工程量、工作时间、材料设备等。
比如:“增加的梁和柱的规格为具体规格,数量为具体数量,混凝土强度等级为具体等级。
”又比如:“降水措施采用了具体降水方法,降水时间为具体天数,使用的设备为设备名称和型号。
”3、费用计算:列出签证所产生的费用明细,包括人工、材料、设备、管理费、利润等,并注明计算依据和方法。
例如:“人工费用按照人工单价×人工数量计算,共计具体金额。
材料费用按照材料单价×材料数量计算,共计具体金额。
设备租赁费用按照设备租赁单价×租赁天数计算,共计具体金额。
管理费按照费用总和的管理费率计算,共计具体金额。
利润按照费用总和的利润率计算,共计具体金额。
总费用为各项费用之和。
”4、工期影响:说明签证对工程工期的影响,如延长或缩短的天数。
比如:“由于本次签证工作的增加,预计将使工程工期延长具体天数。
工程量签证单工程量签证单工程量签证单工程量签证单工程量签证单工程名称:生源时代广场编号:20210414工程量签证单工程名称:生源时代广场编号:20210501工程量签证单工程量签证单工程量签证单工程名称:生源时代广场编号:20210504工程量签证单工程名称:生源时代广场编号:20210502工程量签证单工程量签证单工程量签证单工程名称:生源时代广场编号:20210119工程量签证单工程名称:生源时代广场编号:20210117工程量签证单工程量签证单工程名称:生源时代广场编号:20210717工程量签证单工程量签证单工程名称:生源时代广场编号:202100906工程量签证单工程量签证单工程量签证单工程名称:生源时代广场编号:202100928工程量签证单工程名称:生源时代广场编号:202100928工程量签证单工程名称:生源时代广场编号:202101004工程量签证单工程名称:生源时代广场编号:202101013工程量签证单工程量签证单工程名称:生源时代广场编号:202101030工程量签证单工程量签证单工程名称:生源时代广场编号:202101123工程量签证单工程名称:生源时代广场编号:202101201工程量签证单工程名称:生源时代广场编号:202101126工程量签证单工程名称:生源时代广场编号:202101206工程量签证单工程量签证单工程量签证单工程名称:生源时代广场编号:202101210工程量签证单工程名称:生源时代广场编号:202101218工程量签证单工程名称:生源时代广场编号:202101218工程量签证单。
工程变更签证单空白(可以直接使用,可编辑优秀版资料,欢迎下载)工程变更及现场签证单编号:01工程变更及现场签证单编号:工程变更及现场签证单编号:02出屋面楼梯间取消核减工程量计算过程1、墙体砖数:【(2.3+5.16)×2×3.24-2.1-1.8】×0.24=10.67m3。
2、混凝土工程量:QL1:(5.46+2.6)×2×0.2×0.24=0.77m3,GZ1、2:0.24×0.30×2.8×4=0.8m3,YP-2:1.8×0.9×0.1+1.8×0.24×0.3=0.292m3。
小计:1.862m3。
3、钢筋:10以上0.121吨,10以下0.032吨。
4、抹灰及涂料面积:外墙(5.7+2.84)×2×3.45-3.9=55.03m2,女儿墙0.7×(5.46+2.6)+(0.4+0.2)×(5.22+2.36)=10.19m2,内墙(2.36+5.22)×2×2.9-3.9=40.06m2。
小计:105.28m2。
5、保温面积:(5.7+2.84)×2×3.45-3.9=55.03m2。
6、防盗门:1樘。
(注:以上均为1个单位的工程量N1标段共计7个单位。
)计算人:榆林市春辉建筑工程第七项目部2021年月日工程变更及现场签证单编号:03工程变更及现场签证单编号:04工程变更及现场签证单编号:05工程变更及现场签证单编号:06工程变更及现场签证单编号:07工程变更及现场签证单编号:08工程变更及现场签证单编号:09工程变更及现场签证单编号:10杭州友成电子HANGZHOU YOUCHENG ELECTRONICS CO.,Ltd.作业指导工程变更管理规范文件编号:YC-QS-ED-003现行版本:A2版编制:审核:批准:发布:2011年03月31日实施:2011年04月01日杭州友成电子编制修改记录1目的通过建立有效的工程变更作业管理控制程序,确保工程变更的正确性、以及变更作业的有效进行,使工程变更的各个环节处于受控状态,确保产品品质,生产效率提升和生产成本下降。
工程量变更签证单证现场代表: 现场人员:现场代表:年 月 日年月日总监:年月日年月日注:此表用于隐蔽工程部位、图纸无法计量部位或合同外的工程项目变更签证,一式三份,施工、监理、业主各一份。
表 A-13工程量变更签证单施工单位:惠州市水电建筑工程有限公司合同号:KPDSHGQ-SG-01 编号:开平帀大沙河灌区农业综合开工程名称变更部位 北干渠4+800右岸 发水利骨干工程按设计变更KPDA 补卜-8图北干渠4+800右岸步级(2米宽)采用1#万案,具体工程量 如下:(1) 人工挖土3+X 十 2X 9X = m ; (2) C15砼XXX 2+ XXX 17=; (3) 砖砌180墙3X 十 2 XX 9X 2= m ;4) 1 :水泥砂浆抹面XX 2+XX 18 + X - 2 X 9X 2+X =监理工程师核疋意见:变更依据(设计图号)KPDA 补-89x250=2250建设单位监 理 部 施工单位签现场代表:现场人员:年月日现场代表:证年月日总监:年月日2005年1月12日注:此表用于隐蔽工程部位、图纸无法计量部位或合同外的工程项目变更签证,一式三份,施工、监理、业主各一份。
表 A-13工程量变更签证单开平帀大沙河灌区农业综合开工程名称变更部位 北干渠5+400右岸发水利骨干工程按设计变更KPDA 补卜-8图北干渠5+400右岸步级(2米宽)采用1#万案,具体工程量 如下:(1) 人工挖土3+x 十 2X 9X = m ; (2) C15砼XXX 2+ XXX 17=; (3) 砖砌180墙3X 十 2 XX 9X 2= m ;4) 1 :水泥砂浆抹面XX 2+XX 18 + X - 2 X 9X 2+X =施工单位:惠州市水电建筑工程有限公司合同号: KPDSHGQ-SG-01 编号:变更依据(设计图号)KPDA 补-805105X业主各一份。
表A-13工程量变更签证单KPDSHGQ-SG-01注:此表用于隐蔽工程部位、图纸无法计量部位或合同外的工程项目变更签证,一式三份,施工、监理、业主各一份。
第1篇一、工程名称:本项目工程名称为:(此处填写工程名称)二、工程地点:本项目工程地点为:(此处填写工程地点)三、签证原因:1. 施工过程中,由于以下原因导致工程量发生变化:(1)施工图纸与现场实际情况不符;(2)甲方要求进行设计变更;(3)施工过程中遇到特殊情况,如地质条件、材料供应等;(4)其他原因。
2. 签证内容:(1)变更部分工程量;(2)变更部分工程量的预算;(3)变更部分工程量的施工方案。
四、签证单位及人员:1. 施工单位:(此处填写施工单位名称)2. 甲方代表:(此处填写甲方代表姓名及职务)3. 监理单位:(此处填写监理单位名称)4. 监理人员:(此处填写监理人员姓名及职务)5. 设计单位:(此处填写设计单位名称)6. 设计人员:(此处填写设计人员姓名及职务)五、签证日期:(此处填写签证日期)六、签证附件:1. 施工图纸变更通知单;2. 设计变更通知书;3. 施工现场照片;4. 施工记录;5. 其他相关资料。
七、签证内容:1. 变更部分工程量:(1)变更项目名称及编号;(2)变更前工程量;(3)变更后工程量;(4)变更原因。
2. 变更部分工程量的预算:(1)变更项目名称及编号;(2)变更前工程量预算;(3)变更后工程量预算;(4)变更原因。
3. 变更部分工程量的施工方案:(1)变更项目名称及编号;(2)变更前施工方案;(3)变更后施工方案;(4)变更原因。
八、备注:1. 本签证单由施工单位填写,经甲方、监理、设计单位确认后生效;2. 本签证单一式四份,甲乙双方、监理单位、设计单位各执一份;3. 本签证单自签字之日起生效,如有未尽事宜,可另行协商解决。
施工单位:(盖章)甲方代表:(签字)监理单位:(盖章)监理人员:(签字)设计单位:(盖章)设计人员:(签字)年月日第2篇一、签证单基本信息1. 工程名称:____________________2. 施工单位:____________________3. 监理单位:____________________4. 甲方单位:____________________5. 签证日期:____________________二、签证事项1. 工程部位:____________________2. 工程内容:____________________3. 工程量变更原因:____________________4. 变更前工程量:____________________5. 变更后工程量:____________________6. 变更原因及依据:____________________三、签证单附件1. 施工图纸及相关资料2. 施工现场照片3. 施工部位横截面图4. 工程量计算书5. 相关合同、协议及会议纪要四、签证单内容1. 根据现场实际情况,经施工单位、监理单位、甲方单位共同确认,对工程部位:____________________进行工程量变更。
XXX项目设计变更、签证、索赔策划(范例)1.目的为加强变更、签证、索赔工作的管理,维护企业的合法权益,保障企业利润最大化,督促双方履约,保证项目顺利完成,特制定本程序。
2.范围本办法是项目经营管理的一部分,适用于本工程项目经理部全体员工及所属各分包单位。
本项目定义的索赔是承包商在合同实施过程中,根据合同及法律规定,对发包方给承包方造成的损失中应由发包方承担责任的部分,向发包方提出请求给予经济补偿和工期延长的要求。
3.职责3.1项目经理部:项目经理部负责全面履行合同和开展索赔工作。
(1)项目经理:支持合同管理员的工作,并参与重大、重要的索赔工作。
(2)商务经理:协助项目经理履行合同,负责项目经理部内部各有关部门和人员在合同履约、索赔和结算过程中的协调配合,指导合同管理员工作,并亲自牵头组织重大、重要的索赔工作。
(3)法务人员:在商务经理的指导下做好日常合同分析和索赔的基础工作。
(4)物资人员:落实材料设备需用计划,分清来源和采购渠道,对发包方供应的材料计划设备做好进场验收、登记工作,保证材料、设备质量并保证施工需要。
由于发包方供应物资或由于发包方(包括监理、设计)原因影响造成物资采购损失及其他相关损失的,由物资人员收集、整理资料,报合同管理员并协助其与发包方办理索赔。
(5)商务人员:负责编制和深化工程概预算书及工料分析,根据各业务部门提供的索赔意向书或信息,做好索赔分析,并整理报领导审批后报出。
(6)财务人员:根据合同约定收取工程款,发生发包方拖欠工程款时,牵头向发包方发出索赔意向通知,并参与索赔过程。
3.2技术部:编制和贯彻施工方案,处理施工过程中的技术问题,协调、督促、办理技术洽商,及时办理涉及技术的签证,建立台账。
3.3工程部:按计划组织保证生产,及时与甲方及监理办理施工过程中的签证工作,做好记录,建立台账。
3.4索赔小组:遇复杂的索赔事件或发包方拒绝商议处理索赔,项目经理部成立索赔领导小组,索赔小组视具体情况设定,一般可包括项目经理、商务经理、工程人员、技术人员、专业分公司的有关人员、合同管理员等,并上报公司合约部,合约部应组东牵头组织有关人员参加索赔工作。
第1篇一、签证单基本信息1. 工程名称:XX项目2. 工程地点:XX省XX市XX区XX街道3. 签证编号:XXXXXX4. 签证日期:____年__月__日5. 施工单位:XX建设集团有限公司6. 监理单位:XX工程监理有限公司二、签证内容1. 工程量变更原因:因地质条件复杂,实际施工过程中发现地基承载力不足,需进行地基处理。
2. 工程量变更内容:(1)地基处理:原设计地基承载力为150kPa,实际检测值为100kPa,需对地基进行处理,提高承载力至150kPa。
(2)施工方案调整:根据实际情况,调整部分施工方案,增加地基处理工序。
3. 工程量变更计算:(1)地基处理工程量:根据设计图纸和实际情况,计算地基处理工程量为2000立方米。
(2)施工方案调整工程量:根据实际情况,计算施工方案调整工程量为500立方米。
4. 变更后的工程量:(1)地基处理工程量:2000立方米。
(2)施工方案调整工程量:500立方米。
三、签证费用及结算1. 地基处理工程量费用:根据市场价格,地基处理费用为100元/立方米,共计200,000元。
2. 施工方案调整工程量费用:根据市场价格,施工方案调整费用为80元/立方米,共计40,000元。
3. 变更后的总费用:240,000元。
四、签证审核及确认1. 施工单位代表:____2. 监理单位代表:____3. 建设单位代表:____五、其他事项1. 本签证单作为合同补充协议,与合同具有同等法律效力。
2. 本签证单经三方签字盖章后生效。
3. 本签证单一式三份,施工方、监理方、建设单位各执一份。
附件:1. 地基处理工程量计算书2. 施工方案调整工程量计算书3. 地基承载力检测报告注:本样本仅供参考,具体签证内容可根据实际情况进行调整。
第2篇一、签证基本信息1. 签证编号:_______2. 工程名称:_______3. 施工单位:_______4. 监理单位:_______5. 建设单位:_______6. 签证日期:_______二、签证内容1. 签证项目:_______(如:土方开挖、基础施工、钢筋绑扎等)2. 签证原因:因_______(如:地质条件变化、设计变更、材料代用等)导致实际施工工程量与原设计或合同约定不符。
签证内容:
合计机械租赁费232602元。
Ⅲ、材料费
1、为做单桩竖向承载力试验,加工钢护筒直径为1000mm壁厚为5mm高度为600mm三套共计2100元;
2、材料进场试验费(井桩变更报告作废)共计580元
3、由于基础按桩基施工(该次所提钢材桩基、基础梁、承台及基础柱),井桩、承台及基础梁钢筋提
料共进场16钢筋为17.92T,则变更后剩余的16钢筋为:17.92T -变更后基础的16钢筋量为
0.312T-主体所用16钢筋量3.538T-构造柱及圈过梁2.35T=11.72T。
每吨钢材为3910元,合计:
11.72T×3910元/T(清单材料单价)=45825.2元;
合计材料费为48505.2元
二、2014年5月10日至2014年5月13日由于基底有软卧层确定换填方案,2014年5月17日至2014年5月22日主电缆损坏停电及换填方案未确定,导致我方停工,具体量经甲乙双方议价如下:
工程签证单
司
签证内容:
按图纸要求后砌墙长>5m及围护墙中未与柱或剪力墙相连接的独立窗间墙设构造柱,当墙高>4m时设圈梁或水平系梁,其构造柱配筋为412,箍筋为ф6@200,其圈梁或水平系梁配筋为4ф10,箍筋为ф6@250,由于现场12、ф10及ф6钢筋全部已用完,由于原桩基变为条基,16及ф8钢筋在主体施工完后大部分剩余。
现我方从二层至屋面所有构造柱及一至三层圈过梁或水平系梁所用钢筋全部由16及ф8的钢筋代替圈过梁或水平系梁及构造柱钢筋,箍筋间距及主筋根数不变。
工程签证单(GC-11-01)(若为转扣的注明被转扣单位
名称及转扣比例)
施工单位:编号:(按恒大档案管理
办法编号,咨询资料员)
期不予受理。
2.申报时必须附签证理由证明文件如监理通知、设计变更等,以及经监理方确认的原始凭证及验收合格文件。
3.本签证表一式三份,施工单位、预决算部、工程部资料室各一份。
4、工程部在收到签证单后48小时内签署意见,可以签署不同意的意见;办理完毕后3天内由工程部资料员归档;如属转扣签证须在右上角注明被转扣单位。
5、竣工图中可计算的项目不可签证数量。
工程签证原始记录凭证(GC-12)
建设单位:
施工单位:签证单编号:
时需附图及照片标注,以满足计量、计价要求。
现场签证单
编号:TN-QZ001
现场签证单
编号:TN-QZ002
编号:TN-QZ002原设计图做法
现场签证单
编号:TN-QZ003
现场签证单
编号:TN-QZ004
编号:TN-QZ004
详图
现场签证单
编号:TN-QZ005
编号:TN-QZ005原设计图做法
现场签证单
编号:TN-QZ006
编号:TN-QZ006 详图
编号:TN-QZ006 详图
现场签证单
编号:TN-QZ007
编号:TN-QZ007 详图
编号:TN-QZ007 详图
编号:TN-QZ007 详图
现场签证单
编号:TN-QZ008
现场签证单
编号:TN-QZ009
现场签证单
编号:TN-QZ010
现场签证单
编号:TN-QZ011
现场签证单
编号:TN-QZ012
现场签证单
编号:TN-QZ013
现场签证单
编号:TN-QZ014
现场签证单
编号:TN-QZ015
现场签证单
编号:TN-QZ016
现场签证单
编号:TN-QZ017
现场签证单
编号:TN-QZ018
工程变更单
编号:TN-BG001
编号:TN-BG001 原做法
变更后做法
工程变更单
编号:TN-BG002
工程变更单
编号:TN-BG003
工程变更单
编号:TN-BG004。
(建筑工程管理)工程量变
更签证单(例)
表A-13
工程量变更签证单
施工单位:惠州市水电建筑施工XX公司合同号:KPDSHGQ-SG-01编号:
注:此表用于隐蔽工程部位、图纸无法计量部位或合同外的工程项目变更签证,壹式三份,施工、监理、业主各壹份。
表A-13
工程量变更签证单
施工单位:惠州市水电建筑施工XX公司合同号:KPDSHGQ-SG-01编号:
注:此表用于隐蔽工程部位、图纸无法计量部位或合同外的工程项目变更签证,壹式三份,
施工、监理、业主各壹份。
表A-13
工程量变更签证单
施工单位:惠州市水电建筑施工XX公司合同号:KPDSHGQ-SG-01编号:
注:此表用于隐蔽工程部位、图纸无法计量部位或合同外的工程项目变更签证,壹式三份,施工、监理、业主各壹份。
表A-13
工程量变更签证单
施工单位:惠州市水电建筑施工XX公司合同号:KPDSHGQ-SG-01编号:
注:此表用于隐蔽工程部位、图纸无法计量部位或合同外的工程项目变更签证,壹式三份,
施工、监理、业主各壹份。
表A-13
工程量变更签证单
施工单位:惠州市水电建筑施工XX公司合同号:KPDSHGQ-SG-01编号:
注:此表用于隐蔽工程部位、图纸无法计量部位或合同外的工程项目变更签证,壹式三份,施工、监理、业主各壹份。
表A-13
工程量变更签证单
施工单位:惠州市水电建筑施工XX公司合同号:KPDSHGQ-SG-01编号:
注:此表用于隐蔽工程部位、图纸无法计量部位或合同外的工程项目变更签证,壹式三份,
施工、监理、业主各壹份。
表A-13
工程量变更签证单
施工单位:惠州市水电建筑施工XX公司合同号:KPDSHGQ-SG-01编号:
注:此表用于隐蔽工程部位、图纸无法计量部位或合同外的工程项目变更签证,壹式三份,施工、监理、业主各壹份。
表A-13
工程量变更签证单
施工单位:惠州市水电建筑施工XX公司合同号:KPDSHGQ-SG-01编号:
注:此表用于隐蔽工程部位、图纸无法计量部位或合同外的工程项目变更签证,壹式三份,
施工、监理、业主各壹份。
表A-13
工程量变更签证单
施工单位:惠州市水电建筑施工XX公司合同号:KPDSHGQ-SG-01编号:
注:此表用于隐蔽工程部位、图纸无法计量部位或合同外的工程项目变更签证,壹式三份,施工、监理、业主各壹份。
表A-13
工程量变更签证单
施工单位:惠州市水电建筑施工XX公司合同号:KPDSHGQ-SG-01编号:
注:此表用于隐蔽工程部位、图纸无法计量部位或合同外的工程项目变更签证,壹式三份,
施工、监理、业主各壹份。
表A-13
工程量变更签证单
施工单位:惠州市水电建筑施工XX公司合同号:KPDSHGQ-SG-01编号:
注:此表用于隐蔽工程部位、图纸无法计量部位或合同外的工程项目变更签证,壹式三份,施工、监理、业主各壹份。
表A-13
工程量变更签证单
施工单位:惠州市水电建筑施工XX公司合同号:KPDSHGQ-SG-01编号:
注:此表用于隐蔽工程部位、图纸无法计量部位或合同外的工程项目变更签证,壹式三份,
施工、监理、业主各壹份。
表A-13
工程量变更签证单
施工单位:惠州市水电建筑施工XX公司合同号:KPDSHGQ-SG-01编号:
注:此表用于隐蔽工程部位、图纸无法计量部位或合同外的工程项目变更签证,壹式三份,施工、监理、业主各壹份。
表A-13
工程量变更签证单
施工单位:惠州市水电建筑施工XX公司合同号:KPDSHGQ-SG-01编号:
注:此表用于隐蔽工程部位、图纸无法计量部位或合同外的工程项目变更签证,壹式三份,
施工、监理、业主各壹份。
表A-13
工程量变更签证单
施工单位:惠州市水电建筑施工XX公司合同号:KPDSHGQ-SG-01编号:
注:此表用于隐蔽工程部位、图纸无法计量部位或合同外的工程项目变更签证,壹式三份,施工、监理、业主各壹份。
表A-13
工程量变更签证单
施工单位:惠州市水电建筑施工XX公司合同号:KPDSHGQ-SG-01编号:
注:此表用于隐蔽工程部位、图纸无法计量部位或合同外的工程项目变更签证,壹式三份,
施工、监理、业主各壹份。
表A-13
工程量变更签证单
施工单位:惠州市水电建筑施工XX公司合同号:KPDSHGQ-SG-01编号:
注:此表用于隐蔽工程部位、图纸无法计量部位或合同外的工程项目变更签证,壹式三份,施工、监理、业主各壹份。
表A-13
工程量变更签证单
施工单位:惠州市水电建筑施工XX公司合同号:KPDSHGQ-SG-01编号:
注:此表用于隐蔽工程部位、图纸无法计量部位或合同外的工程项目变更签证,壹式三份,施工、监理、业主各壹份。
表A-13
工程量变更签证单
施工单位:惠州市水电建筑施工XX公司合同号:KPDSHGQ-SG-01编号:
注:此表用于隐蔽工程部位、图纸无法计量部位或合同外的工程项目变更签证,壹式三份,
施工、监理、业主各壹份。