中钢1280高炉技术操作规程
- 格式:doc
- 大小:233.00 KB
- 文档页数:47
1280高炉热风炉岗位技术操作规程1、主题内容与适用范围1.1本规程归定了热风炉岗位的操作程序与内容。
1.2本规程适用于九羊公司炼铁厂1280热风炉岗位。
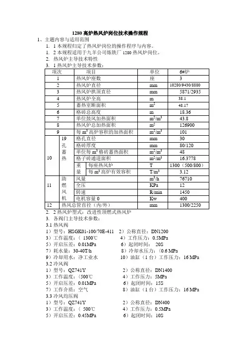
2.热风炉主导技术特性3.各阀门主导技术参数:3.1热风阀1)型号:HSGK01-100/70E-411 2)公称直径:DN12003)工作温度:〈1300℃4)工作压力:0.5MPa5)开启压差:0.01MPa 6)起闭时间:20S7)耗水量:30-40T/h 8)冷却水压力:〈0.6 MPa9)冷却用水:净工业水10)油缸(1台)工作压力:16 MPa3.2冷风阀1)型号:QZ741Y 2)公称直径:DN14003)工作温度:〈500℃4)工作压力:5MPa5)开启压差:0.01MPa 6)起闭时间:15S7)工作介质:空气8)油缸(1台)工作压力:16 MPa3.3冷风均压阀1)型号:QZ741Y 2)公称直径:DN4003)工作温度:〈500℃4)工作压力:0.5MPa5)开启压差:0.45MPa 6)起闭时间:10S7)工作介质:空气8)油缸(1台)工作压力:16 MPa3.4倒流休风阀1)型号:QZ741Y 2)公称直径:DN7003)工作温度:〈500℃4)工作压力:0.5MPa5)开启压差:0.01MPa 6)起闭时间:14S7)工作介质:空气8)油缸(1台)工作压力:16 MPa3.5高炉煤气调节阀,空气调节阀1)型号:600S-61C 2)公称直径:DN12003)工作温度:-5—200℃4)工作压力:0.6MPa3.6空气切断阀1)型号:QZ741Y 2)公称直径:DN12003)工作温度:〈600℃4)工作压力:0.5MPa5)开启压差:0.01MPa 6)起闭时间:15S7)工作介质:空气8)油缸(1台)工作压力:16 MPa3.7煤气切断阀1)型号:QZ741Y 2)公称直径:DN12003)工作温度:〈500℃4)工作压力:15KPa5)开启压差:0.01MPa 6)起闭时间:15S7)工作介质:煤气8)油缸(1台)工作压力:16 MPa3.8烟道阀1)型号:QZ741Y 2)公称直径:DN14003)工作温度:〈500℃4)工作压力:5MPa5)开启压差:0.01MPa 6)起闭时间:15S7)工作介质:烟气8)油缸(1台)工作压力:16 MPa3.9废气阀1)型号:QZ741Y 2)公称直径:DN4003)工作温度:〈500℃4)工作压力:0.5MPa5)开启压差:0.45MPa 6)起闭时间:10S7)工作介质:空气8)油缸(1台)工作压力:16 MPa3.10混风切断伐1)型号:6RTC-22 2)公称直径:DN7003)工作温度:〈1300℃4)工作压力:0.5MPa5)开启压差:0.5MPa 6)起闭时间:10S7)工作介质:空气8)油缸(1台)工作压力:16 MPa3.11倒流休风伐1)型号:6RTC-22 2)公称直径:DN7003)工作温度:〈1300℃4)工作压力:0.5MPa5)油缸(1台)工作压力:16 MPa7、热风炉操作7.1各项操作指标7.1.1炉顶温度最高,不得超过1400℃7.1.1烟道温度不大于350℃7.1.3煤气总管压力不得低于0.060~0.065Mpa7.1.4换炉压力和风温波动不得大于0.005 Mpa和10℃7.2调火原则以煤气压力为依据,以煤气流量为参考,以调节空气和煤气量为手段,达到炉顶温度上升的目标。
中钢1280高炉技术操作规程可编辑中钢1280高炉技术操作规程第一章值班室操作规程(一)原燃料管理精料是高炉生产的物质基础,高炉所用的原燃料必须经过严格验收,有良好的理化性能,足够的数量,才能实现低耗高产的目的。
<一>原燃料质量要求1)高炉所用原燃料必须符合公司或厂部的技术标准,否则应拒绝收卸并报告调度主任。
2)原燃料理化性能要求及波动范围。
A、烧结矿TFe<±0.5% CaO/SiO2≤±0.05 S≤±0.08%FeO=(8~12)% 筛分指数(≤5mm)≤3% 粒度5~40 mm>80%B、球团矿TFe<±0.5% FeO<±1.5% S≤±0.05%CaO≤±0.05% 筛分指数(≤5mm)≤2%平均抗压强度>2500 N/个小于2500 N/个的球≤2%还原度≥65% 粒度6~15 mm>90%C、白云石MgO≥19% SiO2≤2% 粒度 15~40mm>80%D、萤石CaF2≥95% SiO2≤4.5% S≤0.10% 粒度 8~50mm>80%E、焦碳水份5±1% 灰份11.00~12.5% 挥发份≤1.6% M40≥80 M10≤8% 粒度25~70mm>80%<二>原燃料料仓管理1)高炉用各种原燃料必须按品种卸入规定的料仓,严禁混料。
2)同一种原料应均衡地卸入所占料仓,上料时必须循环取料,避免局部烧结仓存时间过长,存放时间长粉末增多的烧结矿应按比例搭配间断入炉。
3)成分无大变化可以不清仓进料,取样时间、卸料时间、数量、仓号,必须通知高炉工长。
若成分有较大波动,必须清仓后才能进料,并将卸料时间、数量、仓号通知值班工长。
4)为防止大变料,保证高炉配料稳定,各原料存仓量不应少于该料种一个班的用量。
矿仓内储量不能少于1/3,焦仓内储量不能少于1/2,低于上述值必须放料。
5)定期对原燃料进行粒度分析,筛分结果通知值班工长和调度室。
高炉岗位操作规程一、前言高炉是冶金行业不可或缺的设备。
高炉岗位操作规程对于高炉生产全过程的标准化、规范化起着重要的作用。
高炉岗位操作规程是从工艺、设备、安全、环保等多方面规定员工在高炉操作的规范,旨在保障高炉生产运行的安全效率,提升生产效益。
二、高炉岗位操作规程高炉岗位操作规程一般由高炉生产工艺、安全、环保等专业人士编制而成。
其主要内容包括:1.高炉设备和工艺操作规程高炉岗位操作规程的第一部分是设备和工艺操作规程,包括高炉操作前设备的检查和准备工作,及各种工艺操作的规范。
具体内容包括:(1)高炉上料顺序、数量及原料的性质、温度、含水量等方面的要求;(2)提铁操作、放鞍操作、吊耳操作、换风操作、放沟操作的注意事项;(3)测温、测压、测流量等操作规范;(4)高炉渣的处理及运输规范;(5)高炉停炉后的设备检查及清洗规范。
2.高炉安全操作规程高炉岗位操作规程的第二部分是安全操作规程。
作为高温高压设备,高炉安全意外发生风险较高。
规范和强化员工安全操作意识,减少高炉安全事故是高炉岗位操作规程的重要目标。
其具体内容包括:(1)安全操作,如安全带、安全帽、安全鞋等个人防护规范;(2)高炉内的安全设施和安全警示标志的规定;(3)火灾、爆炸、中毒、坍塌、热伤害等应急处理规范;(4)设备故障以及事故的报告流程和要求;(5)技术操作人员岗位管理的规范、安全意识和责任。
3.高炉环保操作规程高炉岗位操作规程的第三部分是环保操作规程。
高炉生产过程中产生了大量的废气、废水和废渣等污染物,环保操作规程的主要目的是规范员工的操作流程,促使生产过程与环保的分离,降低高炉的污染物排放。
环保操作规程包括:(1)废气处理,如排放标准、设备操作规范等;(2)废水处理,如污水排放标准、污水处理设备、污水处理质量要求等;(3)废渣的处理,包括废渣的收运、存放、处置、回收等规定。
三、高炉岗位操作规程的意义1.提高生产效率高炉岗位操作规程实现高炉生产全过程的规范化,避免操作上的低效率,确保高炉生产达到高效率、高品质的目标。
高炉炉前工操作安全操作规程随着钢铁产业的不断发展,高炉作为钢铁生产的重要设备之一,在生产过程中也越来越受到人们的关注。
作为高炉生产过程中最为重要的环节之一,高炉炉前工作的安全操作十分关键,需要遵循一系列的规章制度进行操作。
本文将介绍高炉炉前工操作安全操作规程,希望能对钢铁生产过程中的安全管理起到积极的促进作用。
一、前期准备(一)热处理钢材上料前应将炉缸炉墙的温度降至设定温度以下。
(二)上料前必须将炉缸内的余热铁全部割清。
(三)上、下金属料等杂物必须卸挡并清除污物。
(四)烧结矿必须开包破碎或打孔投料。
(五)高炉炉围架必须排气顺畅,并清理熔池周围及操作平台上之杂物及积尘。
二、热处理钢材(一)钢材上料前,辅助工须先测定热处理的预定温度是否符合规定。
(二)上料时,由观气工指挥配合三工共同操作,并注意钢材倾向等。
(三)碎垛好炼使用熟料时应与主料矿比值大于10%。
三、焦炭(一)每堆焦炭应预留一段距离,以便于堆焦内部检查及临时清除焦炭塞口。
(二)顶压安排应按推焦周期和炉缸状态决定。
(三)炉口焦渣必须及时清扫。
(四)每次改炉前必须将炉缸内之余热铁及渣铁全部割清铍、杂铁等堵塞炉口必须挨逐清除。
四、铁料(一)铁水车装料验炉编号、井号、铁水温度、量等。
(二)上料前必须检查炉缸内余热铁及炮装内的飞灰、焦沫等杂物。
(三)上料后必须检查碎垛高度和料跟等情况。
五、风温(一)高炉热风罩在每次点火前及空开时间内必须关闭。
(二)热风罩关闭时辅助工应用测量仪器对风口进行实时监测,确保风口在打开状态下正常。
(三)由于风口尺度的影响,炉缸前后风温分布不均的情况较常见,应进行及时的调整与监测。
上述规程只是高炉炉前操作安全操作规程的一部分,为了确保生产过程的顺利进行,钢铁企业还需对工人不断进行安全培训和管理。
在工作中,工人必须遵守操作规程,严格执行各项安全操作,尽可能地减少危险事件的发生,确保钢铁生产过程的安全和稳定。
钢铁生产高炉安全操作规程钢铁生产是现代工业中不可或缺的一环,而高炉作为钢铁生产中最重要的设备之一,其安全操作规程更是至关重要。
高炉的安全操作规程对于保障工人的生命安全、保障设备正常运行、保障生产效益具有重要意义。
以下将介绍钢铁生产高炉安全操作的几个方面。
首先,高炉的操作人员必须明确高炉的基本原理和工作流程。
只有了解了高炉的工作原理,才能更好地掌握高炉的操作技能。
高炉是通过焦炭还原铁矿石来产生炼铁过程中的主要装置,其工作原理涉及多个物理、化学原理,操作人员应具备相关专业知识。
此外,高炉的工作流程也需要操作人员掌握。
比如,铁矿石的装入、热风的供给、还原过程的控制等,都需要按照规定的步骤进行,以确保高炉的正常工作。
其次,高炉操作人员应具备一定的安全操作技能。
钢铁生产中,高炉操作环境恶劣,操作人员需要经过专门的培训,学会正确、安全地操作高炉。
比如,在高炉操作中,涉及到高温、有毒气体、高压等危险因素,操作人员应穿戴符合要求的个人防护装备,合理利用工作平台、护栏等设施,严格遵守操作规程,确保自身安全。
同时,操作人员需要学会如何正确应对突发情况,比如,高炉温度过高、炉渣堵塞等问题,需要积极采取应急处置措施,防止事态扩大。
此外,高炉的安全操作还需要操作人员与其他工种的密切配合。
在钢铁生产中,高炉是一个复杂的系统,除了高炉操作人员外,还涉及到煤气工、烧结工、装炉工等多个工种的协作。
各个工种之间需要紧密配合,形成一个整体的工作机制。
比如,煤气工需要根据高炉操作人员的操作要求,合理调整高炉内煤气的供给量;烧结工需要根据高炉操作人员的要求,及时提供高炉所需的烧结矿。
各个工种之间的配合不仅需要有明确的沟通,更需要有默契和信任。
最后,高炉的安全操作还需要定期的检查和维护。
高炉是一种极为复杂的设备,需要定期进行检查和维护,以确保其正常运行。
检查包括对高压炉体、高温设备、防火墙等进行检测,确保设备完好、无泄漏、无堵塞等。
维护方面包括对高炉内部进行清理、修补等工作,以保障设备的正常运行。
【关键字】技术炼铁厂1280m3高炉渣处理技术操作规程1、渣处理岗位职责1.1渣处理班长岗位职责,并提出整改措施。
1.2渣处理主操岗位职责,工具的领取和保管。
1.3渣处理工岗位职责,停车工作。
,反吹工作。
,并参与检修试车。
,并提出预防措施。
,工具的领取和保管。
,做到交班清、接班明。
2、粒化渣工艺流程2.1工艺流程简述熔渣经沟头加入粒化器,粒化器内高压冷却水管对熔渣冷却,并被高速旋转的粒化轮击碎,粒化器下方高压冲渣水对其进行细化并送入脱水器脱水,干渣经过皮带送入渣场,水通过回水管道加入循环水池。
2.2工艺流程简图3、主要设备及技术参数3.1粒化渣系统主要设备粒化轮直径1140×1000mm减速机型号EDY200-4电机型号YUP2805-4-75KW变频器型号T-RNOPOG11S-4CX转鼓直径6000×2400mm减速机型号ZSY280-224电机型号TUP3155-110KW变频器型号T-RNOBZOG11S-4CX200KZ-60 Q=870m3/hH=56.3m P=200KW潜水排污泵500W 12.5-22AQ=6.9~11.1~14.5m3/hH=18.9~17.5~15.8m3.1.4 LX型电动单梁悬挂桥式吊车起吊高度9米额定起重量3t起重电机型号ZDY12-4 功率2×0.4KW 电动葫芦型号CD13-9D主起升电机型号ZD132-4 功率4.5KW 电葫芦运行电机Z型号DY112-4 功率0.4KW 吊车最大轮压18.9KN起吊高度12米额定起重量5t起升电机型号YZR225M-8/22运行小车电机型号YZR132M2-6/3.7运行大车电机型号YZR160M1-6配带抓斗型号U110 容积为1.5m3 3.2渣处理系统主要技术参数4、渣处理技术操作规程4.1粒化渣设备开机,确认粒化系统设备运转正常。
,脱水器,转鼓。
,启动冲渣水泵(水泵为开二备一),要求水泵水压、水量达到冲渣要求且启动时,先开冲渣闸门,后起泵。
高炉炼铁技术操作规程1、高炉工长安全技术操作规程 (2)2、热风工段技术操作规程 (3)3、卷扬岗位工技术操作规程 (4)4、称量岗位工技术操作规程 (4)5、炉前工技术操作规程 (4)6、铁口工技术操作规程 (5)7、水工技术操作规程 (5)8、天车技术操作规程 (5)9、除尘工技术操作规程 (6)10、CTC风机岗位技术操作规程 (6)11、水泵工技术操作规程 (7)12、电工技术操作规程 (7)13、维修技术操作规程 (8)14、原料岗位工技术操作规程 (8)15、上料岗位技术操作规程 (9)16、铸铁工技术操作规程 (9)17、机头电磁盘天车工技术操作规程 (9)1、高炉工长安全技术操作规程1、出铁前穿戴劳保用品,严禁在出渣、铁时横跨渣铁沟,通过时必须走安全通道。
2、放渣、出铁前,工长要及时检查渣铁口是否正常,发现问题及时采取措施。
3、取样前,模样、样勺要烤干,防止放炮伤人。
4、机车晚点或其它原因不能正常出铁时,当班工长根据情况适当减风压,防止发生渣口烧坏、风口罐渣、烧穿等事故。
5、高炉冷却水压下降时,值班工长视具体情况减风压处理,发现停水时紧急停风。
6、高炉炉顶压力不断升高超出正常范围时,应及时减风压,打开炉顶放散阀,查找原因,排除故障再恢复正常生产。
7、预计较长时间不能上料而顶温升高时,可适当减压。
无钟炉顶顶温不超过300℃,炉底温度不超过600℃。
8、休、送风前必须与鼓风室、热风、TRT、卷扬、布袋除尘、生产科等部门取得联系。
9、休风检修处理炉顶设备时或临时休风炉顶需动火时,炉顶必须点火,点火前炉顶严禁其它作业。
10、料线过深时,不得休风,如必须休风时,严禁倒流操作。
11、上炉顶点检设备或处理设备故障时,首先通知煤防站人员,现场监护炉顶必须两人以上同往。
12、休风前若悬料,应先做料后才能休风。
13、休、送风注意事项:①复风时热风炉未发回送风信号,不准关闭放风阀;②不打开窥视孔,不准发出倒流信号进行休风,严防煤气在热风管道和热风炉内、烟道引起爆炸;③当有必要换另一热风炉倒流时,必须通知炉台人员暂时离开风口附近;④在煤气区域工作或处理设备故障时,应通知煤防人员现场指导,并服从煤防人员指挥。
中钢1280高炉技术、安全操作规程上料区域技术操作规程(一)工艺操作要求1、接班对所属设备进行全面检查:受料斗、料流阀、料罐、节流阀、下密、流槽水平传动装置、倾动装置、炉顶冷却系统。
2、每班校对倾动角度、料线2次,同值班室校对表盘与数据是否相符,如发现异常,及时联系相关人员处理。
3、正常气密箱温度小于40℃,严禁断水,冷却水最大耗量12吨/小时,视传动箱内温度的高低增减供水量,冷却水质为普通工业水,水压在0.5MPa以上,即在40m标高还要比炉顶压力高0.1MPa以上。
4、当炉顶温度持续增高(高于400℃以上)气密箱温度无法控制时,应在工长指导下,开炉喉水控制顶温短期(<60分钟)700℃。
否则应通知工长休风。
5、布料前,必须将探尺提到零位。
6、以炉喉钢砖上沿为料线零位。
7、在正常情况下,探尺偏差不大于500mm,严禁空料线作业。
(二)炉顶液压站系统操作炉顶液压站技术性能:压力15Mpa,温度25-55℃之间,满足以上要求方可正常运行。
1.各班人员接班后,必须检查液位,如液位比原来低或持续减低,则必须上炉顶检查所有管路、油管、换向、油缸是否漏油,如有漏油及时汇报,联系维修。
2.启动备用泵,观察备用泵运转是否平稳,声音、温度、压力是否达标。
(特别注意:在启动备用泵前,检查进出油口的截止阀是否打开,如是关闭状态,必须问清原因,联系维修)3.检查油温是否在25-55℃之间,如小于25℃时,要启动加热器加热;如高于55℃时,启动3#冷却泵进行冷却;停止上料或油缸不工作时要及时停泵。
4.每班次要详细检查油管的使用状态,检查油管接口、油缸避免油管突然爆裂,造成喷油事故。
5.发生喷油事故后,要及时停泵,通知维修人员处理。
检查爆管地点,关闭截止阀,准确判断是否可以继续启泵,降低损失。
(三)干油泵操作1.每班不少于2次,依次检查各干油管路、换向装置、分配器接口是否有涨裂现象,如异常,应及时处理。
2.干油泵控制器出现监控超时信号,应及时检查干油泵压差开关是否正常,换向装置开关是否到位。
1280M3高炉安全操作规程一、工长安全操作规程1.上岗前劳保用品穿戴齐全规范,遵守劳动纪律,严禁酒后上岗。
2.严格按照生产程序组织指挥生产。
3.巡视生产、设备、原燃料情况时,要防止滑到,摔碰伤,高空坠物伤害及煤气中毒。
4.严禁使用未预热烘烤干的取样工具、模具。
5.炉缸储铁量接近或超过安全容铁量时,要积极采取措施。
6.休风检修,煤气系统设备,炉顶设备时,炉顶必须点火。
7.处理风、渣口倒流休风时,必须打开俩个窥视孔以后进行,倒流时要确认风口区域,正面无人时进行,并留有未上的窥视孔盖,停止倒流后立即装好镜盖。
8.炉顶点火时,风口区域不准有人逗留或工作,不准打开窥视孔盖。
9.悬料必须坐料之后再休风。
10.鼓风机停电时,必须切断煤气区域,打开排风阀及停煤停氧。
11.开关蒸汽阀门时,不准站在阀门正面。
12.长期休风,必须堵严风口,复风时启动风机后,再捅开风口。
13.高炉突然断风,应按紧急休风程序休风,同时出净炉内的渣铁。
14.休风要在放净渣、铁之后按程序进行。
15.炉顶压力不断增高又无法控制时,应及时减风,并打开炉顶放散,找出原因,排除故障,方可恢复生产。
16.高炉大修时,人员进入高炉炉缸作业前应拆除所有直吹管,有效切断煤气、氧气、氮气等危险气源,并认真做好监护、监测和通风措施。
17.炉顶温度应低于350℃。
二、炉前安全操作规程1. 上岗前劳保用品穿戴齐全规范,遵守劳动纪律,严禁酒后上岗。
2. 禁止潮铁口出铁,铁沟、铁罐必须干净,无潮物。
3. 炉前所用工具必须烤干,严禁用铁管捅铁口和铁水。
4. 出铁时禁止跨越主沟、撇渣器和渣沟,铁口正面及铁沟内不准站人。
5. 开口前要修好泥套,开口机、泥炮要试好,并设专人操作,维护铁口和渣口作业需点燃泄露煤气,防止中毒。
6. 启动水泵前,应确认粒化塔内无人。
出铁时冲渣流嘴附近禁止站人。
7. 保持炉前,平台上下清洁,不准有积水。
8. 液压系统出现问题及时通知维检人员处理,并通知高炉工长,不得随意对各类阀门、压力表进行调节。
1280m3高炉安全操作规程1 厂区安全守则1.1为了使全体职工(包括实习、代培、参观人员等)明确了解炼铁厂范围内共同性的安全规定,确保职工安全健康,做到安全生产,特制定本守则。
1.2新入厂职工、转岗职工和实习、代培、参观人员,按照炼铁厂《安全教育培训制度》进行安全教育。
1.3进入厂区的所有人员,必须遵守厂规、厂纪、听从指挥。
按规定穿戴齐全劳保用品,女同志必须把发辫挽入安全帽内。
1.4严格执行岗位安全操作规程,严禁违章指挥,违章作业,生产与安全发生矛盾时,要服从安全。
1.5工作前保证足够的睡眠,严禁饮酒,以充沛的精力进行生产和工作。
1.6不准擅自离开工作岗位,或随意将工作转交他人。
1.7岗位操作人员要精神集中,不准闲聊或做与工作无关的事。
1.8非本岗位人员不准私自开关设备、电动仪器和各种阀门。
1.9起重机械设备吊物时,不准在下面经过和停留。
1.10不准私自拆装安全装置和机械设备上的零部件。
1.11严禁在各种传动设备上休息、行走和跨越。
1.12手持灯电压必须在36V以下,金属容器内、危险潮湿地点不得大于12V。
1.13使用手持电动工具时,必须接地、接零,并戴好绝缘手套或采取脚下绝缘措施。
1.14接近带电设备或线路施工时,必须符合安全工作距离,并采取可靠的安全措施。
1.15压力容器不准超压使用,安全附件要齐全、灵敏、可靠。
1.16盛装压缩气体或液压气体,设计压力在1kg/m2以上的各种钢质气瓶要戴好瓶帽,不得冲撞,不准放在烈日下和高温处所,禁止使用氧气管吹扫或给轮胎冲气等。
1.17不准擅自攀登高处建筑及石棉瓦、瓦棱屋顶,高处作业(凡在坠落高度基准面2米以上(含2米),有可能坠落的高处作业,均称为高处作业)具备条件必须按规定系好安全带,不具备条件时,必须采取有效的安全措施。
1.18临时架设的线路、管道、脚手架等设施,横跨道路上空时,不得低于5.5米。
1.19在公路及人行道临时挖掘地坑、井沟池等,必须设置安全栏杆及警示标志,夜间有警示灯。
高炉炉内操作规程高炉是一种重要的冶金生产设备,在钢铁行业中有着重要的地位。
高炉操作规程是指在高炉内进行冶炼和熔炼过程中的一系列操作规范,它可以保证高炉的安全稳定运行,提高生产效率,在钢铁生产中发挥重要的作用。
本文将从高炉内操作规程的内容、注意事项以及管理体系等方面进行详细的介绍。
一、高炉炉内操作规程的内容高炉炉内操作规程主要包括高炉内各部位的操作要求,以及涉及到的物理参数控制要求等方面。
以下介绍几个重要的内容要点:1、高炉加料操作规程:高炉加料工作是高炉冶炼过程中的一个重要环节,操作规程包括了加料的种类、数量、时间以及加料顺序等细节。
在加料过程中要注意操作人员的人身安全,以及各种设备的运行状态,保证加料工作的正常进行。
2、高炉出铁操作规程:高炉炉内产生的熔融铁需要通过出铁口排出,高炉出铁操作规程主要包括了出铁的时机、出铁的速度以及出铁的稳定性等方面。
出铁时需要注意人员安全,保证各种设备的正常运行,避免出现工作不顺畅的情况。
3、高炉风口管理规程:高炉的热量需要通过风口的调节来控制,高炉风口管理规程包括了风口的调节、风口的清理、风口口径的计算以及风口的防火等方面。
这些措施有助于调节高炉内的燃烧热量,确保高炉的安全稳定运行。
4、高炉炉渣操作规程:高炉冶炼过程中会产生大量的炉渣,高炉炉渣操作规程包括了炉渣的清理、处理、转运、卸渣等环节,以及有关炉渣质量的要求等方面。
有效的炉渣处理措施可以遵循环经济原则,节约资源,减少环境污染。
以上四个方面是高炉炉内操作规程的主要内容,但是实际中还涉及到许多细节环节,需要定期检查和更新保证规程的执行。
二、高炉炉内操作规程的注意事项在进行高炉内操作的过程中,需要注意以下几个方面:1、人身安全:高炉内是一个高温、易爆、易污染的环境,操作人员必须严格遵守安全操作规程,佩戴相应的安全装备,确保个人安全。
2、设备安全:高炉内的设备运行情况需要定期检查,确保其功能正常,避免设备故障引起的生产事故,做到防患于未然。
高炉炉前技术操作规程高炉炉前技术操作规程之相关制度和职责,一、岗位职责(一)专业大组长 1.在工段长领导下负责炉前的全面工作。
2.负责各项规章制度的贯彻执行,组织炉前组长碰头会,统一操作管理,完成生产任务。
3.落实各项安全环保措施,实现安全清洁生产。
4.负责日...一、岗位职责(一)专业大组长1.在工段长领导下负责炉前的全面工作。
2.负责各项规章制度的贯彻执行,组织炉前组长碰头会,统一操作管理,完成生产任务。
3.落实各项安全环保措施,实现安全清洁生产。
4.负责日常生产中备品备件和各种用料的准备。
5.负责提出检修项目和检修后试车验收。
6.根据生产需要,提出改进操作,改进设施和修改规章的意见。
7.负责组织检查各班操作台帐和日常生产事故的分析。
8.对炉前个班人员合理进行调配。
(二)炉前组长1.在大组长和当班工长领导下进行工作。
2.对本班操作安全负全面责任,及时组织本班人身设备和生产事故的分析。
3.按照出铁计划,安全正点出净渣铁。
4.指导铁口工做好开口堵口操作,决定打泥量,保持指定的铁口角度和深度。
5.组织更换风口和吹管弯头,发生紧急事故时要及时组织处理。
6.负责本班工具材料的使用管理。
7.负责本班组分工的现场管理,达到文明生产的要求。
8.负责填写操作记录和交接班。
(三)铁口工1.铁口工兼任副组长职务,协助组长做好本班组工作。
组长不在时,代理组长工作。
2.负责铁口操作及泥套、开口机、泥炮使用维护,做好出铁前的准备工作。
3.按要求出净渣铁。
4.努力提高自身操作水平,维护好铁口。
铁口工助手1.协助铁口工做好铁口工作。
2.负责做好出铁前铁口的各项准备工作。
3.准备好所用工具。
4.铁流过小或铁口卡焦炭时积极捅铁口。
(四)撇渣器工1.负责撇渣器的操作、维护和保温,保证铁流畅通,做到渣不带铁,铁不过渣。
2.出铁前检查好撇渣器、流咀、砂坝和铁水罐及铁沟闸板具备出铁条件。
3.负责出铁时看罐和撒焦粉。
铁水面距罐口不少于300mm。
中钢1280高炉技术、安全操作规程炉前操作规程(一)炉前工作任务炉前工作的主要任务是配合炉内操作,通过铁口安全准时地将生成的渣铁出净,维护好铁口、砂口、渣铁沟以及炉前机械设备(开眼机、泥炮和炉前行车),保持炉台的定置管理及现场卫生。
(二)岗位技术操作规程<一>铁口工操作规程1.铁口工交接班时必须与上班铁口工进行交接,详细了解设备运转是否正常,铁口的深度、炮泥的质量等情况。
3、铁口工出铁前的准备1)装满泥炮,炮嘴无硬泥。
2)检查泥套完好无破损。
3)试泥炮嘴与泥套完全吻合。
4)检查开口机是否正常。
5)检查液压站压力正常。
6)设备保护设施齐全。
7)清理主沟内及两边上杂物,做好铺垫工作。
4.开铁口程序1) 炉前组长确认罐已对正,方可进行开铁口。
2) 确认后开启油泵,将开口机开至铁口位置,钻杆对准泥套中心。
3) 按旋转手柄进行开口。
4) 将进退手柄扳向推进位置。
5) 将冲击手柄扳向打击位置。
6) 转至1800mm时,退出钻杆,换新转杆重转到红点,重新更换钢钎。
直至钻开铁口。
7) 当铁口打开后,将冲击手柄板向停打位置将进退手柄板向退出位置,直至退出铁口,将旋转手柄板向停转位置,将吹灰手柄板向停吹位置,将回转手柄板向退回位置,退至原位。
8) 停止油泵工作。
5.在开口操作过程,遇到铁口过潮、过硬、过深、过浅等情况,须立即拔出钻钎,观察铁口内的情况,并作出相应处理。
1)若铁口过潮时,进行烤干后出铁。
2)若铁口过硬时,及时组织人员用氧气烧开。
3)若铁口过深时,更换长钻杆或长钢钎开转铁口。
14)若铁口过浅时,严防钻漏跑大流、慎用打击,换小钻头。
6. 进钻过程中要随时注意铁口深度,防止钻漏、钻杆拔不出,凡遇到钻漏、钻杆拔不出,果断采取有效措施如氧气烧断钻杆,直到烧通铁口。
7.烧铁口程序1) 将氧气管放在铁口前,尾端弯曲成90°后,联接好氧气袋、氧气瓶。
2) 打开氧气阀,确认氧气吹出后,将氧气管慢慢送入铁口,必要时,可用废旧皮带、易燃物等点燃氧气管。
钢铁厂高炉操作规程钢铁产业作为国民经济的支柱产业,对于经济的发展具有重要的作用。
而高炉作为钢铁生产过程中的核心设备,其操作规程的科学性、合理性和有效性,对于确保钢铁生产的稳定和质量的提高至关重要。
本文将介绍钢铁厂高炉操作规程的相关内容。
首先,高炉操作人员应具备较高的技术素质和丰富的工作经验,了解钢铁冶炼的基本原理和相关知识。
他们应该具备分析问题和解决问题的能力,能够根据生产需要实施科学合理的操作。
其次,高炉操作人员应熟悉高炉操作规程,了解每个环节的工作要求和程序。
他们应了解高炉的启动、加料、风温调节、焦比控制、流程调整、炉渣处理等工作内容,并能根据实际情况进行操作和调整。
在高炉的启动阶段,操作人员需要按照规程逐步进行操作。
首先,对高炉进行检查,确保设备安全可靠。
然后,根据规程进行点火、预热和升温,确保高炉内部达到正常操作温度。
启动阶段的操作关乎整个钢铁生产过程的稳定性,一丝不苟的操作是确保高炉正常工作的基础。
加料是高炉操作中的重要环节。
操作人员根据生产需要和规程要求,适量投入铁矿石、焦炭和燃料,确保高炉炉料的合理性和稳定性。
在投料过程中,操作人员需要根据炉内情况,及时调整投料量和投料顺序,以保证炉内的冶炼过程正常进行。
与料矿投料相伴的是风温调节。
高炉冶炼过程中,风温的调节对燃烧和反应过程起着关键作用。
操作人员应熟悉风温调节的原理和方法,根据高炉内部状态和生产要求,调整风温,保证高炉的冶炼效果和产量。
焦比控制也是高炉操作的重要环节之一。
焦比是指高炉炉料中焦炭与铁矿石的质量比。
焦比的合理控制对高炉冶炼过程的稳定性和燃烧效率起着重要作用。
操作人员应根据规程要求和生产情况,适时调整焦比,以实现最佳的冶炼效果。
在高炉操作中,流程调整是不可避免的。
操作人员需要根据高炉的实际运行情况,及时调整冶炼流程,保证高炉的正常稳定运行。
这涉及到操作人员的能力和经验,需要他们具备较高的技术素质和灵活的应变能力。
最后,炉渣处理是高炉操作中的最后一个环节。
高炉技术操作规程高炉是冶金行业中的重要设备,用于生产铁和其他金属材料。
高炉技术操作规程对高炉的操作细节进行了详细规定,确保高炉的安全稳定运行。
下面是一份高炉技术操作规程的示例,供参考。
第一章概述第一条为规范高炉的操作,保证生产的安全、稳定和提高铁的质量,制定本规程。
第二章高炉的准备工作第二条高炉准备工作包括对高炉本体、冷却设备和周边设备进行检查和维护。
第三条高炉本体的检查和维护范围包括周转料的冲拔设备、风口、渣口、炉墙、炉底、炉顶、炉缸及其他相关设备。
第四条冷却设备的检查和维护范围包括冷却壁、内壁保护层、降温管、风冷管、鼻枪等。
第五条周边设备的检查和维护范围包括风机、除尘设备、脱硫设备等。
第六条高炉准备工作的内容、频率和责任人应在高炉日常维护计划中明确规定。
第三章高炉的操作第七条高炉的操作应按照生产计划进行。
第八条高炉操作人员应熟悉高炉的原理和操作方法,并按规定配备必要的防护设备。
第九条高炉原料的投入应按照高炉料型的比例和要求进行,松散物料的堆放应均匀分布,防止塞料和堆积。
第十条高炉喂料设备的操作应按照规定进行,喂料口的开关操作要准确、灵活,防止过料和漏料。
第十一条高炉炉喉、炉顶、风口和渣口的操作应按照规定进行,炉喉的冷却应控制在合理范围内,炉顶的压力要控制在安全范围内,风口和渣口的开关要准确、灵活。
第十二条高炉熔剂的操作应按照规定进行,加入适量的熔剂,控制熔剂的配比,防止熔剂过多或过少。
第十三条高炉炉温的控制应按照生产需要进行,通过调整高炉进料的比例和负荷来控制炉温的升降。
第十四条高炉风量和风压的控制应按照生产需要进行,通过调整鼓风机的转速和风口的开度来控制风量和风压。
第十五条高炉的操作应根据实际情况进行,灵活调整参数,保证高炉的稳定运行。
第十六条高炉操作中出现异常情况时,应及时采取措施进行处理,防止事故发生。
第四章高炉的停炉第十七条高炉停炉前应进行清扫和封堵工作。
第十八条高炉停炉时应关闭和封堵高炉进料口、出料口、风口和渣口,切断高炉与周围设备的连接,并采取必要的安全措施。
1280高炉工艺技术操作规程拟制:审核:批准:前言根据炼铁高炉工艺、设备特点,并结合同行业其它企业的先进经验,编制本规程。
要求有关岗位员工认真学心、深刻理解、熟练掌握、严格执行。
希望员工在实际工作中,不断摸索和总结经验,及时提出修改意见,保持本规程合理性。
本规程由山东富伦钢铁有限公司委托炼铁厂制定。
本规程主要起草人:本规程标准化审查:炼铁高炉工艺技术操作规程自2008年5 月1日实施起执行。
目录一、高炉炼铁工艺流程 (3)二、原料技术条件 (4)三、高炉值班室工艺操作规程 (5)四、炉前工艺操作规程 (27)五、看水工技术操作规程 (34)六、上料系统技术操作规程 (42)七、热风炉技术操作规程 (51)八、煤气除尘系统技术操作规程 (60)九、铁水罐砌筑操作规程 (66)十、嘉恒法渣处理工艺技术规程 (67)十一、喷煤系统技术操作规程 (69)一、高炉炼铁工艺流程图二、原燃料技术条件1、炼铁原料技术标准:1.1高炉用烧结矿技术条件(YB/T 421-2005铁烧结矿)标准摘录见表1。
注:(1)TFe、CaO/SiO2(二元碱度)的基数由企业自定;(2)允许中小企业FeO含量增加2.0%;(3)当烧结矿碱度为1.50-2.00时,二级品S含量不超过0.15%;(4)冶金性能指标暂不考核,但生产厂应进行检查,报出数据。
1.2球团矿技术条件:(YB/T 005-2005 酸性铁球团矿),标准摘要见表2。
表1:高炉用烧结矿技术条件2、原料分析项目2.1烧结矿:TFe、FeO、SiO2、CaO、MnO、S、P、Al2O3、MgO、残C、转鼓指数、筛分指数、低温还原粉化率、还原性。
2.2生矿:TFe、SiO2、CaO、Al2O3、MgO、S、P2.3焦炭Wt、At、Vt、S、转鼓指数、M25、M40、M102.4煤粉Wf、At、S、C、Vf、H2O、粒度组成(-200目的达到80%~85%)2.5对焦炭,煤粉的质量要求三、高炉值班室工艺操作规程1280m3高炉工艺技术条件(详见表一)3高炉工艺技术条件表一附录四:冶炼参数的变化对焦比和产量的影响附录五:常用计算参考公式1、风口标准公式:W标=BV/60/进风面积2、风口实际风速:W实=BV/60/进风面积×{(273+BT)/273×101.325/(101.325+BP)}3、鼓风动能:E=0.5×r×BV/60/g/n×W实2式中:W标—风口标准风速m/sKJ/sW实—风口实际风速270左右E—鼓风动能KJ/sBV—仪表显示风量,M3/minBT—风温℃BP—热风压力,KPan—工作风口数,个r—鼓风比重,取1.293kg/m3r=1.293-0.489/804×BH(湿度)g—重力加速度m/s24、风口理论燃烧温度Tf=1570+0.808T+72.83/(BV-O2/60) ×O2-5.85×BH-43333/(BV- O2/60) ×PCI 式中:O2—富氧量m3/hBH—鼓风温度g/ m3PCI—喷煤量t/hBT—风温℃BV—仪表显示风量,M3/min5、热流强度:q=C×Q×T/s式中:q—热流强度Mj/m2hC—水的比热,取4.18 Mj/m3℃Q—冷却壁水流量m2/h△t—水温差℃S—该冷却壁面积m26、富氧率:ηO2={[(BV- O2/60×0.21+ O2/60×0.995)/BV]-0.21}×100%式中O2—富氧量m3/hηO2—富氧率四、高炉基本操作制度1.1装料制度:高炉上部装料制度是利用改变炉料在炉喉分布状况与上升煤气流达到有机配合来完成冶炼过程。
高炉安全操作规程1280m3高炉安全操作规程1280m3高炉安全操作规程1 厂区安全守则1.1为了使全体职工(包括实习、代培、参观人员等)明确了解炼铁厂范围内共同性的安全规定,确保职工安全健康,做到安全生产,特制定本守则。
1.2新入厂职工、转岗职工和实习、代培、参观人员,按照炼铁厂《安全教育培训制度》进行安全教育。
1.3进入厂区的所有人员,必须遵守厂规、厂纪、听从指挥。
按规定穿戴齐全劳保用品,女同志必须把发辫挽入安全帽内。
1.4严格执行岗位安全操作规程,严禁违章指挥,违章作业,生产与安全发生矛盾时,要服从安全。
1.5工作前保证足够的睡眠,严禁饮酒,以充沛的精力进行生产和工作。
1.6不准擅自离开工作岗位,或随意将工作转交他人。
1.7岗位操作人员要精神集中,不准闲聊或做与工作无关的事。
1.8非本岗位人员不准私自开关设备、电动仪器和各种阀门。
1280m3高炉安全操作规程1.9起重机械设备吊物时,不准在下面经过和停留。
1.10不准私自拆装安全装置和机械设备上的零部件。
1.11严禁在各种传动设备上休息、行走和跨越。
1.12手持灯电压必须在36V以下,金属容器内、危险潮湿地点不得大于12V。
1.13使用手持电动工具时,必须接地、接零,并戴好绝缘手套或采取脚下绝缘措施。
1.14接近带电设备或线路施工时,必须符合安全工作距离,并采取可靠的安全措施。
1.15压力容器不准超压使用,安全附件要齐全、灵敏、可靠。
1.16盛装压缩气体或液压气体,设计压力在1kg/m2以上的各种钢质气瓶要戴好瓶帽,不得冲撞,不准放在烈日下和高温处所,禁止使用氧气管吹扫或给轮胎冲气等。
1.17不准擅自攀登高处建筑及石棉瓦、瓦棱屋顶,高处作业(凡在坠落高度基准面2米以上(含2米),有可能坠落的高处作业,均称为高处作业)具备条件必须按规定系好安全带,不具备条件时,必须采取有效的安全措施。
1280m3高炉安全操作规程1.18临时架设的线路、管道、脚手架等设施,横跨道路上空时,不得低于5.5米。
可编辑中钢1280高炉技术操作规程第一章值班室操作规程(一)原燃料管理精料是高炉生产的物质基础,高炉所用的原燃料必须经过严格验收,有良好的理化性能,足够的数量,才能实现低耗高产的目的。
<一>原燃料质量要求1)高炉所用原燃料必须符合公司或厂部的技术标准,否则应拒绝收卸并报告调度主任。
2)原燃料理化性能要求及波动范围。
A、烧结矿TFe<±0.5% CaO/SiO2≤±0.05 S≤±0.08%FeO=(8~12)% 筛分指数(≤5mm)≤3% 粒度5~40 mm>80%B、球团矿TFe<±0.5% FeO<±1.5% S≤±0.05%CaO≤±0.05% 筛分指数(≤5mm)≤2%平均抗压强度>2500 N/个小于2500 N/个的球≤2%还原度≥65% 粒度6~15 mm>90%C、白云石MgO≥19% SiO2≤2% 粒度 15~40mm>80%D、萤石CaF2≥95% SiO2≤4.5% S≤0.10% 粒度 8~50mm>80%E、焦碳水份5±1% 灰份11.00~12.5% 挥发份≤1.6% M40≥80 M10≤8% 粒度25~70mm>80%<二>原燃料料仓管理1)高炉用各种原燃料必须按品种卸入规定的料仓,严禁混料。
2)同一种原料应均衡地卸入所占料仓,上料时必须循环取料,避免局部烧结仓存时间过长,存放时间长粉末增多的烧结矿应按比例搭配间断入炉。
3)成分无大变化可以不清仓进料,取样时间、卸料时间、数量、仓号,必须通知高炉工长。
若成分有较大波动,必须清仓后才能进料,并将卸料时间、数量、仓号通知值班工长。
4)为防止大变料,保证高炉配料稳定,各原料存仓量不应少于该料种一个班的用量。
矿仓内储量不能少于1/3,焦仓内储量不能少于1/2,低于上述值必须放料。
5)定期对原燃料进行粒度分析,筛分结果通知值班工长和调度室。
6)值班工长每班最少检查一次原燃料的理化性能,料仓存料情况,槽下和炉顶的自动上料情况,发现问题及时汇报处理。
7)辅助料的使用由炉长提出,调度室组织备料。
8)原燃料检查分析制度烧结:TFe SiO2 FeO CaO MgO S 筛分2小时一次球团:TFe SiO2 FeO CaO MgO S Al2O3 筛分卸车时取样分析一次/班。
焦碳:水份灰份挥发份固定碳筛分 S M40 M10 堆比重、灰分全分析每周一次。
辅助料:TFe SiO2 FeO CaO MgO S Al2O3 P CaF2 M n O均在卸车时取样分析精品可编辑(二)、配料和炉料校正<一>配料1)变铁种配料由炉长制定方案,主任审定后执行。
高炉工长临时调整炉渣碱度变配比后汇报调度。
铸造铁变炼钢铁,降炉温至L10后应减小降低幅度,同时适当提高炉渣碱度。
炼钢铁变铸造铁,提炉温幅度可适当快些,提前降低炉渣碱度。
2)休复风料由炉长制定,主任审定后执行。
3)洗炉料由炉长制定,主任审定后执行。
4)高炉开、停炉配料由主任、生产主任制定。
经炉长、值班工长讨论,由生产副厂长审定后执行。
<二>炉料校正1)原燃料理化性能有较大波动,估计影响超过4小时,应及时调整配料,并报告值班主任。
2)设备故障被迫长时间低风温或慢风操作时,根据炉况需要调整焦炭负荷。
3)变料时值班工长填写变料单交主控室卷扬工,并检查变料后实际装入情况。
(三)、装料管理制度1.高炉基本装料制度由炉长决定,不轻易变动;如需临时调整,超过4小时由车间主任决定。
2.值班工长每班检查电子秤称量状况一次,槽下工每班检查电子秤零位两次,及时校正误差,电子秤称量误差在下次称量时,进行补偿。
3.高炉轮流从各料仓取料,筛篦子要定期更换,筛下物要及时带走,称量斗积灰要及时清除。
4.高炉使用矿石批重应保持相对稳定,炉况需要改变矿批时要分次进行。
5.炉况正常时两探尺偏差要求小于0.5m,单探尺作业应适当降低料线300-500 mm操作,工作时间不宜超过12小时,经常观察探尺情况,专业人员每天检查一次并记录;休风检修后必须校正料线零位。
6.高炉计划检修时,通知计控室校验槽下及炉顶电子秤,如实记录,一般每月一次,槽下所有磅秤定期用砝码校正,并记录备查。
7.供料系统所有筛子筛孔尺寸由主任同生产副厂长决定。
(四)、正常炉况标志正常炉况的主要特征是:炉缸工作均匀活跃,气流分布合理,渣铁热量充沛,炉温稳定,下料均匀,顺畅,它主要表现在:1、探尺曲线:下降均匀,没有停滞陷落、时快时慢现象,两探尺下降深度差别不大于0.5m,每次加料后,料面深度基本一致。
2、风口工作:风口工作均匀,焦炭活跃明亮,但不耀眼,无大块生降。
3、出铁现象:物理热充沛,铁水温度大于1440℃,一炉铁前后铁水温度均匀,相邻两炉铁[Si]波动不大于0.15%,出铁时有较多石墨炭飞扬,铁样断口为灰口。
4、煤气流分布稳定:CO2%曲线是一条稳定趋向于平坦的双峰式曲线,中心比边缘略低,炉顶综合煤气中CO2%含量稳定。
5、炉喉温度:各点稳定在一定范围内波动不大。
6、炉顶温度:曲线带较稳定,带宽在30-60℃之间,随上料前后在一定范围内波动。
7、下料时,炉顶煤气压力没有猛然上升的尖峰、而是压力降低随即回升到正常位置。
8、热风压力及冷风流量正常而稳定,波动较小,风压波动一般在±5kPa范围内,风量波动在±50m3/min。
9、炉墙各层温度均匀稳定,且在合理范围内。
(五)、高炉日常操作高炉日常操作的任务就是根据原燃料条件、冶炼铁种要求、设备状况、炉型及炉况顺行程度、生产任务及强化方向来选择合理的操作制度,及时纠正炉况波动避免失常。
<一>装料制度1)在下开炉料时,要认真观察旋转溜槽的布料情况,并做好记录,作为将来调整炉况的原始资料。
精品可编辑2)一般采用分装法,靠调整溜槽角度和布料圈数来控制煤气分布,保持合理的煤气分布。
3)料尺零位规定在炉喉钢砖上沿。
4)料尺要两个同时使用,二探尺偏差在500mm以上时,应按指示小的料尺下料,查明原因,若偏料应采取纠正偏料的措施。
5)禁止低料线作业,出现低料线,必须先控制风量,要根据料线的深浅程度和赶料速度,适当加补净焦,调整料批、溜槽倾角,同时减轻焦碳负荷。
6)日常料线规定为500mm-1400mm之间,降低料线加重边缘,提高料线加重中心。
7)料批:缩小料批加重边缘,反之加重中心,批重大小由车间根据炉况确定。
8)节流阀开度、溜槽倾角调整由车间根据炉况确定。
9)为调整炉渣碱度,可由值班工长决定暂时改变配比,但如长期改变配比,须由炉长决定,并上报厂领导。
10)加入小焦丁时应将小焦丁与矿石一起加入炉内。
11)每次变料要由值班工长填写变料通知单并签字,主控室卷扬工变料,然后值班工长确认。
<二>送风制度合理的送风制度,是炉缸正常工作的基础,是高炉顺行和炉况稳定的必要条件,作为高炉操作制度的核心,它决定着煤气流的初始分布和炉缸工作状态是否正常。
1)在炉况顺行、焦比适中及焦炭质量稳定的前提下,应保持合适而稳定的冶炼强度。
2)保持全风量作业,避免长期慢风作业,有计划长期慢风作业,应改用小风口;炉缸堆积适当改变风口进风面积,改善炉缸工作状态。
3)一般情况下,风口应力求等径、等长,均匀一致,全开使用。
如长时间(超过一天)堵风口操作由厂领导决定。
4)高炉休风在6小时以上及坐料后的慢风,应临时堵2~4个风口由炉长决定;开风口条件是:恢复正常风量的80%,正常料线4小时以后捅第一个风口,正常料间隔一个冶炼周期,恢复正常风量的95%,捅第二个风口,间隔12小时后全风捅第三个风口,最后一个视炉况而定。
5)日常操作中,减风时应一次到位,而加风时应视炉况进程和风压情况逐步进行,每次加风5~10kPa,两次加风的时间间隔不小于20min,非冶炼因素造成的短期休慢风可以快速恢复。
6)风压稳定、下料顺畅、炉缸均匀活跃、渣铁热量充足、设备及生产秩序正常时方可加风。
以下情况必须减风:原燃料恶化、冶炼进程需要、水压低、设备故障短时间无法恢复、炉缸内渣铁量接近上限,发生直接影响高炉正常操作的事故或需要坐料纠正煤气流分布可允许放风。
7)停风时间在一小时以内,复风风压为120~140kPa。
4小时以上,复风风压为80~100kPa。
8)力求用高风温作业,使用风温杜绝大起大落;调节风温时,每次提风温幅度最高不超30℃,两次提风温时间间隔不小于20min,降风温可一次到位。
<三>热制度热制度是指炉缸应具备的温度水平,它直接反映了炉缸的工作状态,稳定均匀而充沛的热量是高炉顺行的基础,用铁水物理温度代表炉温的称为“物理热”,用生铁含硅量代表炉温的称为“化学热”。
1)应保持稳定、均匀而充沛的炉缸温度。
物理热判断:炉温充足时,渣温充足,光亮夺目。
流动性好,不宜粘沟,冲水渣时水渣呈灰白色,棍样无光泽,表面有气孔。
炉凉时,渣温逐渐下降,渣的颜色变为暗红,流动性差,易粘沟,冲水渣时,冲不开,水渣呈黑色,大量黑色硬块沉于池底,棍样表面光滑。
化学热判断:生铁合格,含硅量高炉温高,含硫量波动不大,反之则低。
2)控制生铁[Si]在0.45~0.75% 之间,规定生铁[Si]下限为0.40%,低于下限,或物理热低于1440℃,必须采取提炉温措施。
3)相邻两炉铁[Si]波动小于0.15 %,大于0.15 %时,必须查明原因,采取有效措施。
4)影响炉温炉况的因素长时间存在时要调整焦炭负荷,调整幅度大于0.06时要向车间主任请示。
精品可编辑5)以下情况必须加净焦:炉凉、长时间空料线、长期休风前后、连续崩料及悬坐料、临时停止喷吹,但超过三批要请示。
<四>造渣制度造渣制度是否合理,直接影响下部压差,煤气流分布及高炉顺行,同时也直接影响生铁质量,因此适宜的造渣制度必须是有利于炉温充沛而稳定,炉渣流动性好,有足够的脱硫能力。
1)一般情况下,控制炉渣二元碱度范围在R2=1.1±0.05。
2)控制炉渣中MgO含量为8-12%,若渣中MgO含量不足8%时,可考虑加白云石,但同时要考虑炉渣二元碱度的变化。
3)使用萤石调整炉渣流动性,由车间确定。
4)调剂炉渣碱度原则:(R2)高于1.15时,必须调整酸料入炉。
(R2)低于1.05时,必须采取提渣碱措施。
<五>喷煤粉调剂1)随喷吹量的增加,促使煤气中心发展,改变了炉缸工作状态,上下部调剂要相匹配。
2)喷吹燃料存在热滞后性,要掌握热滞后时间及早调节,调整喷吹煤量一般在冶炼周期的1/3-1/2时产生效果。
3)喷煤要做到“广喷”、“匀喷”,要求所有风口都喷吹。
4)风量不变,压差随喷吹量增大而升高,如不破坏顺行则允许压差在规定范围内升高,否则,应减喷吹量。