最新设计弱电设计规范标准样本
- 格式:docx
- 大小:30.43 KB
- 文档页数:5
办公大楼弱电方案标准版本第一章引言1.1 项目背景本标准是为了规范办公大楼弱电系统的设计、施工和维护,确保其安全可靠运行,并满足办公大楼对信息传输、通信和安全监控等弱电设备的需求。
1.2 适用范围本标准适用于办公大楼的弱电系统设计和实施工程,包括但不限于计算机网络、电话系统、安全监控系统、多媒体系统和建筑自动化系统等。
第二章弱电系统设计2.1 基本要求2.1.1 弱电系统设计应根据办公大楼的具体需求确定设计指标,包括传输速率、通信距离、故障恢复时间等。
2.1.2 弱电系统的设计应考虑未来扩容需求,预留合理的接口和线缆路径,以方便后续设备的增加和更换。
2.2 弱电设备选型2.2.1 弱电设备的选型应满足国家相关标准和规定,具有合格证书和符合认证要求。
2.2.2 弱电设备应选用可靠性高、性能稳定的产品,具备抗干扰能力和较长的寿命。
2.3 弱电系统布线2.3.1 弱电系统的布线应符合相关电气安全标准和规范,遵循线路分类和分布的原则。
2.3.2 弱电线缆的选用应根据系统需求确定,采用合适的线缆规格和类型,保证传输质量和稳定性。
第三章弱电系统施工3.1 施工组织3.1.1 弱电系统施工前应编制详细的施工组织设计,明确施工任务、责任和计划。
3.1.2 施工现场应设置合理的施工区域,确保施工过程中的安全和顺利进行。
3.2 施工质量控制3.2.1 施工过程中应严格按照设计要求和相关标准进行施工,确保质量符合规范要求。
3.2.2 施工现场应设置专门的质量检测设备和人员,对施工过程进行质量检查和控制。
3.3 系统调试与验收3.3.1 弱电系统施工完成后,应进行系统调试,确保各设备和线路的正常工作。
3.3.2 弱电系统应按照相关国家标准和规定进行验收,对系统进行全面检测和评估。
第四章弱电系统维护4.1 维护管理制度4.1.1 建立完善的弱电系统维护管理制度,明确维护人员的职责和任务。
4.1.2 建立设备档案和维护记录,定期对设备进行巡检和保养。
弱电机房设计规范标准最新弱电机房作为现代建筑中不可或缺的一部分,承担着信息传输、数据存储、监控管理等重要功能。
随着技术的发展,弱电机房的设计规范也在不断更新以适应新的技术需求。
以下是最新的弱电机房设计规范标准:1. 设计原则- 弱电机房设计应遵循安全性、可靠性、灵活性和可扩展性原则。
- 应充分考虑机房的物理环境,包括温度、湿度、洁净度等。
2. 位置选择- 弱电机房应选择在建筑物内相对独立、安静、少干扰的位置。
- 应远离水源、易燃易爆物品存放区,以及强电磁干扰区域。
3. 空间布局- 机房内应合理划分设备区、操作区、维护区等不同功能区域。
- 应保证有足够的空间进行设备安装、维护和人员操作。
4. 电气系统- 弱电机房应配备独立的电源系统,确保不间断电源供应(UPS)。
- 电气布线应符合国家电气安全规范,避免电磁干扰。
5. 空调与通风- 机房应配备恒温恒湿的空调系统,确保设备运行环境稳定。
- 应有良好的通风系统,以排除设备运行产生的热量。
6. 安全防护- 机房应设置门禁系统,控制人员进出。
- 应安装监控设备,实时监控机房内部情况。
7. 防火与防盗- 机房应配备火灾报警系统和自动灭火系统。
- 重要设备应安装防盗报警装置。
8. 接地与防雷- 弱电机房的接地系统应符合电气安全规范,确保设备安全运行。
- 应安装防雷系统,防止雷击对设备造成损害。
9. 布线系统- 布线应采用标准化、模块化的设计方案,便于维护和扩展。
- 应避免布线混乱,确保线路清晰、标识明确。
10. 环境监控- 应安装环境监控系统,实时监测机房内的温度、湿度等环境参数。
11. 维护与管理- 应制定详细的机房维护和管理规程,确保机房设备的正常运行。
- 应定期对机房进行巡检和维护,及时发现并解决问题。
结束语随着信息技术的快速发展,弱电机房的设计规范也在不断更新。
设计者应紧跟技术发展的步伐,不断优化设计方案,以满足日益增长的技术需求和安全标准。
通过遵循上述规范,可以确保弱电机房的高效、稳定和安全运行。
前言:为方便于智能化工程行业做设计、招投标、施工、监理的朋友,特整理如下四个内容:设计规范或标准、施工技术规范或标准、验收规范或标准、设计图集。
以下均为截止到2021年06月19日现行的规范或标准。
一、设计规范或标准GB50314-2015 《智能建筑设计标准》GB51348-2019 《民用建筑电气设计规范》GB50189-2015 《公共建筑节能设计标准》GB/T 50378-2019 《绿色建筑评价标准》GB51039-2014 《综合医院建筑设计规范》JGJ312-2013 《医疗建筑电气设计规范》GB50333-2013 《医院洁净手术部建筑技术规范》JGJ 354-2014 《体育建筑电气设计规范》GB/T51356-2019 《绿色校园评价标准》JGJ 39-2016 《托儿所、幼儿园建筑设计规范》(2019年局部修订版)GB50099-2011 《中小学校设计规范》2018.4 《中小学数字校园建设规范(试行)》(教育部)GB/T36342-2018 《智慧校园总体框架》GB/T36449-2018 《电子考场系统通用要求》GB/T36447-2018 《多媒体教学环境设计要求》JGJ 36-2016 《宿舍建筑设计规范》JGJ 218-2010 《展览建筑设计规范》GB/T 16571—2012 《博物馆和文物保护单位安全防范系统要求》信息产业部1998年5月《微功率(短距离)无线电设备管理暂行规定》Q/PBC00010-2017 《中国人民银行人民币发行库视频监控系统建设规范》Q/PBC00011-2017 《中国人民银行人民币发行库报警系统建设规范》Q/PBC00012-2017 《中国人民银行人民币发行库出入口控制系统建设规范》Q/PBC00013-2017 《中国人民银行人民币发行库安全保卫监控(指挥)中心建设规范》GB50311-2016 《综合布线系统工程设计规范》GB50846-2012 《住宅区和住宅建筑内光纤到户通信设施工程设计规范》DB37/T 5113-2018 《住宅区和住宅建筑内光纤到户通信设施工程设计规范》(山东省)GB50373-2019 《通信管道与通道工程设计规范》GB/T 50622-2010 《用户电话交换系统工程设计规范》GB/T50200-2018 《有线电视网络工程设计标准》GB50395-2007 《视频安防监控系统工程设计规范》GB50396-2007 《出入口控制系统工程设计规范》GB50394-2007 《入侵报警系统工程设计规范》GB50799-2012 《电子会议系统工程设计规范》GB50371-2006 《厅堂扩声系统设计规范》GB/T 28049-2011 《厅堂、体育场馆扩声系统设计规范》GB50635-2010 《会议电视会场系统工程设计规范》DB34_T2318-2015 《教学录播系统设计规范》(安徽省)GB50174-2017 《数据中心设计规范》GB/T51409-2020 《数据中心综合监控系统工程技术标准》GB50370-2005 《气体灭火系统设计规范》GB50016-2014 《建筑设计防火规范》(2018年版)GB50116-2013 《火灾自动报警系统设计规范》二、施工技术规范或标准DBJ/T14-071-2010 《公共建筑节能监测系统技术规范》(山东省)DB62/T 3133-2017 《公共建筑能耗监测系统技术规程》(甘肃省)JGJT 285-2014 《公共建筑能耗远程监测系统技术规程》(重庆市)GB50348-2018 《安全防范工程技术标准》GB50198-2011 《民用闭路监视电视系统工程技术规范》GB/T 16676-2010 《银行安全防范报警监控联网系统技术要求》GB/T50526-2021 《公共广播系统工程技术标准》(自2021年10月1日起实施)GB50949-2013 《扩声系统工程施工规范》GB50464-2008 《视频显示系统工程技术规范》JGJT334-2014 《建筑设备监控系统工程技术规范》GB/T 25125-2010 《智能照明节电装置》GA 1210-2014 《楼寓对讲系统安全技术要求》GA/T 644-2006 《电子巡查系统技术要求》GB50343-2012 《建筑物电子信息系统防雷技术规范》三、验收规范或标准GB50339-2013 《智能建筑工程质量验收规范》GB50303-2015 《建筑电气工程施工质量验收规范》GB/T50312-2016 《综合布线系统工程验收规范》GB50847-2012 《住宅区和住宅建筑内光纤到户通信设施工程施工及验收规范》GB/T 50312-2016 《综合布线系统工程验收规范》GB/T 50623-2010 《用户电话交换系统工程验收规范》GB51043-2014 《电子会议系统工程施工与质量验收规范》GB50793-2012 《会议电视会场系统工程施工及验收规范》GB50093-2013 《自动化仪表工程施工及质量验收规范》GB/T 28048-2011 《厅堂、体育场馆扩声系统验收规范》GB50166-2019 《火灾自动报警系统施工及验收标准》GB50462-2015 《数据中心基础设施施工及验收规范》GB50462-2008 《电子信息系统机房施工及验收规范》GB50169-2016 《电气装置安装工程接地装置施工及验收规范》GB50168-2018 《电气装置安装工程电缆线路施工及验收标准》GB50263-2007 《气体灭火系统施工及验收规范》GB50354-2005 《建筑内部装修防火施工及验收规范》四、设计图集《智能建筑弱电工程设计与施工》09X700《综合布线系统工程设计与施工》08X101-3《安全防范系统设计与安装》06SX503《建筑设备监控系统设计与安装》03X201-2《民用建筑电气设计与施工》D800-1~3《民用建筑电气设计与施工》D800-4~5《民用建筑电气设计与施工》D800-6~8《常用电机控制电路图》10D303-2~3。
弱电设计标准模板(10篇)1建筑弱电项目现状分析随着时代的发展,现代化电子技术、计算机技术、信息技术、智能化技术等在建筑行业逐渐被广泛应用,建筑弱电系统经过多年的发展和更新换代对建筑行业的发展起到了举足轻重的作用。
但是,就当前建筑弱电项目现状而言,并不乐观,建筑工程项目中,弱电自动化系统工程还有需要完善的地方,其中主要包括以下几方面:①工程的整体性、完整性认识不够,重视程度不够,造成弱电施工进度慢,再加上现场管理保护状态低,使弱电工程多方面施工受阻。
②弱电工程施工过程中需要与土建工程、安装工程、装饰工程等协调进行,由于协调工作不到位,引起资源浪费以及资源争占的情况时有发生,弱电自动化系统工程的弱化和不重视使其施工的时间、空间都被压缩挤占。
③弱电自动化系统自身具有集成性和关联性的特点,而且并没有较为完备的规范要求,致使弱电自动化施工管理呈现混乱状态。
④现如今大部分公司企业对于工程项目方面均采取对外承包的形式,由于成本、技术、管理、施工队伍综合素质等多方面因素的影响,使工程质量难以保障,工程管理难以全面进行。
建筑弱电项目虽然有所发展,但是仍需要从设计、技术、招投标、项目管理等多方面不断完善和改进。
2弱电自动化系统智能化设计弱电自动化系统智能化设计是当前建筑工程不断进步的需求,弱点自动化系统智能化设计应从用户群体的需求为基本出发点,通过科学合理的技术手段最大程度地满足用户需求。
2.1准备工作在初步设计之前,首先需要明确功能需求,并进行功能识别。
设计前的准备工作是要针对功能性要求,进行准确的分析与识别,通过价值公式抓好项目与系统,在设计之前就要明确设计所涉及的具体情况,同时确定好设计概算。
2.2设计阶段在具体设计阶段,应集聚所有相关的设计专家,针对设计要求以及任务书内容,确定弱电自动化系统中每个子系统、机电设备的工程范围,也要对其他如土建、装修、产品供应等相关业务工程范围进行确定,明确工程范围和责任范围。
完整版)弱电系统规范标准弱电系统规范标准一、公用部分(如管线布置、防雷接地、室外施工、配电等)国内标准规范:XXX《民用建筑电气设计规范》GB--94,2000年版《建筑物防雷设计规范》GB-93《电子计算机房设计规范》XXX与民用电力装置的接地设计规范GB--96《电气装置安装工程施工及验收规范》GB8898-97《电网电源供电的家用和类似一般用途的电子及有关设备的安全要求》GB7450-87《电子设备雷击保护导则》GB4943-95《信息技术设备包括电气设备的安全》GB-2002《建筑电气工程施工质量验收规范》GB/T-2001建设工程项目管理规范GB/T-2001建设工程文件归档管理规范二、多个系统在一起的部分(如智能建筑设计标准等)国内标准规范:GB/T -2000《智能建筑设计标准》GB-2003《智能建筑工程质量验收规范》三、特殊情况标准规范:GB-92《爆炸和火灾危险环境电力装置设计及验收规范》57-2000《剧场建筑设计规范》四、消防国内标准规范:GBJ16-87(2001版)《建筑设计防火规范》GB-98《火灾自动报警设计规范》GBJ-92《火灾自动报警系统施工及验收规范》五、综合布线(含网络设备、服务器、存储)国内标准规范:GBT-T--2000《建筑与建筑群综合布线工程系统设计规范》GBT-T--2000《建筑与建筑群综合布线系统工程验收规范》国际标准规范:ISO/IEC-95《信息技术互联国际标准》ISO/IEC ;1995《客户建筑物电缆通用敷设要求》ISO/IECll801客户建筑通用布线系统信息技术国际标准EN通用布线系统信息技术欧洲标准EIA/TIA568A商务楼通信建筑布线标准XXX B(电磁兼客)标准EIA/TIA569商务楼通信通道和空间标准本文介绍了一系列关于网络布线和安防的国际和国内标准规范。
在网络布线方面,国际标准包括EIA/TIA570住宅及小型商业区综合布线标准、TIA/EIA 568-B1北美综合布线标准、ISO/IEC 国际综合布线六类信道标准以及EN欧洲大楼综合布线系统标准等。
弱电系统规范标准(以下标红色的没找到)弱电系统规范标准一.公用部分(如管线布置,防雷接地,室外施工,配电等)国内标准规范:JGJ/T16-92 《民用建筑电气设计规范》GB-50057-94,2000年版《建筑物防雷设计规范》GB50174-93 《电子计算机房设计规范》GBJ 65-83 工业与民用电力装置的接地设计规范GB50254-50259-96 《电气装置安装工程施工及验收规范》GB8898-97 《电网电源供电的家用和类似一般用途的电子及有关设备的安全要求》GB7450-87 《电子设备雷击保护导则》GB4943-95 《信息技术设备包括电气设备的安全》GB50303—2002 《建筑电气工程施工质量验收规范》GB/T50326-2001 建设工程项目管理规范GB/T50328-2001 建设工程文件归档管理规范国际标准规范:二.多个系统在一起的部分(如智能建筑设计标准等)国内标准规范:GB/T 50314-2000 《智能建筑设计标准》GB50339-2003 《智能建筑工程质量验收规范》国际标准规范:三.特殊情况标准规范:GB50058-92 《爆炸和火灾危险环境电力装置设计及验收规范》JGJ 57—2000 《剧场建筑设计规范》四.消防国内标准规范:GBJ16-87(2001版)《建筑设计防火规范》Gb50116-98 《火灾自动报警设计规范》GBJ50166-92 《火灾自动报警系统施工及验收规范》我只有92版的GB50045-95(2001版)《高层民用建筑设计防火规范》我的版本不对国际标准规范:五.综合布线(含网络设备,服务器,存储)国内标准规范:GBT-T-50311-2000 《建筑与建筑群综合布线工程系统设计规范》GBT-T-50312-2000 《建筑与建筑群综合布线系统工程验收规范》国际标准规范:国际标准都查不到ISO/IEC11801-95 《信息技术互联国际标准》ISO/IEC 11801;1995 《客户建筑物电缆通用敷设要求》ISO/IECll801 客户建筑通用布线系统信息技术国际标准EN50173 通用布线系统信息技术欧洲标准EIA/TIA568A 商务楼通信建筑布线标准EN55022/Class B (电磁兼客)标准EIA/TIA569 商务楼通信通道和空间标准EIA/TIA570 住宅及小型商业区综合布线标准EIA/TIATSB67 无屏蔽双绞布线系统现场测试传输性能规定TIA/EIA 568-B1 北美综合布线标准TIA/EIA 569 北美建筑通讯线路间距标准TIA/EIA606 北美商用建筑通讯基础结构管理规范TIA/EIATSB67 非屏蔽双绞线布线测试标准TIA/EIA607 北美商用建筑通讯接地要求ISO/IECll801 国际综合布线六类信道标准EN50173 欧洲大楼综合布线系统标准EMC 欧洲电磁兼容性标准ANSIFDDI 美国国家标准:分布式光纤数据接口IEEE 802.3 CSMA/CD接口方法IEEE 802.5 令牌环接口方法国际标准都没有找到六.安防国内标准规范:GB50348-2004 安全防范工程技术规范GT/76-94 《保安电视监控工程技术规范》GB50198-94 《民用闭路监视电视系统工程技术规范》《安全技术防范产品管理办法》GA/77-94 《入侵报警工程设计规范》GB 10408.1-89 入侵探测器通用技术条件GB 10408.2-89 超声波入侵探测器GB 10408.3-89 微波入侵探测器GB 10408.4-89 主动红外入侵探测器GB 10408.5-89 被动红外入侵探测器GB 10408.6-89 微波和被动红外复合入侵探测器GB 10409-89 防盗保险柜GB 12662-90 爆炸物销毁器技术条件GB 12663-90 防盗报警控制器通用技术条件GB 12664-90 便携式X射线安全检查设备技术条件GB 12899-91 手持式金属探测器技术条件GA/T 2-91 汽车防盗报警器通用技术条件GA/T 3-91 便携式防盗安全箱GA 25-92 防盗安全门通用技术条件GA/T 45-93 警用摄象机与镜头连接GA 60-93 便携式炸药检测箱技术条件GA/T 70-94 安全防范工程费用概预算编制方法GA/T 71-94 机械钟控定时引爆装置探测器GA/T 72-94 楼寓对讲电控防盗门通用技术条件GA/T 73-94 机械防盗锁GA/T 74-94 安全防范系统通用图形符号GA/T 75-94 安全防范工程程序与要求GB 10408.7-1996 超声和被动红外复合入侵探测器GB/T 10408.8-1997 振动入侵探测器GB15207-94 视频入侵报警器GB15208-94 微剂量X射线安全检查设备GB15209-94 磁开关入侵探测器GB15210-94 通过式金属探测门通用技术条件GB/T 15211-94 报警系统环境实验GB 15407-94 遮挡式微波入侵探测器技术要求和实验方法GB/T 15408-94 报警系统电源装置、测试方法和性能规范GB/T 16571-1996 文物系统博物馆安全防范工程设计规范GB/T 16572-1996 防盗报警中心控制台GB/T 16576-1996 银行营业场所安全防范工程设计规范GB/T 16577-1996 报警图象信号有线传输装置GB 16796-1997 安全防范报警设备安全要求和实验方法GA 141-1996 警用防弹衣通用技术条件GA/T 142-1996 排爆机器人通用技术条件GA/T 143-1996 金库门通用技术条件GA 165-1997 防弹复合玻璃GA 166-1997 防盗保险箱GA 308-2001 安全防范系统验收规则GB/T 15412-1994 应用电视摄像机云台通用技术条件GB/T 15465-1995 微光电视摄像机总技术条件GB/T 14858-1993 黑白监视器通用技术条件报警图像信号有线传输装置国际标准规范:七.线电视(含数字电视,电视标准,视频信号标准等)国内标准规范:GB50200-94 《有线电视和系统工程技术规范》(GB 6510-86)《30MHZ-1GHZ声音和电视信号的电缆分配系统》GY/T106-92 《有线电视广播系统技术规范》GBJ120-88 《工业企业共用无线电系统设计规范》GB11442-89 《卫星电视地球接收站通用技术条件》GB7401-87 《彩色电视图像质量主观评价方法》GB/T 10239-2003 彩色电视广播接收机通用规范GB/T 9383-1999 声音和电视广播接收机及有关设备抗扰度限GB/T 16463-1996 广播节目声音质量主观评价方法和技术指标要求GB/T 15381-1994 会议系统电及音频的性能要求GY/T135-1998 有线电视系统物理发泡聚乙稀绝缘同轴电缆入网技术条件和测量方法GB/T 6510-1996 电视和声音信号的电缆分配系统国际标准规范:八.广播(含会议,舞台,扩声,同声传译,投影仪等)国内标准规范:JG GYJ125 《厅堂扩声系统的声学特性指标要求》GB/T 4959-95 《厅堂扩声特性的测量方法》JGJ/57-2000 《剧场建筑设计规范》SJ2112-XX 《厅堂扩声系统设备互联的优选电气配接值》GB/T15381-94 《会议系统的电及其音频性能要求》GB/T14476-93 《客观评价厅堂语言可懂度的RASTI法》GBJ76-84 《厅堂混响时间测量规范》GB3241 《声和振动分析用1/1和1/3倍频程滤波器》GB3661 《测试电容传声器技术条件》GB3785 《声级计电声性能及测量方法》CYJ 《厅堂扩声系统声学特性指标》WH0301 《歌舞厅扩声系统的声学特性的测量方法》GB9003 《调音台基本特性测量方法》SS2112-82 《厅堂扩声系统设备互联的优选电气配接法》GB/T15381-94(国标报批稿)《会议系统的电及音频性能要求》GB/T15644-95 《视听系统设备互连用连接器的应用》GB/T15859-1995 《视听、视频和电视系统中设备互连的优选配接值》国际标准规范:ISO 2603 《同声传译室的一般特性和设备》ISO 4043 《同声传译室——移动式译音室的一般特性和设备》九.无线电(含无线传输)十.楼宇自控这部分都没找到BACnet标准l 附:·国际标准化组织ISO(International Standards Organization)·国际电子电器工程师协会IEEE(The Institute of Electrical and Electronic Engineer)·国际电工委员会·国际电信联盟ITU(International Telecommunication Union)·欧洲电信标准组织·电信工业协会TIA(Telecommunications Industries Association)·国际建筑工业咨询服务组织BICSI(Building Industry Consulting Service International)·国际电报电话咨询委员会CCITT(现为ITU,见后面)(International Consultative Committee for Telegraphy and Telephony)·绝缘电缆工程师协会ICEA·IEC(the International Electrmechanical Commission)·欧洲智能建筑组织EIBG(The European intelligent Building Group)·美国智能建筑学会AIBI(American Intelligent Building Institute)·美国国家标准协会ANSI(American National Standards Institute)·美国电子工业协会EIA(Electronics Industry Association)·全国电气制造商协会NEMA综合1:➢《智能建筑设计标准》(GB/T50314-2006)➢《综合布线系统工程设计规范》(GB 50311-2007)➢《综合布线系统工程验收规范》(GB 50312-2007)➢《建筑与建筑群综合布线工程系统设计规范》GB/T50311-2000➢《有线电视广播技术规范》(GY/T106-1999)➢《有线电视系统工程技术规范》(GB50200-94)➢《有线电视网络工程施工及验收规范》GY_5073-2005➢《有线数字电视系统技术要求和测量方法》GYT_221-2006_➢《会议电视系统工程设计规范》YD5032-2005➢《会议电视系统工程验收规范》YD5033-2004➢《安全防范工程技术规范》(GB 50348-2004)➢《视频安防监控系统工程设计规范》(GB 50395-2007)➢《入侵报警系统工程设计规范》(GB 50394-2007)➢《入侵报警系统技术要求》GA/T368—2001➢《出入口控制系统工程设计规范》(GB 50396-2007)➢《建筑物电子信息系统防雷技术规范》(GB 50343-2004)➢《电子信息系统机房施工及验收规范》GB_50462-2008➢《电子计算机房设计规范》(GB50174-2007)➢《智能建筑工程验收规范》(GB 50339-2003)➢《建筑电气工程施工质量验收规范》( GB50303-2002)➢《民用建筑电气设计规范》JGJ 16-2008➢《民用建筑设计通则》GB50352-2005➢《最新工程建设国家标准与工程建设强制性条文应用技术手册》2008➢《通信管道与通道工程设计规范》(GB 50373-2006)➢《通信管道工程施工及验收规范》(GB 50374-2006)➢《厅堂扩声系统设计规范》(GB 50371-2006)➢《电气工程施工质量验收规范试验方法》(GB50303-2002)➢《火灾自动报警系统设计规范》(GB 50116—98)➢《高层民用建筑设计防火规范》(GB50045-95)➢《建筑设计防火规范》GB50016—2006➢《建筑物防雷设计规范》GB 50057-1994(2000)➢《LED显示屏通用规范》(SJ/T11141-1997)➢《锅炉房设计规定》(GB50041-96)➢《商用建筑线缆标准》( EIA/TIA—568A)➢《中国采暖通风与空气调节设计规范》(GB 50019-2003)➢《电气装置安装工程接地施工及验收规范》(GB50169-2006)➢《自动化仪表工程施工及验收规范》GB50093-2002➢《低压配电设计规范》(GB50054-95)➢《汽车库、修车库、停车场设计防火规范》(GB50067-97)➢《信息技术设备包括电气设备的安全》(GB4943-2001)➢《30MHz~1GHz声音和电视信号电缆分配系统》GB6510-84➢《视频显示系统工程技术规范》(GB50464-2008)➢《综合医院建筑设计规范》(2004版修编征求意见稿)其他有关国家和行业现行的设计、施工与验收规范、标准。
弱电系统标准规范及示意图一.周界报警系统规范说明:1。
1周界安装要求1.1.1 高压电子脉冲式探测器应安装防雷装置(避雷器或浪涌保护器等),户外高压电子脉冲主机应设置防雨箱。
避雷器浪涌保护器安装方式请参考此图1。
1。
2 前端探测围栏必须有一个与其它接地系统完全隔离的独立的接地系统,且应与其它接地系统保持10m以上距离。
接地体应埋设在导电相对良好的地方,接地电阻不大于10Ω;如埋设在潮湿的地方的,接地电阻应不大于4Ω。
1.1.3 前端探测围栏不应有盲区,形成的警戒线应沿周界屏障封闭。
1.1.4 前端探测围栏的防区划分应有利于报警时准确定位,且长度应不大于70m。
1.1.5 每个防区的两端应安装防区终端受力杆.1.1。
6 每个防区的中间应安装防区区间受力杆,防区区间受力杆间或与防区终端受力杆间距应不大于25m。
1.1。
7 防区内有拐角的地方应安装防区区间受力杆;拐角的角度小于120°时,应使用防区终端受力杆。
1.1.8 不得以金属栏杆、水管或电力、通信线路的电杆作为防区终端或区间受力杆。
1。
1。
9 防区内应安装支撑杆,支撑杆间距应不大于5m。
1。
1.10 前端探测围栏应具有禁止人通行的警示牌,警示牌应每隔10m设置一个,并应做到昼夜可视。
1。
1.11 高压电子脉冲式探测器的安装应符合消防安全要求。
1.1。
12 前端探测围栏的金属导线连接处应采用压接法连接。
1.1。
13 安装在受力杆和支撑杆上的绝缘子应固定牢靠。
1。
2附属式安装1.2.1 附属式安装通常应采用顶置式安装;如采用侧置式安装,则前端探测围栏的最下一根金属导线高度距地面应不小于2。
3m。
1。
2.2 顶置式安装可以采用直立式安装,也可以采用倾斜式安装。
1.2。
3 附属物的高度应在2。
0m-2.8m之间。
1.2。
4 前端探测围栏最上一根金属导线与附属物的间距应不小于800mm。
1.2.5 前端探测围栏最下一根金属导线与附属物的间距为120mm±10mm。
弱电工程设计制图有关的标准和规范2 弱电工程设计制图有关的标准和规范以下是弱电工程设计制图应该遵循的有关国家标准和规范:电气简图用图形符号,GB/T 4728.X:2~11(X指相关序号的分册,下同);电气技术用文件的编制,GB/T 6988.X:1~3;电气设备用图形符号,GB/T 5465.2-1996;电气技术中的项目代号,GB/T 5094-85;电器设备接线端子和特定导线线端的识别及应用字母数字系统的通则,GB/T 4026-92;电气技术中的文字符号制订通则,GB/T 7159-87;导体的颜色或数字标识,GB/T 7947-1997;用颜色及辅助方法标记指示器和操作件(修订草稿),IEC 16;电工术语,GB/T 2900.X:17,18,20,26;管路系统的图形符号,GB/T 6567.1-86消防文件用设备图形符号;GB/T 4327-93;火灾报警设备专业术语,GB/T 4718-1996;电学和磁学的量和单位,GB 3102.5-93;过程检测和控制流程图用图形符号和文字代号,GB/T 2625-81;采暖通风与空气调节术语标准,GB 50155-92;采暖通风与空气调节制图标准,GBJ 114-88;建筑与建筑群综合布线系统工程设计规范,GB/T 50311-2000;建筑与建筑群综合布线系统工程设计施工图集,YD 5082-99;电信工程制图与图形符号,YD/T 5015-95;广播电影电视工程设计图形符号和文字符号,GY/T 5059-1997;低压接触器,JB 2455-85;安全防范系统通用图形符号,GA/T 74-97;火灾报警设备图形符号,GA/T 229-1999;房屋建筑制图统一标准,GBJ 1-86;建筑制图标准,GBJ 104-87;建筑结构制图标准;GBJ 105-87;给水排水制图标准;GBJ 106-87;3 工程设计图的格式规定3.1 图纸幅面规格与图纸编排顺序3.1.1 图纸幅面3.1.1.1 图纸的幅面及图框尺寸,应符合表3.1.1.1的规定及图3.2.1.1a、b、c的格式,工程技术人员可直接调用随附文件1(AutoCAD文件组共10个):A*图框GB(横、立式).dwg 进行制图。
弱电系统规范标准(以下标红色的没找到)弱电系统规范标准一.公用部分(如管线布置,防雷接地,室外施工,配电等)国内标准规范:JGJ/T16-92 《民用建筑电气设计规范》GB-50057-94,2000年版《建筑物防雷设计规范》GB50174-93 《电子计算机房设计规范》GBJ 65-83 工业与民用电力装置的接地设计规范GB50254-50259-96 《电气装置安装工程施工及验收规范》GB8898-97 《电网电源供电的家用和类似一般用途的电子及有关设备的安全要求》GB7450-87 《电子设备雷击保护导则》GB4943-95 《信息技术设备包括电气设备的安全》GB50303—2002 《建筑电气工程施工质量验收规范》GB/T50326-2001 建设工程项目管理规范GB/T50328-2001 建设工程文件归档管理规范国际标准规范:二.多个系统在一起的部分(如智能建筑设计标准等)国内标准规范:GB/T 50314-2000 《智能建筑设计标准》GB50339-2003 《智能建筑工程质量验收规范》国际标准规范:三.特殊情况标准规范:GB50058-92 《爆炸和火灾危险环境电力装置设计及验收规范》JGJ 57—2000 《剧场建筑设计规范》四.消防国内标准规范:GBJ16-87(2001版)《建筑设计防火规范》Gb50116-98 《火灾自动报警设计规范》GBJ50166-92 《火灾自动报警系统施工及验收规范》我只有92版的GB50045-95(2001版)《高层民用建筑设计防火规范》我的版本不对国际标准规范:五.综合布线(含网络设备,服务器,存储)国内标准规范:GBT-T-50311-2000 《建筑与建筑群综合布线工程系统设计规范》GBT-T-50312-2000 《建筑与建筑群综合布线系统工程验收规范》国际标准规范:国际标准都查不到ISO/IEC11801-95 《信息技术互联国际标准》ISO/IEC 11801;1995 《客户建筑物电缆通用敷设要求》ISO/IECll801 客户建筑通用布线系统信息技术国际标准EN50173 通用布线系统信息技术欧洲标准EIA/TIA568A 商务楼通信建筑布线标准EN55022/Class B (电磁兼客)标准EIA/TIA569 商务楼通信通道和空间标准EIA/TIA570 住宅及小型商业区综合布线标准EIA/TIATSB67 无屏蔽双绞布线系统现场测试传输性能规定TIA/EIA 568-B1 北美综合布线标准TIA/EIA 569 北美建筑通讯线路间距标准TIA/EIA606 北美商用建筑通讯基础结构管理规范TIA/EIATSB67 非屏蔽双绞线布线测试标准TIA/EIA607 北美商用建筑通讯接地要求ISO/IECll801 国际综合布线六类信道标准EN50173 欧洲大楼综合布线系统标准EMC 欧洲电磁兼容性标准ANSIFDDI 美国国家标准:分布式光纤数据接口IEEE 802.3 CSMA/CD接口方法IEEE 802.5 令牌环接口方法国际标准都没有找到六.安防国内标准规范:GB50348-2004 安全防范工程技术规范GT/76-94 《保安电视监控工程技术规范》GB50198-94 《民用闭路监视电视系统工程技术规范》《安全技术防范产品管理办法》GA/77-94 《入侵报警工程设计规范》GB 10408.1-89 入侵探测器通用技术条件GB 10408.2-89 超声波入侵探测器GB 10408.3-89 微波入侵探测器GB 10408.4-89 主动红外入侵探测器GB 10408.5-89 被动红外入侵探测器GA 308-2001 安全防范系统验收规则GB/T 15412-1994 应用电视摄像机云台通用技术条件GB/T 15465-1995 微光电视摄像机总技术条件GB/T 14858-1993 黑白监视器通用技术条件报警图像信号有线传输装置国际标准规范:七.线电视(含数字电视,电视标准,视频信号标准等)国内标准规范:GB50200-94 《有线电视和系统工程技术规范》(GB 6510-86)《30MHZ-1GHZ声音和电视信号的电缆分配系统》GY/T106-92 《有线电视广播系统技术规范》GBJ120-88 《工业企业共用无线电系统设计规范》GB11442-89 《卫星电视地球接收站通用技术条件》GB7401-87 《彩色电视图像质量主观评价方法》GB/T 10239-2003 彩色电视广播接收机通用规范GB/T 9383-1999 声音和电视广播接收机及有关设备抗扰度限GB/T 16463-1996 广播节目声音质量主观评价方法和技术指标要求GB/T 15381-1994 会议系统电及音频的性能要求GY/T135-1998 有线电视系统物理发泡聚乙稀绝缘同轴电缆入网技术条件和测量方法GB/T 6510-1996 电视和声音信号的电缆分配系统国际标准规范:八.广播(含会议,舞台,扩声,同声传译,投影仪等)国内标准规范:JG GYJ125 《厅堂扩声系统的声学特性指标要求》GB/T 4959-95 《厅堂扩声特性的测量方法》JGJ/57-2000 《剧场建筑设计规范》SJ2112-XX 《厅堂扩声系统设备互联的优选电气配接值》GB/T15381-94 《会议系统的电及其音频性能要求》GB/T14476-93 《客观评价厅堂语言可懂度的RASTI法》GBJ76-84 《厅堂混响时间测量规范》GB3241 《声和振动分析用1/1和1/3倍频程滤波器》GB3661 《测试电容传声器技术条件》GB3785 《声级计电声性能及测量方法》CYJ 《厅堂扩声系统声学特性指标》WH0301 《歌舞厅扩声系统的声学特性的测量方法》GB9003 《调音台基本特性测量方法》SS2112-82 《厅堂扩声系统设备互联的优选电气配接法》GB/T15381-94(国标报批稿)《会议系统的电及音频性能要求》GB/T15644-95 《视听系统设备互连用连接器的应用》GB/T15859-1995 《视听、视频和电视系统中设备互连的优选配接值》国际标准规范:ISO 2603 《同声传译室的一般特性和设备》ISO 4043 《同声传译室——移动式译音室的一般特性和设备》九.无线电(含无线传输)十.楼宇自控这部分都没找到BACnet标准l 附:·国际标准化组织ISO(International Standards Organization)·国际电子电器工程师协会IEEE(The Institute of Electrical and Electronic Engineer)·国际电工委员会·国际电信联盟ITU(International Telecommunication Union)·欧洲电信标准组织·电信工业协会TIA(Telecommunications Industries Association)·国际建筑工业咨询服务组织BICSI(Building Industry Consulting Service International)·国际电报电话咨询委员会CCITT(现为ITU,见后面)(International Consultative Committee for Telegraphy and Telephony)·绝缘电缆工程师协会ICEA·IEC(the International Electrmechanical Commission)·欧洲智能建筑组织EIBG(The European intelligent Building Group)·美国智能建筑学会AIBI(American Intelligent Building Institute)·美国国家标准协会ANSI(American National Standards Institute)·美国电子工业协会EIA(Electronics Industry Association)·全国电气制造商协会NEMA综合1:➢《智能建筑设计标准》(GB/T50314-2006)➢《综合布线系统工程设计规范》(GB 50311-2007)➢《综合布线系统工程验收规范》(GB 50312-2007)➢《建筑与建筑群综合布线工程系统设计规范》GB/T50311-2000➢《有线电视广播技术规范》(GY/T106-1999)➢《有线电视系统工程技术规范》(GB50200-94)➢《有线电视网络工程施工及验收规范》GY_5073-2005➢《有线数字电视系统技术要求和测量方法》GYT_221-2006_➢《会议电视系统工程设计规范》YD5032-2005➢《会议电视系统工程验收规范》YD5033-2004➢《安全防范工程技术规范》(GB 50348-2004)➢《视频安防监控系统工程设计规范》(GB 50395-2007)➢《入侵报警系统工程设计规范》(GB 50394-2007)➢《入侵报警系统技术要求》GA/T368—2001➢《出入口控制系统工程设计规范》(GB 50396-2007)➢《建筑物电子信息系统防雷技术规范》(GB 50343-2004)➢《电子信息系统机房施工及验收规范》GB_50462-2008➢《电子计算机房设计规范》(GB50174-2007)➢《智能建筑工程验收规范》(GB 50339-2003)➢《建筑电气工程施工质量验收规范》( GB50303-2002)➢《民用建筑电气设计规范》JGJ 16-2008➢《民用建筑设计通则》GB50352-2005➢《最新工程建设国家标准与工程建设强制性条文应用技术手册》2008➢《通信管道与通道工程设计规范》(GB 50373-2006)➢《通信管道工程施工及验收规范》(GB 50374-2006)➢《厅堂扩声系统设计规范》(GB 50371-2006)➢《电气工程施工质量验收规范试验方法》(GB50303-2002)➢《火灾自动报警系统设计规范》(GB 50116—98)➢《高层民用建筑设计防火规范》(GB50045-95)➢《建筑设计防火规范》GB50016—2006➢《建筑物防雷设计规范》GB 50057-1994(2000)➢《LED显示屏通用规范》(SJ/T11141-1997)➢《锅炉房设计规定》(GB50041-96)➢《商用建筑线缆标准》( EIA/TIA—568A)➢《中国采暖通风与空气调节设计规范》(GB 50019-2003)➢《电气装置安装工程接地施工及验收规范》(GB50169-2006)➢《自动化仪表工程施工及验收规范》GB50093-2002➢《低压配电设计规范》(GB50054-95)➢《汽车库、修车库、停车场设计防火规范》(GB50067-97)➢《信息技术设备包括电气设备的安全》(GB4943-2001)➢《30MHz~1GHz声音和电视信号电缆分配系统》GB6510-84➢《视频显示系统工程技术规范》(GB50464-2008)➢《综合医院建筑设计规范》(2004版修编征求意见稿)其他有关国家和行业现行的设计、施工与验收规范、标准。
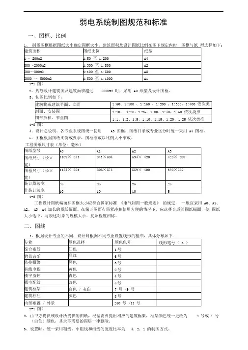
弱电系统制图规范和标准一、图框、比例1、制图图框根据图纸大小确定图框大小。
建筑面积及设计图纸比例在图下规定内时,图框与纸型选择如下:(1-1图)2、规划设计建筑图及建筑面积超过5000m2时,采用A0纸型及设计图框。
(1-2图)4、设计总说明、各专业系统图统一使用A3图框,图纸目录或专业区分时统一采用A4图框。
5、图框根据图纸比例或要求,图框缩放以比例大小缩放。
(1-3图)工程设计图纸幅面和图框大小应符合国家标准GB6988.2-86《电气制图一般规则》的规定,一般宜采用A0、A1、A2、A3、A4加长的图纸幅面。
在保证图面布局紧凑和使用方便的情况下,应选择合适的图纸幅面,使图纸大小适中,与表述对象的规模大小、复杂程度相称。
二、图线(2-1图)2、由甲方提供或设计所提供的图纸,根据需要提出相应的建筑框架,框架颜色统一更改为9号或7号(白色)颜色,其余不需要的图层一律删除。
3、设置时,统一采用粗线、中粗线和细线的宽度比率为4:2:1的制图方式。
4、同一张图纸当中设计的线形分为实线、虚线、点划线线及双点划线,一般用图如下:(2-2图)工程设计图中通常只选用两种宽度的图线,粗线宽度为细线宽度的两倍。
对复杂的图也可采用粗、中、细三种线宽,线的宽度按2的倍数依次递增。
图线宽度一般从以下系列中选用:0.25、0.35、0.5、0.7、1.0、1.4毫米。
当需要区分新旧内容时,粗线表示新建、细线表示原有设施、虚线表示规划预留部分。
三、图例、文字说明1、图例根据设计文本及图例集的要求设计各专业点线图;2、图例说明的图框宽度与会签栏的高度比例为2:1的方式制作;3、工程设计图中的文字等应排列整齐、间隔均匀。
其书写位置应根据图面妥善安排,文字多时宜放在图的下面或右侧。
(3-1图)5、图纸设计过程中,如下列情况必须添加索引线说明:1) 敷设管、桥架的规格大小时;2) 当管线穿墙时,注明穿墙空洞;3) 当楼层线缆越层时,注明方向并制作相应的箭头标明上引或下引;4) 当管、或桥架内部敷设多条或多种线缆时,注明线缆数量或规格;5) 当制作细部或安装大样图纸时,注明各各部位的材料名称;6、索引注明文字大小与设计说明文字大小统一,索引线箭头及文字根据标注的大小统一,索引采用箭头及小点为准。
弱电系统制图规范和标准一、图框、比例1-12、规划设计建筑图及建筑面积超过5000m2 时,采用A0 纸型及设计图框。
3、制图比例如下:1-24、设计总说明、各专业系统图统一使用A3 图框,图纸目录或专业区分时统一采用A4 图框。
5、图框根据图纸比例或要求,图框缩放以比例大小缩放。
工程图纸尺寸表(单位:毫米)1-3工程设计图纸幅面和图框大小应符合国家标准《电气制图一般规则》的规定,一般宜采用A0、A1、A2、A3、A4 加长的图纸幅面。
在保证图面布局紧凑和使用方便的情况下,应选择合适的图纸幅面,使图纸大小适中,与表述对象的规模大小、复杂程度相称。
二、图线1、根据设计专业的不同,设计时根据不同专业设置线形的粗细,具体分布如下:2-12、由甲方提供或设计所提供的图纸,根据需要提出相应的建筑框架,框架颜色统一更改为9 号或7 号(白色)颜色,其余不需要的图层一律删除。
3、设置时,统一采用粗线、中粗线和细线的宽度比率为4:2:1 的制图方式。
4、同一张图纸当中设计的线形分为实线、虚线、点划线线及双点划线,一般用图如下:2-2工程设计图中通常只选用两种宽度的图线,粗线宽度为细线宽度的两倍。
对复杂的图也可采用粗、中、细三种线宽,线的宽度按 2 的倍数依次递增。
图线宽度一般从以下系列中选用:、、、、、毫米。
当需要区分新旧内容时,粗线表示新建、细线表示原有设施、虚线表示规划预留部分。
三、图例、文字说明1、图例根据设计文本及图例集的要求设计各专业点线图;2、图例说明的图框宽度与会签栏的高度比例为2:1 的方式制作;3、工程设计图中的文字等应排列整齐、间隔均匀。
其书写位置应根据图面妥善安排,文字多时宜放在图的下面或右侧。
3-15、图纸设计过程中,如下列情况必须添加索引线说明:1) 敷设管、桥架的规格大小时;2) 当管线穿墙时,注明穿墙空洞;3) 当楼层线缆越层时,注明方向并制作相应的箭头标明上引或下引;4) 当管、或桥架内部敷设多条或多种线缆时,注明线缆数量或规格;5) 当制作细部或安装大样图纸时,注明各各部位的材料名称;6、索引注明文字大小与设计说明文字大小统一,索引线箭头及文字根据标注的大小统一,索引采用箭头及小点为准。
一、弱电设计常用的国家和行业设计规范标准注:工程设计中,应严格执行国家的强制性规范、强制性条文,应符合下列现行的国家、有关行业、有关地区的规范、标准的规定。
有关标准、规范修订后,应按照最新版本执行。
1) 《建筑设计防火规范》GB 50016-20062) 《高层民用建筑设计防火规范》GB 50045-95(2005年版)注:高规与建规拟合并,正在修编3) 《火灾自动报警系统设计规范》GB 50116-98(正在修编)4) 《爆炸和火灾危险环境电力装置设计规范》GB 50058-925) 《汽车库、修车库、停车场设计防火规范》GB 50067-976) 《智能建筑设计标准》GB/T 50314-20067) 《综合布线系统工程设计规范》GB 50311-20078) 《综合布线系统工程验收规范》GB 50312-20079) 《电子信息系统机房设计规范》GB 50174-200810) 《安全防范工程技术规范》GB 50348-2004(含验收内容)11) 《入侵报警系统工程设计规范》GB 50394-200712) 《视频安防监控系统工程设计规范》GB 50395-200713) 《出入口控制系统工程设计规范》GB 50396-200714) 《民用闭路监视电视系统工程技术规范》GB 50198-201115) 《有线电视系统工程技术规范》GB 50200-9416) 《民用建筑电气设计规范》JGJ 16-200817) 《电信专用房屋设计规范》YD 5003-200518) 《厅堂扩声系统规范》 GB 50371-200619) 《剧场建筑设计规范》 JGJ 57-2000/JG67-200120) 《体育建筑设计规范》JGJ 31-2003/J265-200321) 《住宅设计规范》GB 50096-201122) 《住宅建筑规范》GB 50368-2005(全部为强条)23) 《公共建筑节能设计标准》GB 50198-200524) 《城市道路和建筑物无障碍设计规程》JGJ 50-2001。
最新设计弱电设计标准标准设计应该遵循以下国家及地区行业标准标准(更新日期202X年12月) ➢《智能建筑设计标准》〔GB/T50314-202X〕中国方案出版社➢《综合布线系统工程设计标准》〔GB 50311-202X〕建中国方案出版社➢《综合布线系统工程验收标准》〔GB 50312-202X〕中国方案出版社➢《建筑与建筑群综合布线工程系统设计标准》GB/T50311-202X 中国方案出版社➢《有线电视播送技术标准》〔GY/T106-1999〕中国方案出版社➢《有线电视系统工程技术标准》〔GB50200-94〕中国方案出版社➢《有线电视网络工程施工及验收标准》GY_5073-202X国家播送电影电视总局公布➢《有线数字电视系统技术要求和测量方法》GYT_221-202X_国家播送电影电视总局公布➢《会议电视系统工程设计标准》YD5032-202XX邮电大学出版社➢《会议电视系统工程验收标准》YD5033-202X人民邮电出版社➢《平安防范工程技术标准》〔GB 50348-202X〕中国方案出版社➢《视频安防监控系统工程设计标准》〔GB 50395-202X〕中国方案出版社➢《入侵报警系统工程设计标准》〔GB 50394-202X〕中国方案出版社➢《入侵报警系统技术要求》GA/T368—202XXX公布➢《出入口操纵系统工程设计标准》〔GB 50396-202X〕中国方案出版社➢《建筑物电子信息系统防雷技术标准》〔GB 50343-202X〕中国建筑工业出版社➢《电子信息系统机房施工及验收标准》GB_50462-202X 中国方案出版社➢《电子计算机房设计标准》〔GB50174-202X〕中国华侨出版社➢《智能建筑工程验收标准》〔GB 50339-202X〕中国建筑工业出版社➢《建筑电气工程施工质量验收标准》〔 GB50303-202X〕机械工业出版社➢《民用建筑电气设计标准》JGJ 16-202X中国建筑工业出版社➢《民用建筑设计通则》GB50352-202X中国建筑工业出版社➢《最新工程建设国家标准与工程建设强制性条文应用技术手册》202X中国建筑工业出版社➢《通信管道与通道工程设计标准》〔GB 50373-202X〕中国方案出版社➢《通信管道工程施工及验收标准》〔GB 50374-202X〕中国方案出版社➢《厅堂扩声系统设计标准》〔GB 50371-202X〕中国方案出版社➢《电气工程施工质量验收标准试验方法》〔GB50303-202X〕中国方案出版社➢《火灾自动报警系统设计标准》(GB 50116—98)中国方案出版社➢《高层民用建筑设计防火标准》(GB50045-95)中国方案出版社➢《建筑设计防火标准》GB50016—202X中国方案出版社➢《建筑物防雷设计标准》GB 50057-1994(202X)中国方案出版社➢《LED显示屏通用标准》〔SJ/T11141-1997〕电子工业出版社➢《锅炉房设计规定》〔GB50041-96〕中国方案出版社➢《商用建筑线缆标准》( EIA/TIA—568A)➢《中国采暖通风与空气调节设计标准》(GB 50019-202X) 中国方案出版社➢《电气装置安装工程接地施工及验收标准》〔GB50169-202X〕中国方案出版社➢《自动化仪表工程施工及验收标准》GB50093-202X 中国方案出版社➢《低压配电设计标准》〔GB50054-95〕中国方案出版社➢《汽车库、修车库、停车场设计防火标准》〔GB50067-97〕中国方案出版社➢《信息技术设备包含电气设备的平安》〔GB4943-202X〕中国标准出版社➢《30MHz~1GHz声音和电视信号电缆分配系统》GB6510-84➢《厅堂扩声系统设计标准》〔GB50371-202X〕中国方案出版社➢《视频显示系统工程技术标准》〔GB50464-202X〕中国方案出版社➢《综合医院建筑设计标准》〔202X版修编征求意见稿〕➢《弱电工程监理有用技术》202X-1-1电子工业出版社其他有关国家和行业现行的设计、施工与验收标准、标准。
最新设计弱电设计规范标准12020年4月19日最新弱电智能化设计规范标准大全 5月一、入侵报警系统《安全防范工程程序与要求》(GA/T 75—94)《安全防范工程费用预算编制办法》(GA/T 70—)《安全防范工程技术规范》(GB 50348—)《安全防范工程技术规范》(GB 50348- )《安全防范系统通用图形符号》(GA/T 74—)《被动红外入侵探测器》(GB 10408.5—)《被动式玻璃破碎报警器》(GB/T 10408.9—)《超声波多普勒探测器》(GB 10408.2—)《超声和被动红外复合入侵探测器》(GB 10408.7—1996)《出入口控制系统工程设计规范》(GB 50396- )《磁开关入侵探测器》(GB 15209—)《电子计算机房设计规范》(GB50174- )《防盗报警控制器通用技术条件》(GB 12663—)《会议电视系统工程设计规范》(YD5032- )《建筑物电子信息系统防雷技术规范》(GB 50343- )《建筑与建筑群综合布线工程系统设计规范》(GB/T50311- )《民用建筑设计通则》(GB50352-《入侵报警系统工程设计规范》(GB 50394—)《入侵报警系统技术要求》(GA/T368—)《入侵探测器通用技术条件》(GB 10408.1—)《通信管道与通道工程设计规范》(GB 50373- )《微波和被动红外复合入侵探测器》(GB 10408.6—)《微超声波多普勒探测器》(GB 10408.3—)《文物系统博物馆安全防范工程设计规范》(GB/T 16571—)《文物系统博物馆风险等级和安全防护级别的规定》(GA 27—)《银行营业场所安全防范工程设计规范》(GB/T 16676—)《有线电视广播技术规范》(GY/T106-1999)《有线数字电视系统技术要求和测量方法》(GYT_221- )《振动入侵探测器》(GB/T 10408.8—)《智能建筑设计标准》(GB/T 50314—)《主动红外入侵探测器》(GB 10408.4—)二、视频安防监控系统《视频安防监控系统工程设计规范》(GB 50395—)《智能建筑设计标准》(GB 50314—)《安全防范工程技术规范》(GB 50348—)三、出入口控制(门禁)系统《出入口控制系统工程设计规范》(GB 50396—)《智能建筑设计标准》(GB/T 50314—)《安全防范工程技术规范》(GB 50348—)《防盗报警控制器通用技术条件》(GB 12663—)《博物馆和文物保护单位安全防范系统要求》(GB/T 16571—)《银行营业场所安全防范工程设计规范》(GB/T 16676—1996)四、可视对讲系统《智能建筑设计标准》(GB/T 50314—)《安全防范工程技术规范》(GB 50348—)《防盗报警控制器通用技术条件》(GB 12663—)《博物馆和文物保护单位安全防范系统要求》(GB/T 16571—)《银行营业场所安全防范工程设计规范》(GB/T 16676—1996)五、电子巡查系统《智能建筑设计标准》(GB/T 50314—)《安全防范工程技术规范》(GB 50348—)《电子巡查系统技术要求》(GA/T 644—)六、停车场管理系统《智能建筑设计标准》(GB/T 50314—)《安全防范工程技术规范》(GB 50348—)七、火灾自动报警及消防联动系统《爆炸危险环境电力装置设计规范》(GB 50058—)《二氧化碳灭火系统设计规范》(GB 50193—93)《高层民用建筑设计防火规范()》(GB 50045—95)《火力发电厂与变电站设计防火规范》(GB 50229—)《火灾报警控制器》(GB 4717—)《火灾报警设备专业术语》(GB/T 4718—)《火灾自动报警系统设计规范》(GB 50116—)《建筑防雷设计规范》(DB32/T 1198- )《建筑灭火器配置设计规范》( GB 50140- )《建筑内部装修设计防火规范》(GB 50222—95)《建筑设计防火规范》(GB 50016—)《泡沫灭火系统设计规范》(GB 50151—)《汽车加油加气站设计与施工规范》(GB 50156—)《汽车库、修车库、停车场设计防火规范》(GB 50067—97)《人民防空工程设计防火规范》( GB 50098- )《石油化工企业设计防火规范》(GB 50160—)《石油库设计规范》( GB 50074- )《石油天然气工程设计防火规范》(GB 50183—)《水喷雾灭火系统设计规范》(GB 50219—95)《消防词汇第1部分:通用术语》(GB 5907—)《消防技术文件用消防设备图形符号》(GB 4327—)《智能建筑设计标准》(GB/T 50314—)《自动喷水灭火系统设计规范》(GB 50084—)《中华人民共和国消防法》(1998年9月1日执行)32020年4月19日42020年4月19日八、 建筑设备监控系统 《智能建筑设计标准》(GB/T 50314— )九、 智能化系统集成 《智能建筑设计标准》(GB/T 50314— ) 《安全防范工程技术规范》(GB 50348— )十、 卫星电视及有线电视系统 《民用建筑电气设计规范》(JGJ/T 16— ) 《有线电视系统工程技术规范》(GB 50200—94) 《电视和声音信号的电缆分配系统设备与部件 第9部分:电源设备通用 规范》(GB/T 11318.9—96) 《卫星广播电视地球站设计规范》 (GYJ 41—89) 《有线电视广播系统技术规范》 (GY/T 106—99) 《智能建筑设计标准》(GB/T 50314— )十一、 公共广播及紧急广播系统《厅堂扩声系统设计规范》 (GB 50371— ) 《民用建筑电气设计规范》(JGJ 16— ) 《卫星广播电视地球站设计规范》 (GYJ 41—89) 《有线电视广播系统技术规范》(GY/T 106—99) 《工业企业扩音通信系统工程设计规程》 (CECS 62—94) 《智能建筑设计标准》(GB/T 50314— )十二、 综合布线系统《综合布线系统工程设计规范》 (GB 50311— ) 《智能建筑设计标准》(GB/T 50314— ) 《城市住宅建筑综合布线系统工程设计规范》(CECS 119— )十三、 音视频系统《视频显示系统工程技术规范》(GB50464- ) 《红外线同声传译系统工程技术规范》 (GB50524- ) 《公共广播系统工程技术规范》(GB50526 - ) 《会议电视会场系统工程设计规范》 (GB50635- ) 《电子会议系统工程设计规范》(GB50799- )十四、其它《LED 显示屏通用规范》 (SJ/T11141- ) 《商用建筑线缆标准》(EIA /TIA —568A ) 《中国采暖通风与空气调节设计规范》 (GB 50019- )《低压配电设计规范》(GB50054-95)《信息技术设备包括电气设备的安全》(GB4943- )《30MHz~1GHz声音和电视信号电缆分配系统》(GB6510-84)《厅堂扩声系统设计规范》(GB50371- )《视频显示系统工程技术规范》(GB50464- )《综合医院建筑设计规范》(修编征求意见稿)十三、弱电常见图像符号《建筑电气工程设计常见图形和文字符号》(09DX001)《电工术语》(GB/T 2900)《消防文件用设备图形符号》(GB/T 4327—)《火灾报警设备专业术语》(GB/T 4718—)《电气简图用图形符号》(GB/T 4728)《电气设备用图形符号》(GB 5465.2—)《电气技术用文件的编制》(GB/T 6988)《导体颜色或数字标识》(GB 7947—)《综合布线系统工程设计规范》(GB 50311—)《电信工程制图与图形符号规定》(YD/T 5015—)《安全防范系统通用图形符号》(GA/T 74—)《火灾报警设备图形符号》(GAT 229—1999)《技术制图管路系统的图形符号》(GB/T 6567.1—)验收《电子信息系统机房施工及验收规范》(GB_50462- )《电气工程施工质量验收规范试验方法》(GB50303- )《电气装置安装工程接地施工及验收规范》(GB50169- )《会议电视会场系统工程施工及验收规范》(GB 50793-201)《会议电视系统工程验收规范》(YD5033- )《火灾自动报警系统施工及验收规范》(GB 50166—)《建筑电气工程施工质量验收规范》(GB50303- )《喷水灭火系统施工及验收规范》(GB 50261—)《气体灭火系统施工及验收规范》(GB 50263—)《通信管道工程施工及验收规范》(GB 50374- )《有线电视网络工程施工及验收规范》(GY_5073- )《智能建筑工程验收规范》(GB 50339- )《自动化仪表工程施工及验收规范》(GB50093- )《自动化仪表工程施工及质量验收规范》(GB 50093- )《综合布线系统工程验收规范》(GB 50312- )52020年4月19日。
完整版弱电系统规范标准(一)随着科技的不断发展,弱电系统在我们的日常生活中逐渐发挥着更重要的作用,而在弱电系统的建设中,完整的标准规范也显得尤为重要。
近年来,国家对于弱电系统规范标准的要求也越来越高,不完全符合规范的弱电系统已经逐渐成为了建筑工程验收中的重要难点。
本文就完整版弱电系统规范标准这一议题展开讨论。
首先,我们需要对于完整版弱电系统规范标准有一个准确的理解。
完整版弱电系统规范标准是在国家规范的基础上,综合考虑弱电系统设计、施工、验收、运行等各个环节,在实践中不断修订完善而成的标准。
这是一个相对严谨完整的标准体系,规范了弱电系统的安装、升级、维护和保护,也确保了弱电系统的安全、可靠、稳定地运行。
其次,我们需要了解完整版弱电系统规范标准的具体内容。
完整版弱电系统规范标准包括了弱电系统分布式、集中式、综合布线等各种技术,对于所有的弱电系统设施都有明确的设计、施工、验收和运行标准。
其中,重点规定了弱电系统结构和布置、接地、供电、电缆的规格、线缆敷设和光缆敷设的标准、弱电系统的预算等多个方面,确保了弱电系统各个环节的完整性和相互协调性。
此外,完整版弱电系统规范标准还规定了弱电系统施工过程中需要注意的细节问题,例如弱电系统的线缆敷设中的可靠性、出线口需要光滑、保护层需要紧密、弱电系统设备的防护措施等等。
这些细致而完整的标准规范,为弱电系统的建设和维护提供了明确的指引和标准,确保了设施的质量和使用效果。
综上所述,完整版弱电系统规范标准是一项掌握于弱电系统建设运维过程中的重要指导工具。
在此基础上,弱电系统的各个环节工作人员能够更负责地完成弱电系统的建设,保证弱电系统的高效稳定地运行。
同时,完整版弱电系统规范标准也为弱电系统建设技术的进步和完善提供了支持和基础,为未来弱电系统的安全可靠运行奠定了基石。
最新弱电规范标准引言随着信息技术的快速发展,弱电系统在建筑智能化中扮演着越来越重要的角色。
为了确保系统的可靠性、安全性和高效性,制定一套全面的弱电规范标准显得尤为重要。
1. 系统设计原则- 系统应符合国家和行业的相关标准,确保技术先进性与实用性的平衡。
- 设计应充分考虑系统的可扩展性和兼容性,以适应未来技术的发展。
- 应充分考虑系统的安全性,包括数据安全和物理安全。
2. 布线规范- 弱电布线应遵循“最短路径”原则,减少信号传输损耗。
- 布线应使用符合标准的线缆,确保信号传输质量。
- 应避免弱电线缆与强电线缆平行布设,以减少电磁干扰。
3. 设备选型- 设备选型应符合系统设计要求,性能稳定可靠。
- 应选择具有良好售后服务和技术支持的设备供应商。
- 设备应具备一定的智能化功能,以提高系统的整体性能。
4. 安装与调试- 安装过程中应严格按照设计图纸和规范进行,确保安装质量。
- 调试阶段应进行全面的功能测试,确保系统各项性能指标符合设计要求。
- 调试完成后应进行详细的记录,为后续维护提供参考。
5. 系统维护- 应定期对系统进行维护和检查,确保系统长期稳定运行。
- 维护工作应包括硬件检查、软件更新、数据备份等。
- 应建立完善的维护记录制度,记录每次维护的详细情况。
6. 安全与环保- 系统设计和运行过程中应严格遵守国家关于安全和环保的相关规定。
- 应采取措施减少系统的能耗,提高能源利用效率。
- 应使用环保材料,减少对环境的影响。
7. 标准更新与修订- 随着技术的发展和行业需求的变化,弱电规范标准应定期进行更新和修订。
- 更新和修订过程中应充分听取行业专家和用户的意见,确保标准的实用性和前瞻性。
结语制定和遵循一套科学的弱电规范标准,对于提高建筑智能化水平、保障系统安全稳定运行具有重要意义。
希望本规范能为行业提供参考和指导。
请注意,以上内容是一个示例,实际的规范标准应根据具体的技术发展和行业需求进行制定。
最新设计弱电设计
规范标准
1
2020年4月19日
最新弱电智能化设计规范标准大全 5月
一、入侵报警系统
《安全防范工程程序与要求》(GA/T 75—94)
《安全防范工程费用预算编制办法》(GA/T 70—)
《安全防范工程技术规范》(GB 50348—)
《安全防范工程技术规范》(GB 50348- )
《安全防范系统通用图形符号》(GA/T 74—)
《被动红外入侵探测器》(GB 10408.5—)
《被动式玻璃破碎报警器》(GB/T 10408.9—)《超声波多普勒探测器》(GB 10408.2—)
《超声和被动红外复合入侵探测器》(GB 10408.7—1996)《出入口控制系统工程设计规范》(GB 50396- )
《磁开关入侵探测器》(GB 15209—)
《电子计算机房设计规范》(GB50174- )
《防盗报警控制器通用技术条件》(GB 12663—)
《会议电视系统工程设计规范》(YD5032- )
《建筑物电子信息系统防雷技术规范》(GB 50343- )
《建筑与建筑群综合布线工程系统设计规范》(GB/T50311- )
《民用建筑设计通则》(GB50352-
《入侵报警系统工程设计规范》(GB 50394—)
《入侵报警系统技术要求》(GA/T368—)
《入侵探测器通用技术条件》(GB 10408.1—)
《通信管道与通道工程设计规范》(GB 50373- )
《微波和被动红外复合入侵探测器》(GB 10408.6—)
《微超声波多普勒探测器》(GB 10408.3—)
《文物系统博物馆安全防范工程设计规范》(GB/T 16571—)
《文物系统博物馆风险等级和安全防护级别的规定》(GA 27—)
《银行营业场所安全防范工程设计规范》(GB/T 16676—)
《有线电视广播技术规范》(GY/T106-1999)
《有线数字电视系统技术要求和测量方法》(GYT_221- )
《振动入侵探测器》(GB/T 10408.8—)《智能建筑设计标准》(GB/T 50314—)
《主动红外入侵探测器》(GB 10408.4—)
二、视频安防监控系统
《视频安防监控系统工程设计规范》(GB 50395—)
《智能建筑设计标准》(GB 50314—)
《安全防范工程技术规范》(GB 50348—)
三、出入口控制(门禁)系统
《出入口控制系统工程设计规范》(GB 50396—)
《智能建筑设计标准》(GB/T 50314—)
《安全防范工程技术规范》(GB 50348—)
《防盗报警控制器通用技术条件》(GB 12663—)
《博物馆和文物保护单位安全防范系统要求》(GB/T 16571—)
《银行营业场所安全防范工程设计规范》(GB/T 16676—1996)
四、可视对讲系统
《智能建筑设计标准》(GB/T 50314—)
《安全防范工程技术规范》(GB 50348—)
《防盗报警控制器通用技术条件》(GB 12663—)
《博物馆和文物保护单位安全防范系统要求》(GB/T 16571—)
《银行营业场所安全防范工程设计规范》(GB/T 16676—1996)
五、电子巡查系统
《智能建筑设计标准》(GB/T 50314—)
《安全防范工程技术规范》(GB 50348—)
《电子巡查系统技术要求》(GA/T 644—)
六、停车场管理系统
《智能建筑设计标准》(GB/T 50314—)
《安全防范工程技术规范》(GB 50348—)
七、火灾自动报警及消防联动系统
《爆炸危险环境电力装置设计规范》(GB 50058—)
《二氧化碳灭火系统设计规范》(GB 50193—93)
《高层民用建筑设计防火规范()》(GB 50045—95)
《火力发电厂与变电站设计防火规范》(GB 50229—)
《火灾报警控制器》(GB 4717—)
《火灾报警设备专业术语》(GB/T 4718—)
《火灾自动报警系统设计规范》(GB 50116—)
《建筑防雷设计规范》(DB32/T 1198- )
《建筑灭火器配置设计规范》( GB 50140- )
《建筑内部装修设计防火规范》(GB 50222—95)
《建筑设计防火规范》(GB 50016—)
《泡沫灭火系统设计规范》(GB 50151—)
《汽车加油加气站设计与施工规范》(GB 50156—)
《汽车库、修车库、停车场设计防火规范》(GB 50067—97)
《人民防空工程设计防火规范》( GB 50098- )
《石油化工企业设计防火规范》(GB 50160—)
《石油库设计规范》( GB 50074- )
《石油天然气工程设计防火规范》(GB 50183—)
《水喷雾灭火系统设计规范》(GB 50219—95)
《消防词汇第1部分:通用术语》(GB 5907—)
《消防技术文件用消防设备图形符号》(GB 4327—)
《智能建筑设计标准》(GB/T 50314—)
《自动喷水灭火系统设计规范》(GB 50084—)
《中华人民共和国消防法》(1998年9月1日执行)
3
2020年4月19日
4
2020年4月19日
八、 建筑设备监控系统 《智能建筑设计标准》
(GB/T 50314— )
九、 智能化系统集成 《智能建筑设计标准》
(GB/T 50314— ) 《安全防范工程技术规范》
(GB 50348— )
十、 卫星电视及有线电视系统 《民用建筑电气设计规范》
(JGJ/T 16— ) 《有线电视系统工程技术规范》
(GB 50200—94) 《电视和声音信号的电缆分配系统设备与部件 第9部分:电源设备通用 规范》
(GB/T 11318.9—96) 《卫星广播电视地球站设计规范》 (GYJ 41—89) 《有线电视广播系统技术规范》 (GY/T 106—99) 《智能建筑设计标准》
(GB/T 50314— )
十一、 公共广播及紧急广播系统
《厅堂扩声系统设计规范》 (GB 50371— ) 《民用建筑电气设计规范》
(JGJ 16— ) 《卫星广播电视地球站设计规范》 (GYJ 41—89) 《有线电视广播系统技术规范》
(GY/T 106—99) 《工业企业扩音通信系统工程设计规程》 (CECS 62—94) 《智能建筑设计标准》
(GB/T 50314— )
十二、 综合布线系统
《综合布线系统工程设计规范》 (GB 50311— ) 《智能建筑设计标准》
(GB/T 50314— ) 《城市住宅建筑综合布线系统工程设计规范》
(CECS 119— )
十三、 音视频系统
《视频显示系统工程技术规范》
(GB50464- ) 《红外线同声传译系统工程技术规范》 (GB50524- ) 《公共广播系统工程技术规范》
(GB50526 - ) 《会议电视会场系统工程设计规范》 (GB50635- ) 《电子会议系统工程设计规范》
(GB50799- )
十四、其它
《LED 显示屏通用规范》 (SJ/T11141- ) 《商用建筑线缆标准》
(EIA /TIA —568A ) 《中国采暖通风与空气调节设计规范》 (GB 50019- )
《低压配电设计规范》
(GB50054-95)
《信息技术设备包括电气设备的安全》(GB4943- )
《30MHz~1GHz声音和电视信号电缆分配系统》(GB6510-84)
《厅堂扩声系统设计规范》(GB50371- )
《视频显示系统工程技术规范》(GB50464- )
《综合医院建筑设计规范》(修编征求意见稿)
十三、弱电常见图像符号
《建筑电气工程设计常见图形和文字符号》(09DX001)
《电工术语》(GB/T 2900)
《消防文件用设备图形符号》(GB/T 4327—)
《火灾报警设备专业术语》(GB/T 4718—)
《电气简图用图形符号》(GB/T 4728)
《电气设备用图形符号》(GB 5465.2—)
《电气技术用文件的编制》(GB/T 6988)
《导体颜色或数字标识》(GB 7947—)
《综合布线系统工程设计规范》(GB 50311—)
《电信工程制图与图形符号规定》(YD/T 5015—)
《安全防范系统通用图形符号》(GA/T 74—)
《火灾报警设备图形符号》(GAT 229—1999)
《技术制图管路系统的图形符号》(GB/T 6567.1—)
验收
《电子信息系统机房施工及验收规范》(GB_50462- )
《电气工程施工质量验收规范试验方法》(GB50303- )
《电气装置安装工程接地施工及验收规范》(GB50169- )
《会议电视会场系统工程施工及验收规范》(GB 50793-201)
《会议电视系统工程验收规范》(YD5033- )
《火灾自动报警系统施工及验收规范》(GB 50166—)
《建筑电气工程施工质量验收规范》(GB50303- )
《喷水灭火系统施工及验收规范》(GB 50261—)
《气体灭火系统施工及验收规范》(GB 50263—)
《通信管道工程施工及验收规范》(GB 50374- )
《有线电视网络工程施工及验收规范》(GY_5073- )
《智能建筑工程验收规范》(GB 50339- )
《自动化仪表工程施工及验收规范》(GB50093- )
《自动化仪表工程施工及质量验收规范》(GB 50093- )
《综合布线系统工程验收规范》(GB 50312- )
5
2020年4月19日。