混凝土配筋计算例题
- 格式:doc
- 大小:213.50 KB
- 文档页数:18
配筋计算例题以下是一道配筋计算的例题:题目:计算一根单筋梁的配筋,给出的条件如下:梁的跨度为3m,截面宽度为0.3m,混凝土强度等级为C30,钢筋的强度等级为HRB400。
设计要求为受弯构件的抗弯强度满足要求,且控制裂缝宽度。
解答:1. 计算活荷载和自重荷载根据设计规范,活荷载为5kN/m²,自重荷载取混凝土密度为2400kg/m³,计算得到活荷载为15kN/m,自重荷载为7.2kN/m。
2. 计算弯矩根据梁的跨度和荷载情况,计算得到最大弯矩为Mmax = ((7.2 + 15) × 3^2) / 8 = 46.875kNm。
3. 计算抗弯强度根据设计要求,抗弯强度需满足Mmax ≤ σs × As × d,其中σs为钢筋的抗拉强度,As为截面钢筋的面积,d为受拉区高度。
根据混凝土强度等级C30的设计强度等级为fcd = 0.392N/mm²,根据钢筋的强度等级HRB400,抗拉强度σs = 390N/mm²。
已知梁的截面宽度为0.3m,根据设计准则,受拉区的高度d应该大于或等于距离受拉应力最远点的距离,通常取为截面高度的0.8倍。
假设梁的截面高度为h,则受拉区高度d = 0.8h。
又已知梁的跨度为3m,则根据简化计算的要求,可假设梁为等截面,即h = b = 0.3m。
将上述数据代入抗弯强度的公式,得到46.875kNm ≤390N/mm² × As × 0.8 × 0.3m。
解方程得到As ≥ 0.404 cm²。
4. 计算配筋根据设计要求和计算得到的As,可以确定配筋方案。
在这道题中,假设梁配筋为单肢。
根据验算得到的As,假设梁的受拉钢筋直径为12mm,则受拉钢筋的面积为As = 1.131 cm²。
综上所述,这道题中的配筋方案为在受拉区域使用直径为12mm的HRB400钢筋,面积为1.131 cm²。
配筋计算例题
以下是一个配筋计算的例题:
题目:某矩形截面简支梁,截面尺寸b×h=200mm×500mm,混凝土强度等级为C25,钢筋采用HRB335级,承受弯矩设计值M=165kN·m。
环境类别为一类,安全等级为二级。
求所需配置的钢筋截面面积As。
解题步骤:
1.根据混凝土强度等级和钢筋级别,查表得到fc=11.9N/mm²,fy=300N/mm²,α1=1.0。
2.计算截面有效高度:ho=h-as=500-35=465mm(as取35mm)。
3.根据α1fcxho=fyAs,求得受压区高度x。
将已知数值代入公式,得到
1.0×11.9×200x=300As。
从中解出x的值。
4.验证x是否满足适用条件。
对于矩形截面,需满足x≤ξbh0。
其中ξb为相对界限受
压区高度,查表得到ξb=0.550。
将x的值代入公式进行验证。
5.计算所需配置的钢筋截面面积As。
利用公式As=M/(fy×ho×(1-0.5×(x/ho)))计算As,
将已知数值和求得的x值代入公式进行计算。
6.根据计算结果选择合适的钢筋直径和根数,使得实际配置的钢筋截面面积不小于计
算所需的截面面积。
同时考虑构造要求,确定最终的配筋方案。
注意:以上计算过程仅供参考,实际工程中还需考虑更多的因素和细节。
6.15已知某矩形截面偏心受压柱,处于一类环境,安全等级为二级,截面尺寸为 400mm K 500mm ,柱的计算长度I c = |o = 4.0m ,选用C35混凝土和HRB400钢筋,承受轴力设计 值N=1400kN ,弯矩设计值 M i =247kN?m , M 2=260kN?m 。
若箍筋直径d v =10mm ,采用对称 配筋,求该柱的对称配筋面积。
【解】(1)确定基本参数2查附表1-2、附表1-5、附表1-10和附表1-11可得:C35混凝土 f c = 16.7N/mm ; HRB400 钢筋 f y = f ' y =360N/mm ; 1=1.0 , 1=0.8 ; b = 0.518 查附表1-13,一类环境,c =20mm取 a s a s c d v d / 2 40 mm 则 h 0 h a s 500 40 460 mm23 3 9 4A =400X 500=200000mm, I= bh /12=400 X 500 /12=4.167 X 10 mm ,144.34mme a max30 '2020mm(2)判别考虑二阶效应的条件M / M =247/260=0.95>0.9 l 0/ i =4000/144.34=27.7134-12 Mi/ M =22.6,所以 I 。
/ i >34-12 M 1/ MN /( f c A )=1400000/(16.7 X 200000)=0.42<0.9 故需考虑二阶效应(3 )求考虑二阶效应的弯矩设计值MC m =0.7+0.3 M 1/ M =0.985Z c =0.5f c A / N =0.5 X 16.7 X 200000/1400000=1.19>1.0 ,所以取 Z c =1.0所以为大偏心受压。
(6)计算A 和A2a s80 0.174mm 0.456h 0 460h e e -a s 223.1 250 40 433.1mm21 f c bh 01.0 16.7 400 460(5) ns1C m n计算 e i计算2I o1300(M 2/N e a )/h ° hc 1.11ns=1.09335>1.0,贝y M=C n n ns M =284.27kN ?me 0、 e i284・27 106203.1mm1400 103e a 203.1 20 223.1mm并判断偏心受压类型1400 1030.456 b 0.518Ne 1 0.5 1 f cbh :f y h0 as321400 10433.1 0.456 (1 0.5 0.456) 1.0 16.7 400 460360 (460 40)2 0.2% 400 500400 mm2本题采用对称配筋,其配筋面积总和为 719+719=1438 mm ,与习题6.3非对称配筋面积总和421.9+954.4=1376.3mm 相比,多 61.7 mm 。
1、某钢筋混凝土矩形截面梁,混凝土保护层厚为25mm(二a类环境),b=250mm,h=500mm,承受弯矩设计值M=160KN.m,采用C20级混凝土,HRB400级钢筋,箍筋直径为8mm,截面配筋如图所示(As为1256mm2)。
复核该截面是否安全。
已知:fc=9.6N/mm2,ft=1.1N/mm2,fy=360N/mm2,α1=1.0,ξb=0.518 ,h0=455mm2、已知矩形截面简支梁,跨中弯矩设计值M=140KN.m。
该梁的截面尺寸b×h=200mm×450mm,混凝土强度等级C30,钢筋HRB400级。
试确定该梁跨中纵筋配筋面积A s。
附:f c=14.3N/mm2,f t=1.43N/mm2,f y=360N/mm2,α1=1.0,ξb=0.518,h0=450-45=405 mm3、钢筋混凝土偏心受压柱,截面尺寸b×h=400mm×600mm,轴向力设计值N=1400KN,柱两端弯矩设计值分别为M1=280KN·m,M2=340KN·m,混凝土强度等级为C30(f c =14.3N /mm2,α1=1.0),纵筋采用HRB400(f y=f’y=360N/mm2)。
其中,a s=a’s=40mm。
按对称配筋计算受压钢筋和受拉钢筋面积。
已知:取e a=20mm, ns=1.17;ξb=0.518。
2、某简支梁b×h=250mm×600mm,混凝土强度等级为C30(f t =1.43N/mm2 , f c =14.3N/mm2),箍筋采用双肢Φ10HPB300级钢筋(A sv1=78.5mm2,f yv=270Mpa), 承受均布荷载,剪力设计值为382kN。
a s=a’s=40mm。
请按照仅配置箍筋对构件进行斜截面抗剪承载力设计。
已知:。
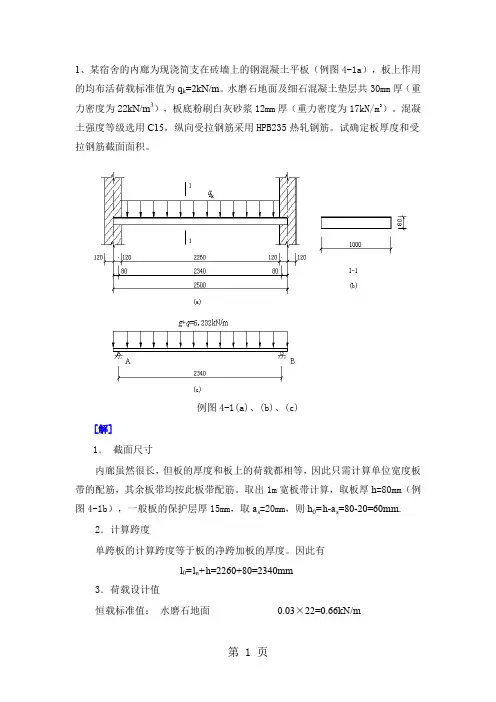
1、某宿舍的内廊为现浇简支在砖墙上的钢混凝土平板(例图4-1a),板上作用的均布活荷载标准值为q k=2kN/m。
水磨石地面及细石混凝土垫层共30mm厚(重力密度为22kN/m3),板底粉刷白灰砂浆12mm厚(重力密度为17kN/m3)。
混凝土强度等级选用C15,纵向受拉钢筋采用HPB235热轧钢筋。
试确定板厚度和受拉钢筋截面面积。
例图4-1(a)、(b)、(c)[解]1.截面尺寸内廊虽然很长,但板的厚度和板上的荷载都相等,因此只需计算单位宽度板带的配筋,其余板带均按此板带配筋。
取出1m宽板带计算,取板厚h=80mm(例图4-1b),一般板的保护层厚15mm,取a s=20mm,则h0=h-a s=80-20=60mm.2.计算跨度单跨板的计算跨度等于板的净跨加板的厚度。
因此有l0=l n+h=2260+80=2340mm3.荷载设计值恒载标准值:水磨石地面0.03×22=0.66kN/m钢筋混凝土板自重(重力密度为25kN/m3)0.08×25=2.0kN/m白灰砂浆粉刷0.012×17=0.204kN/mg k=0.66+2.0+0.204=2.864kN/m活荷载标准值:q k=2.0kN/m恒载设计值:活荷载设计值:4.弯矩设计值M(例图4-1c)5.钢筋、混凝土强度设计值由附表和表4-2查得:C15砼:HPB235钢筋:6.求x及A s值由式(4-9a)和式(4-8)得:7.验算适用条件8.选用钢筋及绘配筋图选用φ8@130mm(A s=387mm2),配筋见例图4-1d。
例图4-1d冷轧带肋钢筋是采用普通低碳钢筋或普通低合金钢筋为原材料加工而成的一种新型高效钢筋。
由于它强度高,可以节约许多钢材,加之其直径细、表面带肋、与混凝土的粘结锚固效果特别好,因此在国外得到广泛的应用。
我国自80年代中期将其引入后,经过近十年的努力,已经编制了国家标准《冷轧带肋钢筋》GB13788-92和行业标准《冷轧带肋钢筋混凝土结构技术规程》JGJ95-95。
四、计算题(要求写出主要解题过程及相关公式,必要时应作图加以说明。
每题15分。
)第3章 轴心受力构件承载力1.某多层现浇框架结构的底层内柱,轴向力设计值N=2650kN ,计算长度m H l 6.30==,混凝土强度等级为C30(f c =14.3N/mm 2),钢筋用HRB400级(2'/360mm N f y =),环境类别为一类。
确定柱截面积尺寸及纵筋面积。
(附稳定系数表)2.某多层现浇框架厂房结构标准层中柱,轴向压力设计值N=2100kN,楼层高l 0=H =5.60m ,混凝土用C30(f c =14.3N/mm 2),钢筋用HRB335级(2'/300mm N f y =),环境类别为一类。
确定该柱截面尺寸及纵筋面积。
(附稳定系数表)3.某无侧移现浇框架结构底层中柱,计算长度m l 2.40=,截面尺寸为300mm ×300mm ,2'/300mm N fy =),混凝土强度等级为C30(f c =14.3N/mm 2),环境类别为一类。
柱承载轴心压力设计值N=900kN ,试核算该柱是否安全。
(附稳定系数表)第4章 受弯构件正截面承载力1.已知梁的截面尺寸为b ×h=200mm ×500mm ,混凝土强度等级为C25,f c =11.9N/mm 2,2/27.1mm N f t =, 钢筋采用HRB335,2/300mm N f y =截面弯矩设计值M=165KN.m 。
环境类别为一类。
求:受拉钢筋截面面积。
2.已知梁的截面尺寸为b ×h=200mm ×500mm ,混凝土强度等级为C25,22/9.11,/27.1mm N f mm N f c t ==,截面弯矩设计值M=125KN.m 。
环境类别为一类。
3.已知梁的截面尺寸为b ×h=250mm ×450mm;受拉钢筋为4根直径为16mm 的HRB335钢筋,即Ⅱ级钢筋,2/300mm N f y =,A s =804mm 2;混凝土强度等级为C40,22/1.19,/71.1mm N f mm N f c t ==;承受的弯矩M=89KN.m 。
四、结构梁配筋计算一)、储藏室~五层C20 HRB335 a s=30㎜根据前面计算结果取设计值计算:1.L01: b×h=150×250梁自重:1.2×25×0.15×0.25+20×0.02×[0.15+2×(0.25-0.1)]=1.31KN/m墙体重:1.2×22×0.12×(2.8-0.25)=8.08KN/m梯板传:(1.2×4.2+1.4×2.0)×1.4×1/2=5.49 KN/m井道传:(1.2×4.2+1.4×2.0)×0.42/2=1.65 KN/mq =16.53 KN/mM max=1/8ql2=1/8×16.53×2.62=13.97KN·Mαs=M/f cm bh02=13.97×106/(9.6×150×2102)=0.22γs=(1+(1-2αs )1/2 )/2=0.874A s=M/γs f y h o=13.97 ×106/ (0.874×300×210) =253.66㎜2选用2φ14 A s=308㎜22.L02: b×h=150×130为暗梁,根据构造配筋3.L03: b×h=150×130为暗梁,根据构造配筋4.L04: b×h=240×300梁自重: 1.2×25×0.24×0.3+20×0.02×[0.24+2×(0.3-0.1)]=2.42KN/m楼板传:(1.2×4.2+1.4×2.0)×(3.5+3.9)×1/4=14.50KN/mq =16.92KN/mM max=1/8ql2=1/8×16.92×2.62=14.30KN·Mαs=M/f cm bh02=14.30×106/(9.6×240×2602)=0.092γs=(1+(1-2αs )1/2 )/2=0.952A s=M/γs f y h o=14.30 ×106/ (0.952×300×260) =192.58㎜2选用2φ14 A s=308㎜25.L05: b×h=240×300梁自重: 1.2×25×0.24×0.3+20×0.02×[0.24+2×(0.3-0.1)]=2.42KN/m墙自重:1.2×(22×0.12×2.5×1.2-0.9×2.1×0.5)÷1.2=6.98(左侧有)楼板传:q1=(1.2×4.2+1.4×2.0)×3.6×1/4=7.06KN/mq2左=(1.2×4.2+1.4×2.0)×1.5×1/2=5.88KN/mq2右=(1.2×4.2+1.4×2.0)×2.4×1/4=4.70KN/mq左=22.34KN/m q右=14.18 KN/mL01传集中力:L01自重:1.31KN/mL01上墙自重:1.2×22×0.12×2.55=8.08 楼板传L01:(1.2×4.2+1.4×2.0)×1.5×//4=2.94 KN/mp =(1.31+8.08+2.94)×1.5×1/2= 9.25KNR A=[1/2×14.18×2.42+9.25×2.4+22.34×1.2×(0.6+2.4)]/3.6=39.85KNR B=1.2×22.34+9.25+14.18×2.4-R A =30.24KN当V=0或最小时M最大,令V=0处距B支座x,则30.24-14.18x =0,得x=2.13M max=30.24×2.13-1/2×14.18×2.132=32.24 KN·Mαs=M/f cm bh02=32240000/(9.6×240×2602)= 0.207 γs=(1+(1-2αs )1/2 )/2=0.883A s=M/γs f y h o=32240000/0.883×300×260=468 选用3φ18 As=763㎜26.L06: b×h=240×300梁自重: 1.2×25×0.24×0.3+20×0.02×[0.24+2×(0.3-0.1)]=2.42KN/m楼板传:q1=(1.2×4.7+1.4×2.0)×2.1×1/4=4.43KN/mq2左=(1.2×4.7+1.4×2.0)×5.1×1/4=10.76KN/mq2右=(1.2×4.2+1.4×2.0)×3.6×1/4=7.06KN/mq左=17.61KN/m q右=13.91 KN/mL04传集中力:L04自重:2.42KN/m楼板传L04:( 1.2×4.2+1.4×2.0)×2.9×1/4+(1.2×4.7+1.4×2.0)×4.2×1/4=14.55 KN/mp =(2.42+14.55)×2.9×1/2=24.61KNR A=[1/2×13.91×0.722+24.61×0.72+17.61×0.6×(0.3+0.72)]/1.32=24.32KNR B=0.6×17.61+24.61+13.91×0.72-R A =20.87KN当V=0或最小时M最大,令V=0处距A支座x,则24.32-17.61×0.6-24.61-13.91(x-0.6)=0,得x<0,则V最小处为x=0.6,此时M max= 24.32×0.6-17.61×0.6×0.6×1/2=11.42 KN·Mαs=M/f cm bh02=11420000/(9.6×240×2602)= 0.073 γs=(1+(1-2αs )1/2 )/2=0.962A s=M/γs f y h o=11420000/0.962×300×260=152.19 选用2φ16 As=402㎜27.LL01: b×h=240×300梁自重: 1.2×25×0.24×0.3+20×0.02×[0.24+2×(0.3-0.1)]=2.42KN/m楼板传:(1.2×3.5+1.4×2.0)×1.5×1/2=5.25KN/mq =7.67KN/mM max=1/11ql2=1/11×7.67×3.92=10.61KN·Mαs=M/f cm bh02=10.61×106/(9.6×240×2602)=0.068γs=(1+(1-2αs )1/2 )/2=0.965A s=M/γs f y h o=10.61×106/ (0.965×300×260) =140.96㎜2选用2φ14 A s=308㎜28.XL01: b×h=240×300梁自重:1.2×25×0.24×0.3+20×0.02×[0.24+2×(0.3-0.1)]=2.42KN/mLL01传来集中力:p=1/2×7.67×3.9=14.96KNM max=1/2ql2+pl=1/2×2.42×1.52+14.96×1.5=25.16KN·Mαs=M/f cm bh02=25160000/(9.6×240×2602)= 0.162γs=(1+(1-2αs )1/2 )/2=0.911A s=M/γs f y h o=25160000/0.911×300×260=353 选用3φ18 As=763㎜2二)、六层C20 HRB335 a s=30㎜1.L01: b×h=150×250梁自重: 1.2×25×0.15×0.25+20×0.02×[0.15+2×(0.25-0.1)]=1.31KN/m楼板传:(1.2×4.85+1.4×2.0)×2.9×1/4=6.25KN/mL06传集中力p1:L06自重:2.42KN/m楼板传L06:q1=(1.2×4.2+1.4×2.0)×0.9×1/2=3.53KN/mq2左=3.53KN/mq2右=( 1.2×4.2+1.4×2.0)×0.86×1/2+3.53=6.9KN/mp1 =[1/2×6.9×1.52+3.53×0.9×(0.9/2+1.5)]/2.4=5.82KNp2=6.9×1.5+3.53×0.9-5.82=7.71 KNq=1.31+6.25=7.56 KN/m p1 =5.82KNR A=[1/2×7.56×2.92+5.82×2.0)]/2.9=14.98KNR B=7.56×2.9+5.82-R A =12.76KN当V=0或最小时M最大,令V=0处距B支座x,则7.56x=12.76,得x=1.69,此时M max= 12.76×1.69-7.56×1/2×1.692=10.77 KN·Mαs=M/f cm bh02=10770000/(9.6×150×2102)= 0.170 γs=(1+(1-2αs )1/2 )/2=0.906A s=M/γs f y h o=10770000/0.906×300×210=188.59 选用3φ14 As=461㎜22.L02: b×h=200×300梁自重: 1.2×25×0.20×0.30+20×0.02×[0.20+2×(0.30-0.1)]=2.04KN/m楼板传:(1.2×4.7+1.4×2.0)×(2.9/4+1.2/2)=11.18KN/m由前知,L06传集中力p2=6.9×1.5+3.53×0.9-5.82=7.71 KNq=2.04+11.18=13.22 KN/m p1 =7.71KNR A=[1/2×13.22×2.92+7.71×2.0)]/2.9=24.49KNR B=13.22×2.9+7.71-R A =21.56KN当V=0或最小时M最大,令V=0处距B支座x,则13.22x=21.56,得x=1.63,此时M max= 21.56×1.63-13.22×1/2×1.632=17.58 KN·Mαs=M/f cm bh02=17580000/(9.6×200×2602)= 0.135 γs=(1+(1-2αs )1/2 )/2=0.927A s=M/γs f y h o=17580000/0.927×300×210=243.08 选用4φ16 As=804㎜23.L03: b×h=150×300梁自重: 1.2×25×0.15×0.3+20×0.02×[0.15+2×(0.3-0.1)]=1.57KN/m楼板传:(1.2×4.85+1.4×2.0)×3.5×1/4=7.54KN/mL06传集中力p1:L06自重:2.42KN/m楼板传L06:q1=(1.2×4.2+1.4×2.0)×0.9×1/2=3.53KN/mq2左=3.53KN/mq2右=( 1.2×4.2+1.4×2.0)×1.46×1/2+3.53=9.25KN/mp1 =[1/2×9.25×1.082+3.53×0.9×(0.9/2+1..08)]/1.98=5.18KNp2=9.25×1.08+3.53×0.9-5.18=7.99 KNq=1.57+7.54=9.11 KN/m p1 =5.18KNR A=[1/2×9.11×2.92+5.18×2.6)]/3.5=14.79KNR B=9.11×3.5+5.18-R A =22.28KN当V=0或最小时M最大,令V=0处距B支座x,则9.11x=22.28,得x=2.45,此时M max= 22.28×2.45-9.11×1/2×2.452=27.24 KN·Mαs=M/f cm bh02=27240000/(9.6×150×2602)= 0.280 γs=(1+(1-2αs )1/2 )/2=0.832A s=M/γs f y h o=27240000/0.832×300×260=419.86 选用3φ18 As=763㎜24.L04: b×h=200×300梁自重: 1.2×25×0.20×0.30+20×0.02×[0.20+2×(0.30-0.1)]=2.04KN/m楼板传:(1.2×4.7+1.4×2.0)×(2.6/4+1.62/2)=12.32KN/m由前知,L06传集中力p2=7.99 KNq=2.04+12.32=14.36 KN/m p2 =7.99KNR A=[1/2×14.36×3.52+7.99×2.6)]/3.5=31.07KNR B=14.36×3.5+7.99-R A =27.18KN当V=0或最小时M最大,令V=0处距A支座x,则14.36x=27.18,得x=1.89,此时M max= 27.18×1.89-14.36×1/2×1.892=25.72 KN·Mαs=M/f cm bh02=25720000/(9.6×200×2602)= 0.198 γs=(1+(1-2αs )1/2 )/2=0.888A s=M/γs f y h o=25720000/0.888×300×260=371.13 选用4φ18 As=1017㎜25.L05: b×h=240×300同前1~5层。
已知:已知参数
圆桩半径r=600mm结果
混凝土抗压强度设计值fc=11.9N/mm2
混凝土抗拉强度设计值ft= 1.27N/mm2
主筋强度fy=360N/mm2设计原理:钢筋混凝土结构设计实主筋弹性模量E s=200000N/mm2
保护层厚度=50mm
纵向钢筋所在圆周半径rs=550
主筋直径d=25mm
单根主筋面积=490.9mm2
主筋根数n=28mm
计算:
1、截面计算
圆桩截面面积A=1130973.355mm2
主筋面积A s=13745.2mm2
2、求受压区混凝土相对面积α
0.367666643
受压区混凝土相对面积α=0.328255198
αt=0.593489603
3、求弯矩设计值M
180α=59.08593572
180αt=106.8281286
sin(180α)=0.857938822
sin(180αt)=0.957177486
弯矩设计值M=2654555735N*mm2
纵筋间距=120.614718mm
配筋率ρ=0.012153425
混凝土结构设计规范GB 50010-2010
计算最大、最小配筋率:
受拉区纵筋最小配筋率(取大值)
ρ=0.0020.0015875
最小配筋率ρmin=0.0042
最大配筋率ρmax=0.017111111
钢筋混凝土结构设计实例-徐建 1997(混规89)注:上文中fcm为混凝土抗压
凝土结构设计实例-徐建 1997(混规89)
土抗压强度设计值,新规范中为fc
混凝土结构设计规范GB 50010-2010。
1.恒载厚30×=厚20×=厚25×=厚17×=g k=2.活载标准值k N/㎡可变荷载效应起控制作用γG =1.2γQ =1.2×=1.3×=p=g+5.39+=5.39+=1.3k N3. 板的内力计算及配筋ρmin 0.45×####/=A s mi×1000×=mm2C?(20,25,30,35,40,45,3. 1 板无嵌固m 板厚m m 75一、板的荷载计算C =25HRB1.33钢筋混凝土结构双向板配筋简易计算335HRB(235,335,400) 纵筋强度等级0.150.255k N/㎡0.015钢筋混凝土板0.0900.400 水泥砂浆抹面 大理石装饰面201502k N/㎡4.495k N/㎡k N/㎡150.0030.02 3.750k N/㎡设计值 q =γQ q k =2.00 2.60k N/㎡板底抹水泥石灰砂浆4.505.39k N/㎡设计值 g =γG g k=q k =80荷载设计值p′=g+q/2 =1.36.69l x=30.19%140266.700.19%2.607.99k N/㎡k N/㎡p〞=q/2 =300单位板宽弯矩(KN·m/m)0.0429×+×) =k N0.0429×+×)=kN.(mm)板宽度b(mm)板厚度h(mm)混凝土保护层kN.m M f cm bh 02ξf cm bh 0f y(mm 2)选配钢筋截面Ф@200布选配 Ф1 =5Ф8(mm)钢筋隔距8@200mm 双向kN.m M f cm bh 02ξf cm bh 0f y(mm 2)选配钢筋截面Ф@200布选配 Ф1 =5Ф8(mm)钢筋隔距8@200mm 3. 2 板ly一边嵌固计算跨度:m 板厚m mm m m mly =mlx/ly =ФФФФ若截面抵抗矩系数αs >0.426不满足结构安全要求,需要再进行纵筋、截面计算!设计要求钢筋截面0@8200mm 0.054满足结构安全要求@200mm 251.50ФA S ==163.8(mm 2)钢筋隔距As′ =选配 Ф2 =8(mm)My =3.09荷载作用下的弯矩值,简支取支座反力或跨中最大值计算满足要求αs ==(mm)钢筋隔距选配 Ф2 =0Ф0As′ =251.5A S ==163.8(mm 2)设计要求钢筋截面满足要求Mx =3.09荷载作用下的弯矩值,简支取支座反力或跨中最大值计算αs ==0.054满足结构安全要求若截面抵抗矩系数αs >0.426不满足结构安全要求,需要再进行纵筋、截面计算!双向板X 轴配筋计算h0=65(mm)板有效高度 h0=h-cab=1000h=80c a=15 3.09 6.69 3.000双向板截面尺寸23.09My =系数(1)p″l x 2+系数(1)p′l x 2=(1.300.0429326.69 3.000Mx =系数(1)p″l x 2+系数(1)p′l x 2=1.300.04293l x=5.56.9880.80137.5140=k N0.0428×+×)=k N××2=-24k N(mm)板宽度b(mm)板厚度h(mm)混凝土保护层kN.m M f cm bh 02ξf cm bh 0f y(mm 2)选配钢筋截面Ф@200布选配 Ф1 =5Ф10(mm)钢筋隔距10@200mm 双向kN.m M f cm bh 02ξf cm bh 0f y(mm 2)选配钢筋截面Ф@200布选配 Ф1 =5Ф8(mm)钢筋隔距8@200mm kN.m M f cm bh 02ξf cm bh 0mm 8@200mm 荷载作用下的弯矩值,简支取支座反力或跨中最大值计算ФФФФ若截面抵抗矩系数αs >0.426不满足结构安全要求,需要再进行纵筋、截面计算!设计要求钢筋截面 6.69荷载作用下的弯矩值,简支取支座反力或跨中最大值计算满足要求满足要求选配 Ф2 =0Ф8(mm)钢筋隔距A S ==96.5(mm 2)As′ =251.5(mm)钢筋隔距αs ==0.033满足结构安全要求若截面抵抗矩系数αs >0.426不满足结构安全要求,需要再进行纵筋、截面计算!10@200选配 Ф2 =0Ф10My =6.91As′ =392.5A S ==84.4(mm 2)10设计要求钢筋截面Mx =11.72荷载作用下的弯矩值,简支取支座反力或跨中最大值计算αs ==0.015满足结构安全要求若截面抵抗矩系数αs >0.426不满足结构安全要求,需要再进行纵筋、截面计算!c a=15双向板X 轴配筋计算h0=125(mm)板有效高度 h0=h-caM 支 =系数(2)plx 2=-0.10077.9905.50h=140双向板截面尺寸5.50011.72My =系数(2)p″l x 2+系数(1)p′l x 2=(1.300.0258326.91b=10008支座配筋计算Mx 支 =24.34=356.9αs ==0.115满足结构安全要求A =(mm 2)设计要求钢筋截面3. 3 板ly二边嵌固计算跨度:m 板厚m mm mly =mlx/ly =单位板宽弯矩(KN·m/m)0.0617×+×) =k N0.0428×+×)=k N××2=-19k N(mm)板宽度b(mm)板厚度h(mm)混凝土保护层kN.m M f cm bh 02ξf cm bh 0f y(mm 2)选配钢筋截面Ф@200布选配 Ф1 =5Ф8(mm)钢筋隔距8@200mm 双向kN.m M f cm bh 02ξf cm bh 0f y10@200ФФ137.50.80mmФMy =(mm 2)满足结构安全要求αs ==0.023A S ==129.4选配 Ф2 =0Ф84.95荷载作用下的弯矩值,简支取支座反力或跨中最大值计算(mm)钢筋隔距8@As′ =251.5A S ==270.0(mm 2)8Mx =9.88荷载作用下的弯矩值,简支取支座反力或跨中最大值计算αs ==0.047满足结构安全要求若截面抵抗矩系数αs >0.426不满足结构安全要求,需要再进行纵筋、截面计算!双向板X 轴配筋计算h0=125(mm)板有效高度 h0=h-ca5.5006.69双向板截面尺寸b=1000My =系数(3)p″l x 2+系数(1)p′l x 2=(1.300.01615229.885.5006.69Mx =系数(3)p″l x 2+系数(1)p′l x 2=1.300.03682l x=5.56.94.95设计要求钢筋截面若截面抵抗矩系数αs >0.426不满足结构安全要求,需要再进行纵筋、截面计算!设计要求钢筋截面200mm -0.07827.9905.50h=140c a=15140(mm)钢筋隔距M 支 =系数(3)plx 2 =10不满足要求选配 Ф2 =0ФkN.m M f cm bh 02ξf cm bh 0f y(mm 2)选配钢筋截面Ф@167布选配 Ф1 =6Ф10(mm)钢筋隔距10@167mm 3. 4 板lxly四边嵌固计算跨度:m 板厚m mm mly =mlx/ly =单位板宽弯矩(KN·m/m)0.0617×+×) =k N0.0428×+×)k N××2=-16k N ××2=-21k N(mm)板宽度b(mm)板厚度h(mm)混凝土保护层kN.m M f cm bh 02ξf cm bh 0f y(mm 2)选配钢满足Ф@200布设计要求钢筋截面As′ =251.5A S ==230.6(mm 2)Mx =8.40荷载作用下的弯矩值,简支取支座反力或跨中最大值计算αs ==0.040满足结构安全要求若截面抵抗矩系数αs >0.426不满足结构安全要求,需要再进行纵筋、截面计算!双向板X 轴配筋计算h0=125(mm)板有效高度 h0=h-ca@167mm 1.300.0295设计要求钢筋截面As′ =1408137.5c a=15l x=5.58.401.300.01892(mm)钢筋隔距满足结构安全要求荷载作用下的弯矩值,简支取支座反力或跨中最大值计算若截面抵抗矩系数αs >0.426不满足结构安全要求,需要再进行纵筋、截面计算!10ФФ85.50My 支 =系数(4)plx 2=Mx 支 =系数(4)plx 2 =双向板截面尺寸6.9h=140b=1000My =系数(4)p″l x 2+系数(1)p′l x 2 =(Mx =系数(4)p″l x 2+系数(1)p′l x 2 =选配 Ф2 =0Ф8αs ==0.090A S ==528.8支座配筋计算Mx 支 =-0.0559(mm 2)0.807.990-0.066426.69 5.5006.69 5.50027.9906.905.5118.90471不满足要求kN.m M f cm bh 02ξf cm bh 0f y(mm 2)选配钢筋截面Ф@200布选配 Ф1 =5Ф8(mm)钢筋隔距8@200mm kN.m M f cm bh 02ξf cm bh 0f y(mm 2)选配钢筋截面Ф@167布选配 Ф1 =6Ф10(mm)钢筋隔距10@167mm kN.m M f cm bh 02ξf cm bh 0f y(mm 2)选配钢筋截面Ф@200布选配 Ф1 =5Ф12(mm)钢筋隔距12@200mm 3. 5 板lxly二边嵌固计算跨度:m 板厚m mm mly =mlx/ly =167mm ФФ10@200mm 设计要求钢筋截面荷载作用下的弯矩值,简支取支座反力或跨中最大值计算ФФ8@200mm Ф8@200mm8若截面抵抗矩系数αs >0.426不满足结构安全要求,需要再进行纵筋、截面计算!As′ =251.5选配 Ф2 =0Ф8(mm)钢筋隔距αs ==0.026满足结构安全要求A S ==146.3(mm 2)双向板Y 轴配筋计算My =5.51荷载作用下的弯矩值,简支取支座反力或跨中最大值计算(mm)钢筋隔距选配 Ф2 =0Ф8137.51405.50.80l x=若截面抵抗矩系数αs >0.426不满足结构安全要求,需要再进行纵筋、截面计算!A S ==444.4(mm 2)设计要求钢筋截面αs ==8471满足要求(mm)钢筋隔距ФФ8@0.076满足结构安全要求X 向支座配筋计算荷载作用下的弯矩值,简支取支座反力或跨中最大值计算As′ =Mx 支 =16.05My 支 =21.26Ф选配 Ф2 =0满足要求设计要求钢筋截面αs ==0.101满足结构安全要求Y向支座配筋计算12不满足要求A S ==601.9(mm 2)选配 Ф2 =0Ф10As′ =565.5(mm)钢筋隔距6.9若截面抵抗矩系数αs >0.426不满足结构安全要求,需要再进行纵筋、截面计算!10=k N0.0428×+×)×2k N××2=-21k N ××2=-18k N(mm)板宽度b(mm)板厚度h(mm)混凝土保护层kN.m M f cm bh 02ξf cm bh 0f y(mm 2)选配钢筋截面Ф@167布选配 Ф1 =6Ф8(mm)钢筋隔距8@167mm kN.m M f cm bh 02ξf cm bh 0f y(mm 2)选配钢筋截面Ф@200布选配 Ф1 =5Ф8(mm)钢筋隔距8@200mm kN.m M f cm bh 02mm Ф200mm Mx 支 =21.34 5.500(mm)钢筋隔距Ф8@As′ =251.5选配 Ф2 =0Ф8若截面抵抗矩系数αs >0.426不满足结构安全要求,需要再进行纵筋、截面计算!A S ==185.6(mm 2)设计要求钢筋截面αs ==0.033Ф8@167双向板Y 轴配筋计算My =7.01荷载作用下的弯矩值,简支取支座反力或跨中最大值计算选配 Ф2 =0281.3(mm 2)8设计要求钢筋截面(mm)钢筋隔距Ф125(mm)荷载作用下的弯矩值,简支取支座反力或跨中最大值计算αs ==0.049满足结构安全要求若截面抵抗矩系数αs >0.426不满足结构安全要求,需要再进行纵筋、截面计算!A S ==c a=15双向板X 轴配筋计算h0=10.32My =系数(5)p″l x 2+系数(1)p′l x 2=(Mx =10.32As′ =301.8Ф满足要求5.526.6985.508荷载作用下的弯矩值,简支取支座反力或跨中最大值计算若截面抵抗矩系数αs >0.426不满足结构安全要求,需要再进行纵筋、截面计算!1407.011.300.026337.990满足要求板有效高度 h0=h-ca7.9905.50My 支 =系数(4)plx 2 =-0.07481000b=h=满足结构安全要求Mx 支 =系数(4)plx 2=-0.0883满足结构安全要求X 向支座配筋计算双向板截面尺寸αs ==0.101(mm 2)选配钢筋截面Ф@167布选配 Ф1 =6Ф12(mm)钢筋隔距12@167mm kN.m M f cm bh 02ξf cm bh 0f y(mm 2)选配钢筋截面Ф@167布选配 Ф1 =6Ф10(mm)钢筋隔距10@167mm 3. 6 板lx一边ly二边三边嵌计算跨度:m 板厚m mm mly =mlx/ly =单位板宽弯矩(KN·m/m)0.0617×+×) =k N0.0428×+×)k N××2=-17k N ××2=-14k N(mm)板宽度b(mm)板厚度h(mm)混凝土保护层kN.m M f cm bh 020.01757Ф10@167mm mmФ 6.69 5.5005.50 5.5000.0331(mm)钢筋隔距5.5双向板截面尺寸15125140h0=25.246.9My =系数(6)p″l x 2+系数(1)p′l x 2 =(1.301.309.12Mx =系数(6)p″l x 2+系数(1)p′l x 2 =0.80137.5140荷载作用下的弯矩值,简支取支座反力或跨中最大值计算0.043满足结构安全要求若截面抵抗矩系数αs >0.426不满足结构安全要求,需要再进行纵筋、截面计算!=9.12c a=(mm)板有效高度 h0=h-ca双向板X 轴配筋计算Mx =αs =1000b=h=26.69设计要求钢筋截面As′ =678.6Ф8@1678Y向支座配筋计算选配 Ф2 =0Ф12满足要求(mm)钢筋隔距ФMy 支 =18.08荷载作用下的弯矩值,简支取支座反力或跨中最大值计算αs ==0.086满足结构安全要求若截面抵抗矩系数αs >0.426不满足结构安全要求,需要再进行纵筋、截面计算!As′ =47110不满足要求A S ==506.3(mm 2)Mx 支 =系数(4)plx 2 =-0.07227.9905.50选配 Ф2 =0Ф10l x=My 支 =系数(4)plx 2=-0.05707.990(mm 2)选配钢筋截面Ф@200布选配 Ф1 =5Ф8(mm)钢筋隔距8@200mm kN.m M f cm bh 02ξf cm bh 0f y(mm 2)选配钢筋截面Ф@200布选配 Ф1 =5Ф8(mm)钢筋隔距8@200mm kN.m M f cm bh 02ξf cm bh 0f y(mm 2)选配钢筋截面Ф@167布选配 Ф1 =6Ф10(mm)钢筋隔距10@167mm mm kN.m M f cm bh 02ξf cm bh 0f y(mm 2)选配钢筋截面Ф@200布选配 Ф1 =5Ф10(mm)钢筋隔距10@200mm 0@200mm ФФ8@Ф8@200mmФ8若截面抵抗矩系数αs >0.426不满足结构安全要求,需要再进行纵筋、截面计算!αs ==0.083双向板Y 轴配筋计算As′ =251.5选配 Ф2 =0Ф满足结构安全要求钢筋隔距As′ ==A S =140.6251.5(mm)0Ф设计要求钢筋截面荷载作用下的弯矩值,简支取支座反力或跨中最大值计算8选配 Ф2 = 5.248=My =αs =若截面抵抗矩系数αs >0.426不满足结构安全要求,需要再进行纵筋、截面计算!满足结构安全要求(mm 2)(mm)钢筋隔距0.025ФФ(mm 2)X 向支座配筋计算Mx 支 =17.45荷载作用下的弯矩值,简支取支座反力或跨中最大值计算满足要求满足要求设计要求钢筋截面As′ =471不满足要求10A S ==489.4(mm)钢筋隔距Y向支座配筋计算选配 Ф2 =0Ф8167My 支 =13.78荷载作用下的弯矩值,简支取支座反力或跨中最大值计算αs ==0.065满足结构安全要求若截面抵抗矩系数αs >0.426不满足结构安全要求,需要再进行纵筋、截面计算!设计要求钢筋截面As′ =392.510A S ==376.9(mm 2)选配 Ф2 =0Ф10(mm)钢筋隔距满足要求ФФ10@200mm。
1、某宿舍的内廊为现浇简支在砖墙上的钢混凝土平板(例图4-1a ),板上作用的均布活荷载标准值为q k =2kN/m 。
水磨石地面及细石混凝土垫层共30mm 厚(重力密度为22kN/m 3),板底粉刷白灰砂浆12mm 厚(重力密度为17kN/m 3)。
混凝土强度等级选用C15,纵向受拉钢筋采用HPB235热轧钢筋。
试确定板厚度和受拉钢筋截面面积。
例图4-1(a)、(b)、(c)[解] 1. 截面尺寸内廊虽然很长,但板的厚度和板上的荷载都相等,因此只需计算单位宽度板带的配筋,其余板带均按此板带配筋。
取出1m 宽板带计算,取板厚h =80mm (例图4-1b ),一般板的保护层厚15mm ,取a s =20mm ,则h 0=h-a s =80-20=60mm. 2.计算跨度单跨板的计算跨度等于板的净跨加板的厚度。
因此有l 0=l n +h =2260+80=2340mm3.荷载设计值恒载标准值:水磨石地面0.03×22=0.66kN/m钢筋混凝土板自重(重力密度为25kN/m3)0.08×25=2.0kN/m白灰砂浆粉刷0.012×17=0.204kN/mg=0.66+2.0+0.204=2.864kN/mk活荷载标准值:q k=2.0kN/m恒载设计值:活荷载设计值:4.弯矩设计值M(例图4-1c)5.钢筋、混凝土强度设计值由附表和表4-2查得:C15砼:HPB235钢筋:6.求x及A s值由式(4-9a)和式(4-8)得:7.验算适用条件8.选用钢筋及绘配筋图选用φ8@130mm(A s=387mm2),配筋见例图4-1d。
例图4-1d冷轧带肋钢筋是采用普通低碳钢筋或普通低合金钢筋为原材料加工而成的一种新型高效钢筋。
由于它强度高,可以节约许多钢材,加之其直径细、表面带肋、与混凝土的粘结锚固效果特别好,因此在国外得到广泛的应用。
我国自80年代中期将其引入后,经过近十年的努力,已经编制了国家标准《冷轧带肋钢筋》GB13788-92和行业标准《冷轧带肋钢筋混凝土结构技术规程》JGJ95-95。
国家科委和建设部曾相继下文,要求大力推广采用冷轧带肋钢筋。
本例如果改用经调直的550级冷轧带肋钢筋配筋时:选用φ6@125mm(A s=226mm2)即是说,将采用HPB235钢筋配筋改为采用550级的冷轧带肋钢筋配筋以后,可以节省41.6%的受力钢筋用钢量,这个数字是十分可观的。
2、某教学楼中的一矩形截面钢筋混凝土简支梁,计算跨度l0=6.0mm,板传来的永久荷载及梁的自重标准值为g k=15.6kN/mm,板传来的楼面活荷载标准值q k=10.7kN/m,梁的截面尺寸为200mm×500mm(例图4-2),混凝土的强度等级为C20,钢筋为HRB335钢筋。
试求纵向受力钢筋所需面积。
[解]1.内力计算永久荷载的分项系数为1.2,楼面活荷载的分项系数为1.4,结构的重要性系数为1.0,因此,梁的跨中截面的最大弯矩设计值为:2.配筋计算由附表和表4-2查得当混凝土的强度等级为C20时,f c=9.6N/mm2,,由附表3查得HRB335钢筋的f y=300N/mm2。
先假定受力钢筋按一排布置,则联立求解上述二式,得x=223.65mm,A s=1431mm23.适用条件验算(1)验算条件式(4-10)本例中的配筋率为(2)验算条件式(4-11)由表4-4查得,而本题实际的相对受压区高度为:因此,两项适用条件均能满足,可以根据计算结果选用钢筋的直径和根数。
选择钢筋的直径和根数时,希望选用的钢筋截面面积尽可能接近计算截面面积,力争使误差保持在±5%以内,所选的钢筋直径和根数还应满足构造上的有关规定。
本例选用三根直径为25mm的HRB335钢筋,记作3 25,一排配置,实际的配筋截面面积A s=1473mm2,满足计算时钢筋设计强度取值和截面有效高度的假定,配筋面积符合计算要求。
例图4-23、某宿舍一预制钢筋混凝土走道板,计算跨长l0=1820mm,板宽500mm,板厚60mm,混凝土的强度等级为C15,受拉区配有4根直径为6mm的HPB235钢筋,当使用荷载及板自重在跨中产生的弯矩最大设计值为M=910000N·mm时,试验算该截面的承载力是否足够?[解]1.求x由附表和表4-2查得由式(4-8)求得受压区计算高度为2.求M u3.判别截面承载力是否满足(满足)某实验室一楼面梁的尺寸为250mm×500mm,跨中最大弯矩设计值为M=180000N·m,采用强度等级C30的混凝土和HRB400级钢筋配筋,求所需纵向受力钢筋的面积。
[解]1.利用参考资料中的计算用表1求A s先假定受力钢筋按一排布置,则h=h-35=500-35=465mm查附表4-1和表4-2得由式(4-22)得由计算用表1查得相应的值为所需纵向受拉钢筋面积为选用4 20(A s=1256mm2),一排可以布置得下,因此不必修改h0重新计算A s值。
2.利用参考资料中的计算用表2求A s根据上面求得查计算用表2得由式(4-25)可求出所需纵向受力钢筋的截面面积为:计算结果与利用计算用表1的完全相同,因此以后只需要选用其中的一个表格进行计算便可以。
由本例可看出,利用表格进行计算,比利用静力平衡公式计算要简便得多。
某处于一般环境下的中型桥桥面梁,截面尺寸b×h=250mm×500mm,跨中最大弯矩设计值M d=1.8×108N·mm,采用强度等级C30的混凝土和HRB400钢筋配筋,求所需纵向受力钢筋的面积。
[解]假定受力钢筋按一排布置,混凝土保护层厚30mm,则h=h-40=500-40=460mm由表查得f cd=13.8N/mm2,f sd=330N/mm2,,=1.0,则所需纵向受力钢筋面积为:选用2 20+2 22(A s=1388mm2)。
(例图4-8)例图4-8某库房一楼面大梁截面尺寸b×h=250mm×600mm,混凝土的强度等级为C20,用HPB235钢筋配筋,截面承受的弯矩设计值M=4.0×108N·mm,当上述基本条件不能改变时,求截面所需受力钢筋截面面积。
[解]1.判别是否需要设计成双筋截面查附表和表4-2得;f y=f y=210N/mm2;查表4-4和表4-6得b=250mm,h=600-70=530mm(两排布置)。
单筋矩形截面能够承受的最大弯矩为:因此应将截面设计成双筋矩形截面。
2.计算所需受拉和受压纵向受力钢筋截面面积设受压钢筋按一排布置,则a’s=40mm。
由式(4-34)得:由式(4-35)得:钢筋的选用情况为:受拉钢筋8受压钢筋4截面的配筋情况如例图4-3所示。
例图4-3一基本情况与例4-4相同的梁,但M=2.0×108N·m受压区预先已经配好HRB335级受压钢筋2 20(A's=628mm2),求截面所需配置的受拉钢筋截面面积A s。
[解]1.求受压区高度x假定受拉钢筋和受压钢筋按一排布置,则a s=a's=35mm,h=h-a s=500-35=465mm。
由式(4-36)求得受压区的高度x为:且2.计算截面需配置的受拉钢筋截面面积由式(4-37)求得受拉钢筋的截面面积A s为:选用3 25(A s=1473mm2),截面配筋情况如例图4-4所示。
例图4-4已知一T形截面梁截面尺寸b'f=600mm、h'f=120mm、b=250mm、h=650mm,混凝土强度等级C20,采用HRB335钢筋,梁所承受的弯矩设计值M=426 kN·m。
试求所需受拉钢筋截面面积A s。
[解]1.已知条件混凝土强度等级C20, ;HRB335级钢筋,。
考虑布置两排钢筋,a s=70mm ,h0=h-a s=650-70=580mm。
2.判别截面类型属第二类T形截面。
3.计算x取式(4-52)中M=M u,由式(4-52)得4.计算A s将x代入式(4-51)得5.选用钢筋及绘配筋图选用2 22+4 25(A s=2724mm2),配筋见例图4-5。
例图4-5已知一T形截面梁(例图4-6)的截面尺寸h=700mm、b=250mm、h'=100mm、b'f=600mm,截面配有受拉钢筋822(A s=3041mm2),混凝f土强度等级C30,采用HRB400钢筋。
梁截面的最大弯矩设计值M=500kN·m。
试校核该梁是否安全?[解]1.已知条件混凝土强度等级C30,;HRB400钢筋,,,2.判别截面类型,属第二类T形截面。
3.计算x4.计算极限弯矩M u(安全)例图4-6如有侵权请联系告知删除,感谢你们的配合!。