平行检验记录表(样板)
- 格式:doc
- 大小:355.50 KB
- 文档页数:20
监理平行检查记录表格模板XXX开挖、回填工程监理平行检验记录表单位(子单位):XXX工程名称:XXX项目监理平行检验部位:桩基、基坑、基槽、管沟、地面基层施工单位自检及报验情况:施工单位于年月日完成了“自检、交接检、专检”,并自检合格。
项目监理部于年月日时收到其报验资料,经审查合格,于月日到现场进行平行检验。
现行施工质量验收规范的规定:允许偏差或允许值(mm):桩基:人工±30,机械±50基坑:±50基槽:-50管沟:-50地面基层:+200/-50监理平行检验记录:监理单位:XXX主控项目:标高、XXX开挖、回填实测值(mm):1.标高:合格2.XXX开挖:挖方场:±30地平整:±503.回填:基底土性:-50分层压实系数:设计要求土料目:设计要求分层厚度及含水量:设计要求表面平整度:-50监理平行检验结论:监理员/专业监理工程师:签字日期:年月日注:“允许偏差”栏中有数据规定的填写实测值,其余可用“√”表示合格;“×”表示不合格。
地下、屋面卷材防水层监理平行检验记录表单位(子单位):XXX工程名称:宝应县海棠苑小区(高铁安置区)#楼监理平行检验部位:卷材防水层及其转角处、变形缝、穿墙管道、屋面的天沟、檐沟、檐口、水落口、泛水和伸出屋面管道的防水构造施工单位自检及报验情况:施工单位于年月日完成了“自检、交接检、专检”,并自检合格。
项目监理部于年月日时收到其报验资料,经审查合格,于月日到现场进行平行检验。
现行施工质量验收规范的规定:1.卷材防水层所用卷材及配套材料质量必须符合设计要求。
2.卷材防水层不得有渗漏或积水现象。
3.卷材防水层及其转角处、变形缝、穿墙管道、屋面的天沟、檐沟、檐口、水落口、泛水和伸出屋面管道的防水构造,必须符合设计要求。
4.卷材防水层的基层应牢固,基面应洁净、平整,不得有空鼓、松动、起砂和脱破现象;基层阴阳角处应做圆弧形。
监理平行检查记录表(最新全套)XXX开挖、回填工程监理平行检验记录表单位(子单位)工程名称:乐清市中心区B-c5地块监理平行检验部位:桩基、基坑、基槽、挖方场、地平整、人工、机械、管、沟、地(路)面基层施工单位自检及报验情况:施工单位于年月日完成了自检、交接检、专检,并自检合格。
项目监理部于年月日时收到其报验资料,审查合格,于月日到现场进行平行检验,检验情况如下:现行施工质量验收规范的规定:允许偏差或允许值(mm):桩基:±30基坑:±50基槽:-50挖方场:1地(路)面基层:2,3开挖一般项目:主控项目1-5回填一般项目:主控项目1-5监理平行检验记录实测值:桩基、基坑、基槽、挖方场、地平整、人工、机械、管、沟、地(路)面基层的实测值均符合规定的允许偏差或允许值范围内。
监理单位平行检验结论:符合规定。
地下、屋面卷材防水层监理平行检验记录表单位(子单位)工程名称:监理平行检验部位:施工单位自检及报验情况:施工单位于年月日完成了自检、交接检、专检,并自检合格。
项目监理部于年月日时收到其报验资料,审查合格,于月日到现场进行平行检验,其检验情况如下:现行施工质量验收规范的规定:卷材防水层所用卷材及配套材料质量必须符合设计要求。
监理平行检验记录实测值:1.卷材防水层无渗漏或积水现象。
2.卷材防水层及其转角处、变形缝、穿墙管道、屋面的天沟、檐沟、檐口、水落口、泛水和伸出屋面管道的防水构造,均符合设计要求。
3.卷材防水层的基层牢固,基面洁净、平整,无空鼓、松动、起砂和脱破现象;基层阴阳角处做圆弧形。
4.卷材防水层上的搭接缝粘(焊)牢固,密封严密,无皱折、翘边和鼓泡等缺陷;防水层的收头与基层粘结并固定牢固,缝口封严,无翘边。
监理单位平行检验结论:符合规定。
卷材铺贴时,应确保方向正确,且搭接宽度的允许偏差不超过-10mm。
屋面防水中的排气通道应纵横贯通,不得出现堵塞现象。
排气管应安装牢固,位置正确,封闭严密。
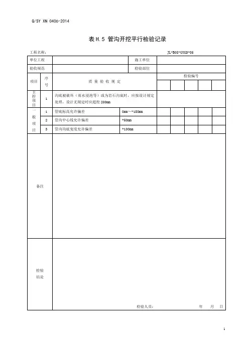
表H.5 管沟开挖平行检验记录
工程名称: JL-B08-GYGD-05 单位工程施工单位
验收规范检验部位
项目序
号
质量验收规定
检验编号
主
控项目1
沟底被破坏(雨水浸泡等)或为岩石沟底时,应按设计规定处理,设计无规定时应超挖200mm
一般项目
1 管底标高允许偏差0mm〜-150mm
2 管沟中心线允许偏差+50mm
3 管沟沟底宽度允许偏差+100mm
备注
检验
结论
检验人员:年月日
表P.8 基坑开挖平行检验记录
工程名称: JL-B08-QL-8 单位工程施工单位
验收规范检验部位
项目序
号
质量验收规定
检验编号
主
控项目1
基承载力应符合设计要求,地基的土质类别应与勘察设计基本相符,否则应报请原设计单位决定是否采取处理措施。
如有软基,应满足软土地基处理相关要求。
一
般项目
1
基坑开挖实测项
目及允许偏差
长度、宽度
mm
+500,-150
边坡符合设计要求
基础底
面高程
mm
土质±50
石质+50,-200
备注
检验
结论
检验人员: 年月日。
混凝土平行检验记录范本一、背景介绍混凝土是建筑工程中常见的建筑材料之一,用于各种结构的梁、柱、地板等的建造,其质量的稳定性和可靠性对工程的安全性至关重要。
为了确保混凝土质量的合格性,需要进行混凝土的检验和测试。
二、目的与意义混凝土平行检验是指在同一时间条件下,对同一批混凝土样品进行重复测试的方法,以验证测试结果的可靠性和准确性。
通过进行混凝土平行检验,可以评估实验错误的大小,及时发现和排除干扰因素,确保测试结果的准确可靠。
因此,混凝土平行检验对于保证混凝土质量的可靠性具有重要意义。
三、检验记录项目名称:混凝土平行检验记录日期:(填写日期)检验人员:(填写检验人员的姓名)批次号:(填写混凝土批次号)1. 检验前准备(1)检查设备和仪器的工作状态,确保仪器的精确性和可靠性。
(2)准备混凝土样品,按照相关标准和要求进行取样和制备。
2. 检验过程(1)将混凝土样品编号,并标明批次号和时间。
(2)使用同一台试验机进行试验,确保试验条件相同。
(3)依次进行混凝土抗压强度、抗拉强度等相关测试。
(4)记录测试数据,并计算平均值、标准差等统计指标。
3. 结果分析(1)计算混凝土抗压强度平均值和标准差,并与标准要求进行对比。
(2)计算混凝土抗拉强度平均值和标准差,并与标准要求进行对比。
(3)根据统计结果,评估检验的准确性和可靠性。
4. 结论在本次混凝土平行检验中,我们进行了多次测试,并计算了相应的平均值和标准差。
根据统计结果,我们可以得出以下结论:(1)本次混凝土样品的抗压强度平均值为XXXMPa,标准差为XXX;(2)本次混凝土样品的抗拉强度平均值为XXXMPa,标准差为XXX;(3)根据对比分析,本次混凝土样品的抗压强度和抗拉强度均满足相关标准要求,具备良好的质量稳定性和可靠性。
5. 建议针对本次混凝土平行检验中出现的问题和不足,我们提出以下建议:(1)在今后的检验中,要严格按照相关规范要求进行操作,确保试验条件的一致性。
附表1:××××工程监理咨询有限公司混凝土坍落度监理平行检验记录工程名称:×××××××××工程Ⅱ标段表格编号:附表2:××××工程监理咨询有限公司钢筋外观质量平行检测记录工程名称:×××××××××工程Ⅱ标段表格编号:附表3:××××工程监理咨询有限公司土方路基(路床)平行检验记录工程名称:×××××××××工程Ⅱ标段表格编号:附表4:××××工程监理咨询有限公司道路基层、底基层平行检验记录工程名称:×××××××××工程Ⅱ标段表格编号:附表5:××××工程监理咨询有限公司热拌沥青混合料面层平行检验记录工程名称:×××××××××工程Ⅱ标段表格编号:附表6:××××工程监理咨询有限公司沟槽开挖工程检验批平行检验记录工程名称:×××××××××工程Ⅱ标段表格编号:附表7:××××工程监理咨询有限公司管道铺设工程检验批平行检验记录工程名称:×××××××××工程Ⅱ标段表格编号:附表8:××××工程监理咨询有限公司混凝土灌注桩工程检验批平行检验记录工程名称:×××××××××工程Ⅱ标段表格编号:附表9:××××工程监理咨询有限公司后张法预应力管道定位平行检验记录工程名称:×××××××××工程Ⅱ标段表格编号:附表10:××××工程监理咨询有限公司桥梁支座安装平行检验记录工程名称:×××××××××工程Ⅱ标段表格编号:附表11:××××工程监理咨询有限公司人行道外观质量平行检验记录工程名称:×××××××××工程Ⅱ标段表格编号:附表12:××××工程监理咨询有限公司路缘石安砌平行检验记录工程名称:×××××××××工程Ⅱ标段表格编号:附表13:××××工程监理咨询有限公司混凝土强度回弹平行检验记录工程名称:×××××××××工程Ⅱ标段表格编号:附表14:××××工程监理咨询有限公司钢筋保护层厚度平行检测记录工程名称:×××××××××工程Ⅱ标段表格编号:附表15:××××工程监理咨询有限公司附表16:××××工程监理咨询有限公司附表17:××××工程监理咨询有限公司钢筋安装平行检查记录编号:附表18:××××工程监理咨询有限公司混凝土外观平行检查记录编号:。
涿州市博物馆工程工程监理平行检验台帐监理机构(盖章):总监理工程师(签字):年月日至年月日目录一、工程监理“平行检验”方案1、前言2、“平行检验"编制的依据3、基本规定4、“平行检验"实施的范围、程序、内容及要点二、平行检验附表1、地基与基础附表(1)钻孔灌注桩监理平行检验表(2)人工挖孔灌注桩监理平行检验表(3)静压预制桩监理平行检验表2、进场原材料附表(1)混凝土试验平行检验表(2)砂浆试验平行检验表(3)工程进场材料质量平行检验表3、结构工程附表(1)分部分项工程自检完成通知单(2)回弹法测试原始记录表(3)建筑物垂直度、标高、全高监理抽测表(4)室内标高、轴线、楼板厚度监理抽测表4、安装工程附表(1)线路绝缘电阻监理平行检验表(2)防雷接地监理平行检验表(3)室内、外给水、排水预留孔洞位置(标高、安装高度)监理平行检验记录表(4)插座监理平行检验表工程监理“平行检验" 方案一、前言:“平行检验”是施工阶段建设工程监理对工程实体进行质量控制的重要手段.监理规范中明确规定“平行检验的做法:即项目监理机构利用一定的检查或检测手段,在承包单位自检的基础上,按照一定的比例独立进行检查或检测活动。
”(GB50319-2000).《建筑工程施工质量统一标准》GB50300—2001中明确了建筑工程施工质量控制及验收必须由监理机构检查认可并得结论。
因此,监理机构必须正确运用“平行检验"这一手段做好工程质量的过程控制工作。
二、“平行检验”编制的依据:1、《建设工程监理规范》2、《建筑工程施工质量验收统一标准》3、工程建设标准强制性条文4、各分部工程质量验收规范如:《砌体工程施工质量验收规范》《混凝土结构工程施工质量验收规范》《屋面工程质量验收规范》…………………5、《住宅工程质量通病防冶导则》6、设计图纸和技术资料7、已批准的监理规划和施工组织设计三、基本规定:1、“平行检验"的实施由项目监理机构进行,依据国家现行标准、规范、设计文件对被检验项目自行作出判断的检查验收.2、开工前,监理机构应会同建设单位、施工单位制定“平行检验" 方案并明确实施的范围、程序。
土方开挖分项工程平行(píngxíng)检验记录
土方(tǔfāng)回填分项工程平行检验记录
模板分项工程(现浇结构(jiégòu)模板安装)检验批质量平行检验记录
模板分项工程(模板拆除(chāichú))检验批质量
平行检验记录
钢筋分项工程(原材料、钢筋加工)检验批质量(zhìliàng)平行检验记录
混凝土分项工程(gōngchéng)(原材料配合比设计)检验批质量
平行(píngxíng)检验记录
混凝土分项工程(混凝土施工)检验批质量(zhìli
àng)平行检验记录
现浇结构分项工程(结构施工)检验批质量(zhìli
àng)平行检验记录
砖砌体分项工程检验批质量平行(píngxíng)检验记录
水泥砂浆防水层分项工程检验(jiǎnyàn)批质量平
填充墙砌体分项工程(gōngchéng)检验批质量平行检验(jiǎnyàn)记录
内容总结。
附表1:××××工程监理咨询有限公司混凝土坍落度监理平行检验记录工程名称:×××××××××工程Ⅱ标段表格编号:附表2:××××工程监理咨询有限公司钢筋外观质量平行检测记录工程名称:×××××××××工程Ⅱ标段表格编号:附表3:××××工程监理咨询有限公司土方路基(路床)平行检验记录工程名称:×××××××××工程Ⅱ标段表格编号:附表4:××××工程监理咨询有限公司道路基层、底基层平行检验记录工程名称:×××××××××工程Ⅱ标段表格编号:附表5:××××工程监理咨询有限公司热拌沥青混合料面层平行检验记录工程名称:×××××××××工程Ⅱ标段表格编号:附表6:××××工程监理咨询有限公司沟槽开挖工程检验批平行检验记录工程名称:×××××××××工程Ⅱ标段表格编号:附表7:××××工程监理咨询有限公司管道铺设工程检验批平行检验记录工程名称:×××××××××工程Ⅱ标段表格编号:附表8:××××工程监理咨询有限公司混凝土灌注桩工程检验批平行检验记录工程名称:×××××××××工程Ⅱ标段表格编号:附表9:××××工程监理咨询有限公司后张法预应力管道定位平行检验记录工程名称:×××××××××工程Ⅱ标段表格编号:附表10:××××工程监理咨询有限公司桥梁支座安装平行检验记录工程名称:×××××××××工程Ⅱ标段表格编号:附表11:××××工程监理咨询有限公司人行道外观质量平行检验记录工程名称:×××××××××工程Ⅱ标段表格编号:附表12:××××工程监理咨询有限公司路缘石安砌平行检验记录工程名称:×××××××××工程Ⅱ标段表格编号:附表13:××××工程监理咨询有限公司混凝土强度回弹平行检验记录工程名称:×××××××××工程Ⅱ标段表格编号:附表14:××××工程监理咨询有限公司钢筋保护层厚度平行检测记录工程名称:×××××××××工程Ⅱ标段表格编号:附表15:××××工程监理咨询有限公司附表16:××××工程监理咨询有限公司附表17:××××工程监理咨询有限公司钢筋安装平行检查记录编号:附表18:××××工程监理咨询有限公司混凝土外观平行检查记录编号:。
平行检验记录表样板Prepared on 21 November 2021附表1:××××工程监理咨询有限公司混凝土坍落度监理平行检验记录工程名称:×××××××××工程Ⅱ标段表格编号:附表2:××××工程监理咨询有限公司钢筋外观质量平行检测记录工程名称:×××××××××工程Ⅱ标段表格编号:土方路基(路床)平行检验记录工程名称:×××××××××工程Ⅱ标段表格编号:道路基层、底基层平行检验记录工程名称:×××××××××工程Ⅱ标段表格编号:附表5:××××工程监理咨询有限公司热拌沥青混合料面层平行检验记录工程名称:×××××××××工程Ⅱ标段表格编号:附表6:××××工程监理咨询有限公司沟槽开挖工程检验批平行检验记录工程名称:×××××××××工程Ⅱ标段表格编号:附表7:××××工程监理咨询有限公司管道铺设工程检验批平行检验记录工程名称:×××××××××工程Ⅱ标段表格编号:附表8:××××工程监理咨询有限公司混凝土灌注桩工程检验批平行检验记录工程名称:×××××××××工程Ⅱ标段表格编号:附表9:××××工程监理咨询有限公司后张法预应力管道定位平行检验记录工程名称:×××××××××工程Ⅱ标段表格编号:附表10:××××工程监理咨询有限公司桥梁支座安装平行检验记录工程名称:×××××××××工程Ⅱ标段表格编号:附表11:××××工程监理咨询有限公司人行道外观质量平行检验记录工程名称:×××××××××工程Ⅱ标段表格编号:附表12:××××工程监理咨询有限公司路缘石安砌平行检验记录工程名称:×××××××××工程Ⅱ标段表格编号:附表13:××××工程监理咨询有限公司混凝土强度回弹平行检验记录工程名称:×××××××××工程Ⅱ标段表格编号:附表14:××××工程监理咨询有限公司钢筋保护层厚度平行检测记录工程名称:×××××××××工程Ⅱ标段表格编号:附表15:××××工程监理咨询有限公司附表16:××××工程监理咨询有限公司附表17:××××工程监理咨询有限公司钢筋安装平行检查记录编号:附表18:××××工程监理咨询有限公司混凝土外观平行检查记录编号:。
平行检查记录(测量放线)工程名称:编号:检查时间年月日检查地点检查方法检查部位检查人员检查依据《工程测量规范》(GB50026-2012),图纸检查记录测量仪器及设备为???????????????????????????????????????????????????,测量仪器与设备□是/□否已校验,承包单位测量人员为???????????? ????????检查项目实际测量误差(mm)建筑(构筑)物长度建筑(构筑)物宽度设计标高为测量示意简图:检查结论经检查□是/□否符合设计和验收规范要求处理记录注:第一次工程定位依据,要有规划部门提供的红线坐标,及绝对高程点平行检查记录(土方开挖)工程名称:编号:检查时间年月日检查地点检查方法尺量、水平仪检查部位检查人员检查依据施工图及《地基基础工程施工质量验收规范》(GB50202-2012)检查记录?????????????????????????????????????????????????????????????主控项目:检查项目允许偏差(mm)实测(mm)底标高?? -50长度(由设计中心线向两边量)允许偏宽度?差+20,-5?边坡为????? ??????,□符合/□不符合设计及验收规范要求?一般项目:?1、表面平整度:规范规定20mm,实测为?mm、mm、?mm、mm、?mm,□符合/□不符合设计要求????2、基底土质为????????????????????????????,?□符合/□不符合勘察设计要求检查结论经检查□是/□否符合设计和验收规范要求处理记录平行检查记录(土方回填)工程名称:编号:检查时间年月日检查地点检查方法尺量检查部位检查人员检查依据施工图及《地基基础工程施工质量验收规范》(GB50202-2012)? 检查记录?????????????????????????????????????????????????????????????主控项目:回填土质击实试验编号为? 。
工程名称:编号:A—检验的工程部位及检验的内容商品砼承包单位日期、天气检验手段目测、塌落度桶承包单位自检情况自检合格检查的具体项目及具体数据记录:1、各种相关资料齐全,且检测合格,检测报告编号为:配合比通知单编号:水泥检验报告编号:2、控制砼运输、浇筑及间歇的全部时间不得超过砼的初凝时间。
3、现场检查使用的商品砼符合规范和设计要求。
4、本工程考虑到施工过程中砼振捣的难度,采取了140±40mm塌落度,经现场检查符合要求。
检查发现的问题及处理结果:检查结论:经验收认定(合格/不合格)平行检验人员(签名):日期:1、“平行检验”分为“材料类、测量类、隐蔽类、实体质量类”等。
2、表中“()”内为留空时则由监理人员根据平行检验活动情况据实填写。
“()”内有不同选项时,监理人员应根据平行检验活动情况据实以打“√”选用。
工程名称:编号:A—检验的工程部位及检验的内容屋面瓦工程检验批验收承包单位日期、天气检验手段目测承包单位自检情况自检合格检查的具体项目及具体数据记录:1、平瓦及脊瓦的质量符合设计要求,质保资料齐全,已送检测中心检测合格。
2、挂瓦条(是/不是)分档均匀,铺钉平整、牢固,瓦面平整,行列整齐,搭接紧密。
3、脊瓦搭盖(是/不是)正确,间距均匀,封固严密。
4、泛水做法(是/不是)符合设计要求,顺直整齐,结合严密,无渗漏。
检查发现的问题及处理结果:检查结论:经验收认定(合格/不合格)平行检验人员(签名):日期:1、“平行检验”分为“材料类、测量类、隐蔽类、实体质量类”等。
2、表中“()”内为留空时则由监理人员根据平行检验活动情况据实填写。
“()”内有不同选项时,监理人员应根据平行检验活动情况据实以打“√”选用。
工程名称:编号:B-检验的工程部位及检验的内容定位放线验收承包单位日期、天气检验手段水准仪承包单位自检情况自检合格检查的具体项目及具体数据记录:1、经现场复核水准点的引测符合设计及规范要求,具体偏差为:2、定位轴线尺寸符合设计要求,具体偏差为:检查发现的问题及处理结果:检查结论:经验收认定(合格/不合格)平行检验人员(签名):日期:1、“平行检验”分为“材料类、测量类、隐蔽类、实体质量类”等。
附表1:××××工程监理咨询有限公司
混凝土坍落度监理平行检验记录
工程名称:×××××××××工程Ⅱ标段表格编号:
附表2:××××工程监理咨询有限公司
钢筋外观质量平行检测记录
工程名称:×××××××××工程Ⅱ标段表格编号:。
附表3:××××工程监理咨询有限公司
土方路基(路床)平行检验记录
工程名称:×××××××××工程Ⅱ标段表格编号:
附表4:××××工程监理咨询有限公司
道路基层、底基层平行检验记录
工程名称:×××××××××工程Ⅱ标段表格编号:
附表5:××××工程监理咨询有限公司
热拌沥青混合料面层平行检验记录
工程名称:×××××××××工程Ⅱ标段表格编号:
附表6:××××工程监理咨询有限公司
沟槽开挖工程检验批平行检验记录
工程名称:×××××××××工程Ⅱ标段表格编号:
附表7:××××工程监理咨询有限公司
管道铺设工程检验批平行检验记录
工程名称:×××××××××工程Ⅱ标段表格编号:
附表8:××××工程监理咨询有限公司
混凝土灌注桩工程检验批平行检验记录
工程名称:×××××××××工程Ⅱ标段表格编号:
附表9:××××工程监理咨询有限公司
后张法预应力管道定位平行检验记录
工程名称:×××××××××工程Ⅱ标段表格编号:
附表10:××××工程监理咨询有限公司
桥梁支座安装平行检验记录
工程名称:×××××××××工程Ⅱ标段表格编号:
附表11:××××工程监理咨询有限公司
人行道外观质量平行检验记录
工程名称:×××××××××工程Ⅱ标段表格编号:
附表12:××××工程监理咨询有限公司
路缘石安砌平行检验记录工程名称:×××××××××工程Ⅱ标段表格编号:
附表13:××××工程监理咨询有限公司
混凝土强度回弹平行检验记录
工程名称:×××××××××工程Ⅱ标段表格编号:
精品文档交流
钢筋保护层厚度平行检测记录
工程名称:×××××××××工程Ⅱ标段表格编号:
附表16:××××工程监理咨询有限公司
钢筋安装平行检查记录
编号:
混凝土外观平行检查记录
编号:
【下载本文档,可以自由复制内容或自由编辑修改内容,更多精彩文章,期
待你的好评和关注,我将一如既往为您服务】。