中国地质采矿概论期末试题
- 格式:doc
- 大小:979.50 KB
- 文档页数:6
采矿概论的考试题及答案一、单项选择题(每题2分,共20分)1. 采矿工程的主要目的是:A. 提取矿物资源B. 制造建筑材料C. 进行地质研究D. 保护环境答案:A2. 露天采矿和地下采矿的主要区别在于:A. 开采深度B. 开采方法C. 开采设备D. 开采成本答案:A3. 以下哪个不是采矿过程中常用的爆破材料?A. 炸药B. 雷管C. 导火线D. 混凝土答案:D4. 采矿过程中,以下哪个因素对矿石回收率影响最大?A. 矿石硬度B. 矿石品位C. 开采技术D. 矿石形状答案:C5. 以下哪个不是采矿过程中的环境保护措施?A. 废水处理B. 废石处理C. 噪音控制D. 增加开采量答案:D6. 采矿工程中,以下哪个不是矿井通风的目的?A. 提供新鲜空气B. 降低温度C. 排除有害气体D. 增加矿石产量答案:D7. 在采矿过程中,以下哪个不是矿井支护的目的?A. 保持矿井稳定B. 保护矿工安全C. 提高矿石产量D. 防止矿井坍塌答案:C8. 以下哪个不是采矿设备的主要组成部分?A. 钻机B. 破碎机C. 运输设备D. 计算机软件答案:D9. 采矿过程中,以下哪个不是矿石破碎的目的?A. 便于运输B. 便于选矿C. 提高矿石品位D. 降低开采成本答案:C10. 以下哪个不是采矿过程中的安全措施?A. 定期安全培训B. 使用个人防护装备C. 矿井监控系统D. 减少矿工人数答案:D二、多项选择题(每题3分,共15分)1. 采矿工程中,以下哪些因素会影响矿石的开采成本?A. 矿石品位B. 开采深度C. 矿石硬度D. 矿石形状答案:ABC2. 露天采矿过程中,以下哪些是常见的开采方法?A. 台阶式开采B. 坑道式开采C. 露天爆破D. 地下开采答案:AC3. 以下哪些是采矿过程中的环境保护措施?A. 废水处理B. 废石处理C. 噪音控制D. 增加开采量答案:ABC4. 采矿工程中,以下哪些是矿井通风的目的?A. 提供新鲜空气B. 降低温度C. 排除有害气体D. 增加矿石产量答案:ABC5. 在采矿过程中,以下哪些是矿井支护的目的?A. 保持矿井稳定B. 保护矿工安全C. 提高矿石产量D. 防止矿井坍塌答案:ABD三、简答题(每题10分,共30分)1. 简述采矿工程的基本流程。
《采矿工程概论》试卷(A 卷)一、填空题(每空1分,共20分)1.组成地壳的岩石很多,按照生成的原因,可将岩石分为 、 、 ,其中煤属于 。
2.矿井的五大灾害是指瓦斯、 、 、 、 等。
3.矿井瓦斯等级是根据 、 和 划分的。
4.回采工艺的五个主要工序是:、 、 、 、 。
5.按照矿车在井底车场内的运行特点,井底车场可分为 和 两大类型。
6.矿井主要通风机的工作方法有 和 两种。
二、名词解释(每题5分,共20分)1.采煤方法:2、矿井通风系统3.井底车场:4、开采水平:三、简答题(每题5分,共20分)1.简述煤的形成条件和过程。
2.简述矿井通风阻力与哪些因素有关,各有什么关系。
3.井下的通风构筑物主要有哪些,各有何作用?4、简述瓦斯爆炸的条件和预防瓦斯爆炸的措施。
得分评卷人四、应用题(共40分)1、某矿井生产系统示意图如一下(共20分)(1)请写出此示意图中巷道1、2、5、8、14、15、20、23的名称;指出上述巷道各属于哪种类型(开拓巷道、准备巷道、回采巷道)的巷道。
(14分)(2)请对照示意图写出矿井左侧工作面的运煤系统。
(6分)2、图为煤层的褶曲构造,请写出构造名称,在图上完整标出轴线位置和类别。
(共5分)3、断层知识(共8分)1)断层类型分为哪几种?(2分)2)图中(a)和(b)分别表示何种断层?(2分)3)图中(a)和(b)的断层落差分别是多少?(4分)4、下图表示立井单水平上下山式开拓布置,请用该方法绘制:立井多水平上下山式开拓布置(示2个水平) (7分)《采矿工程概论》试卷(B 卷)一、填空题(每空1分,共20分)1.炮眼的种类可以分为三种: 、 、 。
2.按巷道的作用和服务范围不同,可将矿山井巷分为:、 、 三种。
3.矿井瓦斯等级是根据 、 和 划分的 。
4.井田的开拓方式主要有 、 、 、 。
5.回采工艺的五个主要工序是:、 、 、 、 。
6.矿井主要通风机的工作方式有两种,即: 和 。
大学采矿概论考试题库大学采矿概论考试题库一、选择题1. 采矿工程的主要任务是什么?A. 提供矿产资源B. 确保矿产资源的可持续利用C. 研究矿产资源的分布规律D. 以上都是2. 以下哪个不是采矿方法的分类?A. 地下开采B. 露天开采C. 混合开采D. 水下开采3. 什么是“三下”采矿?A. 地下、水下、山下B. 地下、水下、矿下C. 地下、水下、矿下开采D. 地下、水下、矿下资源4. 采矿过程中,以下哪项不是主要的采矿设备?A. 钻机B. 装载机C. 起重机D. 挖掘机5. 以下哪个不是矿产资源开发利用的原则?A. 经济性B. 安全性C. 随意性D. 可持续性二、填空题6. 采矿工程学是研究______、______、______以及矿产资源的综合利用的科学。
7. 矿产资源的开采方式主要分为______和______两种。
8. 采矿过程中,必须严格遵守的“三大规程”是______、______和______。
9. 矿产资源的勘探方法主要包括地质勘探、______和______。
10. 矿产资源开发利用的基本原则包括经济性、安全性和______。
三、简答题11. 简述地下开采与露天开采的区别。
12. 描述矿产资源的分类及其特点。
13. 解释什么是矿产资源的综合利用及其重要性。
14. 阐述矿产资源开发过程中的环境保护措施。
15. 讨论矿产资源开发与经济发展之间的关系。
四、论述题16. 论述现代采矿技术在提高矿产资源开发效率和安全性方面的作用。
17. 分析矿产资源开发对环境可能产生的影响,并提出相应的治理措施。
18. 讨论矿产资源的可持续开发策略及其实施的重要性。
19. 阐述矿产资源开发中的法律法规及其对保护矿产资源和促进社会经济发展的作用。
20. 论述矿产资源开发中的科技创新对提高资源利用率和降低开采成本的影响。
五、案例分析题21. 假设你是一名采矿工程师,你所在的矿区即将进行一次大规模的地下开采。
采矿概论mooc期末考试一、单选题(共25题,总分值50分)1.根据开采技术的特点,把煤层厚度小于1.3m的煤层叫做()。
A.薄煤层B.厚煤层C.中厚煤层2.下列哪个选项不算化学选矿工艺()。
A.原料准备B.矿物分解C.化学精矿的制取D.矿物入库3.球形颗粒沉降末速的个别计算公式中,在紊流绕流条件下,可使用的公式是()。
A.牛顿一雷廷智公式B.斯托克斯公式C.阿连公式D.李莱公式4.磁滑轮分料板距磁滚筒中心线距离越小,入磨品位越()。
A.相等B.低C.高5.在正弦跳汰周期的第I阶段---水流上升运动前半期,水流的特征是()。
A.长而速B.长而缓C.短而缓D.短而速6.下面对两个球形颗粒在相同介质中自由沉降的沉降末速描述正确的是()。
A.若d1大,61小,则有vo1>vo2B.若d1大,61大,则有vo1<vo2C.若d1小,61大,则有vo1>vo2D.若d1小,δ1小,则有vo1<vo27.矿粒在摇床上运动时,下面哪种矿粒的偏离角β最大()。
A.重矿物粗颗粒B.轻矿物粗颗粒C.重矿物细颗粒D.轻矿物细颗粒8.对跳汰机内水流的运动特性描述错误的是()。
A.在跳汰机中水流运动包括两部分垂直升降的变速脉动水流和水平流B.活塞跳汰机中跳汰周期特性曲线即速度曲线为一条正弦函数曲线C.活塞跳汰机中水流运动的加速度曲线是--条余弦函数曲线D.跳汰室内水流运动速度u比活塞运动速度v大9.常见的选矿方法不包括()。
A.重选B.浮选C.电选D.机选10.下列对黄药的捕收作用描述不正确的是()。
A.黄药对金属硫化矿的捕收只有在有氧存在的条件下才能发生作用B.黄药可以在许多矿物表面生成双黄药C.乙黄药、丁黄药都是黄药D.物理吸附和化学反应是黄药和硫化矿的主要作用形式11.根据开采技术的特点,把煤层厚度小于1.3m的煤层叫做A.薄煤层B.厚煤层C.中厚煤层12.下面对螺旋选矿机的特点及应用描述有误的是()。
矿山地质期末考试题及答案一、选择题(每题2分,共20分)1. 什么是矿床?A. 地质构造B. 岩石C. 含有有用矿物的地质体D. 地壳的一部分答案:C2. 矿床的工业价值主要取决于什么?A. 矿石的硬度B. 矿石的类型C. 矿石的品位D. 矿石的分布范围答案:C3. 以下哪种岩石属于沉积岩?A. 花岗岩B. 页岩C. 玄武岩D. 石灰岩答案:B4. 什么是地质年代?A. 岩石形成的时间B. 地质事件的时间C. 地质作用的时间D. 地质构造的时间答案:A5. 什么是断层?A. 岩石的裂缝B. 岩石的接触面C. 岩石的断裂面D. 岩石的变形带答案:C6. 以下哪种矿物属于金属矿物?A. 石英B. 方解石C. 黄铁矿D. 云母答案:C7. 什么是矿石的品位?A. 矿石的重量B. 矿石的体积C. 矿石的有用成分含量D. 矿石的硬度答案:C8. 什么是矿体?A. 含有有用矿物的地质体B. 地表的岩石C. 地下的岩石D. 地表和地下的岩石答案:A9. 什么是地质构造?A. 岩石的分布B. 岩石的形态C. 岩石的内部结构D. 岩石的外部形态答案:C10. 什么是地质勘探?A. 地质调查B. 地质测量C. 地质研究D. 地质分析答案:A二、填空题(每空1分,共10分)11. 矿床按照其形成原因可以分为________、________、________。
答案:内生矿床、外生矿床、变质矿床12. 矿床的工业类型包括________、________、________。
答案:金属矿床、非金属矿床、能源矿床13. 岩石按成因可以分为________、________、________。
答案:岩浆岩、沉积岩、变质岩14. 矿石的品位通常用________或________来表示。
答案:百分比、克/吨15. 地质年代的划分通常依据________、________、________。
答案:地层、化石、地质事件三、简答题(每题10分,共30分)16. 简述矿床的分类及其特点。
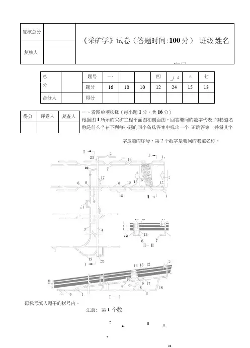
一、看图单项选择(每小题1分,共16分)根据图1所示的采矿工程平面图和剖面图,回答要问的数字代表 的巷道名称是什么?在下列每小题的四个备选答案中选出一个 正确答案,并将其字母标号填入题干的括号内。
字是题的序号,第2个数字是要问的巷道名称。
1018II211注意: 第1 个数II11722图1釆矿工程平面图和剖面图1、1—( )A、岩石运输大巷:B、0回风平巷;C、盘区石门:D、盘区石门尽头回风斜巷。
2、2—( )A、进风行人斜巷;B、m2上分层运输平巷;C、盘区冋风大巷;D、m2上分层采煤工作面。
3、3—( )A、盘区石门;B、进风斜巷;C、区段岩石轨道集中平巷;D、区段煤仓。
4、4—( )A、采煤工作面;B、回风运料斜巷;C、区段溜煤眼;D、盘区轨道上山。
5、5—( )A、g煤层采煤工作面;B、上分层回风平巷;C、无极绳绞车房;D、区段岩石轨道集中平巷。
6、6—( )A、回风运料斜巷;B、区段岩石运输集中平巷;C、千场绕道;D、g煤层冋风平巷。
7、7—( )A、ns上分层回风平巷;B. m,煤层冋风平巷;C、区段岩石轨道集中平巷;D、区段煤仓。
8> 8—( )A、区段煤仓;B、年场绕道;C. m2煤层上分层运输平巷:D、进风斜巷。
9、9—( )A、回风运料斜巷;B、区段进风斜巷;C、溜煤眼;D、材料道。
10^ 10—( )A、进风行人斜巷;B、回风运料斜巷;C、溜煤眼;D、盘区石门尽头回风斜巷。
11、11—( )A、回风运料斜巷;B、区段岩石轨道集中平巷;C、g煤层运输平巷;Dx ni|煤层回风平巷。
12、12—( )A、回风运料斜巷:B、材料道;C、进风行人斜巷;D、溜煤眼。
13> 13—( )A、区段岩石轨道集中平巷;B、材料道;C、im煤层上分层区段运输平巷;D、g煤层区段运输平巷。
14、14—( )A、im煤层上分层区段运输平巷;B、g煤层区段运输平巷;C、mi煤层区段回风平巷;D、进风斜巷。
采矿学期末试题答案一、选择题1. 采矿学中,关于矿体的描述正确的是:A. 矿体是指含有有用矿物的地质体。
B. 矿体的形状和大小是固定不变的。
C. 矿体的品位是指矿石中有用成分的含量。
D. 以上都是正确的。
答案:A2. 以下哪项不是开采方法的分类?A. 开辟式开采B. 地下开采C. 露天开采D. 溶液开采答案:A3. 露天开采的顺序通常为:A. 由内向外,由下至上B. 由外向内,由上至下C. 由内向外,由上至下D. 由外向内,由下至上答案:B4. 地下开采的主要优点是:A. 可以最大限度地回收矿产资源B. 对环境的影响较小C. 适用于大规模开采D. 成本相对较低答案:A5. 以下哪项不属于矿井通风的目的?A. 保证矿井内空气质量B. 调节矿井内的温度和湿度C. 排除矿井内的有毒气体D. 提高矿工的工作效率答案:D二、填空题1. 采矿学是研究如何经济有效地________和________矿产资源的科学。
答案:开采;利用2. 矿床是指在地壳中聚集的,具有一定规模和品位,可供开采利用的________和________的集合体。
答案:矿物;岩石3. 开采工作面的设计需要考虑的因素包括________、________和________等。
答案:安全性;生产效率;经济效益4. 矿石的品位是指单位质量矿石中含有________的比例,而矿石的储量是指预计可开采的________总量。
答案:有用成分;矿石5. 矿井安全规程中,对于井下作业的矿工,必须配备________和________等个人防护装备。
答案:安全帽;自救器三、简答题1. 简述采矿学的研究内容和意义。
采矿学主要研究矿产资源的勘探、开采、加工和利用等全过程,其意义在于指导如何以科学、经济、安全和环保的方式进行矿产资源的开发,确保资源的合理利用和可持续发展。
2. 阐述露天开采与地下开采的主要区别。
露天开采和地下开采是两种主要的开采方式。
露天开采是指在地表进行的开采活动,适用于矿体埋藏较浅、地形条件允许的情况。
一、解释下列概念(每个题2分,共20分)1.煤田答:在地质历史发展过程中,同一地质时期形成并大致连续发育的含煤岩系分布区称为煤田。
2. 井田开拓方式答:在一定的井田地质、开采技术条件下,矿井开拓巷道的布置方式称为井田开拓方式。
3. 采区答:在阶段范围内,沿煤层走向把阶段再划分为若干部分,每一部分具有相对独立的生产系统,称为采区。
4.采区下山答:采区下山是指从运输大巷由上而下开掘的为一个采区服务的倾斜巷道。
5. 矿井服务年限答:矿井从投产到报废的开采年限。
6.沿空留巷答:保留上区段的运输平巷作下区段的回风平巷,称为沿空留巷。
7.瓦斯答:瓦斯是煤炭生产过程中,从煤、岩内涌出的以沼气(甲烷)为主的各种有害气体的总称。
8.尘肺病答:煤矿职工由于在井下长期吸入大量矿尘,引起以纤维组织增生为主要特征的肺部疾病,称为尘肺病。
9.通风阻力答:井巷对空气流动所产生的全部阻力总称为矿井通风阻力。
10.综采工作面答:即综合机械化采煤工作面,指用滚筒式采煤机(常用双滚筒采煤机)或刨煤机、可弯曲刮板输送机和自移式液压支架等配套生产的工作面,它实现了破、装、运、移、支、回等工序的全部机械化。
二、填空题(每个空1分,共20分)1.自然界的岩石按其成岩过程的不同,可分为1、2和_3三大类。
答:火成岩、沉积岩、变质岩9.煤矿井下4、5、6、7和8合称为五大自然灾害。
答:水、火、瓦斯、煤尘、顶板4.巷道掘进通风方式有9式、10式、11式三种。
一般可采用12式。
如巷道太长,一台局扇满足不了通风要求时,可采用13式通风。
答:压入式,抽出式,混合式,压入式,混合式。
6.根据顶板岩层和煤层的相对位置、顶板岩层垮落的难易程度及其对采煤的影响,可将煤层的顶板分为14、15和16三种。
答:伪顶、直接顶、老顶7.采煤工艺是指在采煤工作面内进行的17、18、19、20、支护和采空区处理等工序进行的方式及其相互配合关系。
答:破煤、装煤、运煤、移输送机三、判断题(每题1分,共10分)在正确的叙述前面画上“√”,在不正确的叙述前面画上“Х”(√)1. 矿井服务年限是指矿井从投产到报废的开采年限。
地矿考试题及答案一、单项选择题(每题2分,共20分)1. 地壳中含量最多的元素是:A. 氧B. 硅C. 铝D. 铁答案:A2. 地壳中含量最多的矿物是:A. 石英B. 长石C. 云母D. 方解石答案:B3. 地壳中含量最多的岩石类型是:A. 火成岩B. 沉积岩C. 变质岩D. 玄武岩答案:B4. 地壳中最常见的变质岩是:A. 大理岩B. 片麻岩C. 片岩D. 板岩答案:D5. 地壳中最常见的沉积岩是:A. 石灰岩B. 砂岩C. 页岩D. 花岗岩答案:A6. 地壳中最常见的火成岩是:A. 玄武岩B. 花岗岩C. 辉绿岩D. 流纹岩答案:B7. 地壳中最常见的沉积环境是:A. 河流B. 湖泊C. 海洋D. 沙漠答案:C8. 地壳中最常见的火成活动是:A. 火山喷发B. 岩浆侵入C. 地壳抬升D. 地壳下沉答案:A9. 地壳中最常见的变质作用是:A. 接触变质B. 区域变质C. 动力变质D. 热液变质答案:B10. 地壳中最常见的地壳运动是:A. 板块俯冲B. 板块漂移C. 地壳抬升D. 地壳下沉答案:B二、多项选择题(每题3分,共15分)1. 地壳中含量最多的三种元素是:A. 氧B. 硅C. 铝D. 铁E. 钙答案:A, B, C2. 地壳中常见的沉积岩类型包括:A. 石灰岩B. 砂岩C. 页岩D. 花岗岩E. 玄武岩答案:A, B, C3. 地壳中常见的变质岩类型包括:A. 大理岩B. 片麻岩C. 片岩D. 板岩E. 辉绿岩答案:A, B, C, D4. 地壳中常见的火成岩类型包括:A. 玄武岩B. 花岗岩C. 辉绿岩D. 流纹岩E. 石灰岩答案:A, B, C, D5. 地壳中常见的地壳运动类型包括:A. 板块俯冲B. 板块漂移C. 地壳抬升D. 地壳下沉E. 地震答案:A, B, C, D三、填空题(每题2分,共20分)1. 地壳中含量最多的元素是______。
答案:氧2. 地壳中含量最多的矿物是______。
《采矿概论A》试卷(答题时间:100分钟)专业年级:姓名:学号:成绩:一、单项选择题(每小题1分,共15分)(下列每小题的四个备选答案中选出一个正确的答案,并将其字母标号写在题干的括内)1. 按能源开采和制取的方式划分,下列属于二次能源的是( A )。
A. 煤气B. 煤C. 石油D. 天然气2. 下列常见岩石中,属于沉积岩的是( C )。
A. 玄武岩B. 花岗岩C. 煤D. 橄榄岩3. 在煤炭储量分类表内,下列属于可采储量的是( B )。
A. A+B+C+D级储量B. A+B级储量C. A+B+D级储量D. A+B+C级储量4. 在我国,矿井设计年生产能力大于( C )的井型即属于大型矿井。
A. 45万t/aB. 60万t/aC. 90万t/aD. 120万t/a5. 下列各类巷道中属于准备巷道的是( D )。
A. 运输平巷B. 运输大巷C. 回风大巷D. 采区下山6. 《规程》规定:薄煤层采区的工作面采出率不小于( B )。
A. 99%B. 97%C. 95%D. 93%7. 煤矿矿井服务年限较长的开拓巷道的支护方式一般为( D )A. 砌碹B. 锚网或可伸缩金属支架C. 木抬棚D. 锚喷或混凝土支架8. 《煤矿设计规范》规定,双翼采区的走向长度,采用普通机械化采煤时,一般为( B )。
01002采矿概论A第1 页(共8 页)A. 500~1000 mB. 1000~1500mC. 1500~2000mD. 2000~2500m9. 按目前的机械化设备条件,倾斜长壁采煤法主要适用倾角在( C )以下的煤层。
A. 8°B. 9°C. 12°D. 15°10. 若老顶压力显现程度强烈,则该老顶的等级为( A )级。
A. ⅢB. ⅡC. ⅠD. Ⅳ11. 矿尘按其存在状态可分为( C )和浮尘。
A. 岩尘B. 煤尘C. 落尘D. 全尘12. 矿井涌水按其来源可分为地面水和地下水两类,下列全属地下水源的一项是( B )。
矿业工程概论期末考试试题及答案一、选择题(每题2分,共20分)1. 矿业工程中,以下哪项不是矿床开采的基本原则?A. 安全第一B. 经济合理C. 随意开采D. 保护环境答案:C2. 以下哪个不是矿业工程中常见的矿床类型?A. 铁矿B. 煤矿C. 石油矿D. 金矿答案:C3. 矿业工程中,下列哪项不是矿床开采的主要方法?A. 露天开采B. 地下开采C. 爆破开采D. 隧道开采答案:C4. 矿业工程中,以下哪项不是矿床开采的辅助工程?A. 通风B. 排水C. 照明D. 冶炼答案:D5. 矿业工程中,以下哪项不是矿床开采的环境保护措施?A. 尾矿处理B. 噪音控制C. 土地复垦D. 随意堆放答案:D...(此处省略其他选择题)二、填空题(每空1分,共10分)1. 矿业工程中,_______是指矿床开采过程中,对矿产资源的合理利用。
答案:资源节约2. 矿业工程中,_______是指在矿床开采过程中,对作业环境进行的安全管理。
答案:安全生产3. 矿业工程中,_______是指矿床开采后,对地表或地下环境进行的修复工作。
答案:环境修复...(此处省略其他填空题)三、简答题(每题10分,共30分)1. 简述矿业工程中露天开采的优缺点。
答案:露天开采的优点包括:开采成本相对较低,作业条件较好,易于实现机械化和自动化等。
缺点包括:对地表环境破坏较大,资源利用率较低,对气候条件依赖性较强等。
2. 描述矿业工程中地下开采的基本流程。
答案:地下开采的基本流程包括:勘探、设计、开拓、采准、回采、运输、通风与排水等。
3. 阐述矿业工程中环境保护的重要性及其措施。
答案:环境保护的重要性在于保障人类生存环境的可持续性,维护生态平衡。
其措施包括:尾矿处理、废水处理、噪音控制、土地复垦、植被恢复等。
四、论述题(每题15分,共30分)1. 论述矿业工程中安全生产的重要性及其实现途径。
答案:安全生产是矿业工程中至关重要的一环,它关系到作业人员的生命安全和企业的经济效益。
中国地质大学网络教育《矿山地质》期末考试复习题及答案单选题1. 矿体产出平缓的矿床露天采矿时,其生产勘探工程的总体布置形式应为_____。
(2分)(A) 水平勘探剖面形式(B) 勘探网形式(C) 垂直剖面与水平勘探剖面组合形式参考答案:B2. 矿体越薄,产生贫化的可能性越_____。
(2分)(A) 小(B) 大(C) 不好说参考答案:B3. 三级矿量中,开拓矿量比例过大,则会造成_____。
(2分)(A) 矿山不能持续生产(B) 影响开采(C) 资金积压参考答案:C4. 边界品位_____(2分)(A) 低于尾矿品位(B) 介于尾矿品位与最低工业品位之间(C) 高于最低工业品位参考答案:B多选题5. 化学样品采集方法有_____等。
(3分)(A) 刻槽法(B) 刻线法(C) 拣块法(D) 全巷法(E) 岩心取样F.剥层法参考答案:A,B,C,D,E6. 矿床探采资料验证对比可用来研究_____等的合理性。
(3分)(A) 采矿方法(B) 勘探方法(C) 工业指标(D) 工程网度参考答案:B,C,D7. 矿石质量管理包括_____等。
(3分)(A) 矿石质量计划(B) 贫化与损失管理(C) 矿石质量均衡(D) 矿石自然类型划分参考答案:A,B,C8. 矿山专门性生产地质工作包括_____。
(3分)(A) 生产勘探(B) 取样(C) 编录(D) 储量计算(E) 环境地质调查研究参考答案:E判断题9. 矿山升级储量是矿山新增储量的一部分。
(2分)正确错误参考答案:错误解题思路:10. 价格法是确定边界品位和最低工业品位的方法之一,它的依据是既要考虑市场价格,又要考虑生产成本。
(2分)正确错误参考答案:正确解题思路:11. 矿石质量均衡的作用有助于提高选(冶)工作效率和效果,有助于充分利用矿产资源,有助于延长矿山服务年限。
(2分)正确错误参考答案:正确解题思路:12. 矿山建设阶段的地质工作,包括设计地质工作、基建地质和生产地质工作。
《采矿概论》试卷一、单项选择题(每小题1.5分,共18分)1. 按能源开采和制取的方式划分,下列属于二次能源的是(C )。
A. 煤B. 天然气C. 煤气D. 太阳能2. 下列常见岩石中,属于沉积岩的是( B )。
A. 玄武岩B. 煤C.花岗岩D. 大理岩3. 按照煤炭储量分类表的规定,下列属于高级储量的是( A )。
A. A+B级储量B. A+B+C级储量C. A+B+D级储量D. A+B+C+D级储量4. 目前,我国矿井设计年生产能力大于( C )的井型即属于大型矿井。
A. 45万t/aB. 90万t/aC. 120万t/aD. 300万t/a5. 下列各类巷道中属于开拓巷道的是( B )。
A. 区段运输平巷B. 运输大巷C. 运输上山D. 轨道下山6. 《规程》规定:薄煤层的采区采出率不小于( C )。
A. 75%B. 80%C. 85%D. 90%7. 下列哪一项不是目前煤的主要用途( C )A. 能源B. 工业原料C. 建筑材料D. 化工原料8. 《煤矿设计规范》规定,综合机械化采煤时,双翼采区的走向长度一般不小于(A )m。
A. 2000B. 1800C. 1600D. 15009. 按目前的机械化设备条件,阶段内带区式的准备方式主要应用在煤层倾角在( C )以下的煤层中。
A. 8°B. 9°C. 12°D. 15°10. 以下哪个时期没有形成煤炭( C )。
A. 泥盆纪B. 石炭纪C. 第三纪D. 二叠纪11. 煤层顶板对煤炭开采影响很大,以下哪种顶板赋存状况不可能出现( C )。
A. 老顶/直接顶B.老顶/伪顶C. 伪顶/直接顶D. 老顶12. 矿井涌水按其来源可分为地表水和地下水两类,下列全属地表水源的一项是( A )。
A. 河流、大气降水和湖泊B. 水层水、断层水和采空区水C. 大气降水、地表水和水层水D. 地表水、断层水和采空区水13. 下列措施中属于井下防治水的是( D )。
采矿考试题库及答案一、单项选择题1. 以下哪项不是露天矿开采的特点?A. 地表直接开采B. 矿体埋藏较浅C. 采用爆破方法D. 需要大量水下作业答案:D2. 矿井通风的主要目的是什么?A. 提供照明B. 排放有毒气体C. 调节井下温度D. 供给新鲜空气答案:D3. 以下哪种岩石不属于沉积岩?A. 石灰岩B. 花岗岩C. 砂岩D. 页岩答案:B二、多项选择题1. 以下哪些属于采矿过程中的安全措施?A. 定期检查设备B. 佩戴安全帽C. 禁止吸烟D. 定期进行安全培训答案:ABCD2. 以下哪些因素会影响矿井的稳定性?A. 地质构造B. 地下水位C. 矿井深度D. 矿石类型答案:ABC三、判断题1. 所有矿井都必须配备至少两名专职安全员。
答案:正确2. 在矿井中使用明火照明是安全的。
答案:错误四、填空题1. 采矿工程中,________是指在矿体上部或侧部开掘的,用于人员、材料和设备进出的通道。
答案:井筒2. 矿井通风系统的主要组成部分包括:________、________和________。
答案:主要通风机、风道、通风设施五、简答题1. 简述露天矿和地下矿的主要区别。
答案:露天矿是在地表直接开采的,矿体埋藏较浅,开采成本相对较低,而地下矿需要深入地下进行开采,矿体埋藏较深,开采成本较高。
2. 描述矿井通风系统的基本功能。
答案:矿井通风系统的基本功能是为井下工作人员提供新鲜空气,排出有毒有害气体,调节井下温度和湿度,确保矿井内环境安全,防止瓦斯积聚和爆炸等危险情况的发生。
中国地质大学22春“资源勘查工程”《矿床开采工程》期末考试高频考点版(带答案)一.综合考核(共50题)1.区分矿石与废石的临界品位是边界品位。
()A.正确B.错误参考答案:A2.螺旋式斜坡道没有缓坡段,故在同等高度内,螺旋线比折返线要短,其开拓工程量也小。
()A.正确B.错误参考答案:A3.矿体一部分赋存在地平面以上,而其下部分延伸至地平面以下;此时,上部用竖井开拓,下部用平硐开拓。
()A.正确B.错误参考答案:B4.以下关于留矿采矿法的特点描述正确的是()。
A.工人直接在矿房暴露面下留矿堆上作业B.每次采下的矿石靠自重放出1/3左右C.自上而下分层回采D.矿房回采完毕后,全部放矿参考答案:ABCDA.穿孔B.爆破C.铲装与运输D.排岩参考答案:B6.全面采矿法的工作面应沿矿体走向或者倾斜方向全面推进。
()A.正确B.错误参考答案:A7.水平或者微倾斜矿体采用全面采矿法时,按照()划分工作面,沿盘曲全宽推进。
A.阶段B.盘区C.阶段或者盘区D.阶段和盘区参考答案:B8.崩落法采矿法可以分为()。
A.单层崩落法B.分层崩落法C.分段崩落法D.阶段崩落法参考答案:ABCD9.倾斜或缓倾斜矿体(15°―45°),矿体赋存在地平面以下,矿体埋藏不深的中小型矿山,地表无过厚的表土层,可采用以下哪种开拓方法?()A.斜井开拓法B.平硐盲竖井开拓法参考答案:A10.以下不属于开拓巷道类型选择依据的是()。
A.地质条件B.矿山地形C.生产能力D.矿体赋存条件参考答案:C11.阶段崩落法的特点是,回采高度()阶段高度。
A.大于B.小于C.等于D.不一定参考答案:C12.竖井与斜井开拓在基建工程量方面关系正确的是()。
A.斜井的长度和开拓石门的长度均较长B.斜井的长度较短,开拓石门的长度较长C.斜井的长度和开拓石门的长度均较短D.斜井的长度比较长,开拓石门的长度较短参考答案:D13.当矿体赋存在地平面以下,矿体倾角大于45°,或者小于15°,而埋藏较深的矿体采用以下哪种开拓方法?()A.竖井开拓法B.平硐盲竖井开拓法C.竖井硐盲竖井开拓法D.平硐开拓法14.以下属于露天矿床开拓方法的是()。
系别:__________ 班次:____________ 姓名:___________ 学号:____________ 。
装。
订。
线。
《采矿概论》期末考试试卷(C)注意:本试卷共四大题,总分100分,考试时间120分钟。
本试卷适用于05矿山地质班级,共需印制59份。
1. 地质构造的基本类型有 、 两种。
2. 岩层产状的要素包括 、 、3. 矿山地质工作的主要内容有 、 。
4. 凿岩爆破的主要工序 、爆破 、岩石装运和 。
5. 阶段的开采顺序有 和 两种。
6. 矿床开采按 、采准和切割、 三个步骤进行。
7. 矿山地质工作的主要内容有 、 。
8. 道岔由 岔尖、基本轨、 、随轨、护轮轨、 组成。
9. 风流控制设施主要有风窗 、 、风门、 。
10. 矿井通风的方法 、抽出式 、 。
11. 地质作用12. 矿床13. 爆炸14. 矿田15. 贫化16.生产剥采比3. 冲击式凿岩的原理4. 矿用炸药应满足的要求6. 对弯曲轨道的特殊要求一、填空题:请将正确答案的编号填入答卷中的正确位置,本题共10小题,每题1分,共20分。
三、简答题:本题共5小题,每题7分,共35分。
二、名词解释:本题共6小题,每题5分,共30分。
系别:__________ 班次:____________ 姓名:___________ 学号:____________ 。
装。
订。
线。
7. 主要开拓巷道位置确定的因素。
11. 矿尘的防止措施。
22. 壁式崩落采矿法的采矿工艺过程及评价。
四、论述题:本题共1小题,每题15分,共15分。
采矿学期末考试试题及答案一、选择题(每题2分,共20分)1. 采矿学中,下列哪项不是露天开采的特点?A. 规模大B. 投资少C. 效率高D. 环境影响小答案:D2. 地下开采中,常用的采矿方法有哪几种?A. 空场法B. 充填法C. 崩落法D. 所有以上答案:D3. 在采矿过程中,矿石的品位是指什么?A. 矿石的重量B. 矿石的体积C. 矿石中有用成分的含量D. 矿石的硬度答案:C4. 以下哪个不是矿井通风的目的?A. 排除有害气体B. 降低温度C. 提供照明D. 减少粉尘答案:C5. 采矿学中,下列哪项不是矿井支护的目的?A. 保持巷道稳定B. 防止水害C. 支撑岩层D. 增加矿石产量答案:D二、判断题(每题1分,共10分)6. 采矿学是一门研究如何从地下或地表开采矿产资源的科学。
(对)7. 露天开采适用于所有类型的矿床。
(错)8. 地下开采通常适用于矿床埋藏较深的情况。
(对)9. 矿石品位越高,开采价值越大。
(对)10. 矿井通风的主要目的是为了提供照明。
(错)三、简答题(每题10分,共30分)11. 简述露天开采的优缺点。
答案:优点包括开采速度快,成本较低,对环境影响相对较小。
缺点包括对地表破坏较大,适用于矿床规模较大且埋藏较浅的情况。
12. 描述地下开采的基本流程。
答案:地下开采的基本流程包括:勘探定位、设计采矿方案、开挖井筒、建立通风系统、采矿作业、矿石运输、矿井维护和关闭。
13. 解释什么是矿石的品位,以及它对采矿经济性的影响。
答案:矿石的品位是指矿石中有用成分的含量。
品位越高,矿石的经济价值越大,因为相同体积的矿石中含有更多的有用成分,从而提高开采的经济效益。
四、计算题(每题15分,共30分)14. 某矿井的年开采量为100万吨,矿石的平均品位为0.5%,求该矿井的年金属产量。
答案:年金属产量 = 年开采量× 矿石品位 = 1000000吨× 0.005 = 5000吨15. 假设某矿井的开采成本为每吨矿石50元,金属市场价格为每吨1000元,根据上题的年金属产量,计算该矿井的年利润。
一、名次解释
1.煤田答:在地质历史发展过程中,同一地质时期形成并大致连续发育的含煤岩系分布区称为煤田。
2. 井田开拓方式答:在一定的井田地质、开采技术条件下,矿井开拓巷道的布置方式称为井田开拓方式。
3. 采区答:在阶段范围内,沿煤层走向把阶段再划分为若干部分,每一部分具有相对独立的生产系统,称为采区。
4.采区下山答:采区下山是指从运输大巷由上而下开掘的为一个采区服务的倾斜巷道。
5. 矿井服务年限答:矿井从投产到报废的开采年限。
6.沿空留巷答:保留上区段的运输平巷作下区段的回风平巷,称为沿空留巷。
7.瓦斯答:瓦斯是煤炭生产过程中,从煤、岩内涌出的以沼气(甲烷)为主的各种有害气体的总称。
8.尘肺病答:煤矿职工由于在井下长期吸入大量矿尘,引起以纤维组织增生为主要特征的肺部疾病,称为尘肺病。
9.通风阻力答:井巷对空气流动所产生的全部阻力总称为矿井通风阻力。
10.综采工作面答:即综合机械化采煤工作面,指用滚筒式采煤机(常用双滚筒采煤机)或刨煤机、可弯曲刮板输送机和自移式液压支架等配套生产的工作面,它实现了破、装、运、移、支、回等工序的全部机械化。
二、填空题(每个空1分,共20分)
1.自然界的岩石按其成岩过程的不同,可分为1______、2______和_3_____三大类。
答:火成岩、沉积岩、变质岩
9.煤矿井下4________、5________、6________、7________和8________合称为五大自然灾害。
答:水、火、瓦斯、煤尘、顶板
4.巷道掘进通风方式有9________式、10________式、11_______式三种。
一般可采用12________式。
如巷道太长,一台局扇满足不了通风要求时,可采用13________式通风。
答:压入式,抽出式,混合式,压入式,混合式。
6.根据顶板岩层和煤层的相对位置、顶板岩层垮落的难易程度及其对采煤的影响,可将煤层的顶板分为14________、15________和16________三种。
答:伪顶、直接顶、老顶
7.采煤工艺是指在采煤工作面内进行的17_______、18______、19______、20________、支护和采空区处理等工序进行的方式及其相互配合关系。
答:破煤、装煤、运煤、移输送机
三、判断题(每题1分,共10分)
在正确的叙述前面画上“√”,在不正确的叙述前面画上“Х”
(√)1. 矿井服务年限是指矿井从投产到报废的开采年限。
(√)2.巷道断面必须满足运输、行人、通风和管线架设的需要。
(Х)3.从考虑井下运输角度出发,如井田内储量分布均匀,井筒沿走向方向上的合理位置,应布置在井田的左侧。
(√)4.按照破煤方法和支架形式的不同,采煤工作面可分为炮采、机采和综采
(√)5、倾斜长壁采煤法有巷道布置简单,掘进工作量少,准备时间短;生产系统简单,运输环节少等优点。
(√)6.矿井轨道运输中线路联接的道岔有单开道岔、对称道岔和渡线道岔。
三种类型。
(√)7、倾斜长壁采煤法一般适宜于倾角小于12°的煤层中,以及走向断层较少的条件下。
(Х)8.井下照明和煤电钻的用电电压为220伏。
(√)9、综采工作面使用的设备主要有:滚筒式采煤机(常用双滚筒采煤机)或刨煤机、可弯曲刮板输送机、自移式液压支架、乳化液泵站、移动变电站、转载机、可伸缩胶带输送机等。
(√)10.矿井运输与提升的任务是把煤炭和矸石从采、掘工作面运出地面;运送材料和设备;运送人员。
保证矿井运输与提升工作正常进行,是矿井完成生产任务的重要环节。
四、单项选择题(每题1分,共10分)将正确的选择填入对应的题号下面。
1.井下照明和煤电钻的用电电压为______伏。
A.380 B.220 C.127
2. 根据开采技术的需要,把煤层倾角倾角小于25°的煤层叫做
A. 倾斜煤层,
B. 缓倾斜煤层,
C. 急倾斜煤层
3.井下轨道结构由道床、轨枕和_________等组成。
A.道岔、B.钢轨、C矿车
4.综采工作面使用的设备主要有:滚筒式采煤机(常用双滚筒采煤机)或刨煤机、可弯曲刮板输送机、_______、乳化液泵站、移动变电站、转载机、可伸缩胶带输送机等。
A. 单体液压支柱,
B. 自移式液压支架,
C. 铰接顶梁
5.煤电钻主要用于在______中钻眼,也可用于f <4的软岩中钻眼。
A. 岩层,B. 煤层,C. 夹矸6.煤与瓦斯(或二氧化碳)突出矿井是在采掘过程中,发生过______次煤与瓦斯(或二氧化碳)突出的矿井。
A. 3, B.2, C. 1
7.矿井通风机的工作方法主要有抽出式;压入式和混合式三种。
我国大部份矿井主要通风机采用______工作方法。
A. 抽出式;B. 压入式;C. 混合式)
8.矿井瓦斯爆炸必须具备哪些条件一是______,二是有高温火源,三是风流中必须有足够的氧气(>12%),三者缺一都不可能产生爆炸。
A. 瓦斯本身具有爆炸性,
B. 瓦斯中具有爆炸性的物质居多,
C. 瓦斯达到一定的浓度
9、机采工作面使用的设备主要有:滚筒式采煤机(或刨煤机)、可弯曲刮板输送机、___________、乳化液泵站、移溜器等。
A. 垛式支架,B. 支撑掩护式支架,C. 单体支柱配合铰接顶梁
10. 从考虑井下运输角度出发,如井田内储量分布均匀,井筒沿走向方向上的合理位置,应布置在井田的。
A. 中央, B. 左边界, C. 左边界
五、识图与辩图(每题1分,共10分)
1、将正确的设备名称填入表中相应的图号下面。
图1 图2
图3 图
4
图5
2、将视图表示内容填入表中相应的图号下面。
图6 图7
图8 图9
图10
六、填图题(10分)在图中标出风流、运煤、运料的方向并用对应的巷道名称叙述之。
将正确的巷道名称填入表中相应的数字下面。
答案
乏风:工作面→区段回风平巷13→上部车场8→采区回风石门2
运煤:工作面→区段运输平巷10→运输机上山5→采区煤仓14→采区运输石门1。
运料:采区运输石门1→采区下部材料车场4→轨道上山5→采区上部车场8→区段回风平巷13→采煤工作面(或轨道上山5→采区中部车场9→区段回风平巷11→联络眼12→区段运输平巷10→采煤工作面)。
七、问答题(每题4分,共20分)
1.倾斜长壁采煤法的优缺点有哪些?
答:倾斜长壁采煤法的优点:巷道布置简单,掘进工作量少,准备时间短;生产系统简单,运输环节少;回采率比较高;采煤工作面连续推进长度大,工作面搬家次数少;回采巷道定向掘进,使工作面的长度几乎保持不变,避免了加装、增减自移式液压支架和拆接刮板输送机等工作。
这种巷道布置的缺点:在倾斜巷道掘进和回采时,运料比较困难;大巷装点比较多;工作面回风行为下行风;现有的采煤工作面机器设备大多是以走向长壁采煤法设计的,在倾斜长壁采煤法中使用有时需要局部加以改装。
2.煤层按照倾角是如何分类的?
答:根据开采技术的特点,把煤层按倾角大小不同,分为三类:
缓倾斜煤层:倾角小于25°;
倾斜煤层:倾角25~45°;
急倾斜煤层:倾角大于45°;
通常又把倾角在8°以下的煤层叫做近水平煤层。
3.煤尘爆炸的必要条件是什么?
答:煤尘爆炸必须具备下述几个条件:
①煤尘本身具有爆炸性。
②空气中的煤尘浓度必须在一定范围以内,遇火才能爆炸。
③具有一定温度(700~800℃)的火源。
④空气中有足够的氧气。
4.巷道掘进中掏槽眼、辅助眼、周边眼的位置和作用如何?
答:掏槽眼一般布置在工作面的中部或下部,其作用是增加自由面;
辅助眼位于掏槽眼和周边眼之间,作用是崩落岩石并进一步扩大自由面;
周边眼位于巷道的周边,作用是使巷道断面和形状基本符合要求。
5.矿井的生产环节有哪些?矿井的主要生产系统有那些?
答:矿井投产以后,其日常的主要生产环节包括采煤(回采)、掘进和运输与提升等,辅助生产环节有通风、排水、动力供应、设备材料供应和选煤等。
矿井的主要生产系统包括:井下生产井巷系统;井下生产运输提升系统;井下生产动力供应系统;井下生产通风安全系统;井下生产排水系统;地面生产系统。