镀锌钢管国标质量标准要求内容
- 格式:doc
- 大小:52.50 KB
- 文档页数:4
镀锌钢管质量标准镀锌钢管是一种常用的金属管材,具有防腐蚀、耐磨损、强度高等优点,被广泛应用于建筑、机械、化工等领域。
为了确保镀锌钢管的质量和安全性,制定了一系列的质量标准。
本文将对镀锌钢管的质量标准进行详细介绍,以便相关行业人士了解并遵守相关规定。
首先,镀锌钢管的质量标准主要包括以下几个方面,材料、外观、尺寸、化学成分、机械性能、耐腐蚀性能等。
在材料方面,镀锌钢管应选用优质碳素结构钢制造,其化学成分应符合国家标准要求。
外观方面,镀锌钢管表面应光滑平整,无氧化皮、裂纹、夹渣等缺陷。
尺寸方面,镀锌钢管的外径、壁厚、长度等尺寸应符合标准规定。
在化学成分和机械性能方面,镀锌钢管应满足国家标准规定的要求,具有一定的强度和塑性。
此外,镀锌钢管还应具有良好的耐腐蚀性能,能够在恶劣环境下长期使用而不受到腐蚀。
其次,镀锌钢管的质量标准对于生产企业和使用单位都具有重要意义。
对于生产企业来说,严格遵守质量标准可以保证产品质量稳定,提高企业的竞争力和声誉。
同时,也可以减少因产品质量问题而带来的风险和损失。
对于使用单位来说,选用符合质量标准的镀锌钢管可以保证工程质量和安全,降低维护成本,延长使用寿命。
因此,了解和遵守镀锌钢管的质量标准对于相关行业人士来说至关重要。
再次,为了确保镀锌钢管的质量,相关部门应加强对生产企业和产品的监督检查。
一方面,要求生产企业建立健全的质量管理体系,加强原材料采购和生产过程控制,确保产品符合质量标准。
另一方面,加强对市场上镀锌钢管产品的抽检和监督,严厉打击假冒伪劣产品,保护消费者的合法权益。
只有通过全社会的共同努力,才能够确保镀锌钢管的质量和安全。
总之,镀锌钢管作为一种重要的金属管材,其质量标准对于相关行业具有重要意义。
生产企业和使用单位应该充分了解和遵守相关的质量标准,确保产品质量和工程质量。
同时,相关部门也应加强对产品的监督检查,打击假冒伪劣产品,维护市场秩序。
只有通过共同的努力,才能够确保镀锌钢管的质量和安全,促进相关行业的健康发展。
镀锌钢管最新国家标准引言镀锌钢管是一种应用广泛的管道材料,其在各个领域都有重要的作用。
随着社会经济的发展和技术的进步,对镀锌钢管的具体要求越来越高。
为了保证镀锌钢管的质量和安全性能,国家制定了一系列的标准来规范镀锌钢管的生产和使用。
本文将介绍镀锌钢管的最新国家标准,并对其主要内容进行详细解读。
1. 标准编号镀锌钢管最新国家标准的编号为:GB/T XXXX-XXXX(以实际标准编号为准)。
2. 标准适用范围本标准适用于镀锌钢管的生产、质量检验、包装、运输和使用等各个环节。
3. 术语和定义本标准中涉及的术语和定义如下:•镀锌钢管:经过热镀锌或电镀锌处理的钢管。
•镀锌层:镀锌钢管表面的一层锌,用于提高钢管的防腐性能。
•焊缝:镀锌钢管的接口处所形成的焊接部位。
4. 材料和制造本标准对镀锌钢管所使用的材料和制造工艺进行了详细的要求。
其中包括以下几个方面:4.1 材料要求:对镀锌钢管所使用的基础钢管材料的化学成分、力学性能和宏观结构进行了要求。
4.2 制造工艺要求:对镀锌钢管的热镀锌和电镀锌两种工艺进行了要求,包括镀锌温度、镀锌时间、镀锌层厚度等。
5. 检验方法本标准规定了镀锌钢管的质量检验方法,包括外观检查、尺寸测量、力学性能测试和化学成分分析等。
5.1 外观检查:对镀锌钢管表面的镀锌层进行检查,包括镀锌层的均匀性、附着力、无缺陷等。
5.2 尺寸测量:对镀锌钢管的外径、壁厚和长度等进行测量,检查其尺寸是否符合标准要求。
5.3 力学性能测试:对镀锌钢管进行拉伸试验和弯曲试验,检测其力学性能是否达到标准要求。
5.4 化学成分分析:对镀锌钢管的化学成分进行分析,确保其化学成分符合标准规定。
6. 包装和运输本标准对镀锌钢管的包装和运输进行了要求,确保在运输过程中不出现损坏和变形。
7. 使用建议本标准在镀锌钢管的使用方面给出了一些建议,包括安装注意事项、使用环境要求等。
结论镀锌钢管最新国家标准对镀锌钢管的生产、质量检验、包装、运输和使用等方面进行了详细规定,确保了镀锌钢管的质量和安全性能。
镀锌钢管质量标准要求一、镀锌钢管规格、外形及重量(二)、外形及重量1、通常长度镀锌钢管的长度为6m,每批允许体重量不大于总重量5%,长度不小于2m的短尺钢管。
2、定尺长度镀锌钢管的主尺长度应在通常长度范围内其长度允许偏差为+20mm。
3、倍尺长度镀锌钢管的倍尺长度应在通常长度范围内其余长允许偏差为+20mm。
每个倍尺应留5mm-10mm的切口余量。
4、弯曲度镀锌钢管应具有使用性的直度。
5、端头形状镀锌钢管的两端应在镀锌前与钢管轴线切成直角,切口内外毛刺高度均不得大于0.5mm。
6、交货重量镀锌钢管以实际重量交货。
7、标记镀锌钢管应注明国标标准编号和尺寸及厂家名称。
二、镀锌钢管质量技术要求:1、牌号和化学成份镀锌钢管用钢的牌号和化学成分应符合GB-3092所规定的黑管用钢的牌号和化学成份。
2、制造方法黑管的制造方法(炉焊或电焊)由制造厂选择,镀锌采用热浸镀锌法。
3、交货状态镀锌钢管以不带螺纹交货。
4、螺纹及管接头(1)带螺纹交货的镀锌钢管,螺纹应在镀锌后车制。
螺纹应符合YB822的规定。
(2)钢制管接头应符合YB238的规定,可铸铁管接头应符合YB230的规定。
5、力学性能钢管镀锌前的力学性能应符合GB3092的规定。
6、镀锌层的均匀性镀锌钢管应做镀锌层均匀性的试验,钢管试样在硫酸铜溶液中连续浸渍5次不得变红。
7、冷弯曲试验公称口径不大于50mm的镀锌钢管应做冷弯曲试验。
弯曲角度为90。
,弯曲半径为外径的8倍。
试验时不带填充物,试样焊缝处应置于弯曲方向的外侧或上部。
试验后,试样上不应有裂缝及锌层剥落现象。
8、水压试验水压试验应在黑管进行,也可用涡流探伤代替水压试验。
试验压力及涡流探伤对比试样尺寸应符合国标GB3092的规定。
9、表面质量镀锌钢管的内外表面应有完整层,不得有未镀上锌的黑斑和气泡存在。
允许有不大的粗糙面和局部的锌瘤存在。
10、镀锌层重量镀锌层重量平均值应不小于500g/㎡,其中任何一个试样不得小于480g/㎡。
镀锌钢管质量标准要求图纸用料:热镀锌管:DN25~DN100,热镀锌无缝管:φ108×4,φ159×5一、镀锌钢管规格、外形及重量(一)、镀锌钢管规格必须符合下表规定:(二)、外形及重量1、通常长度镀锌钢管的长度为6m,每批允许体重量不大于总重量5%,长度不小于2m的短尺钢管。
2、定尺长度镀锌钢管的主尺长度应在通常长度范围内其长度允许偏差为+20mm。
3、倍尺长度镀锌钢管的倍尺长度应在通常长度范围内其余长允许偏差为+20mm。
每个倍尺应留5mm-10mm的切口余量。
4、弯曲度镀锌钢管应具有使用性的直度。
5、端头形状镀锌钢管的两端应在镀锌前与钢管轴线切成直角,切口内外毛刺高度均不得大于0.5mm。
6、交货重量镀锌钢管以实际重量交货。
7、标记镀锌钢管应注明国标标准编号和尺寸及厂家名称。
二、镀锌钢管质量技术要求:1、牌号和化学成份镀锌钢管用钢的牌号和化学成分应符合GB-3092所规定的黑管用钢的牌号和化学成份。
2、制造方法黑管的制造方法(炉焊或电焊)由制造厂选择,镀锌采用热浸镀锌法。
3、交货状态镀锌钢管以不带螺纹交货。
4、螺纹及管接头(1)带螺纹交货的镀锌钢管,螺纹应在镀锌后车制。
螺纹应符合YB822的规定。
(2)钢制管接头应符合YB238的规定,可铸铁管接头应符合YB230的规定。
5、力学性能钢管镀锌前的力学性能应符合GB3092的规定。
6、镀锌层的均匀性镀锌钢管应做镀锌层均匀性的试验,钢管试样在硫酸铜溶液中连续浸渍5次不得变红。
7、冷弯曲试验公称口径不大于50mm的镀锌钢管应做冷弯曲试验。
弯曲角度为90。
,弯曲半径为外径的8倍。
试验时不带填充物,试样焊缝处应置于弯曲方向的外侧或上部。
试验后,试样上不应有裂缝及锌层剥落现象。
8、水压试验水压试验应在黑管进行,也可用涡流探伤代替水压试验。
试验压力及涡流探伤对比试样尺寸应符合国标GB3092的规定。
9、表面质量镀锌钢管的内外表面应有完整层,不得有未镀上锌的黑斑和气泡存在。
镀锌钢管质量标准要求一、镀锌钢管规格、外形及重量(一)、镀锌钢管规格必须符合下表规定:(二)、外形及重量1、通常长度镀锌钢管的长度为6m,每批允许体重量不大于总重量5%,长度不小于2m的短尺钢管。
2、定尺长度镀锌钢管的主尺长度应在通常长度范围内其长度允许偏差为+20mm。
3、倍尺长度镀锌钢管的倍尺长度应在通常长度范围内其余长允许偏差为+20mm。
每个倍尺应留5mm-10mm的切口余量。
4、弯曲度镀锌钢管应具有使用性的直度。
5、端头形状镀锌钢管的两端应在镀锌前与钢管轴线切成直角,切口内外毛刺高度均不得大于0.5mm。
6、交货重量镀锌钢管以实际重量交货。
7、标记镀锌钢管应注明国标标准编号和尺寸及厂家名称。
二、镀锌钢管质量技术要求:1、牌号和化学成份镀锌钢管用钢的牌号和化学成分应符合GB-3092所规定的黑管用钢的牌号和化学成份。
2、制造方法黑管的制造方法(炉焊或电焊)由制造厂选择,镀锌采用热浸镀锌法。
3、交货状态镀锌钢管以不带螺纹交货。
4、螺纹及管接头(1)带螺纹交货的镀锌钢管,螺纹应在镀锌后车制。
螺纹应符合YB822的规定。
(2)钢制管接头应符合YB238的规定,可铸铁管接头应符合YB230的规定。
5、力学性能钢管镀锌前的力学性能应符合GB3092的规定。
6、镀锌层的均匀性镀锌钢管应做镀锌层均匀性的试验,钢管试样在硫酸铜溶液中连续浸渍5次不得变红。
7、冷弯曲试验公称口径不大于50mm的镀锌钢管应做冷弯曲试验。
弯曲角度为90。
,弯曲半径为外径的8倍。
试验时不带填充物,试样焊缝处应置于弯曲方向的外侧或上部。
试验后,试样上不应有裂缝及锌层剥落现象。
8、水压试验水压试验应在黑管进行,也可用涡流探伤代替水压试验。
试验压力及涡流探伤对比试样尺寸应符合国标GB3092的规定。
9、表面质量镀锌钢管的内外表面应有完整层,不得有未镀上锌的黑斑和气泡存在。
允许有不大的粗糙面和局部的锌瘤存在。
10、镀锌层重量镀锌层重量平均值应不小于500g/㎡,其中任何一个试样不得小于480g/㎡。
国标镀锌钢管标准
国标镀锌钢管标准包括以下方面:
1.镀锌钢管的规格和尺寸必须符合国家相关标准。
一般来说,
DN15的外径为21.3mm,DN20的外径为26.8mm,DN25的外径为33.5mm,DN32的外径为42.25mm,DN40的外径为48mm,DN50的外径为60mm等。
不同规格的镀锌钢管有不同的应用场景和用途。
2.镀锌钢管的壁厚也是必须符合国家相关标准的。
一般来说,
镀锌钢管的壁厚在2.5mm以下的,镀锌层的平均厚度应不小于70μm;壁厚在2.5mm以上的,镀锌层的平均厚度应不小于85μm。
对于加强型镀锌钢管,其壁厚应在4.0mm 以下,镀锌层的平均厚度应不小于120μm。
这些规定是为了保证镀锌钢管的质量和耐用性。
3.镀锌钢管的标记和包装也必须符合国家相关标准。
一般来
说,钢管应采用热锻印或氧化印花方式标记,包装应符合国家有关技术标准的规定,并应有产品的标识、长度、重量等信息。
标记和包装的方式和内容必须清晰、准确、易于识别和追溯。
4.镀锌钢管的质量和性能还应符合相关标准。
一般来说,合
格的镀锌钢管应具有良好的机械性能、耐腐蚀性能、连接性能和使用寿命等。
在购买和使用镀锌钢管时,应注意检
查其质量证明文件和性能指标,确保其符合相关标准和实际应用需求。
总之,国标镀锌钢管标准是保证镀锌钢管的质量、规格、性能和使用寿命的重要依据。
在生产、购买和使用镀锌钢管时,必须遵守相关标准,确保其符合国家要求和实际应用需求。
镀锌管国标1. 引言镀锌管是一种具有防腐蚀功能的钢管,其表面经过镀锌处理,能够有效地抵抗大气、土壤和水等环境中的腐蚀。
为了规范和统一镀锌管的生产和应用,各国普遍制定了相应的国家标准。
本文将介绍中国国标对镀锌管的要求和规定。
2. 国标标识中国国标标识为GB,具体涉及到镀锌管的标准有GB/T 3091、GB/T 13793、GB 50205等,下面将对这些标准进行详细介绍。
3. GB/T 3091GB/T 3091是中国国家标准中关于低压液体输送用焊接钢管的规定。
其中包括了镀锌管的技术要求、试验方法、标志、包装、运输、储存等内容。
3.1 技术要求在GB/T 3091中,对镀锌管的技术要求进行了详细的规定。
主要包括以下几个方面:•镀层质量要求:镀锌管的镀层应具有均匀、光滑、连续的特点,不得存在裂纹、脱落等缺陷。
•物理性能要求:镀锌管应具有一定的强度、延伸率和硬度,以保证其正常使用。
•尺寸要求:对镀锌管的外径、壁厚、长度等尺寸进行了规定,以保证其与配套管件的连接。
3.2 试验方法GB/T 3091中还规定了对镀锌管进行的试验方法,用于检验镀锌管的质量。
主要包括以下几个试验项目:•镀层厚度测定:通过化学分析或电量法等方法,测定镀锌管的镀层厚度,以确保其符合要求。
•物理性能试验:对镀锌管进行拉伸试验、硬度试验等,以确定其物理性能是否符合标准要求。
•外观检验:对镀锌管的外观进行检查,包括镀层的平整度、无缺陷等。
3.3 标志、包装、运输、储存GB/T 3091还对镀锌管的标志、包装、运输和储存进行了规定,以确保其质量不受损坏。
标志应清晰可见,包装应牢固可靠,运输中应防止碰撞和变形,储存时应避免湿润和化学腐蚀。
4. GB/T 13793GB/T 13793是中国国家标准中关于结构用长焊接钢管的规定,其中也包括了镀锌管的要求。
4.1 钢管材质和化学成分GB/T 13793对镀锌管的钢管材质和化学成分进行了规定,以确保其材质符合标准要求。
镀锌钢管质量标准要求图纸用料:热镀锌管:DN25~DN100,热镀锌无缝管:φ108×4,φ159×5一、镀锌钢管规格、外形及重量(一)、镀锌钢管规格必须符合下表规定:(二)、外形及重量1、通常长度镀锌钢管的长度为6m,每批允许体重量不大于总重量5%,长度不小于2m的短尺钢管。
2、定尺长度镀锌钢管的主尺长度应在通常长度范围内其长度允许偏差为+20mm。
3、倍尺长度镀锌钢管的倍尺长度应在通常长度范围内其余长允许偏差为+20mm。
每个倍尺应留5mm-10mm的切口余量。
4、弯曲度镀锌钢管应具有使用性的直度。
5、端头形状镀锌钢管的两端应在镀锌前与钢管轴线切成直角,切口内外毛刺高度均不得大于0.5mm。
6、交货重量镀锌钢管以实际重量交货。
7、标记镀锌钢管应注明国标标准编号和尺寸及厂家名称。
二、镀锌钢管质量技术要求:1、牌号和化学成份镀锌钢管用钢的牌号和化学成分应符合GB-3092所规定的黑管用钢的牌号和化学成份。
2、制造方法黑管的制造方法(炉焊或电焊)由制造厂选择,镀锌采用热浸镀锌法。
3、交货状态镀锌钢管以不带螺纹交货。
4、螺纹及管接头(1)带螺纹交货的镀锌钢管,螺纹应在镀锌后车制。
螺纹应符合YB822的规定。
(2)钢制管接头应符合YB238的规定,可铸铁管接头应符合YB230的规定。
5、力学性能钢管镀锌前的力学性能应符合GB3092的规定。
6、镀锌层的均匀性镀锌钢管应做镀锌层均匀性的试验,钢管试样在硫酸铜溶液中连续浸渍5次不得变红。
7、冷弯曲试验公称口径不大于50mm的镀锌钢管应做冷弯曲试验。
弯曲角度为90。
,弯曲半径为外径的8倍。
试验时不带填充物,试样焊缝处应置于弯曲方向的外侧或上部。
试验后,试样上不应有裂缝及锌层剥落现象。
8、水压试验水压试验应在黑管进行,也可用涡流探伤代替水压试验。
试验压力及涡流探伤对比试样尺寸应符合国标GB3092的规定。
9、表面质量镀锌钢管的内外表面应有完整层,不得有未镀上锌的黑斑和气泡存在。
镀锌钢管质量标准要求一、镀锌钢管规格、外形及重量(一)、镀锌钢管规格必须符合下表规定:DN外径(mm )普通钢管加厚钢管壁 厚壁 厚(mm )(in )外径允许偏差公称尺寸(mm )允许偏差单位重量(㎏/m )公称尺寸(mm )允许偏差单位重量(㎏/m )61/810 2.060.39 2.50.4681/413.52.250.62 2.750.73103/817.0 2.250.82 2.750.97151/221.3 2.75 1.26 3.25 1.45203/426.8 2.75 1.63 3.50 2.0125133.5 3.25 2.42 4.00 2.913211/442.3 3.25 3.13 4.00 3.784011/248.0 3.50 3.84 4.25 4.5850260.0 3.50 4.88 4.50 6.166521/275.53.756.644.507.8880388.54.008.344.759.811004114.04.0010.855.0013.441255140.04.5015.045.5018.241506165.0±.50~1%4.5012%~15%17.815.50+12%~15%21.63(二)、外形及重量1、 通常长度镀锌钢管的长度为6m,每批允许体重量不大于总重量5%,长度不小于2m的短尺钢管。
2、定尺长度镀锌钢管的主尺长度应在通常长度范围内其长度允许偏差为+20mm。
3、倍尺长度镀锌钢管的倍尺长度应在通常长度范围内其余长允许偏差为+20mm。
每个倍尺应留5mm-10mm的切口余量。
4、弯曲度镀锌钢管应具有使用性的直度。
5、端头形状镀锌钢管的两端应在镀锌前与钢管轴线切成直角,切口内外毛刺高度均不得大于0.5mm。
6、交货重量镀锌钢管以实际重量交货。
7、标记镀锌钢管应注明国标标准编号和尺寸及厂家名称。
二、镀锌钢管质量技术要求:1、牌号和化学成份镀锌钢管用钢的牌号和化学成分应符合GB-3092所规定的黑管用钢的牌号和化学成份。
镀锌钢管质量标准镀锌钢管是一种常见的建筑材料,其质量标准对于保障工程质量和安全具有重要意义。
本文将就镀锌钢管的质量标准进行详细介绍,以便各行业人士在选购和使用过程中能够做出正确的判断和决策。
首先,镀锌钢管的质量标准主要包括以下几个方面:1. 钢管的外观质量,镀锌钢管表面应光滑、无裂纹、皱褶、氧化皮和锈蚀等缺陷,镀层应均匀、光亮,无脱落现象。
2. 尺寸偏差,镀锌钢管的外径、壁厚、长度等尺寸应符合国家标准或合同规定的要求,偏差应在允许范围内。
3. 化学成分,镀锌钢管的化学成分应符合国家标准或合同规定的要求,主要包括碳含量、磷含量、硫含量等指标。
4. 机械性能,镀锌钢管的拉伸强度、屈服强度、延伸率等机械性能指标应符合国家标准或合同规定的要求。
5. 镀层质量,镀锌钢管的镀层应具有良好的附着力、耐蚀性和耐磨性,镀层厚度应符合国家标准或合同规定的要求。
在选购镀锌钢管时,应严格按照上述质量标准进行检查,确保所选产品符合要求。
同时,在使用过程中,也应注意以下几点:1. 防止碰撞和摩擦,在搬运和安装镀锌钢管时,应避免碰撞和摩擦,以免损坏镀层。
2. 避免接触酸碱物质,镀锌钢管在使用过程中应避免长时间接触酸碱物质,以免影响镀层的耐蚀性能。
3. 定期检查,定期对镀锌钢管进行外观检查和测量尺寸,发现问题及时处理,以确保使用安全。
4. 合理使用,在使用镀锌钢管时,应按照设计要求和规范要求进行合理使用,避免超载和过度使用,以免影响使用寿命。
总之,镀锌钢管的质量标准对于保障工程质量和安全至关重要。
只有严格按照标准要求选购和使用,才能确保镀锌钢管的质量和性能达到预期目标,为工程建设提供可靠保障。
希望本文所述内容对大家有所帮助,谢谢阅读!。
镀锌钢管国标1. 引言镀锌钢管是一种常见的建筑材料,其主要特点是具有防腐、耐久、高强度等优点。
作为一种国际通用的标准,镀锌钢管的国标规范了其制造、质量要求、检验方法等方面的内容,以确保产品的质量和安全性。
本文将对镀锌钢管国标进行详细介绍。
2. 镀锌钢管国标概述镀锌钢管国标是针对镀锌钢管制造和使用过程中的要求所制定的一项标准。
国标规定了镀锌钢管的材料、尺寸、工艺、质量等方面的要求,以确保其在使用过程中的性能稳定、安全可靠。
3. 镀锌钢管国标的主要内容3.1 材料要求镀锌钢管国标规定了镀锌钢管的材料要求,主要包括:•钢管的化学成分要求,包括碳含量、硅含量、锰含量等;•钢管的机械性能要求,包括抗拉强度、屈服强度、伸长率等。
3.2 尺寸和外观要求镀锌钢管国标规定了镀锌钢管的尺寸和外观要求,主要包括:•钢管的外径和壁厚要求;•镀锌层的厚度要求;•镀锌钢管的表面是否允许有缺陷(如砂眼、裂纹等);•镀锌钢管的端面是否需要切割或修整等。
3.3 工艺要求镀锌钢管国标规定了镀锌钢管的工艺要求,主要包括:•镀锌钢管的制造工艺,包括热镀锌和电镀锌两种方法;•镀锌层的质量要求,包括锌层的外观、附着力、耐蚀性等;•镀锌钢管的退火要求,包括退火处理的温度和时间等。
3.4 质量要求镀锌钢管国标规定了镀锌钢管的质量要求,主要包括:•镀锌钢管的寿命要求,包括使用年限要求;•镀锌钢管的耐压能力要求,包括内压和外压的试验要求;•镀锌钢管的耐候性要求,包括抗紫外线辐射、抗酸碱腐蚀等。
3.5 检验方法镀锌钢管国标规定了镀锌钢管的检验方法,主要包括:•镀锌钢管的化学成分检验方法;•镀锌钢管的机械性能检验方法;•镀锌钢管的镀锌层质量检验方法;•镀锌钢管的尺寸和外观检验方法。
4. 结论镀锌钢管国标规范了镀锌钢管的制造、质量要求、检验方法等方面的内容,以确保产品在使用过程中具有良好的性能和安全性。
了解并遵守国标对于保证镀锌钢管产品的品质具有重要意义,也对于推动镀锌钢管行业的发展有着积极的作用。
镀锌钢管质量标准镀锌钢管是一种常见的建筑材料,具有防腐蚀、耐磨损、强度高等优点,因此在建筑、交通、石油、化工等领域得到广泛应用。
为了保证镀锌钢管的质量,制定了一系列的质量标准,下面将对镀锌钢管质量标准进行详细介绍。
首先,镀锌钢管的材质应符合国家标准,一般采用Q195、Q215、Q235等碳素结构钢制造。
这些钢材应具有一定的机械性能和化学成分,包括抗拉强度、屈服强度、延伸率、冷弯性能等指标。
同时,钢管的表面应光滑平整,无明显的划痕、凹陷和氧化皮。
其次,镀锌钢管的镀层质量也是关键。
镀锌是将钢管表面浸泡在熔融的锌液中,形成一层锌铁合金层,能够有效防止钢管的腐蚀。
因此,镀锌层的厚度、均匀性、附着力等都是重要的质量指标。
一般来说,镀锌层的厚度应符合国家标准,均匀性应满足相关要求,附着力应达到一定的标准。
此外,镀锌钢管的外观质量也需要符合规定。
钢管表面不应有明显的锈斑、氧化皮、污渍等,焊接部位应平整牢固,不得有裂纹、夹渣等缺陷。
同时,钢管的尺寸和形状也要符合相关标准,包括直径、壁厚、弯曲度、长度公差等。
最后,镀锌钢管的包装和标识也是至关重要的。
合格的钢管应采取适当的包装方式,保护镀锌层不受损。
同时,包装上应有清晰的标识,包括生产厂家、产品型号、规格、质量等级、生产日期等信息,方便用户进行识别和验收。
总的来说,镀锌钢管的质量标准涉及材质、镀层、外观、尺寸、包装等多个方面,只有严格执行相关标准,才能保证钢管的质量,满足工程和使用的要求。
因此,在生产和采购镀锌钢管时,必须严格按照国家标准执行,确保产品质量,提高使用效果,减少安全隐患。
镀锌钢管验收标准一、引言。
镀锌钢管是一种常用的管材,广泛应用于建筑、桥梁、公路、河流等领域。
为了确保镀锌钢管的质量,需要对其进行严格的验收。
本文将介绍镀锌钢管验收标准,以便相关人员在验收过程中能够准确、全面地进行检查。
二、外观质量。
1. 表面光洁度,镀锌钢管表面应光洁平整,不得有裂纹、氧化皮、锈斑等缺陷。
2. 镀层厚度,镀锌钢管的镀层厚度应符合国家标准要求,一般应在50μm以上。
3. 钢管尺寸,应检查镀锌钢管的外径、壁厚、长度等尺寸,确保符合设计要求。
三、化学成分。
1. 镀锌层成分,验收时应对镀锌层进行化学成分分析,确保镀锌层中锌含量符合标准要求。
2. 钢管材质,对镀锌钢管的钢材成分进行化学成分分析,确保其符合相关标准。
四、力学性能。
1. 抗拉强度,进行拉伸试验,检测镀锌钢管的抗拉强度是否符合设计要求。
2. 屈服强度,进行压缩试验,检测镀锌钢管的屈服强度是否符合设计要求。
3. 冲击韧性,进行冲击试验,检测镀锌钢管的冲击韧性是否符合设计要求。
五、耐腐蚀性能。
1. 盐雾试验,进行盐雾腐蚀试验,检测镀锌钢管的耐腐蚀性能。
2. 化学腐蚀,进行化学腐蚀试验,检测镀锌钢管在不同化学介质中的耐腐蚀性能。
六、包装运输。
1. 包装完好,验收时应检查镀锌钢管的包装是否完好,防止在运输过程中发生损坏。
2. 运输标识,检查镀锌钢管的运输标识是否清晰明确,确保能够正确识别。
七、验收记录。
在进行镀锌钢管验收时,应当做好详细的验收记录,包括验收日期、验收人员、验收结果等内容,以便日后追溯。
八、结论。
镀锌钢管作为重要的管材,在使用前需要进行严格的验收,以确保其质量符合要求。
本文介绍了镀锌钢管的验收标准,希望能够对相关人员在实际操作中有所帮助。
以上就是镀锌钢管验收标准的相关内容,希望能够对大家有所帮助。
镀锌钢管国家标准镀锌钢管是一种常见的金属管材,具有防腐蚀、耐磨损等优点,广泛应用于建筑、机械、化工等领域。
为了保证镀锌钢管的质量和安全使用,国家对其制定了一系列的标准,以下将对镀锌钢管的国家标准进行详细介绍。
首先,镀锌钢管的国家标准主要包括产品分类、技术要求、检验方法、标志、包装、运输和贮存等内容。
根据不同的用途和材质,镀锌钢管被分为不同的等级和型号,其技术要求也有详细规定。
在生产过程中,需要严格按照国家标准进行生产,以确保产品质量符合要求。
其次,镀锌钢管的国家标准对其外观质量、尺寸偏差、化学成分、机械性能、压力试验、表面质量、镀层质量等方面都有详细规定。
其中,镀锌层的质量是关键指标之一,国家标准对镀锌层的厚度、附着力、表面状态等都有严格要求,以保证镀锌钢管的防腐蚀性能。
此外,镀锌钢管的国家标准还规定了对产品的检验方法,包括外观检查、尺寸测量、化学成分分析、机械性能测试、压力试验等内容。
这些检验方法旨在确保产品质量稳定可靠,符合用户的要求和标准规定。
在标志、包装、运输和贮存方面,国家标准也有相应的规定,以保证产品在生产、运输和使用过程中不受损坏,保持良好的状态。
总的来说,镀锌钢管的国家标准对产品的各个方面都有详细规定,旨在保证产品质量和安全使用。
生产企业应严格按照国家标准进行生产,加强质量管理,确保产品符合标准要求。
用户在选用镀锌钢管时,也应注意选择符合国家标准的产品,以保证工程质量和安全使用。
通过对镀锌钢管国家标准的了解和遵守,可以有效提高产品质量,保障用户的利益,促进行业的健康发展。
希望生产企业和用户能够共同遵守国家标准,共同推动镀锌钢管行业的发展和进步。
镀锌钢管验收标准镀锌钢管是一种常用的建筑材料,具有防腐、耐磨、耐腐蚀的特点,因此在工程建设中得到了广泛的应用。
为了确保镀锌钢管的质量,需要对其进行严格的验收。
以下是镀锌钢管验收标准的相关内容,供大家参考。
一、外观质量。
1. 镀锌钢管表面不得有明显的氧化、锈蚀、破损等情况,应保持光滑、平整。
2. 镀锌层应均匀、牢固,不得有起泡、剥落等现象。
3. 镀锌钢管的外径、壁厚应符合设计要求,不得存在明显的偏差。
二、尺寸偏差。
1. 镀锌钢管的长度允许偏差应符合国家标准,不得超出规定范围。
2. 镀锌钢管的外径、壁厚偏差应符合设计要求,不得影响使用。
三、化学成分。
1. 镀锌钢管的化学成分应符合国家标准,不得存在超出范围的元素含量。
2. 镀锌层的成分应符合要求,不得存在异常情况。
四、力学性能。
1. 镀锌钢管的抗拉强度、屈服强度、伸长率等力学性能应符合设计要求。
2. 镀锌层的硬度、附着力等性能应符合要求,不得影响使用寿命。
五、包装运输。
1. 镀锌钢管在包装运输过程中不得有明显的挤压、变形等情况,包装应完好无损。
2. 镀锌钢管的运输过程中应注意防止受潮、受阳光直射等情况,以免影响质量。
六、验收记录。
1. 对每批镀锌钢管进行验收时,应制作详细的验收记录,包括外观质量、尺寸偏差、化学成分、力学性能等内容。
2. 验收记录应由验收人员签字确认,以便后续的跟踪和追溯。
七、质量证明。
1. 镀锌钢管的质量证明文件应齐全,包括出厂合格证、质量检测报告等。
2. 质量证明文件应与实际产品相符,不得存在造假等情况。
通过以上的镀锌钢管验收标准,我们可以对镀锌钢管的质量进行严格的把关,确保其在工程建设中发挥应有的作用。
希望各位在验收过程中严格按照标准操作,以确保工程质量和安全。
镀锌管质量要求及技术标准
镀锌管是一种常用的钢管,表面经过镀锌处理,具有较好的耐腐蚀性能和美观性,广泛应用于建筑、化工、石油、制药等领域。
以下是镀锌管的质量要求和技术标准:
1. 外观质量:表面应平整、无裂纹、麻点、氧化皮、油污等缺陷,内外表面应一致。
2. 化学成分:应符合国家标准或行业标准的要求,如GB/T 3091-2015《冷拔无缝钢管》、GB/T 9711.1-1997《焊接钢管》等。
3. 力学性能:应符合国家标准或行业标准的要求,如GB/T 3091-2015、GB/T 9711.1-1997等。
4. 镀层质量:应符合国家标准或行业标准的要求,如GB/T 3091-2015、GB/T 9711.1-1997等。
5. 尺寸偏差:应符合国家标准或行业标准的要求,如GB/T 3091-2015、GB/T 9711.1-1997等。
6. 物理性能:应符合国家标准或行业标准的要求,如GB/T 3091-2015、GB/T 9711.1-1997等。
7. 其他指标:应符合国家标准或行业标准的要求,如GB/T 3091-2015、GB/T 9711.1-1997等。
以上是镀锌管的一些主要质量要求和技术标准,不同的应用领域和客户需求可能会有不同的要求。
在生产和使用镀
锌管时,需要遵守相关的法律法规和安全规定,确保产品的质量和安全性。
镀锌钢管最新国家标准首先,镀锌钢管的最新国家标准主要包括以下几个方面,材料要求、化学成分、机械性能、尺寸和外观、试验方法、检验规则等。
在材料要求方面,国家标准对镀锌钢管的材料进行了严格规定,要求其应采用优质碳素结构钢制造,并且在镀锌工艺上符合相关要求。
化学成分和机械性能是评价镀锌钢管质量的重要指标,国家标准对其进行了详细的规定和测试方法,以确保镀锌钢管具有良好的化学成分和机械性能。
此外,尺寸和外观、试验方法、检验规则等方面的标准也都有详细的规定,以保证镀锌钢管的质量符合国家标准。
其次,镀锌钢管的最新国家标准对于建筑工程具有重要的意义。
首先,镀锌钢管作为建筑结构和管道的重要材料,其质量直接关系到建筑工程的安全和稳定。
采用符合国家标准的镀锌钢管,可以有效保障建筑工程的质量和安全。
其次,镀锌钢管的国家标准也为建筑工程的设计、施工和验收提供了具体的依据,有利于规范建筑工程的施工和管理,提升建筑工程的质量和可靠性。
因此,建筑工程从业者和相关人员应当严格遵守镀锌钢管的最新国家标准,确保所采用的镀锌钢管符合国家标准要求。
最后,要特别强调的是,镀锌钢管的最新国家标准是建筑工程领域的重要文件,建筑工程从业者和相关人员应当认真学习和理解国家标准的内容,并严格遵守标准的要求。
只有在严格遵守国家标准的前提下,才能保证建筑工程的质量和安全。
同时,建议相关部门和单位加强对镀锌钢管国家标准的宣传和培训,提高广大从业者对国家标准的认识和应用水平,共同维护建筑工程的质量和安全。
综上所述,镀锌钢管的最新国家标准对于建筑工程具有重要的意义,建筑工程从业者和相关人员应当认真学习和遵守国家标准的要求,确保所采用的镀锌钢管符合国家标准,从而提升建筑工程的质量和安全水平。
希望本文能够对广大建筑工程从业者和相关人员有所帮助,推动镀锌钢管最新国家标准的贯彻和落实。
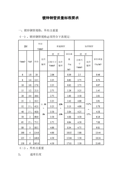
镀锌钢管质量标准要求
一、镀锌钢管规格、外形及重量
(一)、镀锌钢管规格必须符合下表规定:
(二)、外形及重量
1、通常长度
镀锌钢管的长度为6m,每批允许体重量不大于总重量5%,长度不小于2m的短尺钢管。
2、定尺长度
镀锌钢管的主尺长度应在通常长度围其长度允许偏差为+20mm。
3、倍尺长度
镀锌钢管的倍尺长度应在通常长度围其余长允许偏差为+20mm。
每个倍尺应留5mm-10mm的切口余量。
4、弯曲度
镀锌钢管应具有使用性的直度。
5、端头形状
镀锌钢管的两端应在镀锌前与钢管轴线切成直角,切口外毛刺高度均不得大于0.5mm。
6、交货重量
镀锌钢管以实际重量交货。
7、标记
镀锌钢管应注明国标标准编号和尺寸及厂家名称。
二、镀锌钢管质量技术要求:
1、牌号和化学成份
镀锌钢管用钢的牌号和化学成分应符合GB-3092所规定的黑管用钢的牌号和化学成份。
2、制造方法
黑管的制造方法(炉焊或电焊)由制造厂选择,镀锌采用热浸镀锌法。
3、交货状态
镀锌钢管以不带螺纹交货。
4、螺纹及管接头
(1)带螺纹交货的镀锌钢管,螺纹应在镀锌后车制。
螺纹应符合YB822的规定。
(2)钢制管接头应符合YB238的规定,可铸铁管接头应符合YB230的规定。
5、力学性能
钢管镀锌前的力学性能应符合GB3092的规定。
6、镀锌层的均匀性
镀锌钢管应做镀锌层均匀性的试验,钢管试样在硫酸铜溶液中连续浸渍5次不得变红。
7、冷弯曲试验
公称口径不大于50mm的镀锌钢管应做冷弯曲试验。
弯曲角度为90。
,弯曲半径为外径的8倍。
试验时不带填充物,试样焊缝处应置于弯曲方向的外侧或上部。
试验后,试样上不应有裂缝及锌层剥落现象。
8、水压试验
水压试验应在黑管进行,也可用涡流探伤代替水压试验。
试验压力及涡流探伤对比试样尺寸应符合国标GB3092的规定。
9、表面质量
镀锌钢管的外表面应有完整层,不得有未镀上锌的黑斑和气泡存在。
允许有不大的粗糙面和局部的锌瘤存在。
10、镀锌层重量
镀锌层重量平均值应不小于500g/㎡,其中任何一个试样不得小于480g/㎡。
三、试验方法:
1、表面检查
镀锌钢管的外表面应用肉眼逐根进行检查。
2、尺寸检查
镀锌钢管应在镀锌前的黑管上用足够精确度的量具逐根进行测量。
3、螺纹检查
带螺纹的镀锌钢管,按YB822的规定,用环规逐根检查螺纹。
四、检验规则:
1、镀锌钢管按批进行检查和验收,每批由同一牌号、同一规格的钢管组成
公称口径≤25mm 每批1000根
公称口径>m25~50m 每批750根
公称口径>50mm 每批500根
2、复验和判定
镀锌钢管的复验和判定规则应符合GB2102的规定。
五、包装、标注及质量证明书
镀锌钢管的包装、标志及质量证明书应符合GB2102的规定。