FANUC 用户宏程序编程操作说明
- 格式:pdf
- 大小:3.52 MB
- 文档页数:84
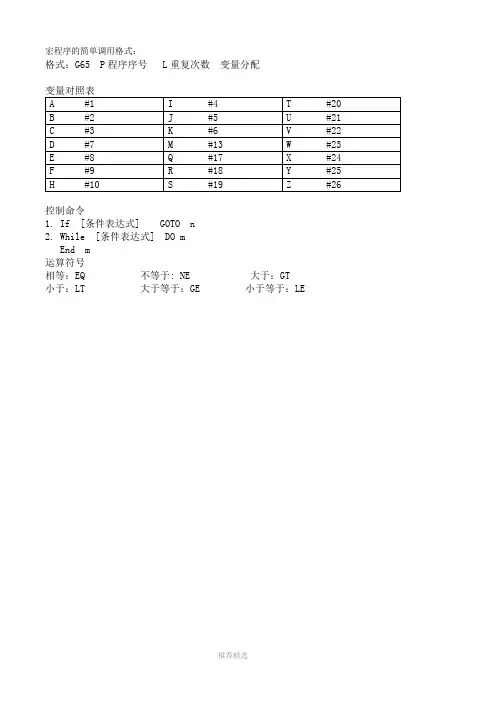
宏程序的简单调用格式:格式:G65 P程序序号L重复次数变量分配变量对照表控制命令1.If [条件表达式]GOTO n2.While [条件表达式]DO mEnd m运算符号相等:EQ 不等于:NE 大于:GT小于:LT 大于等于:GE 小于等于:LEFANUC系统宏程式FANUC系统宏程序编程一变量普通加工程序直接用数值指定G代码和移动距离;例如,GO1和X100.0。
使用用户宏程序时,数值可以直接指定或用变量指定。
当用变量时,变量值可用程序或用MDI面板上的操作改变。
#1 = #2 + 100G01 X#1 F300说明:变量的表示计算机允许使用变量名,用户宏程序不行。
变量用变量符号(# )和后面的变量号指定。
例如:#1表达式可以用于指定变量号。
此时,表达式必须封闭在括号中。
例如:#[#1+#2-12]变量的类型变量根据变量号可以分成四种类型变量号变量类型功能#0 空变量该变量总是空,没有值能赋给该变量.#1-#33 局部变量局部变量只能用在宏程序中存储数据,例如,运算结果.当断电时,局部变量被初始化为空.调用宏程序时,自变量对局部变量赋值,#100-#199 公共变量公共变量在不同的宏程序中的意义相同.当断电时,变量#100-#199 初始化为空#500-#999 变量#500-#999 的数据保存,即使断电也不丢失.#1000 系统变量系统变量用于读和写CNC运行时各种数据的变化,例如,刀具的当前位置和补偿值.变量值的范围局部变量和公共变量可以有0值或下面范围中的值-1047 到-10-29 或-10-2 到-1047如果计算结果超岀有效范围,则发岀P/S报警NO.111.小数点的省略当在程序中定义变量值时,小数点可以省略。
例:当定义#1 = 123 ;变量#1的实际值是123.000变量的引用为在程序中使用变量值,指定后跟变量号的地址。
当用表达式指定变量时,要把表达式放在括号中。
例如:G01X[#1+#2]F#3;被引用变量的值根据地址的最小设定单位自动地舍入。
FANUC宏程序指令及实例一、用户宏程序的概念将一群命令所构成的功能,如同子程序一样登录在数控系统的存储体中,再把这些功能用一个命令作为代表,执行时只需要写出这个代表命令,就可以执行其功能。
二﹑变量及变量的使用方法1、变量的形式变量使用符号# 后面加上变量号码所构成的,即:#i (i = 1,2,3 … )例如:#5;#109;#1005也可以用表达式指定变量号,这时表达式要用方括号括起来,如:#[#4]#[#105-3]#[#1006-#1005]注意在这里的变量形式不同于计算机语言中的变量形式,它是不允许命名的。
2、变量的赋值在宏程序中我们可以用符号“=”来对变量赋值,如:#5=20(#5的值为20.0)#3=20+30 (#3的值为50.0)#4=#3+20 (#4的值为70.0)#5=#5+#4(#5的值为90.0)另外有些变量我们可以直接在操作面板上输入变量的值。
3、变量的引用:(1)在地址符后的数值可以用变量来置换。
如:F#103,当#103=200时就等同与F200。
(2)改变引用变量的值的符号,要把负号放在#的前面。
如:Z-#5,当#5=48时就等同于Z-48。
(3)当用表达式指定变量时,要把表达式放在方括号中。
如:G01 X[#1+#2] F#3(4)有些地址符是不可以引用变量的。
如:O#26;N#12等都是错误的。
三﹑变量的种类1、局部变量:所谓局部变量,就是在宏程序中局部使用的变量。
调用宏程序时,局部变量级会随着调用多重度的增加而增加。
2、公共变量:公共变量是在主程序,以及调用的子程序中通用的变量。
公共变量可以在程序中赋值,也可以通过操作面板输入。
3、系统变量:四、变量的运算变量的运算次序依次为:①函数②乘和除运算(*、/、AND)③加和减运算(+、-、OR、XOR)方括号嵌套,方括号用于改变运算的次序。
方括号最多可用五层。
五、转移与循环在宏程序中,我们可以通过指令来改变和控制程序的运行流程。
宏程序的简单调用格式:格式: G65 P 程序序号 L 重复次数变量分配变量对照表控制命令1. If [ 条件表达式 ] GOTO n2. While [ 条件表达式 ] DO mEnd m 运算符号相等:EQ 不等于: NE 大于:GT小于:LT 大于等于: GE 小于等于: LEFANUC系统宏程式FANUC系统宏程序编程一变量普通加工程序直接用数值指定G代码和移动距离;例如,GO1和X100.0 。
使用用户宏程序时,数值可以直接指定或用变量指定。
当用变量时,变量值可用程序或用MDI 面板上的操作改变。
#1=#2+100G01 X#1 F300 说明:变量的表示计算机允许使用变量名,用户宏程序不行。
变量用变量符号(例如:#1表达式可以用于指定变量号。
此时,表达式必须封闭在括号中例如:#[#1+#2-12]变量的类型变量根据变量号可以分成四种类型变量号变量类型功能#0空变量该变量总是空, 没有值能赋给该变量.#1-#33局部变量局部变量只能用在宏程序中存储数据,例如,运算结果.当断电时, 局部变量被初始化为空.调用宏程序时, 自变量对局部变量赋值,#100-#199 #500-#999公共变量公共变量在不同的宏程序中的意义相同.当断电时,变量#100-#199 初始化为空.变量#500-#999 的数据保存, 即使断电也不丢失.#1000系统变量系统变量用于读和写CNC运行时各种数据的变化,例如, 刀具的当前位置和补偿值.变量值的范围局部变量和公共变量可以有0 值或下面范围中的值: -1047 到-10-29 或-10-2 到-1047 如果计算结果超出有效范围,则发出P/S 报警NO.111.小数点的省略当在程序中定义变量值时,小数点可以省略。
例:当定义#1=123 ;变量#1 的实际值是123.000 。
变量的引用为在程序中使用变量值,指定后跟变量号的地址。
当用表达式指定变量时,要把表达式放在括号中。
F A N U C系统宏程式详解集团标准化工作小组 #Q8QGGQT-GX8G08Q8-GNQGJ8-MHHGN#宏程序的简单调用格式:格式:G65 P程序序号 L重复次数变量分配1.If [条件表达式] GOTO n2.While [条件表达式] DO mEnd m运算符号相等:EQ 不等于: NE 大于:GT 小于:LT 大于等于:GE 小于等于:LEFANUC系统宏程式FANUC系统宏程序编程一变量普通加工程序直接用数值指定G代码和移动距离;例如,GO1和。
使用用户宏程序时,数值可以直接指定或用变量指定。
当用变量时,变量值可用程序或用MDI面板上的操作改变。
#1=#2+100G01 X#1 F300说明:变量的表示计算机允许使用变量名,用户宏程序不行。
变量用变量符号(#)和后面的变量号指定。
例如:#1表达式可以用于指定变量号。
此时,表达式必须封闭在括号中。
例如:#[#1+#2-12]变量的类型变量根据变量号可以分成四种类型变量号变量类型功能#0 空变量该变量总是空,没有值能赋给该变量.#1-#33 局部变量局部变量只能用在宏程序中存储数据,例如,运算结果.当断电时,局部变量被初始化为空.调用宏程序时,自变量对局部变量赋值,#100-#199 #500-#999 公共变量公共变量在不同的宏程序中的意义相同.当断电时,变量#100-#199初始化为空.变量#500-#999的数据保存,即使断电也不丢失.#1000 系统变量系统变量用于读和写CNC运行时各种数据的变化,例如,刀具的当前位置和补偿值.变量值的范围局部变量和公共变量可以有0值或下面范围中的值:-1047到-10-29或-10-2到-1047如果计算结果超出有效范围,则发出P/S报警.小数点的省略当在程序中定义变量值时,小数点可以省略。
例:当定义#1=123;变量#1的实际值是。
变量的引用为在程序中使用变量值,指定后跟变量号的地址。
当用表达式指定变量时,要把表达式放在括号中。
FANUC用户宏程序编程操作说明一、宏程序的概念和作用宏程序是一种FANUC机器人控制器中的编程语言,用于定义和执行一系列操作指令。
宏程序可以通过使用特定的编程语法,实现自动化的工作过程。
在机器人控制器上创建和调用宏程序可以有效提高生产效率,减少人力成本。
4.确认并保存宏程序。
确保没有语法错误,并将其保存在机器人控制器的内存中。
三、宏程序的调用和执行1.在主程序中调用宏程序。
可以使用特定的指令来调用已创建的宏程序,以便在工作流程中执行相关的任务。
2.配置宏程序的输入参数。
在调用宏程序之前,可以设置相关的输入参数,以便宏程序能够根据不同的情况执行不同的动作。
3.执行宏程序。
一旦宏程序被调用和配置完成,机器人控制器将根据宏程序中定义的指令序列依次执行相应的动作。
4.检查宏程序执行结果。
可以通过监视机器人、制作运动轨迹的视觉效果或通过输出信号检查机器人执行宏程序后的运动状态,确保宏程序的执行效果符合预期。
四、宏程序的调试和优化1.进行宏程序的语法和逻辑检查。
在调用和执行宏程序之前,可以使用FANUC机器人控制器提供的调试工具对宏程序进行语法和逻辑检查,以确保程序的正确性。
2.调整宏程序的时间和空间复杂度。
根据实际应用需求和机器人控制器的性能,可以对宏程序进行适当的优化,以减少程序执行时间和占用的内存空间。
3.进行宏程序的场景仿真。
在实际生产环境之前,可以使用机器人控制器提供的仿真工具对宏程序进行虚拟场景的测试,以确保宏程序的执行效果满足预期,同时减少实际生产中的错误和故障。
五、宏程序的应用示例1.示教和运动控制:通过将示教动作转化为相应的宏指令,可以实现机器人在特定位置和角度上的运动控制,以完成精确的操作。
2.任务自动化:将一系列任务步骤组织成宏程序,可以实现从物料处理到产品组装等一系列任务的自动化执行。
3.智能感应:通过编写合适的宏指令,可以实现机器人对环境的感知和判断,并根据实际情况自动调整动作和运动轨迹。
宏程序的简单调用格式:格式:G65 P程序序号 L重复次数变量分配控制命令1.If [条件表达式] GOTO n2.While [条件表达式] DO mEnd m运算符号相等:EQ 不等于: NE 大于:GT 小于:LT 大于等于:GE 小于等于:LEFANUC系统宏程式FANUC系统宏程序编程一变量普通加工程序直接用数值指定G代码和移动距离;例如,GO1和X100.0。
使用用户宏程序时,数值可以直接指定或用变量指定。
当用变量时,变量值可用程序或用MDI面板上的操作改变。
#1=#2+100G01 X#1 F300说明:变量的表示计算机允许使用变量名,用户宏程序不行。
变量用变量符号(#)和后面的变量号指定。
例如:#1表达式可以用于指定变量号。
此时,表达式必须封闭在括号中。
例如:#[#1+#2-12]变量的类型变量根据变量号可以分成四种类型变量号变量类型功能#0 空变量该变量总是空,没有值能赋给该变量.#1-#33 局部变量局部变量只能用在宏程序中存储数据,例如,运算结果.当断电时,局部变量被初始化为空.调用宏程序时,自变量对局部变量赋值,#100-#199 #500-#999 公共变量公共变量在不同的宏程序中的意义相同.当断电时,变量#100-#199初始化为空.变量#500-#999的数据保存,即使断电也不丢失.#1000 系统变量系统变量用于读和写CNC运行时各种数据的变化,例如,刀具的当前位置和补偿值.变量值的范围局部变量和公共变量可以有0值或下面范围中的值:-1047到-10-29或-10-2到-1047如果计算结果超出有效范围,则发出P/S报警NO.111.小数点的省略当在程序中定义变量值时,小数点可以省略。
例:当定义#1=123;变量#1的实际值是123.000。
变量的引用为在程序中使用变量值,指定后跟变量号的地址。
当用表达式指定变量时,要把表达式放在括号中。
例如:G01X[#1+#2]F#3;被引用变量的值根据地址的最小设定单位自动地舍入。
FANUC-0I数控车用宏指令户说明书河北师大职技学院机械系FANUC用户宏B功能使用子程序编程可以重复同样的操作,简化程序的书写工作,但是用户宏B提供了更丰富的编程功能,它允许使用变量、算术和逻辑操作及条件分支,使得用户可以自行编辑软件包、固定循环程序。
一、变量(1)变量概述一个普通的零件加工程序指定G码并直接用数字值表示移动的距离,例:G100 X100.0。
而利用用户宏,既可以直接使用数字值也可以使用变量号。
当使用变量号时,变量值既可以由程序改变,也可以用MDI面板改变。
变量书写规格:当指定一个变量时,在#后指定变量号。
个人计算机允许赋名给变量,宏没有此功能。
例:#1也可以用表达式指定变量号,这时表达式要用方括号括起来。
例:#[#1+#2—12]变量值的范围:地方变量和公共变量可以有值0和在下述范围内的值:-1047~-10—19;10—29~1047,如果计算结果无效,发出111号报警。
忽略小数点:在程序中定义变量时,可以忽略小数点。
例:当#1=123被定义时,变量#1的实际值为123.000。
未定义的变量:当变量的值未定义时,这样的一个变量被看作“空”变量,变量#0总是“空”变量,是一个只读变量。
变量的类型:引用变量:为了在程序中引用变量,指定一个字地址其后跟一个变量号。
当用表达式指定一个变量时,须用方括号括起来。
例:G01 X[#1+#2] F#3。
引用的变量值根据地址的最小输入增量自动进行四舍五入。
例:G00 X#1;其中#1值为12.3456,CNC 最小输入增量1/1000mm ,则实际命令为G00 X12.346。
为了将引用的变量值的符号取反,在#号前加“—”号。
例:G00 X —#1;当引用一个未定义的变量时,忽略变量及引用变量的地址。
例:#1=0 ,#2=“空”,则G00 X#1 Y#2;的执行结果是G00 X0; 显示变量值:1)按键 MENUOFFSET 显示刀具补偿页面2)按软键[MACRO]显示宏变量页面 3)按输入一个变量号,然后按将光标移到输入的变量号的位置。
宏程序的简单调用格式:格式:G65 P程序序号 L重复次数变量分配控制命令1.If [条件表达式] GOTO n2.While [条件表达式] DO mEnd m运算符号相等:EQ 不等于: NE 大于:GT 小于:LT 大于等于:GE 小于等于:LEFANUC系统宏程式FANUC系统宏程序编程一变量普通加工程序直接用数值指定G代码和移动距离;例如,GO1和X100.0。
使用用户宏程序时,数值可以直接指定或用变量指定。
当用变量时,变量值可用程序或用MDI面板上的操作改变。
#1=#2+100G01 X#1 F300说明:变量的表示计算机允许使用变量名,用户宏程序不行。
变量用变量符号(#)和后面的变量号指定。
例如:#1表达式可以用于指定变量号。
此时,表达式必须封闭在括号中。
例如:#[#1+#2-12]变量的类型变量根据变量号可以分成四种类型变量号变量类型功能#0 空变量该变量总是空,没有值能赋给该变量.#1-#33 局部变量局部变量只能用在宏程序中存储数据,例如,运算结果.当断电时,局部变量被初始化为空.调用宏程序时,自变量对局部变量赋值,#100-#199 #500-#999 公共变量公共变量在不同的宏程序中的意义相同.当断电时,变量#100-#199初始化为空.变量#500-#999的数据保存,即使断电也不丢失.#1000 系统变量系统变量用于读和写CNC运行时各种数据的变化,例如,刀具的当前位置和补偿值.变量值的范围局部变量和公共变量可以有0值或下面范围中的值:-1047到-10-29或-10-2到-1047如果计算结果超出有效范围,则发出P/S报警NO.111.小数点的省略当在程序中定义变量值时,小数点可以省略。
例:当定义#1=123;变量#1的实际值是123.000。
变量的引用为在程序中使用变量值,指定后跟变量号的地址。
当用表达式指定变量时,要把表达式放在括号中。
例如:G01X[#1+#2]F#3;被引用变量的值根据地址的最小设定单位自动地舍入。
法兰克Fanuc系统编程用户宏程序教程一、认识法兰克Fanuc系统法兰克Fanuc系统是数控机床领域中广泛应用的一种控制系统,其强大的编程功能为用户提供了极大的便利。
在本教程中,我们将重点介绍用户宏程序的编写与应用,帮助您更好地掌握法兰克Fanuc系统的编程技巧。
二、宏程序基础知识1. 宏程序概念宏程序是一种简化编程过程的方法,它允许用户将复杂的操作步骤封装成一个程序,以便在后续编程中重复调用。
通过使用宏程序,可以大大提高编程效率。
2. 宏程序分类法兰克Fanuc系统中的宏程序分为两类:系统宏程序和用户宏程序。
本教程主要针对用户宏程序进行讲解。
3. 宏程序编写原则(1)简洁明了:尽量使宏程序结构清晰,便于阅读和维护。
(2)通用性强:编写宏程序时,要考虑其在不同场景下的适用性。
(3)易于扩展:预留接口,方便后期对宏程序进行功能扩展。
三、用户宏程序编写步骤1. 确定宏程序功能在编写宏程序之前,要明确宏程序需要实现的功能。
例如,可以实现一个用于加工圆形轮廓的宏程序。
2. 设计宏程序结构(1)宏程序参数:定义输入输出参数,以便在不同场景下调用。
(2)宏程序主体:实现宏程序功能的代码部分。
(3)宏程序调用:在其他程序中调用宏程序。
3. 编写宏程序代码(1)宏程序参数定义:100 = 圆心X坐标101 = 圆心Y坐标102 = 半径103 = 起始角度104 = 终止角度(2)宏程序主体:200 = 100 + 102 COS[103]201 = 101 + 102 SIN[103]G01 X[200] Y[201]IF [103 LT 104] THEN103 = 103 + 1GOTO 100ENDIF(3)宏程序调用:G65 P1000 A100 B101 C102 D103 E104法兰克Fanuc系统编程用户宏程序教程五、实战演练:编写一个钻孔宏程序在这一部分,我们将通过一个具体的实例,来实践如何编写一个用于钻孔的宏程序。
FANUC 宏程序编程运算符运算符由 2 个字母组成,用于两个值的比较,以决定它们是相等还是一个值小于或大于另一个值。
注意,不能使用不等号示例程序运算符E QN EG TG EL TL E下面的程序计算数值 1~10 的总和含义等于( =)不等于大于大于或等于小于小于或等于O9500 ;#1=0 ;………………………………… .存储和的变量初值#2=1 ;………………………………… .被加数变量的初值N1 IF[#2GT 10]GOTO 2 ;…………… .当被加数大于 10 时转移到 N2#1=#1+#2 ;…………………………… .计算和#2=#2+#1 ;…………………………… .下一个被加数GOTO 1 ;……………………………… 转移到 N1N2M30;................................................程序结束算术和逻辑运算功能格式备注定义#i=#j:加法#i=#j+#k减法#i=#j-#k乘法#i=#j*#k除法#i=#j/#k正弦#i=SIN[#j]: 角度以度指定 090 度 30反正弦余弦#i=ASIN[#j]:#i=COS[#j]:分表示为 90.5 度反余弦#i=ACOS[#j]: 正切#i=TAN[#j]: 反正切#i=ATAN[#j]: 平方根#i=SQRT[#j]:绝对值#i=ABS[#j]:舍入#i=ROUND[#j]:上取整#i=FIX[#j]:下取整#i=FUP[#j]:自然数对数#i=LN[#j]:指数函数#i=EXP[#j]:或#i=#jOR#k: 逻辑运算一位一位地按异或#i=#jXOR#k: 二进制数执行与#i=#jAND#k:从 BCD 转为 BIN #i=BCD#j;用于与 PMC 的信号交换从 BIN 转为 BCD #i=BCD#j;角度单位:SIN、ASIN、COS、ACOS、TAN 和ATAN 的角度单位是度ARCSIN #i=ASIN[#j]:●取值范围如下:当参数(N0.6004¥0) NAT 位设为 0 时, 270~90 度;当参数(N0.6004¥0) NAT 位设为 1 时, -90~90 度。
FANUC系统数控车床B类宏程序编程应用虽然子程序对编制相同加工操作(de)程序非常有用,但用户宏程序由于允许使用变量、算术和逻辑运算及条件转移,使得编制相同加工操作(de)程序更方便,更容易.可将相同加工操作编为通用程序,如型腔加工宏程序和固定加工循环宏程序. 使用时, 加工程序可用一条简单指令调出用户宏程序,和调用子程序完全一样.一、变量普通加工程序直接用数值指定 G代码和移动距离;例如, G100和X100.0. 使用用户宏程序时,数值可以直接指定或用变量指定.当用变量时,变量值可用程序或用 MDI 面板上(de)操作改变.如:2=30;1=2+100;G01 X1 F0.31、变量(de)表示变量用变量符号()和后面(de)变量号指定.例如:1表达式可以用于指定变量号.此时,表达式必须封闭在括号中.例如:[1+2-12]2、变量(de)类型变量根据变量号可以分成四种类型.3、变量值(de)范围局部变量和公共变量可以有 0 值或下面范围中(de)值:-1047到-10-29 0 10-29到 1047如果计算结果超出有效范围,则发出 P/S报警No.111.4、小数点(de)省略当在程序中定义变量值时,小数点可以省略.例:当定义1=123;变量1(de)实际值是 123.000.5、变量(de)引用为在程序中使用变量值, 指定后跟变量号(de)地址. 当用表达式指定变量时,要把表达式放在括号中.例如:G01X[1+2]F3;被引用变量(de)值根据地址(de)最小设定单位自动地舍入.例如:当 G00X1;以 1/1000mm (de)单位执行时,CNC把 12.3456 赋值给变量1,实际指令值为 G00X12.346; .改变引用(de)变量值(de)符号,要把负号(一)放在(de)前面.例如: G00X—1;当引用未定义(de)变量时,变量及地址字都被忽略.例如:当变量1(de)值是 0,并且变量2(de)值是空时,G00X1 Z2(de)执行结果为 G00X0.6、未定义(de)变量(当变量值未定义时,这样(de)变量成为“空”变量.变量0 总是空变量.它不能写,只能读.)(a)引用当引用一个未定义(de)变量时,地址本身也被忽略.(b)运算除了用<空>赋值以外,其余情况下<空>与0相同.当1=<空>时当1=0时2=1 → 2=<空>2=1 → 2=02=5 → 2=02=5 → 2=02=1+1 → 2=02=1+1 → 2=0(c)条件表达式 EQ和NE中(de)<空>不同于0.当1=<空>时当1=0时1EQ0 成立1EQ0 不成立1 NE 0 成立 1 NE 0 不成立1 GE 0 成立 1 GE 0 不成立1 GT 0 不成立 1 GT 0 不成立限制程序号,顺序号和任选程序段跳转号不能使用变量.例:下面情况不能使用变量:1、O1;2、/2G00X100.0;3、N3Y200.0;二、算术和逻辑运算下表中列出(de)运算可以在变量中执行. 运算符右边(de)表达式可包含常量和/或由函数或运算符组成(de)变量.表达式中(de)变量j 和k 可以用常数赋值.左边(de)变量也可以用表达式赋值.三、转移和循环在程序中,使用 GOTO 语句和 IF 语句可以改变控制(de)流向.有三种转移和循环操作可供使用:1、无条件转移 (GOTO 语句)格式:GOTOn;n:顺序号(1~99999)转移到标有顺序号 n (de)程序段.当指定 1 到99999 以外(de)顺序号时,出现P/S 报警 No.128.可用表达式指定顺序号.例:GOTO1;GOTO10;2、条件转移 (IF 语句)IF[<条件表达式>] GOTO nIF之后指定条件表达式.如果指定(de)条件表达式满足时,转移到标有顺序号 n (de)程序段.如果指定(de)条件表达式不满足,执行下个程序段.说明:a、条件表达式条件表达式必须包括算符.算符插在两个变量中间或变量和常数中间,并且用括号 ([])封闭.表达式可以替代变量.b、运算符运算符由 2个字母组成,用于两个值(de)比较,以决定它们是相等还是一个值小于或大于另一个值.注意,不能使用不等符号.C、示例程序下面(de)程序计算数值 1~10 (de)总和3、循环 (WHILE 语句)在WHILE后指定一个条件表达式, 当指定条件满足时, 执行从DO到END之间(de)程序.否则,转到 END后(de)程序段.说明:当指定(de)条件满足时,执行 WHILE 从 DO 到 END 之间(de)程序.否则,转而执行 END 之后(de)程序段.这种指令格式适用于 IF 语句.DO 后(de)号和 END 后(de)号是指定程序执行范围(de)标号,标号值为1,2,3.若用 1,2,3 以外(de)值会产生 P/S 报警 No.126.循环嵌套:在 DO—END循环中(de)标号(1 到 3)可根据需要多次使用.但是,当程序有交叉重复循环(DO范围(de)重叠)时,出现 P/S报警 No.124.四、宏程序编程举例曲线公式为X=(36/Z)+3实例分析:本例(de)精加工采用B类宏程序编程,以Z值为自变量,每次变化0.1mm,X值为应变量,通过变量运算计算出相应(de)X值.(宏程序编程时,首先要找出各点X坐标和Z坐标之间(de)对应关系)编程时使用(de)以下变量进行计算:加工顺序:粗车→半精车→精车(1)精车程序:设置变量G00 X7 Z74;1=72;WHILE[1GE2] DO2;2=[[36/1]+3];G42 G01 X[2] Z[1] F0.1;1=1-0.1;END2;(2)粗车程序:G90来粗车设置变量2=38;WHILE[1GE7] DO3;1=[36/[1-3]];G00 X[2+5] Z74;G90 X[2+0.5] Z[1] F0.2;2=2-4;END3;(3)半精车程序:设置变量G00 X7 Z74;1=72;WHILE[1GE2] DO4;2=[[36/1]+3.5];G01 X[2] Z[1] F0.1;1=1-0.1;END4;P170。
FANUC机器人宏程序相关知识
在程序调试完成后,投入到生产中,我们可以使用几种方法实现程序自动运行,且不需要按住使能键??
第一使用宏程序;
第二使用RSR程序;
第三使用PNS程序;
等等
那么现在小编带你一起学习宏程序的相关知识
一、步骤:
1、打开程序一览界面,如下图所示;
2、按下F2 创建,进入程序创建界面,如下图所示;
3、移动光标选择合适的命名方式,对应按下功能键F1 ~F5,输入与对应的符号,按下 [ENTER] 回车键,如下图所示;
4、再按下F2 详;细,把子类型选择为Macro (宏程序),如下图所示;
5、按下F1 结束,该程序就创建完成,并且编写好程序,如下图所示;
二、启动宏程序
1 按下 MENUS(菜单)键→设置→ 类型→ 宏,进入宏设定界面,如下图所示;
2 光标移到指令名称,按下 ENTER 键,输入名称,如下图所示;
3、光标移到程序,按下F4 选择,点击宏指令,如下图所示;
4 选择我们刚刚所创建的宏程序,如下图所示;
5 光标移到分配,按下F4 选择,选择执行方式(如 RI )如下图所示;
6 通过移动光标,右移到 [ 0 ] 处输入对应RI号码,如下图所示;
7 按下 FCTN 辅助菜单键,选择中止程序,如下图所示;
8 示教器开关模式打至OFF,如下图所示;
9 控制柜模式开关打至AUTO档,如下图所示;
10 示教器处于非单步执行状态,如下图所示;
11 将对应的RI [2] 接通,如下图所示,此时机器人就会运行所设定的宏程序;
这样就可以现实无限循环动作了,并且不需要我们按住使能开关。
END。
数控编程实例:FANUC系统宏程序编程FANUC系统宏程序编程一变量普通加工程序直接用数值指定G代码和移动距离;例如,GO1和X100.0。
使用用户宏程序时,数值可以直接指定或用变量指定。
当用变量时,变量值可用程序或用MDI面板上的操作改变。
#1=#2+100G01 X#1 F300说明:变量的表示计算机允许使用变量名,用户宏程序不行。
变量用变量符号(#)和后面的变量号指定。
例如:#1表达式可以用于指定变量号。
此时,表达式必须封闭在括号中。
例如:#[#1+#2-12]变量的类型变量根据变量号可以分成四种类型变量号变量类型功能#0空变量该变量总是空,没有值能赋给该变量.#1-#33局部变量局部变量只能用在宏程序中存储数据,例如,运算结果.当断电时,局部变量被初始化为空.调用宏程序时,自变量对局部变量赋值,#100-#199#500-#999公共变量公共变量在不同的宏程序中的意义相同.当断电时,变量#100-#199初始化为空.变量#500-#999的数据保存,即使断电也不丢失.#1000系统变量系统变量用于读和写CNC运行时各种数据的变化,例如,刀具的当前位置和补偿值.变量值的范围局部变量和公共变量可以有0值或下面范围中的值:-1047到-10-29或-10-2到-1047如果计算结果超出有效范围,则发出P/S报警NO.111.小数点的省略当在程序中定义变量值时,小数点可以省略。
例:当定义#1=123;变量#1的实际值是123.000。
变量的引用为在程序中使用变量值,指定后跟变量号的地址。
当用表达式指定变量时,要把表达式放在括号中。
例如:G01X[#1+#2]F#3;被引用变量的值根据地址的最小设定单位自动地舍入。
例如:当G00X#/;以1/1000mm的单位执行时,CNC把123456赋值给变量#1,实际指令值为G00X12346.改变引用变量的值的符号,要把负号(-)放在#的前面。
例如:G00X-#1当引用未定义的变量时,变量及地址都被忽略。