蓄电池充放电实验记录文本
- 格式:doc
- 大小:842.50 KB
- 文档页数:42
蓄电池充放电记录蓄电池是一种能够将电能转化为化学能并将其存储起来的装置,一般用于备用电源以及电动车等设备中。
而对于蓄电池的充放电记录,可以帮助我们了解其使用情况以及性能表现,从而更好地进行维护和保养。
下面是一份关于蓄电池充放电记录的例子。
日期:2024年7月1日设备:备用电源蓄电池型号:ABC-123容量:100AH充电记录:1.充电开始时间:9:00AM充电结束时间:11:00AM充电电流:10A充电电压:13.8V充电时间:2小时充电状态:正常2.充电开始时间:13:00PM充电结束时间:15:30PM充电电流:8A充电时间:2小时30分钟充电状态:正常3.充电开始时间:19:00PM充电结束时间:21:00PM充电电流:12A充电电压:14.2V充电时间:2小时充电状态:正常放电记录:1.放电开始时间:6:00AM放电结束时间:9:30AM放电负载:10A放电电压:12.6V放电时间:3小时30分钟放电状态:正常2.放电开始时间:14:00PM放电结束时间:17:00PM放电负载:8A放电时间:3小时放电状态:正常3.放电开始时间:20:00PM放电结束时间:22:30PM放电负载:12A放电电压:12.2V放电时间:2小时30分钟放电状态:正常综合记录分析:从充电记录中可以看出,蓄电池的充电过程在不同时间段进行,充电电流和电压也有所不同。
通过对比不同充电记录的充电时间、充电电流和电压等数据,可以发现蓄电池的充电速度和性能表现较为稳定,没有出现异常情况。
从放电记录中可以看出,蓄电池在不同时间段进行放电测试时,放电负载和放电电压也有所不同。
通过对比不同放电记录的放电时间、放电负载和电压等数据,可以发现蓄电池的放电性能正常,没有出现异常情况。
综合来看,蓄电池在充放电过程中的性能表现良好,充放电记录中没有明显的异常情况。
但是,为了确保蓄电池的长期使用,还需要定期检查和维护,例如检查蓄电池连接线路是否牢固、测量电池的电压和电流、清洁电池表面等。
48V蓄电池充放电记录蓄电池是一种储存电能的设备,由于其可再充电的特性,被广泛应用于各个领域,包括电动车、太阳能发电系统和UPS等。
本文将详细介绍一款48V蓄电池的充放电记录。
充电记录如下:1.第一次充电:充电电流为10A,充电时间为8小时,将蓄电池充满。
2.第二次充电:充电电流为15A,充电时间为6小时,将蓄电池充满。
3.第三次充电:充电电流为12A,充电时间为7小时,将蓄电池充满。
4.第四次充电:充电电流为20A,充电时间为5小时,将蓄电池充满。
5.第五次充电:充电电流为18A,充电时间为6小时,将蓄电池充满。
放电记录如下:1.第一次放电:放电电流为5A,放电时间为10小时,蓄电池剩余电量为50%。
2.第二次放电:放电电流为8A,放电时间为8小时,蓄电池剩余电量为40%。
3.第三次放电:放电电流为12A,放电时间为6小时,蓄电池剩余电量为30%。
4.第四次放电:放电电流为15A,放电时间为5小时,蓄电池剩余电量为20%。
5.第五次放电:放电电流为10A,放电时间为7小时,蓄电池剩余电量为15%。
根据以上数据,可以看出蓄电池在不同充电和放电条件下的性能。
在充电方面,充电电流越大,充电时间越短,蓄电池的充满时间也越短。
然而,过高的充电电流可能会对蓄电池造成损害,因此需要根据具体情况选择适当的充电电流。
在放电方面,放电电流越大,放电时间越短,蓄电池的剩余电量也越低。
蓄电池的剩余电量直接影响其使用时间和性能,因此在实际应用中需要定期检查和维护蓄电池的电量,以确保其正常运行。
总结起来,蓄电池的充放电记录可以帮助我们了解其工作性能和寿命。
通过对充放电记录的分析,可以优化充电和放电过程,延长蓄电池的使用寿命,并确保其正常运行。
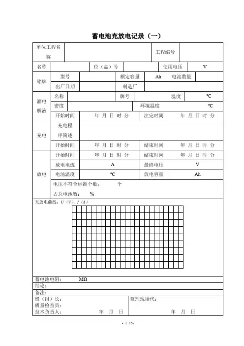
220V 直流蓄电池充放电记录试验人员:试验负责人:审核:2013 年 09 月一、 1#蓄电池组装置型号TH230D10ZZ-3 额定电压交流 380V 输出电压直流 220V 制造厂石家庄通合电子有限公司2、微机直流系统接地检测仪铭牌::装置型号THJK001G-3S 额定电压直流 220V 出厂编号AJ9B90863 制造厂石家庄通合电子有限公司3、参数设置:、集中监控器参数设置:项目参数值项目参数值控母过电压控母欠电压交流过电压交流欠电压电池过电压电池欠电压电池过电流定时均充时间180单节电池过电压单节电池欠电压电池容量300Ah 电池数量104 节浮充电压均充电压模块过电压模块欠电压限流级别 3 温度补偿系数℃母线对地电阻≧ Ω支路对地电阻≧ Ω、绝缘监测仪参数设置:项目参数值项目参数值一段母线控制母线过压值系统配置40 条支路控制母线欠压值报警电压0 条环路电池过压值工作方式:主机(分机)电池欠压值母线段数:一段正母线接地电阻Ω合闸母线:无报警电阻负母线接地电阻Ω系统设置巡检速度: 1 支路接地电阻Ω巡检方式:平衡合母支路数 0母联信号:本机支路设置控母支路数 40瞬间接地:取消无环路设置二、 2#蓄电池组1、 2#充电柜铭牌:输出电压直流 220V 制造厂石家庄通合电子有限公司2、微机直流系统接地检测仪铭牌::装置型号THJK001G-3S 额定电压直流 220V 出厂编号AJ9B90865 制造厂石家庄通合电子有限公司3、参数设置:、集中监控器参数设置:项目参数值项目参数值控母过电压控母欠电压交流过电压交流欠电压电池过电压电池欠电压电池过电流定时均充时间180单节电池过电压单节电池欠电压电池容量300Ah 电池数量104 节浮充电压均充电压模块过电压模块欠电压限流级别 3 温度补偿系数℃母线对地电阻≧ Ω支路对地电阻≧ Ω、绝缘监测仪参数设置:项目参数值项目参数值一段母线控制母线过压值系统配置40 条支路报警电压控制母线欠压值0 条环路电池过压值工作方式:主机(分机)电池欠压值母线段数:一段正母线接地电阻Ω合闸母线:无报警电阻负母线接地电阻Ω系统设置巡检速度: 1 支路接地电阻Ω巡检方式:平衡合母支路数 0母联信号:本机支路设置控母支路数 40瞬间接地:取消无环路设置三、逆变器1#逆变器铭牌:装置型号出厂编号HCH8109-5KVA0545输入电压输出电压交流220V 直流交流 220V220V2#逆变器铭牌:装置型号出厂编号制造厂HCH8109-5KVA0331输入电压输出电压太原合创自动化有限公司交流220V 直流交流 220V220V四、系统配置:序号名称型号数量编号AJ9043621AAJ9043627AAJ9043626A1 1#智能充电模块TH230D10ZZ-3 7 AJ9044824AAJ9043624AAJ9043631AAJ9043377A2 1#集中监控器THJK001G-3S 1 AJ9B90863AJ9043636AAJ9043629AAJ9043623A3 2#智能充电模块TH230D10ZZ-3 7 AJ9043588AAJ9043628AAJ9043586AAJ9043637A4 2#集中监控器THJK001G-3S 1 AJ9B908655 逆变器HCH8109-5KVA 2 0545 0331五、检验项目:1、接线及外观检查:屏内接线电缆接线插件接地标识正确正确完好正确清楚2、绝缘及耐压试验:电压( V)序号名称测试部位1 Ⅰ段直流母线+对地-对地2 Ⅱ段直流母线+对地-对地序号名称测试部位绝缘电阻值( MΩ)+对地171 Ⅰ组蓄电池电缆-对地262 Ⅰ段直流母线+对地80-对地80+对地163 Ⅱ组蓄电池电缆-对地264 Ⅱ段直流母线+对地80-对地805 耐压试验1000V 工频耐压1min:通过3、双路交流输入控制单元功能检测:功能正常,符合制造厂说明书要求。
蓄电池充放电实验记录实验目标:观察和记录蓄电池的充放电过程,并分析实验结果。
实验材料和仪器:1.蓄电池2.电流表3.电压表4.变阻器5.线缆实验步骤:1.将蓄电池连接到电流表和电压表上,并将变阻器连接到电流表的输出端。
2.调节变阻器,使得电流表示数在1A左右。
3.记录此时的电压表示数,并标记为初始电压。
4.开始记录时间,并每隔5分钟测量一次电流和电压,并记录下来。
实验记录:时间电流(A)电压(V)01.012.050.911.9100.811.7150.711.5200.611.3250.511.1300.410.9350.310.7400.210.5450.110.3实验结果和分析:根据实验记录,可以得出以下结论:1.在充电过程中,电流的值逐渐减小,说明蓄电池的电量逐渐增加。
2.电压的值也逐渐减小,这是由于充电过程中,电池内部的电阻不可避免地造成了一定的电压损失。
3.充电过程中,电流的变化相对较大,而电压的变化相对较小。
这是因为在蓄电池内部,电流流动会产生局部的不均匀性,而电压在整个蓄电池中有较为一致的分布。
4.在放电过程中,电流的值逐渐增加,电压的值逐渐减小,这与充电过程相反。
5.通过实验可以得出结论,随着蓄电池充放电的进行,电流和电压的变化呈现一定的规律性,可以通过对其进行测量和分析来评估蓄电池的性能和使用情况。
实验总结:本次充放电实验观察和记录了蓄电池在充电和放电过程中的电流和电压变化,并通过实验结果进行分析。
通过这个实验,我们了解到蓄电池的充放电过程是一个电流和电压逐渐变化的过程,且电流和电压的变化规律具有一定的一致性。
实验还提醒我们,蓄电池的性能和使用情况可以通过测量和分析其充放电过程中的电流和电压来评估。
这个实验为我们深入了解蓄电池的工作原理和性能提供了有益的实验基础。
220V直流蓄电池充放电记录试验人员:试验负责人:审核:2013年09月一、1#蓄电池组1、1#充电柜铭牌:装置型号TH230D10ZZ-3 额定电压交流380V输出电压直流220V 制造厂石家庄通合电子有限公司2、微机直流系统接地检测仪铭牌::装置型号THJK001G-3S 额定电压直流220V出厂编号AJ9B90863制造厂石家庄通合电子有限公司3、参数设置:3.1、集中监控器参数设置:项目参数值项目参数值控母过电压255.0V 控母欠电压198.0V交流过电压450.0V 交流欠电压304.0V电池过电压260.0V 电池欠电压200.0V电池过电流40.0A 定时均充时间180单节电池过电压 2.6V 单节电池欠电压 1.9V 电池容量300Ah 电池数量104节浮充电压234.0V 均充电压244.0V模块过电压260.0V 模块欠电压198.0V限流级别 3 温度补偿系数0.156V/℃母线对地电阻≧25.0kΩ支路对地电阻≧25.0k Ω3.2、绝缘监测仪参数设置:项目参数值项目参数值系统配置一段母线报警电压控制母线过压值255.0V 40条支路控制母线欠压值198.0V 0条环路电池过压值260.0V系统设置工作方式:主机(分机)电池欠压值200.0V 母线段数:一段报警电阻正母线接地电阻25.0kΩ合闸母线:无负母线接地电阻25.0kΩ巡检速度:1 支路接地电阻25.0kΩ巡检方式:平衡支路设置合母支路数0 母联信号:本机控母支路数40瞬间接地:取消无环路设置二、2#蓄电池组1、2#充电柜铭牌:装置型号TH230D10ZZ-3 额定电压交流380V输出电压直流220V 制造厂石家庄通合电子有限公司2、微机直流系统接地检测仪铭牌::装置型号THJK001G-3S 额定电压直流220V出厂编号AJ9B90865制造厂石家庄通合电子有限公司3、参数设置:3.1、集中监控器参数设置:项目参数值项目参数值控母过电压255.0V 控母欠电压198.0V交流过电压450.0V 交流欠电压304.0V电池过电压260.0V 电池欠电压200.0V电池过电流40.0A 定时均充时间180单节电池过电压 2.6V 单节电池欠电压 1.9V 电池容量300Ah 电池数量104节浮充电压234.0V 均充电压244.0V模块过电压260.0V 模块欠电压198.0V限流级别 3 温度补偿系数0.156V/℃母线对地电阻≧25.0kΩ支路对地电阻≧25.0k Ω3.2、绝缘监测仪参数设置:项目参数值项目参数值系统配置一段母线报警电压控制母线过压值255.0V 40条支路控制母线欠压值198.0V 0条环路电池过压值260.0V系统设置工作方式:主机(分机)电池欠压值200.0V 母线段数:一段报警电阻正母线接地电阻25.0kΩ合闸母线:无负母线接地电阻25.0kΩ巡检速度:1 支路接地电阻25.0kΩ巡检方式:平衡支路设置合母支路数0 母联信号:本机控母支路数40瞬间接地:取消无环路设置三、逆变器1#逆变器铭牌:装置型号HCH8109-5KVA 输入电压交流220V直流220V 出厂编号502103000545 输出电压交流220V 制造厂太原合创自动化有限公司2#逆变器铭牌:装置型号HCH8109-5KVA 输入电压交流220V直流220V 出厂编号502103000331 输出电压交流220V 制造厂太原合创自动化有限公司四、系统配置:序号名称型号数量编号1 1#智能充电模块TH230D10ZZ-37 AJ9043621A AJ9043627A AJ9043626A AJ9044824A AJ9043624A AJ9043631A AJ9043377A2 1#集中监控器THJK001G-3S 1 AJ9B908633 2#智能充电模块TH230D10ZZ-37 AJ9043636A AJ9043629A AJ9043623A AJ9043588A AJ9043628A AJ9043586A AJ9043637A4 2#集中监控器THJK001G-3S 1 AJ9B908655 逆变器HCH8109-5KVA 2502103000545502103000331五、检验项目:1、接线及外观检查:屏内接线电缆接线插件接地标识正确正确完好正确清楚 2、绝缘及耐压试验:序号名称测试部位电压(V).1 Ⅰ段直流母线+对地115.6-对地98.22 Ⅱ段直流母线+对地107.5-对地107.9序号名称测试部位绝缘电阻值(MΩ)1 Ⅰ组蓄电池电缆+对地17 -对地262 Ⅰ段直流母线+对地80-对地803 Ⅱ组蓄电池电缆+对地16 -对地264 Ⅱ段直流母线+对地80-对地805 耐压试验1000V工频耐压1min:通过3、双路交流输入控制单元功能检测:功能正常,符合制造厂说明书要求。
吉沙电厂通讯电源直流蓄电池组容量校核充放电报告时间:2015/4/3负责人:孙诺参加人:付友国、周晓陶放电前:(停充状态,供厂用负载电流4A)全组电压50V放电开始后:(放电总电流23A)全组电压V(盘上指针表读电流,并一只数字表读电压)放电过程记录附后页放电曲线充电曲线电压时问时间均充充入电量约185Ah后,充电装置过压保护动作,充电电流被限制,后改用大浮充再充,充入电量约8×4=32(Ah)总充入容量:约217Ah后转为正常浮充。
测量:张正勇记录:解云泉测量:张正勇记录:解云泉测量:张正勇记录:解云泉测量:张正勇记录:解云泉测量:张正勇记录:解云泉测量:张正勇记录:解云泉测量:张正勇记录:解云泉测量:张正勇记录:解云泉测量:张正勇记录:解云泉测量:张正勇记录:解云泉测量:张正勇记录:解云泉测量:张正勇记录:解云泉测量:张正勇记录:解云泉测量:张正勇记录:解云泉测量:张正勇记录:解云泉测量:张正勇记录:解云泉2009/4/4 02:40转为大电流浮充,控制全压250V继续小电流充电测量:张正勇记录:解云泉测量:张正勇记录:解云泉测量:张正勇记录:解云泉容量校验工作结束螺丝湾电站220v蓄电池组容量检验报告蓄电池型号:UXL220-2A,合资YUASA免维铅酸蓄电池。
检验日期:2009年4月3日检验单位:螺丝湾电站检验负责:易洪元检验人员:张正勇、解云泉检验情况:用约10安时率放电小时,放出额定容量的87%,个别电池电压已下降到极限(31号缸,),有约1/6缸接近死点电压()。
在放电过程中,前期电压变化正常平稳整齐,到后期出现了较大差异,故放出约87%容量后终止放电,立即充电。
充电过程反应正常,总充入容量约217Ah。
充电终止转入正常浮充状态单缸电压出现较大差异(),进一步正常浮充(0.2A)后120小时观察,到。
单缸电压整齐性有所好转(之间),在相同浮充电流情况下,整组电压有升高现象。
蓄电池放电试验方案批准:审核:编写:重庆大唐国际彭水水电开发有限公司设备部二〇一二年七月二日蓄电池放电试验方案本次试验按DL/T724-2000-6。
3。
3阀控蓄电池核对性放电要求进行全核对性放电试验。
一、计划时间:开关站直流Ⅰ组蓄电池充放电试验:2012年07月11日08:00至2012年07月14日23:00开关站直流Ⅱ组蓄电池充放电试验:2012年07月15日08:00至2012年07月19日23:00地下厂房直流Ⅰ组蓄电池充放电试验:2012年07月29日08:00至2012年08月01日23:00地下厂房直流Ⅱ段充电装置试验:2012年08月02日08:00至2012年08月05日23:00大坝直流充电装置试验:2012年08月11日08:00至2012年08月14日23:00二、组织措施现场指挥:李正家成员:谭小华(工作负责人)、刘宏生、肖琳、肖力、陈灏、刘应西、韦黎敏、运行当班值三、试验前准备工作1、设备部1)外观检查:蓄电池槽、盖、安全阀、极柱封口剂等的材料应具有阻燃性,用目测检查蓄电池外观,蓄电池的外观不应有裂纹、变形及污迹;2)极性检测:用万用表检查蓄电池极性;3)开路电压检查:蓄电池在环境温度5℃~35℃的条件下完全充电后静置至少24h,测量蓄电池的开路电压应符开路电压最大最小电压差值不大于0。
03V;4)蓄电池连接压降:蓄电池间的连接条电压降应不大于8mV;5)内阻测试:制造厂提供的蓄电池内阻值应与实际测试的蓄电池内阻值一致,允许偏差范围为±10%。
2、发电部退出需放电试验的运行蓄电池组。
三、试验步骤1、蓄电池核容试验:1)以0.1×10小时放电率电流对电池组充电,连续充电至少72小时,直至3小时内充电电流基本稳定不变(电池组充满状态),静置1到2小时,电池组温度与周围温度基本一致后对电池组进行放电,放电电流为10小时放电率电流(120A),连续放电10小时(放电过程中调整负载,始终保持放电电流不变)或端电压达到终止电压1.8Vx104或单个电池电压低于1。
直流系统蓄电池充放电试验报告实验目的:1.通过对直流系统蓄电池的充放电试验,了解蓄电池的特性和性能。
2.掌握蓄电池的正确使用方法和维护知识。
实验原理:蓄电池是一种将化学能转化为电能的装置,它有两个极性:正极和负极。
在充电时,通过外部电源的正极与蓄电池的负极连接,负极与正极之间的化学反应将短时间内发生,正极释放出电子离子,负极吸收电子离子,在此过程中,外部电源产生的电流就会通过电解液到达蓄电池的内充电室,进一步提供电子离子给正极和负极,在不同温度下,充电反应的速度会有所不同。
在放电过程中,将蓄电池的负极与负荷连接,正极与正荷连接,负极吸引电子离子,负荷放出电子,形成电流在负荷和正极之间流动,蓄电池的变化反应将短时间内发生。
实验器材:1.直流电源2.蓄电池3.安全连接线4.电流表5.电压表实验步骤:1.将直流电源与蓄电池正确连接,注意正负极的对应关系,避免短路。
2.选择合适的电流和电压测量范围,将电流表和电压表通过安全连接线连接到充电回路中。
3.开始充电,记录充电过程中的电流和电压值,并观察蓄电池的充电状态。
4.当蓄电池充满后,停止充电,并记录充电时间和充电电量。
5.开始放电,连接负荷并记录放电过程中的电流和电压值,并观察蓄电池的放电状态。
6.当蓄电池放空后,停止放电,并记录放电时间和放电电量。
实验结果:在充电过程中,电流随着时间的推移逐渐下降,电压逐渐上升,当蓄电池充满后,电流接近零,电压达到蓄电池的额定电压。
在放电过程中,电流随着时间的推移逐渐上升,电压逐渐下降,当蓄电池放空后,电流接近零,电压接近蓄电池的截止电压。
实验结论:1.在蓄电池充电过程中,电流和电压的变化符合电池充电特性曲线,充电到满电时,电流逐渐减小,电压逐渐增加。
2.在蓄电池放电过程中,电流和电压的变化符合电池放电特性曲线,放电到放空时,电流逐渐增加,电压逐渐减小。
3.蓄电池的充放电效率取决于负载电流和放电时间等因素,合理控制充放电条件可以延长蓄电池的使用寿命。
吉沙电厂通讯电源直流蓄电池组容量校核充放电报告
时间:2015/4/3
负责人:诺
参加人:付友国、周晓
放电前:(停充状态,供厂用负载电流4A)全组电压50V
放电开始后:(放电总电流23A)全组电压V(盘上指针表读电流,并一只数字表读电压)
放电过程记录附后页
放电曲线充电曲线
电压
时问时间
均充充入电量约185Ah后,充电装置过压保护动作,充电电流被限制,后改用大浮充再充,充入电量约8×4=32(Ah)
总充入容量:约217Ah后转为正常浮充。
测量:正勇记录:解云泉
测量:正勇记录:解云泉
测量:正勇记录:解云泉
测量:正勇记录:解云泉
测量:正勇记录:解云泉
测量:正勇记录:解云泉
测量:正勇记录:解云泉
测量:正勇记录:解云泉
测量:正勇记录:解云泉
测量:正勇记录:解云泉
测量:正勇记录:解云泉
测量:正勇记录:解云泉
测量:正勇记录:解云泉
测量:正勇记录:解云泉
测量:正勇记录:解云泉
测量:正勇记录:解云泉
2009/4/4 02:40转为大电流浮充,控制全压250V继续小电流充电
测量:正勇记录:解云泉
测量:正勇记录:解云泉
测量:正勇记录:解云泉
容量校验工作结束
螺丝湾电站220v蓄电池组容量检验报告
蓄电池型号:UXL220-2A,合资YUASA免维铅酸蓄电池。
检验日期:2009年4月3日
检验单位:螺丝湾电站
检验负责:易洪元
检验人员:正勇、解云泉
检验情况:用约10安时率放电8.4小时,放出额定容量的87%,个别电池电压已下降到极限(31号缸,1.81v),有约1/6缸接近死点电压(1.83v)。
在放电过程中,前期电压变化正常平稳整齐,到后期出现了较大差异,故放出约87%容量后终止放电,立即充电。
充电过程反应正常,总充入容量约217Ah。
充电终止转入正常浮充状态单缸电压出现较大差异(2.20-2.40v),进一步正常浮充(0.2A)后120小时观察,到。
单缸电压整齐性有所好转(2.25-2.35V之间),在相同浮充电流情况下,整组电压有升高现象。
检验结论:
蓄电池具有80%以上容量,可以满足运行要求。
个人分析意见:投厂前、蓄电池就己使用,此阶段对蓄电池维护较差;蓄电池初充电后可能未进行过放电,蓄电池还未充分激活、再经两次放充,有效容量可能还会增加;蓄电池已投运近10年,再进行放电、充电循环激活,效果已不会很好,现在只有选择俘充方式运行,维持现状;畜电池组尚有80%以上容量,整个厂区的直流供电在近期两年是安全的。
此报告
2009/4/10 附放电起、中、尾和充电起、中、尾记录
测量:正勇记录:解云泉。