最新地基验槽隐蔽工程验收记录
- 格式:docx
- 大小:19.21 KB
- 文档页数:2
隐蔽工程验收记录1.地基验槽记录2.现场预制桩钢筋安装3.预制桩的接头4.混凝土灌注桩钢筋笼5.钢筋混凝土工程6.砌体工程7.钢结构工程8.地面工程9.门窗工程10. 幕墙工程11.墙面工程12.轻质隔墙工程13.吊顶工程14.细部工程 15.地下防水工程16.屋面防水工程 17.隔热保温工程4.1.5.1 地基验槽记录Ⅰ基本要求和内容(1)地基验槽必须经土方工程质量检验评定合格后,方可提请有关单位进行验槽,并提供验槽记录,见质控(建)表4.1.5.1。
(2)基槽(坑)开挖过程中,要严禁地基土受到扰动。
验槽时,应对已开挖的基槽按顺序详细、认真地全面观察检查槽底土层的情况;检查地基持力层是否与勘察设计资料相符,地基土的颜色是否均匀;土的含水量是否一致;表层土坚硬程度有无局部软硬不均。
并对地基的匀质性作出评价,确定是否继续下挖或进行技术处理。
(3)基槽(坑)的几何尺寸和槽底标高或挖土深度(最小埋置深度)应符合设计要求。
如有局部加深、加宽者,应附图说明其原因及部位。
(4)基槽施工中遇有坟穴、地窖、废井、旧基础、管道、泉眼、橡皮土等局部异常现象时,应将其所处部位、深度、特征及处理方法进行描述,并有附图说明。
(5)对地质复杂的或重要的工程,对地基变形有特殊要求以及地基开挖后对地基土有疑义的工程,应根据设计要求或验槽磋商的意见进行有关试验。
(6)经过技术处理的地基基础及验槽中存在的问题,处理后须进行复验,复验意见和结论要明确,签证应齐全。
必要时应有勘察部门参加并签字。
Ⅱ核查办法(1)核查验槽记录能否反映验槽的主要程序,填写内容是否齐全,其主要质量特征(包括基底持力层、地基匀质性、基槽尺寸、标高、基土类别等)是否符合设计要求和有关规范规定。
地基出现异常或与地质勘察资料不符时,是否有处理方案或所采取的技术处理措施有否设计单位认可,有无复验意见,结论是否明确,参加单位的签证是否齐全。
(2)对照基础平面设计的钎探点平面图,核查钎探布孔和孔深是否满足要求;打钎记录的锤重、落距、钎径是否符合规范规定要求;钎探完毕后是否作出打钎记录分析,需处理的是否有处理意见。
新版隐蔽工程施工验收记录一、项目概述项目名称:建设单位:施工单位:施工地点:施工工期:验收时间:二、施工单位工作情况记录1.施工单位按照设计图纸和施工方案进行施工。
2.施工单位完成了隐蔽工程的所有施工任务。
3.施工单位保证了施工质量符合规范和要求。
三、隐蔽工程施工验收项目记录1.地基处理工程(1)施工单位完成了地基处理工程。
(2)地基处理工程符合相关规范和要求。
2.基础工程(1)施工单位完成了基础工程。
(2)基础工程符合相关设计要求。
3.混凝土工程(1)施工单位完成了混凝土工程。
(2)混凝土工程符合相关设计要求。
(3)混凝土工程符合相关规范要求。
4.钢筋工程(1)施工单位完成了钢筋工程。
(2)钢筋工程符合相关设计要求。
(3)钢筋工程符合相关规范要求。
5.砌体工程(1)施工单位完成了砌体工程。
(2)砌体工程符合相关设计要求。
(3)砌体工程符合相关规范要求。
6.设备安装工程(1)施工单位完成了设备安装工程。
(2)设备安装工程符合相关设计要求。
(3)设备安装工程符合相关规范要求。
7.电气工程(1)施工单位完成了电气工程。
(3)电气工程符合相关规范要求。
8.管道工程(1)施工单位完成了管道工程。
(2)管道工程符合相关设计要求。
(3)管道工程符合相关规范要求。
四、竣工验收结果1.验收结论:隐蔽工程符合设计要求和相关规范,具备使用条件。
2.验收人员:建设单位代表、施工单位代表、监理单位代表等。
3.验收日期:年月日。
五、后续工作安排1.按照竣工验收结果,组织相关单位完成后续工程。
2.监理部门跟踪工程运行情况,并及时进行维修和保养工作。
六、备注1.其他需要记录的重要事项。
以上为新版隐蔽工程施工验收记录,如有遗漏之处,请补充完善。
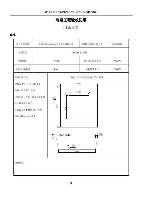
工程名称聚仁堂南侧规划路验槽部位施工单位华泰建设工程有限公司验槽日期检查记录验槽内容:1、槽基开挖至勘探报告层,持力层为层。
2、基底绝对高程符合设计要求。
3、土质情况符合设计要求。
沟槽开挖横断面图检查意见参加验收单位建设单位监理单位勘察单位设计单位施工单位(公章)签字:日期:(公章)签字:日期:(公章)签字:日期:(公章)签字:日期:(公章)签字:日期:工程名称南昌高新技术产业开发区规划三路道路排水工程验槽部位W6-W11污水管道基槽施工单位中铁二十局集团有限公司瑶湖总部经济港拆迁安置房项目经理部验槽日期2016.1.15检查记录验槽内容:1、槽基开挖至勘探报告层,持力层为中粗砂层。
2、基底绝对高程。
3、土质情况符合设计要求。
沟槽开挖横断面图检查意见参加验收单位建设单位监理单位勘察单位设计单位施工单位(公章)签字:日期:(公章)签字:日期:(公章)签字:日期:(公章)签字:日期:(公章)签字:日期:工程名称南昌高新技术产业开发区规划四路道路工程验槽部位W6-w9污水管道基槽施工单位中铁二十局集团有限公司瑶湖总部经济港拆迁安置房项目经理部验槽日期2015.10.15检查记录验槽内容:1、槽基开挖至勘探报告层,持力层为中粗砂层。
2、基底绝对高程。
3、土质情况符合设计要求。
沟槽开挖横断面图检查意见参加验收单位建设单位监理单位勘察单位设计单位施工单位(公章)签字:日期:(公章)签字:日期:(公章)签字:日期:(公章)签字:日期:(公章)签字:日期:工程名称南昌高新技术产业开发区规划四路道路工程验槽部位W10-w11污水管基槽施工单位中铁二十局集团有限公司瑶湖总部经济港拆迁安置房项目经理部验槽日期2015.8.31检查记录验槽内容:1、槽基开挖至勘探报告层,持力层为中粗砂层。
2、基底绝对高程。
3、土质情况符合设计要求。
沟槽开挖横断面图检查意见参加验收单位建设单位监理单位勘察单位设计单位施工单位(公章)签字:日期:(公章)签字:日期:(公章)签字:日期:(公章)签字:日期:(公章)签字:日期:工程名称南昌高新技术产业开发区规划四路道路工程验槽部位Y12-Y19雨水管基槽施工单位中铁二十局集团有限公司瑶湖总部经济港拆迁安置房项目经理部验槽日期2016.1.5检查记录验槽内容:1、槽基开挖至勘探报告/ 层,持力层为中粗砂层。
隐蔽工程验收中,地基验槽记录该咋做一、基本要求和内容(1)地基验槽必须房建质量检验评定合格后,方可提请有关单位进行验槽,并提供验槽记录,见质控(建)表1。
(2)基槽(坑)开挖过程中,要严禁地基土受到高气压。
验槽时,应对已开挖的基槽按顺序详细、认真地率先观察检查槽底土层的情况;检查地基持力层是否与设计资料相符,地基土的颜色是否表层;木的含水量是否一致;表层土坚硬程度有无很薄局部软硬不均。
并对地基的匀质性作出评价,确定是否继续下挖或进行技术处理。
(3)基槽(坑)的几何尺寸和槽底标高或挖土深度(最小埋置深度)应符合设计要求。
如有局部加深、加宽者,应附图说明其原因及部位。
(4)基槽施工梁乐有坟穴、地窖、废井、旧基础、管道、泉眼、橡皮土等局部异常现象前会,应将其所处部位、深度、特征及处理方法进行描述,并有附图说明。
(5)对地质复杂的或非常重要的工程,对工程变形有特殊要求以及地基开挖后对地基土有疑义的地基,应根据设计要求或验槽磋商的意见进行有关试验。
(6)经过电子技术处理的地基基础及验槽中存在的问题,处理后须进行复验,复验意见和结论要明确,签证应齐全。
必要时应有勘察部门参加并签字。
二、核查办法(1)核查验槽记录反映验槽的主要程序,填写内容若齐全,其主要质量特征(包括基底持力层、地基匀质性、基槽尺寸、标高、基土类别等)是否符合设计要求和有关规范新规定。
地基出现异常或与地质勘察资料不符,是否有处理或所采取的技术处理措施有否设计单位认可,有无复验意见,结论是否明确,参加单位的签证是否齐全。
(2)对照基础平面设计的钎金邦平探点平面图,核查钎探布孔和孔深是否满足要求;打钎记录的锤重、落距、钎径是否符合规范规定要求;钎探完毕后是否作出打钎记录分析,需处理的是不是有处理意见。
三、核定原则凡出现下列境况之一,本项目核定为“不符合要求”。
(1)无验槽记录或验槽文句记录不全。
(2)验槽记录签证申请材料不齐全。
(3)基底持力层达致不能满足设计要求,又无技术处理。
年月日 2、对保温、隔热层与节点处的防火、防虫、防腐蚀措施,应作出质量认定。
3、隐蔽工程检查记录的表式,可按表C2-5-1-4形式和要求项目填写。
并写明所用材料的合格证件或复查试验单编号,以及试件强度报告编号。
4、有防水要求的屋面、楼面应有蓄水检验记录。
在工程交工前,对工程的每个有防水要求的楼、地面进行24小时蓄水检验。
蓄水深度20~30mm,屋面进行淋水检验,人工连续2小时淋水或连续降雨3小时以上屋面不渗漏,检验记录见表式C2-5-2 防水工程隐蔽检查验收记录1、屋面、地下室、室内地面处的防水工程均应做防水工程隐蔽检查记录,隐蔽内容应包括:① 记明隐蔽部位各层间(包括保温层等)质量情况(坡度、厚度、渗漏、积水);② 记载施工前(防水)测定的各层材料含水率数值;③ 对重大部位或重要节点处设计变更情况应加以说明(文字难以说明的可用图示说明)。
伸缩缝处理、穿越防水层埋件等节点处理状况、验收情况。
不编写钢筋工程隐蔽检查验收记录。
钢结构工程隐蔽检查验收记录:钢结构工程中箱式结构等要对其防腐或防火涂装工程按表C2-5-1-4作为隐蔽检查验收。
装饰装修工程中的隐蔽工程验收装饰装修工程中涉及隐蔽工程验收的,详见“细则”,应按装饰装修分部工程表Q·1·45填写,并列入汇总表C2-5-1-1。
件,如梁、板、柱、架、基墩等可编制单一的隐蔽记录。
2、钢筋隐蔽的检查内容应包括:钢筋配置是否符合设计要求(品种、规格、数量、位置及预埋件);设计变更、材料代用情况;施工质量如绑扎方法、焊接方法、除锈状态、搭接长度、垫块厚度、焊接或搭接位置与方式等;以及材质情况如焊件试验报告、钢筋出厂合格证件、进场试验报告等,对重要结构部位的钢筋隐蔽,必要时可拍照或录像作为隐蔽附件存档。
3、对于小型钢筋混凝土构件(门窗过梁、室内地沟盖板、挑檐板、阳台栏板、梁垫、小型墩池等),可缝隙处理情况;3、砌筑施工质量检验情况(包括标高、埋深、大放脚、拉结石、砂浆饱满度等),以及相邻基础处理方法(深、浅基础)等。
地基验槽隐蔽工程验收记录
项目名称:
验收日期:
施工单位:
监理单位:
验收单位:
一、验收背景
(说明地基验槽隐蔽工程的背景,包括项目的位置、规模、用途等)二、验收标准
(说明本次验收的参考标准和要求,包括相关的国家标准、行业标准或设计文件中的规定)
三、验收内容
1.地基验收:
(详细描述地基的状况,包括地基固结沉降情况、水平变形情况、地基土的质量等,可以附上相关检测报告)
2.隐蔽工程验收:
(详细描述隐蔽工程的情况,包括基坑支护、地下管线、地下设施等的施工质量、封闭情况、标志标识等)
四、验收方法
(说明本次验收采用的方法和手段,比如现场检查、检测、抽样等)五、验收结果
(根据以上内容,给出本次验收的结果,包括合格、不合格或待整改等)
六、存在问题
(列举并描述本次验收中发现的问题和存在的不足,包括地基和隐蔽工程方面的问题,可以配合照片和测量数据进行说明,问题需要具体、明确)
七、建议和整改措施
(根据存在的问题,提出相应的建议和整改措施,可以包括对已存在问题的修复和纠正,以及对今后类似工程的预防措施等)
八、验收结论
(在充分考虑整改措施的前提下,给出本次验收的结论,包括验收是否通过、是否合格等,如不合格需要说明具体原因)
九、附件
(本次验收所需要提供的材料、照片、测量数据等附件的清单)
以上内容是针对地基验槽隐蔽工程进行验收的主要记录要点,根据实际情况进行详细填写,并且要求清晰、准确。
同时,需要注意验收记录的规范性和文件的完整性,以便后续进行工程质量评定和问题处理。
1。
14 隐蔽工程验收记录隐蔽工程是指在是施工过程中,上一道工序的工作成果,将被下一道工序的工作成果覆盖,完工以后无法检查那一部分工程.隐蔽工程验收记录,是指参加隐蔽工程验收的有关人员,对被检查工程同意验收而办理的记录,它是工程交工验收所必需的重要内容之一.一、隐蔽工程验收的内容(1)地基工程隐蔽工程验收的内容为:槽底打钎,槽底土质情况,地槽尺寸和槽底标高,槽底坟、井、坑和橡皮土等的处理情况,地下水的排除情况,排水暗沟、暗管的设置情况.土的更换情况,试桩和打桩记录等。
1)槽底打钎槽底打钎即钎探。
基(槽)坑挖好后,将钢钎打入槽底的基土中,根据每打入一定深度的锤击次数,来判断地基土质情况。
钢钎由钎尖呈60°尖锥状,直径φ22至φ25的钢筋制成,钢钎长度为1.8~2。
0m.大锤采用3。
629kg(8磅)或4。
536kg(10磅)。
打钎时,举锤离钎顶50~70cm,将钢钎垂直地打入土中,并记录每打入土层30cm深的锤击数。
钎孔的布置和钎探的深度,应根据地基土质的复杂情况和基槽(坑)宽度、形状等,由设计单位定出。
全部钎探完成后,应整理钎探记录,并根据钎探资料,在现场重点检查锤击数过多或过少的针孔土质,经各有关方面负责人签定符合设计要求,办理“隐蔽”记录。
2)槽底土质情况槽底土质情况一般通过观察验槽决定。
此项检查验收的内容为:①判明全部基底是否已挖至设计要求的土层;②检查基底土有无局部过松或过硬的地方;③检查基底土有无局部含水异常现象。
以上各点,如有不符设计要求之处,均应会同设计单位研究处理。
3)地槽尺寸和槽底标高检查地槽槽底的宽度和槽底的标高是否符合设计要求。
检查方法为:对槽底的宽度应用尺由中心线向两边量;对槽底的标高应用尺由基槽两边的水平桩向槽底量.4)槽底坟、井、坑和橡皮土等的处理情况内容包括松土坑(填土、坟穴、淤泥),砖井和土井,局部范围内的硬土或橡皮土,古河及古塘等的处理。
处理的原则是使新填土的承载能力尽可能接近设计要求槽底土质的承载能力。
基槽开挖隐蔽工程检查记录
一、前言
本文档记录了在基槽开挖隐蔽工程中进行的检查工作,目的是确保工程质量,保证施工过程安全顺利进行。
二、检查记录
1. 检查时间:2021年10月15日
•工作内容:对基槽开挖过程进行现场检查
•检查人员:工程监理、施工单位负责人
•检查结果:开挖过程符合设计要求,未发现安全隐患
2. 检查时间:2021年10月20日
•工作内容:检查基槽支护工程
•检查人员:工程监理、安全员
•检查结果:支护工程施工质量良好,未发现质量问题3. 检查时间:2021年10月25日
•工作内容:检查基槽排水系统
•检查人员:工程监理、设计单位负责人
•检查结果:排水系统完好,保证基槽内水流畅通
4. 检查时间:2021年10月30日
•工作内容:检查基槽开挖完工情况
•检查人员:工程监理、业主代表
•检查结果:基槽开挖工程全部完成,符合验收标准
三、总结
经过一系列检查,基槽开挖隐蔽工程达到了预期的验收标准,各项工作完成良好。
下一步将继续监督工程施工,确保整个工程质量安全。
以上为本次基槽开挖隐蔽工程检查记录。
希望以上内容符合您的需求。
如果需要更多细节或修改,请随时告诉我。
基础挖土验槽隐蔽工程检查验收记录
工程名称:建设单位:图号:
隐蔽部位:施工单位:隐蔽日期:年月日
专业技术负责人:质量检查员:填表人:
注:本表适用于基础挖土验槽隐蔽工程。
说明
基础挖土验槽隐蔽工程验收内容:
1.基坑内地下水以及地表水情况及其处理情况。
2.基坑(槽)开挖尺寸(长、上下口宽、深)、有无加宽、加深、换土等情况。
3.基土遇有坑、井、人工土、障碍物等的数量、位置及清除情况。
4.地下遇有电缆、旧的管道、旧房基等位置、数量及处理情况。
5.遇有流砂等不良地基的处理。
地基与基础隐蔽验收记录咱们得知道,地基可不是随便挖一挖就行的。
得先看看土壤的情况,喏,就像你去买菜,得先看看新鲜度。
土壤的承载力,沉降性,水位等等,通通要搞清楚。
想象一下,今天土壤好,明天你来盖房子,结果一下雨,地基成了泥潭,真是哭都来不及呀。
听说过“人无远虑,必有近忧”吧,这话放在建房子上也是一样,得提前考虑好各种因素,才能确保地基稳稳当当。
咱们就不得不提验收这个环节。
验收就像是给房子做体检,医生要先问问你最近感觉怎么样,再看看血压、心率,最后才开出报告。
验收的过程,得有专业的检测人员,一边检查一边做记录,简直像个侦探,仔细得让人佩服。
每一个细节都不能放过,特别是混凝土的强度、浇筑的厚度、钢筋的配置,哪怕是一点小问题,未来可能就会变成大麻烦。
等到验收完,记录也得妥妥的保存好。
这可不是随便写几句就完事,得有详细的记录,就像写日记一样。
想想那些平时的琐事,有些人写得啰嗦得不得了,有些人则简洁明了,真是见仁见智。
记录里不仅要有数据,还得有照片,最好能让人一目了然。
毕竟,未来谁都不知道会不会翻出来查一查,这就好比有些小秘密,总是藏着总是好,心里也踏实。
说到隐蔽验收,可能有人会问,啥叫隐蔽?这可有意思了,隐蔽就像藏猫猫,明面上看不见,但实际上却至关重要。
就像那些隐藏在墙体里的水管、电线,一旦出了问题,修起来可就麻烦了。
隐蔽验收的过程可得仔细,专业人员得像福尔摩斯一样,查查电缆、管道有没有漏水、短路的可能。
真要是出现什么问题,后期的维修简直要花费大把的金子。
隐蔽验收的记录同样得保存好,等到装修的时候,设计师才能知道这些“隐秘”的东西在哪里。
这样一来,施工的时候就能避免误打误撞,嘿,大家都是聪明人嘛,干活儿的时候可不能让自己掉坑里,哈哈!想想如果不记录,结果真不小心打到了水管,那可是笑不出来了。
在整个过程中,沟通也是相当重要的。
施工队、监理、设计师,大家都是一个团队,互相之间得多交流。
就像打麻将,别看每个人的牌面,实际上得好好协调,不然很容易出现不必要的误会。