电力建设施工质量验收及评定规程
- 格式:doc
- 大小:24.50 KB
- 文档页数:5
电力建设施工质量验收及评定规程第1部分土建工程4 4.0.1质量验收及评定范围要紧包含四部分内容:工程编号;质量检验项目的划分;验收单位;各分项工程检验批质量验收标准的套用。
表4.0.1-1及表4.0.1-2为火力发电厂土建工程质量验收及评定范围的基本模式。
4.0.2火力发电厂土建工程质量验收应划分为单位(子单位)工程、分部(子分部)工程、分项工程与检验批。
火力发电厂土建工程质量评定仅对单位工程进行。
4.0.3单位工程项目划分的原则:基本按具有独立生产(使用)功能或者独立施工条件的建筑物或者构筑物进行划分。
建筑规模较大的单位工程,可根据工程建设使用或者交付安装的需要,将其具有独立使用功能或者独立施工条件的部分分为一个子单位工程。
4.0.4分部工程项目划分的原则:基本按建筑物或者构筑物工程的部位划分,同时兼顾专业性质;当分部工程较大或者较复杂时,可按材料种类、施工特点、施工程序、专业系统及类别等划分为若干子分部工程。
附属工程或者非生产建筑单位工程参照表4.0.1-2的原则划分。
4.0.5分项工程划分的原则:建筑物或者构筑物工程基本按要紧工种或者材料、施工工艺、设备类别等工程划分;建筑设备安装工程通常按用途、种类及设备组别等划分;分项工程可由一个或者若干检验批构成。
4.0.6检验批的划分原则:按同一的生产条件或者工艺、工序阶段或者按规定的方式汇总,由一定数量样本构成的检验体,可根据施工及质量操纵与专业验收需要按楼层、施工区段、变形缝等进行划分。
4.0.7木结构与智能建筑工程及水消防工程外的特殊消防工程,在工程实际使用时,应根据国家有关标准规定,按本部分质量验收及评定范围划分的原则增列。
4.0.8各工程均应按照表4.0.1-1及表4.0.1-2的基本模式,结合工程具体情况,制定工程项目的质量验收及评定范围。
质量验收及评定范围表可由承建工程的施工单位编制,监理单位审查,建设单位确认。
表4.0.1-1(续)。
电力建设施工质量验收及评价规程2021(原创版)目录一、电力建设施工质量验收及评价规程概述二、电力建设施工质量验收及评价规程的具体内容三、电力建设施工质量验收及评价规程的应用范围四、电力建设施工质量验收及评价规程的实施情况五、电力建设施工质量验收及评价规程的未来发展正文一、电力建设施工质量验收及评价规程概述电力建设施工质量验收及评价规程是一套针对电力工程建设的质量验收和评价的标准体系,旨在确保电力建设项目的质量符合相关要求,提高工程质量和安全性。
该规程涵盖了电力建设施工的各个环节,包括土建工程、锅炉机组、汽轮发电机组、热工仪表及控制装置、管道及系统、水处理及制氢设备和系统、焊接工程、加工配制等。
二、电力建设施工质量验收及评价规程的具体内容电力建设施工质量验收及评价规程主要包括以下内容:1.土建工程:包括土方工程、基础工程、结构工程、建筑工程等,对施工过程中的质量进行检查和验收。
2.锅炉机组:对锅炉设备的安装、调试、运行等进行质量验收和评价。
3.汽轮发电机组:对汽轮发电机组设备的安装、调试、运行等进行质量验收和评价。
4.热工仪表及控制装置:对热工仪表及控制装置的安装、调试、运行等进行质量验收和评价。
5.管道及系统:对管道及系统的安装、调试、运行等进行质量验收和评价。
6.水处理及制氢设备和系统:对水处理及制氢设备和系统的安装、调试、运行等进行质量验收和评价。
7.焊接工程:对焊接工程的质量进行验收和评价。
8.加工配制:对加工配制过程中的质量进行检查和验收。
三、电力建设施工质量验收及评价规程的应用范围电力建设施工质量验收及评价规程适用于火力发电厂、水力发电厂、核电厂等电力建设项目的施工质量检查、验收和单位工程质量评定。
四、电力建设施工质量验收及评价规程的实施情况电力建设施工质量验收及评价规程在我国已得到广泛实施,各级电力建设施工单位在项目实施过程中都要按照该规程进行质量验收和评价,确保工程质量符合要求。
电力建设施工质量验收及评定规程第1部分:土建工程DL/T5210.1—2005应用及验收记录表式填写说明目录一、DL/T5210.1—2005的适用范围 3二、DL/T5210.1—2005的编制依据 3三、质量验收项目划分原则及评定范围 6四、工程质量验收及评定10五、施工组织设计中施工\监理\建设单位共同确认的内容28六、工程施工记录28 (一)施工现场质量检查记录28 (二)施工技术记录30 (三)施工测量记录32 (四)施工物资资料记录36 (五)施工记录36 附表56电力建设施工质量验收及评定规程第1部分:土建工程DL/T5210.1—2005应用及验收记录表式填写说明一、DL/T5210.1—2005的适用范围1、适用于单机容量为1000MW及以下的火力发电厂土建工程的施工质量检查验收和单位工程质量评定。
2、燃气轮机电站、垃圾电站、1000kV及以下变电所等土建工程的施工质量检查、验收和单位工程质量评定,可参照执行。
二、L/T5210.1—2005的编制依据1、编制依据:是依据现行国家有关工程质量的法律、法规、管理标准、技术标准及电力行业有关标准。
引用国家标准和相关行业标准中的强制性条文。
2、主要参照现行国家标准建筑工程质量验收规范系列标准中适合火力发电厂土建工程的条款,较多的参考了原电力工业部标准《火电施工质量检验及评定标准第一篇土建工程篇》的内容,并结合近期火力发电厂土建工程实践及发展趋势综合编制而成。
3、指导思想:验评分离、强化验收、完善手段、过程控制。
(1) 验评分离:是将现行的验评标准中的质量检验与质量评定的内容分开,现行的施工规范中的施工工艺和质量验收的内容分开;将现行的验评标准中的质量检验与现行施工规范中的质量验收衔接;形成工程质量验收规范;分离出来的施工工艺部分作为企业标准或推荐性标准;分离出来的质量评定部分,主要是为企业操作工艺水平进行评价,可作为行业推荐性标准,为企业的创优评价提供依据。
电力建设施工质量验收及评定规程【简介】本部分适用于单机容量为1000MW级及以下的火力发电厂土建工程施工质量检查、验收和单位工程质量评定。
燃气轮机电站、垃圾电站、1000kV及以下变电所等土建工程的施工质量检查、验收和单位工程质量评定,可参照执行。
【关键字】电力建设,施工质量验收,评定规程1范围本部分规定了火力发电厂土建工程的施工质量检查、验收和单位工程质量评定。
本部分适用于单机容量为1000MW级及以下的火力发电厂土建工程施工质量检查、验收和单位工程质量评定。
燃气轮机电站、垃圾电站、1000kV 及以下变电所等土建工程的施工质量检查、验收和单位工程质量评定,可参照执行。
2规范性引用文件下列文件中的条款通过本部分的引用而成为本部分的条款。
凡是注日期的引用文件,其随后所有的修改单(不包括勘误的内容)或修订版均不适用于本部分,然而,鼓励根据本部分达成协议的各方研究是否可使用这些文件的最新版本。
凡是不注日期的引用文件,其最新版本适用于本部分。
GB175硅酸盐水泥、普通硅酸盐水泥GB1499钢筋混凝土用热轧带肋钢筋GB1596用于水泥和混凝土中的粉煤灰GB/T5224预应力混凝土用钢绞线GB5749生活饮用水卫生标准GB8076混凝土外加剂GB/T8923涂装前钢材表面锈蚀等级和除锈等级GB/T14370预应力筋用锚具、夹具和连接器GB50010混凝土结构设计规范GB50092沥青路面施工及验收规范GB50164混凝土质量控制标准GB50119混凝土外加剂应用技术规范GB50203砌体工程施工质量验收规范GB50204混凝土结构工程施工质量验收规范GB50206木结构工程施工质量验收规范GB50209建筑地面工程施工质量验收规范GB50300建筑工程施工质量验收统一标准GBJ107混凝土强度检验评定标准DL/T869火力发电厂焊接技术规程DL/T5031电力建设施工及验收技术规范(管道篇)JGJ18钢筋焊接及验收规程JGJ52普通混凝土用砂质量标准及检验方法JGJ53普通混凝土用碎石或卵石质量标准及检验方法JGJ55普通混凝土配合比设计规程JGJ63混凝土拌合用水标准JGJ106建筑基桩检测技术规范JGJ107钢筋机械连接通用技术规程JG/T122建筑木门、木窗JG/T3013预应力混凝土用金属螺旋管SL47水工建筑物岩石基础开挖工程施工技术规范SL62水工建筑物水泥灌浆施工技术规范3总则3.0.1为规范和统一火力发电厂土建工程的施工质量检查、验收和单位工程质量评定,加强工程建设质量管理与控制,保证工程质量,制定本部分。
DL_T5210。
7_2010电力建设施工质量验收及评价规程ICS27。
100F20备案号:J1066—2010中华人民共和国电力行业标准 P DL/T5210.7—2010火电施工质量检验及评定标准第7部分:焊接2010—05-24发布 2010—10—01实施国家能源局发布1目次前言........................................................................II 1 范围........................................................................1 2 规范性引用文件.........................................................2 3 术语定义..................................................................3 4 一般规定..................................................................4 5 焊接工程分类及质量验评等级标准.................................8 6 焊接工程质量验评具备的条件.......................................19 7 焊接工程质量验评项目及程序.......................................20 8 焊接工程质量验收准则及等级评定 (26)2前言DL/T5210《电力建设施工质量验收及评价规程》共8个部分: ——DL/T5210。
1 第1部分:土建工程——DL/T5210.2 第2部分:锅炉机组——DL/T5210.3 第3部分:汽轮发电机组——DL/T5210。
电力建设施工质量验收及评定规程最新版一、引言电力是现代社会正常运转和经济发展的基础,电力建设施工质量的验收与评定是保障电力工程安全可靠运行的重要环节。
为了提高电力建设质量,确保工程质量符合国家标准和规定,本文档制定了电力建设施工质量验收及评定规程的最新版。
二、施工质量验收1.施工前准备(1)编制施工组织设计,明确工程施工的任务和目标。
(2)制定施工计划,明确施工过程与步骤。
(3)组织相关人员进行培训,确保施工人员具备相应的技能和专业知识。
(4)准备所需的施工材料和设备,并确保其符合国家标准和规定。
2.施工过程验收(1)监督施工现场的安全和文明施工,确保施工环境符合要求。
(2)监控施工过程中的关键节点,并及时记录施工日志。
(3)验收施工单位提供的材料和设备,检查其质量和合格证明。
(4)检查施工单位所使用的施工工具和仪器设备的有效期,确保其处于有效状态。
(5)检查施工单位的施工程序和质量检测计划,确保符合相关标准和规定。
3.施工质量评定(1)对施工质量进行评估,包括工程施工质量的整体评价和关键部位的评估。
(2)根据评估结果,对施工单位进行质量评定,评定结果作为该单位参与电力建设项目的资格条件。
三、设备安装验收1.设备验收准备(1)编制设备验收计划,明确验收的程序和要求。
(2)设备运输到位后,进行设备完好性检查,确保设备在运输过程中没有损坏。
2.设备验收过程(1)检查设备的外观和表面质量,包括外观是否完好、涂层是否均匀。
(2)检查设备的电气接线,保证接线正确、可靠。
(3)对设备的性能指标进行测试和检测,确保设备符合设计要求。
(4)检查设备的安装情况,包括设备固定和支撑等。
3.设备验收评定(1)对设备的安装质量进行评估,包括设备的安装位置是否合理、设备固定是否可靠等。
(2)根据评估结果,对设备进行质量评定,评定结果作为设备投入使用的依据。
四、工程竣工验收1.验收准备(1)编制竣工验收计划,明确验收的内容和要求。
《电力建设施工质量验收及评定规程第1部分:土建工程》(CDL/T5210、1—2005)部分条文索引说明:1、索引条文项目:用于分项工程、检验批工程质量报验单,项目监理部签署检验意见时套用引据;2、签署意见格式为:经检查、验收,符合《电力建设施工质量验收及评定规程》第X条至第X条和设计图纸的规定,同意报验或隐蔽;3、以下条文中未涉及部份,套用专用部份条文,条文索引如下:(一)5。
2 单位工程定位放线5.2。
1 单位工程定位放线1 适用范围2检查数量3 质量标准和检验方法(二)5.3 土石方及基坑工程5。
3.1 土方开挖工程1 检查数量2 质量标准和检查方法5。
3.2 土方回填工程1 检查数量2 质量标准和检验方法5.3.3 石方爆破开挖工程5.3。
4 重复使用钢板桩支护工程5.3.5 钢板桩支护工程5.3.6 水泥土桩墙支护工程5。
3。
7 锚杆及土钉支护工程5。
3.8 钢筋混凝土支护系统5.3.9 地下连续墙工程5.3。
10 (沉井)箱工程5.3.11 降水与排水工程(三)5.4。
1 灰土地基工程5。
4.2 砂和砂石工程5。
4.3 土工合成材料地基工程5.4.4 粉煤灰地基工程5.4.5 强夯地基工程5.4.6 根冲地基工程5.4。
7 砂桩地基工程5。
4。
8 预压地基工程5.4.9 高压喷射注浆工程5。
4.10 土和灰土挤密桩复合地基工程5.4。
11 注浆地基工程5。
4.12 水泥粉煤灰碎石桩复合地基工程5。
4.13 夯实水泥土桩复合地基工程5.4.14 水泥土搅拌桩地基工程5.4.15 静力压桩工程5.4。
16 先张法预应力管桩工程5。
4。
17 砼预制桩模板安装工程5。
4。
18 砼预制桩钢筋安装5.4。
19 砼预制桩外观质量及尺寸偏差5.4。
20 砼预制桩施工(打桩)5.4。
21 成品钢桩5.4.22 钢桩施工5.4.23 螺旋钻、潜水钻、回旋钻和冲击钻成孔5.4.24 钻扩机、机动洛阳铲和沉箱成孔5。
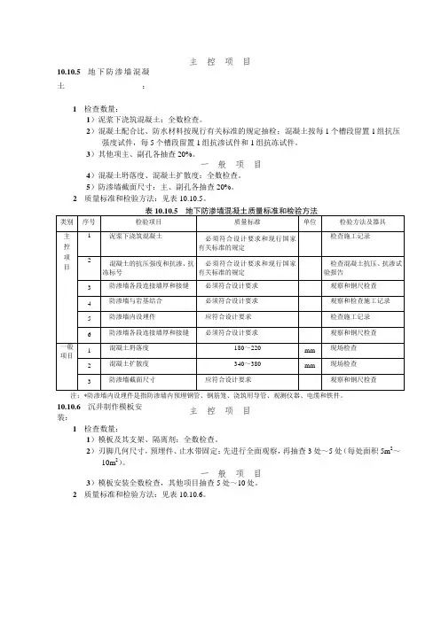
DL / T 5210.1 —20125通用工程质量验收5.1 一般规定5.1.1 本章适用于建筑工程的施工测量,以及土石方与基坑、地基处理与桩基、防水、砌体、混凝土结构、钢结构、地面与楼面、屋面、建筑装饰装修、防腐蚀、给排水及采暖、通风与空调、建筑电气、电梯、厂区道路、智能建筑、建筑节能、水土保持、室外(厂区景观)、其他消防等工程的施工质量验收。
5.1.2 本章5.3、5.4 适用于具备完整的地质勘察资料及工程附近管线、建筑物、构筑物和其他公共设施的构造情况资料的土石方与基坑工程、地基处理与桩基工程的施工质量验收。
5.1.3 本章5.5~5.8 适用于地下建筑物及构筑物、防护工程及沟、隧道等地下工程防水的施工质量验收。
5.1.4 本章5.9 适用于建筑工程的砖、石、混凝土小型空心砌块、蒸压加气混凝土砌块等砌体的施工质量验收。
5.1.5 本章5.10 适用于建筑工程混凝土结构施工质量的验收,不适用于特种混凝土结构施工质量的验收。
5.1.6 本章5.11 适用于建筑工程单层、多层、高层以及网架、压型金属板等钢结构工程施工质量的验收。
5.1.7 本章5.12 适用于地面与楼面工程(含室外散水、明沟、踏步、台阶和坡道等附属工程)的施工质量验收,不适用于有保温、隔热、超净、屏蔽、绝缘、防止放射线以及防腐蚀等特殊要求的建筑地面工程的施工质量验收。
5.1.8 本章5.13~5.21 适用于抹灰、门窗、吊顶、轻质隔墙、饰面板(砖)、幕墙、涂饰、裱糊与软包、装饰装修细部等工程的施工质量验收。
5.1.9 本章5.22 适用于防水等级为Ⅰ~Ⅲ级的屋面工程的施工质量验收。
5.1.10 本章5.23 适用于新建、改建、扩建的建筑物和构筑物防腐蚀工程的施工质量验收。
5.1.11 本章5.24 适用于厂区内、外的永久性沥青路面和水泥混凝土路面,其中沥青路面包括沥青混凝土、沥青碎石、沥青表面处理、沥青贯入式、沥青上拌下贯式等路面。
电力建设施工质量验收规程
一、总则
1. 为了保证电力建设施的质量,根据有关法律、法规及国家规定,制定本规程。
2. 本规程适用于新建、改建、变压器及其它供电施工质量验收。
二、电能质量验收程序
1. 电能质量的验收主要包括设计质量、施工质量、安装质量和操作质量四个部分,根据工程的实际工况,由专业人员负责监定、审核和抽查。
2. 电力施工的质量验收应按照《国家统一电力施工质量检验管理办法》进行。
三、抽查内容
1. 施工质量抽查内容主要包括了:施工安全管理情况、施工质量管理情况、施工过程及施工质量抽查及质量分级等情况。
四、质量验收标准
2. 安装质量验收标准:安装进度管理、安装完整度、安装质量总体综合评价、安装现场抽查及质量分级等情况。
五、施工质量验收评定
施工质量验收评定,根据评定和检验检查结果,结合实际工程施工情况,综合评定施工质量等级。
六、验收文件
施工质量验收过程中,需要准备相关验收文件,包括工程验收报告、施工任务书、交底资料、验收报记录等文件。
电力建设施工质量验收及评定规程(DL/T5210.1-2005)【简介】本部分适用于单机容量为1000MW级及以下的火力发电厂土建工程施工质量检查、验收和单位工程质量评定。
燃气轮机电站、垃圾电站、1000kV及以下变电所等土建工程的施工质量检查、验收和单位工程质量评定,可参照执行。
【关键字】电力建设,施工质量验收,评定规程1范围本部分规定了火力发电厂土建工程的施工质量检查、验收和单位工程质量评定。
本部分适用于单机容量为1000MW级及以下的火力发电厂土建工程施工质量检查、验收和单位工程质量评定。
燃气轮机电站、垃圾电站、1000kV及以下变电所等土建工程的施工质量检查、验收和单位工程质量评定,可参照执行。
2规范性引用文件下列文件中的条款通过本部分的引用而成为本部分的条款。
凡是注日期的引用文件,其随后所有的修改单(不包括勘误的内容)或修订版均不适用于本部分,然而,鼓励根据本部分达成协议的各方硏究是否可使用这些文件的最新版本。
凡是不注日期的引用文件,其最新版本适用于本部分。
GB175硅酸盐水泥、普通硅酸盐水泥GB1499钢筋混凝土用热轧带肋钢筋GB1596用于水泥和混凝土中的粉煤灰GB/T5224预应力混凝土用钢绞线GB5749生活饮用水卫生标准GB8076混凝土外加剂GB/T8923涂装前钢材表面锈蚀等级和除锈等级GB/T14370预应力筋用锚具、夹具和连接器GB50010混凝土结构设计规范GB50092沥青路面施工及验收规范GB50164混凝土质量控制标准GB50119混凝土外加剂应用技术规范GB50203砌体工程施工质量验收规范GB50204混凝土结构工程施工质量验收规范GB50206木结构工程施工质量验收规范GB50209建筑地面工程施工质量验收规范GB50300建筑工程施工质量验收统一标准GBJ107混凝土强度检验评定标准DL/T869火力发电厂焊接技术规程DL/T5031电力建设施工及验收技术规范(管道篇)JGJ18钢筋焊接及验收规程JGJ52普通混凝土用砂质量标准及检验方法JGJ53普通混凝土用碎石或卵石质量标准及检验方法。
电力建设施工质量验收及评定规程(土建工程)一、前言在电力建设过程中,土建工程质量验收是一个非常重要的环节,其质量直接关系到电力建设工程的安全稳定运行。
为了保证土建工程的施工质量,特制定此规程,对电力建设施工质量验收及评定进行规范,力求做到合理、公正、准确。
二、施工前验收准备1.施工单位应按照《建筑工程质量验收规范》编制施工组织设计,并报建设单位审批。
2.施工单位应建立并健全质量管理体系,明确各项工程质量目标和验收标准。
3.按照相关规定和标准制定土建工程质量验收计划,包括验收时间、验收内容、验收标准等。
4.施工单位应对参与土建工程施工的管理人员和技术人员进行培训,确保他们熟悉并执行相应的管理标准和验收要求。
三、施工过程质量验收1.施工单位应按照验收计划,组织相应的验收人员对土建工程施工过程进行抽查,确保施工过程符合设计要求和施工规范。
2.验收人员应对施工现场的施工质量进行检查,包括地基处理、基础施工、主体结构施工等,对存在问题的地方应及时提出整改意见,并追踪整改情况。
3.施工单位应及时向建设单位报告施工进度和质量状况,并按照要求提供相关资料和记录。
四、竣工验收及评定1.施工单位完成土建工程施工后,应按照验收计划组织竣工验收工作,并向建设单位提供竣工验收资料。
2.竣工验收应由建设单位组织,验收人员应包括相关设计单位、监理单位等专业人员,确保验收公正。
3.竣工验收内容包括土建工程工程质量、建筑质量、结构安全、施工图纸和变更手续等内容。
4.竣工验收合格后,建设单位应颁发相应的竣工验收证书,并按照合同要求进行结算。
五、质量评定及奖惩措施1.对土建工程的质量评定应按照相关标准和规范进行,验收人员应严格按照相关标准,做出客观、公正的评定意见。
2.对合格的土建工程进行奖励,可以给予相关单位和个人一定的荣誉称号或奖金。
3.对不合格的土建工程要求整改,整改责任由施工单位承担,直至符合要求为止。
并对相关责任人进行相应的责任追究。
电力建设施工质量验收及评定规程【简介】本部分适用于单机容量为1000MW级及以下的火力发电厂土建工程施工质量检查、验收和单位工程质量评定。
燃气轮机电站、垃圾电站、1000kV 及以下变电所等土建工程的施工质量检查、验收和单位工程质量评定,可参照执行。
【关键字】电力建设,施工质量验收,评定规程1范围本部分规定了火力发电厂土建工程的施工质量检查、验收和单位工程质量评定。
本部分适用于单机容量为1000MW级及以下的火力发电厂土建工程施工质量检查、验收和单位工程质量评定。
燃气轮机电站、垃圾电站、1000kV 及以下变电所等土建工程的施工质量检查、验收和单位工程质量评定,可参照执行。
2规范性引用文件下列文件中的条款通过本部分的引用而成为本部分的条款。
凡是注日期的引用文件,其随后所有的修改单(不包括勘误的内容)或修订版均不适用于本部分,然而,鼓励根据本部分达成协议的各方研究是否可使用这些文件的最新版本。
凡是不注日期的引用文件,其最新版本适用于本部分。
GB175硅酸盐水泥、普通硅酸盐水泥GB1499钢筋混凝土用热轧带肋钢筋GB1596用于水泥和混凝土中的粉煤灰GB/T5224预应力混凝土用钢绞线GB5749生活饮用水卫生标准GB8076混凝土外加剂GB/T8923涂装前钢材表面锈蚀等级和除锈等级GB/T14370预应力筋用锚具、夹具和连接器GB50010混凝土结构设计规范GB50092沥青路面施工及验收规范GB50164混凝土质量控制标准GB50119混凝土外加剂应用技术规范GB50203砌体工程施工质量验收规范GB50204混凝土结构工程施工质量验收规范GB50206木结构工程施工质量验收规范GB50209建筑地面工程施工质量验收规范GB50300建筑工程施工质量验收统一标准GBJ107混凝土强度检验评定标准DL/T869火力发电厂焊接技术规程DL/T5031电力建设施工及验收技术规范(管道篇)JGJ18钢筋焊接及验收规程JGJ52普通混凝土用砂质量标准及检验方法JGJ53普通混凝土用碎石或卵石质量标准及检验方法JGJ55普通混凝土配合比设计规程JGJ63混凝土拌合用水标准JGJ106建筑基桩检测技术规范JGJ107钢筋机械连接通用技术规程JG/T122建筑木门、木窗JG/T3013预应力混凝土用金属螺旋管SL47水工建筑物岩石基础开挖工程施工技术规范SL62水工建筑物水泥灌浆施工技术规范3总则3.0.1为规范和统一火力发电厂土建工程的施工质量检查、验收和单位工程质量评定,加强工程建设质量管理与控制,保证工程质量,制定本部分。
3.0.2本部分依据现行国家有关工程质量的法律、法规、管理标准、技术标准及电力行业有关标准编制。
本部分中,引用国家标准和相关行业标准中的强制性条文,以符号☆标注。
3.0.3火力发电厂土建工程的施工质量检查、验收和单位工程质量评定除应执行本标准的规定外,尚应符合国家现行有关强制性标准的规定。
3.0.4工程施工质量检查、验收和单位工程质量评定均应在施工单位自行检查、评定的基础上进行;隐蔽工程在隐蔽前应由施工单位通知有关单位进行验收,并应形成验收文件;涉及结构安全的试块、试件以及有关材料,应按规定进行见证取样检测;工程的观感质量应由验收人员通过现场检查,并应共同确认。
3.0.5参加工程施工质量验收的各方人员及见证取样人员应具备规定的资格;承担土建工程试验、检测的试验室及承担有关结构安全和功能试验、检测的单位或机构应具有相应资质。
3.0.6火力发电厂土建工程质量验收划分为单位(子单位)工程、分部(子分部)工程、分项工程和检验批。
3.0.7检验批是按同一的生产条件或按规定的方式汇总起来供检验用的,由一定数量样本组成的检验体;可根据施工及质量控制和专业验收需要按楼层、施工段、变形缝等进行划分。
检验批的质量应按主控项目和一般项目验收,检验批合格质量应符合下列规定:1主控项目的质量经抽样检验合格。
2一般项目的质量经抽样检验合格;其中允许有偏差的项目,除有特殊要求外,每项均应有80%及以上的检查点符合要求,其余的检查点不能有严重缺陷。
3具有完整的施工操作依据、质量检查记录。
3.0.8分项工程应按主要工种、材料、施工工艺、设备类别等进行划分,可由一个或若干检验批组成。
分项工程质量验收合格应符合下列规定:1分项工程所含的检验批均应符合合格质量的规定。
2分项工程所含检验批的质量验收记录应完整。
3.0.9分部工程的划分应按专业性质、建筑部位确定;当分部工程较大或较复杂时,可按材料种类、施工特点、施工程序、专业系统及类别等划分为若干子分部工程。
分部(子分部)工程质量验收合格应符合下列规定:1分部(子分部)工程所含分项工程的质量均应验收合格。
2质量控制资料应完整。
3地基与基础、主体结构和设备安装等分部工程有关安全及功能的检验和抽样检测结果应符合有关规定。
4观感质量验收应符合要求;质量评价为“差”的项目,应进行返修。
3.0.10单位工程的划分原则可按下列规定确定:1具有独立生产(使用)功能或独立施工条件的建筑物及构筑物为一个单位工程。
2建筑规模较大的单位工程,可将其具有独立生产(使用)功能或独立施工条件的部分划为一个子单位工程。
3.0.11单位(子单位)工程质量验收合格应符合下列规定:1单位(子单位)工程所含分部(子分部)工程的质量均应验收合格。
2质量控制资料应完整。
3单位(子单位)工程所含分部(子分部)工程有关安全及功能的检测资料应完整。
4主要功能项目的抽查结果应符合相关专业质量验收标准的规定。
5观感质量验收应符合要求。
3.0.12当工程质量不符合要求时,应按下列规定进行处理:1经返工重做或更换器具、设备的检验批,应重新进行验收。
2经有资质的检测单位检测鉴定能够达到设计要求的检验批,应予以验收。
3经有资质的检测单位检测鉴定达不到设计要求、但经原设计单位核算认可能够满足结构安全和使用功能的检验批,可予以验收。
4经返修或加固处理的分项、分部工程,虽然改变外形尺寸但仍能满足安全使用要求,可按技术处理方案和协商文件进行验收。
3.0.13通过返修或经过加固处理仍不能满足安全使用要求的分部工程、单位(子单位)工程,严禁验收。
3.0.14单位工程质量评定设“合格”和“优良”两个等级。
所有单位工程在验收合格的基础上,均应进行工程质量等级评定。
具备下列条件,应评定为优良:1单位工程质量验收合格,且结构安全,满足使用功能要求。
2单位工程的资料核查结果,资料齐全、内容完整、数据准确、签字齐全、可查性强。
3主要原材料、半成品及成品的复试项目齐全,检验批符合要求;钢筋、水泥跟踪管理有可追溯性。
4地基处理符合要求,桩基工程不得有Ⅲ类、Ⅳ类桩;主体结构及主要设备基础的沉降符合设计要求及相关标准的规定。
5混凝土结构内实外光,线条顺直;施工缝留设合理,处理认真,接缝平整;大体积混凝土温控良好;有抗渗要求的混凝土结构无渗漏。
6单层钢结构主体结构的整体垂直度偏差小于H1/1000mm,且小于20mm;多层及高层钢结构主体结构的整体垂直度偏差小于H1/2500mm+10.0mm,且小于40mm。
注:H1为钢结构的整体高度。
7建筑物屋面及有防水要求的楼面淋水或满水试验一次成功,屋面无积水。
8单位工程观感质量好,总体的观感得分率不小于85%。
单位工程在验收合格的基础上,凡不具备优良工程评定条件之一的单位工程均评定为合格。
3.0.15出现以下情形之一的单位工程不得评为优良:1检验批存在质量缺陷,经有资质的检测单位检测鉴定达到设计要求予以验收合格的。
2检验批存在质量缺陷,经有资质的检测单位检测鉴定达不到设计要求,但经原设计单位核算并确认仍可满足结构安全和使用功能予以验收的。
3检验批、分项工程存在质量缺陷,经返修或加固处理能够满足结构安全使用要求,根据技术处理方案和协商文件进行验收的。
3.0.16单位工程质量等级评定的权限:单位工程的质量等级应由施工单位自评,经监理单位复核,由建设单位核定。
3.0.17当单位工程有分包单位施工时,分包单位对所承包的工程项目应按本部分规定的程序检查验收,总包单位应负责组织验收。
分包工程完成后,应将工程有关资料交总包单位。
3.0.18工程质量验收及单位工程质量评定的程序、组织和记录应符合下列规定:1检验批质量验收记录由施工项目专业质量检查员填写,由专业监理工程师(建设单位项目专业技术负责人)组织项目专业质量检查员等进行验收,并按表3.0.18-1记录。
2分项工程质量验收应由专业监理工程师(建设单位项目专业技术负责人)组织施工单位项目质量(技术)负责人等进行验收,并按表3.0.18-2记录。
3分部(子分部)工程质量验收应由总(副总)监理工程师(建设单位项目负责人)组织施工单位项目负责人和技术、质量负责人等进行验收;地基与基础、主体结构分部工程的勘测、设计单位工程项目负责人和施工单位技术、质量部门负责人也应参加相关分部工程验收,并按表3.0.18-3记录。
4单位(子单位)工程完工后,施工单位应自行组织有关人员进行检查评定,验收合格后向建设单位提交工程验收申请报告。
建设单位收到工程验收申请报告后,应由建设单位(项目)负责人组织施工(含分包单位)、设计、监理等单位(项目)负责人进行单位(子单位)工程验收。
单位(子单位)工程质量竣工验收应按表3.0.18-4记录,表3.0.18-4为单位(子单位)工程质量验收的汇总表与表3.0.18-3和表3.0.18-5、表3.0.18-6、表3.0.18-7配合使用。
表3.0.18-5为单位(子单位)工程质量控制资料核查记录;表3.0.18-6为单位(子单位)工程安全和功能检验资料核查及主要功能抽查记录;表3.0.18-7为单位(子单位)工程观感质量检查记录。
表3.0.18-4验收记录由施工单位填写,验收结论由监理(建设)单位进行填写。
综合验收结论由参加验收各方共同商定,建设单位填写。
综合验收结论应对工程质量是否符合设计和有关标准要求及总体质量水平做出评价。
5单位工程质量等级评定按表3.0.18-8记录。
3.0.19施工现场质量管理检查记录应由施工单位按表3.0.19填写,总(副总)监理工程师(建设单位项目负责人)进行检查,并做出检查结论。