同步带轮选型手册
- 格式:doc
- 大小:260.00 KB
- 文档页数:6
同步带轮选型设计同步带轮(Sprocket)选型设计是指根据使用场景、工作条件和要求,选择合适的同步带轮来实现机械传动的目标。
同步带轮是一种通过同步带与齿轮齿条结合实现传动的装置。
在进行同步带轮选型设计时,需要考虑以下几个方面:1.传动比:传动比是指同步带轮的齿数之比,可以根据传动比的要求选择合适的同步带轮。
传动比的选择会影响到输出转速和扭矩的大小。
2.压力角:压力角是同步带轮齿面与动力传动方向之间的夹角,同步带轮的压力角决定了传动效率、转矩传递能力和噪音水平。
较小的压力角可以提高传动效率和转矩传递能力,但也会增加传动过程中的噪音振动。
3.齿形:同步带轮的齿形是影响传动效果的重要因素,常见的齿形包括直齿、弯齿和鱼骨齿等。
不同的齿形适用于不同的传动要求,例如弯齿适用于高转速传动,而直齿适用于较高扭矩的传动。
4.材料选择:同步带轮可以根据工作条件选择合适的材料,常见的材料有钢、铸铁、铝合金和塑料等。
选择材料时需要考虑到工作环境的温度、湿度、腐蚀性等因素。
5.动力和转矩:根据传动系统的动力需求和传动的转矩要求,确定所需的同步带轮的尺寸和参数。
需要考虑到输出功率、转速、传动效率等因素。
6.安装方式:同步带轮的安装方式包括轴承式安装和轴端固定安装等。
根据实际情况选择合适的安装方式。
7.寿命和性能指标:选择同步带轮时还需要考虑其寿命和性能指标,例如噪音、振动、传动效率、耐热性等。
8.成本和可维护性:同步带轮的成本和可维护性也是选型设计中需要考虑的因素。
需要根据预算和维护要求来选择合适的同步带轮。
总结来说,同步带轮选型设计是一个综合考虑多种因素的过程,需要根据实际需求和要求来选择合适的同步带轮。
选型设计的准确与否将直接影响到机械传动的效果和性能。
因此,在进行选型设计时,需要充分了解系统需求和设计要求,选择合适的同步带轮,以确保传动系统的运行稳定性和效率。
同步带传动是利用带齿与带轮齿啮合来传递动力的一种新型传动方式,具有准确的同步传动功能,不需要润滑、无滑差、无污染、噪音少;传动效率达0.98,速比范围可达1:10,允许线速可达50m/s,传动率从几百瓦到数百千瓦,适宜多轴传动。
广泛应用于纺织、汽车、化纤、卷烟、造纸、印刷、化工等机械设备;近年来,采矿冶金、钢铁机械、医疗设备需求量日渐增加。
同步带轮选型需注意的参数:
一、齿形
同步带轮齿形可以分为英制(普通扭矩)MXL、XL、L、H以及公制(高扭矩)S2M、S3M、S4M、S5M、S8M和(普通扭矩)T5、T10
齿形的选择可以参照下表:
二、齿数
齿数是同步带轮重要参数,同步带轮节圆直径=齿数×齿距/π
三、材质及表面处理
同步带轮常用材质为铝合金及45#钢,表面处理分别为
铝轮:本色氧化黑色氧化;钢轮:四氧化三铁保护膜无电解镀镍
四、带轮形状K形轮
A形轮
B形轮
D形轮
带轮轴孔规格:
友情提示:本资料代表个人观点,如有帮助请下载,谢谢您的浏览!。
很多采购在选择同步带与同步轮的问题上犯难,不知道怎么选择好。
如果知道采购同步带与同步带轮需要注意的事项,就不会那么难以选择了。
总的来说,同步带与同步带轮是根据同步带传动系统中所需要的齿形还有具体的啮合参数等来进行选择。
下面我们来详细了解下。
同步带和同步轮选型方式
1、选择模型时,首先根据同步带和同步轮的齿形模型,以及同步带和同步轮的节距等相关啮合参数,确定同步轮的齿数、节径和结构。
2、同步轮齿数和直径的计算主要是先确定小同步轮的齿数,然后根据同步轮传动系统的传动比确定大同步轮的齿数。
3、为了保证同步轮的使用寿命,小同步轮的直径应大于同步轮的最小允许弯曲直径,然后根据数据换算成同步轮的最小齿数。
只要结构和成本允许,再考虑同步带的使用寿命,小同步轮的齿数需要略大于允许的最小尺寸稍微多一些是最好的。
4、在确定小同步轮的齿数时,根据同步轮传动系统的传动比确定大同步轮的齿数。
最后根据同步轮传动结构确定两同步轮之间的中心距即可。
同步带以及同步轮的储藏方式
1、同步带和同步轮在存放时应避免阳光直射或雨淋,适度过度放置。
2、存放时,皮带轮应避免与水、油、化学品、热源等物质接触。
3、储存时,不应将皮带直接放在地面上。
最好挂在墙上或平行放置在架子上,避免过度拥挤和皮带压力过大而使皮带本体变形。
4、储存时严禁将其曲折。
同步带传动是利用带齿与带轮齿啮合来传递动力的一种新型传动方式,具有准确的同步传动功能,不需要润滑、无滑差、无污染、噪音少;传动效率达0.98,速比范围可达1:10,允许线速可达50m/s,传动率从几百瓦到数百千瓦,适宜多轴传动。
广泛应用于纺织、汽车、化纤、卷烟、造纸、印刷、化工等机械设备;近年来,采矿冶金、钢铁机械、医疗设备需求量日渐增加。
同步带轮选型需注意的参数:
一、齿形
同步带轮齿形可以分为英制(普通扭矩)MXL、XL、L、H以及公制(高扭矩)S2M、S3M、S4M、S5M、S8M和(普通扭矩)T5、T10
齿形的选择可以参照下表:
二、齿数
齿数是同步带轮重要参数,同步带轮节圆直径=齿数×齿距/π
三、材质及表面处理
同步带轮常用材质为铝合金及45#钢,表面处理分别为
铝轮:本色氧化黑色氧化;钢轮:四氧化三铁保护膜无电解镀镍
四、带轮形状K形轮
A形轮
B形轮
D形轮
带轮轴孔规格:
欢迎您的下载,资料仅供参
考。
随着同步带轮的使用量逐渐增多,其生产销售的厂家也随之多了起来。
面对这么多的厂家产品,消费者应该怎么选型呢?
其实也是有方法的,具体的有三点可供大家选择:1、配合使用的皮带宽度。
不同的设备在使用不同的部件时,对装置的具体要求会有所不同,对于这样一个带同步带轮的装置,主要对品种和尺寸的要求是不同的。
因此,应注意带轮的选择。
请根据设备的设计和厂家提供的张力表选择相应的皮带宽度,然后根据皮带体的宽度确定合适的皮带宽度。
2、中心孔直径。
对于同步带轮等重要的设备附件,必须在具体的尺寸和规格上做出正确的选择,或者即使所购设备质量好,也不能正确安装,也不能使用。
中心孔的直径对皮带轮的尺寸选择非常重要,应根据设备上安装的带轴直径具体确定。
3、中心孔是否有键槽。
选择同步带轮时,必须考虑中心孔是否有键槽。
如
果需要将带轮与电机连接或作为动力源,为了保证最大限度地传递动力,应在中心孔处设置键槽,避免带轮与其安装轴之间打滑。
以上就是今天分享的全部内容,感谢大家一直以来的阅读与支持。
同步带传动是利用带齿与带轮齿啮合来传递动力的一种新型传动方式,具有准确的同步传动功能,不需要润滑、无滑差、无污染、噪音少;传动效率达0.98,速比范围可达1:10,允许线速可达50m/s,传动率从几百瓦到数百千瓦,适宜多轴传动。
广泛应用于纺织、汽车、化纤、卷烟、造纸、印刷、化工等机械设备;近年来,采矿冶金、钢铁机械、医疗设备需求量日渐增加。
同步带轮选型需注意的参数:
一、齿形
同步带轮齿形可以分为英制(普通扭矩)MXL、XL、L、H以及公制(高扭矩)S2M、S3M、S4M、S5M、S8M和(普通扭矩)T5、T10
齿形的选择可以参照下表:
二、齿数
齿数是同步带轮重要参数,同步带轮节圆直径=齿数×齿距/π三、材质及表面处理
同步带轮常用材质为铝合金及45#钢,表面处理分别为
铝轮:本色氧化黑色氧化;钢轮:四氧化三铁保护膜无电解镀镍
四、带轮形状K形轮
A形轮
B形轮
D形轮
带轮轴孔规格:。
第一步:设计功率Pd=KA*P P设计时所需传递的功率,KA见下图
第二步:选定带型节距Pb,根据Pd和nt由下图选取
第三步:小带轮齿数Z1 >=Z1min
第四步:小带轮节圆直径
第五步:大齿轮齿数
第六步:大带轮节圆直径
第七步:带速
第八步:初定轴间距(根据结构确定)
第九步:选择节线长度Lp
第十步:带齿数(见上一步中注2)第十一步:实际中心距
第十二步:调整量S和安装量I
第十三步:啮合齿数zm
第十四步:啮合齿数系数Kz
第十五步:基本额定功率P0
第十六步:求带宽
第十七步:紧边张力F1和松边张力F2 第十八步:压轴力F Q =KF*(F1+F2)
第十九步:带轮设计
总结:
确定一根同步带,需要带型、带长及带宽
(1)带长L0的确定
带长公式:,可知带长与a0、d1、d2有关,而
,,
可知带长与大小带轮齿数Z1、Z2及节距Pb有关。
1.1 节距Pb的确定
根据设计功率Pd=KA*P及转数n选择带型,如带型3M
1.2齿数的确定
根据不同带型及转数,确定带轮的最小齿数(如带型3M、转数为3000时带轮的最小齿数20);再根据结构最终确定齿数
带长确定后,查标准带长即可确定同步带的长度。
(2)带宽的确定
由公式可知:带宽与bs0、K L、K Z、P0、P d 有关,直接查取相关表格即可;在选取宽度时还要考虑实际情况。
同步带及带轮选型计算 Document serial number【UU89WT-UU98YT-UU8CB-UUUT-UUT108】一,竖直同步带及带轮选型计算: 竖直方向设计要求:托盘及商品自重20kg (196N ),滑块运动1250mm 所需时间6s 。
1,设计功率P K P A •=dA K 根据工作情况查表取2,带型选择根据w P 1.68d =和带轮转速r/min 100=n 查询表格选择5M 圆弧带3,带轮齿数z 及节圆直径1d根据带速,和安装尺寸允许,z 尽可能选择较大值,通过查表选择5M 带,齿数z=26,节圆直径m m 38.411=d ,外圆直径m m 24.400=d 4,带速v5,传动比主动从动带轮一致,传动比i=1,主动轮与从动轮同一个型号6,初定中心距0a7,初定带的节线长度p 0L 及其齿数p z8,实际中心距a9,基准额定功率0P可查表得w 50P 0=10,带宽S bmm 06.10b 14.100S =≥P K K P b Z L d S (基准带宽9b S0=时) 11,挡圈的设置5M 带轮,挡圈最小高度K=~ R= 挡圈厚度t=~2挡圈弯曲处直径mm R d 24.432d 0w =+=挡圈外径m m 24.482d f =+=K d w竖直方向同步带轮:带轮型5M 圆弧齿,节径,齿数26,外径,带轮总宽,挡圈外径,带轮孔10mm ,固定方式紧定螺钉(侧边紧定螺钉固定台宽7mm ,螺纹孔m3,两个成90度) 竖直方向同步带:带型5M 圆弧带,带宽,节线长度约3418mm二,电机输出同步带轮选型计算:功率,转速,带轮选择与竖直方向相同1,初定中心距0a2,初定带的节线长度p 0L 及其齿数p z3,实际中心距a电机输出同步带:带型5M 圆弧带,带宽,节线长度约426mm三,水平同步带及带轮选型计算:水平方向设计要求:滑块行程1350mm ,移动负载20N ,滑块运动1350mm 所需时间4s 。
同步带轮 (同步带轮设计选型)同步带轮是机械传动中非常重要的一个元件,其作用是传递功率和转动力,保证机器运行稳定、顺畅。
同步带轮的设计选型涉及到多个方面,需要考虑到机器的转速、转矩、负载、传动比以及所用材料等多个因素。
一、同步带轮的基本结构同步带轮是由轮边、轮缘、轮套和轴承等部分组成的。
其中,轮边为带轮发挥传动作用的部分,轮套是将轴承固定在轮边上的装置,轮缘作为轮套的支承部分,起到支撑轮边的作用。
轮边材料一般选用的是橡胶或PU等聚氨酯材料,轮套一般选用锻造或铸造的钢铁材料,而轮缘则一般采用纯铝、铸铁或锻造的钢铁材料。
同步带轮的设计选型需要考虑的因素非常多,重要的有:轴承尺寸、轮边厚度、轮缘直径、轴孔直径、齿数、传动比、静/动载荷、转速、转矩、工作环境、使用寿命及成本等因素。
1、轴承尺寸轴承尺寸是同步带轮设计选型中非常关键的一个因素。
在同步带轮的设计中,需要考虑该轴承能承受多大的载荷、多大的转速等因素,以确定轴承的尺寸和材料。
2、轮边厚度轮边厚度是影响同步带轮功能的一个非常重要的因素。
同步带轮的轮边厚度应根据负载和应用环境来设计。
一般来说,当负载较大时,轮边的厚度应该增加,以保证同步带轮的可靠性和耐用性。
3、轮缘直径同步带轮的轮缘直径是指轮缘所在圆的直径大小。
轮缘直径一般越大,同步带轮所承受的力矩能力越大,运行稳定性也会增强。
但同时,轮缘直径的增加也会导致轮边的厚度增加,提高同步带轮的质量和成本。
4、轴孔直径同步带轮的轴孔直径应能满足所选轴材和带轮要求的精度和角度要求。
轴孔直径应考虑所使用的轴承直径和配合的筒销尺寸,以保证装配的准确性和通用性。
5、齿数与传动比同步带轮的齿数决定了其所具有的传动比。
一般来说,同步带轮的齿数越小,传动比越大。
齿数的选择应根据所连接的驱动轴和被动轴的转速、转矩以及所需的传动比来确定。
6、静/动载荷同步带轮在运行时所承受的静/动载荷是影响其使用寿命和可靠性的重要因素。
这些因素主要包括轴承和轴的选择、轮边和轮缘的材料、轴孔和轴承的配合、轴孔精度和轮边尺寸等。
同步带传动是利用带齿与带轮齿啮合来传递动力的一种新型传动方式,具有准确的同步传动功能,不需要润滑、无滑差、无污染、噪音少;传动效率达0.98,速比范围可达1:10,允许线速可达50m/s,传动率从几百瓦到数百千瓦,适宜多轴传动。
广泛应用于纺织、汽车、化纤、卷烟、造纸、印刷、化工等机械设备;近年来,采矿冶金、钢铁机械、医疗设备需求量日渐增加。
同步带轮选型需注意的参数:
一、齿形
同步带轮齿形可以分为英制(普通扭矩)MXL、XL、L、H以及公制(高扭矩)S2M、S3M、S4M、S5M、S8M和(普通扭矩)T5、T10
齿形的选择可以参照下表:
二、齿数
齿数是同步带轮重要参数,同步带轮节圆直径=齿数×齿距/π
三、材质及表面处理
同步带轮常用材质为铝合金及45#钢,表面处理分别为
铝轮:本色氧化黑色氧化;钢轮:四氧化三铁保护膜无电解镀镍
四、带轮形状K形轮
A形轮
B形轮
D形轮
带轮轴孔规格:。
简单实用的同步带同步轮选型方法同步带是一种常见的传动装置,它主要通过同步带与同步轮之间的配合来实现传动效果。
同步带同步轮选型方法是在机械设计中非常重要的一环,它直接关系到传动系统的稳定性和可靠性。
本文将介绍一种简单实用的同步带同步轮选型方法,以帮助读者更好地进行选型。
选用合适的同步带材料是非常重要的。
同步带材料通常有橡胶和聚氨酯两种,它们具有不同的特性和适用范围。
橡胶同步带具有较好的耐磨性和耐高温性能,适用于高负荷和高温环境下的传动。
而聚氨酯同步带具有较好的耐油性和耐腐蚀性能,适用于潮湿或腐蚀性较强的工作环境。
在选型时,需要根据实际工作条件选择合适的同步带材料。
确定传动比是选型的关键。
传动比是同步带传动中的一个重要参数,它决定了同步带和同步轮的尺寸。
传动比的确定需要考虑到传动功率、转速和工作负荷等因素。
一般来说,传动比越大,同步带和同步轮的尺寸就越大,相应地传动能力也就越强。
在选型时,需要根据实际需求确定合适的传动比。
然后,根据传动功率确定同步带和同步轮的尺寸。
同步带和同步轮的尺寸是选型中的重要参数,它直接关系到传动系统的可靠性和稳定性。
在确定尺寸时,需要根据传动功率、转速和工作负荷等因素进行计算。
一般来说,传动功率越大,同步带和同步轮的尺寸就越大,相应地传动能力也就越强。
在选型时,需要根据实际需求进行合理的尺寸选择。
进行同步带和同步轮的匹配。
同步带和同步轮的匹配是选型中的关键步骤,它直接关系到传动系统的传动效果和寿命。
在匹配时,需要考虑同步带和同步轮的齿型、齿数和齿间距等因素。
一般来说,同步带和同步轮的齿型应该相匹配,齿数和齿间距也要合理搭配。
在选型时,需要根据实际需求进行合理的匹配选择。
同步带同步轮选型方法是机械设计中的重要环节。
选型时需要考虑同步带材料、传动比、尺寸和匹配等因素。
通过合理选择和匹配,可以提高传动系统的稳定性和可靠性。
希望本文介绍的简单实用的同步带同步轮选型方法能对读者在机械设计中的选型工作有所帮助。
查表及定制带轮须知:1、本公司生产的带轮既为国产化设备的同步带配套,又能代替进口带轮使用。
2、用户定制同步带轮,请提供带轮图纸(图在可不必绘制带轮的齿型尺寸),本公司也可按用户提供的型号,带轮内孔,键槽宽度等尺寸为用户绘制带轮图纸;也可为用户提供测绘带轮等服务。
3、带轮的外径公差、端面跳动量、径向跳动量符合表1、表2、表3规定。
4、各种规格型号的同步带选用带轮齿面宽度须符合表4规定要求。
5、带轮外径、档边尺寸按附表规定选用。
6、附表中没有列出的带轮规格,本公司也可生产。
7、制造带轮用材质以碳素钢为主,如需要也可用铝合金、尼龙等材料加工;带轮外径大与250mm,采用铸铁。
梯形齿同步带轮表示方法圆弧齿同步带轮表示方法西德T型齿同步带轮表示方法同步带轮的型式AS型BS型AF型BF型W型同步带轮节距公差带轮节距公差(单位:MM)外径允许偏差任意两相邻齿间90o弧内允差≤25.400.03 0.05 >25.40~50.80 0.03 0.08 >50.80~101.60 0.03 0.1 >101.60~177.80 0.03 0.13>177.80~304.80 0.03 0.15>304.80~508.00 0.03 0.18>508.00 0.03 0.2同步带轮外径公差(表1)带轮外径公差(单位:MM)表1带轮外径公差≤25.40+0.05/0≤25.40~50.80 +0.08/0≤50.80~101.60 +0.1/0≤101.60~177.80 +0.13/0≤177.80~304.80 +0.15/0≤304.80~508.00 +0.2/0>508.00 +0.2/0同步带轮端面允许跳动量公差(表2)带轮端面允许跳动量公差(单位:MM)表2带轮外径允许跳动量≤101.600.1>101.60~254.00 带轮外径x0.001>254.00 0.25+[(带轮外径-254.00)x0.005]≤203.2030 0.13>1203.20 0.13+[(带轮外径-203.20)x0.005]同步带轮直边齿形尺寸和公差带轮直边齿型尺寸和公差(单位:MM)节线代号bwhg+1.5rbrt 2δM X L 0.84±0.05.6920.35.130.508X 1.14020.00.508X L ±0.05.845 35.3X L 1.32±0.051.65250.41.640.508L 3.05±0.12.6721.191.170.762H 4.19±0.133.521.61.61.372X H 7.90±0.157.1421.981.982.794X X H 12.17±0.181.3123.963.183.048圆弧同步带齿轮型尺寸圆弧同步带轮齿型尺寸(单位:MM)型号节距齿高底圆半径齿槽宽齿顶圆半径齿形角3M 3 1.28 0.91 1.9 0.3 ≈14°5M 5 2.16 1.56 3.25 0.48 ≈14°8M 8 3.54 2.57 5.35 0.8 ≈14°14M 14 6.2 4.65 9.8 1.4 ≈14°T型同步带齿轮型尺寸T型同步带轮齿型尺寸(单位:MM)距代号形状形状Ybr rt 2a SE N SE N Gradbr br hg hg上下偏差上下偏差上下偏差mix ±.15°max上下偏差2.5T 1.750.05 1.830.050.750.051 25 0.20.30.050.60 0 0 0T5 2.960.05 3.320.051.250.051.95 25 0.40.60.0510 0 0 0T10 6.20.1 6.570.12.60.13.4 25 0.60.80.120 0 0 0T20 11.650.15 12.60.155.20.136 25 0.81.20.130 0 0 0同步带轮径向允许跳动量(表3)带轮径向允许跳动量(单位:mm)表3带轮外径允许跳动≤203.200.13>203.20 0.13+[(带轮外径-203.20)x0.005]各种型号带轮齿面宽度尺寸(表4)各种型号带轮齿面宽度尺寸表4型号同步带宽度同步带轮最小实际宽度。
同步带轮选型怎么去选
同步带轮的应用在很多行业领域中都是不可替代的。
维护成本低、传动效果稳定、应用范围广这些特点决定了同步带轮在精密设备制造行业的重要地位。
而同步带轮不管是种类还是规格型号都非常多,不同的生产设备对同步带轮的种类和型号要求也不同,所以我们在选购同步带轮的时候要注意这点。
那么我们该如何去选择适合自己设备用的同步带轮呢?
iHF合发齿轮
通过内孔的形状我们可以把同步带轮分为:圆孔型同步带轮,D 型孔同步带轮、锥形孔同步带轮。
通过齿形我们可以把同步带轮分为:M型同步带轮、L型同步带轮、T型同步带轮、H型同步带轮。
下面简单介绍下齿形不同的同步带轮都有哪些特点以及它的适用范围吧。
1、圆弧齿型同步带轮
M型同步带轮的齿形是圆弧齿,是一种经典的同步带轮分类。
M 型同步带轮的传动功率要比T型、L型、H型同步带轮要大上三至五倍,M型同步带轮比较适合用在同步带轮转数要求不高的行业。
2、周节制梯形齿型同步带轮
周节制梯形齿型同步带轮也就是T型同步带轮、L型同步带轮、H 型同步带轮的统称。
对照于以M型同步带轮为代表的圆弧形同步带轮,周节制梯形齿型同步带轮更适用于对转速要求较高的任务场所。
同步带轮加工生产欢迎咨询iHF合发齿轮,22年齿轮加工生产经验,品质有保障!。
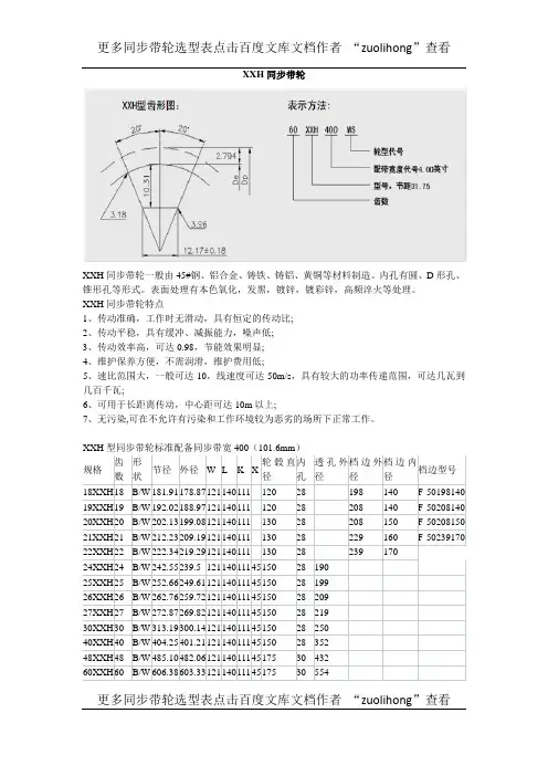
同步带轮选型表-XL型
XL同步带轮
XL同步带轮⼀般由45#钢、铝合⾦、铸铁、铸铝、黄铜等材料制造。
内孔有圆、D形孔、锥形孔等形式。
表⾯处理有本⾊氧化,发⿊,镀锌,镀彩锌,⾼频淬⽕等处理。
XL同步带轮特点
1、传动准确,⼯作时⽆滑动,具有恒定的传动⽐;
2、传动平稳,具有缓冲、减振能⼒,噪声低;
3、传动效率⾼,可达0.98,节能效果明显;
4、维护保养⽅便,不需润滑,维护费⽤低;
5、速⽐范围⼤,⼀般可达10,线速度可达50m/s,具有较⼤的功率传递范围,可达⼏⽡到⼏百千⽡;
6、可⽤于长距离传动,中⼼距可达10m以上;
7、⽆污染,可在不允许有污染和⼯作环境较为恶劣的场所下正常⼯作。
更多同步带轮选型表点击百度⽂库⽂档作者“zuolihong”查看
更多同步带轮选型表点击百度⽂库⽂档作者“zuolihong”查看
更多同步带轮选型表点击百度⽂库⽂档作者“zuolihong”查看。
同步齿形带的选型方法
下列选型步骤以头部带轮和尾部带轮的规格相同为前提。
(即使头部带轮和尾部带轮的规格不同,选型步骤1~3仍然相同)请将头部带轮作为驱动带轮。
另外,为了安装皮带并控制张力,请通过止动螺丝等将从动侧设置为可调节直线性和轴间距离的结构。
头部带轮:在行进方向上的前方带轮
尾部带轮:在行进方向上的后方带轮
【步骤1】计算有效张力(Te)
Te=9.8(μ・G+G・H/C)
Te (N):有效张力
G (Kg):装载于皮带上的传送物品总重量
μ:工作台和皮带的摩擦系数(表1)
H (mm):扬程
C (mm):暂定轴间距(机械长度)
③请根据皮带齿数(N)和节距(P)求出正确的皮带周长。
Lp=P・N
Lp (mm):皮带周长
④请根据下式求出正确的轴间距。
C=P・(N-Dz)/2
C (mm):轴的中心距Dz:带轮齿数
【步骤5】请确认轴间距的调整量大于表7-a、7-b中的调整量
表7-a 内侧调整量(安装余量)。
同步带传动是利用带齿与带轮齿啮合来传递动力的一种新型传动方式,具有准确的同步传动功能,不需要润滑、无滑差、无污染、噪音少;传动效率达0.98,速比范围可达1:10,允许线速可达50m/s,传动率从几百瓦到数百千瓦,适宜多轴传动。
广泛应用于纺织、汽车、化纤、卷烟、造纸、印刷、化工等机械设备;近年来,采矿冶金、钢铁机械、医疗设备需求量日渐增加。
同步带轮选型需注意的参数:
一、齿形
同步带轮齿形可以分为英制(普通扭矩)MXL、XL、L、H以及公制(高扭矩)S2M、S3M、S4M、S5M、S8M和(普通扭矩)T5、T10
齿形的选择可以参照下表:
二、齿数
齿数是同步带轮重要参数,同步带轮节圆直径=齿数×齿距/π
三、材质及表面处理
同步带轮常用材质为铝合金及45#钢,表面处理分别为
铝轮:本色氧化黑色氧化;钢轮:四氧化三铁保护膜无电解镀镍
四、带轮形状K形轮
A形轮
B形轮D形轮
带轮轴孔规格:。