实验五-光无源器件特性测试实验(精)
- 格式:doc
- 大小:38.50 KB
- 文档页数:9
光无源器件参数测试实验光无源器件参数测试实验是光电类实验中的一种重要实验,用于测试和研究光无源器件的性能和特性。
光无源器件主要包括光电二极管、光敏电阻、光敏晶体管等。
实验目的:1.理解光无源器件的工作原理和性能特点;2.学会使用光无源器件测试仪器进行参数测试;3.掌握测试光无源器件的光电特性,如响应特性、光电流特性、电光转换效率等。
实验仪器和材料:1.光无源器件测试仪器:光源、光功率计、电源、模拟电压源、示波器等;2.光无源器件样品:光电二极管、光敏电阻、光敏晶体管等;3.光源:激光器、LED灯等。
实验步骤:1.准备工作:a.将光无源器件样品插入到测试仪器中的测试接口;b.打开测试仪器,进行仪器的预热和校准。
2.测试光线响应特性:a.将光源对准光无源器件,并调节光源的强度。
b.测量光无源器件的输出电流或电压随光源强度变化的关系曲线。
c.记录数据并分析光无源器件的响应特性。
3.测试光电流特性:a.将光源对准光无源器件,并固定光源的强度。
b.根据不同的实验要求,设置不同的电压源输出电压,测量光无源器件的输出电流。
c.记录数据并分析光无源器件的光电流特性。
4.测试电光转换效率:a.选取适当的光源和光无源器件样品。
b.测试光无源器件的光电转换效率,即测量光无源器件输出功率与输入光功率之比。
c.记录数据并分析光无源器件的电光转换效率。
5.分析实验结果:根据实验数据,进行曲线拟合、数据处理和结果分析,探讨光无源器件的性能和特点。
实验注意事项:1.实验时应注意光无源器件的灵敏度,避免直接光照到器件。
2.使用仪器和光源时要遵守相关的安全操作规程,避免产生辐射伤害。
3.实验过程中的参数设置和测试条件应根据实际需要进行调整。
通过光无源器件参数测试实验,可以深入了解光无源器件的性能和特性,为光电器件的设计、研究和应用提供了有力的支持。
同时,此实验也可以帮助学生掌握光电技术的基本原理和实验技能,培养实验观察、数据处理和问题分析解决能力。
光电器件特性测试实验报告实验目的本实验旨在通过对光电器件特性的测试,探究其性能和特点,从而进一步了解光电器件的工作原理和应用。
实验器材和材料•光电器件(例如光电二极管、光敏电阻等)•光源(例如白炽灯、激光器等)•直流电源•数字多用表•电阻箱•连接线实验步骤1. 实验前准备1.将光电器件准备好,并根据需要选择合适的工作电源。
2.准备好光源和测量设备,并将其连接好。
2. 光电器件的静态特性测试1.将光电器件与电源和数字多用表连接好,确保电路连接正确。
2.调节电源电压,记录下对应的电流和电压值。
3.重复上述步骤,测量不同电压下的电流和电压值,以获得光电器件的电流-电压(I-V)特性曲线。
4.根据测量结果,分析光电器件的导通电压、正向电阻和反向电流等特性。
3. 光电器件的动态特性测试1.将光电器件与光源连接好,确保光线能够照射到器件上。
2.在恒定光照条件下,调节电源电压,记录下对应的电流和电压值。
3.重复上述步骤,测量不同光照强度下的电流和电压值,以获得光电器件的光照强度-电流(L-I)特性曲线。
4.根据测量结果,分析光电器件的响应时间、光电流增益和饱和光照强度等特性。
实验结果与分析根据所获得的实验数据,我们可以绘制出光电器件的电流-电压特性曲线和光照强度-电流特性曲线。
通过分析这些曲线,我们可以得出以下结论:1.光电器件的电流-电压特性曲线呈现出非线性关系,且存在导通电压和正向电阻。
导通电压是器件开始导通的最低电压,正向电阻则是导通状态下的电阻值。
2.光电器件的光照强度-电流特性曲线呈现出线性关系,且存在饱和光照强度和光电流增益。
饱和光照强度是器件光电流增加最快的光照强度,光电流增益则是光照强度每增加1单位时的电流增加量。
3.光电器件的响应时间是指器件由无光状态到达饱和光照强度所需的时间。
通过实验测量和分析,我们可以得出光电器件的响应时间,并进一步评估其在实际应用中的响应速度。
实验结论通过光电器件特性的测试实验,我们深入了解了光电器件的工作原理和特点。
实验五光器件性能测量实验一、实验目的1.了解光衰减器的指标要求,掌握光衰减器的测试方法.2.了解光分路器的指标要求, 掌握光分路器的测试方法.二、实验仪器1.光纤通信实验箱2.20M双踪示波器3.FC-FC单模尾纤 1根4.信号连接线 2根5.光衰减器,6.光分路器7.光功率计三、基本原理(一)光衰减器光衰减器可分为固定光衰减器和可变光衰减器。
光衰减器是一种可根据工程需要提供不同衰减量的精密器件,主要的用途是:(1)调整光中继器之间的增益,以便建立适当的光输出;(2)光传输系统设备的损耗评价及各种试验测试要求。
可变光衰减器的结构原理图如图5.1所示。
可旋转衰耗板光固定/可调衰减器测量结构示意图,如图5.2所示。
图5.2 平均光功率测试结构示意图(二)光分路器光分路器主要是从光纤传输线路上取出一部分光信号做监测使用,其连接示意图见图5.3。
图5.3 1310波长光分路器应用连接示意图本实验系统提供了1310nm、1550nm两个工作波长光源,所以配置的光分路器也必须是这两个工作波长的分路器。
中心波长1310nm或者1550nm,分光比建议为50:50。
(一)主、支路插入损耗测量(选用1310nm波分复用器)用光功率计首先测量1310nm光源经尾纤输出在“a”点的光功率Pa,然后将信号接入光分路器的输入端口;用光功率计测量支路“b”点光功率Pb。
记录测量结果,填入表格表5.1。
再用光功率计测量支路“c”点光功率Pc。
记录测量结果,填入表格5.1,计算光分路器主、支路插入损耗值。
(5.1)表5.1(二)分光比测量利用上述测量结果,计算光分路器分光比。
(5.1)(三)波长特性测量将测量光源改变为1550nm,分路器不变。
重复上述第1和第2步实验步骤。
见图5.4所示。
记录测量结果,填入表格5.2。
分析1310nm波长分路器使用在其它波长时的影响结果。
图5.4 光分路器性能1550波长测试连接示意图四、实验步骤(一)光衰减器的性能指标测量1.关闭系统电源,按照前面实验中的图5.2将1310nm光发射端机的TX1310法兰接口、FC-FC单模尾纤、光功率计连接好,注意收集好器件的防尘帽。
一、实验目的1. 了解并掌握基本电子器件(如二极管、三极管、电阻、电容、电感等)的伏安特性测试方法。
2. 分析不同电子器件的伏安特性曲线,理解其工作原理和应用。
3. 熟悉实验室常用仪器设备的使用方法,提高实验操作技能。
二、实验原理电子器件的伏安特性是指器件两端电压与通过器件的电流之间的关系。
通过测量器件在不同电压下的电流值,可以绘制出器件的伏安特性曲线,从而了解器件的特性。
三、实验仪器与设备1. 直流稳压电源2. 数字万用表3. 电阻4. 电容5. 电感6. 二极管7. 三极管8. 电路板9. 连接线四、实验步骤1. 电阻伏安特性测试(1)将电阻连接到电路板上,确保电路连接正确。
(2)调节直流稳压电源输出电压,从0V开始逐渐增加,记录不同电压下的电流值。
(3)将电压和电流值绘制成伏安特性曲线。
2. 电容伏安特性测试(1)将电容连接到电路板上,确保电路连接正确。
(2)调节直流稳压电源输出电压,从0V开始逐渐增加,记录不同电压下的电流值。
(3)将电压和电流值绘制成伏安特性曲线。
3. 电感伏安特性测试(1)将电感连接到电路板上,确保电路连接正确。
(2)调节直流稳压电源输出电压,从0V开始逐渐增加,记录不同电压下的电流值。
(3)将电压和电流值绘制成伏安特性曲线。
4. 二极管伏安特性测试(1)将二极管连接到电路板上,确保电路连接正确。
(2)调节直流稳压电源输出电压,从0V开始逐渐增加,记录不同电压下的电流值。
(3)将电压和电流值绘制成伏安特性曲线。
5. 三极管伏安特性测试(1)将三极管连接到电路板上,确保电路连接正确。
(2)调节直流稳压电源输出电压,从0V开始逐渐增加,记录不同电压下的电流值。
(3)将电压和电流值绘制成伏安特性曲线。
五、实验结果与分析1. 电阻伏安特性电阻的伏安特性曲线是一条通过坐标原点的直线,斜率为电阻值。
这符合欧姆定律,即电压与电流成正比。
2. 电容伏安特性电容的伏安特性曲线是一条曲线,随着电压的增加,电流逐渐增大。
光无源器件测试方法光无源器件是指在光通信系统中,不需要外部能源供应而能够实现光信号的传输和控制的器件。
典型的光无源器件包括光纤、光栅、光分路器、光耦合器等。
为了确保光无源器件在正常工作条件下能够稳定可靠地传输光信号,需要进行严格的测试和验证。
本文将从光纤、光栅、光分路器和光耦合器等不同类型的光无源器件入手,介绍其测试方法。
1.光纤测试方法光纤是光通信系统中最基础、最重要的光无源器件。
常用的光纤测试方法包括:(1)衰减测试:通过测试光信号从光纤中的衰减情况,来评估光纤功率损失情况。
(2)反射测试:测试光纤接口的反射损耗,确保光信号不会因为接口反射而引起干扰或损失。
(3)纤芯直径测试:测试光纤纤芯直径的尺寸,以确保光信号能够正常传输。
2.光栅测试方法光栅是一种具有周期性折射率变化的光无源器件,常用于光波的衍射和光谱分析等应用。
光栅的测试方法包括:(1)频率响应测试:测试光栅的响应频率范围和频率分辨率,以评估其衍射性能。
(2)衍射效率测试:测试光栅的衍射效率,即测试输入光功率和输出光功率之间的关系。
(3)波长选择测试:测试光栅的波长选择性能,即测试不同波长的光信号在光栅中的传输效果和衍射效率。
3.光分路器测试方法光分路器是一种能够将入射光信号分成两个或多个输出的光无源器件。
光分路器的测试方法包括:(1)分光比测试:通过测试输入光功率和输出光功率之间的关系,来评估光分路器的分光比性能。
(2)均匀性测试:测试光分路器的不同输出通道之间的功率均匀性,以确保光信号在分路器中能够平衡地分布。
4.光耦合器测试方法光耦合器是一种能够将两个或多个光纤的光信号耦合在一起的光无源器件。
光耦合器的测试方法包括:(1)插损测试:通过测试耦合器输入光功率和输出光功率之间的差异,来评估光耦合器的插损性能。
(2)均匀性测试:测试耦合器不同输出通道之间的功率均匀性,以确保光信号在耦合器中能够均匀地分布。
综上所述,光无源器件的测试方法主要包括衰减测试、反射测试、频率响应测试、衍射效率测试、波长选择测试、分光比测试、均匀性测试和插损测试等。
实验1 数字发送单元指标测试实验一、实验目的1.了解数字光发端机平均输出光功率的指标要求2.掌握数字光发端机平均输出光功率的测试方法3.了解数字光发端机的消光比的指标要求4.掌握数字光发端机的消光比的测试方法二、实验仪器1.ZYE4301G型光纤通信原理实验箱1台2.光功率计1台3.FC/PC-FC/PC单模光跳线1根4.示波器1台5.850nm光发端机1个6.ST/PC-FC/PC多模光跳线1根三、实验原理四、实验内容1.测试数字光发端机的平均光功率2.测试数字光发端机的消光比3.比较驱动电流的不同对平均光功率和消光比的影响五、实验步骤A、1550nm数字光发端机平均光功率及消光比测试1.伪随机码的产生:伪随机码由CPLD下载模块产生,请参看系统简介中的CPLD下载模块。
将PCM编译码模块的4.096MH Z时钟信号输出端T661与CPLD下载模块的NRZ信号产生电路的信号输入端T983连接,NRZ信号输出端T980将产生4M速率24-1位的伪随机信号,用示波器观测此信号。
将此信号与1550nm光发模块输入端T151连接,作为信号源接入1550nm光发端机。
2.用FC-FC光纤跳线将光发端机的输出端1550T与光功率计连接,形成平均光功率测试系统,调整光功率计,使适合测1550nm信号。
3.用K60、K90和K15接通PCM编译码模块、CPLD模块和光发模块的电源。
4.用光功率计测量此时光发端机的光功率,即为光发端机的平均光功率。
5.测消光比用数字信号源模块输出的NRZ码作为信号源。
用K60接通电源,用用示波器从T504观测此信号,将K511接1、2或2、3可观测到速率的变化,将此信号接到T151,作为伪随机信号接入光发端机。
6.用数字信号源模块的K501、K502、K503将数字信号拨为全“1”,测得此时光功率为P1,将数字信号拨为全“0”,测得此时光功率为P0。
7.将P1,P0代入公式2-1式即得1550nm数字光纤传输系统消光比。
实验十光纤无源器件特性测试实验
一、实验目的
1、了解光纤无源器件,如活动连接器、Y型分路器、星型耦合器等器件的工作原理及
结构。
2、了解它们对光纤通信系统的影响。
3、掌握它们的正确使用方法。
4、掌握其主要特性参数。
二、预习要求
1、阅读光纤通信系统有关无源光器件的章节。
2、熟悉待测器件。
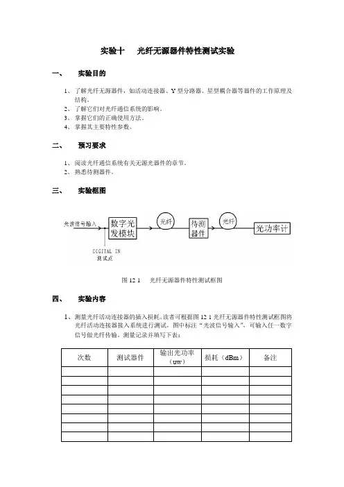
三、实验框图
图12-1 光纤无源器件特性测试框图
四、实验内容
1、测量光纤活动连接器的插入损耗。
读者可根据图12-1光纤无源器件特性测试框图将
光纤活动连接器接入系统进行测试,图中标注“光波信号输入”,可输入任一数字信号做光纤传输。
测量记录并填写下表:
在测试中,可通过调节发射电流来调节发射功率,也可改变输入的码元调节发射功率。
2、测量Y型分路器的插入损耗及回波损耗。
3、测量星型耦合器的插入损耗及光串扰。
五、实验要求
1、对每一器件写出测试步骤。
2、将测试结果进行记录整理。
六、无源器件结构图
Y型分路器
星型耦合器
七、实验仪器
光功率计、光无源器件。
实验五-光无源器件特性测试实验实验五:光无源器件特性测试实验一、实验目的1.掌握光无源器件的基本特性测试方法;2.熟悉光无源器件的性能指标;3.学习并掌握光损耗测试、光回波损耗测试、光方向性测试等基本光无源器件测试方法。
二、实验原理光无源器件是构成光通信网络不可或缺的部分,其特性测试对于确保系统的稳定性和性能至关重要。
实验中,我们将对光损耗、光回波损耗和光方向性等关键指标进行测试。
1.光损耗:光损耗是指光在传输过程中,由于各种原因导致的光功率减弱。
实验中,我们通过测量输入光功率和输出光功率之差,得到器件的光损耗。
2.光回波损耗:光回波损耗是指反射回来的光功率与入射光功率之比。
高回波损耗意味着低反射,有助于减少光信号的散射和增强系统的稳定性。
3.光方向性:光方向性描述了光在特定方向上的传播能力。
实验中,我们通过测量器件在不同角度上的透射和反射光功率,评估其方向性。
三、实验步骤1.搭建测试平台:准备好测试所需的设备和器材,包括光源、光功率计、稳定光源、光无源器件待测件、光纤跳线等。
2.初始化:对测试平台进行初始化,包括连接光纤、设置光源波长等。
3.测试光损耗:首先,调整好光源的输出功率,将稳定光源的光纤连接到光无源器件的输入端,同时将光功率计连接到输出端,测量原始的光功率P1;然后,将待测件插入到稳定光源与光功率计之间,再次测量输出光功率P2;最后,通过计算P1和P2的差值,得到光损耗=10*log10(P1/P2)。
4.测试光回波损耗:将稳定光源的光纤连接到光无源器件的输入端,同时将回波损耗仪连接到输出端,测量回波损耗值。
5.测试光方向性:通过旋转待测件,在不同角度上测量透射和反射光功率,并记录数据。
通常以角度为横坐标,以功率为纵坐标绘制曲线图,即可得到光方向性的结果。
6.数据处理与分析:对测试得到的数据进行分析,评估待测件的性能。
对比同类型器件的测试结果,可以对器件进行优化或改进设计。
7.清理现场:实验结束后,关闭设备并整理现场。
一、实验目的1. 了解光敏元件的基本工作原理和特性。
2. 掌握光敏元件在不同光照条件下的电阻变化规律。
3. 学习光敏元件在电路中的应用。
二、实验原理光敏元件是一种将光信号转换为电信号的半导体器件。
它利用光电效应,使半导体材料在光照条件下电阻值发生变化。
光敏元件的电阻值与入射光的强度呈反比关系,即光照强度越强,电阻值越小;光照强度越弱,电阻值越大。
三、实验仪器与材料1. 光敏元件:光敏电阻、光敏二极管、光敏晶体管等。
2. 电源:直流电源,电压范围0-15V。
3. 电阻:固定电阻、可变电阻等。
4. 电位器:电位器,用于调节电路中的电压。
5. 电流表:用于测量电路中的电流。
6. 电压表:用于测量电路中的电压。
7. 光源:可调光源,用于模拟不同光照条件。
8. 连接线:用于连接实验电路。
四、实验步骤1. 光敏电阻特性测试(1)将光敏电阻与固定电阻、电位器、电源、电流表、电压表连接成电路。
(2)调节电位器,使电路中的电压稳定在5V。
(3)打开光源,调节光源的强度,观察电流表、电压表的读数变化,记录不同光照条件下的电阻值。
2. 光敏二极管特性测试(1)将光敏二极管与固定电阻、电位器、电源、电流表、电压表连接成电路。
(2)调节电位器,使电路中的电压稳定在5V。
(3)打开光源,调节光源的强度,观察电流表、电压表的读数变化,记录不同光照条件下的电流值。
3. 光敏晶体管特性测试(1)将光敏晶体管与固定电阻、电位器、电源、电流表、电压表连接成电路。
(2)调节电位器,使电路中的电压稳定在5V。
(3)打开光源,调节光源的强度,观察电流表、电压表的读数变化,记录不同光照条件下的电流值。
五、实验结果与分析1. 光敏电阻特性实验结果显示,光敏电阻的电阻值随着光照强度的增加而减小,随着光照强度的减小而增大。
这说明光敏电阻具有良好的光敏特性。
2. 光敏二极管特性实验结果显示,光敏二极管的电流值随着光照强度的增加而增大,随着光照强度的减小而减小。
光无源器件摘要目录-1.2.1概念3.2品种4.3测试图5.6.4原理及应用概念光无源器件是光纤通信设备的重要组成部分,也是其它光纤应用领域不可缺少的元器件。
具有高回波损耗、低插入损耗、高可靠性、稳定性、机械耐磨性和抗腐蚀性、易于操作等特点,广泛应用于长距离通信、区域网络及光纤到户、视频传输、光纤感测等等。
品种▲ FC、SC、ST、LC等多种类型适配器▲ 有PC、UPC、APC三种形式▲ FC、SC、ST、LC等各种型号和规格的尾纤(包括带状和束状),芯数从单芯到12芯不等。
测试图光无源器件测试是光无源器件生产工艺的重要组成部分,无论是测试设备的选型还是测试平台的搭建其实都反映了器件厂商的测试理念,或者说是器件厂商对精密仪器以及精密测试的认识。
不同测试设备、不同测试系统搭建方法都会对测试的精度、可靠性和可操作性产生影响。
本文简要介绍光无源器件的测试,并讨论不同测试系统对精确性、可靠性和重复性的影响。
在图一所示的测试系统中,测试光首先通过偏振控制器,然后经过回波损耗仪,回波损耗仪的输出端相当于测试的光输出口。
这里需要强调一点,由于偏振控制器有1~2dB插入损耗,回波损耗仪约有5dB插入损耗,所以此时输出光与直接光源输出光相比要小6~7dB。
可以用两根单端跳线分别接在回损仪和功率计上,采用熔接方式做测试参考,同样可采用熔接方法将被测器件接入光路以测试器件的插损、偏振相关损耗(PDL)和回波损耗(ORL)。
该方法是很多器件生产厂商常用的,优点是非常方便,如果功率计端采用裸光纤适配器,则只需5次切纤、2次熔纤(回损采用比较法测试*)便可完成插损、回损及偏振相关损耗的测试。
但是这种测试方法却有严重的缺点:由于偏振控制器采用随机扫描Poincare球面方法测试偏振相关损耗,无需做测试参考,所以系统测得的PDL实际上是偏振控制器输出端到光功率计输入端之间链路上的综合PDL值。
由于回损仪中的耦合器等无源器件以及回损仪APC的光口自身都有不小的PDL,仅APC光口PDL值就有约0.007dB,且PDL相加并不成立,所以PDL测试值系统误差较大,测试的重复性和可靠性都不理想,所以这种方法不是值得推荐的方法。
光无源器件参数测试实验光无源器件参数测试实验是对光通信系统中使用的无源器件进行性能测试的一种方法。
无源器件包括光纤、光分路器、光耦合器等,它们在光通信系统中起到传输和分配光信号的作用。
在光通信系统中,无源器件的性能直接影响到系统的传输效率和稳定性,因此准确测试无源器件的参数是非常重要的。
1.实验目的测试光无源器件的参数,包括插入损耗、反射损耗、带宽、槽隔离度等,以评估器件的性能,为光通信系统的设计和优化提供依据。
2.实验仪器与设备(1)光源:常用的光源有激光二极管光源、电子脉冲激光器、气体激光器等。
光源的选择应根据实际应用需求确定。
(2)光功率计:用于测量光源的输出光功率,常用的光功率计包括光纤功率计和探头功率计。
(3)光分路器:用于将光信号分成两个或多个信号,常用的光分路器有耦合式光纤分路器和干涉式光纤分路器。
(4)光耦合器:用于将光信号从一个光纤耦合到另一个光纤中,常用的光耦合器有耦合式光纤耦合器和波导式光纤耦合器。
(5)光衰减器:用于调节光信号的光功率,常用的光衰减器有可调半波电压衰减器、可调半波电压Tipo式衰减器。
(6)光检测器:用于检测光信号的强度和特性,常用的光检测器有光电二极管、光电探测器等。
(7)光谱仪:用于测量光信号的频谱,获取光信号的频率信息,常用的光谱仪有光栅光谱仪、波长计等。
3.实验步骤(1)校准仪器:调节光源的输出光功率,使用光功率计校准光源的输出功率,并记录下来。
(2)测量插入损耗:将光无源器件与光源和光功率计连接起来,记录下光源的输出功率和光经过器件后的功率,计算插入损耗。
(3)测量反射损耗:将光无源器件与光源和光功率计连接起来,记录下光源的输出功率和光反射回来的功率,计算反射损耗。
(4)测量带宽:使用光谱仪测量无源器件的光信号频谱,记录下信号的中心频率和带宽。
(5)测量槽隔离度:使用光分路器或光耦合器将光信号分成两个或多个信号,分别测量各个信号的光功率,并计算槽隔离度。
实验5-2部分无源器件的特性测试实验光信息专业实验指导材料(试用)实验5-2 部分无源器件的特性测试[实验目的]1、掌握耦合器的特性及其简单应用;2、掌握光纤隔离器的原理及其在光纤通信系统中的应用;3、掌握WDM 的特性及其简单应用;4、掌握衰减器的特性及其在光纤通信系统中的应用。
[实验仪器]实验室提供:半导体激光器(1310nm ,1550nm ),单模光纤(G.652标准的单模光纤),光纤功率计,光纤连接器,耦合器(a ,b, c ),光纤隔离器,3dB 耦合器,光衰减器(5dB ,10dB ,可调衰减器),WDM 器件。
[实验原理]一、部分无源器件的基本技术指标以图5.2.1中所示的N ×N 的器件为例。
图5.2.1 一个N ×N 的器件1. 插入损耗(IL )插入损耗常常简称为插损,指一个输出端口的输出功率和一个输入端口输入功率的比值,插入损耗常常包括两部分,一部分是器件非理想造成的附件损耗(通常是不期望存在的),另外一部分是器件本身特性造成的(例如分路器splitter ,也叫耦合器coupler 的分光比,某个端口本身应该输出20%的输入光)。
10log (dB)j in p IL P =- 2. 附加损耗(EL )附加损耗也常常称之为额外损耗。
一般对于一个N ×M 的器件,输入功率为in P ,某一个或者某几个端口输出功率为.....i j P P ,附加损耗的定义是:10l o g (d B )j m i in p EL P =-∑ 请注意区分附加损耗和插损损耗。
3. 均匀性(uniformity )均匀性也常常称之为分光比容差,一般是针对光纤耦合器而言的。
对于均匀分光的多端口耦合器,各输出端口的光功率的最大相对变化量。
Out1 Out2 OutN)/log(10max -=?ij ij P P L 4. 方向性(Directivity )方向性是衡量器件定向传输特性的参数,也常常称之为近端串扰或者近端隔离度,对于一个有多个输入端的器件,其中某个端口I 输入功率Pi ,在其他输入端口中反射回来的光功率Pj ,那么方向性的定义是:10log(/)(dB)j i D P P =-5. 回损(reflectance )回损也是衡量器件定向传输特性的参数,但其定义是回到入射端口的光功率的大小的相对值。
光无源器件原理与实验光纤是一种光无源器件,它由一种具有相对较高折射率的芯部和一种具有较低折射率的包层组成。
光纤的原理是通过光在高折射率的芯部中的全反射,实现对光信号的传输。
光纤可以实现长距离的光信号传输,具有低损耗、大带宽等优点,在通信和光学传感领域得到了广泛应用。
衍射光栅是另一种光无源器件,它是一种用于分光和光谱分析的重要元件。
衍射光栅的原理是基于光波在光栅的周期性结构上产生衍射,从而实现对不同频率光的分散。
光栅的间距和结构决定了分光的波长范围和分辨率。
衍射光栅广泛应用于光谱仪、激光器和光通信设备等领域。
光栅耦合器是一种用于实现光纤与光波导之间能量传输和耦合的器件。
它利用光在光波导和光纤之间的耦合效应,将输入的光信号有效地耦合到输出的光波导中。
光栅耦合器的原理是通过在光波导中制作周期性的折射率变化,实现对光信号的散射和耦合。
光栅耦合器在集成光学芯片、光通信和光数据处理等领域得到了广泛应用。
光波导是一种用于实现光信号传输和调制的光无源器件。
它由具有较高折射率的光波导芯片和具有较低折射率的包层构成。
光波导的原理是通过光波在光波导芯片中的传播实现对光信号的传输和调制。
光波导可以根据其结构和材料的不同,实现对光波的分导、合并和调制等功能。
光波导广泛应用于光通信、光传感和集成光学芯片等领域。
实验上,研究光无源器件的原理和性能可以采用多种方法。
例如,使用光纤传输系统可以实现对光纤传输性能的测量和优化。
利用干涉仪等实验装置可以研究衍射光栅的性质和应用。
通过光栅耦合器的制作和测试可以了解其耦合效率和性能特点。
利用微纳加工技术可以制备光波导芯片,并通过波导损耗测试和光调制实验等方法研究其性能和特性。
综上所述,光无源器件是利用光学原理实现光传输、分光、耦合和调制等功能的重要器件。
研究光无源器件的原理和实验有助于深入了解和优化其性能,为光通信、光传感和集成光学芯片等领域的应用提供技术支持。
常用光纤器件特性测试实验实验五 光无源器件特性测试实验一、实验目的1、了解光无源器件,Y 型分路器以及波分复用器的工作原理及其结构2、掌握它们的正确使用方法3、掌握它们主要特性参数的测试方法二、实验内容1、测量Y 型分路器的插入损耗2、测量Y 型分路器的附加损耗3、测量波分复用器的光串扰三、预备知识1、光无源器件的种类,有哪些?重点学习几个特性。
四、实验仪器1、ZY12OFCom13BG3型光纤通信原理实验箱 1台2、FC 接口光功率计 1台3、万用表 1台4、FC-FC 法兰盘 1个5、Y 型分路器 1个6、波分复用器2个7、连接导线20根五、实验原理光通信系统的构成,除需要光源器件和光检测器件之外,还需要一些不用电源的光通路元、部件,我们把它们统称为无源器件。
它们是光纤传输系统的重要组成部分。
光无源器件包括光纤活动连接器(平面对接FC 型、直接接触PC 型、矩形SC 型)、光衰减器、光波分复用器、光波分去复用器、光方向耦合器(例如:Y 型分路器、星型耦合器)、光隔离器、光开关、光调制器……本实验重点介绍Y 型分路器和光波分复用器,下一实验重点讲光纤活动连接器。
在应用这些无源器件时必须考虑无源器件的各项指标,如Y 型分路器(1分2的光耦合器)的插入损耗,分光比,波分复用器的光串扰等。
下面对Y 型分路器插入损耗及附加损耗及其分光比、波分复用器的光串扰分别进行测试。
Y 型分路器的技术指标一般有插入损耗(Insertion Loss )、附加损耗(Excess Loss )、分光比和方向性、均匀性等,在实验中主要测试Y 型分路器的插入损耗,附加损耗及分光比。
就Y 型分路器而言,插入损耗定义为指定输出端口的光功率相对全部输入光功率的减少值。
插入损耗计算公式为5-1式。
)lg(10.IN outi P P Li I -=(5-1)其中,I.Li 为第i 个输出端口的插入损耗,P outi 是第i 个输出端口测到的光功率值,P IN是输入端的光功率值。
光纤无源器件实验报告1 光纤无源器件综合实验一、耦合器的测试1、插入损耗(IL ) IL =OUTIN P P lg 10 (1)对1310nm 光波长 A IL =7.93 dB B IL =0.79 dB(2)对1550nm 光波长 A IL = 1.60 dB B IL = 5.17 dB2、附加损耗(EL )(1)对1310nm 光波长EL = 0.02 dB (2)对1550nm 光波长EL = 0.03 dB3、分光比(CR )(1)对1310nm 光波长 A CR =0.16% B CR =0.83%(2)对1550nm 光波长 A CR = 0.69% B CR =0.31%测试结果分析:本次测量实验数据,计算结果略高于所给的损耗变化量和分光比变化量参考值,说明由于温度及器件等因素的影响存在一定的测量误差。
二、光纤隔离器的特性和参数测试正向插入损耗1a =OUT IN P P lg10=0.19 dB 反响隔离度比2a =OUT IN P P lg 10=20.48 dB 测试结果分析:通过比较隔离器正、反两次测量实验结果,1a 与2a 数值相差很大,说明光正向通过时衰减很小,但反向通过时衰减很大。
与隔离器的工作性能相符,此次实验结果较理想。
三、波分复用/解复用器(WDM )的测试1、插入损耗(IL ) A IL = 7.83 dB B IL = 6.46 dB2、附加损耗(EL ) EL = 4.08 dB测试结果分析:根据参考实验值,本次实验数据损耗存在一定的误差。
四、光纤衰减器(VOA )特性实验(1)对1310nm 光波长衰减器衰减量功率值变化范围 5.1-0 nW (2)对1550nm 光波长衰减器衰减量功率值变化范围 28.5-27.2 nW 测试结果分析:本实验测试了固定、可调衰减器,实验现象明显,功率变化值明显。
光纤无源器件特性测试实验[实验目的]1. 了解光纤活动连接器,光分路器,光耦合器及光波分复用器的工作原理及其结构.2. 掌握光纤活动连接器,光分路器,光耦合器及光波分复用器的正确使用方法.3. 掌握它们的主要特性参数的测试方法.[实验内容]1. 测量活动连接器的插入损耗.2. 测量活动连接器的回波损耗.3. 测量波分复用器的光串扰.4. 学习光分路器和耦合器的结构及原理.[实验仪器]RC-GT-II光纤通信原理实验箱,光功率计,FC/PC光纤活动连接器两只,FC/PC Y 型光分路器(分光比1:1)一只,FC/PC波分复用器两只,FC/PC光纤跳线四根. [实验原理](一)单模光纤活动连接器一个完整的光纤线路是由许多光纤接续而成的.接续分为永久性的和可拆卸的两类,前者是用电弧放电法,使两根光纤端头熔化而连接在一起,后者是通过活动连接器使两根光纤 31的端面作机械接触.无论哪种接续,其基本的技术要点都是光纤模斑要匹配,光纤端面要平整,光纤轴线要对准.好的连接的标准是插入损耗小和反射损耗大.光纤连接处的插入损耗和反射损耗的定义为1210lgsPLP= (dB) 式10-11210lgtPLP= (dB) 式10-2式中P1为入射光功率,P2为出射光功率,P3为反射光功率,如图10-1所示.由于连接处不可免的不连续性,P2P2+P3,即使后向反射光P3小到可以略去不计,仍然有P1>P2,即插入损耗存在.图10-1 光纤连接处的功率关系光纤活动连接器是可重复拆卸的无源器件.主要的技术要求除了插入损耗小,反射损耗大外,还有拆卸方便,互换性好,重复性好,能承受机械振动和冲击以及温度和湿度的变化. 光纤活动连接器种类很多,现在使用最多的是非调心型对接耦合式活动连接器,如平面对接式(FC型),直接接触式(PC型)和矩形(SC型)活动连接器等.单模光纤的模场直径不足10um,被连接的两段光纤的轴心对准度必须小于1um.因此, 单模光纤活动连接器的机械精度应达到亚微米级,需要超精细加工技术,包括切削加工和光学冷加工工艺技术来保证.1. FC型单模光纤活动连接器.典型的FC型单模光纤活动连接器结构如图10-2 所示,它由套筒,插针体a,b和装在插针体中的光纤组成.将a,b两者同时插入套筒中再将螺旋拧紧,就完成了光纤的对接. 两插针体端面磨成平面,外套一个弹簧对中套筒,使其压紧并精确对准定位. 32图10-2 FC型单模光纤活动连接器2. PC型单模光纤的活动连接器FC型连接器中的两根光纤处于平面接触状态,端面间不免有小的气隙,从而引起损耗和菲涅尔反射.改进的办法是把插针体端面抛磨成凸球面,这样就使被连接的两光纤端面直接接触.FC型和PC型单模光纤活动连接器的插入损耗都小于0.5dB,而PC型结构可将反射损耗提高到40dB.早期的FC型和PC型光纤活动连接器的套筒和插针套管都是用合金铜或不锈钢制造的, 但铜的耐磨性差,重复插拔的磨损会破坏对中精度,磨损产生的尘粒有时还会影响光的传输, 因而使用寿命短.不锈钢比铜加工困难,使磨损程度有所改进.现在最好的方案是套筒和插针套管都用陶瓷制造.用氧化锆制作开槽套筒,用氧化铝制作插针套管,可得到最好的配合. 采用陶瓷材料后,光纤活动连接器的寿命(插拔次数)可大于10000,而温度范围可扩展至一 40~+80?.3. SC型单模光纤活动连接器图10-3 SC型单模光纤活动连接器33图10-4 FC/APC型单模光纤活动连接器SC型单模光纤活动连接器如图10-3所示.与FC型,PC型活动连接器依靠螺旋锁紧对接光纤不同,SC型活动连接器只需轴向插拔操作,能自锁和开启,体积小,最适宜于高密度安装.SC型活动连接器采用塑料模塑工艺制造,插针套管是氧化锆整体型,端面磨成凸球面. 4. FC/APC型单模光纤活动连接器为了获得更高的反射损耗,已发展了FC/APC型单模光纤活动连接器,其结构如图10-4 所示.在这种结构中,两个插针体端面被磨成8?倾斜,使反射波不能沿入射波的反方向前进而是逃逸到光纤之外,因此,FC/APC单模光纤活动连接器的反射损耗可达到60dB以上,而最小插入损耗可达到0.3dB.(二)光分路器光分路器是一种光无源元件,用来将一路输入光功率分配成若干路输出.在光纤电视分配网络中特别需要将光发送机的大功率分配给一系列光接收机.从性能,可靠性,使用方便和价格等方面考虑,现在无例外地都采用熔锥型单模光纤耦合器构成1Xn光分路器. 将2X2单模光纤耦合器(图10-5)的第4臂剪去,即得1X2光分路器.同法将3X3单模光纤耦合器(图10-6)的第5,6臂剪去即得1X3光分路器.P1 P21 24 3P4 P3图10-5 2X2单模光纤耦合器单模光纤耦合器346 2 P2P1 1 3 P35 4 P4图10-6 3X3单模光纤耦合器对于n?4,有两个办法构造1Xn光分路器,其一是若干个1X2的光分路器的级联,其二是若干个1X2光分路器和1X3光分路器级联.在1X3光分路器出现以前,只能用1X2光分路器链构造1Xn光分路器,例如:两个1X2 光分路器级联构成1X3光分路器,三个1X2光分路器级联构成1X4光分路器.依此类推, 为了构造一个n=2k的1Xn光分路器,就需要n-1个1X2光分路器作k级级联,图10-7是 1X8光分路器的例子.由于第一个1X2光分路器都有附加损耗,帮多级级联必然造成较大的附加损耗和多重反射,特别是级联是通过熔接来实现时尤其如此.采用1X3光分路器作为1Xn光分路器的构成单元,可以大大减少级联数,从而减小1Xn 光分路器的附加损耗和多重反射.图10-8是联合运用1X2和1X3光分路器单元来构造1Xn (n?4)光分路器的方案.由图可见一个1X9光发路器只需四个1X3光分路器的二级级联. 利用自动化的连续熔融拉锥设备可以实现图10-8的构成方案而级间不用熔接,并且各输出口的分光比可任意指定.这比用多个分光比5%分档的市售1X2光分路器熔接而构成的1Xn 光分路器要优越得多.图0-7 1X8分路器的构成图10-8 光分路器的构成方案单模光纤耦合器35(三)光耦合器光耦合器又称光定向耦合器(directional coupler),是对光信号实现分路,合路,插入和分配的无源器件.它们是依靠光波导间电磁场的相互耦合来工作的.1. 光耦合器的分类光定向耦合器的种类很多,最基本的是实现两波耦合的耦合器.从结构上说,两个入口的光定向耦合器有如图10-9所示的品种.第一类为微光元件型.除了图10-9(a)那样采用微型透镜,半反射透镜的结构外,多数都是以自聚焦透镜为主要的光学构件,如图24-9(b),(c),(d),(e),(f).利用λ/4的自聚焦透镜能把会聚光线变成平行光线的特点来实现两束光线的耦合.第二类为光纤成形型,如图10-9(g).星形耦合器是光纤成形中最典型的形式,可以用两根以上的光纤经局部加热融合而成.这种光纤耦合器的制作要经过几道工序:首先去掉光纤的被覆层,再在熔融拉伸设备上平行安装两根光纤,然后用丁烷氧微型喷灯的火焰将光纤局部加热融合,并渐渐将融合部分的直径从200um左右拉细到20~40um左右.由于这种细芯中的光场渗透到包层中,所以两个纤芯之间就会产生光的耦合,拉伸程度不同,耦合比也不同.这种光纤耦合器的附加损耗和分光比由光纤选型和熔融拉伸工艺所决定,若人工操作, 则成品率不高.现在已出现自动熔融拉伸设备,可以自动监测分光比和拉伸量,用计算机控制微型喷灯的工作及气流量,这样制得的熔锥型光纤耦合器的平均插入损耗可达0.1 dB以下,分光比精度可达1%以下.熔锥型光纤耦合器的结构如图10—10所示.第三类为光纤对接耦合型.它是用玻璃加工技术,把光纤磨抛成楔形,将两根光纤的楔形斜面对接胶黏后,再与另一根光纤的端面黏结.其附加损耗可以低于1dB,隔离度大于 50dB,分光比可由1:1至1:100.或者先将两根光纤在一定长度上磨掉近一半,然后把这两半光纤黏结在一起.如图10-9(h)所示.第四类为平面波导型.它是用平面薄膜光刻,扩散工艺制作的,其一致性好,分光比精度也高,但耦合到光纤的插入损耗较大.如图10-9(i)所示.在上述各类光耦合器中,熔锥型光纤耦合器制作方便,价格便宜,容易与外部光纤连接为一整体,而且可以耐受机械振动和温度变化,故应用最多.36图10-9 几种光定向耦合器的结构示意图37图10-10 熔锥型光方向耦合器2. 2X2单模光纤耦合器的性能指标2 X 2单模光纤耦合器的结构方框图如图10-11所示.图10-11 2X2单模光纤耦合器方框图2X2单模光纤耦合器按应用目的可分别制成分路器和波分复用器,前者工作于一个波长,而后者则工作于两个不同的波长.当工作于一个波长时,光源接于端口1(或4),光功率除了传输到端口2(或3)外,也耦合到端口3(或2).几乎没有光功率从端口1(或4)耦合到端口4(或1).另外系统是可互易的,端口1,4可以与端口2,3交换.这种耦合器的技术指标如下.1. 工作波长λ0通常取1.31 m或1.55 m.2. 附加损耗Le附加损耗的定义为21110lgePPLP+= (dB) 式10-3式中Pl为注入端口1的光功率,P2,P3分别为端口2,3输出的光功率.好的2 X 2单模光纤耦合器的附加损耗可小于0.2dB.3. 分束比(或分光比)Ri分束比的定义为23iiPRPP=+i=2,3 式10-438其值根据应用要求而定.4. 分路损耗Li分路损耗的定义为eiiiLRpPL+ = =lg10lg101i=2,3 式10-55. 反向隔离度Lr反向隔离度的定义为4110lgrPLP= 式10-6通常应有Lr>55dB.测量反向隔离度时,须将端口2,3浸润于光纤的匹配液中,以防止光的反射.6. 偏振灵敏度?R偏振灵敏度的定义为光源的偏振方向变化90?时,光纤耦合器分束比变化的分贝数.好的光纤耦合器的偏振灵敏度应小于0.2dB. 7. 光谱响应范围?λ光谱响应范围是指光纤耦合器的分束比保持在给定误差范围内所允许的光源波长变化范围.通常?λ值为土20nm.除此以外,尚有机械性能和温度性能指标.当工作于两个不同的波长时,若两个波长为λ1,λ2的光波都从端口l注入,则端口2为λ1光波的输出口,端口3为λ2光波的输出口.波分复用器的主要技术指标如下. 1)工作波长λ1,λ2工作波长A1,λ2值由应用要求而定,例如1.31 m/1.55 m…2)插入损耗Li插入损耗的定义为12110lgiPLPλ=或23110lgPPλ式10-7 即波长为λ1输入光功率P1与输出光功率P2之比(化成分贝数)或波长为λ2的输入光功率P1与输出光功率P2之比(化成分贝数).优良的波分复用器的插入损耗可小于0.5dB.3)波长隔离度Lλ波长隔离度的定义为3913210lgPLPλλ=或22310lgPPλ式10-8它们是一个波长的光功率串扰另一波长输出臂程度的度量(化成分贝数).Lλ值一般应达到 20 dB以上.4)光谱响应范围?λ通常指插入损耗小于某一容许值的波长范围.要根据应用要求而定.除此以外还有机械性能和温度性能指标.一个典型的1.31 m/1.55 m熔锥型单模光纤波分复用器的谱损曲线如图10-14所示. 作为波分复用器的单模光纤耦合器可单向运用,也可双向运用.在单向运用时,两个不同波长的光波从端口1注入,端口2,3分别有一个波长的光波输出,这是分波器.反之, 两个不同波长的光波分别从端口2,3注人,则端口1有两个波长光波的合成输出,这是合波器.合波器,分波器分别应用在波分复用光纤传输系统的发送端和接收端,如图10-12所示.在双向运用时,正方向和反方向传输的光波的波长不同,两个波分复用器分别置于双向光纤传输系统的两端,起按波长分隔方向的作用,如图10-13所示.波分复用器的合波状态应用较多,例如,在掺饵光纤放大器中将980nm或1480nm 波长的泵浦(pump)光与1550 nm波长的信号光合成起来注入掺饵光纤.图10-12 波分复用光纤传输系统图10-13 双向光纤传输系统40图10-14 1.31 m/1.55 m熔锥型单模光纤波分复用器的谱损曲线(四)各无源器件特性测量框图1. 测试活动连接器插入损耗的实现向光发机的数字驱动电路送入一伪随机信号(长度为24位),保持注入电流恒定.将活动连接器连接在光发机与光功率计之间,记下此时的光功率P:;取下活动连接器,再测此时的光功率,记为P1,将P1,P2代入公式24-1即可计算出其插入损耗.其实验原理框图如图10-15所示:图10-15 活动连接器插入损耗的测量原理图2. 活动连接器的回波损耗:向光发机的数字驱动电路送入一伪随机信号(长度为24位),保持注入电流恒定.测得此时的光功率记为P1.将活动连接器按图10-16接入.测得此时的光功率为P2,将P1,P2 代入公式10-2即可计算出其回波损耗.其测试框图如图10-16所示:41图10-16 活动连接器回波损耗的测量3. 波分复用器的光串扰,波分复用器的光串扰即为其隔离度,其测试原理,框图如图 10-17所示:图10-17 波分复用器光串扰的测量原理图上图中波长为1310nm,1550nm的光信号经波分复用器复用以后输出的光功率分别为 P1,P2,解复用后分别输出的光信号,此时从1310窗口输出13lOnm的光功率为P11,输出 1550nm的光功率为P12;从1550窗口输出1550nm的光功率为P21,输出1310nm的光功率为P22.将各数字代入下列公式:1122210logPLP= 式10-92211210logPLP= 式10-10上式中L12,L21即为相应的光串扰.由于便携式光功率计不能滤除波长1310nm只测1550nm的光功率,同时也不滤除421550nm只测1310nm的光功率.所以改用下面的方法进行光串扰的测量.测量1310nm的光串扰的方框图如10-18(a)所示: 测量1550nm的光串扰的方框图如10-18(b)所示: 图10-18 波分复用器光串扰的测量框图 1122210logPLP= 式10-112211210logPLP= 式10-12上式中L12,L21即是光波分复用器相应的光串扰. [实验步骤](以下实验步骤以1310nm光端机的计算机接口一部分讲解,即实验箱左边的模块.1550nm光端机部分与其相同)(一)活动连接器的插入损耗测量1. 关闭系统电源,按图10-15(a)将光发送模块的的光输出端(1310nm TX),光跳线,光功率计连接好.2. 连接导线:将固定速率时分复用接口模块的FY-OUT与光发送单元的数字信号输入端口P202连接,连接固定速率时分复用单元的D1,D2,D3到D_IN1,D_IN2,D_IN3.3. 将单刀双掷开关S200拨向数字传输端.4. 开启系统电源用光功率计测量此时的光功率P1.5. 将光跳线和活动连接器串入其中,如图10-15(b),测得此时的光功率为P2.6. 代入公式10-1计算活动连接器的插入损耗.437. 关掉交流电开关.拆除导线以及各光器件.(二)活动连接器回波损耗测量1. 按图10-16 (a)将光发送模块的的光输出端(1310nm TX),Y型分路器,光功率计连接好.2. 连接导线:关闭系统电源,保持上一个实验内容的连接不变.3. 打开电源开关,用光功率计测量此时光发端机的光功率P1.4. 再按图10-16 (b)连接测试系统,测得此时的光功率为P2.代入10-2式计算活动连接器的回波损耗.5. 关掉各直流开关,以及交流电开关,拆除导线及光器件.(三)波分复用器的光串扰测量1. 连接导线:关闭系统电源,保持上一个实验内容的连接不变,新增加1550nm光端机部分的固定速率时分复用电路的连接线,产生FY-OUT,并送到1550nm光发送模块的数字信号输入端口.将两个光发送模块的开关S200拨向模拟传输端,并将跳线J200断开. 2. 波分复用器的连接.1) 将一波分复用器标有"1550nm"的光纤接头插入"1550nm TX"端口; 2) 将另一个波分复用器的标有"1310nm"的光纤接头插入"1310nm TX"端口. 3) 用FC/PC活动转接器将两个波分复用器"IN''端相连.3. 开启系统电源,将1310nm光发模块的开关S200拨向数字传输端,将光功率计选择 1310nm档,分别测出图10-18(a)中的P1,P22.4. 将13lOnm光发送模块的开关拨向模拟传输端,将1550nm发送模块的开关S200拨向数字传输端,将光功率计选择1550nm档,分别测出图10-3(b)中的P12,P21. 5. 将P1,P22,P2,P21代入式10-11,式10-13中算出波分复用器的光串扰. 6 .做完实验关闭系统电源开关.7. 拆除导线以及光学器件.8. 将各实验仪器摆放整齐.[实验结果]1. 记录各实验数据,根据实验结果算出活动连接器的插入损耗,活动连接器的回波损耗以及波分复用器的光串扰.2. 分析活动连接器插入损耗产生原因.3. 当Y型分路器的分光比为l:4时,设计测试活动连接器的回波损耗实验,并推导出计算公式.4. 试设计实验测量波分复用器的插入损耗.。
常用光纤器件特性测试实验
实验五光无源器件特性测试实验
一、实验目的
1、了解光无源器件, Y 型分路器以及波分复用器的工作原理及其结构
2、掌握它们的正确使用方法
3、掌握它们主要特性参数的测试方法
二、实验内容
1、测量 Y 型分路器的插入损耗
2、测量 Y 型分路器的附加损耗
3、测量波分复用器的光串扰
三、预备知识
1、光无源器件的种类,有哪些?重点学习几个特性。
四、实验仪器
1、 ZY12OFCom13BG3型光纤通信原理实验箱 1台
2、 FC 接口光功率计 1台
3、万用表 1台
4、 FC-FC 法兰盘 1个
5、 Y 型分路器 1个
6、波分复用器
2个
7、连接导线
20根
五、实验原理
光通信系统的构成, 除需要光源器件和光检测器件之外, 还需要一些不用电源的光通路元、部件,我们把它们统称为无源器件。
它们是光纤传输系统的重要组成部分。
光无源器件包括光纤活动连接器 (平面对接 FC 型、直接接触 PC 型、矩形SC 型、光衰减器、光波分复用器、光波分去复用器、光方向耦合器(例如:Y 型分路器、星型耦合器、光隔离器、光开关、光调制器……
本实验重点介绍 Y 型分路器和光波分复用器,下一实验重点讲光纤活动连接器。
在应用这些无源器件时必须考虑无源器件的各项指标,如 Y 型分路器 (1分 2的光耦合器的插入损耗, 分光比, 波分复用器的光串扰等。
下面对 Y 型分路器插入损耗及附加损耗及其分光比、波分复用器的光串扰分别进行测试。
Y 型分路器的技术指标一般有插入损耗(Insertion Loss 、附加损耗(Excess Loss 、分光比和方向性、均匀性等, 在实验中主要测试 Y 型分路器的插入损耗, 附加损耗及分光比。
就 Y 型分路器而言, 插入损耗定义为指定输出端口的光功率相对全部输入光功率的减少值。
插入损耗计算公式为 5-1式。
lg(10. IN outi P P Li I -=
(5-1
其中, I.Li 为第 i 个输出端口的插入损耗, P outi 是第 i 个输出端口测到的光功率值, P IN
是输入端的光功率值。
Y 型分路器的附加损耗定义为所有输出端口的光功率总和相对于全部输入光功率的减小值。
附加损耗计算公式为 9-2式。
IN
OUT
P P
L E ∑-=lg
10.
(5-2
对于 Y 型分路器, 附加损耗是体现器件制造工艺质量的指标, 反映的是器件制作过程带来的固有损耗; 而插入损耗则表示的是各个输出端口的输出光功率状况, 不仅有固有损耗的因素, 更考虑了分光比的影响。
因此不同类型的光纤耦合器, 插入损耗的差异, 并不能反映器件制作质量的优劣,这是与其他无源器件不同的地方。
分光比是光耦合器件所特有的技术术语,它定义为耦合器各输出端口的输出功率的比值,在具体应用中通常用相对输出总功率的百分比来表示。
%
100. ⨯=
∑
OUT
OUTi
P P R
C
(5-3
例如对于 Y 型分路器, 1:1或 50:50代表了输出端相同的分光比。
即输出为均分的器件。
在实际工程应用中, 往往需要各种不同分光比的器件, 可以通过控制制作方法来改变光耦合器件的分光比。
测试 Y 型分路器的插入损耗、附加损耗和分光比时,其测试实验框图如图 9-1所示。
测试方法为:先测试出光源输出的光功率 P 0,将 Y 型分路器接入其中组成图 9-1所示
图 5-1 Y型分路器性能测试实验框图
测试系统后,分别测出 Y 型分路器输出端的光功率 P 1和 P 2,代入 9-1, 9-2, 9-3式即可得到待测 Y 型分路器的性能指标。
波分复用器的光串扰(隔离度 ,为波分复用器输出端口的光进入非指定输出端口光能量的大小。
其测试原理图如图 5-2所示。
图 5-2 波分复用器光串扰测试原理图
上图中波长为 1310nm 、 1550nm 的光信号经波分复用器复用以后输出的光功率分别为 P 01、
P 02, 解复用后分别输出的光信号, 此时从 1310窗口输出 1310nm 的光功率为 P 11, 输出 1550nm 的光功率为 P 12;从 1550窗口输出 1550nm 的光功率为 P 22,输出1310nm 的光功率为 P 21。
将各数字代入下列公式:
21
0112lg
10P P L = (5-4
12
0221lg
10P P L = (5-5
上式中 L 12 、 L 21即为相应的光串扰。
由于便携式光功率计不能滤除波长 1310nm 只测 1550nm 的光功率,同时也不能滤除 1550nm 只测 1310nm 的光功率。
所以改用下面的方法进行光串扰的测量。
测量 1310nm 的光串扰的方框图如 5-3(a 所示。
测量 1550nm 的光串扰的方框图如 5-3(b 所示:
在这种方法中,光串扰计算公式为:
12112lg
10P P L = (5-6 21
221lg
10P P L = (5-7
上式中 L 12, L 21即是光波分复用器相应的光串扰。
六、注意事项
1、字迹工整 , 原理分析透彻
2、记录各实验数据,根据实验结果计算 Y 型分路器插入损耗和附加损耗。
3、根据实验结果,计算获得波分复用器光串扰。
4、分析实验结果,误差分析正确。
七、实验步骤
A、 Y 型分路器性能测试
λ2
无图 5-3(b 1310nm光串扰测试框图
图 5-3(a 1310nm光串扰测试框图
1、用 FC-FC 光跳线将 1310nm 光发端机与光功率计相连,组成简单光功率测试系统。
2、连接导线:PCM 编译码模块 T661与 CPLD 下载模块 983连接, T980与光发模块输入端 T101连接。
3、将拨码开关 BM1、 BM2和 BM3分别拨到数字、 1310nm 和 1310nm 。
4、接上交流电源线,先开交流开关,再开直流开关 K01, K02,五个发光二极管全亮。
5、接通 PCM 编译码模块 (K60、 CPLD 下载模块(K90 ,光发模块 (K10的直流电源。
6、用万用表监控 R110两端电压 (红表笔插 T103, 黑表笔插 T104 , 调节半导体激光器驱动电流,使之为 25mA 。
7、用光功率计测得此时光功率为 P。
8、拆除 FC-FC 光纤跳线,将 Y 型分路器按照图 9-1中方法组成测试系统。
9、用光功率计分别测出 Y 型分路器输出两端光功率 P 1 和 P 2。
10、关掉各直流开关,以及交流电开关。
拆除导线以及各光学元件,将实验箱还原。
B 、波分复用器性能测试
1、连接导线:PCM 编译码模块 T661与 CPLD 下载模块 983连接, T980与光发模块输入端 T101连接。
2、波分复用器连接:
(1将波分复用器 (A 标有“ 1310nm ” 的光纤接头插入“ 1310nm ” 光发端(1310nmT 。
(2将波分复用器(A 标有“ 1550nm ”的光纤接头用保护帽遮盖起来。
(3用 FC-FC 法兰盘将两个波分复用器“ IN ”端相连。
3、拨码开关 BM1、 BM2和 BM3分别拨到数字、 1310nm 和 1310nm 。
4、接上交流电源线,先开交流开关,再开直流开关 K01, K02,五个发光二极管全亮。
5、接通 PCM 编译码模块 (K60、 CPLD 下载模块(K90 ,光发模块 (K10的直流电源。
6、用万用表监控 R110两端电压 (红表笔插 T103, 黑表笔插 T104 , 调节半导体激光器驱动电流,使之为 25mA 。
7、用光功率计测得此时波分复用器 (B 标有“ 1310nm ” 端光功率为 P
11
, 测得标有 1550nm
端光功率为 P
12。
8、拆除波分复用器“ IN ”端 FC-FC 法兰盘,测得波分复用器(A 标有“ IN ”端输出光
功率为 P
1。
9、 . 依次关闭各直流电源、交流电源,拆除导线,拆除波分复用器。
10、根据 5-3(b 测试框图和上述波分复用器 1310nm 光功率串扰步骤,设计步骤并测试 1550nm 光串扰。
11、将所得光功率数据代入公式 5-6和 5-7计算波分复用器的光串扰。
八、实验报告
1、字迹工整
2、原理分析透彻。
3、记录各实验数据,根据实验结果计算 Y 型分路器插入损耗和附加损耗。
4、根据实验结果,计算获得波分复用器光串扰。
5、分析实验结果,误差分析正确。
九、思考题
1、试设计实验测量波分复用器的插入损耗。
2、对波分复用器光串扰测试进行误差分析。
3、查阅相关文献,比较 Y 型分路器和波分复用器内部结构差异。